浅谈英国Kingspan公司酚醛外墙外保温系统介绍
- 格式:doc
- 大小:1.14 MB
- 文档页数:10
XXXXXX中心大楼外墙幕墙工程酚醛板外墙外保温系统施工方案工程名称:XXXXXXXXXXXXXXXXXXXXXXX外墙幕墙工程责任人:编制人:编制日期:2012年6月25日PF外墙外保温酚醛板施工工艺(一)施工准备1、基层墙体基层墙体应符合《建筑装饰装修工程质量验收规范》GB50210的标准,墙面的疏松、粉尘、污垢和脱膜剂清理干净,墙面平整度超差部分应剔凿或修补,伸出墙面的(设备、管道)连接件已安装完毕。
根据现场实际做法,由于外墙墙面凹凸不平,酚醛板直接安装上墙,安装之后酚醛板表面无法达到标准规范值。
按规范标准执行外保温施工的墙体基面的尺寸偏差应符合表1的规定。
表1墙体基面的允许尺寸偏差表面平整度82m靠尺和塞尺检查在轻质墙体上施工或对既有建筑进行外保温改造时,需对外保温墙体表面进行检查,确认其与所用酚醛板胶粘剂达到应有的粘结强度。
2、设计2.1一般规定2.1.1 不得更改系统的构造和组成材料。
2.1.2 酚醛板外墙外保温系统的建筑节能设计应符合国家现行相关标准的规定。
2.2 系统构造该工程实际要求酚醛板薄抹灰外墙外保温系统由基层、粘结层、保温层(PFR板)、耐碱玻纤网布、薄抹面层和饰面层构成(图1)。
图1 系统构造图2.3 设计要求2.3.1 保温板长度采用600×600mm板面尺寸,厚度按设计要求。
2.3.2 外墙外保温工程在外墙外保温系统上安装的设备或管道应固定于基层上,并应做好密封设计。
2.3.3 门窗四角、阴阳角和装饰缝处应设置局部增强网。
建筑物门窗洞口部位外保温构造应符合以下规定:1 门窗外侧洞口四周墙体,保温板的厚度不应小于25mm;2 门窗洞口四角处的保温板铺贴时应采用整块板切割成型,不得拼接。
板与板接缝距洞四角距离不得小于200mm;3 铺设耐碱玻纤网布时,应在门窗洞口四角处45°斜角加贴200×300mm的标准网布。
(图2)。
图2 门窗洞口网格布加强示意图2.3.4酚醛板薄抹灰外保温工程在建筑物檐口、女儿墙部位应采用酚醛板全包覆做法,以防止产生热桥。
酚醛泡沫板应用于外墙外保温体系的研究综述[摘要]本文通过介绍酚醛泡沫的材料性能,引入酚醛板外墙外保温体系,并针对薄抹灰系统和饰面层粘贴面砖存在的面层开裂和面砖脱落问题采取相应的防治措施,最后提出容易产生热桥部位的保温构造做法。
[关键词] 酚醛泡沫;外墙外保温;保温构造1.酚醛树脂的发展概况酚醛树脂(PF)是世界上人工合成和工业化生产最早的一类热固性合成树脂,距今已达百年之久,由于原料容易获得,价格低廉,具有优良的综合性能,并且生产工艺十分简单,所以各国竞相发展和改良酚醛树脂的生产工艺和材料性能。
自上个世纪中期以来,酚醛泡沫作为一种新型保温材料一直受到欧美发达国家的重视,1940德国科学家首先将酚醛泡沫应用于飞机上作为保温隔热层,70年代这种保温材料从最初仅仅应用于航空航天和国防领域逐渐发展到作为车站、医院、公寓、酒店的外墙保温主体材料。
国内从上个世纪90年代才开始研究和发展酚醛泡沫材料,由于酚醛树脂结构上缺乏柔性基团,在研究初期阶段生产的酚醛泡沫具有易掉渣、粉化、开口率较高、脆性大、残存甲醛味大等缺点。
近年来,随着工业化生产水平以及对建筑防火等级和节能要求逐渐提高,酚醛泡沫在建筑行业受到越来越高的重视,广泛应用于各类公共建筑和住宅建筑的外墙外保温体系中。
2.酚醛泡沫板的材料组成和生产工艺酚醛泡沫(PF)是由酚醛树脂、表面活性剂、发泡剂、阻燃剂、抑烟剂、改性填充剂、酸类硬化剂经过混合、快速搅拌、浇铸、加热发泡,在60-70℃条件下经过一段时间熟化得到的闭孔型硬质泡沫塑料体。
酚醛泡沫板材的生产工艺分为:(1)连续层压发泡生产法:将原料定量输送到浇注发泡机,原料在发泡机内高速混合后,浇注出的发泡料连续注入配有自动传送滚动装置的模板内,经加压固化后,板材从模内脱出,并根据需要的规格和尺寸进行切割。
(2)间接发泡生产法:将原料准确定量后,分别注入层压机内的多个模具中,等待一段时间后,模具内的发泡混合料固化成所需规格的保温板,取出后再注入生产下一批。
外墙保温施工方案(酚醛保温板)附件六外墙保温工程是建筑节能工程的重要组成部分,其施工质量直接关系到建筑物的节能效果和使用寿命。
本文将重点介绍外墙保温施工方案中的酚醛保温板相关内容。
酚醛保温板概述酚醛保温板是一种常用的外墙保温材料,具有优良的保温隔热性能和较高的强度,是目前常见的外墙保温材料之一。
其主要由酚醛树脂等材料制成,具有优异的防火性能和耐候性,广泛应用于建筑外墙保温工程中。
酚醛保温板施工要点1.基层处理:在施工前,需对基层进行清理、打磨和修补,确保基层结实平整,无油污、灰尘等杂质。
必要时,可以使用专用基层处理剂提高基层附着力。
2.粘结层施工:在基层处理完成后,应根据设计要求涂刷粘结砂浆或粘结砂浆胶水,并在规定的时间内完成保温板的粘贴,保证粘结牢固。
3.保温板铺设:保温板应采用交错、错台等方式铺设,每块板之间要留有适当的接缝,且保证整体平整、垂直,避免板与板之间的间隙。
4.配线施工:在保温板施工完成后,需预留墙体线槽、插座盒等位置,确保后续电线敷设方便顺畅,避免对外墙保温层的破坏。
5.面层涂抹:在保温板粘贴完成后,需进行表面抹灰、找平等工艺,确保整体光滑平整。
同时,应注意面层与保温板之间的粘结牢固,避免空鼓、开裂等现象。
酚醛保温板施工质量控制1.品牌选择:施工过程中应选择正规厂家生产的质量可靠的酚醛保温板,确保材料符合国家标准和设计要求。
2.施工人员:施工过程中的人员应具有相关资质和经验,并严格按照设计要求和施工工艺进行操作,确保施工质量。
3.工具设备:施工过程中应使用专业的工具设备,并保持工具设备的清洁、完好,确保施工过程的顺利进行。
4.质量验收:施工完成后,应进行质量验收,检查外墙保温施工是否符合设计要求、规范标准和施工工艺要求,确保施工质量合格。
结语酚醛保温板作为一种常见的外墙保温材料,在施工过程中需注意基层处理、粘结层施工、保温板铺设、配线施工以及面层涂抹等关键步骤,保证外墙保温施工质量和效果。
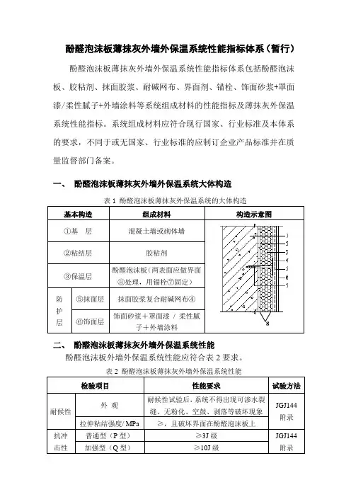
酚醛泡沫板薄抹灰外墙外保温系统性能指标体系(暂行)酚醛泡沫板薄抹灰外墙外保温系统性能指标体系包括酚醛泡沫板、胶粘剂、抹面胶浆、耐碱网布、界面剂、锚栓、饰面砂浆+罩面漆/柔性腻子+外墙涂料等系统组成材料的性能指标及薄抹灰外保温系统性能指标。
系统组成材料应符合现行国家、行业标准及本体系的要求,不同于或无国家、行业标准的应制订企业产品标准并在质量监督部门备案。
一、酚醛泡沫板薄抹灰外墙外保温系统大体构造表1 酚醛泡沫板薄抹灰外保温系统的大体构造基本构造组成材料构造示意图①基层混凝土墙或砌体墙②粘结层胶粘剂③保温层酚醛泡沫板(两表面应做界面⑧处理,用锚栓⑦固定)防护层⑤抹面层抹面胶浆复合耐碱网布④⑥饰面层饰面砂浆+罩面漆/ 柔性腻子+外墙涂料二、酚醛泡沫板薄抹灰外墙外保温系统性能酚醛泡沫板外墙外保温系统性能应符合表2要求。
表2 酚醛泡沫板薄抹灰外墙外保温系统性能检验项目性能要求试验方法耐候性外观耐候性试验后,系统不得出现可渗水裂缝、无粉化、空鼓、剥落等破坏现象JGJ144附录拉伸粘结强度/ MPa ≥,且破坏界面在酚醛泡沫板上抗冲击性普通型(P型)≥3J级JGJ144附录加强型(Q型)≥10J级8三、酚醛泡沫板薄抹灰外墙外保温系统组成材料性能1. 酚醛泡沫板性能应符合《绝热用硬质酚醛泡沫制品(PF)》GB/T20974-2007要求的同时,还应符合表3、表4要求。
表3 酚醛泡沫板物理性能注:酚醛泡沫板是指由酚醛树脂、改性材料、发泡剂、固化剂和其它助剂一起反映所取得的热固性硬质改性酚醛泡沫塑料板。
表4 酚醛泡沫板尺寸许诺误差单位:mm2. 胶粘剂性能应符合表5要求。
表5 胶粘剂性能3. 抹面胶浆性能应符合表6要求。
表6 抹面胶浆性能4. 耐碱网布性能应符合表7要求。
表7 耐碱网布性能5.界面剂性能应符合表8要求。
表8 界面剂性能6.锚栓锚栓由螺钉和带圆盘的塑料膨胀套管两部份组成。
金属螺钉应采纳不锈钢或通过表面防锈处置的金属制成,塑料钉和带圆盘的塑料膨胀套管应采纳聚酰胺、聚乙烯或聚丙烯制成,制作塑料钉和塑料套管的材料不得利用回收的再生材料。
XXXXXX中心大楼外墙幕墙工程酚醛板外墙外保温系统施工方案工程名称:XXXXXXXXXXXXXXXXXXXXXXX外墙幕墙工程责任人:编制人:编制日期: 2012年6月25日PF外墙外保温酚醛板施工工艺(一)施工准备1、基层墙体基层墙体应符合《建筑装饰装修工程质量验收规范》GB50210的标准,墙面的疏松、粉尘、污垢和脱膜剂清理干净,墙面平整度超差部分应剔凿或修补,伸出墙面的(设备、管道)连接件已安装完毕。
根据现场实际做法,由于外墙墙面凹凸不平,酚醛板直接安装上墙,安装之后酚醛板表面无法达到标准规范值。
按规范标准执行外保温施工的墙体基面的尺寸偏差应符合表1的规定。
表1墙体基面的允许尺寸偏差在轻质墙体上施工或对既有建筑进行外保温改造时,需对外保温墙体表面进行检查,确认其与所用酚醛板胶粘剂达到应有的粘结强度。
2、设计2.1一般规定2.1.1 不得更改系统的构造和组成材料。
2.1.2 酚醛板外墙外保温系统的建筑节能设计应符合国家现行相关标准的规定。
2.2 系统构造该工程实际要求酚醛板薄抹灰外墙外保温系统由基层、粘结层、保温层(PFR板)、耐碱玻纤网布、薄抹面层和饰面层构成(图1)。
图1 系统构造图2.3 设计要求2.3.1 保温板长度采用600×600mm板面尺寸,厚度按设计要求。
2.3.2 外墙外保温工程在外墙外保温系统上安装的设备或管道应固定于基层上,并应做好密封设计。
2.3.3 门窗四角、阴阳角和装饰缝处应设置局部增强网。
建筑物门窗洞口部位外保温构造应符合以下规定:1 门窗外侧洞口四周墙体,保温板的厚度不应小于25mm;2 门窗洞口四角处的保温板铺贴时应采用整块板切割成型,不得拼接。
板与板接缝距洞四角距离不得小于200mm;3 铺设耐碱玻纤网布时,应在门窗洞口四角处45°斜角加贴200×300mm的标准网布。
(图2)。
图2 门窗洞口网格布加强示意图2.3.4酚醛板薄抹灰外保温工程在建筑物檐口、女儿墙部位应采用酚醛板全包覆做法,以防止产生热桥。
外墙外保温系统(external thermal insulation system ),由保温层、保护层和固定材料 (胶粘剂、锚固件等) 构成并且适用于安装在外墙外表面的非承重保温构造总称。
目前市场上保温系统分为五大体系(1)EPS板薄抹灰外墙外保温系统;(2)EPS灰浆薄抹灰;(3)现浇混凝土EPS外墙外保温;(4)现浇砼钢丝网架EPS外墙外保温;(5)机械固定EPS外墙外保温。
● 外保温系统正常使用年限应不少于25年(国家标准)● EPS板薄抹灰外墙外保温系统的优点(1)节能效率高;(2)消除墙体温度梯度;(3)不存在热桥。
● EPS板薄抹灰外墙外保温定义:以EPS板(即聚苯板)为保温材料,玻纤网增强,底涂材料和饰面涂层为保护层,采用粘结或机械固定,保护层厚度小于6mm的外墙外保温系统。
● 盾石外墙外保温系统属于EPS板薄抹灰外墙外保温。
● 盾石外保温系统的组成:(1)粘结层(2)聚苯板(EPS板)18~22kg/m(3)抹面层(4)玻纤网(标准网加强网两种)。
(6)腻子涂料等饰面层。
● 好的基底:砼基底本身抗拉强度大于等于1.5Mpa,现场拉拔不小于0.3Mpa且粘结界面脱开面积不大于50%。
好基底的状况(1)干燥、无泛霜现象、强度够;(2)表面无浮灰、脱模剂剂残留物、不能有妨粘结的材料;(3)平整度好;(4)无水管电线等。
保温系统如何选购材料(1)EPS板:18~22kg/m、尺寸要求、陈化时间大于等于25天、储存要好;(2)玻纤网耐碱分为:本身耐碱和涂附耐碱(3)干粉砂浆对基底粘结性:拉伸粘结强度(对水泥基底)原强度大于等于0.6Mpa,耐水大于等于0.4Mpa。
(4)干粉砂浆对EPS板粘结性:拉伸粘结强度大于等于0.1Mpa且破坏界面在EPS板上(5)砂浆可操作时间1.5~4.0h施工注意问题(1)贴板时需错缝搭接1/2板长;(2)门窗角处做加强处理,提高角部抗开裂性;(3)苯板粘结层,粘结面积大于等于35%;(4)EPS板缝之间不能有砂浆;(5)建筑阴阳角处,苯板需咬茬交错;(6)建筑尽端必须进行翻包,详细构造参见“盾石外保温施工图集”。
建筑外墙外保温系统概述建筑外墙外保温系统,又称外保温系统,是指在建筑物外墙表面加装隔热材料,在外墙表面涂刷特殊涂料,形成一个整体的隔热保温系统。
系统组成建筑外墙外保温系统由以下几部分组成:保温材料保温材料是外墙外保温系统最核心的组成部分,其主要作用是隔绝冷热空气的传递,实现保温隔热的效果。
常见的保温材料有聚苯乙烯泡沫板、挤塑板和岩棉板等。
粘结剂粘结剂是将保温材料固定到建筑物外墙表面的重要材料,一般采用硅酸盐粘结剂、环氧树脂和水泥等。
表面处理剂表面处理剂主要是涂料,它可以防止保温材料在风雨等各种恶劣的气候条件下受到损坏,并且可以美化建筑物的外观。
表面处理剂有两种类型:有机涂料和无机涂料。
有机涂料常用的是聚碳酸酯和氟碳涂料;无机涂料常用的是矿物皮防水材料和硅酸盐涂料等。
防护层防护层是为了保护整个外墙外保温系统不受到损坏,防止建筑物外墙受到震动、风雨等自然灾害的破坏,从而达到延长建筑物寿命的目的。
防护层主要有整体防护层和分层防护层两种,一般采用铝合金网和聚合物抗裂纤维网等材料。
系统优势建筑外墙外保温系统的优势主要表现在以下几个方面:隔热效果好建筑外墙外保温系统采用专业的保温材料,可以大幅度降低建筑物外墙的传热系数,从而达到良好的隔热效果,提高建筑物的热舒适度和节能效果。
提高建筑物美观度建筑外墙外保温系统可以采用各种外观材料和涂料,更好的满足建筑物的外观要求,提高建筑物的美观度。
提高耐久度建筑外墙外保温系统在处理墙面裂缝、溶解、起泡等问题时,具有有效的技术手段,可以有效保证建筑外墙的整体耐久性。
节约空间建筑外墙外保温系统不会占用空间,而且可以增加建筑物的使用面积,提高建筑物的经济效益。
系统应用建筑外墙外保温系统广泛应用于高层住宅、商务办公楼、医院、学校、工厂等各种建筑物的保温隔热和美化装饰。
在今后的发展中,建筑外墙外保温系统将越来越受到重视,成为一种必要的应用方式。
国内外外墙保温材料简介(精选5篇)第一篇:国内外外墙保温材料简介国内外外墙保温材料简介现在建筑市场上的外墙保温材料主要使用苯板、挤塑板以及聚氨酯。
苯板最便宜,保温效果一般,会吸水、发生变形,做完保温层之后需要做其他的一些防水等措施。
挤塑板相较苯板要好很多,导热系数比苯板低,价格稍高一点聚氨酯是现有保温材料里面性能最好的一种,冰箱冷库等领域的保温材料用的就是聚氨酯,导热系数远远低于苯板和挤塑板,基本上一半厚度的聚氨酯保温层就可以达到苯板和挤塑板原厚度的保温效果,不过价格要比苯板和挤塑板高出不少。
分类:在建筑和工业中采用良好的保温技术与材料,往往能起到事办公倍的保温节能效果。
目前用于四川保温材料主要有:1,矿物棉,岩(矿)棉和玻璃棉有时统称为矿物棉,它们都属于无机材料。
岩棉(矿物棉)是一种来自天然矿物、无毒无害的绿色产品。
其防火性能好、耐久性好,能够做到与结构寿命同步,价格较低,在满足保温隔热性能的同时还能够具有一定的隔声效果。
岩棉外墙外保温隔热的应用在欧洲、北美比较广泛,北欧人均20kg,美国人均5-10kg,岩棉外保温隔暖系统尤其实用于防火等级要求高的建筑。
但岩棉的质量优劣相差很大,保温性能好的密度低,其抗拉强度也低,耐久性比较差。
玻璃棉与岩棉在性能上有很多相似之处,但其手感好于岩棉,可改善工人的劳动条件。
但它在中价格较岩棉为高。
2,聚苯乙烯泡沫塑料板,聚苯乙烯泡沫塑料板是以聚苯乙烯树脂为主要原料,经发泡剂发泡而制成的内部具有无数封闭微孔的材料。
其表看密度小,导热系数小,吸水率低,隔音性能好、机械强度高,而且尺寸精度高,结构均匀。
因此在外墙保温中其占有率很高。
硬质聚氨酯泡沫塑料具有非常优越的绝热性能,它的导热系数之低(0.025W/(m2?K))是其他材料所无法与之相比的。
特别是当保温隔热效能要求越高,保温隔热层要求越薄以便增加建筑物可用面积,加工、施工、保养要求越方便的情况下,聚氨酯的优越性尤其显著,同时其特有的闭孔结构使其具有更优越的耐水汽性能,由于不需要额外的绝缘防潮,简化了施工程序,降低了工程造价。
浅析外墙外保温系统作者:沈惠根,周亮亮,郑国军来源:《中国科技博览》2013年第27期摘要:外墙外保温是一项先进的节能技术,它集保温、防水及装饰功能于一体,既适用新建工业与民用建筑,也适用旧楼的节能改造。
它是将保温材料置于维护结构的外侧,达到保温隔热目的,可以有效解决室内外温差较大而造成的能源损失问题。
本文分析了外墙外保温系统的组成结构,及其对舒适度的影响。
关键词:外墙外保温;组成结构;舒适度;中图分类号: {TE867} 文献标识码:0.引言随着社会发展,能源危机越来越受到人们的重视,而节能也得到了人们的广泛认同。
建筑业是国民经济的支柱产业,建筑面积每年都在递增,然而建筑能耗在社会总能耗中所占的比例很大。
随着能源危机的不断加剧,对建筑节能要求不断提高。
而外墙外保温技术是建设投资效益实现的基本保证,也是节约国家能耗的主要措施。
因此,做好外墙外保温工作,对于节约能源,提高房间的热稳定性和舒适度以及保护外墙主体结构,延长建筑的使用寿命具有重大意义。
1.外墙外保温系统的组成和结构外墙外保温系统主要由以下几层构成:(1)粘结层:一般由粘结胶浆构成,视需要可附加锚钉。
如基面不符合粘贴要求时,需采用机械法固定。
(2)保温层:一般是阻燃型聚苯乙烯泡沫板(EPS),也可以是挤塑板(XPS)等,厚度按各地节能要求选择。
(3)防护层:由抹面胶浆和玻璃纤维网格布组成。
(4)饰面层:可选用防开裂性、拒水性、透气性和耐候性等较好的外墙涂料等。
2.外墙外保温系统对舒适度的影响对于居住建筑,当室外气温下降时,为了保持室内的舒适温度,需要采暖来补充室内向外传热的建筑物耗热量;反之,当室外气温上升时,则需要降低室内空气温度。
墙体节能的实质其实就是对建筑物的外围护结构进行加强,使其保温、隔热和气密性能得到提高。
而外墙外保温就是指在外墙主体结构的外表面上建造非承重的保温层。
影响人体舒适程度的气象因素,首先是气温,其次是湿度,再次是风向风速等。
酚醛保温板方案讲解一想到酚醛保温板,我就想起那些年里,无数次穿梭在工地的身影,手里握着的是保温板,心里装的是对质量和效果的执着。
今天,就让我来给大家详细讲解一下酚醛保温板的方案,让大家对这款神奇的保温材料有一个全面的认识。
我们得从酚醛保温板的特性说起。
这东西,轻、硬、韧,强度高,稳定性好,关键是环保。
它的保温效果,那可是一流的。
想象一下,冬天的夜晚,寒风凛冽,你的房子就像一个温暖的怀抱,把你紧紧地包裹住,那种感觉,是不是很美好?我们来看看酚醛保温板的具体应用。
一般来说,它主要应用于建筑外墙保温、屋面保温、冷库、管道保温等领域。
在这些地方,它都能发挥出卓越的保温效果。
1.建筑外墙保温酚醛保温板在建筑外墙保温中的应用,可以说是它的拿手好戏。
它不仅保温效果好,而且防火性能出色,让建筑物的安全系数大大提高。
在外墙保温系统中,酚醛保温板起到了关键的作用,使得建筑物在寒冷的冬天也能保持温暖。
2.屋面保温屋面保温,同样离不开酚醛保温板。
它轻盈的体重,让屋面承受的压力大大减轻,同时,保温效果也是杠杠的。
这样一来,屋面就不会因为寒冷而积水,避免了渗漏的风险。
3.冷库酚醛保温板在冷库领域的应用,那就更是得心应手了。
冷库需要保持恒温,而酚醛保温板正好能满足这个要求。
它的保温性能,让冷库内的温度稳定,保证了食品、药品等物品的安全。
4.管道保温管道保温,也是酚醛保温板的重要应用领域。
无论是热水管道还是蒸汽管道,都需要保温材料来保驾护航。
酚醛保温板在这方面表现得非常出色,不仅保温效果好,而且使用寿命长,降低了管道维修的频率。
说完应用,我们再来谈谈酚醛保温板的施工工艺。
这可是技术活儿,讲究的是精细、严谨。
1.基层处理在施工前,要对基层进行处理,确保基层平整、干净。
这样做,是为了让酚醛保温板与基层更好地贴合,提高保温效果。
2.铺设保温板就是铺设酚醛保温板了。
这个过程,要保证保温板之间的缝隙严密,不能有丝毫的马虎。
否则,保温效果就会大打折扣。
试述酚醛泡沫板外墙外保温体系的构造及工法摘要:相对外墙内保温,外墙外保温能更加有效的防止、减少墙体及屋面的温度变形,明显消除顶层横墙常见的斜裂缝以及八字裂缝。
既减少维护结构的温度应力,同时又对主体结构起保护作用,并提高主体结构的耐久性,故比外墙内保温更科学、更合理。
关键词:酚醛泡沫板外墙外保温体系构造及工法一、酚醛泡沫板外墙外保温体系的应用有机保温材料保护面层是否防火及厚度三个关键要素,对外墙外保温进行防火性能对比试验研究。
根据新标准及外墙外保温系统的防火等级划分及适用高度,对无空腔防火型外墙外保温系统的防火性能进行等级评价及应用范围限定,来提高外墙外保温系统的防火性及系统的各项性能和经济效应。
创建与创新外墙外保温系统,采用满粘代替点粘、条粘,使酚醛泡沫板面应力分布比较均匀,避免了应力的集中,同时粘接率远远高于40%以上,有效地提高了粘接性能、拉剪切性能和抗风压性能,门窗口的防火隔断全部用防火胶粉酚醛泡沫颗粒严密包裹,提高防火的安全性。
二、酚醛泡沫板外墙外保温系统的施工工艺1、怎样选择保温材料。
当代建筑中外墙保温材料多以挤密苯板、EPS板、酚醛泡沫板材料为主。
酚醛泡沫板的导热系数为0.02~0.030(W/m·K),同抗裂砂浆相差20倍,故EPS板与酚醛泡沫板相比,抗裂能力弱于酚醛泡沫板,酚醛泡沫板导热系数小,能缓解热量聚集在抗裂层,让体系受温度骤变产生热负荷和应力很快释放,提高抗裂层的耐久性,且与用EPS板、挤塑材料保温比每平可节约20元左右,综合成本造价降低10%-30%,是外墙外保温系统的首选。
长期以来,我国西北地区建筑物外墙均采用490mm厚粘土多孔砖墙,这样可同时满足强度,安全、保温、隔热等耐久性能的需求。
为满足节能的效果,还同时达到上述功能要求,采用240mm厚多孔砖墙外贴导热系数为0.22—0.030(W/m·K)的50mm厚的酚醛泡沫板保温就能够满足寒冷地区外墙保温的要求,并达到节能85%的要求。
外墙外保温隔热系统外墙外保温隔热系统是绿色建筑中重要的一环,起到节约能源的作用,其中,外墙外保温隔热系统的构成是怎样的?有哪些特点?下面是下面带来的关于外墙外保温隔热系统的内容介绍以供参考。
外墙外保温隔热系统是由保温层、抹面层、固定材料和饰面层按照一定的建筑构造固定在外墙外表面形成有机的整体,并使墙体的热工性能等指标符合相应建筑节能标准要求的建筑外墙保温隔热技术体系。
相比其他外墙保温隔热系统,外墙外保温隔热系统在保温节能和防潮方面具有较大的优势:1)减少外墙热桥部位的热损失,优化外墙整体热工性能;2)防止或减少保温层内部产生水蒸气凝结;3)房间的热稳定性好;4)大大降低温度应力的起伏,提高外墙结构的耐久性;5)节约保温材料,提高建筑使用面积,降低建筑造价。
基于以上优点,外墙外保温隔热系统适用于使用率较高的建筑,例如住宅、办公、商业等。
目前常用的外墙外保温隔热系统包括以下几种:1)粘贴保温板外保温隔热系统,该系统由粘结层、保温层、抹面层和饰面层构成。
粘结层材料采用胶粘剂,保温层材料采用岩棉板、玻璃棉板等,抹面层材料为抹面胶浆,抹面胶浆中满铺玻纤网;饰面层材料可为涂料或饰面砂浆。
2)保温浆料外保温系统,该系统由界面层、保温层、抹面层和饰面层构成。
界面层材料为界面砂浆;保温层材料为膨胀珍珠岩保温砂浆、无机保温砂浆、玻化微珠保温砂浆等,经现场拌和后抹在基层上;抹面层材料为抹面胶浆,抹面胶浆中满铺玻纤网;饰面层为涂料。
3)现场喷涂硬泡聚氨酯外保温系统,该系统由界面层、现场喷涂硬泡聚氨酯保温层、界面砂浆层、找平层、抹面层和涂料饰面层组成。
抹面层中满铺玻纤网。
4)保温装饰板外保温系统,该系统由粘结砂浆、保温装饰板、嵌缝材料、密封材料和锚固件构成。
施工时,先在基层墙体上做防水找平层,采用以粘为主、粘锚结合方式将保温装饰板固定在基层上,并采用嵌缝材料封填板缝。
酚醛泡沫在外墙外保温中的应用(图)1背景随着酚醛泡沫及其复合材料在各个行业领域的广泛应用,尤其是中央空调风管以及管道隔热保温领域,以及酚醛泡沫的生产厂家的逐渐增多,大家对酚醛泡沫及其特性已经逐渐有所了解,并不是那么陌生。
酚醛泡沫塑料及其制品的研究,国外是从上世纪80年代开始的,专家们发现:酚醛泡沫塑料具有难燃、低烟、低毒特性和优异的耐热性等突出特点。
上世纪90年代以来,包括酚醛泡沫在内的酚醛复合材料得到很大发展,首先受到英、美等国家军方的重视,将其用于航天航空、国防军工领域,后又被应用在民用飞机、船舶、车站、油井等防火要求严格的场所,并逐步推向建筑领域。
国内酚醛泡沫塑料的研究,开始于上世纪80年代末90年代初,到现在国内共有20家左右的企业在进行酚醛泡沫的研究及生产,主要还是集中应用于中央空调风管领域。
近年来,我国重大火灾事故不断发生,分析着火的主要原因,与其使用易燃材料有很大关系。
所以,如果能够将酚醛泡沫应用于建筑节能领域将是一件利国利民的好事。
2酚醛泡沫的优点与缺点酚醛泡沫导热系数仅为0.02W/m·K左右,防火性为不燃A级。
酚醛泡沫与聚苯乙烯泡沫、聚氨酯泡沫相比,保温性能更好,以及不可比拟的防火性。
但酚醛泡沫也有一些自身的缺点,主要表现在泡沫较脆,易粉化等方面。
虽然很多单位在研究如何改性,但目前为止还没有一个很好的解决办法。
希望在将来能有所突破。
3应用及施工做法近年来已经有一些公司开始在作这方面的尝试,并且已经成功的将酚醛泡沫板应用于外墙保温中,达到了理想的效果。
3.1常见采用的形式主要还是类似聚苯板的湿贴做法,主要结构如下:施工工艺也和聚苯板类似。
施工工序为:基层墙面清理找平→弹控制线→粘贴酚醛泡沫板→抹第一层聚合物砂浆→铺贴玻纤网格布→抹第二层玻纤网格布→饰面层。
但酚醛泡沫存在的一些缺点,如脆性、易粉化,也限制了此施工做法的应用范围。
比如在粘贴完酚醛泡沫板后用橡皮锤敲击时,如果力量过重,易发生酚醛泡沫板破裂等情况。
XXXXX)中心大楼外墙幕墙工程酚醛板外墙外保温系统施工方案工程名称:XXXXXXXXXXXXXXXXXXXXXX外墙幕墙工程责任人:编制人:编制日期:2012 年6月25日PF外墙外保温酚醛板施工工艺(一)施工准备1、基层墙体基层墙体应符合《建筑装饰装修工程质量验收规范》GB50210的标准,墙面的疏松、粉尘、污垢和脱膜剂清理干净,墙面平整度超差部分应剔凿或修补,伸出墙面的(设备、管道)连接件已安装完毕。
根据现场实际做法,由于外墙墙面凹凸不平,酚醛板直接安装上墙,安装之后酚醛板表面无法达到标准规范值。
按规范标准执行外保温施工的墙体基面的尺寸偏差应符合表1的规定。
表1墙体基面的允许尺寸偏差在轻质墙体上施工或对既有建筑进行外保温改造时,需对外保温墙体表面进行检查,确认其与所用酚醛板胶粘剂达到应有的粘结强度。
2、设计2.1 一般规定2.1.1 不得更改系统的构造和组成材料。
2.1.2酚醛板外墙外保温系统的建筑节能设计应符合国家现行相关标准的规2.2 系统构造图i系统构造图该工程实际要求酚醛板薄抹灰咖市)外墙外保温系统由基层、粘结层、保温层(PFR板)、耐碱玻纤网布、薄抹面层和饰面层构成(图1)。
2.3 设计要求2.3.1 保温板长度采用600X 600mm板面尺寸,厚度按设计要求。
232 外墙外保温工程在外墙外保温系统上安装的设备或管道应固定于基层上,并应做好密封设计。
233 门窗四角、阴阳角和装饰缝处应设置局部增强网。
建筑物门窗洞口部位外保温构造应符合以下规定:1门窗外侧洞口四周墙体,保温板的厚度不应小于25mm2门窗洞口四角处的保温板铺贴时应采用整块板切割成型,不得拼接。
板与板接缝距洞四角距离不得小于200mm3铺设耐碱玻纤网布时,应在门窗洞口四角处45°斜角加贴200X 300mm的标准网布。
(图2)图2门窗洞口网格布加强示意图OO■:■234酚醛板薄抹灰外保温工程在建筑物檐口、女儿墙部位应采用酚醛板全包覆做法,以防止产生热桥。
浅析建筑外墙外保温系统导语:外墙外保温顾名思义是一种把保温层放置在主体墙材外面的保温做法,因其可以减轻冷桥的影响,同时保护主体墙材不受多大的温度变形应力,是目前应用最广泛的保温做法,也是国家大力倡导的保温做法。
1.建筑外围设计中节能技术的优劣分析1.1外墙内保温技术分析外墙内保温就是在外墙的内侧使用苯板、保温砂浆等保温材料,从而使建筑达到保温节能作用的施工方法。
该施工方法具有施工方便、对建筑外墙垂直度要求不高、施工进度快等优点。
在早期的外墙保温施工中约有90%以上的工程应用内保温技术。
1.2内外混合保温技术分析内外混合保温,是在施工中外保温施工操作方便的部位采用外保温,外保温施工操作不方便的部位做内保温,这是内外混合保温施工的基本做法。
从施工操作上看,混合保温可以提高施工速度,对外墙内保温不能保护到的内墙、板同外墙交接处的冷(热)桥部分进行有效的保护,从而使建筑处于保温中。
然而,混合保温对建筑结构却存在着严重的损害。
外保温做法部位使建筑物的结构墙体主要受室内温度的影响,温度变化相对较小,因而墙体处于相对稳定的温度场内,产生的温差变形应力也相对较小;内保温做法部位使建筑物的结构墙体主要受室外环境温度的影响,室外温度波动较大,因而墙体处于相对不稳定的温度场内,产生的温差变形应力相对较大。
局部外保温、局部内保温混合使用的保温方式,使整个建筑物外墙主体的不同部位产生不同的形变速度和形变尺寸,建筑结构处于更加不稳定的环境中,经年温差结构形变产生裂缝,从而缩短整个建筑的寿命。
工程保温做法中采用内外保温混合使用的做法是不合理的,比做内保温的`危害更大,该方法已很少使用。
更合理的外墙保温技术是外墙外保温技术。
1.3外墙外保温技术分析1.3.1适用范围广外保温不仅适用于需夏季隔热地区的空调建筑,也适用于北方需冬季保温地区的采暖建筑。
既适用于新建建筑,也适用于既有建筑的节能改造。
保温效果明显。
由于保温材料置于建筑物外墙的外侧,基本上可以消除在建筑物各一个部位的“热桥”影响。
酚醛板外墙外保温系统施工方案上海****工程有限公司2009-6-22一、系统介绍PF板外墙外保温系统产品介绍A、系统简介**轻质A级防火保温板系统是一种有毛面表皮层的酚醛泡沫板为内保温材料的专用外墙保温系统,主体由粘接层、保温层、护面层和饰面层组成。
其保温主材料酚醛泡沫(PhenolicFoams,简称PF)被誉为“保温之王”,具有容量轻、绝热性好、刚性大、尺寸稳定性好等特点,并且它有与铝相似的膨胀系数,属于难燃物质(防火A级),发烟量低、不会熔融、无滴落物。
实为不可多得的佳品。
**FP系统即安装在建筑物围护结构外墙外侧的保温防火隔热系统,由酚醛防火板保温层、特殊聚合物改性胶粘剂粘结层、必要时辅助使用的机械锚固件、特殊聚合物改性抹面胶浆(内置耐碱玻璃纤维网格布)防护层和饰面层组成。
根据基层表面状况或楼层高低,可采用纯粘结方式或粘结辅助机械锚固相结合方式安装系统。
PF板外墙外保温系统结构.1、基层墙体2、 EF-160 胶粘剂;3、 EF-166 PF板EF-168 锚栓固定件4、 EF-162 抹面胶浆5、 EF-164 耐碱网布6、饰面层B、系统性能❑系统降低了居住采暖和制冷的能耗PF保温板的高热阻值以及长期使用后的高热阻保持率,有效降低了建筑物能耗,并极大地提高了居住舒适度。
❑系统增强了墙体的防水性和防潮性采用聚合物改性砂浆以及连续均匀的墙体包覆使系统具有良好的韧性和防水性。
克服了加气混凝土、混凝土空心砌块等墙体防水和气密性较差的缺点。
❑系统有效保护了主体结构系统安装在建筑物围护结构外墙的外侧,主体结构始终处在相对温度较恒定的状态中,缓冲了因温度变化导致结构变形产生的应力(即:热损伤)。
事实证明,墙体和屋面保温隔热材料选材适当,设计厚度合理,系统将有效地防止和减少墙体和屋面地温度引力,有效地消除异常裂缝的产生。
从而有效地提高了主体结构的耐久性,延长建筑物使用寿命,这要比内保温更科学合理。
❑系统提升了建筑立面装饰效果系统塑造出不开裂、高度平整的墙面,使得饰面层(不管采用外墙涂料或面砖)均能创造出更具美学价值的装饰效果。
英国Kingspan公司酚醛外墙外保温系统介绍
[2012/9/3]
2012年6月6日,中国建筑材料联合会赴欧洲考察团与英国Kingspan 公司及其系统供应商Alumasc公司在英国伦敦进行了技术交流。
Kingspan 公司产品经理Mark Swift和Alumasc公司销售总监Stewart Taylor向考察团介绍了酚醛外墙外保温系统的优点、构成、设计、施工过程、善后保修等细节内容,并对考察团提出的关于标准和可靠性问题进行了解答。
一、Kingspan和Alumasc公司简介
Kingspan公司是全球领先的酚醛保温材料制造商,生产和销售业务遍布欧洲、北美和澳大利亚,在全世界范围内有103 个机构,包括65个制造工厂和38 个销售处。
Kingspan 公司核心是关注隔热保温,通过持续的产品及工艺进步来满足日益迫切的市场需求。
Kingspan公司酚醛保温产品涉及建筑墙体屋面保温板、管路及送风通道保温板、太阳能保温系统和建筑隔热保温系统四大领域。
Kingspan公司酚醛年产保温材料250万立方米,产能则达到1000万立方米产能。
酚醛建筑保温板及其系统占英国外墙保温市场的30-40%,主要用于公用设施、废水处理、政府办公楼、经济适用房、既有建筑改造。
公司2010年销售120万平方米,主要是旧房改造。
图一是Kingspan英国工厂的全景照片。
图1. Kingspan英国工厂全景
Alumasc公司从上世纪七十年代起开始做建筑外墙保温系统。
1985年在英国做第一个酚醛外保温系统。
到目前已经做的700万平米的建筑外墙保温系统中,75%采用酚醛保温材料。
选用酚醛可以使系统产品更薄,并且施工过程中不需要人员迁出,因此特别适宜旧房改造。
Alumasc的外墙保温系统包括保温材料和面层材料的选择,他们为不同建筑要求的用户提供设计和规格选择,对于不同类型的建筑有不同的系统。
对于新建建筑,主要提供Swistherm和Swisrail外墙保温系统,其中Swistherm系统采用高密度岩棉矿物棉为保温层,Swisrail系统采用高密度
EPS为保温层。
对于旧房翻新,Alumasc公司则提供Swisslab和Swisspan 外墙保温系统,其保温层采用酚醛泡沫。
Alumasc外墙保温材料已在英国安装达25年了,对产品和安装均提供10-20年的担保期。
Alumasc与多个公司共同工作以提供证书及CESP,并正在与绿色处理供应商合作。
Alumasc最近通过了BRE(Building Research Establishment英国建筑研究院)两个系统(BS 8414 Prt1)的大范围防火测试,保证符合BR135 “多层建筑外墙保温系统防火性能”要求。
二、Alusmasc公司外墙保温系统的构成
Alumasc外墙保温系统的典型结构组成如下图2所示:
图2. Alumasc 外墙保温系统的典型结构组成
Swisslab外墙保温系统的结构如下图3
图3. Alumasc公司Swisslab外墙保温系统的结构组成
图2和图3中红色是保温层的锚固件。
锚固件通常采用塑料制作,其作用是防止保温层的膨胀变形,可以用锤敲击安装以节省时间。
锚固件的前端头为柔性,可消除应力裂纹。
锚固件柱轴为空心圆筒形,直径约8mm,非实心结构保证了其具有低的导热系数,细长结构也能够避免损坏网格布。
锚固件的结构如图4所示。
图4. 保温层锚固件
英国Kingspan公司酚醛外墙外保温系统介绍
[2012/9/3]
锚固件在保温层上使用,其数量和位置的布局如图5所示,其中图A为标准样式,图B为高层建筑样式,从中可看出,对于底层、高层,施工方案是不一样的,对于高层建筑,锚栓数量必须增加,单位面积上锚栓更为密集,
并且锚栓必须达到一定要求。
图5. 锚固件在保温层上应用数量和位置的布局
Alumasc对于高层建筑,采用特用不锈钢材质的DHM锚栓,如图6所示,能够适用于厚度可达150mm保温层。
图6. DHM 不锈钢固定件
Alumasc外墙保温系统的外部复合结构都是通过BBA 鉴定,包括聚合物改性的高性能抹面砂浆,其上层是抗裂增强网格布,在弯角开口处还做了进一步的强化。
整个结构具有良好的防开裂、蒸气渗透、耐气候、耐久性和低维护等特性。
外部复合结构的实施必须有专人现场监督。
外部复合结构的饰面可采用石材、硅胶、瓷砖,其中硅胶饰面具有抗紫外线、高渗透、柔韧、抗水性、耐用等特点,有400种以上的颜色可供选择。
图7是硅树脂外饰面,图8为瓷砖外饰面。
图7硅树脂外饰面
图8瓷砖外饰面
英国Kingspan公司酚醛外墙外保温系统介绍
[2012/9/3]
三、Alumasc外墙保温系统的设计思路和施工过程
对于高层建筑,外墙保温系统施工的设计思路主要基于风险管理、防火要求、减少维修以及安装速度。
在施工前有专门的技术工程师进行拉拔试验和风荷载评估。
高层建筑使用的外墙保温系统,必须经过安全检测。
若采用EPS,每层都需要矿物棉防火隔离带,采用酚醛就不需要隔离带了。
每个项目都有质保承诺,材料供应商、安装公司提供质量保证,达到
10-25年的保证期。
如果发生问题,必须由经过培训的工人去现场解决。
做每个项目之前,对基层墙体进行强度测定,锚固件强度达到千牛级。
在门窗洞口,需要进行PVC加框处理,然后再施工。
对于底层每平米保温系统需要7个锚栓。
高层则需要11个。
六层以上必须粘锚并用。
框粘或点粘取决于墙体
如图9所示,Alumasc安装过程分以下几步:
1)拉拔测试
采用10台设备在建筑物不同位置进行测试
2)安装保温板并固定
由于敞开处会显着增加开裂的风险,因此要求:
-在建筑物角部,或敞开处周围150mm处要进行额外的固定
-窗处用的L型的保温板
-宽度小于200mm的保温板不能用
3)底漆腻子-增强
§用搅拌机混合
§传统的水泥搅拌机是不合适的
§常见的问题是加水过多,结果太薄,厚度小于3 mm
§用带锯齿的泥铲涂刷(深度需要8mm)
4)铺设增强网格布
§玻璃纤维增强网格布50m一卷
§重要部位用高密度网格布
5)外层涂刷
1)拉拔测试
2)安装保温板并固定
3)底漆腻子-增强
4)铺设增强网格布
5)硅树脂外层涂刷
图9Alumasc外墙保温系统施工过程英国Kingspan公司酚醛外墙外保温系统介绍
[2012/9/3]
四、Alumasc工程举例
图10是Alumasc完成的部分工程,其中A和B为新建建筑保温,采用的均是Swistherm系统;C为旧房翻新,采用的是Swisslab外墙保温,其保温层应为酚醛泡沫扳;D、E和F均为高层塔楼翻新,保温层也采用酚醛泡沫板。
图10Alumasc完成的部分工程
五、关于酚醛外墙保温系统的问题
问:除英国以外,在其它国家有没有应用?
答:德国、荷兰都有应用,比较广泛。
酚醛保温效果好,但EPS目前仍是欧洲首选。
Kingspan致力于扩大酚醛的市场份额
想了解酚醛外保温系统用于工程,遵循标准的情况?
答:英国建筑必须达到U值0.30,酚醛需要60mm,EPS和岩棉需要110mm。
英国有专门的建筑物设计标准,行业根据要求对一定产品在第三方进行认定,包括防火检测的认定。
对于材料供应商要求很严格,设定了必须遵循的非常高的标准。
第三方对于酚醛系统的耐久性和可靠性评价结果?2010年曾访问英国
建筑研究院,尚没有明确回答。
答:专门的研发中心在爱尔兰总部,对产品进行研究。
BBA 标准,
93/2914,由BRE进行检测、审核。
BBA对于每个产品都要进行专门的认证,每次只针对一个系统,如果基墙或面层有变化,都有进行新的认证。
(杨:对于不同的层高,根据不同的要求,也必须重新认证)。
只是需要12个月的认证。
以前政府规定10年的使用寿命,BBA标准规定25年。
目前还是保证10年,但确信经过BBA认证,能够达到30年的寿命。
与德国交流,今后必须遵从ETN。
(中国有两个,一个是有欧标则执行欧标,另一个是执行德国25年和50-60年。
EPS25年和50年)。
BBA目前是30年,今后会改成60年。
英国市场通常选择BBA认证,虽然欧标认证也认可。