螺柱检验标准作业指导书
- 格式:xls
- 大小:574.50 KB
- 文档页数:2
Q/RST螺栓检验作业指导书Q/REASTER11.28-2009前言为使企业生产制造工作向着标准化与精益化的管理方向发展,生产制造部门编制了螺栓检验作业指导书,为螺栓入库前的检验登记提供作业指导依据。
3Q/REASTAR 11.28-20091.使用范围该规定适用于本企业,作为螺栓入库前检验的依据。
2.引用标准标准源于自定。
3.螺栓检验准备工具准备:样板,环规,塞规等4.螺栓抽检方案当螺栓总数量n≤200时,抽5%;200≤n≤500时,抽3%;500≤n≤1000时,抽2%;n ≥1000时,抽1%。
(保证抽检数大于10)5.螺栓检验5.1外观首先在螺栓质量检验卡上填写供货厂商,供货数量以及抽检数量。
5.1.1外形:目测,并用手抚摸螺栓表面,记录。
要求:外形美观,无毛刺锐边,表面无异状。
5.1.2头部有无制造标识:目测,记录。
要求:有标识且清晰可见。
5.1.3头部有无强度等级标识:目测,记录。
要求:有标识且清晰可见。
5.2规格5.2.1螺栓长度:用样板进行测量,记录。
要求:测量准确,且测量值尾数必须为0或5。
5.2.2螺纹长度:用样板进行测量,记录。
要求:测量准确,且测量值尾数必须为0或5。
5.2.3公称直径:用样板进行测量,记录。
要求:测量值必须为标准值。
5.2.4螺距:用样板进行测量,记录。
要求:测量值必须为标准值。
5.3精度用塞规与环规进行测量,将螺栓拧入不同系列的环规。
要求:顺利拧入环规,且能拧入通规,拧不入止规。
5.4强度等级强度等级:从螺栓头部读出强度等级,记录。
5.5表面处理:向供应方索要该批螺栓出厂合格证,确保螺栓符合供方出厂标准。
每一项检验完后,根据检验结果填写螺栓质量检验卡,并根据所有纪录判断该批螺栓是否合格。
如合格,将螺栓整理、入库;不合格,退回。
2Q/REASTER11.28-20093。
作业文件编号WI-PZ-07 实施日期2008.04.01螺纹检验指导书版次A/0页码1/31 目的为检验员提供检验规则和检验方法,指导其正确检验从而稳定产品质量。
2 适用范围适用于本公司检验员对螺纹及螺纹联接检验。
3 检验工具3.1 1 螺纹规(通端螺纹塞规、通端螺纹环规、止端螺纹环规)检验不同类型结构件的螺纹,螺纹夫的精度螺纹规(通端螺纹塞规、通端螺纹环规、止端螺纹环规)检验不同类型结构件的螺纹,螺纹夫的精度作以下要求。
3.1.1 1 检验电镀件,环规精度要求为检验电镀件,环规精度要求为6h/6g 6h/6g,塞规精度要求,塞规精度要求7H. 3.1.2 2 检验非电镀件,环规精度要求为检验非电镀件,环规精度要求为6g 6g,塞规精度要求,塞规精度要求6H 6H。
3.2 2 手动扭力批。
手动扭力批。
3.3 3 电动扭力批和手动扭力板手。
电动扭力批和手动扭力板手。
4 一般螺纹检验。
(表1)分类检验内容检验工具螺纹规件的规格螺钉头的外径、高度及槽形状、垫片内外径及厚度对比标准样品目测对比标准样品目测//卡尺螺钉(栓)长度卡尺螺孔深度对应合格螺钉(适配)螺纹件外观无坏牙和裂纹目测标准螺钉、螺栓和螺母M2-M4通规通且止规止;通规通且止规止;M5M5以上用标准螺钉、螺母实配螺纹规标准螺钉5 非电镀金属结构件螺纹。
(表2)喷涂金属结构件上的螺纹螺纹保护完好且表面无涂料目测用标准螺钉实配标准螺钉翻边攻丝通规通且止规止螺纹规未喷涂的铝合金结构件上的螺纹M2-M4通规通且止规止;M5以上用标准螺钉、螺母实配。
螺纹规标准螺钉未喷涂的铜合金、锌合金结构件上的螺纹M2-M4通规通且止规止;M5以上用标准螺钉、螺母实配。
螺纹规标准螺钉不锈钢结构件上的螺纹M2-M4通规通且止规止;M5以上用标准螺钉、螺母实配。
螺纹规标准螺钉5.1 1 电镀金属结构件上的螺纹电镀金属结构件上的螺纹M2-M4止规止,且用标准螺钉、螺母实配。
高强螺栓试验作业指导书1. 引言本文档旨在为高强螺栓试验的作业人员提供详细的操作指导,确保试验过程的准确性和安全性。
高强螺栓试验是一项重要的工程试验,用于评估螺栓的性能和耐久性。
本指导书将涵盖试验前的准备工作、试验步骤、数据记录和安全注意事项等内容。
2. 试验前准备2.1 确定试验目的和要求在开始试验之前,首先要明确试验的目的和要求。
根据工程需求,确定试验所需的螺栓规格、试验负荷、试验环境等参数。
2.2 准备试验设备和工具确保试验设备和工具的完好性和可靠性。
包括试验机、负荷传感器、数据采集系统、扳手、螺栓夹具等。
对于使用的设备和工具,要进行定期检查和维护,确保其正常工作。
2.3 样品准备准备试验所需的高强螺栓样品。
根据试验要求,选择符合规格要求的螺栓,并对其进行清洁和表面处理。
2.4 环境条件确保试验环境符合要求,包括温度、湿度和灰尘等因素。
必要时,可以采取措施来调节环境条件,以保证试验的准确性和可重复性。
3. 试验步骤3.1 安装样品将准备好的螺栓样品安装到试验机上。
根据试验要求,选择合适的夹具和装配方式,确保样品的稳定性和正确的加载方向。
3.2 施加试验负荷根据试验要求,通过试验机施加预定的试验负荷。
在施加负荷的过程中,要保持均匀的加载速度,避免蓦地施加或者减小负荷。
3.3 记录试验数据在试验过程中,使用数据采集系统记录试验数据,包括负荷、位移、应变等参数。
确保数据的准确性和完整性,并及时进行备份。
3.4 观察试验现象在试验过程中,观察样品的变形、断裂等现象。
根据试验要求,记录和描述观察到的现象,并拍摄照片或者视频作为记录。
3.5 试验结束当达到试验要求的终止条件时,住手施加负荷,并记录试验结束时的数据和观察结果。
4. 数据处理和分析4.1 数据整理对试验过程中记录的数据进行整理和归档。
确保数据的完整性和可读性,方便后续的数据分析和报告撰写。
4.2 数据分析根据试验要求,对试验数据进行分析和处理。
高强螺栓试验作业指导书引言概述:高强螺栓是一种常用于建造工程中的连接件,其质量和性能直接关系到工程的安全和稳定。
为了确保高强螺栓的质量和性能符合要求,需要进行严格的试验作业。
本文将详细介绍高强螺栓试验作业的指导书,匡助工程人员正确进行试验作业,确保工程质量。
一、试验前准备1.1 确认试验标准:在进行高强螺栓试验前,首先要确认所采用的试验标准,如GB/T 3098.1-2022《高强度螺栓连接副第1部份:创造螺栓和螺母》等。
1.2 检查试验设备:检查试验设备的完好性和准确性,确保试验过程中设备能够正常运行。
1.3 准备试验样品:根据试验标准的要求,准备好试验所需的高强螺栓样品,确保样品的完整性和代表性。
二、试验操作步骤2.1 安装试验样品:根据试验标准的要求,将试验样品安装到试验设备上,确保安装坚固且符合试验要求。
2.2 进行预加载:根据试验标准规定的预加载力值,进行试验样品的预加载,以确保试验过程的准确性和稳定性。
2.3 进行试验:根据试验标准规定的试验条件,进行高强螺栓的拉伸、剪切等试验,记录试验数据并进行分析。
三、试验结果判定3.1 分析试验数据:对试验过程中获取的数据进行分析,包括拉伸强度、屈服强度、延伸率等指标。
3.2 对照试验标准:将试验结果与试验标准进行对照,判断试验样品是否符合标准要求。
3.3 制定结论:根据试验结果和对照分析,制定试验结论,对高强螺栓的质量和性能进行评估。
四、试验后处理4.1 记录试验数据:将试验过程中获取的数据进行记录,包括试验条件、试验结果等信息。
4.2 处理试验样品:根据试验标准的要求,对试验样品进行处理,如清洁、保存等。
4.3 完善试验报告:根据试验数据和结论,编写完整的试验报告,包括试验目的、方法、结果等内容。
五、试验安全注意事项5.1 注意试验设备安全:在进行高强螺栓试验时,要注意试验设备的安全性,确保试验过程中不发生意外。
5.2 防止试验样品损坏:在试验过程中要注意保护试验样品,避免样品损坏影响试验结果。
螺栓检测作业指导书1 适用范围本指导书适用于钢结构制作安装中普通螺栓,扭剪型高强度螺栓,高强度大六角头螺栓等紧固件的机械性能检测。
2 引用标准GB50205-200l 《钢结构工程施工质量验收规范》GB/T3098.1-2000 《紧固件机械性能 螺栓、螺钉和螺柱》 GB/T3098.2-2000 《紧固件机械性能 螺母、粗牙螺纹》GB/T123l-91 《钢结构用高强度大六角头螺栓、大六角螺母、垫圈技术条件》 3 试验项目和技术要求3.1 试验项目:连接副预拉力、扭矩系数、抗滑移系数、螺栓实物最小拉力荷载。
3.2 技术要求(1)扭剪型高强度螺栓连接副预拉力和标准偏差见表1。
表1:扭剪型高强度螺栓紧固预拉力和标准偏差(KN)(2)连接副的扭矩系数:高强度大六角头螺栓连接副扭矩系数平均值应为0.110-0.150,标准偏差小于或等于0.010。
(3)高强度螺栓连接摩擦面抗滑移系数通过试验,测得滑移荷载N v 和螺栓预拉力P 的实测值,然后计算得出抗滑移系数,与设计的抗滑移系数相比较:(4)螺栓实物最小拉力载荷螺栓试件和实物机械性能见表2和表3 表2:螺栓试件机械性能表3:螺栓试件机械性能4检测方法4.1扭剪型高强度螺栓连接副预拉力复验。
l、抽样方法施工现场待安装的每一规格螺栓批中,随机抽取,每批应抽取8套连接副进行复验。
2、试验设备电测轴力计、油压轴力计、电阻应变仪、扭矩板子等,其误差不得超过2%。
3、试验方法采用轴力计方法复验连接副预拉力时,应将螺栓直接插入轴力计,紧固螺栓力初拧,终拧两次进行,初拧应采用手动扭矩板手或专用定扭电动板手;初拧值应为预拉力标准值的50%左右。
终拧应采用专用电动板手,至尾部梅花头拧掉,读出预拉力值。
每套连接副只应做一次试验,不得重复使用。
在紧固中垫圈发生转动时,应更换连接副,重新试验。
4.2高强度螺栓连接副施工扭矩检验高强度螺栓连接副扭矩检验含初拧、复拧、终拧的现场无损检验,检验所用的扭矩板手其扭矩精度误差应不大于3%。
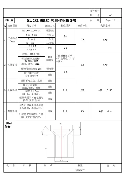
A/1 Page 1 / 1
NO 测量工具螺纹规二次元二次元二次元硬度计
目视目视目视
目视目视
日 期
性能要求
尺寸要求(mm)
CR
C=0
MA AQL :0.4
MI
AQL :0.65
CR
C=0
ROHS
测量仪
目视S-3S-1组装要求
G-Ⅱ
外观要求G-Ⅱ
S-1
厂商附材质证明。
本厂送外检(半年
一次)
标注初版发行
1
234卡尺
十字槽长1.5mm,
宽0.5mm.无滑丝。
螺丝表面不可有毛剌与披锋,变形.生锈
装配后螺丝头部不能高于压块面,不能刮手;
注意装配后螺牙口不能溢出蓝色的耐落胶;
图示如右:
批 准审 核制 成材质:410不锈钢
螺纹防松脱胶规格:3M 2353 ROHS 颜色:蓝色(5010)
硬度等级为钢8.8级防松脱胶面积大于螺牙2/3螺帽不可发黄,发黑
螺牙不可缺损,断裂,无牙,滑牙
M1.2-0.02/-0.04
0.5±0.05
2±0.141°±1°∮2±0.12.5±0.1文件编号版 本
三阶文件
M1.2X2.5螺丝 检验作业指导书
页 次
检查项目
判定标准检验频次
缺陷等级
允收水准。
螺栓检测作业指导书1 适用范围本指导书适用于钢结构制作安装中普通螺栓,扭剪型高强度螺栓,高强度大六角头螺栓等紧固件的机械性能检测。
2 引用标准GB50205-200l 《钢结构工程施工质量验收规范》GB/T3098.1-2000 《紧固件机械性能 螺栓、螺钉和螺柱》 GB/T3098.2-2000 《紧固件机械性能 螺母、粗牙螺纹》GB/T123l-91 《钢结构用高强度大六角头螺栓、大六角螺母、垫圈技术条件》 3 试验项目和技术要求3.1 试验项目:连接副预拉力、扭矩系数、抗滑移系数、螺栓实物最小拉力荷载。
3.2 技术要求(1)扭剪型高强度螺栓连接副预拉力和标准偏差见表1。
表1:扭剪型高强度螺栓紧固预拉力和标准偏差(KN)(2)连接副的扭矩系数:高强度大六角头螺栓连接副扭矩系数平均值应为0.110-0.150,标准偏差小于或等于0.010。
(3)高强度螺栓连接摩擦面抗滑移系数通过试验,测得滑移荷载N v 和螺栓预拉力P 的实测值,然后计算得出抗滑移系数,与设计的抗滑移系数相比较:(4)螺栓实物最小拉力载荷螺栓试件和实物机械性能见表2和表3 表2:螺栓试件机械性能表3:螺栓试件机械性能4检测方法4.1扭剪型高强度螺栓连接副预拉力复验。
l、抽样方法施工现场待安装的每一规格螺栓批中,随机抽取,每批应抽取8套连接副进行复验。
2、试验设备电测轴力计、油压轴力计、电阻应变仪、扭矩板子等,其误差不得超过2%。
3、试验方法采用轴力计方法复验连接副预拉力时,应将螺栓直接插入轴力计,紧固螺栓力初拧,终拧两次进行,初拧应采用手动扭矩板手或专用定扭电动板手;初拧值应为预拉力标准值的50%左右。
终拧应采用专用电动板手,至尾部梅花头拧掉,读出预拉力值。
每套连接副只应做一次试验,不得重复使用。
在紧固中垫圈发生转动时,应更换连接副,重新试验。
4.2高强度螺栓连接副施工扭矩检验高强度螺栓连接副扭矩检验含初拧、复拧、终拧的现场无损检验,检验所用的扭矩板手其扭矩精度误差应不大于3%。
编号:XX-XX-XX 螺柱焊接作业指导书编制:审核:批准:本文件自二OXX年X月XX日起实施XXXXXXXXXX有限公司一、范围本指导书规定了耐候钢伸缩装置螺柱焊焊接的要求、方法、工艺参数及检验等。
本指导书适用于耐候钢伸缩装置螺柱焊焊接,其它产品的螺柱焊接可参照执行。
二、目的指导操作工人采用螺柱焊接机焊接无砟轨梁铁路伸缩装置严格按照指导书进行操作,保证各个栓钉与型钢焊接符合设计要求。
三、焊接方法与步骤1)合上电箱上的总开关。
2)按动焊机开机钮,等待一分钟,观察焊机是否正常。
3)焊枪不装栓钉,空枪试一下,观察提升时间等控制是否正常,正常后即可试焊。
4)试焊实验件合格后,即可正式工作。
所用焊钉瓷环应符合国家标准,并烘干等,确保施工质量。
5)将型钢放在焊接工作平台上,清洁焊接表面。
清洁面积应大于焊接用瓷环覆盖面积;6)根据栓钉直径,将电流按钮旋至相应的φ值、时间按钮进行相应调节。
7)将栓钉装到夹头上(要夹紧和插到位),将瓷环套到栓钉上,并推至压板的下面,栓钉高于瓷环牙口5~8mm,与工件焊接位置接触。
8)按动焊枪上焊接开关,焊枪自动向上吸起,栓钉缩回瓷环内部6~7mm,焊枪与工件起弧燃烧形成熔池。
9)焊接时间结束后,焊枪将栓钉压入熔池部分,铁水填满瓷环空处形成焊脚。
10)拔出焊枪,焊缝凝固后敲掉瓷环,栓钉焊接完毕。
11)关机:按一下焊机上的关机钮,焊机关机后拉掉电箱里与本设备所接开关。
四、焊接工艺参数以下是低碳钢焊钉的经验参数,可根据实际情况进行调节。
五、安全注意事项(1)人身安全①为了焊工及他人人身安全,焊接操作者必须取得《螺柱焊接操作证》后才能进行焊接工作,并严格遵守《焊工安全操作规程》。
②操作者必须戴好劳保用品:干燥的绝缘鞋、绝缘手套、焊工工作服、头盔或保护镜。
③不戴金属饰物,如:项链、耳环、手表等。
④在焊接时,带有心脏起搏器等的人员或不能接近强磁场的人员要远离设备和电缆。
⑤设备应接在有漏电保护功能的电源箱。
高强螺栓试验作业指导书引言概述:高强螺栓试验是一项重要的工作,对于确保建筑结构的安全性和可靠性具有重要意义。
本文将从五个方面详细介绍高强螺栓试验的作业指导。
一、试验前准备1.1 材料准备在进行高强螺栓试验前,需要准备好试验所需的材料,包括高强螺栓、试验设备、试验样品等。
1.2 设备检查在试验前,需要对试验设备进行检查,确保设备的正常运行和准确性。
1.3 试验环境准备试验环境的准备包括试验室的温度、湿度控制,以及试验台的准备等。
二、试验方法选择2.1 静载试验静载试验是一种常用的高强螺栓试验方法,通过施加静态荷载来测试螺栓的承载能力。
2.2 动载试验动载试验是一种模拟实际工作条件下的试验方法,通过施加动态荷载来测试螺栓的疲劳性能。
2.3 破坏试验破坏试验是一种用于测试螺栓极限承载能力的试验方法,通过施加逐渐增加的荷载来观察螺栓的破坏情况。
三、试验操作步骤3.1 样品准备在进行试验前,需要准备好试验样品,包括螺栓和试验设备。
3.2 试验参数设定根据试验要求,设置试验参数,包括荷载大小、试验时间等。
3.3 试验记录和分析在试验过程中,需要及时记录试验数据,并进行数据分析,以评估螺栓的性能。
四、试验结果分析4.1 螺栓承载能力评估通过试验结果的分析,可以评估螺栓的承载能力,判断其是否符合设计要求。
4.2 螺栓疲劳性能评估通过动载试验结果的分析,可以评估螺栓的疲劳性能,判断其在实际工作条件下的可靠性。
4.3 螺栓极限承载能力评估通过破坏试验结果的分析,可以评估螺栓的极限承载能力,为设计提供参考依据。
五、试验安全注意事项5.1 试验设备的安全使用在进行试验时,需要注意试验设备的安全使用,避免发生意外事故。
5.2 试验操作的安全措施在试验过程中,需要采取安全措施,保证试验操作的安全性。
5.3 试验环境的安全控制试验环境的安全控制也是试验过程中需要注意的重要事项,确保试验环境的安全性。
结论:高强螺栓试验作业指导书详细介绍了高强螺栓试验的准备工作、方法选择、操作步骤、结果分析以及安全注意事项。
螺丝紧固件全检作业指导书材料類型颜色文件编号职责范围文件页次1文件版本B制订日期1013年03月01日版本变更项目B新增加了检验标准产品类型修订审核全检人员1.清洁全检作业台面,台面不允许有其他产品或者杂物2.全检人员需要戴上白色棉质手套或者手指套3.准备好蓝色和红色胶框,用于装良品和不良品3.时间:目视停留3-5秒4.检验角度:产品跟眼睛成45°- 90°角1.检验场所的光源:300~400LUX或者在自然光下2.检验距离:30cm左右XXXXXXXXX有限公司全检作业指导书所有五金产品变更履历图片电镀黑锌、蓝锌、白锌、彩锌、绿锌;电镀镍、锡、金、银;包黑;钝化作业内容检验条件准备工作1、在待选区内选择IQC已加盖pass章的现品票,将相对应的货品轻倒在作业台上,幷保留现品票。
2、全选前先用对应大小的筛板全检5-10板十字槽是否堵塞,槽内电镀不良,如发现有不良需进行100%全检验筛选,无不良后将货品小面积的均匀铺开,根据外观不良图片内的不良项目进行全选,所全选出的不良品分类标示放入红色小盒内,对于色差等外观上的问题确认不了的及时向FQC反映情况。
由FQC进行跟进处理,当全检验时发现有大比列及比较难筛选不良时及时向FQC 反馈处理。
3、将已挑选过的货品由桌面的下料口扒入蓝色胶盆中,幷在现品票下角签名后放入胶盆,将全选后的产品摆放到FQC待检验区。
4、将挑选出的不良品规格、生産日期、不良情况等详细记录在“全检日报表”上。
5、所选出的不良品用胶袋分类装好并填写好红色标签、写明不良原因,摆放在不良区。
由FQC进行确认后开“联络单”写明建议处理方式交品质主管审核。
注意事项1、将産品倒在工作台上时应小心,不要将産品撒落到地上。
如有撒落的産品不可重新捡上工作台,数量较多时请单独处理。
2、在未完成整个工作段时,绝不允许再加入産品,以免混料现象産生。
工作时要集中注意力,以免産生失误。
3、每天须保持工作台面整洁。
0. 总则本作业指导书适用于建筑工程中电弧螺柱焊的施工与验收。
1. 定义1.1 电弧螺柱焊:通过焊钉(金属螺柱及其他类似零件)同工件间产生的电弧加热金属到适当的程度时,在压力作用下将两者连在一起的一种电弧焊方法。
1.2 焊钉:指电弧螺柱焊焊接材料,其利用电弧热使一端根植于工件上起紧固件作用,可根据需要做成不同式样及尺寸,外表必须电镀,通常镀镍(Ni),也可镀锌(Zn),其化学成分及机械性能应符合表1的要求:表1的其焊接端加工成锥形;方形的则加工成楔形,目的都是为了更好的引弧和对焊接表面的均匀加热。
1.4 助焊剂:焊接钢制焊钉需用于脱氧和稳定电弧作用,一般固定于焊钉焊接端中心或敷于焊钉焊接端表面,其主要成分为铝。
1.5 保护套圈:焊接时套在焊钉焊接端的由陶瓷性材料制成的小环,其与母材接触一面设计有放射形小排气孔及焊缝成形穴,其主要作用有:(1) 使焊接区域热量集中;(2) 防止空气侵入焊接区致使氧化;(3) 防止熔化金属流失,有助于焊缝在各种位置成形。
1.6 焊枪:电弧螺柱焊专用设备,内置电弧起动线圈,焊钉提升距离调整机构及焊钉施焊时插入速度调整机构;外置焊枪夹头用来固定焊钉、手持枪托及固定保护套圈的定位套。
1.7 控制装置:电弧螺柱焊设备,内置多种电器开关及控制焊接通电时间的时间继电器以及其他功能继电器。
1.8 焊接电源:电弧螺柱焊设备与普通陡降式焊接电源(直流)相似,所不同的是要求电源变压器容量要与焊钉直径相适应且足够大,见表2。
表22.注:指黑色金属的电弧螺柱焊之用。
2.1 焊前准备2.1.1 禁止施焊的情况:气温低于0︒C以及工件受水的浸湿或残留水份的地方均禁止施焊。
2.1.2 焊钉焊钉直径与母材厚度对应系数表3的长度为:熔化余量+10mm。
2.1.3 关于焊接参数见表 4表42.1.42.1.5 检查电源接线良好后才允许施焊。
2.1.5.1 接地线应确保接地,并清除掉有阻碍电流通过接地装置的危险性物质。
高强螺栓试验作业指导书引言概述:高强螺栓在工程领域中起着至关重要的作用,为了确保其质量和安全性,进行试验是必不可少的环节。
本文将详细介绍高强螺栓试验作业的指导书,帮助工程人员正确进行试验操作,保障工程质量和安全。
一、试验前准备1.1 确认试验标准:在进行高强螺栓试验前,首先要确认所使用的试验标准,例如GB/T 3632-2008《高强度螺栓连接副试验方法》等。
1.2 检查试验设备:检查试验设备是否完好,包括试验机、传感器等,确保设备符合试验要求。
1.3 准备试验样品:准备好符合要求的高强螺栓样品,确保样品的质量和数量符合试验要求。
二、试验操作步骤2.1 安装样品:将高强螺栓样品安装到试验机上,确保安装牢固,避免在试验过程中出现松动或脱落。
2.2 设置试验参数:根据试验标准要求,设置试验机的参数,包括载荷、速度等,确保试验过程符合标准要求。
2.3 进行试验:启动试验机,进行高强螺栓的拉伸、剪切等试验,记录试验过程中的数据和结果。
三、试验数据处理3.1 数据记录:在试验过程中及时记录试验数据,包括载荷、位移、应力等参数,确保数据的准确性和完整性。
3.2 数据分析:对试验数据进行分析,计算高强螺栓的拉伸强度、屈服强度等指标,评估样品的性能和质量。
3.3 结果报告:根据试验数据和分析结果,编写试验报告,包括试验方法、结果、结论等内容,为工程设计和施工提供参考依据。
四、试验安全注意事项4.1 安全操作:在进行高强螺栓试验时,必须严格遵守试验操作规程,确保操作人员的安全。
4.2 设备保养:定期对试验设备进行检查和维护,保证设备的正常运行,避免因设备故障导致事故发生。
4.3 废弃物处理:对试验过程中产生的废弃物进行正确处理,避免对环境造成污染。
五、试验质量控制5.1 样品选择:在进行高强螺栓试验时,应选择符合要求的样品进行试验,确保试验结果的准确性和可靠性。
5.2 重复试验:对关键参数进行多次试验,并对结果进行比对和分析,确保试验结果的一致性和可靠性。
高强螺栓试验作业指导书一、引言高强螺栓是一种常用于工程结构中的连接元件,其质量和性能的可靠性对于确保结构的安全和稳定起着关键作用。
为了保证高强螺栓的质量和性能符合设计要求,需要进行相应的试验作业。
本指导书旨在提供高强螺栓试验作业的详细步骤和要求,以确保试验的准确性和可靠性。
二、试验目的本次试验的目的是对高强螺栓进行性能测试,包括拉伸试验、剪切试验和扭矩试验,以评估其材料的强度和连接性能。
三、试验设备和材料1. 试验设备:- 电子万能试验机- 扭力扳手- 剪切试验机- 夹具和夹具附件2. 试验材料:- 高强螺栓样品- 试验润滑剂四、试验步骤1. 拉伸试验:a) 准备工作:- 检查试验设备是否正常工作。
- 准备好拉伸试验夹具和样品。
b) 操作步骤:- 将样品安装到拉伸试验夹具上。
- 设置试验机的拉伸速度和试验参数。
- 开始拉伸试验,并记录试验数据。
- 完成试验后,计算样品的拉伸强度和屈服强度。
2. 剪切试验:a) 准备工作:- 检查试验设备是否正常工作。
- 准备好剪切试验夹具和样品。
b) 操作步骤:- 将样品安装到剪切试验夹具上。
- 设置试验机的剪切速度和试验参数。
- 开始剪切试验,并记录试验数据。
- 完成试验后,计算样品的剪切强度。
3. 扭矩试验:a) 准备工作:- 检查试验设备是否正常工作。
- 准备好扭矩扳手和样品。
b) 操作步骤:- 将样品安装到扭矩扳手上。
- 设置扭矩扳手的扭矩值和试验参数。
- 开始扭矩试验,并记录试验数据。
- 完成试验后,计算样品的扭矩强度。
五、试验数据处理和分析1. 拉伸试验数据处理:- 根据试验数据计算样品的拉伸强度和屈服强度。
- 绘制拉伸试验曲线,并分析其特征。
2. 剪切试验数据处理:- 根据试验数据计算样品的剪切强度。
- 分析剪切试验结果,评估样品的剪切性能。
3. 扭矩试验数据处理:- 根据试验数据计算样品的扭矩强度。
- 分析扭矩试验结果,评估样品的扭矩性能。
六、试验结果和结论根据试验数据处理和分析的结果,对高强螺栓的性能进行评估,并得出相应的结论。
N
°检验设备检验
频次1目视100%全检2扭力扳手1件/1小时3橡胶锤100%全检审核 焊 接 螺 柱 检 查 作 业 指 导 书
编 制页 码审 核共1页 第1页车型:P84焊接车间
非破检检查(橡胶锤)操作人员右手手握橡胶锤(手与橡胶锤距离不宜过远,手与橡胶锤的距离约为个人握拳拳头的长度),与焊接螺柱约成45度,且在不损坏螺柱螺纹的基础上用橡胶锤敲击螺柱根部左右各3
下(切记将螺柱敲歪后要反
向3下将螺柱还原),并且
螺柱不脱落。
在全检完后在
螺柱划上“ ”标识。
焊接车间重要事项及说明:
目视外观1)检查焊接螺柱无明显焊瘤,飞溅、焊偏、错位、螺钉过烧等缺陷。
2)检查螺柱背面映射面突
出并且圆滑。
焊接车间非破检检查(扭力检验)使用图3所示方法进行抗扭试验,对焊接螺柱施加检验工艺卡要求的扭力载荷,螺柱不应该脱落。
技术质量部 成都工厂焊接车间
防护用品:安全帽、工作服、劳保鞋、中长帆布手套、所用工具:橡胶锤、扭力扳手
批 准及日期操作过程描述操作要点及注意事项责任单位操作过程图解
1. 遵守检查标准作业指导书。
2. 当生产出不合格品时,做好标识并隔离,及时向检查员或者车间班长报告。
3.该工位操作工操作时,按照上述步骤依次完成作业。