公安治安管理机关制发配枪人员申请持枪证件审批登记表模板
- 格式:doc
- 大小:64.00 KB
- 文档页数:2
中华人民共和国民用枪持枪证民用持枪证申办一、行政审批内容民用持枪证申办二、设定行政审批的法律依据《中华人民共和国枪支管理法》第二章第七条、配备公务用枪,由国务院公安部门统一审批。
配备公务用枪时,由国务院公安部门或者省级人民政府公安机关发给公务用枪持枪证件。
三、行政审批数量及方式无审批数量限制,申请方式为直接向本机关或向市公安局治安管理处申请。
四、行政审批条件(对申请人的前置条件要求)无五、申请材料到所在地县级公安机关治安科提交以下申办材料:1、填写好的《民用枪持枪证申请审批表》;2、配枪单位上级主管部门批文;3、配枪单位的基本情况说明资料。
六、申请表格(提供电子表格)附后七、行政审批申请受理机关市公安局治安管理处枪爆科。
八、行政审批决定机关市公安局治安管理处枪爆科。
九、行政审批程序(公布给申请人、政府部门内部审批程序)申请人审批程序。
无十、行政审批时限承诺时限:10个工作日十一、行政审批证件及有效期件一、在成都市公安局治安处枪爆科领取《中华人民共和国民用枪持枪证》二、射击运动枪、营业性射击场枪支,开展游艺活动配置的彩弹枪:在四川省公安厅治安总队枪爆支队领取《中华人民共和国民用枪持枪证》十二、行政审批的法律效力依据《中华人民共和国民用枪支持枪证》方能持枪。
十三、行政审批收费(收费依据)每证10元(市局规定)十四、行政审批年审或年检不年审民用枪持枪证申请审批表编号:制表单位:公安部治安管理局填表时间:年月日发表单位:查验、变更记录填写说明:1、个人申请办理民用枪持枪证时,必须经常住地派出所审查,县级人民政府公安机关审查同意后,报请设区的市级人民政府公安机关核发。
2、野生动物保护、饲养、科研和狩猎场等单位申请办理民用枪持枪证时,必须经所在地县级人民政府公安机关审查同意后,报请设区的市级人民政府公安机关核发。
3、射击竞技体育运动单位和营业性射击场申请办理民用枪持枪证时,必须经所在地县级以上人民政府公安机关审查同意后,由所在地省级人民政府公安机关核发。
公务用枪持枪证审批登记表制表单位: 公安厅 发表单位: 公安局制证时沿虚框裁下 照片注意事项:1.照片必须为标准一寸(2.5㎝×3.22.3.右下角四个箭号所包含的区域为签名区,签名时应尽量居中。
4.不得盖住虚框。
登记事项变更和更正记录填写要求:1.此表一式五份,分别由申请持枪证单位(部门)和审查、审核、审批、制作的各级公安机关相关部门留存。
2.本人签名由申请持枪证的人员本人填写,不得由他人代签,签名尽量居中。
3.照片必须为标准一寸(2.5㎝×3.2㎝)彩色身份证照片(大头照)。
4.此表必须采用A4纸打印。
人员基本情况必须打印,其余项目应用黑色钢笔填写,字迹要清晰、工整,涂改无效。
关于《公务用枪持枪证审批登记表》的填表说明:1、姓名:填写本人常住户口所在地户口登记的姓名,不允许填写别名、笔名等。
2、性别:按国家标准《人的性质代码》(GB2261-80)的性别填写。
男、女。
3、出生日期:按本人实际出生年、月、日填写,用8位数字表示,自左至右,前4位数字表示年份,第5、6位数字表示月份,第7、8位数字表示日期。
如1960年6月8日出生,应填写19600608。
4、所在单位行政区划:将申请配备使用公务用枪人员的单位所在的盟(市)、旗(县、市、区),按国家规范填写全称或规范简称。
5、所在单位所属系统:填写申请配备使用公务用枪人员工作单位所隶属的系统,公安机关统一填写“公安系统”。
6、所在单位:填写申请配备使用公务用枪人员的工作单位。
如xxx公安局。
7、部门:填写申请配备使用公务用枪人员在单位内的具体工作部门。
如治安大队、刑警大队等。
8、职务:填写申请配备使用公务用枪人员现担负的职务。
9、身份证号:填写户口登记机关为公民编定的个人身份证编号。
10、民族:填写申请配备使用公务用枪人员本人的民族,以本人户口登记簿上的民族为准。
11、政治面貌:填写本人的党、团组织情况,包括参加。
公务用枪九种簿册模板登记簿的印制,除《枪支使用审批登记簿》外,纸型统一使用A4(16开)为宜,《枪支使用审批登记簿》的纸型为B5,不应大于A4(16开),各表以40—50页为一本,装订成簿。
1、《枪支配备配置登记簿》,所有配备、配置枪支单位及配枪部门必须设立、登记、保管。
单位登记枪支数量为本单位各部门枪支登记数量总和。
2、《弹药配备及消耗登记簿》,所有配备、配置枪支单位及配枪部门必须设立、登记、保管。
弹药数量因购置、调拨、消耗等原因发生变化的,必须登记。
3、《枪支使用审批登记簿》,所有配备、配置枪支单位及配枪部门均设立、登记、保管。
基层派出所24小时履行交接手续的值班用枪,可履行一次审批交接使用;金融武装护卫守护点24小时履行交接手续的枪支,由守护点配备单位履行一次审批。
4、《枪支(弹药)出入库登记簿》,所有配备、配置枪支单位及配枪部门必须设立、登记、保管。
5、《枪支(弹药)日常检查记录簿》,所有配备、配置枪支单位及配枪部门均设立、登记、保管。
6、《枪支(弹药)库室值班登记簿》,所有配备、配置枪支单位及配枪部门必须设立、登记、保管。
7、《丢失、被盗(抢)枪支案件登记簿》,所有配备、配置枪支单位及配枪部门均设立、登记、保管。
8、《违反规定使用枪支情况登记簿》,所有配备、配置枪支单位及配枪部门均设立、登记、保管。
9、《值班(守库)用枪交接登记簿》,配备值班(守库)用枪的单位必须设立、登记、保管。
枪支配备登记簿单位:(盖章)XX市公安局制枪支配备登记表枪管员签字:负责人签字:弹药配备及出入库登记簿单位:(盖章)XX市公安局制弹药配备及出入库登记表弹药种类型号:单位:(发)枪管员签字:负责人签字:枪支(弹药)使用审批登记簿单位:(盖章)XX市公安局制枪支(弹药)使用审批表(存根)枪支(弹药)使用审批表第号第号此联由使用枪支部门留存(第一联)此联由枪支保管部门留存(第二联)枪支(弹药)出入库登记簿单位:(盖章)XX市公安局制枪支(弹药)出入库登记表枪支(弹药)管理审批登记簿单位:(盖章)XX市公安局制枪支(弹药)管理检查记录簿注:配枪单位和部门每月至少自查一次。
公务用枪持枪证核发审批情况登记表填表单位(盖章):松滋市公安局治安大队年月日民用枪支配售许可证件核发审批情况登记表填表单位(盖章):松滋市公安局治安大队年月日枪支运输许可证核发审批情况登记表填表单位(盖章):松滋市公安局治安大队年月日对入境枪支支持证件换发审批情况登记表填表单位(盖章):松滋市公安局治安大队年月日营业性射击设立及配置射击运动枪支审批情况登记表填表单位(盖章):松滋市公安局治安大队年月日狩猎配置猎枪审批情况登记表填表单位(盖章):松滋市公安局治安大队年月日野生动物保护、饲养、科研单位配置猎枪、麻醉注射枪审批情况登记表填表单位(盖章):松滋市公安局治安大队年月日集会、游行、示威许可审批情况登记表填表单位(盖章):松滋市公安局治安大队年月日旅馆业特种行业许可证核发审批情况登记表填表单位(盖章):松滋市公安局治安大队年月日公章刻制业特种行业、许可证核发审批情况登记表填表单位(盖章):松滋市公安局治安大队年月日机构印章刻制审批情况登记表填表单位(盖章):松滋市公安局治安大队年月日典当业特种行业许可证核发审批情况登记表填表单位(盖章):松滋市公安局治安大队年月日印刷布告、通告、重大活动工作证等准印证明审批情况登记表填表单位(盖章):松滋市公安局治安大队年月日戒严期间特别通行许可审批情况登记表填表单位(盖章):松滋市公安局治安大队年月日爆炸物品购买、运输、使用许可审批情况登记表填表单位(盖章):松滋市公安局治安大队年月日民爆站、爆破队组建审批情况登记表填表单位(盖章):松滋市公安局治安大队年月日焰火晚会烟花爆竹燃放许可审批情况登记表填表单位(盖章):松滋市公安局治安大队年月日烟花爆竹运输许可证核发审批情况登记表填表单位(盖章):松滋市公安局治安大队年月日弩的制造、销售、进口、运输、使用审批情况登记表填表单位(盖章):松滋市公安局治安大队年月日大型群众文化体育活动安全许可审批情况登记表填表单位(盖章):松滋市公安局治安大队年月日邮政局(所)安全防范设施设计审核及工程验收申请表填表单位(盖章):松滋市公安局治安大队年月日邮政局(所)安全防范设施设计审核及工程验收情况登记表金融机构营业场所、金库安全防范设施建设方案审批及工程验收情况登记表填表单位(盖章):松滋市公安局治安大队年月日安全技术防范产品生产、销售审批情况登记表填表单位(盖章):松滋市公安局治安大队年月日行政许可项目申请表填表单位(盖章):松滋市公安局治安大队年月日填表人:张勇联系电话:6228216 单位负责人;邓鹏程。
附录2 相关申请材料示范文本
配置射击运动枪审批登记表
制表单位:山西省公安厅
登记事项变更和更正记录
填写要求
1、此表由符合《中华人民共和国枪支管理法》规定的使用射击运动枪人员所在单位责成专
人统一填写。
2、此表一式六份,分别由配备公务用枪单位(部门)和各级地方人民政府公安机关枪支主
管部门及体育行政主管部门审查、审核、审批。
3、审查、审核、审批栏分别由单位负责人签署同意与否的意见,并加盖单位公章和负责人
名章。
4、枪支情况登记:原配发枪支的情况由配枪单位填写,新配枪支的情况由省级人民政府体
育行政机关枪支主管部门填写。
5、需要填写的栏目,应用钢笔填写,字迹要清晰、工整、涂改无效。
6、此表可由各地复制。
公务用枪审批登记表
制表单位:公安部治安管理局
表一:配枪人员申请持枪证件审批登记表 发表单位: 公安厅(局)
———————————————————————————————————————————————————
填表注意事项: 制证时沿外框裁下
1. 填表时需用钢笔、正楷、涂改无效。
2. 照片必须为标准一寸(2.5c m ×
3.2cm )彩色身份证照片(大头照)。
3. 照片必须按标准尺寸裁切后粘贴在照片框上,不得超出或小于边框。
4. 右下角四个箭头所包含的区域为签名区,签名时应尽量居中。
5. 签名必须由本人用黑色钢笔在签名区内签名,不得由他人代签,不得盖 住虚框。
签名区
制证时沿外框裁下
登记事项变更和更正记录
填写要求
1、此表中配枪人员基本情况和培训考核情况由符合《中华人民共和国枪支管理法》规定的使用
公务用枪人员所在单位,按照公安部制定的填写说明填写。
2、此表一式四份,分别有配备公务用枪单位(部门)和审查、审核、审批的各级地方人民政府
公安局机关枪支主管部门留存。
3、枪支情况登记:原配发枪支的情况有配枪单位填写,新配枪支的情况由各省级人民政府公安
机关枪支主管部门填写。
4、需要填写的栏目,应用钢笔填写,字迹要清晰、工整,涂改无效。
公务用枪审批登记表
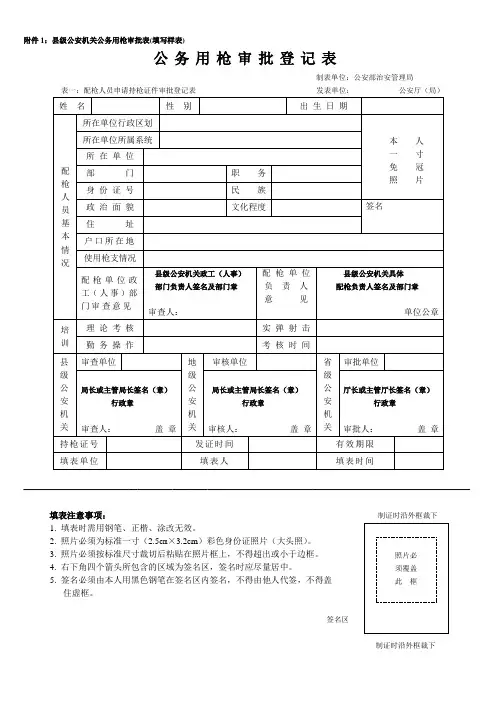
表一:配枪人员申请持枪证件审批登记表 制表单位:公安部治安管理局
填表注意事项:
1. 填表时需用钢笔、正楷、涂改无效。
制证时沿虚框裁下
2. 照片必须为标准一寸(2.5c m ×
3.2cm 3.
4. 右下角四个箭号包含的区域为签名区,签名时应尽量居中。
5. .住虚框。
签名区
登记事项变更和更正记录
填写要求
1.此表中配枪人员基本情况和培训考核情况由符合《中华人民共和国枪支管理法》规定的
使用公务用枪人员所在单位,按照公安部制定的填写说明填写。
2.此表一式四份,分别由配备公务用枪单位(部门)和县级、地级、省级地方人政府公安
机关枪支主管部门留存。
3.审查单位、审核单位、审批单位的填写:公安机关的人民警察分别由县、市、省级人民
政府公安机关政工部门负责填写审查、审核、审批意见;其他系统的配枪人员分别由县、市、省级人民政府公安机关治安部门负责填写。
4.勤务操作分优秀、良好、一般三种标准。
5.部门:填写申请配备使用公务用枪人员在单位内的具体部门:如治安科、刑警队、检察
院刑事检察科等。