实验二 译码器和数据选择器
- 格式:docx
- 大小:319.38 KB
- 文档页数:3
数电实验报告实验二利用MSI设计组合逻辑电路姓名:学号:班级:院系:指导老师:2016年目录实验目的: .............................................................. 错误!未定义书签。
实验器件与仪器: .................................................. 错误!未定义书签。
实验原理: .............................................................. 错误!未定义书签。
实验内容: .............................................................. 错误!未定义书签。
实验过程: .............................................................. 错误!未定义书签。
实验总结: .............................................................. 错误!未定义书签。
实验:实验目的:1.熟悉编码器、译码器、数据选择器等组合逻辑功能模块的功能与使用方法。
2.掌握用MSI设计的组合逻辑电路的方法。
实验器件与仪器:1.数字电路实验箱、数字万用表、示波器。
2.虚拟器件:74LS00,74LS197,74LS138,74LS151实验原理:中规模的器件,如译码器、数据选择器等,它们本身是为实现某种逻辑功能而设计的,但由于它们的一些特点,我们也可以用它们来实现任意逻辑函数。
1.用译码器实现组合逻辑电路译码器是将每个输入的二进制代码译成对应的输出高、低电平信号。
如3线-8线译码器。
当附加控制门Gs的输入为高电平(S = 1)的时候,可由逻辑图写出。
从上式可看出。
-同时又是S2、S1、S0这三个变量的全部最小项的译码输出。
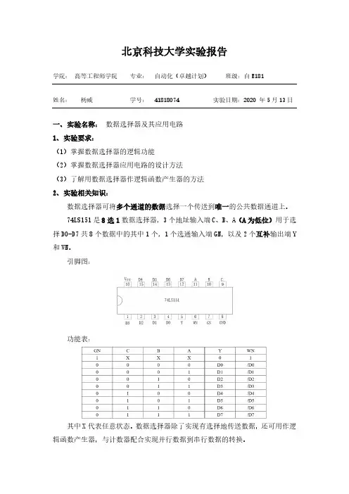
北京科技大学实验报告学院:高等工程师学院专业:自动化(卓越计划)班级:自E181 姓名:杨威学号: 41818074 实验日期:2020 年5月13日一、实验名称:数据选择器及其应用电路1、实验要求:(1)掌握数据选择器的逻辑功能(2)掌握数据选择器应用电路的设计方法(3)了解用数据选择器作逻辑函数产生器的方法2、实验相关知识:数据选择器可将多个通道的数据选择一个传送到唯一的公共数据通道上。
74LS151是8选1数据选择器,3个地址输入端C、B、A(A为低位)用于选择D0-D7共8个数据中的其中1个,1个选通输入端GN,以及2个互补输出端Y和WN。
引脚图:功能表:其中X代表任意状态。
数据选择器除了实现有选择地传送数据,还可用作逻辑函数产生器,与计数器配合实现并行数据到串行数据的转换。
3、3位开关控制电路的设计与仿真: (1)实验设计本实验要求用三个开关控制1个灯,改变任何一个开关的状态都能使控制灯由亮变灭,或者由灭变亮,根据该逻辑关系,写出如下真值表:写出逻辑表达式123123123123L K K K K K K K K K K K K =+++或者写成1247L m m m m =+++(2)设计原理图截图(3)实验仿真仿真波形:仿真结果表:4、4位奇偶判断电路的设计与仿真:(1)实验设计要求当输入中有奇数个1时,输出为0;输入中有偶数个1时,输出为1。
由此,列出真值表如下。
写出如下逻辑表达式=+++++++P DC B A DCBA DC BA DCB A DC BA DCB A DC B A DCBA 简化得到=+++++++()() P D C B A CBA C BA CB A D C BA CB A C B A CBA (2)设计原理图截图(3)实验仿真仿真波形:仿真结果表:5、实验思考题:GN为选通端,可以决定选择器的工作状态,当GN端为低电平输入时,选择器选通,选择正常工作;GN端为高电平输入时,选择器不选通,选择器不工作;因此,可以利用该特性,利用两个74LS151组成一个16选1选择器,例如本次实验中设计的四位奇偶判断电路。
译码器、数据选择实现组合逻辑电路的设计(完整电子教案)7.1 利用译码器实现输出控制【项目任务】市电互补控制器中共有4种工作模式,编号0为停机、1为太阳工作、2为市电互补、3为市电模式。
当停机模式时,市电和光伏电不导入;当太阳工作模式,市电不导入,光伏电导入;当市电互补模式,市电和光伏电都导入;当市电模式,市电导入,光伏发电部导入。
利用译码器实现上述组合逻辑电路功能。
图7.1译码器实现输出控制【信息单】一、编码器在数字系统中,把二进制码按一定的规律编排,使每组代码具有特定的含义,称为编码。
具有编码功能的逻辑电路称为编码器。
编码器是一个多输入多输出的组合逻辑电路。
按照编码方式不同,编码器可分为普通编码器和优先编码器;按照输出代码种类的不同,可分为二进制编码器和非二进制编码器。
1.普通编码器普通编码器分二进制编码器和非二进制编码器。
若输入信号的个数N与输出变量的位数n满足N=2n,此电路称为二进制编码器;若输入信号的个数N与输出变量的位数n不满足N=2n,此电路称为非二进制编码器。
普通编码器任何时刻只能对其中一个输入信息进行编码,即输入的N个信号是互相排斥的。
若编码器输入为4个信号,输出为两位代码,则称为4线-2线编码器(或4/2线编码器)。
2.优先编码器优先编码器是当多个输入端同时有信号时,电路只对其中优先级别最高的信号进行编码的编码器。
3.集成编码器10线-4线集成优先编码器常见型号为54/74147、54/74LS147,8线-3线常见型号为54/74148、54/74LS148。
4.编码器举例(1)键控8421BCD 码编码器10个按键S 0~S 9代表输入的10个十进制数0~9,输入为低电平有效,即某一按键按下,对应的输入信号为0,输出对应的8421码,输出为4位码,所以有4个输出端A 、B 、C 、D 。
真值表见表7.1,由真值表写出各输出的逻辑表达式为 9898S S S S =+=A76547654S S S S S S S S =+++=B 76327632S S S S S S S S =+++=C 9753197531S S S S S S S S S S =++++=D表7.1键控8421BCD 码编码器真值表(2)二进制编码器用n 位二进制代码对2n 个信号进行编码的电路称为二进制编码器。
实验十译码器和数据选择器一、实验目的1、熟悉集成译码器。
2、了解集成译码器应用。
二、实验原理译码器是将给定代码译成相应状态的电路。
双2-4线集成变量译码器74LS139如图10-1所示。
每个2-4线译码器有两个输入端(A、B)和四个输出端(Y0、Y1、Y2、Y3)。
两个输入端可以输入四种数码,即00、01、10、11,对应的四种输出状态是0111、1011、1101、1110。
G为使能端,当G=0时,译码器能正常工作,当G=1时,不能工作,输出端全部为高电平(即“1”)。
数据选择器有多个输入,一个输出。
其功能类似单刀多掷开关,故又称多路开关(MUX)。
在控制端的作用下可从多路并行数据中选择一路送输出端。
双4选1数据选择器74LS153如图10-2所示。
以其中的一个数据选择器为例,C0、C1、C2、C3为输入端,可同时输入四种不同的数据(信号),Y为被选中的数据的输出端,G为使能端(低电平时工作),A、B为选择控制端。
设四个输入端的输入信号分别为C0、C1、C2、C3则其功能如表10-1所示。
三、实验仪器及材料1、双踪示波器2、器件74LS139 双2—4线译码器 1片74LS153 双4选1数据器 1片74LS00 二输入端四与非门 1片四、实验预习要求1、复习有关译码器和数据选择器的原理。
2、根据实验任务,画出所需的实验线路及记录表格。
五、实验内容及步骤1、译码器功能测试将74LS139译码器按图10-1,接线,按表10-2输入电平分别置位,填写输出状态表图10-1 74LS139译码器表10-22、译码器转换将双2—4线译码器转换为3—8线译码器。
(1)画出转换电路图。
(2)在实验仪上接线并验证设计是否正确。
(3)设计并填写该3—8线译码器功能表,画出输入、输出波形。
3、数据选择器的测试及应用将双4选1数据选择器74LS153参照图10-2接线,测试其功能并填写功能表。
(1)将选择端1(G)、2(B)、14(A)脚接逻辑电平开关;(2)将实验仪脉冲信号源中固定连续脉冲4个不同频率的信号接到数据选择器4个输入端:3(250KHz)、4(100KHz)、5(10KHz)、6(1KHz);将选择端置位,使输出端7(1Y)接示波器,可分别观察到4种不同频率脉冲信号。
《数字电路与逻辑设计》课程实验报告系(院):计算机与信息学院专业:班级:姓名:学号:指导教师:学年学期: 2018 ~ 2019 学年第一学期实验一基本逻辑门逻辑以及加法器实验一、实验目的1.掌握TTL与非门、与或非门和异或门输入与输出之间的逻辑关系。
2.熟悉TTL中、小规模集成电路的外型、管脚和使用方法。
二、实验所用器件和仪表1.二输入四与非门74LS00 1片2.二输入四或非门74LS28 1片3.二输入四异或门74LS86 1片三、实验内容1.测试二输入四与非门74LS00一个与非门的输入和输出之间的逻辑关系。
2.测试二输入四或非门74LS28一个或非门的输入和输出之间的逻辑关系。
3.测试二输入四异或门74LS86一个异或门的输入和输出之间的逻辑关系。
4.掌握全加器的实现方法。
用与非门74LS00和异或门74LS86设计一个全加器。
四、实验提示1.将被测器件插入实验台上的14芯插座中。
2.将器件的引脚7与实验台的“地(GND)”连接,将器件的引脚14与实验台的+5V 连接。
3.用实验台的电平开关输出作为被测器件的输入。
拨动开关,则改变器件的输入电平。
4.将被测器件的输出引脚与实验台上的电平指示灯连接。
指示灯亮表示输出电平为1,指示灯灭表示输出电平为0。
五、实验接线图及实验结果74LS00中包含4个二与非门,74LS28中包含4个二或非门,74LS86中包含4个异或门,下面各画出测试第一个逻辑门逻辑关系的接线图及测试结果。
测试其他逻辑门时的接线图与之类似。
测试时各器件的引脚7接地,引脚14接+5V。
图中的K1、K2是电平开关输出,LED0是电平指示灯。
1.测试74LS00逻辑关系接线图及测试结果(每个芯片的电源和地端要连接)图1.1 测试74LS00逻辑关系接线图表1.1 74LS00真值表输 入输 出 引脚1引脚2 引脚3 L L HL H H HL H HHL2. 测试74LS28逻辑关系接线图及测试结果i.ii.iii. 图1.2 测试74LS28逻辑关系接线图表1.2 74LS28真值表i. 输 入 ii. 输 出 iii. 引脚2 iv. 引脚3v. 引脚1 vi. L vii. L viii. H ix. L x. H xi. L xii. Hxiii. L xiv. L xv. H xvi. Hxvii. L3.测试74LS86逻辑关系接线图及测试结果图1.3 测试74LS86逻辑关系接线图表1.3 74LS68真值表输 入输 出 引脚1引脚2 引脚3 L L L L H H H L H HHL4. 使用74LS00和74LS86设计全加器(输入来源于开关K2、K1和K0,输出送到LED 灯LED1和LED0 上,观察在不同的输入时LED 灯的亮灭情况)。
竭诚为您提供优质文档/双击可除数据选择器和译码器实验报告篇一:实验二译码器与数据选择器的功能测试及应用(实验报告)实验2译码器与数据选择器的功能测试及应用一.实验目的与要求(5分)1.掌握中规模集成译码器与数据选择器的逻辑功能和使用方法;2.学习用集成译码器与数据选择器构成组合逻辑电路的方法。
三、实验原理与内容(20分)1.译码器(1)译码与译码器的概念译码是编码的反过程,是将给定的二进制代码翻译成编码时赋予的原意,实现译码功能的电路称为译码器。
(2)译码器分类译码器分为通用译码器(包括二进制、二─十进制译码器)与显示译码器(包括TTL共阴显示译码器、TTL共阳显示译码器等)两大类。
(3)利用译码器实现组合逻辑函数二进制、二─十进制译码器的输出端的逻辑式是以输入变量最小项(取反)的形式,故这种译码器也叫最小项译码器,利用最小项译码器可以实现简单的组合逻辑电路。
2.数据选择器(1)数据选择器概念与功能数据选择器可以实现从多路数据传输中选择任何一路信号输出,选择的控制由地址码决定。
数据选择器可以完成很多的逻辑功能,例如函数发生器、并串转换器、波形产生器等。
(2)用数据选择器实现组合逻辑函数选择器输出为标准与或式,含地址变量的全部最小项。
例如四选一数据选择器输出如下:Y=A1A0D3+A1A0D2+A1A0D1+A1A0D0而任何组合逻辑函数都可以表示成为以上的表示形式,故可用数据选择器实现。
四.实验步骤与记录(30分)1.译码器74Ls139功能测试测试译码器74Ls139中任意一组2-4线译码器的功能,其中译码器的输入端s、A1、A0接拨码开关输出口,输出Y0~Y3接发光管。
改变拨码开关开关的状态,观察输出,写出Y0~Y3的输出。
实验电路图如下:(请同学们完善,要求用铅笔做图)2.用译码器实现逻辑函数F=Abc+Abc。
用拨码开关开关输入信号A、b、c,发光二极管观察输出F。
实验电路图如下:(请同学们完善,要求用铅笔做图)3.用8选1数据选择器74Ls151实现函数F=Abc+Abc+Abc+Abc,用拨码开关开关输入信号A、b、c,发光二极管观察输出F。
实验二组合逻辑电路一、实验目的1.掌握数据选择器的功能和应用方法;2.掌握显示译码器的功能和使用方法;3.掌握组合数字电路的设计和实现方法。
二、预习要求1.复习译码器和数据选择器的工作原理;2.复习有关组合电路设计方法的知识;3.阅读74LS138和74LS151的引脚排列图及功能表;4. 设计实验内容所要求的数据记录表格。
三、理论准备1.概述组合逻辑电路又称组合电路,组合电路的输出只决定于当时的外部输入情况,与电路过去状态无关。
因此,组合电路的特点是无“记忆性”。
在组成上组合电路的特点是由各种门电路连接而成,而且连接中没有反馈线存在。
所以各种功能的门电路就是简单组合逻辑电路。
组合逻辑电路的输入信号和输出信号往往不止一个,其功能描述方法通常有函数表达式、真值表、卡诺图和逻辑图等几种。
组合逻辑电路的分析与设计方法,是立足于小规模集成电路分析和设计基本方法之一。
2.组合逻辑电路的分析方法分析的任务是:对给定的电路求解其逻辑功能,即求出该电路的输出与输入之间的逻辑关系,通常是用逻辑式或真值表来描述,有时也加上必须的文字说明。
分析的步骤:(1)逐级写出逻辑表达式,最后得到输出逻辑变量与输入逻辑变量之间的逻辑函数式。
(2)化简。
(3)列出真值表。
(4)文字说明上述四个步骤不是一成不变的。
除第一步外,其它三步根据实际情况的要求而采用。
3.组合逻辑电路的设计方法设计的任务是:使用中、小规模集成电路来设计组合电路是最常见的逻辑电路,由给定的功能要求,设计出相应的逻辑电路。
设计的一般步骤如图3-1所示:根据设计任务的要求建立输入、输出变量,并列出真值表。
然后用逻辑代数或卡诺图化简法求出简化的逻辑表达式。
并按实际选用逻辑门的类型修改逻辑表达式。
根据简化后的逻辑表达式,画出逻辑图,用标准器件构成逻辑电路。
最后,用实验来验证设计的正确性。
需要注意的是,在使用中规模集成的组合逻辑电路设计时,需要把函数式变换成适当的形式(而不一定是最简式)。
福建农林大学计算机与信息学院信息工程类实验报告系:计算机系专业:计算机科学与技术年级: 07级姓名:学号:实验课程:数字电子技术基础实验室号:__ 实验设备号: 9 实验时间: 2008-12-9指导教师签字:成绩:实验二译码器和数据选择器一、实验目的和要求1、掌握3 -8线译码器逻辑功能和使用方法。
2、掌握数据选择器的逻辑功能和使用方法。
二、实验原理译码的功能是将具有特定含义的二进制码进行辨别,并转换成控制信号,具有译码功能的逻辑电路称为译码器。
译码器在数字系统中有广泛的应用,不仅用于代码的转换、终端的数字显示,还用于数据分配,存贮器寻址和组合控制信号等。
不同的功能可选用不同种类的译码器。
下图表示二进制译码器的一般原理图:它具有n个输入端,2n个输出端和一个使能输入端。
在使能输入端为有效电平时,对应每一组输入代码,只有其中一个输出端为有效电平,其余输出端则为非有效电平。
每一个输出所代表的函数对应于n个输入变量的最小项。
二进制译码器实际上也是负脉冲输出的脉冲分配器,若利用使能端中的一个输入端输入数据信息,器件就成为一个数据分配器(又称为多路数据分配器)。
1、3-8线译码器74LS138它有三个地址输入端A、B、C,它们共有8种状态的组合,即可译出8个输出信号Y0~Y7。
另外它还有三个使能输入端E1、E2、E3。
它的功能表见表2-1,引脚排列见图2-2。
表2-1 74LS138的功能表注:‘H’表示逻辑高电平;‘L’表示逻辑低电平;‘×’表示逻辑高电平或低电平。
2、数据选择是指经过选择,把多个通道的数据传送到唯一的公共数据通道上去。
实现数据选择功能的逻辑电路称为数据选择器。
它的功能相当于一个多个输入的单刀多掷开关,其示意图如下:3、数据选择器74LS15174LS151是一种典型的集成电路数据选择器,它有3个地址输入端CBA,可选择D0~D7这8个数据源,具有两个互补输出端,同相输出端Y和反相输出端WN。
《数字电路》译码器和数据选择器实验一、实验目的1、熟悉集成译码器。
2、了解集成译码器应用。
二、实验原理译码器是将给定代码译成相应状态的电路。
双2-4线集成变量译码器74LS139如图10-1所示。
每个2-4线译码器有两个输入端(A、B)和四个输出端(Y、Y 1、Y2、Y3)。
两个输入端可以输入四种数码,即00、01、10、11,对应的四种输出状态是0111、1011、1101、1110。
G为使能端,当G=0时,译码器能正常工作,当G=1时,不能工作,输出端全部为高电平(即“1”)。
数据选择器有多个输入,一个输出。
其功能类似单刀多掷开关,故又称多路开关(MUX)。
在控制端的作用下可从多路并行数据中选择一路送输出端。
双4选1数据选择器74LS153如图10-2所示。
以其中的一个数据选择器为例,C 0、C1、C2、C3为输入端,可同时输入四种不同的数据(信号),Y为被选中的数据的输出端,G为使能端(低电平时工作),A、B为选择控制端。
设四个输入端的输入信号分别为C0、C1、C2、C3则其功能如表10-1所示。
表10-1 74LS153功能表三、实验仪器及材料1、双踪示波器2、器件74LS139 双2—4线译码器 1片74LS153 双4选1数据器 1片74LS00 二输入端四与非门 1片四、实验预习要求1、复习有关译码器和数据选择器的原理。
2、根据实验任务,画出所需的实验线路及记录表格。
五、实验内容及步骤1、译码器功能测试将74LS139译码器按图10-1,接线,按表10-2输入电平分别置位,填写输出状态表图10-1 74LS139译码器表10-22、译码器转换将双2—4线译码器转换为3—8线译码器。
(1)画出转换电路图。
(2)在实验仪上接线并验证设计是否正确。
(3)设计并填写该3—8线译码器功能表,画出输入、输出波形。
3、数据选择器的测试及应用将双4选1数据选择器74LS153参照图10-2接线,测试其功能并填写功能表。
译码器和数据选择器实验报告实验目的:1.了解译码器和数据选择器的原理和功能2.掌握译码器和数据选择器的使用方法3.探究译码器和数据选择器在数字电路中的应用实验仪器和材料:1.实验板2.译码器芯片(74LS138)3.数据选择器芯片(74LS151)4.电源线5.逻辑开关6.连接线实验原理:译码器是数字电路中的一种组合逻辑电路,用于将输入的代码转换为对应的输出信号。
它根据输入代码的不同,从多个输出端口中选择一个端口输出高电平信号。
数据选择器是一种多路选择器,根据输入的数据选择信号选择其中一个输入端口的数据进行输出。
数据选择器的功能是根据数据选择信号选择其中一个输入端口的数据,输出到输出端口。
实验步骤:1.将译码器芯片(74LS138)插入到实验板的芯片插座上。
2.连接三个逻辑开关到译码器芯片的输入端(A0、A1和A2)上,分别作为输入代码。
3.设计一个逻辑电路,将译码器芯片的八个输出端口(Y0至Y7)连接到八个发光二极管上,并通过跳线帽连接到正电源。
4.打开实验板的电源开关。
5.依次操作逻辑开关,观察发光二极管的亮灭情况,并记录每个二极管对应的输入代码。
6.将数据选择器芯片(74LS151)插入到实验板的芯片插座上。
7.连接三个逻辑开关到数据选择器芯片的输入端(S0、S1和S2)上,作为数据选择信号。
8.连接四个逻辑开关到数据选择器芯片的输入端(A0、A1、A2和A3)上,作为输入数据。
9.设计一个逻辑电路,将数据选择器芯片的四个输出端口(Y0至Y3)连接到四个发光二极管上,并通过跳线帽连接到正电源。
10.重复步骤5,观察发光二极管的亮灭情况,并记录每个二极管对应的数据选择信号和输入数据。
实验结果:译码器的输出结果与输入代码一一对应,示例如下:-输入代码000,输出Y0高电平,其余输出端口为低电平。
-输入代码001,输出Y1高电平,其余输出端口为低电平。
-...-输入代码111,输出Y7高电平,其余输出端口为低电平。
实验二数据选择器、译码器、全加器实验一、实验目的1.熟悉数据选择器的逻辑功能。
2.熟悉译码器的工作原理和使用方法。
3.设计应用译码器的电路,进一步加深对它的理解。
4.掌握全加器的实现方法。
5.学习用中规模集成电路的设计方法。
二、实验所用器件和仪表1.双4选1数据选择器74LS153 1片2.双2-4线译码器74LS139 2片3.二输入四与非门74LS00 1片4.二输入四异或门74LS86 1片5.万用表6.示波器7.实验箱三、实验内容1.测试74LS153中一个4选1数据选择器的逻辑功能。
2.测试74LS139中一个2-4译码器的逻辑功能。
3.用2-4线译码器74LS139和与非门74LS00实现逻辑函数。
4.用两片2-4线译码器74LS139设计一个8通道的数据分配器。
5.用与非门74LS00和异或门74LS86设计一个全加器。
6.用数据选择器74LS153设计一个全加器。
四、实验接线图1.74LS153实验接线图和74LS153真值表4个数据输入引脚C0─C3分别接实验台上的10MHz、1MHz、500KHz、100KHz脉冲源。
变化地址选择引脚A、B和使能引脚G的电平,产生8种不同的组合。
观测并记录每种组合下数据选择器的输出波形。
图4.1 74LS153实验接线图表4.1 74LS153真值表2. 74LS139实验接线图和74LS139真值表图4.2 74LS139实验接线图 表4.2 74LS139真值表4个译码输出引脚Y0─Y3接电平指示灯。
改变引脚G 、B 、A 的电平,产生8种组合。
观测并记录指示灯的显示状态。
3. 用74LS139和74LS00实现逻辑函数F AB AB =+。
图4.3 74LS139实现逻辑函数的接线图 4. 用两片74LS139设计一个8通道的数据分配器。
图4.4 74LS139实现数据分配器的接线图A5. 使用74LS00和74LS86设计全加器。
i 1i 1i 1i i i i i i i i i i i iS A B C C (A B )C A B (A B )C A B ---=⊕⊕=⊕+=⊕⋅异或门的国标符号与非门的国标符号图4.5 全加器实验接线图6. 用数据选择器74LS153设计一个全加器。
msi组合功能器件的设计应用实验报告实验目的一、实验目的1、掌握数据选择器、译码器和全加器等MSI的组合原理及基本功能;2、掌握MSI组合功能件的应用。
二、实验原理数据选择器74153通用译码器74138全加器74283一片74153中有两个4选1数据选择器;选通输入端,低电平有效;选择输入端为两个数据选择器共用。
被加数和加数均为4位二进制数;二进制全加器可以进行多位连接使用;可以组成全减器、补码器或实现其他逻辑功能等电路。
从上述例子可见,数据选择器的地址变量一般的选择方式;(1)选用逻辑表达式各乘积项中出现次数最多的变量(包括原变量和反变量),以简化数据输入端的附加电路;(2)选择一组具有一定物理意义的量。
三、实验内容(1)利用4选1数据选择器设计一个表示血型遗传规律的电路,画出设计电路图,检测并记录电路功能。
(2)使用一个3线一8线译码器和与非门设计一个1位二进制全减器,画出设计逻辑图,检测并记录电路功能。
(3)利用两个4位二进制全加器和与非门,设计一个1位NBCD 码的全加器,画出设计电路图,检测电路功能。
记录下列运算式的实验结果:0000+0100,0111+0010,0100+0110,0101+0111,1000+0111,1001+1001.四、仪器与器材·(1)数字实验箱YB3262型1台·(2)直流稳压电源DF1701S型1台·(3)万用表MF78型1只·(4)主要器材74LS153(2片)74LS00(1片)74LS138(2片)74LS20(1片)74LS283(2片)74LS86(1片)。
实验三译码器和数据选择器(有数据)一. 实验目的1. 了解译码器和数据选择器的工作原理。
2. 学习译码器和数据选择器的基本使用方法。
二. 实验器材1. 7404 TTL集成电路 1片2. 7447 BCD-7 段译码器 1片3. 74138 3-8 译码器 1片4. 两个按钮开关5. 数字低电平信号发生器6. DSO 数字示波器7. 面包板8. 杜邦线三. 实验原理1. 译码器译码器是将码的形式转换为某个特定的输出形式。
常见的译码器有 BCD-7 段译码器及二进制-8 译码器等。
其中,BCD-7 段译码器是将 BCD 码转换为 7 段管的控制信号;而二进制-8 译码器是将二进制码转换为控制特定逻辑门输出的信号。
2. 数据选择器数据选择器是根据控制信号选取特定的输入数据,并输出到特定位置。
常见的数据选择器有 2-1 数据选择器和 4-1 数据选择器等。
其中,2-1 数据选择器是将两个输入信号中的某一个信号输出给下一级逻辑电路;而4-1 数据选择器则是将四个输入信号中的某一个信号输出给下一级逻辑电路。
1. 搭建 BCD-7 段译码实验电路(1)将 7447 BCD-7 段译码器、两个按钮开关、数字低电平信号发生器、DSO 数字示波器及面包板准备好。
(2)将杜邦线一端插入数字低电平信号发生器的 GND、CLK、DATA 和 LATCH 等接口中,另一端分别插入面包板上的 GND、K1、K2 和 L。
(5)将两个按钮开关用杜邦线与面包板连接起来。
(6)用杜邦线将 G、B、C、Q0-Q7、A、Y1、Y2、Y3、K1、K2、L 等 14 个端口连接在一起。
(7)将数字示波器的探头,接在 7447 BCD-7 段译码器的 A 端口和 GND 端口上。
电路示意图如下:(8)将面包柿子插入电源插头,并打开电源。
(9)按下 K1 或 K2 按钮,观察数字示波器上的输出信号。
按下按钮 K1,显示的是数字 0-5,按下按钮 K2,显示的是数字 6-9。
一、实验目的1. 理解组合逻辑电路的基本原理和设计方法。
2. 掌握门电路的基本应用和组合逻辑电路的搭建。
3. 培养逻辑思维能力和实际操作能力。
二、实验原理组合逻辑电路是由门电路组成的,其输出信号仅与当前输入信号有关,而与电路之前的输入信号和输出信号无关。
常见的组合逻辑电路有编码器、译码器、数值比较器、数据选择器、奇偶检验器等。
三、实验器材1. 实验箱2. 74系列集成电路3. 跳线4. 数字逻辑分析仪5. 万用表四、实验步骤1. 编码器设计(1)根据设计要求,确定编码器的输入和输出信号。
(2)选用合适的门电路搭建编码器电路。
(3)将编码器电路与数字逻辑分析仪连接,观察输出波形。
(4)根据输出波形,验证编码器电路的正确性。
2. 译码器设计(1)根据设计要求,确定译码器的输入和输出信号。
(2)选用合适的门电路搭建译码器电路。
(3)将译码器电路与数字逻辑分析仪连接,观察输出波形。
(4)根据输出波形,验证译码器电路的正确性。
3. 数值比较器设计(1)根据设计要求,确定数值比较器的输入和输出信号。
(2)选用合适的门电路搭建数值比较器电路。
(3)将数值比较器电路与数字逻辑分析仪连接,观察输出波形。
(4)根据输出波形,验证数值比较器电路的正确性。
4. 数据选择器设计(1)根据设计要求,确定数据选择器的输入和输出信号。
(2)选用合适的门电路搭建数据选择器电路。
(3)将数据选择器电路与数字逻辑分析仪连接,观察输出波形。
(4)根据输出波形,验证数据选择器电路的正确性。
5. 奇偶检验器设计(1)根据设计要求,确定奇偶检验器的输入和输出信号。
(2)选用合适的门电路搭建奇偶检验器电路。
(3)将奇偶检验器电路与数字逻辑分析仪连接,观察输出波形。
(4)根据输出波形,验证奇偶检验器电路的正确性。
五、实验结果与分析1. 编码器电路输出波形符合设计要求,电路功能正常。
2. 译码器电路输出波形符合设计要求,电路功能正常。
3. 数值比较器电路输出波形符合设计要求,电路功能正常。
实验三编码器、译码器和数据选择器的应用1.简述译码器74ls138译码器各个引脚的逻辑功能。
A0~A2:地址输入端STA(E1):选通端/STB(/E2)、/STC(/E3):选通端(低电平有效)/Y0~/Y7:输出端(低电平有效)VCC:电源正GND:地A0~A2对应Y0——Y7;A0,A1,A2以二进制形式输入,然后转换成十进制,对应相应Y的序号输出低电平,其他均为高电平;2.八选一数据选择器电路设计的仿真图。
一、实验目的1、掌握编码器、译码器和数据选择器的工作原理2、编码器、译码器和数据选择器的应用实现和扩展方式实现二、实验内容及步骤1、优先编码器功能测试表3.12、译码器功能测试其中“X”表示任意输入值3、七段显示译码器功能测试表3.3输入显示LE D C B AX X0X X X X8X01X X X X消隐011000000110001101100113011010150110111701110019111X X X X90111010消隐0111111消隐4、数据选择器功能测试表3.4电平选择输入输出01B A Y1Y21C01C100011C21C301102C12C010012C32C211105、一位二进制全加器电路设计逻辑电路图:测试结果表格表3.5A2A1A0Si Ci00000 BI LT001100101001101100101010111001111116、8选1数据选择器电路设计逻辑电路图测试结果表格表3.6C B A Y0000001101010111100111117、全减器电路设计设计过程(按照设计要求书写,不够可自行加纸)用74138译码器和与非门组成的全减器,逻辑电路图如下:测试结果表格:Ai Bi Vi-1Di Vi0000000111010110110110010101001100011111三、思考题1.根据3.1实验结果写出:1)74LSl38使能信号G=f(G1、G2A,G2B)的逻辑表达式。
实验二 译码器和数据选择器
一、实验目的
1.熟悉集成译码器和数据选择器。
2.了解集成译码器和数据选择器的应用。
二、实验仪器及材料
1.器件
74LS138
3-8线译码器
1片
74ls20 四输入端双与非门 1片
74LS151
8选1数据选择器
1片
三、预习要求
1.预习74138的功能,根据要求画出相应的电路图。
2.预习74151的功能,根据要求画出相应的电路图。
四、实验内容
1.译码器74138功能测试及应用
(1)74138是一个三位二进制译码器,,S 0−S 2为使能端,A 0−A 2为3个输入端, Y 0−Y 7为8个输出端。
将74LS138的S 0−S 2,A 0−A 2-接开关,Y 0−Y 7接灯。
按表2-1输入电平分别置位,填写输出状态表2-1。
图2-1 74138逻辑符号
表2-1
使能端 输入 输出
G 1 G 2B ̅̅̅̅̅ G 2A ̅̅̅̅̅ C B A Y 0 Y 1 Y 2 Y 3 Y 4 Y 5 Y 6 Y 7 1 0 0 0 0 0 0 0 1 0 1 0 0 1 1 1 0 0
1
1
(2)用74ls138译码器实现三变量表决器Y=AB+AC+BC。
画出电路图,并列出真值表。
在实验箱上接线并验证设计
2.数据选择74151的功能测试及应用
(1)74LS151是8选1的数据选择器,测试其功能并填写功能表2-2。
74LS151
图2-2 74151逻辑符号
五、实验报告
1.完成74138和74151的功能表,验证组合逻辑电路的设计正确性。
2.总结译码器和数据选择的使用体会。