电热恒温干燥箱使用说明书
- 格式:doc
- 大小:231.00 KB
- 文档页数:3
干燥箱操作说明书(总9页)本页仅作为文档封面,使用时可以删除This document is for reference only-rar21year.March电热恒温鼓风干燥箱(智能型带定时)操作说明书河北长飞优创科技有限公司一、使用方法1、把需干燥处理的物品放入干燥箱内,关好箱门,把风门调节旋钮旋到“”处。
2、把电源开关拨至“1”处,此时电源指示灯亮,温度控制器上有数字显示。
3、智能温度控制器操作方法参照下面“6”进行操作使用、4、根据不同物品不同的潮湿程度,选择不同的干燥箱时间,如被干燥的物品比较潮湿,可旋转风门调节旋钮至“”处,使箱内湿空气排出。
5、干燥结束后,如不马上取出物品,应先旋转风门调节旋钮把风门关上,否则仍将风门打开,再把电源开关拨至“关”处,如马上打开箱门取出物品,小心烫伤。
二、温度控制器操作说明PV℃SVH/ MO O ORUN/AT OUT ALM设定移位/自调整减小/再运行增加Δ指示灯定义1、“RUN/AT指示灯:运行时此灯点亮,运行结束时熄灭;自整定时此灯闪烁。
2、“OUT”指示灯:有加热输出时此灯点亮,反之熄灭。
3、“ALM”指示灯:传感器异常或超温报警时此灯点亮,反之熄灭。
(一)、温度控制器操作及使用方法1、控制器上电,显示窗上排显示“分度号和版本号”,下排显示“量程值”约3秒后进入到正常显示状态。
2、温度及恒温时间的参看与设定1)若无恒温定时功能:点击“设定”键,进入到温度设定状态,显示窗下排显示提示符“SP”,上排显示温度设定值(先个位值闪烁),可通过移位、增加、减小键修改到所需的设定值;在点击“设定”键,退出此设定状态,修改的设定值自动保存。
在此设定状态下若1分钟之内无任何键按下,控制器会自动返回到正常显示状态。
2)若有恒温定时功能点击“设定”键,进入到温度设定状态,显示窗下排显示提示符“SP”,上排显示温度设定值(先个位值闪烁),修改方法同上;在点击“设定”键,进入到恒温时间设定状态,显示窗下排显示提示符“ST”,上排显示恒温设定值(先个位值闪烁);在点击“设定”键,退出此设定状态,修改的设定值自动保存。
电热恒温鼓风干燥箱使用说明书二、适用范围供厂矿企业、大专院校、科研单位及各类实验室等作物品干燥、烘培、熔蜡、灭菌之用。
三、技术指标台式DHG-9003型四、结构概述DHG 型鼓风干燥箱是系列产品,按外型分为台式和立式二类,由不同的工作室材料,工作室尺寸和控制范围分为不同规格、品种。
干燥箱外壳体均采用优质钢板表面烘漆,工作室采用涂有耐高温银粉漆的优质钢板或不锈钢钢板,工作室内设有二层涂有耐高温银粉漆的优质钢板或不锈钢丝制成的搁板,搁板间距可任意调节,中间层充填超细玻璃棉隔热。
台式箱门采用双层钢化玻璃门或观察窗,立式箱门中上方设有双层钢化玻璃观察窗,能清晰观察到箱内加热物品。
工作室与箱门连接处装有耐高温硅橡胶密封圈,以保证工作室与箱门之间密封。
干燥箱带指示灯电源开关、控制仪等操作件均集中与箱体前面下方的控制面板处,台式设置于箱体左前侧,立式设置箱体下前方。
箱内加热恒温系统主要由装有离心式叶轮的烘箱专用低噪声电动机、电加热器、合适的风道结构和控温仪组成。
当接通干燥箱电源时,电动机即同时运转,将直接置于箱内底部或背部的电加热器产生的热量通过风道向上或向前排出,经过工作室内干燥物品再吸入风机,如此不断循环使温度达到均匀。
台式和立式大容积鼓风干燥箱风门调节器能通过开启风门调节旋钮,调节箱内进入空气量。
微电脑智能控制仪,采用自整定PID 技术,与传统PID 控制相比具有控温迅速,响应快,超调小,精度高的特点,设定温度和箱内温度同时均有数字显示,具有上限跟踪报警和带数字定时器功能,定时可长达9999分钟。
使用轻触按键设定参数,操作方便。
五、只能控温仪的面板功能及操作流程1 2 3 4 5 61、箱内温度显示PV2、加热指示灯3、上限报警指示灯4、自整定指示灯5、功能键SET6、移位键7、减键8、加键 9、设定问多显示SV ▽△操作流程注:参数设定后,应按功能键“SET ”约五秒确认,否则30秒后程序自动退出,参数设定无效。
xma2000电热恒温干燥箱说明书1.温度设置a.在正常工作状态下,按一下SET键,进入温度设定状态,此时PV显示屏显SP,SV显示屏第一位闪烁;b.按移位键将闪烁位移至所需设定位;c.按减键或者加键将数字调至所需值;d.按两下SET键,仪表恢复到正常工作状态,温度设置完成,仪表按新的设定值运行。
2.定时功能a.在正常工作状态下,按两下SET键,进入定时设定状态,此时PV显示屏显示ST,SV显示屏显示0,并闪烁;b.按移位键将闪烁位移至所需设定位;c.按减键或者加键将数字调至所需值;d.按一下SET键,仪表进入定时运行状态,此时运行指示灯闪烁;e.定时功能为倒计时运行,在定时运行状态下,按一下移位键,SV显示屏显示定时剩余时间;f.定时剩余时间归零,仪表进入定时结束状态,此时SV显示屏显示End,并闪烁,同时除风速指示灯以外的所有指示灯均熄灭;g.在定时结束状态下,按一下SET键,仪表恢复到正常工作状态。
h.在定时结束状态下,由于仪表温度控制部分停止工作,PV显示屏显示的测量值会下降到环境温度,此为正常现象。
i.如果无需使用定时功能,请务必将定时时间设置为零。
j.定时功能运行过程中,如发生意外断电,重新上电后,定时剩余时间自动归零。
k.本设备的定时范围:1~9999分钟或1~9999小时。
3.自动风速调节功能a.当设备在升温过程中,循环风机高速运行,加速工作室内的空气对流,缩短升温时间,提高工作效率;b.当工作室内的温度接近控制温度时,仪表自动将循环风机由高速运行调整为低速运行,使工作室内的空气平缓对流,并有效的延长循环风机的寿命;c.如果无需使用自动风速调节功能,可按照控制参数调整方法,将高低速控制参数调整为999.9即可,循环风机将始终处于高速运行状态。
4.自整定功能如果温度控制过程中,出现较大的温度过冲,或较大的温度波动时,请按下列操作启动自整定功能a.关闭电源开关,打开箱门,使设备自然冷却至环境温度;b.关闭箱门,打开电源开关,将温度设至为常用温度值;c.按照控制参数调整方法,将自整定参数调整为1;d.在正常工作状态下,按住减键5秒钟,即进入自整定状态,此时PV显示屏显示ATU,并闪烁;e.自整定结束后,仪表自动恢复到正常工作状态。
电热恒温(鼓风)干燥箱一.设备概况1.设备名称电热恒温(鼓风)干燥箱常被我们称为恒温干燥箱,干燥箱,示意图如下图:电热恒温干燥箱2.产品用途适用于工矿业企业、化验室、科研单位等部门作干燥、熔蜡、灭菌等使用。
但不适用于带挥发物的及易燃易爆的物品置入干燥箱,以免引起爆炸。
3.主要特点1、外壳采用静电喷涂工艺,漆膜稳定可靠;2、可选用多种控温仪表、控温精度高,稳定性能好;3、箱门采用硅胶条密封,密封效果好。
4.技术指标5.结构说明干燥箱通常由型钢薄板构成,箱体内有一供放置试品和工作室,工作室内有试品搁板,试品可置于其上进行干燥,工作室内与箱体外壳有相当厚度的保温层,中以硅棉或珍珠岩作保温材料。
箱门间有一玻璃门或观察口,以供观察作室之情况。
101型鼓风干燥箱内装有鼓风机,工作室内空气借鼓风机促成机械对流。
开启排气阀门可使工作室内之空气得以更换,获得干燥效果,温度用仪表进行自动控温,控温仪、继电器及全部电气控制设备均装于箱侧控制层内,控制层有侧门可以卸下,以备检察或修理线路时用。
箱内工作室左壁与保温层之间有风道,风装有鼓风风叶及导向板,开启电机开关可使鼓风机工作。
电热器装于箱体内工作室下,共分二组即“电源”、“高温”,并有议表指示灯指示加热工作,绿灯亮表示电热器工作,箱内在加热,绿灯灭红灯亮表示加热停止,即恒温状态。
6.使用前的准备1、该箱安放在室内干燥及水平处,不必使用其他固定装置。
2、应在供电线路中安装铁壳闸刀开关一只,供此箱专用,并用比电源线粗一倍之导线作接地线并有效接地。
3、通电前,先检查本箱的电压是否相符,并按总工率换算出电流大小,接上相应规格的电源线。
4、待一切准备就绪,可放入试品,关上箱门,此时即可接上电源,开始工作。
5、不可任意卸下侧门,拢乱或改变线路,唯当该箱发生故障时可卸下侧门。
按线路逐一检查。
如有重大故障时可与本厂及维修点联系。
通电后的使用:6、接上电源后可开启电源加热开关,当所需温度高于150℃可开向高温档。
电热恒温鼓风干燥箱(智能型带定时)操作说明书长飞优创科技一、使用方法1、把需干燥处理的物品放入干燥箱,关好箱门,把风门调节旋钮旋到“”处。
2、把电源开关拨至“1”处,此时电源指示灯亮,温度控制器上有数字显示。
3、智能温度控制器操作方法参照下面“6”进行操作使用、4、根据不同物品不同的潮湿程度,选择不同的干燥箱时间,如被干燥的物品比较潮湿,可旋转风门调节旋钮至“”处,使箱湿空气排出。
5、干燥结束后,如不马上取出物品,应先旋转风门调节旋钮把风门关上,否则仍将风门打开,再把电源开关拨至“关”处,如马上打开箱门取出物品,小心烫伤。
二、温度控制器操作说明指示灯定义1、“RUN/AT指示灯:运行时此灯点亮,运行结束时熄灭;自整定时此灯闪烁。
2、“OUT”指示灯:有加热输出时此灯点亮,反之熄灭。
3、“ALM”指示灯:传感器异常或超温报警时此灯点亮,反之熄灭。
(一)、温度控制器操作及使用方法1、控制器上电,显示窗上排显示“分度号和版本号”,下排显示“量程值”约3秒后进入到正常显示状态。
2、温度及恒温时间的参看与设定1)若无恒温定时功能:点击“设定”键,进入到温度设定状态,显示窗下排显示提示符“SP”,上排显示温度设定值(先个位值闪烁),可通过移位、增加、减小键修改到所需的设定值;在点击“设定”键,退出此设定状态,修改的设定值自动保存。
在此设定状态下若1分钟之无任何键按下,控制器会自动返回到正常显示状态。
2)若有恒温定时功能点击“设定”键,进入到温度设定状态,显示窗下排显示提示符“SP”,上排显示温度设定值(先个位值闪烁),修改方法同上;在点击“设定”键,进入到恒温时间设定状态,显示窗下排显示提示符“ST”,上排显示恒温设定值(先个位值闪烁);在点击“设定”键,退出此设定状态,修改的设定值自动保存。
当恒温时间设定为“0”时,便是没有定时功能,控制器连续运行,显示窗下排显示温度设定值;当设定时间不为“0”时,显示窗下排显示运行时间或温度设定值(参见七.部参数表-2中的运行时间显示模式(参数ndt的值)),当显示运行时间时,下排个位小数点点亮,等测量温度达到设定温度后,定时器开始计时,下排个位小数点闪烁,计时时间到,运行结束,显示窗下排显示“End”,蜂鸣器滴、嘀声鸣叫1分钟后停止鸣叫。
你若盛开,蝴蝶自来。
电热恒温干燥箱安全操作规程
目的除去物质的游离水和部分结晶水。
范围适用于原料和产品水份的测定,或烘干部分玻璃仪器。
操作规程开启电源→调节所需温度→放入样品→取出样品→切断
电源
职责 4.1、干燥箱应安装在室内干燥和水平处,防止震动和腐蚀;
4.2、烘箱内外保持清洁;
5、安全操作注意事项
5.1、开、关电源双手保持干燥,严禁用潮湿的双手接触电器;
5.2、擦拭设备前应确认电源已全部切断;
5.3、在箱内严禁存放和烘烤能挥发的腐蚀性物质;
5.4、箱体的底部不能放置任何物体,否则会妨碍热量的传递;
5.5、箱内湿度高于200℃时,不能立即开启箱门,否则会使玻璃门急剧冷却而破裂,因此最好先让其自然冷却至常温后再打开箱门;
5.6、取放样品时应戴上布手套,以免烫伤双手;
5.7、工作完毕后,立即切断电源。
文档内容到此结束,欢迎大家下载、修改、丰富并分享给更多有需要的人。
第1页/共1页。
电热恒温鼓风干燥箱操作规程
1.使用前先检查插头开关及旋钮是否有漏电,检查温度计的测温范围是否与使用温度相适应。
2.箱内放入物件(切勿放置于散热板上),旋开排气阀,接通电源,选用所要加热温度,旋拨高或低档速度升温,同时打开鼓风机开关。
3.箱内达到预定温度时,旋调控温器使恒温指示灯处于明灭交替位置,再微调使恒温,指示灯亮,半小时内要注意温度是否稳定,可随时调整。
4.完毕须将箱内打扫干净,关好箱门,拔下插头。
5.箱内不得烘塑料、橡胶等可燃物及有腐蚀性、挥发性的有害物品,严禁烘烤个人物品。
6.定期检查电路及控温系统,使烘箱常处于正常状态。
鼓风电热恒温干燥箱
操作过程
1、合上闸刀开关,电源接通后,指针控温仪及数显控温仪马上显示出室温数字此时绿灯亮,如A型旋转选择旋钮调至所需的工作温度,B型将控温仪选择开关揿至“予置”处,然后调节予置旋钮调至所需的工作温度,把选择开关按回到‘测温"位置。
2、开启电源开关S1,加热开关S2,使加热器通电升温,同时开启鼓风开关Sso
3、温度升至工作温度时红灯亮即示意已保持恒温,把加热开关Sz关上。
当用毕后关上二个S,S2开关及单用闸刀开关。
使用维护及注意事项
1、该箱安放在室内干燥及水平处,但不必使用其他固定装置。
2、此箱为非防爆干燥,带有挥发易燃品一-律不准放在箱内,以免发生爆炸。
3、箱内之感温棒,绝对不能碰撞,否则损坏后失去控温作用。
4、箱内所烘之物品不宜过湿和过挤,-定要有通风余地,以利空气循环对流,使室内温度均匀、易使物品干燥,同时节约用电。
5、在箱内外温度差较大时不能骤然打开大门:否则易使玻璃器皿爆裂。
6、该植加热层内裸丝加热,不能将液体和杂物漏入加热层内。
7该箱电源须先通过单用闸刀开关,再接入箱内并接有地线以保安全。
电热恒温(鼓风)干燥箱一.设备概况1.设备名称电热恒温(鼓风)干燥箱常被我们称为恒温干燥箱,干燥箱,示意图如下图:电热恒温干燥箱2.产品用途适用于工矿业企业、化验室、科研单位等部门作干燥、熔蜡、灭菌等使用。
但不适用于带挥发物的及易燃易爆的物品置入干燥箱,以免引起爆炸。
3.主要特点1、外壳采用静电喷涂工艺,漆膜稳定可靠;2、可选用多种控温仪表、控温精度高,稳定性能好;3、箱门采用硅胶条密封,密封效果好。
4.技术指标5.结构说明干燥箱通常由型钢薄板构成,箱体内有一供放置试品和工作室,工作室内有试品搁板,试品可置于其上进行干燥,工作室内与箱体外壳有相当厚度的保温层,中以硅棉或珍珠岩作保温材料。
箱门间有一玻璃门或观察口,以供观察作室之情况。
101型鼓风干燥箱内装有鼓风机,工作室内空气借鼓风机促成机械对流。
开启排气阀门可使工作室内之空气得以更换,获得干燥效果,温度用仪表进行自动控温,控温仪、继电器及全部电气控制设备均装于箱侧控制层内,控制层有侧门可以卸下,以备检察或修理线路时用。
箱内工作室左壁与保温层之间有风道,风装有鼓风风叶及导向板,开启电机开关可使鼓风机工作。
电热器装于箱体内工作室下,共分二组即“电源”、“高温”,并有议表指示灯指示加热工作,绿灯亮表示电热器工作,箱内在加热,绿灯灭红灯亮表示加热停止,即恒温状态。
6.使用前的准备1、该箱安放在室内干燥及水平处,不必使用其他固定装置。
2、应在供电线路中安装铁壳闸刀开关一只,供此箱专用,并用比电源线粗一倍之导线作接地线并有效接地。
3、通电前,先检查本箱的电压是否相符,并按总工率换算出电流大小,接上相应规格的电源线。
4、待一切准备就绪,可放入试品,关上箱门,此时即可接上电源,开始工作。
5、不可任意卸下侧门,拢乱或改变线路,唯当该箱发生故障时可卸下侧门。
按线路逐一检查。
如有重大故障时可与本厂及维修点联系。
通电后的使用:6、接上电源后可开启电源加热开关,当所需温度高于150℃可开向高温档。
电热恒温干燥箱使用说明书一、用途本产品适用于大专院校、科研部门及工矿企业实验室进行各种物品的烘焙、干燥、热处理及恒温加热实验用。
三、结构及工作原理电热恒温鼓风干燥箱外壳由钢板冲压折制、焊接成型,外壳表面采用高强度的静电喷塑涂装处理,漆膜光滑牢固。
工作室采用碳钢板或镜面不锈钢板折制而成,工作室与外壳之间填充保温棉。
工作室的内部放有试品搁板,用来放置各种试验物品。
工作室的背部装有电热元件和离心式的风扇叶轮,由风机将被加热的空气通过后风道在工作室内进行循环,故工作室温度较均匀。
门封条采用硅橡胶条密封,箱门上设有可供观察用的视镜,外壳的后背部设有进、排气孔,排气量的大小可以自行调节。
电热恒温鼓风干燥箱外壳左侧为电器箱,电器箱的前面板上装有温度控制仪表、电源开关等,电器箱内装有电器元件。
为满足不同用户的需求,该系列干燥箱有三种温控系统可供用户选用:1.经济型系列干燥箱采用电子温度调节仪进行温度的设定与控制,从干燥箱的顶部插入水银温度计进行温度显示,该温控系统属位式控温,性能可靠,使用方便。
2.基本型与不锈钢型系列干燥箱采用智能型数字温度调节仪进行温度的设定、显示与控制。
该温度调节仪采用计算机技术对工作室内的温度信号进行采集、处理,可使工作室内的温度自动保持恒温。
该温控系统属P.I.D智能控温,性能可靠、使用方便。
3.不锈钢型系列干燥箱还可选用智能程序温度调节仪进行温度的设定、显示与控制。
该温控系统可在多个温度段进行工作温度、恒温温度、升温时间及恒温时间的设定与控制。
该温度调节仪采用计算机技术对工作室内的温度信号进行采集、处理,可使工作室内的温度自动保持恒温。
该温控系统属P.I.D智能控温,性能可靠、使用方便。
并可根据实验需要进行编程。
智能型温度调节仪均有超温保护功能。
在设备工作过程中如果工作室内的温度超过设定温度值时,超温保护电路动作,切断加热回路。
四、设备的安装及使用1.设备使用前应将电热恒温鼓风干燥箱放在平整的工作台上,先进行外观的检查:设备外观无破损,仪表外观完好,设备绝缘良好,电源插头完好,电源开关按动灵活。
电热自动恒温干燥箱操作说明文件编号
文件版本A/0 生效日期
文件页码
目的:
规范仪器的操作步骤,提高测试的准确度。
适用范围:
适用于原材料的烘干干燥,物品消毒杀菌等各种需求。
责任部门:
测试中心
操作说明:
1、接通电源,打开电源开关,放入试品。
2、当所需温度高于150℃可开向高温档。
否则不必开高温,只需电源档就行,再将控温
器旋钮由“O”位顺时针方向旋至所需温度点,开启加热开关,此时箱内开始升温,仪表绿色指示灯亮。
同时可开启鼓风开关,使鼓风机开始工作。
3、温度升到所需工作温度时绿灯灭红灯亮,在此指示灯交替明灭即为恒温定点。
(在恒
温点时很可能温度继续上升,此乃余热影响,约半小时后即会稳定)
4、温度恒温后,可根据试验需用,令其作一定时间的恒温。
在此过程中,可借箱内控温
器自动控温,而不需加以人工管理。
5、欲观察工作室试品情况,可开启箱门,借箱内一玻璃门或观察门观察之。
但箱门以不
常开启为宜,以免影响恒温,当温度较高时,禁止打开箱门。
6、关闭加热开关及电源开关,待室温时,取出试品。
注意事项:
(1)本仪器在使用时必须可靠接地,电源电压必须与额定电压相符;
(2)带腐蚀性、易燃、易爆物品禁止放入箱内;
(3)切勿任意拆卸机件,发生故障时,应由专业人员维修;
(4)本干燥箱使用环境温度不得高于45℃;
(5)切勿把本箱放在含酸、含碱的腐蚀性环境中,以免损坏电子部件。
编制审核批准
日期日期日期。
电热恒温搞燥箱之阳早格格创做使用道明书籍一、用途本产品适用于大博院校、科研部分及工矿企业真验室举止百般东西的烘焙、搞燥、热处理及恒温加热真验用.电热恒温饱风搞燥箱中壳由钢板冲压合制、焊接成型,中壳表面采与下强度的静电喷塑涂拆处理,漆膜光润坚韧.处事室采与碳钢板或者镜里没有锈钢板合制而成,处事室与中壳之间弥补保温棉.处事室的里里放有试品放板,用去放置百般考查东西.处事室的背部拆有电热元件战离心式的风扇叶轮,由风机将被加热的气氛通过后风讲正在处事室内举止循环,故处事室温度较匀称.门启条采与硅橡胶条稀启,箱门上设有可供瞅察用的视镜,中壳的后背部设有进、排气孔,排气量的大小不妨自止安排.电热恒温饱风搞燥箱中壳左侧为电器箱,电器箱的前里板上拆有温度统制仪容、电源开闭等,电器箱内拆有电器元件.为谦脚分歧用户的需要,该系列搞燥箱有三种温控系统可供用户采用:1.经济型系列搞燥箱采与电子温度安排仪举止温度的设定与统制,从搞燥箱的顶部拔出火银温度计举止温度隐现,该温控系统属位式控温,本能稳当,使用便当.2.基础型与没有锈钢型系列搞燥箱采与智能型数字温度安排仪举止温度的设定、隐现与统制.该温度安排仪采与估计机技能对于处事室内的温度旗号举止支集、处理,可使处事室内的温度自动脆持恒温.该温控系统属P.I.D智能控温,本能稳当、使用便当.3.没有锈钢型系列搞燥箱还可采用智能步调温度安排仪举止温度的设定、隐现与统制.该温控系统可正在多个温度段举止处事温度、恒温温度、降温时间及恒温时间的设定与统制.该温度安排仪采与估计机技能对于处事室内的温度旗号举止支集、处理,可使处事室内的温度自动脆持恒温.该温控系统属P.I.D智能控温,本能稳当、使用便当.并可根据真验需要举止编程.智能型温度安排仪均有超温呵护功能.正在设备处事历程中如果处事室内的温度超出设定温度值时,超温呵护电路动做,切断加热回路.四、设备的拆置及使用1.设备使用前应将电热恒温饱风搞燥箱放正在仄坦的处事台上,先举止中瞅的查看:设备中瞅无破坏,仪容中瞅完佳,设备绝缘良佳,电源插头完佳,电源开闭按动机动.每台设备的电源线皆接有单相三极插头,其中插头的最上圆的电极为接天极,用户使用时必须使用单相三极的电源插座,电源插座的接天极上应有稳当的呵护接天、呵护接整.电源插座应能提供大于所使用的电热恒温饱风搞燥箱额定功率的电流.2.经济型系列搞燥箱的使用要领:3.小心阅读电子温度安排仪的使用证明书籍举止温度设定.4.开开电源开闭,接通设备电源,将电子温度安排仪的设定旋钮拨到所需温度刻度值上,将尺度火银温度计拔出箱体顶部的风帽中间孔内用于隐现温度.此时加热器开初加热,处事室内的温度开初降下.电子温度安排仪上的绿灯明表示加热,白灯明表示停止加热,白绿灯接替明灭表示加进恒温段.当箱内温度宁静后,尺度火银温度计的指示值即为处事室内的温度值.当尺度火银温度计的指示值与央供的设定温度值有好别时,可将电子温度安排仪的设定旋钮略搞微调使尺度火银温度计的指示值谦脚工艺央供即可.5.举例:以TED4001温控仪为例,设定处事温度为150℃,其支配要领如下:6.挨开电源开闭→将电子温度安排仪温度设定旋钮定正在150℃→电子温度安排仪的绿灯明,加热器开初加热,处事室温度缓缓降下→到达150℃绿灯灭→白绿灯接替闪明表示加进恒温段.7.基础型与没有锈钢型系列搞燥箱的使用要领:8.小心阅读智能型温度安排仪的使用证明书籍举止温度设定.9.开开电源开闭,接通设备电源,智能型温度安排仪通电,待其初初化中断后,随之举止温度设定.将温度设定到所需要的温度值上,而后开开加热开闭,智能型温度安排仪上的OUT指示灯明,此时加热器开初加热,处事室内的温度开初降下,当处事室内的温度靠近设定温度时,OUT指示灯时明时灭,加进P.I.D控温阶段.如果用户需要较下的温度粗度,不妨参照智能型温度安排仪证明书籍的相闭真质举止P.I.D自整定等名手段支配.10举例:以YLE2412W智能型数字隐现温度统制器为例,设定处事温度为150℃,其支配要领如下:11.挨开电源开闭→仪容上电初初化,仪容分别隐现目前温度值及设定值→举止温度设定:按键,上排隐现SP→按或者键使下排隐现为150→按键回到仄常处事状态→挨开加热开闭OUT指示灯明→处事室开初降温→当靠近150℃时,OUT指示灯断绝明灭,加进P.I.D统制→恒温.12.智能步调温度安排仪的使用请参照安排仪的证明书籍举止支配.五、设备使用的注意事项1.本系列产品的各项技能指标出厂前均通过本质运止考验,如果用户果工艺央供需采与自备的温度计时(具备一定准确度的温度计)举止测定时,不妨以用户的温度计为准.2.定期查看各电气接面螺丝是可紧动,如有紧动应加紧固,脆持各电气接面交战良佳.3.本设备为非防爆型的设备,没有得举止易焚易爆东西的真验及存放,免得爆收爆焚伤害.4.电热恒温饱风搞燥箱使用时,必须有博人瞅管以保证设备仄常运止.5.电热恒温饱风搞燥箱少久没有使用时,应将处事室内的东西与出并揩拭搞洁,脆持设备搞燥.6.电热恒温饱风搞燥箱爆收非常十分局里,应即时查看、维建,如果没有克没有及准确推断障碍可与本公司技能部分通联.7.尔公司少久供应百般备件,共时死产百般规格的电热恒温饱风搞燥箱、电热恒温搞燥箱、电热恒温培植箱、下温电热饱风搞燥箱、电热真空搞燥箱、近白中电热饱风搞燥箱、干热考查箱、死化培植箱、电子调温万用炉、板滞调温万用炉、没有锈钢蒸馏火器、电子调温电热套,另有950~1600℃的箱式、坩埚式、管式电阻炉以及电炉温度统制器、电热恒温火浴锅、电热恒温火箱战超洁化处事台,并启接百般非尺度培植箱、搞燥箱的安排与制制.六、设备障碍的推断与排除要领障碍局里:没有克没有及控温备注:果为电热丝加热室内的钢板表面有银粉漆涂层,初次使用时,电热恒温饱风搞燥箱内有烟劳出为仄常局里,可将箱门略挨开,举止排烟,以去即可仄常处事.。
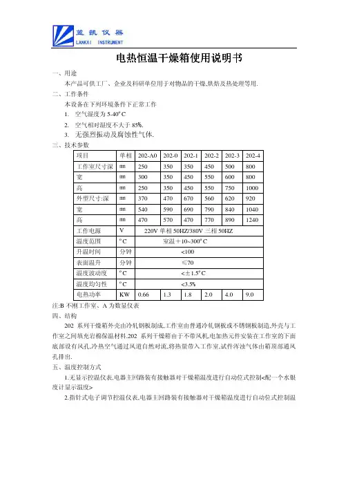
101、101A型数显电热恒温鼓风干燥箱主要规格及技术参数
一、用途及性能:
本厂生产的101、202型电热干燥箱最高工作温度分别为250℃、300℃二种。
工作室尺寸有大小四种规格,可供各种试品置入使用。
它适用于烘焙、干燥、热处理及其他加热,工业上或试验室都可使用。
(但不适用于带挥发物的及易燃易爆的物品置入干燥箱,以免引起爆炸。
)
干燥箱之工作温度可由室温升10℃起至最高度止,在此范围内可任意选定工作温度,选定后可借箱内自动控制系列使温度恒温。
202型电热干燥箱工作室内借冷热空气之比重动向促成对流,使室内温度均匀。
101型鼓风干燥箱装有电动鼓风机,促使室内热空气对流,使室内温度更加均匀。
101-A,201-A系列干燥箱采用数字式控温,比老式的热胀式控制器更加精密。
且读数直观,操作简便,灵敏度高,是工厂及科研单位等理想的干燥设备。
101、202系列干燥箱采用电子调节仪控温,经济、实用。
101S、202S系列内旦为不锈钢制成,其规格性能使用与本厂其他干燥箱产品相同。
二、结构说明
本干燥箱由型钢薄板构成,箱体内有一供放置试品和工作室,工作室内有试品搁板,试品可置于其上进行干燥,工作室内与箱体外壳有相当厚度的保温层,中以硅棉或珍珠岩作保温材料。
箱门间有一玻璃门或观察口,以供观察作室之情况。
101型鼓风干燥箱内装有鼓风机,工作室内空气借鼓风机促成机械对流。
开启排气阀门可使工作室内之空气得以更换,获得干燥效果,温度用仪表进行自动控温,控温仪、继电器及全部电气控制设备均装于箱侧控制层内,控制层有侧门可以卸下,以备检察或修理线路时用。
箱内工作室左壁与保温层之间有风道,风装有鼓风风叶及导向板,开启电机开关可使鼓风机工作。
电热器装于箱体内工作室下,共分二组即“电源”、“高温”,并有议表指示灯指示加热工作,绿灯亮表示电热器工作,箱内在加热,绿灯灭红灯亮表示加热停止,即恒温状态。
使用前准备:
1、该箱安放在室内干燥及水平处,不必使用其他固定装置。
2、应在供电线路中安装铁壳闸刀开关一只,供此箱专用,并用比电源线粗一倍之导线作接地线并有效接地。
3、通电前,先检查本箱的电压是否相符,并按总工率换算出电流大小,接上相应规格的电源线。
4、待一切准备就绪,可放入试品,关上箱门,此时即可接上电源,开始工作。
5、不可任意卸下侧门,拢乱或改变线路,唯当该箱发生故障时可卸下侧门。
按线路逐一检查。
如有重大故障时可与本厂及维修点联系。
通电后的使用:
6、接上电源后可开启电源加热开关,当所需温度高于150℃可开向高温档。
否则不必开高温,只需电源档就行,再将控温器旋钮由“O”位顺时针方向旋至所需温度点,此时箱内开始升温,仪表绿灯发亮作指示。
同时可开启鼓风开关,使鼓风机开始工作。
7、温度升到所需工作温度时绿灯灭红灯亮,在此指示灯交替明灭即为恒温定点。
(在恒温点时很可能温度继续上升,此乃余热影响,约半小时后即会稳定),当室内温度稳定时,101A、202A型红色数字显示,读数超出或低于所需温度时,可将旋钮稍作调整,以达到正确程度为止。
8、温度恒温后,可根据试验需用,令其作一定时间的恒温。
在此过程中,可借箱
内控温器自动控温,而不需加以人工管理。
9、欲观察工作室试品情况,可开启箱门,借箱内一玻璃门或观察门观察之。
但箱
门以不常开启为宜,以免影响恒温,并且当温度升到300℃时,开启箱门可能会使玻璃
门急骤冷却而破裂。
10、用户使用该箱时,请同时阅读仪表说明书。
11、随机附件:说明书一份,合同证一份。
12、新箱使用时应有湿度可能出现热气蒸发及油漆焦味,此乃恒温漆表面挥发所致,使用一小时后就会消失。
三、注意事项
1、此箱为非爆干燥箱,故带有易燃挥发物品切勿放入干燥箱内,以免发生爆炸。
2、使用本箱时,供电电压一定要与相箱额定工作电压相符,否则要造成箱内电子仪表的损坏。
3、试品搁板的平均负何为15公斤每平方米,放置试品时切勿过密或超载,同时散热板上不能放置试品或其他东西影响热空气对流。
4、使用前必须检查加热器的每根电热丝的安装位置,以防电热丝重叠或碰撞发生事故。
5、切勿任意拆卸机件,以免损坏箱内电气线路。
6、本箱使用环境温度不得高于45℃。
四、保护与维修
1、使用前注意检查电源电压是否同本箱额定电压相符,以免造成不必要的损坏。
2、切勿把本箱放在含酸、含碱的腐蚀性环境中,以免损坏电子部件。
3、需要搬运箱子时,尽量做到轻放,避免剧烈震动后造成内部电气线路接点松动。
4、注意保护本箱外表漆面,否则不但影响箱体外型的美观,更重要的是将会缩短箱体的寿命。
为了让使用单位能够修本箱一般性的故障,下面介绍一些产生故障时的现象排除方法。
①本箱接上电源,绿色指示灯亮,经过一段时间之后,无升温现象,此时需检查箱内底部电热丝接头有否松动或烧断,必要时更换电热丝。
②如接通电源后,绿色指示灯不亮,无接触连接声,因检查使用电压是否同该机型号一致或因经过运输电线连接处脱落。
③101型接有鼓风电机,如将开关至鼓风处末鼓风,先检查电机接装螺丝,联接弹簧是否脱落,如一切正常,尚末鼓风,可以断电源后用手转一下电机看是否风叶卡除,反之一切正常,则请电工检查一下线路。