高速铁路路基防护栅栏技术交底
- 格式:docx
- 大小:3.40 MB
- 文档页数:13
路基防护栅栏施工技术交底1. 概述路基防护栅栏是用于路面边缘的防护措施,主要用于保护行人、车辆和路面的安全。
其设计和使用在各种道路项目中趋于普及。
本文档旨在介绍路基防护栅栏的施工技术,以确保施工符合安全规范和工程质量要求。
2. 材料2.1. 路基防护栅栏路基防护栅栏通常由金属和木材制成。
其中,金属防护栏杆是最常用的材料,在强度和防撞性能方面表现出色,木材材质则更加环保。
2.2. 固定件路基防护栅栏需要使用固定件来固定,通常使用的固定件有木杆带和U型卡扣子等。
2.3. 工具施工过程中需要使用锤子、电锯、螺丝刀、电动钻等工具。
3. 施工流程3.1. 准备工作在施工前,需要检查施工现场环境和施工图纸,并设置标志牌来警示施工区域,确保施工安全。
同时,还需要对施工工具和材料进行检查和清理,确保所有工具和材料都处于良好的工作状态。
3.2. 安装路基防护栅栏安装路基防护栅栏时,需要按照施工图纸做好定位和布置工作。
首先,用电动钻修整道路边缘,并且将固定件固定到地面。
然后将防护栏杆根据要求安装到固定件上,并使用螺丝拧紧。
3.3. 调整防护栏杆位置安装好防护栏杆之后,需要对其进行调整,确保其水平和垂直方向的正确性。
如果防护栏杆角度不合适,需要用锤子轻敲栅杆底部,进行调整并测定其高度。
4. 安全注意事项施工过程中必须注意施工现场的安全问题,切勿影响交通。
同时,还要保护施工人员的工作安全,防止发生意外事故。
5. 总结路基防护栅栏的施工需要严格遵循安全规范和工程质量要求。
本文档简单介绍了施工流程和材料要求,并提供了相关安全提示。
通过正确施工,可确保防护栏的功能发挥作用,保护行人和车辆的安全。
防护栅栏施工技术交底
防护栅栏施工技术交底
防护栅栏施工技术交底
防护栅栏施工技术交底
六、防护栅栏安装工艺及技术要求
6、1 安装工艺
6、2 安装技术要求
6、2、1 立柱、上槛、下槛及柱帽,运输中应有保护措施,可与其间夹草席、稻草、锯末或其她缓冲防震材料,竖向堆码层数不超过五层,高度不超过60cm。
6、2、2 防护栅栏安装时,应先将立柱定位固定,待浇筑的混凝土基础强度达到设计的80%以上后,在安装下槛、栏片、上槛及柱帽,安装后上、下槛与栏片的间隙应采用C30细料混凝土或M30水泥砂浆灌满形成牢固整体,固定后不得出现栏片晃动现象。
6、2、3 所有连接螺栓均采用防盗设计,有螺杆、螺帽、防盗垫圈组成,安装及拆卸需有专门工具,根据不同连接点的厚度,选用图集中不同尺寸的防盗螺栓,螺帽拧紧固定后螺栓头部采用焊机现场电焊固定,防止螺帽松动。
防护栅栏施工技术交底。
关于对防护栅栏安装技术交底1、编制依据⑴施工蓝图及通用图纸《铁路线路防护栅栏》图号:通线(2010)8001;⑵客运专线技术标准;⑶铁道部现行设计、施工规范、验收标准、安全规程;⑷现场调查资料及施工单位技术经验、资料。
2、编制原则⑴合理的规划预制构配件场地,达到业主、监理单位及水电集团项目部的各项要求,达到文明施工条件,保证施工质量。
⑵掌控施工进度,合理配置资源,顺利完成本段铁路线路防护栏的施工。
3、编制范围本施工方案适用于四工区水电一局范围内(DK467+240~DK475+117.45段路基)所有防护栅栏的施工。
4、工程概况4.1地形地貌四工区一局施工范围内,现场均为剥蚀残丘,地形起伏较大,基岩裸露,局部辟为耕地。
管段内有四段路基,每段路基有一大开挖段,分别为:金牛山隧道出口开挖段(DK467+240~DK567+430)长度为190m;小官庄开挖段(DK467+850~DK468+400)长度为550m ;东湖村开挖段(DK470+895~DK471+800)长905m,东河北开挖段(DK474 +490~DK475+070)长580m。
开挖段总长度2225m,其余地段地势较平缓,长度为2884m。
地震动峰值加速度:0.05g。
土壤最大冻结深度:0.5m。
4.2线路防护栏栅类型及组成本段防护栅栏采用钢筋混凝土防护栅栏,防护栅栏高2.2米。
钢筋混凝土防护栅栏有立柱、上槛、下槛、栏片、柱帽构件组成,现场拼装。
每单元(相邻两立柱的距离)长度分别为3.00m和1.59m两种。
各构件均采用C30混凝土预制,主筋采用HRB335,箍筋及构造筋采用HPB235。
4.3 主要工程量钢筋混凝土防护栅栏单元长度随地面纵坡变化而变化,地面纵坡小于10%地段,防护栅栏单元长度3m,10%~20%地段防护栅栏单元长度1.59m。
若本段路基在路堑开挖段按纵坡10%~20%地段设置单元长度,其余按小于10%纵坡地段设置单元长度,则主要工程量如下表:防护栏栅主要工程量3 / 125、防护栅栏现场安装⑴基坑开挖按照测量放样位置,进行立柱基坑开挖,一般地段,地基承载力≧100KPa,防护栅栏采用600mm×600mm×900mm。
技术交底防护栅栏安装技术交底一、工程概况新建山西中南部铁路通道防护栅栏工程采用预制件现场安装,防护栅栏预制件加工在预制件厂内完成,分为立柱、上槛和下槛、栏片、柱帽。
施工尺寸,钢筋备注详见施工图。
预制件混凝土强度为C30,混凝土配合比参照“混凝土配合比选定报告”。
二、编制原则2.1合理的规划预制构配件场地,达到业主、监理单位及公司项目部的各项要求,达到文明施工条件,保证施工质量。
2.2掌控施工进度,合理配置资源,顺利完成本段铁路线路防护栏的施工。
三、立柱基础3.1 一般土质地段,地基承载力≥100kpa,抵抗侧向应力≥60kpa,基础采用C25混凝土浇筑。
地质承载力不满足设计要求的地段要与设计联系,现场确认。
1.8m高防护栅栏基础尺寸采用600mm*600mm*700mm,斜坡地段防护栅栏基础尺寸采用600mm*600mm*900mm。
3.2 基坑应尽量垂直开挖,基坑尺寸应符合设计要求,不得扰动基坑侧的原状土体。
对扰动土体应挖除回填,回填土压实系数不小于0.93。
埋入立柱时,应严格控制好位置,定位后,用C25混凝土浇筑,并保证立柱纵、横向不移位,竖向垂直,待基础混凝土强度达到设计强度70%后方可撤去立柱支撑。
3.3栅栏门根据工务、电务等设备检查和维修施工作业的需要设置。
3.4钢筋混凝土立柱、上槛、下槛、栏片及柱帽均应采用工厂化集中预制,自然保温养护,表面均应光滑,不得有麻面、掉皮、脱模时,混凝土强度不得低于设计强度的70%;出厂时,混凝土强度不得低于设计强度的80%。
3.5支柱埋设完成后进行各构件组装各构件安装顺序为:下槛、栏片、上槛、柱帽。
安装见防护栅栏安装效果图。
图1 防护栅栏安装效果图图2 防护栅栏安装效果图3.6安装质量控制及验收3.6.1沿线路方向顺直,不忽远忽近;3.6.2防护栅栏顶端与下端纵向过渡平滑整齐,不忽高忽低;3.6.3安装前应清理场地,下槛下部地面应平整、夯实,保证两侧排水不受影响;3.6.4栅栏底部距离地面高度严禁大于10cm。
技术交底记录表注:此表写不下可用附页。
技术交底记录(附页1)技术交底记录(附页2)2.0mm;内部钢丝采用HPB235Φ4.0mm高线钢丝冷拔加工,规格上抛网70mm*150mm(Φ4.0mm)。
三、立柱基础一般土质地段,地基承载力≥100kPa,防护栅栏立柱基础采用80*60*90cm。
埋入立柱时,应严格控制好位置,定位后,用C25混凝土浇注,并保证立柱横向不移位,竖向要垂直,待基础混凝土强度到达强度70%后方可撤除支撑。
技术交底记录(附页3)四、钢筋混凝土防护栅栏施工工艺及技术规定1.施工工艺防护栅栏施工工艺图.2.技术规定及注意事项脱模时混凝土强度不得低于设计强度旳70%;出厂时,混凝土强度不得低于设计强度旳80%。
立柱及门柱截面边长误差≤2.5mm,高度误差≤10mm,立柱中预留孔位误差≤2.0mm。
牛脚支撑及其上块状卡销旳位置及尺寸误差≤3.0mm。
上槛、下槛、栏片和柱帽旳各部分尺寸误差均应≤2.0mm。
技术交底操作人员签名单技术交底记录(附页4)技术交底记录(附页5)技术交底记录(附页6)6.线路封闭措施桥头封闭:对易攀爬进入墩顶旳桥梁,在高度低于3m旳矮墩处应设栅栏封闭。
防护栅栏构造与路基地段相似;桥头两端按包绕桥台全封闭。
涵洞封闭:对于路堑式涵洞、低矮(净空<2.0m)旳涵洞原则上采用栅栏上绕涵洞全封闭;防护栅栏应从涵顶通过,放线时应先满足涵顶宽度规定,使涵顶防护栅栏距涵洞两侧等距,两侧应保持相似角度。
对于净空>2.0m填土高度>2.5m旳,由涵洞顶帽下缘至防护栅栏立柱间用钢筋混凝土加高翼墙,保证防护高度到达2.7m以上,宽度为18cm,详见“防护栅栏涵洞封闭参照图”。
见下图。
排水沟封闭:防护栅栏跨越水沟等设施时,下部应设篦子封闭,详见“防护栅栏跨越水沟安装示意图。
”技术交底记录(附页7)技术交底记录(附页8)。
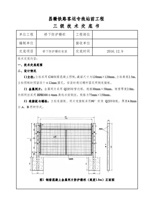
三级技术交底书单位工程桥下防护栅栏工程部位编制单位接收单位交底项目桥下防护栅栏安装交底时间2016.12.9技术交底内容:一、技术交底范围二、设计情况1)立柱:立柱采用C30钢筋混凝土预制,截面尺寸为120mm×120mm,立柱高度2.5m,立柱预制时预留四个φ12mm圆孔,安装时通过螺杆固定两侧连接板。
2)金属网片:金属网片采用Q235矩管边框,规格30mm×50mm,矩管厚度2.0m;内部网丝采用HPB300φ4mm高线冷拔钢丝,规格为75mm×150mm。
3)连接板与螺栓:立柱连接板、网片连接板采用90°折角Q235钢板,厚度4.0mm 分A、B两种形式。
图1 钢筋混凝土金属网片防护栅栏(高度1.8m)正面图三级技术交底书三级技术交底书单位工程桥下防护栅栏工程部位编制单位二分部工程部接收单位交底项目桥下防护栅栏安装交底时间2016.12.9安装后防护栅栏顶面的平顺和美观。
3)基坑开挖按照测量放样位置,进行立柱基坑开挖。
1.8m钢筋混凝土金属网片防护栅栏基础尺寸为600mm×600mm×700mm。
基坑应尽量垂直开挖,尺寸应符合设计要求,不得扰动基坑侧的原状土。
对扰动土体应挖除回填,回填土压实系数不小于0.93。
一般土质地段,地基承载力≥100kPa,抵抗侧向应力≥60kPa,基础采用C25混凝土浇筑。
进行设计,在保证防护栅栏稳定的前提下合理调整尺寸。
4)立柱安装挖好基坑后,将立柱放入坑内,测定位置,用临时支撑固定,严格控制其高度及垂直度,确认符合设计要求后,浇筑混凝土基础。
埋入立柱时,应严格控制好位置,定位后,用C25混凝土浇筑,并保证立柱纵、横向不移位,竖向垂直,待基础混凝土强度达到设计强度70%后方可撤去立柱支撑。
5)防护栅栏安装。
交底人:复核:审核:接收人:三级技术交底书三级技术交底书。
防护栅栏施工技术交底一、适用范围本交底适用于建银西铁路〔甘宁段〕YXZQ-7 标段三分部全部路基、桥梁矮墩防护栅栏施工。
二、设计要求护栅栏构造示意图2.1依据要求我标段内全部路基防护栅栏均依据《铁路线路防护栅栏[通线〔2022〕8001]》在二分部统一预制。
2.2防护栅栏应设置在用地界以内 0.5m 处,承受2.2m 钢筋混凝土防护栅栏,上部设 0.5m 刺丝滚笼。
其中0°<地面坡度<6°时,按3m 一单元;6°<地面坡度<12°时,按1.59m 一单元;12°<地面坡度<36°时,按1.15m 一单元;36°<地面坡度时,承受金属网片防护栅栏或者砌砖墙。
三、路基防护栅栏钢筋混凝土栅栏由立柱、上槛、下槛、栏片、柱帽构件组成,现场拼装。
每单元〔相邻两立柱中心距离〕长度分 3m、1.59m、1.15m 三种。
3.1立柱:2.2m 高防护栅栏立柱截面尺寸为 18*18cm,立柱高2.975m,两侧设置 10cm 长牛腿支撑,以便搭接下槛。
防护栅栏的起点、终点或与其他建筑物搭接时,单侧设牛腿支撑。
3.2上槛及下槛:上槛高 125mm 宽180mm,分端部及中间两种形式,分别用于防护栅栏起终点位置及中间位置,其下部有向下开口的卡槽。
下槛宽 180mm,下槛高度 175mm,下槛上部有向上的卡槽。
栅栏下槛与地面空隙一律深挖 10cm 后用C25 混凝土整体浇筑。
3.3栏片:每单元含 1~2 片栏片,通过上、下槛的卡槽固定。
2.2m 高防护栅栏栏片高 1875mm,防护栅栏栏片肋柱下部1.0m 间隙宽度为105mm,上部间隙宽度 120mm,中部设置 100mm 渐变段。
3.4柱帽:柱帽截面尺寸为 180mm*180mm,高度 150mm,中心预留螺栓孔。
用于立柱顶部及台阶过渡处前后上槛见的连接,拼装后螺栓孔承受水泥砂浆封填。
3.5刺丝液笼:刺丝液笼承受刀片刺丝绕圈后每隔 120 度用刺丝连接卡固定,张开后形成蛇腹网状,闭合后刀片刺丝圈径为 50cm,张开后每穿插圈安装间距 20cm,直径不小于 45cm。
技术交底纪要SDTJ-标段工程项目:编号:记录者:(签字)交底者:(签字)技术负责:(签字)技术部门:(盖章)日期:交底记录体字体,字高140mm,字间距300mm,内部涂红色油漆。
6)刺丝滚笼采用刀片刺绳绕圈后相邻两圈每隔120°采用刺死连接卡固定,张开后形成蛇腹网状,闭合后刀片刺绳圈径50cm,张开后每交叉圈安装间距20cm,直径不小于45cm。
防护栅栏下槛下部与地面间隙采用C25混凝土封闭,封闭宽度18cm,高度随地面坡度进行变化。
两侧与立柱齐平,埋入地面深度不小于0.3m。
每个立柱单元中心处于地面处留置Φ100泄水孔。
防护栅栏安装效果图1.防护栅栏预制①预制厂的规划预制厂的建设将严格按照项目质量管理体系及质量验收标准执行。
专门开辟场地进行防护栅栏的预制。
预制厂要求有原材料堆码区(原材料堆码区要求有遮阳防雨棚,防止原材料淋雨)。
钢筋加工区,半成品钢筋存放区,混凝土搅拌区,预制件振捣作业区,预制构件成品堆码区,废品区。
要求各厂区场地大小满足材料存放要求。
②钢筋加工钢筋由项目部物资部统一供应。
钢筋加工严格按照设计图纸绑扎,钢筋型号规格及布置形式满足设计要求,防护栅栏预制构件小,加工时绑扎扎丝统一朝向构件内部,避免漏筋形成锈点。
加工完成后根据构件类型及型号分开存放。
③模板工程模板结构尺寸按照设计图纸标示尺寸进行购置,新模板进场必须进行结构尺寸的验收,验收合格后方可用于正式生产。
模板用于生产时拼缝严密不漏浆,清理干净,并均匀涂刷隔离剂。
立柱、上槛等需预埋螺栓及预留预留孔。
④混凝土拌制当由工班自行拌制时,现场必须有滚筒搅拌机,砂石料及拌合用水的称量设备,配合比标示牌。
混凝土拌合时严格按照配比进行,实验室每批次负责制作试件一组留待检测,过程中随机抽检混凝土拌合质量。
⑤混凝土浇筑混凝土浇筑前预制厂负责人必须通知管段技术人员及监理工程师进行验收,现场检查钢筋绑扎质量。
钢筋与模板之间采用小型水泥垫块支垫防止钢筋贴模板导致的漏筋。
一、交底目的为确保铁路防护栅栏施工过程中人员安全和工程质量的稳定,特进行本次安全技术交底,使所有参与施工人员充分了解和掌握防护栅栏施工过程中的安全注意事项和操作规程。
二、交底对象所有参与铁路防护栅栏施工的施工人员、管理人员及监督人员。
三、交底内容1. 施工准备- 施工前应详细阅读施工图纸,明确施工方案和施工工艺。
- 确保施工场地平整、坚实,并排除一切安全隐患。
- 严格审查施工材料,确保材料符合设计要求和质量标准。
2. 施工工艺- 预制构件:严格按照设计要求进行预制,确保构件尺寸、形状和强度符合规定。
- 钢筋工程:钢筋加工应符合设计要求,绑扎牢固,防止钢筋移位或断裂。
- 模板施工:模板应牢固可靠,防止脱落或倾覆,确保施工安全。
- 混凝土工程:混凝土浇筑应均匀,防止出现蜂窝、麻面等质量问题。
3. 施工安全- 高空作业:作业人员必须佩戴安全帽、安全带,并做到高挂低用。
- 防止物体坠落:施工过程中,应采取措施防止物体坠落,如设置安全网、防护栏杆等。
- 防止触电:施工过程中,应确保电气设备安全可靠,防止触电事故发生。
- 防止火灾:施工过程中,应加强火源管理,防止火灾事故发生。
4. 施工注意事项- 施工过程中,应严格按照操作规程进行施工,防止误操作。
- 施工现场应保持整洁,及时清理施工垃圾,防止滑倒、绊倒等事故发生。
- 严禁酒后作业,确保施工人员身体健康。
四、安全措施1. 组织措施- 成立安全领导小组,负责施工现场的安全管理工作。
- 定期开展安全教育培训,提高施工人员的安全意识。
2. 技术措施- 严格执行施工规范和操作规程。
- 采用先进的安全技术和工艺,提高施工安全水平。
3. 经济措施- 保障安全设施和设备的投入,确保施工安全。
- 对违反安全规定的行为进行严肃处理。
五、验收标准1. 施工质量应符合设计要求和质量标准。
2. 施工安全措施得到有效落实。
3. 施工现场整洁,无安全隐患。
六、总结本次安全技术交底旨在提高施工人员的安全意识和操作技能,确保铁路防护栅栏施工过程中人员安全和工程质量的稳定。
高速铁路桥下防护栅栏交底背景近年来,高速铁路建设取得了长足的发展,越来越多的高速铁路桥梁随之建成。
由于桥梁建在高速公路等交通主干道上方,因此在桥梁下方需要设置一定的防护措施,保证行车安全。
防护栅栏是一种重要的防护措施,它可以防止车辆跑到高架桥下方,减少交通事故的发生。
目的本文档的目的是阐述高速铁路桥下防护栅栏的设计和施工规范,以确保防护栅栏的质量和安全性能符合国家标准和要求,保障公路和高速铁路的安全。
设计要求材料防护栅栏的材料应符合以下要求:1.钢材应符合《GB/T 700-2006》标准。
2.丝网材料应符合《GB/T 3081-2018》标准。
3.表面涂层材料应符合《GB/T 9286-1998》标准。
设计参数根据国家标准和要求,防护栏高度应不少于1.5米,丝网间距不大于10cm,防护栏顶部应设置半圆形装饰护栏。
施工要求1.施工人员必须按照设计图纸进行施工,施工前应进行安全检查,发现问题应及时解决。
2.防护栏立柱应固定牢固,不得出现倾斜、偏移等情况。
3.丝网应牢固地固定在立柱上,不得出现松动、掉落等情况。
4.所有焊接均应符合国家相关标准和规范,焊接前应进行试验和检查。
5.安装完成后,现场应进行验收,确认防护栏质量和安全性能符合国家标准和要求。
安全警示1.在施工过程中,必须采取必要的安全措施,保障工人的人身安全。
2.施工现场必须设置明显的安全警示标志,引导行人、车辆绕行。
3.安装完成后,应设置警示牌,提示驾驶员注意行车安全。
结论高速铁路桥下防护栅栏是一项非常重要的工程项目,它直接关系到公路和高速铁路的安全。
在设计和施工过程中,必须严格把握国家相关标准和规范,确保防护栏的质量和安全性能符合要求。
同时,我们也应该重视安全教育和宣传,增强公众的安全意识,共同营造一个安全、畅通的交通环境。
铁路防护栅栏技术交底在我多年的工作经历中,铁路防护栅栏这事儿可太重要啦!今天就来跟您好好唠唠。
咱们先说说为啥要有这铁路防护栅栏。
您想想,那火车风驰电掣地跑,要是没有个结实的栅栏挡着,万一有人不小心跑进去,那后果简直不堪设想!这可不光是关乎铁路安全运行,更是关系到咱们每个人的生命安全呐。
就说前段时间,我在一个铁路沿线的小村子里,看到一群孩子在铁路边上玩耍。
那叫一个危险!我赶紧过去把他们叫开,给他们讲了讲没有防护栅栏的危险。
其中一个小男孩瞪着大眼睛问我:“叔叔,没有这个栅栏,火车会撞到我们吗?”我认真地告诉他:“孩子,火车速度那么快,一旦有人在铁轨上,根本来不及刹车,那可不是闹着玩的!”从那以后,每次我看到铁路防护栅栏,都会想起那些孩子天真又懵懂的眼神,也更深刻地意识到这栅栏的重要性。
接下来,咱们讲讲这铁路防护栅栏的技术要点。
首先,材料得选好。
这栅栏的柱子得坚固耐用,一般都用那种高强度的钢材,可不能偷工减料。
栅栏网片也得结实,经得起风吹雨打,还不能轻易变形。
安装的时候,柱子的间距要严格按照标准来,不能随心所欲。
而且,埋柱子的坑得挖够深度,这样柱子才能稳稳地立在那里。
还有啊,这防护栅栏的高度也有讲究。
不能太高,让人觉得像监狱似的;也不能太低,起不到防护作用。
一般来说,高度要能有效阻止人或者大型动物随意跨越。
在连接部件上,螺丝、铆钉啥的都得拧紧了,不能有松动的地方。
要不然,时间一长,栅栏就容易散架。
而且,栅栏的表面处理也很重要,得做好防锈、防腐,不然用不了多久就锈迹斑斑,影响美观不说,还影响使用寿命。
施工的时候,可得注意周边环境的保护。
不能因为建个栅栏,就把周围的花草树木破坏得一塌糊涂。
要做到文明施工,完工后,把现场清理干净。
另外,后期的维护也不能马虎。
要定期派人去检查,看看有没有损坏的地方,及时修复。
要是发现有人故意破坏栅栏,那必须严肃处理。
总之,铁路防护栅栏这事儿看似简单,其实里面的学问多着呢。
咱们得把每一个环节都做好,才能真正保障铁路的安全运行,让大家都能平平安安的。
技术交底记录表
六、防护栅栏安装工艺及技术要求
6.1 安装工艺
6.2 安装技术要求
6.2.1 立柱、上槛、下槛及柱帽,运输中应有保护措施,可与其间夹草席、稻草、锯末或其他缓冲防震材料,竖向堆码层数不超过五层,高度不超过600mm。
6.2.2 防护栅栏安装时,应先将立柱定位固定,待浇筑的混凝土基础强度达到设计的80%以上后,在安装下槛、栏片、上槛及柱帽,安装后上、下槛与栏片的间隙应采用C30细料混凝土或M30水泥砂浆灌满形成牢固整体,固定后不得出现栏片晃动现象。
6.2.3 所有连接螺栓均采用防盗设计,有螺杆、螺帽、防盗垫圈组成,安装及拆卸需有专门工具,根据不同连接点的厚度,选用图集中不同尺寸的防盗螺栓,螺帽拧紧固定后螺栓头部采用焊机现场电焊固定,防止螺帽松动。
技术交底记录(附页)
操作者。
防护栅栏施工技术交底
一、适用范围
本交底适用于新建银西铁路(甘宁段)YXZQ-7标段三分部所有路基、桥梁矮墩防护栅栏施工。
二、设计要求
护栅栏结构示意图
2.1 根据要求我标段内所有路基防护栅栏均按照《铁路线路防护栅栏[通线(2012)8001]》在二分部统一预制。
2.2 防护栅栏应设置在用地界以内0.5m处,采用2.2m钢筋混凝土防护栅栏,上部设0.5m刺丝滚笼。
其中0°<地面坡度<6°时,按3m一单元;6°<地面坡度<12°时,按1.59m一单元;12°<地面坡度<36°时,按1.15m一单元;36°<地面坡度时,采用金属网片防护栅栏或者砌砖墙。
三、路基防护栅栏
钢筋混凝土栅栏由立柱、上槛、下槛、栏片、柱帽构件组成,现场拼装。
每单元(相邻两立柱中心距离)长度分3m、1.59m、1.15m三种。
3.1 立柱:2.2m高防护栅栏立柱截面尺寸为18*18cm,立柱高2.975m,两侧设置10cm长牛腿支撑,以便搭接下槛。
防护栅栏的起点、终点或与其他建筑物搭接时,单侧设牛腿支撑。
3.2 上槛及下槛:上槛高125mm宽180mm,分端部及中间两种形式,分别用于防护栅栏起终点位置及中间位置,其下部有向下开口的卡槽。
下槛宽180mm,下槛高度175mm,下槛上部有向上的卡槽。
栅栏下槛与地面空隙一律深挖10cm后用C25混凝土整体浇筑。
3.3 栏片:每单元含1~2片栏片,通过上、下槛的卡槽固定。
2.2m 高防护栅栏栏片高1875mm,防护栅栏栏片肋柱下部1.0m间隙宽度为105mm,上部间隙宽度120mm,中部设置100mm渐变段。
3.4 柱帽:柱帽截面尺寸为180mm*180mm,高度150mm,中心预留螺栓孔。
用于立柱顶部及台阶过渡处前后上槛见的连接,拼装后螺栓孔采用水泥砂浆封填。
3.5刺丝液笼:刺丝液笼采用刀片刺丝绕圈后每隔120度用刺丝连接卡固定,张开后形成蛇腹网状,闭合后刀片刺丝圈径为50cm,张开后每交叉圈安装间距20cm,直径不小于45cm。
刺丝液笼由刺丝连接卡扣与固定在支架上的纵向拉筋相连接,纵向拉筋采用2.5mm的冷拔镀锌钢丝饶2圈后拧紧固定,支架设置在跨度3米防护栏的立柱和跨中位置,其他跨度仅设置于立柱上不,支架与防护栏采用支架抱箍连接。
刺丝液笼的下缘距离混凝土防护栏上缘的垂直距离为0.05米。
四、立柱基础
4.1 一般土质地段,地基承载力≥100kpa,抵抗侧向应力≥60k pa,基础采用C25混凝土浇筑。
2.2m高防护栅栏基础尺寸采用600m m*800mm*900mm,斜坡地段防护栅栏基础尺寸采用600mm*600mm*900m m,1.8米高防护栅栏基础尺寸采用600mm*600mm*700mm。
4.2 基坑应尽量垂直开挖,基坑尺寸应符合设计要求,不得扰动基坑侧的原状土体。
对扰动土体应挖除回填,回填土应夯实。
4.3埋入立柱时,应严格控制好位置,定位后,用C25混凝土浇筑,并保证立柱纵横向不移位,竖向垂直,待基础混凝土强度达到设计强度70%后方可撤去立柱支撑。
五、栅栏门
栅栏门采用推拉式防护栅栏门,门宽度3m,栅栏门框为C12槽钢,大门全部采用60mm*40mm*3mm Q235矩管工厂生产,现场安装完后,门板整体喷灰色防锈漆。
门安装后应滑动自如,门锁对称焊接。
六、防护栅栏安装工艺及技术要求
6.1 安装工艺
6.2 安装技术要求
6.2.1 立柱、上槛、下槛及柱帽,运输中应有保护措施,可与其间夹草席、稻草、锯末或其他缓冲防震材料,竖向堆码层数不超过五层,高度不超过600mm。
金属网片及连接构件应采取有效的包装保护,防止磕碰。
钢筋混凝土栏片应竖向安排放置,其中夹缓冲材料,以防碰伤。
6.2.2 防护栅栏安装时,应先将立柱定位固定,待浇筑的混凝土基础强度达到设计的80%以上后,在安装下槛、栏片、上槛及柱帽,
安装后上、下槛与栏片的间隙应采用C30细料混凝土或M30水泥砂浆灌满形成牢固整体,固定后不得出现栏片晃动现象。
6.2.3 所有连接螺栓均采用防盗设计,有螺杆、螺帽、防盗垫圈组成,安装及拆卸需有专门工具,根据不同连接点的厚度,选用图集中不同尺寸的防盗螺栓,螺帽拧紧固定后螺栓头部采用焊机现场电焊固定,防止螺帽松动。
6.2.4 矩管边框与连接板、网片钢丝与钢板、网片钢丝与矩管边框的焊接宜采用电阻焊,如用钎焊,应选用合适的焊条,使其变型最小,焊接后应清理焊渣。
对焊接产生的变形,应进行平整处理。
为保证网片自身有足够强度,网片钢丝焊接点强度应大于1KN,焊接点脱落数小于4%。
七、线路封闭技术要求及方法
7.1 防护栅栏安装要做到“严、直、齐、美”,线路封闭严实,不留有间隙;沿线路方向顺直,不忽远忽近;防护栅栏顶端与下端纵向过渡平滑整齐,不忽高忽低;要求整体效果美观,避免给人凌乱感觉。
安装前应清理场地,下槛下部地面应平整、夯实,保证两侧排水不受影响。
栅栏底部距离地面高度不应大于5cm。
7.2 防护栅栏安装时,应对栅栏两侧地面进行平整压实,当栅栏设置为坡地或栅栏两侧存在高差时,应将栅栏两侧各2m范围内的高出部分进行平整,两侧地面应平齐等高且不高于栅栏下槛底部,以保证栅栏相对于两侧地面均达到防护高度;损坏变形的预制件严禁使用,确保安装的成品合格。
7.3 桥台、桥墩封闭:防护栅栏设置于用地界内0.5m处时,应从桥台下包围锥体封闭线路;钢筋混凝土立柱金属网片防护栅栏设置于路肩上时可连接至桥头栏杆处;对易攀爬进入墩顶的桥梁,在高度低于3m的矮墩处应设置栅栏进行封闭。
7.4 涵洞封闭:防护栅栏应从涵洞顶通过,放线时应先满足涵顶宽度要求,使涵顶防护栅栏距涵洞两侧等距,两侧应保持相同角度。
(1)当涵洞洞顶及翼墙端部帽石顶面均低于栅栏高度时采用2.2m 矩管网片加刺死滚笼封堵。
(2)当涵洞洞顶略高于栅栏但翼墙端部帽石顶面低于或与栅栏高度齐平时,采用不低于1.5m矩管网片加刺死滚笼封堵。
(3)当涵洞洞顶及翼墙端部帽石顶面均明显高于栅栏高度时采用刺丝滚笼直接绕顶封堵。
7.5 排水沟封闭:防护栅栏跨越水沟时,排水渠与栅栏下槛之间采用钢筋网格状水篦子封堵。
钢筋直径15mm以上,钢筋间距不超过
5cm,钢筋作深度除锈处理,铁栅栏周边用角钢焊接。
施工时,将铁栅栏上部用箍筋固定在栅栏下槛上,水篦子侧面、底部与水沟壁周边浇筑一体或用膨胀螺栓固定。
7.6 地面间隙封闭:地面坡度12°~36°地段,防护栅栏与地面间隙采用C25混凝土填筑,混凝土埋入地面深度不小于0.3m,厚度0.18m,与立柱两侧平齐。
每单元地面处顶预留φ100mm泄水孔。
7.7 其他封闭:放线遇到建筑物、铁路设备等情况时,应采用直角拐弯形式封闭,建筑物、设备等应根据实际情况选择放入防护栅栏以内或以外。
八、安全注意事项
8.1安全教育:施工前对所有施工人员进行安全教育,并进行岗前安全培训和考试,不达标者不得上岗作业。
8.2 起吊作业注意事项:上下垂直运输机械、绳索、部件应在当班使用前由专人负责检查,起吊物体不得过重、过满,并应注意:钢丝绳应根据用途保证足够的安全系数。
凡表面磨损、腐蚀、断丝超过标准的,大死弯、断股、油芯外露的不得使用;吊钩除正确使用外,应有防止脱钩的保险装置;卡环在使用时,应使销轴和环底受力。
8.3规范现场施工用电,严禁乱拉乱接电线,必须保证一机、一闸、一锁、一漏的配置。
非专职电气操作人员,不得操作电气设备,加强电器设备的安全操作管理,防止触电事件的发生
8.4 文明施工:积极加强宣传教育,提高全体员工对文明施工的重要性的认识,在此基础上建立健全责任制和奖惩制度。
尽可能的选
用静音或低噪音施工机械,减少噪音污染。
场地布置统一规划,原材料、成品、半成品计施工机具等要归类堆放整齐。