天心阁景区消防安全隐患排查记录表
- 格式:doc
- 大小:41.50 KB
- 文档页数:3
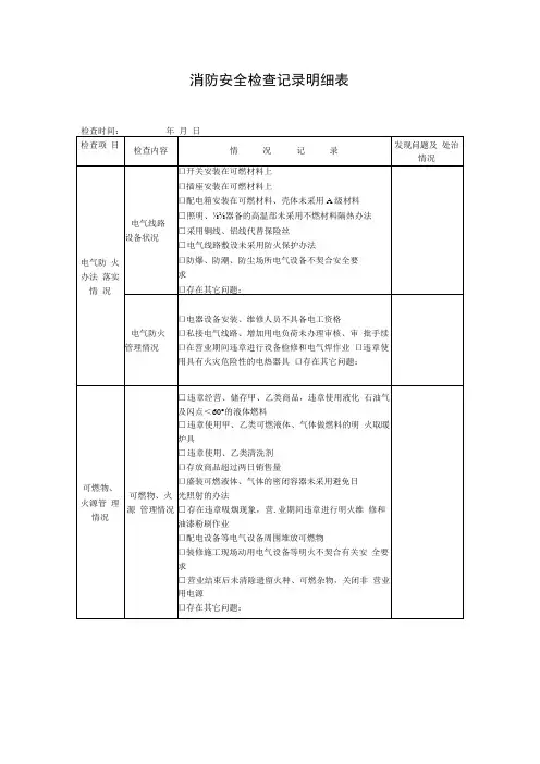
消防安全检查记录表检查项目检查内容情况记录发现问题及处置情况一电气防火措施落实情况电气线路设备状况□开关安装在可燃材料上□插座安装在可燃材料上□配电箱安装在可燃材料、壳体未采用A级材料□照明、电热器备的高温部未采取不燃材料隔热措施□采取铜线、铝线代替保险丝□电气线路敷设未采取防火保护措施□防爆、防潮、防尘场所电气设备不符合安全要求□存在其它问题:电气防火管理情况□电器设备安装、维修人员不具备电工资格□私接电气线路、增加用电负荷未办理审核、审批手续□在营业期间违章进行设备检修和电气焊作业□违章使用具有火灾危险性的电热器具□存在其它问题:二可燃物、火源管理情况可燃物、火源管理情况□违章经营、储存甲、乙类商品,违章使用液化石油气及闪点<60°的液体燃料□违章使用甲、乙类可燃液体、气体做燃料的明火取暖炉具□违章使用、乙类清洗剂□存放商品超过两日销售量□盛装可燃液体、气体的密闭容器未采取避免日光照射的措施□存在违章吸烟现象,营业期间违章进行明火维修和油漆粉刷作业□配电设备等电气设备周围堆放可燃物□装修施工现场动用电气设备等明火不符合有关安全要求□营业结束后未清除遗留火种、可燃杂物,关闭非营业用电源□存在其它问题:三防火分隔、安全疏散管理措施落实情况防火分隔、安全疏散设施状况□防火门损坏或缺少、常闭式防火门无闭装置、关闭不严、未开向疏散方向□防火卷帘损坏或缺少、未采取防火保护措施、升、降、停功能不完备、无机械手动装置□防火卷帘下方0.5m范围内堆放物品□疏散指示标志损坏或缺少、指示方向错误、无保护罩、布线未采取保护措施、无备用电源□火灾应急照明损坏或缺少、指示方向错误、无保护罩、布线未采取保护措施、无备用电源□火灾应急广播扬声器损坏、缺少、声压不够□商品非营业期间未将共享空间里防火卷帘降至距地1.8m□仓库防火分隔不符合要求□柜台和货架位置改动影响安全疏散□营业厅内食品加工区分隔及加热设施不符合要求安全疏散设施管理情况□疏散指示标志等安全疏散设施被遮挡□安全疏散图示缺少、常闭防火门无保持关闭状态的提示□疏散通道被占用、封堵□安全出口上锁□在安全出口、疏散通道上安装栅栏等影响疏散的障碍物□公共区域的外窗上安装金属护栏□物品摆放妨碍人员安全疏散□在疏散走道、楼梯间悬挂、摆放可燃物品□消防车道堵塞□存在其它问题:四消防水源和消防设施、器材消防水源□无水或水量不足□无水位指示装置□合用水池未采取保持消防用水量的措施□冬季未采用防冻措施□管道阀门关闭不当□存在其它问题:管理情况消火栓系统□系统处于正常工作状态□消防水泵故障□消火栓被遮挡、挤占、埋压□消火栓箱内水枪、水带等不齐全□消火栓无明显标示□消火栓箱上锁□水带与消火栓接口连接不严密、漏水□消火栓压力显示不正常□存在其它问题:四消防水源和消防设施、器材管理情况自动喷水灭火系统□系统处于正常工作状态□喷淋水泵故障□洒水喷头被遮挡、改动位置或拆除□报警阀、末端试水装置没有明显标识□末端试水装置压力显示不正常□自动控制功能异常□消防电源不能保证□系统被违章关闭□存在其它问题:火灾自动报警系统□系统处于正常工作状态□控制器或联动控制装置故障□探测器被遮、改动位置或拆除□手动报警按钮损坏、遮挡、无标志□火灾警报装置损坏、遮挡□控制中心联动控制设备功能异常□消防电源不能保证□系统被违章关闭□存在其它问题:机械防烟排烟系统□系统处于正常工作状态□防、排烟风机故障□送风口、排烟口被遮挡、改动位置或损坏□自动控制功能异常□消防电源不能保证□系统被违章关闭□存在其它问题:灭火器□灭火器选型不当□灭火器被挪作他用、埋压□灭火器箱上锁□未按指定位置摆放□灭火器失效□存在其它问题五消防值班情况消防控制中心值班情况□自动消防系统操作人员无岗位资格证□值班人员脱岗□值班人员违反消防值班制度□未填写值班记录□存在其它问题:其它重点部位值班情况□值班人员脱岗□值班人员违反消防值班制度□未填写值班记录□存在其它问题:六防火巡查和火灾隐患整防火巡查□巡查频次不够□巡查部位、内容不全□未填写巡查记录□发现问题未及时报告□发现问题未采取相应防范措施□存在其它问题:改情况火灾隐患整改□火灾隐患底数不清、责任不明、超过时限□应立即整改的火灾隐患没有立即整改□限期改正的火灾隐患,未按时间向公安消防部门报送整改情况复函□对危险部位未落实停业整改要求□未及时报告隐患整改进展情况□未落实整改期间的防范措施□存在其它问题:七消防安全培训教育演练情况重点部位人员□已进行岗前消防安全培训,熟练掌握消防安全知识□未进行岗前消防安全培训□无培训记录其他人员□已进行(或参加)消防安全培训熟练掌握消防知识□未进行(或参加)消防安全培训□无培训记录消防宣传教育活动□按计划开展□未按计划开展□未记录消防宣传、教育活动情况消防演练□已制定灭火救援和疏散逃生预案□未制定灭火救援和疏散逃生预案□已在规定时间按预案进行演练□未在规定时间按预案进行演练□未记录消防演练情况活动情况其它检查人员签字:单位负责人签字:填表说明:检查时发现问题在对应的□内画“√”,并在备注栏中注明处置情况。
消防安全隐患整治排查检查登记表
注:1、场所类别根据实际填写大型商业综合体及商场市场、宾馆饭店、劳动密集型企业、公共娱乐场所、施工工地、学校、医院、养老机构、党政机关办公用房、地铁、人防工程、危险化学品企业、文物古建筑及博物馆、粮食和物资储备场所、机场、儿童福利院、室内冰雪活动场所、剧本娱乐场所,以及分租、转租形成园中园厂中厂劳动密集型企业,集餐饮、文化、体育等多业态多功能于一体的合用场所,老旧商住楼;
2、此登记表采用A4纸打印,由行业部门填写排查内容,一式2份,1份行业主管部门留存,1份报当地消防安全委员会办公室。
消防安全专项检查记录表核心内容为了确保单位内部的消防安全,在这里我们制定了一份消防安全专项检查记录表,以便于管理人员、消防人员、安保人员能够及时发现和解决问题。
以下是该检查记录表的具体内容:一、检查内容检查内容主要包括以下几个方面:1.消防设施:检查建筑物内部所有的消防设施是否完好,例如灭火器、灭火器箱、消火栓、防烟排烟系统、疏散通道等,并进行标记和记录。
2.用电安全:检查所有用电设备是否符合标准,各种连接线是否接牢固、接地是否良好,并记录检查结果。
3.易燃易爆物品储存:检查建筑物内部所有存储的易燃易爆物品,按照规定进行分类储存,并记录检查结果。
4.安全出口:检查建筑物内部的安全出口是否清晰、畅通,并进行标记和记录。
5.其他安全问题:检查一些日常易被忽略的消防安全问题,例如烟感、消防水源、配件的摆放等,并进行标记和记录。
二、检查方法1.安全巡逻:消防管理人员、安保人员对建筑物各区域、走廊、楼道等进行巡逻,发现问题及时进行标记记录。
2.线下检查:消防检查人员对建筑物内消防设施、消防通道、灭火器、消防水源等进行逐一检查。
三、检查标准1.消防设施:所有消防设施符合国家规定,标志清晰、易于找到、操作简单、设备完备、易于维护。
2.用电安全:所有使用的电器设备无异常,符合国家安全标准,各种连接线接牢固、不低于规定规格,接地良好。
3.易燃易爆物品储存:所有易燃易爆物品储存符合规定要求,严格按照规定分类储存,并避免与其它物品混存。
4.安全出口:所有安全出口都保持畅通,疏散指示标志清晰、完整。
5.其他安全问题:对于一些日常易被忽略的消防安全问题,进行定期检查和清理整改。
四、检查记录在进行检查时,所有的检查结果都需要进行记录,包括以下内容:1.检查日期、检查人、检查内容、检查结果。
2.发现问题的区域、时间、问题描述、整改意见及时限等。
五、整改措施对于发现的问题,检查人员或相关人员应立即采取措施进行整改,包括以下方面:1.问题的整改措施。
消防隐患排查记录表范本消防隐患排查记录表范本导语:消防安全一直被公众所关注。
随着社会的进步和城市的发展,防火工作已经成为一项重要的任务。
为了加强单位和个人的消防安全意识,及时发现和消除消防隐患,制定一份完善的消防隐患排查记录表是非常必要的。
本文将介绍一份消防隐患排查记录表范本,并探讨消防隐患排查的重要性和应对策略。
一、什么是消防隐患排查记录表消防隐患排查记录表是指单位或个人在进行消防隐患排查时填写的一份记录表格。
通过填写此表,可以及时发现和记录存在的消防隐患,进而采取相应的措施加以消除和整改。
它是单位和个人消防安全工作的一个重要组成部分。
二、消防隐患排查记录表的范本下面是一份消防隐患排查记录表的范本,供各位单位和个人参考:序号隐患描述风险评估整改措施负责人完成时间1 灭火器过期高重新购买灭火器张三 2022-01-152 配电箱堆放杂物中清理杂物并整理李四 2022-01-203 安全出口被堵塞高清理堵塞物王五 2022-02-01三、消防隐患排查的重要性1. 保障人身安全:消防隐患是一种潜在的火灾风险。
及时发现和消除消防隐患,可以最大限度地保障人身安全。
2. 防止财产损失:火灾往往会导致财产的严重损失。
通过排查消防隐患,可以有效预防火灾,减少财产损失。
3. 减少社会成本:火灾发生之后,需要投入大量的人力和物力进行救援和恢复工作。
消防隐患排查可以减少火灾发生的可能性,从而减少社会成本。
四、消防隐患排查的应对策略1. 制定明确的排查计划:依据消防法规和相关标准制定消防隐患排查计划,明确排查的时间、范围和频次。
2. 提高员工消防安全意识:组织开展消防安全培训,提高员工对消防安全的认识和应对能力。
3. 加强消防设备的维护:定期对灭火器、消防栓等消防设备进行检验和维护,确保其正常工作。
4. 定期开展消防演练:组织员工定期参加消防演练,提高员工应对火灾的能力和反应速度。
五、个人观点和理解消防隐患排查是一项十分重要的工作,不仅关乎人身安全和财产安全,也是单位和个人社会责任的体现。
消防重点单位消防管理档案基本内容一、消防安全检查档案:每日巡查、每月检查、重大节日检查;二、消防安全职责档案:消防组织、义务消防队、各级消防安全责任人,岗位职责、消防安全责任书;消防奖惩情况记录;三、火灾隐患整改档案:消防部门下发的法律文书、重点单位内部整改通知单和复查意见。
火灾隐患及其整改情况记录;四、消防安全教育档案:参加消防部门的培训复印件、内部培训资料;与消防安全有关的重点工种人员情况;五、消防管理制度档案:各项消防管理制度;六、消防设施维护档案:消防设施、灭火器材情况,包括消防产品,消防设施定期检查记录,自动消防设施全面检查测试的报告以及维修保养的记录、消防维护合同;七、消防疏散演练档案:照片、方案等;八、消控中心值班档案:每日值班记录;九、消防管理文件档案:建筑物或者场所施工、使用或者开业前的消防设计审核、消防验收以及消防安全检查的文件、资料,以及主管部门的各类文件;九、消防安全基本档案:单位基本概况和消防安全重点部位情况等;十、消防会议记录档案:每月消防工作总结及下月工作部署及主管部门文件贯彻落实情况;十一、年度消防总结档案:消防重点单位消防工作计划年度工作总结、各部门消防安全总结等。
消防设施、器材维护管理制度1、消防设施日常使用管理由专职管理员负责,专职管理员每日检查消防设施的使用状况,保持设施整洁、卫生、完好。
2、消防设施及消防设备的技术性能的维修保养和定期技术检测由消防工作归口管理部门负责,设专职管理员每日按时检查了解消防设备的运行情况。
查看运行记录,听取值班人员意见,发现异常及时安排维修,使设备保持完好的技术状态。
3、消防设施和消防设备定期测试:(1)烟、温感报警系统的测试由消防工作归口管理部门负责组织实施,保安部参加,每个烟、温感探头至少每年轮测一次。
(2)消防水泵、喷淋水泵、水幕水泵每月试开泵一次,检查其是否完整好用。
(3)正压送风、防排烟系统每半年检测一次。
(4)室内消火栓、喷淋泄水测试每季度一次。
消防安全检查记录表安全消防检查记录表检查项目:电气设备安全检查内容:1.开关、插座、配电箱等是否安装在可燃材料上?2.照明、电热器备的高温部是否采取不燃材料隔热措施?3.电气线路是否敷设防火保护措施?4.防爆、防潮、防尘场所电气设备是否符合安全要求?发现问题及处置情况:1.电器设备安装、维修人员不具备电工资格,需要加强培训和管理。
2.私接电气线路、增加用电负荷未办理审核、审批手续,需要督促整改。
3.违章进行设备检修和电气焊作业,需要加强安全管理和监督。
检查项目:可燃物、火源管理检查内容:1.违章经营、储存甲、乙类商品,违章使用液化石油气及闪点<60°的液体燃料。
2.违章使用甲、乙类可燃液体、气体做燃料的明火取暖炉具。
3.存放商品超过两日销售量。
4.盛装可燃液体、气体的密闭未采取避免日光照射的措施。
发现问题及处置情况:1.存在违章吸烟现象,营业期间违章进行明火维修和油漆粉刷作业,需要加强安全教育和监管。
2.配电设备等电气设备周围堆放可燃物,需要整改。
3.装修施工现场动用电气设备等明火不符合有关安全要求,需要加强安全管理。
检查项目:防火分隔、安全疏散管理检查内容:1.防火门、防火卷帘是否完好,是否采取防火保护措施?2.疏散指示标志、火灾应急照明、广播扬声器是否齐全?3.商品非营业期间是否将共享空间里防火卷帘降至距地1.8m?发现问题及处置情况:1.防火门损坏或缺少、常闭式防火门无闭装置、关闭不严、未开向疏散方向,需要及时维修。
2.防火卷帘损坏或缺少、未采取防火保护措施、升、降、停功能不完备、无机械手动装置,需要整改。
3.疏散指示标志损坏或缺少、指示方向错误、无保护罩、布线未采取保护措施、无备用电源,需要加强维护。
4.安全疏散图示缺少、常闭防火门无保持关闭状态的提示,需要加强安全宣传。
5.疏散通道被占用、封堵,需要加强管理。
6.安全出口上锁,需要改善。
安全疏散设施应当保持畅通,不得设置影响疏散的障碍物,如在安全出口、疏散通道上安装栅栏、在公共区域的外窗上安装金属护栏、摆放物品妨碍人员安全疏散等。
消防隐患排查记录表范本
消防隐患排查记录表
日期:____________________
地点:____________________
检查人:____________________
序号隐患描述处理措施
负责人完成时间
1 储存易燃物品过量将多余的易燃物品妥善储存并清理张三 20XX年XX月XX 日
2 消防设备损坏联系专业维修人员进行维修李四 20XX年XX月XX日
3 消防通道被堵塞清理通道并设置警示标志
王五 20XX年XX月XX日
4 紧急逃生通道单向通行张贴标志,明确通道使用方式赵六 20XX年XX月XX日
5 灭火器过期失效替换过期灭火器并进行定期检查王五 20XX年XX月XX 日
6 应急照明设备不可用测试和维修应急照明设备,确保正常使用李四 20XX年XX月
XX日
7 消防安全宣传不足开展消防安全培训活动,提高员工意识张三 20XX年XX月
XX日
以上为本次消防隐患排查记录,隐患整改情况如上表所示,各责任人应根据完成时间确保按时处理并填写实际完成时间。
如有新发现的隐患,应立刻整改并详细记录在下次排查表中。
同时,还应严格执行相关消防安全规定,确保员工和财产的安全。
检查人签名:___________________
检查日期:______________________。
消防隐患排查记录表免费
一、引言
在日常生活和工作中,消防安全一直备受关注。
消防隐患排查是保障人们生命财产安全的重要举措之一。
为了及时发现和排除潜在的消防隐患,本文提供了一份免费的消防隐患排查记录表,以便相关单位和个人进行规范排查。
二、消防隐患排查记录表
序
号检查内容是否存在隐
患
隐患描
述
处理措
施
处理人
员
处理日
期
1 疏散通道是否畅通是/否
2 防火门是否完好是/否
3 火灾报警器是否正
常
是/否
4 灭火器是否在有效
期内
是/否
5 电路线路是否安全是/否
…………………
三、如何使用该表格
1.拷贝以上表格内容并粘贴至Excel或其他表格处理工具中。
2.在“是否存在隐患”一栏中填写“是”或“否”,并在“隐患描述”中详细描
述存在的问题。
3.在“处理措施”中填写针对该隐患的具体解决方法。
4.在“处理人员”和“处理日期”中分别记录处理隐患的责任人员和处理日
期。
四、总结
消防安全事关每个人的生命财产安全,消防隐患排查记录表的使用可以帮助我们系统地发现和解决潜在的危险。
希望以上免费的消防隐患排查记录表能够为大家带来一定的帮助,共同维护社会的安全与稳定。
以上是消防隐患排查记录表免费的相关内容,谢谢阅读!。
乌鲁木齐天山大峡谷景区消防安全检查记录
受检部门
检查时间 受检负责人
检 查 人
检查项目 检查结果
处理 消防安全制度 □有 □无 □不全 员工消防培训 □组织开展 □未组织开展 防火检查
□组织开展 □未组织开展
灭火和应急疏散预案 □有 □无 □不全 消防车通道 □畅通 □被堵塞、占用 疏散通道、安全出口 □畅通 □被堵塞 □封闭 疏散指示标志 □完好有效 □损坏 应急照明 □完好有效 □损坏
灭火器 □完好有效 □损坏、不齐 □失效 消防记录档案 □有 □无 消防安全管理人 □有 □无 消防宣传教育
□有 □无 工作结束是否遗留火种、可燃物
□有 □无 用火、用电是否存在违章 □有 □无 电线线路、开关是否存在隐患
□有 □无
其 它
问 题 及 整 改 要 求
复 查 情 况
时间
检查人。