汽车质心位置的计算.qicheban
- 格式:doc
- 大小:166.50 KB
- 文档页数:8
一、实验目的1. 了解汽车质心的概念及其在汽车性能中的重要性。
2. 掌握汽车质心测量的原理和方法。
3. 通过实验验证汽车质心位置对汽车稳定性和操控性的影响。
二、实验原理汽车质心是指汽车整体重力在空间中的等效作用点。
汽车质心的位置对汽车的稳定性、操控性和舒适性等方面具有重要影响。
汽车质心越低,稳定性越好;质心位置靠近车辆中心,操控性越佳。
本实验采用静力学原理,通过测量汽车重力及受力情况,计算汽车质心位置。
三、实验设备1. 汽车一辆2. 弹簧秤3. 水平仪4. 检尺5. 计算器四、实验步骤1. 准备阶段(1)将汽车停放在水平路面上,确保汽车处于稳定状态。
(2)使用水平仪检查汽车是否水平。
2. 测量汽车重力(1)将弹簧秤放置在汽车前轮处,测量汽车重力G。
(2)将弹簧秤放置在汽车后轮处,再次测量汽车重力G。
3. 测量汽车质心位置(1)将汽车后轮抬起,使汽车倾斜一定角度。
(2)使用弹簧秤测量前轮受力情况,记录弹簧秤读数f。
(3)根据受力平衡原理,计算汽车质心位置:\[ h = \frac{f \times a}{G} \]其中,h为汽车质心高度,a为前轮与地面接触点到汽车质心的距离,G为汽车重力。
4. 重复实验(1)改变汽车倾斜角度,重复步骤(2)和(3),得到多个质心高度值。
(2)计算平均值,得到汽车质心高度。
五、实验结果与分析1. 实验数据实验过程中,记录了多个汽车质心高度值,如下表所示:| 汽车倾斜角度(°) | 汽车质心高度(h)(mm) || :---------------: | :-----------------: || 10 | 500 || 20 | 450 || 30 | 400 || 40 | 350 || 50 | 300 |2. 分析(1)随着汽车倾斜角度的增加,汽车质心高度逐渐降低。
(2)汽车质心高度与倾斜角度呈线性关系。
(3)汽车质心高度对汽车稳定性具有重要影响,质心越低,稳定性越好。
整车质心计算的原理
嘿,朋友们!今天咱就来唠唠整车质心计算的原理。
这可真是个超级重要又有意思的事儿呢!
想象一下,一辆汽车就好比是一个巨大的拼图,而质心就是这个拼图的关键节点。
比如说,你在开着车的时候,为啥车能稳稳地前进,而不是歪七扭八地跑呢?这就是质心在起作用啦!
整车质心的计算可不简单哦!它就像是一场复杂的数学游戏。
你得把车上的每个部件,从发动机到座椅,都当成一个小小的砝码。
然后,通过各种测量和计算,才能找到那个神奇的质心位置。
好比你要知道一个大箱子里各种东西怎么摆放才能平衡,这得多难呀!
咱再举个例子,你看那些赛车,为啥它们能在赛道上飞速奔驰还那么稳?就是因为工程师们精心计算了质心呀!他们就像是魔术师一样,通过调整各种部件的位置和重量,让赛车达到最佳状态。
这不是很牛吗?
你可能会问,这个质心计算到底有啥用呢?哎呀呀,用处可大了去了!它能影响到车的操控性、稳定性,甚至是安全性呢!如果质心位置不准确,那车开起来可能就会摇摇晃晃的,危险不?
总之,整车质心计算的原理真的超级重要!我们应该重视它,就像爱护自己的宝贝一样。
因为它关系到我们的行车安全和驾驶体验呀!所以,大家一定要好好了解这个神奇的原理哦!我的观点就是,整车质心计算是汽车领域里不可或缺的一部分,我们得好好琢磨它、掌握它!。
半挂车质心位置计算摘要:一、半挂车质心位置的重要性1.影响车辆稳定性2.影响行驶安全3.影响燃油经济性二、半挂车质心位置的计算方法1.质心定义2.传统计算方法a.质量分布法b.几何形状法3.现代计算方法a.计算机辅助设计(CAD)b.三维扫描技术c.数值模拟法三、半挂车质心位置的调整1.前后移动2.上下调整3.调整挂车与牵引车的连接角度4.改变货物装载方式四、质心位置计算在半挂车设计和使用中的实际应用1.新车设计2.车辆改装3.行驶过程中的监控与调整五、总结正文:半挂车质心位置计算在车辆设计、使用和维护中具有重要意义。
质心是物体受到重力作用的平衡点,对于半挂车而言,质心位置会直接影响车辆的稳定性、行驶安全以及燃油经济性。
因此,准确计算和调整质心位置至关重要。
首先,我们需要了解半挂车质心位置的计算方法。
质心位置的计算依赖于车辆的质量分布和几何形状。
传统的方法包括质量分布法和几何形状法。
随着科技的发展,现代计算方法已经取得了很大进步,如计算机辅助设计(CAD)、三维扫描技术和数值模拟法等。
计算出质心位置后,需要对车辆进行调整以满足实际需求。
调整方法包括前后移动、上下调整、调整挂车与牵引车的连接角度以及改变货物装载方式等。
这些调整可以优化车辆性能,提高行驶安全性。
在半挂车设计和使用过程中,质心位置计算具有实际应用价值。
新车设计时,需要根据质心位置调整车辆的各项参数,以保证车辆性能。
在车辆改装过程中,也需要对质心位置进行重新计算和调整。
此外,在车辆行驶过程中,可以通过实时监控质心位置,对车辆进行及时调整,确保行驶安全。
总之,半挂车质心位置计算在车辆设计、使用和维护中具有重要意义。
汽车质心位置的计算汽车质心位置的计算1、 质心到前轴(坐标原点)的水平距离(1) 常规公式: giXi gi a ∑⋅∑=)( ------------------------(1) 式中 a 质心到前轴的水平距离gi 各总成(或载荷)质量Xi 各总成(或载荷)到前轴的水平距离轴荷(或簧载质量): gi LaG ∑⋅-=)1(1 LXi gi gi )(⋅∑-∑= ------------------------(2) gi La G ∑⋅=2. L Xi gi )(⋅∑= ------------------------(3) 式中 1G 前轴负荷(或前簧载质量)2G 后轴负荷(或后簧载质量)L 轴距(2) 先求轴荷再算质心位置: ⎥⎦⎤⎢⎣⎡⋅-∑=gi L Xi G )1(1 ------------------------(2a ) ⎥⎦⎤⎢⎣⎡⋅∑=gi L Xi G 2 ------------------------(3a ))1(12GG L G G L a -⋅=⋅= ------------------------(4) 式中 gi G G G ∑=+=21 总负荷(或簧载总质量)2、 质心离地高度常规公式: gihi gi h ∑⋅∑=)( -------------------------(5) 式中 h 质心到地面的高度hi 各总成(或载荷)离地高度*注:可以先算出)(hi gi ⋅∑再除以gi ∑,也可以先算出)(gihi gi ∑⋅再合成。
3、 各种质心的分别计算和合成(1) 分别计算:① 空载、满载状态的质心位置空载: gi 不包括乘员或/和载荷,仅包括相关总成。
满载: gi 包括乘员或/和载荷以及相关总成。
② 簧载质量、非簧载质量的质心位置簧载质量:gi 只包括属于簧载质量的总成,或者还包括乘员或载荷。
非簧载质量:gi 只包括属于非簧载质量的总成。
(2) 状态的合成1) 整车状态-----包括簧载与非簧载质量① 质心到前轴的水平距离: G a G a G a u u S S g ⋅+⋅=GL G a G u S S ⋅+⋅=2 ------------------------------(6) 式中 S G 簧载总质量21u u u G G G += 非簧载总质量1u G 前轴非簧载质量2u G 后轴非簧载质量u S G G G += 整车总质量g a 整车质心到前轴的水平距离S a 簧载质量质心到前轴的水平距离u a 非簧载总质量的质心到前轴的水平距离② 质心离地高度 G h G h G hg u u S S ⋅+⋅=GR G G h G u u S S ⋅++⋅=)(21 ---------------------------(7)式中 hg 整车质心离地高度S h 簧载质量的质心离地高度R h u = 非簧载质量的质心离地高度,一般设定为车轮静力半径R 。
汽车重心及轴荷分配计算 The following text is amended on 12 November 2020.
一、 整车重心及轴荷分配计算:
1. 车辆各部件重心位置
2. 部件重心位置列表
x,y ——部件重心位置
m ——部件重量
3.重心位置及轴荷验算:
轴荷计算:
公式: G 2=∑m i x i /L
(1) G 2——中、后轴轴荷 kg
m i ,x i ——部件重量和部件重心水平位置
L ——汽车轴距+650 ㎜
将列表数据带入公式(1)
G 2=18900㎏ 前轴 G 1=6100㎏ (%)
按汽车厂提供数据,前轴允许载荷6500㎏,中,
后轴允许载荷19000㎏
结论:满足使用条件。
汽车重心纵向位置计算:
公式: L 1=G 2L/G L 2=G 1L/G
G ——汽车总质量
代入数据: L 1=3780㎜ L 2=1220㎜
满载时汽车重心高度计算:
公式: h=∑m i y i /G (2)
y i ——部件重心高度 h ——汽车重心高度
将列表数据代入公式(2)
h=1770㎜
空载时汽车重心高度计算:
仍用公式(2),减去垃圾重量
hg=1174㎜
二、 汽车侧翻条件验算:
公式: tg β=B/2h (3)
β——汽车侧倾稳定角 B——汽车轮距 B=1860㎜
代入数据: tgβ= β=°≥32°
结论:满足使用条件。
三、危险工况校核计算:
该车在垃圾箱满载,用拉臂钩将垃圾箱拉上车,垃圾箱后轮临界脱离地面时,以汽车不翘头(即前轴负荷≥0)为安全。
质心位置的求法
质心是物体内部所有质量点的平均位置,是一个物体的几何中心。
它在三维空间中的坐标表示为(x,y,z),其中x、y、z分别为物体在三个坐标轴上的质心位置坐标。
在静力学和力学中,质心位置的求法可以通过以下步骤来实现:
1. 将物体划分为无数个微小的质量点,每个质量点的质量可以表示为dm 。
2. 对于一个三维物体,其质心坐标可以用以下公式计算:
x = (1/M) * ∫(x*dm)
y = (1/M) * ∫(y*dm)
z = (1/M) * ∫(z*dm)
其中M为整个物体的质量,∫表示对整个物体积分。
3. 对于一个平面物体或线段,质心坐标可以用以下公式计算:
x = (1/M) * ∫(x*dm)
y = (1/M) * ∫(y*dm)
其中M为整个物体的质量,∫表示对整个物体积分。
4. 对于一个质点系,质心坐标可以用以下公式计算:
x = (Σ(mixi)) / M
y = (Σ(mi*yi)) / M
z = (Σ(mi*zi)) / M
其中mi表示第i个质点的质量,xi、yi、zi表示第i个质点在三个坐标轴上的位置,M为整个质点系的总质量,Σ表示对i从1到n求和,n为质点的数量。
通过上述公式,可以精确地计算物体的质心位置。
1.范围本标准描述了确定ISO 3833中定义的两轴道路车辆质心位置的方法。
可能有其它方法或使用更详细、更复杂的方法和设备,如倾斜桌面和摇篮。
2.参考标准本文参考的以下标准包括构成本国际标准的规范。
标准发布时,该版本有效。
所有标准都以修订版为准,并鼓励认同本标准的团体研究使用以下标准文件的最新版本的可能性。
对于未标注日期的参考,使用涉及的标准文件的最新版本。
ISO和IEC成员仍是现行有效国际标准的注册会员。
ISO 612:1978,道路车辆——机动车和牵引车尺寸——术语和定义ISO 3833:1977,道路车辆——类型——术语和定义ISO 8855:1991,道路车辆——汽车动态和持地能力——词汇3.试验条件3.1操作和其它液体燃油箱应完全装满。
如果由于汽车倾斜,按照4中的测量方法,其它液体的位移(操作和其它件),很大,则应考虑这一点。
3.2载荷条件,悬架和机械件任何负荷都应固定到位以免汽车倾斜而移动。
汽车装载到所需载荷条件后,应卡住车轮悬挂,以免由于汽车倾斜而发生变形。
这也适用于由于悬置变形可能影响试验结果的其它零件。
举升汽车时,变速箱应置于空档。
松开驻车制动;只有卡紧或用其它方式才能防止一个轴上的车轮滚动。
前轮尽可能保持指向正前方。
4.测量方法4.1汽车处于水平,按照ISO 612和ISO 8855规定的尺寸,测量并记录:lleft,左轴矩,单位毫米;lright,右轴矩,毫米;bf1前轮矩,毫米;br1,后轮矩,毫米;m1,左前轮荷,单位公斤;m2,右前轮荷,公斤;m3,左后轮荷,公斤;m4,右后轮荷,公斤;rstat1,左前静态载荷半径1),毫米;rstat2,右前静态载荷半径1),毫米;rstat3,左后静态载荷半径1),毫米;rstat4,右后静态载荷半径1),毫米;4.2逐步举起一个轴(建议分三步或多步)。
记录每个位置时另一轴的轴荷和举升角。
最大举升角取决于测量轴荷所用标尺的精确度。
半挂车质心位置计算半挂车的质心位置是指半挂车整体的重心所在位置。
计算半挂车的质心位置可以帮助我们了解车辆的稳定性和操控性。
下面,我将详细介绍半挂车质心位置的计算方法。
1.半挂车的几何模型:半挂车可以简化为一个长方形的平面模型,即将车辆的车厢部分看作一个箱子。
箱子的长、宽、高分别为L、W和H。
2.质心的定义:质心是指物体整体的重心所在位置。
对于一个物体,其质心位置可以通过将物体分割成无数微小体积元素,然后将每个微小体积元素的质量乘以其位置的坐标值,再对所有微小体积元素进行累加,最后除以总质量得到。
3.半挂车质心位置计算方法:3.1求出半挂车的总质量:半挂车的总质量可以通过称重仪器或者从车辆的注册证书中得到。
3.2求出半挂车质心的水平和垂直位置:半挂车的质心可以分别计算其水平和垂直位置。
3.2.1水平位置计算:半挂车的水平位置可以通过车辆重心水平投影在地面上的位置得到。
3.2.2垂直位置计算:半挂车的垂直位置可以通过车辆重心在垂直方向的高度得到。
垂直位置=(底部高度+顶部高度)/2其中,底部高度为车辆质心到车身底部的距离,顶部高度为车辆质心到车身顶部的距离。
底部高度和顶部高度可以通过测量车体上离地面的高度得到。
4.半挂车质心位置的影响因素:4.1车厢内货物的分布情况车厢内货物的分布情况不均匀会使车辆质心位置发生变化,并对车辆的稳定性和操控性产生影响。
通常情况下,货物应该均匀分布在车厢内部。
4.2半挂车运载状态半挂车的质心位置在空车和满载状态下会有所不同。
满载状态下,车厢内货物的重量会增加车辆的总质量,进而影响质心位置的计算。
4.3半挂车结构设计半挂车的结构设计也会对质心位置产生影响。
例如,车轮的位置、车架的结构等因素都会影响质心位置的计算方式。
综上所述,半挂车质心位置的计算方法相对简单,但需要考虑货物的分布情况、运载状态和结构设计等因素。
准确计算半挂车的质心位置有助于我们了解车辆的稳定性和操控性,从而提高半挂车的安全性和经济性。
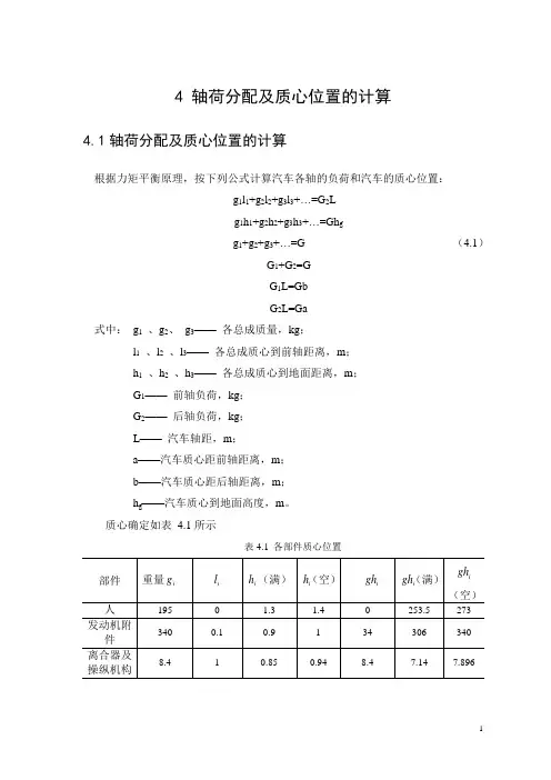
4 轴荷分配及质心位置的计算4.1轴荷分配及质心位置的计算根据力矩平衡原理,按下列公式计算汽车各轴的负荷和汽车的质心位置:g1l1+g2l2+g3l3+…=G2Lg1h1+g2h2+g3h3+…=Gh gg1+g2+g3+…=G (4.1)G1+G2=GG1L=GbG2L=Ga式中:g1、g2、g3——各总成质量,kg;l1、l2、l3——各总成质心到前轴距离,m;h1、h2、h3——各总成质心到地面距离,m;G1——前轴负荷,kg;G2——后轴负荷,kg;L——汽车轴距,m;a——汽车质心距前轴距离,m;b——汽车质心距后轴距离,m;h g——汽车质心到地面高度,m。
质心确定如表 4.1所示表4.1 各部件质心位置⑴.水平静止时的轴荷分配及质心位置计算 根据表4.1所求数据和公式(4.1)可求 满载:G 2=kg Llg ni ii 99.305236.310258.061==∑=G 1=4695-3052.99=1642.01kgm G L G a 18.2469536.399.30522=⨯=⨯=m a L b 18.118.236.3=-=-= 前轴荷分配:469501.16421=G G =35.0%后轴荷分配:469599.30522=G G =65.0% 0.97m 46954555.451===∑=Ghg h ni ii g 空载:=-=='∑=36.35.641206.1025812Llg G ni ii 1144.51kg='1G 2G G '-'=(2250+3×65)-1144.51=1300.49kg m G L G a 96.249.130036.351.1144''2=⨯=⨯=m a L b 4.096.236.3=-=-= 前轴荷分配:==''244549.13001G G 53.2% 后轴荷分配:==''244551.11442G G 46.8% 907.02445926.22161=='=∑=G hg h ni ii g根据表4.1,得知以上计算符合要求表4.2各类汽车的轴荷分配a.水平路面上汽车满载行驶时各轴的最大负荷计算对于后轮驱动的载货汽车在水平路面上满载加速行驶时各轴的最大负荷按下式计算:gg z h L h b G F ϕϕ--=)(1gz h L GaF ϕ-=2 (4.2)式中:1z F ——行驶时前轴最大负荷,kg ; 2z F ——行驶时后轴最大负荷,kg ;ϕ——附着系数,在干燥的沥青或混凝土路面上,该值为0.7~0.8。
计算车辆质心与轴荷分配对于一个车辆,质心是指它在三维空间中的重心位置,而轴荷分配则是指车辆的重量在各个轴线上的分布均衡程度。
计算车辆质心与轴荷分配是非常重要的,因为它们直接影响着车辆的稳定性、操控性和安全性。
计算车辆质心通常需要确定车辆各个组成部分的质量分布和位置,并根据它们的质量和位置计算出车辆的整体质心位置。
而轴荷分配则需要根据车辆质心位置和车辆总重量来计算各个轴线上的荷载分布。
接下来,我们将详细介绍如何计算车辆质心与轴荷分配。
首先,计算车辆质心的位置需要考虑车辆各个组成部分的质量与位置的乘积之和。
可以将车辆划分为若干个部分,如车身、发动机、悬挂系统、转向系统等。
对于每个部分,可以测量它们的质量,并确定它们的重心位置。
然后,根据质量和重心位置的乘积之和除以车辆总质量,即可得到车辆质心的位置。
例如,假设车辆总质量为M,车身质量为m1,重心位置为d1;发动机质量为m2,重心位置为d2;悬挂系统质量为m3,重心位置为d3;转向系统质量为m4,重心位置为d4、那么,车辆质心位置的计算公式可以表示为:质心位置=(m1*d1+m2*d2+m3*d3+m4*d4)/M在实际计算中,可以使用测量工具或称重仪器来获取车辆各个组成部分的质量,并使用几何测量仪器来测量它们的重心位置。
接下来,计算车辆的轴荷分配需要考虑车辆质心的位置和车辆总重量。
车辆的总重量可以通过称重仪器来测量,而轴荷分配可以通过以下公式计算:前轴荷载=M*(距离后轴距离/轴距距离)后轴荷载=M*(距离前轴距离/轴距距离)其中,轴距距离是指前后轴之间的距离,距离前轴距离和距离后轴距离是指车辆质心距离前后轴的距离。
通过这个公式,可以计算出车辆在前轴和后轴上的荷载分布情况。
需要注意的是,在实际计算中,可能还需要考虑其他因素对轴荷分配的影响,比如悬挂系统的刚度、车辆加速度和制动力等。
这些因素都可能会影响到车辆在不同行驶状态下的轴荷分配情况,因此在进行计算时需要综合考虑这些因素。
物理质心坐标计算公式在我们学习物理的奇妙世界里,质心坐标计算公式可是个相当重要的家伙。
这玩意儿看着好像有点复杂,但只要咱把它的门道搞清楚,其实也没那么难搞。
先来说说质心坐标计算公式到底是啥。
简单来讲,质心坐标的计算公式就是:对于由多个质点组成的系统,质心的坐标(x_c,y_c,z_c)可以通过各个质点的质量 m_i 和坐标(x_i,y_i,z_i)来计算,公式分别是:x_c = (∑m_i * x_i) / ∑m_i ,y_c = (∑m_i * y_i) / ∑m_i ,z_c =(∑m_i * z_i) / ∑m_i 。
听起来是不是有点晕?别着急,我给您举个例子。
有一次我带着学生们做一个物理实验,就是研究一个由几个不同质量小球组成的系统的质心。
我们在一块平整的木板上,放了三个小球,分别标记为 A、B、C。
小球 A 的质量是 20 克,坐标是(10 厘米,20厘米);小球 B 的质量是 30 克,坐标是(30 厘米,15 厘米);小球C 的质量是 50 克,坐标是(20 厘米,30 厘米)。
那咱们就来算算这个系统的质心坐标。
先算 x 方向的质心坐标 x_c ,根据公式,就是(20×10 + 30×30 + 50×20)÷(20 + 30 + 50),算出来x_c 约等于 21 厘米。
再算 y 方向的质心坐标 y_c ,(20×20 + 30×15 +50×30)÷(20 + 30 + 50),算出来 y_c 约等于 23.5 厘米。
通过这个小实验,同学们一下子就明白了质心坐标计算公式的实际应用,那叫一个恍然大悟的表情。
质心坐标计算公式在很多实际问题中都大有用处。
比如说,在研究物体的平衡和运动状态时,知道质心的位置就能更好地理解物体的行为。
想象一下,一辆汽车在行驶中,如果质心位置不合理,那转弯的时候可就容易出问题啦。
汽车的质心M位置?
利用静力学知识。
车身坐标系:前进方向为x轴正方向,垂直地面向上的方向为z轴正方向,顺着z轴负方向看,将x轴逆时针旋转90度以后得到y轴,左前轮与地面接触点为坐标系原点。
y方向两轮轴距记作b,x方向两轮轴距记作a。
问题转化为求M(x,y,z)
步骤:
1测汽车重力G。
2求y
将汽车y轴上的两个车轮安置在平地上,另一边安置在弹簧秤上,两者都与地面垂直。
弹簧秤上的数值记为f,对o点取矩,f*(-b)=G*y
3同理可求x
后轮用弹簧秤支起,前轮在平地上。
弹簧秤读数f2。
对o点取距。
G*(-x)=a*f2求出x。
4求z
前轮用弹簧秤支起,将后轮升高距离t,支起,即使汽车倾斜一个角度&,
sin&=t/a.
前轮弹簧秤读数f3,G*L=f3*a*cos&,求出L
根据几何关系,可求出z=L/sin&-(a+x)/tg&。
专用汽车质心位置计算及验证方法车辆的质心对车辆尤其是专用汽车的侧向稳定性有着重要的影响。
介绍了一种专用汽车质心位置计算分析的方法,同时阐述了利用质量反应法验证质心位置计算结果的方法。
标签:专用汽车;质心位置;质量反应法0 引言随着经济的快速发展,汽车的安全性越来越引起人们的关注和重视,汽车质心位置则是影响其操纵稳定性、行驶平顺性、安全性的重要因素,因而在专用汽车设计中是相当重要参数之一。
质心高度对专用汽车的使用性能有重要的影响。
一般车辆的纵向稳定性都能满足要求,而侧向稳定性对厢式汽车、罐式汽车和集装箱运输车等质心较高的专用汽车来说,就需要认真考虑了。
质心过高,很易导致车辆横向失稳,特别是弯道行驶时,易造成侧向倾翻,操纵稳定性和侧倾稳定性越不好,质心高度达到一定值时,这两项指标就很难合格。
因此,使用厢式汽车和集装箱运输车时,除选用质心较低的车辆以外,还应注意合理配载,即将密度较大的货物尽可能地装在其箱(厢)的下部,而密度较小的货物则应装在上部,以保证专用汽车的行驶稳定性和安全性。
因此质心高度就成为确定汽车质心位置的关键所在。
1 专用汽车质心位置计算方法专用汽车的质心位置影响整车的轴荷分配、行驶稳定性和操纵性等,在总体设计时必须要慎重全面考虑计算或验算,特别是质心高度是愈低愈好。
1.1 水平质心位置计算(力矩方程式)2 基于质量反应法的质心高度测量方法国内外测定汽车质心高度主要有以下几种方法:摇摆法、悬挂法、零位法、平台支撑反力法、质量反应法。
摇摆法所需设备复杂,其应用受到限制。
悬挂法需要能够承受整车质量的悬挂点,对拖拉机,尤其是大型拖拉机,实现起来比较因难,另一个缺点是悬挂后变形大,测试精度难以保证,因此在工程实践中很少被采用。
平台支撑反力法需用专用设备,有些试验单位用测量倾角的设备代替使用,测量的倾角对计算质心高度误差较敏感,投资大,普及率低。
而质量反应法所需测试设备少,易于实现,广泛采用。
质量反应法是根据刚体绕固定轴转动的原理,试验时将汽车的一端吊起,吊至不同的角度时,分别测出轴荷的转移量和汽车的倾斜角度,然后计算出质心位置,故也称吊起法。
4 轴荷分配及质心位置的计算4.1轴荷分配及质心位置的计算根据力矩平衡原理,按下列公式计算汽车各轴的负荷和汽车的质心位置:g1l1+g2l2+g3l3+…=G2Lg1h1+g2h2+g3h3+…=Gh gg1+g2+g3+…=G (4.1)G1+G2=GG1L=GbG2L=Ga式中:g1、g2、g3——各总成质量,kg;l1、l2、l3——各总成质心到前轴距离,m;h1、h2、h3——各总成质心到地面距离,m;G1——前轴负荷,kg;G2——后轴负荷,kg;L——汽车轴距,m;a——汽车质心距前轴距离,m;b——汽车质心距后轴距离,m;h g——汽车质心到地面高度,m。
质心确定如表 4.1所示表4.1 各部件质心位置⑴.水平静止时的轴荷分配及质心位置计算 根据表4.1所求数据和公式(4.1)可求 满载:G 2=kg Llg ni ii 99.305236.310258.061==∑=G 1=4695-3052.99=1642.01kgm G L G a 18.2469536.399.30522=⨯=⨯=m a L b 18.118.236.3=-=-= 前轴荷分配:469501.16421=G G =35.0%后轴荷分配:469599.30522=G G =65.0% 0.97m 46954555.451===∑=Ghg h ni ii g 空载:=-=='∑=36.35.641206.1025812Llg G ni ii 1144.51kg='1G 2G G '-'=(2250+3×65)-1144.51=1300.49kg m G L G a 96.249.130036.351.1144''2=⨯=⨯=m a L b 4.096.236.3=-=-= 前轴荷分配:==''244549.13001G G 53.2% 后轴荷分配:==''244551.11442G G 46.8% 907.02445926.22161=='=∑=G hg h ni ii g根据表4.1,得知以上计算符合要求表4.2各类汽车的轴荷分配a.水平路面上汽车满载行驶时各轴的最大负荷计算对于后轮驱动的载货汽车在水平路面上满载加速行驶时各轴的最大负荷按下式计算:gg z h L h b G F ϕϕ--=)(1gz h L GaF ϕ-=2 (4.2)式中:1z F ——行驶时前轴最大负荷,kg ; 2z F ——行驶时后轴最大负荷,kg ;ϕ——附着系数,在干燥的沥青或混凝土路面上,该值为0.7~0.8。
汽车质心侧偏角计算公式汽车质心侧偏角,这可真是个听起来有点专业的名词!但其实啊,它在汽车行驶的世界里可是有着重要地位的。
咱先来说说啥是汽车质心侧偏角。
简单来讲,它就是描述汽车在行驶过程中,车子重心的移动方向和车子前进方向之间的夹角。
这个夹角能告诉我们很多关于汽车行驶稳定性和操控性的信息。
那怎么计算这个质心侧偏角呢?这就得用到一些公式和参数啦。
比如说,汽车的速度、转向角度、车轮的侧偏刚度等等。
计算公式大概是这样:质心侧偏角= (车辆横摆角速度×车辆轴距)÷(车辆纵向速度)。
这里面的车辆横摆角速度和车辆纵向速度都得通过专业的仪器或者传感器来测量。
我给您讲讲我之前的一次经历,那次可真是让我对这个质心侧偏角有了更深刻的理解。
有一回,我开着车在一条弯道比较多的山路上行驶。
当时车速不算慢,在过一个急弯的时候,我明显感觉到车子有点不太稳,似乎要往外甩出去似的。
后来我仔细琢磨了一下,这不就是质心侧偏角在起作用嘛!因为在那个速度和转向角度下,质心侧偏角可能超过了安全范围,导致车子的稳定性受到了影响。
再回到这个计算公式,这里面每个参数都有它的讲究。
车辆轴距,这是车子本身的结构参数,一般是固定不变的。
但车辆的横摆角速度和纵向速度,那就会随着驾驶操作和路况不停地变化。
比如说,当您急刹车的时候,纵向速度会迅速减小,这时候质心侧偏角也会跟着发生变化。
如果您在高速行驶中突然猛打方向盘,横摆角速度会瞬间增大,质心侧偏角也可能变得很大,这就很容易导致失控了。
在实际的汽车设计和研发中,工程师们会通过各种复杂的计算和模拟,来优化汽车的结构和性能,让质心侧偏角在各种情况下都能保持在一个安全合理的范围内。
对于咱们普通驾驶者来说,了解质心侧偏角的概念和计算公式虽然不能让我们直接算出具体数值,但能让我们更明白车子在行驶中的状态,从而更加小心谨慎地驾驶。
总之,汽车质心侧偏角的计算公式虽然看起来有点复杂,但它背后反映的是汽车行驶的重要特性。
汽车质心位置的计算
燕山大学
车辆与能源学院
裴永生
2011年12月7日
汽车质心位置的计算
1、 质心到前轴(坐标原点)的水平距离
(1) 常规公式: gi
Xi gi a ∑⋅∑=)( ------------------------(1)
式中 a 质心到前轴的水平距离
gi 各总成(或载荷)质量
Xi 各总成(或载荷)到前轴的水平距离
轴荷(或簧载质量): gi L
a G ∑⋅-=)1(1 L Xi gi gi )(⋅∑-∑= ------------------------(2) gi L
a G ∑⋅=
2 L Xi gi )(⋅∑= ------------------------(3)
式中 1G 前轴负荷(或前簧载质量)
2G 后轴负荷(或后簧载质量)
L 轴距
(2) 先求轴荷再算质心位置: ⎥⎦
⎤⎢⎣⎡⋅-∑=gi L Xi G )1(1
------------------------(2a ) ⎥⎦⎤⎢⎣⎡⋅∑=gi L Xi
G 2 ------------------------(3a )
)1(12G
G L G G L a -⋅=⋅= ------------------------(4)
式中 gi G G G ∑=+=21 总负荷(或簧载总质量)
2、 质心离地高度
常规公式: gi
hi gi h ∑⋅∑=)( -------------------------(5)
式中 h 质心到地面的高度
hi 各总成(或载荷)离地高度
*注:可以先算出)(hi gi ⋅∑再除以gi ∑,也可以先算出)(
gi
hi gi ∑⋅再合成。
3、 各种质心的分别计算和合成
(1) 分别计算:
① 空载、满载状态的质心位置
空载: gi 不包括乘员或/和载荷,仅包括相关总成。
满载: gi 包括乘员或/和载荷以及相关总成。
② 簧载质量、非簧载质量的质心位置
簧载质量:gi 只包括属于簧载质量的总成,或者还包括乘员或载荷。
非簧载质量:gi 只包括属于非簧载质量的总成。
(2) 状态的合成
1) 整车状态-----包括簧载与非簧载质量
① 质心到前轴的水平距离: G a G a G a u u S S g ⋅+⋅=
G
L G a G u S S ⋅+⋅=2 ------------------------------(6)
式中 S G 簧载总质量
21u u u G G G += 非簧载总质量
1u G 前轴非簧载质量
2u G 后轴非簧载质量
u S G G G += 整车总质量
g a 整车质心到前轴的水平距离
S a 簧载质量质心到前轴的水平距离
u a 非簧载总质量的质心到前轴的水平距离
② 质心离地高度 G h G h G hg u u S S ⋅+⋅=
G
R G G h G u u S S ⋅++⋅=)(21 ---------------------------(7)
式中 hg 整车质心离地高度
S h 簧载质量的质心离地高度,高度取车轮的直径;
R h u = 非簧载质量的质心离地高度,一般设定为车轮静力半径R 。
*注:①前、后轴非簧载质量的质心水平位置可设定就在前、后 轴的轴线上。
②前、后轴非簧载质量的质心垂直位置可设定都在车轮中心上。
③公式(6)、(7)经移项处理,可用来计算分离的簧载或非簧载质量的质心位置。
2) 满载状态------包括空载加乘员或货物
① 质心到前轴的水平距离 a p
p G a G a G a ⋅+⋅=00
------------------------(8)
式中 0G 空载总质量(整车或簧载质量)
0a 空载总质量的质心到前轴的水平距离
p a G G G +=0 总质量(整车或簧载质量)
p G 乘员或货物总质量
p a 乘员或货物总质量的质心到前轴的水平距离
对于乘员:
pi G p ∑=
-------------------------(9)
pi X pi a pi p ∑⋅∑=)
(
------------------------(10)
式中 pi 单个乘员质量
pi X 单个乘员质心到前轴的水平距离
对于货物:其总质量设定为均匀分布,质心位于货箱中心线。
② 质心离地高度 a p
p G h G h G h ⋅+⋅=00
-----------------------(11)
式中 0h 空载总质量的质心离地高度(整车或簧载质量)
p h 乘员或货物总质量的质心离地高度
对于乘员: pi h pi h pi p ∑⋅∑=)
(
-----------------------(12)
式中
h单个乘员的质心离地高,应按其坐姿或立姿取值,坐
pi
姿高度为(车轮直径+600mm),立姿高度为(车轮直径+850mm)对于货物:一般按均布货物总高度为600mm考虑,即按货物质心高出货箱底板300mm计算,货箱底板高度为(车轮直径+车轮跳动的动挠度+50mm)。
*注:式(8)、(11)按
G含或不含非簧载质量u G,其计算结果
则为整车的或簧载质量的满载质心位置。
裴永生 2011年12月7日。