国民经济行业分类与代码知识讲解
- 格式:doc
- 大小:70.50 KB
- 文档页数:44
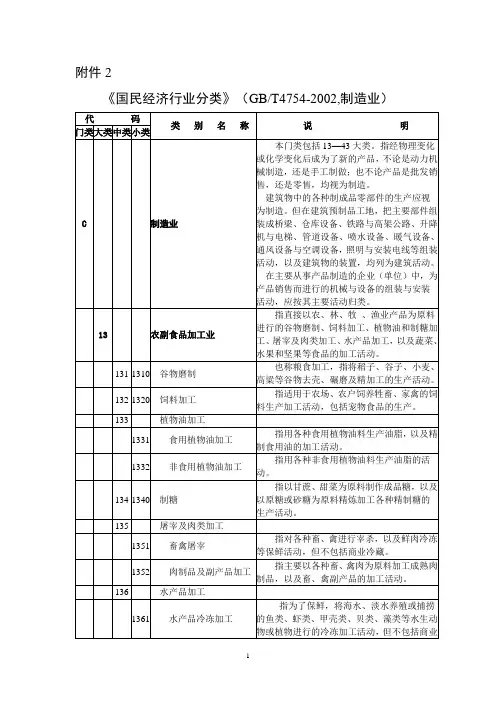
国民经济行业分类与代码(科技统计用)国民经济行业代码(GB/T 4754—2002 )一级分类代码为XX,二级分类代码为XXX,三级分类代码为XXXXA 农、林、牧、渔业01 农业011 谷物及其他作物的种植0111 谷物的种植0112 薯类的种植0113 油料的种植0114 豆类的种植0115 棉花的种植0116 麻类的种植0117 糖料的种植0118 烟草的种植0119 其他作物的种植012 蔬菜、园艺作物的种植0121 蔬菜的种植0122 花卉的种植0123 其他园艺作物的种植013 水果、坚果、饮料和香料作物的种植0131 水果、坚果的种植0132 茶及其他饮料作物的种植0133 香料作物的种植0140 中药材的种植02 林业021 林木的培育和种植0211 育种和育苗0212 造林0213 林木的抚育和管理022 木材和竹材的采运0221 木材的采运0222 竹材的采运0230 林产品的采集03 畜牧业0310 牲畜的饲养0320 猪的饲养0330 家禽的饲养0340 狩猎和捕捉动物0390 其他畜牧业04 渔业041 海洋渔业0411 海水养殖0412 海洋捕捞042 内陆渔业0421 内陆养殖0422 内陆捕捞05 农、林、牧、渔服务业051 农业服务业0511 灌溉服务0512 农产品初加工服务0519 其他农业服务0520 林业服务业053 畜牧服务业0531 兽医服务0539 其他畜牧服务0540 渔业服务业B 采矿业06 煤炭开采和洗选业0610 烟煤和无烟煤的开采洗选0620 褐煤的开采洗选0690 其他煤炭采选07 石油和天然气开采业0710 天然原油和天然气开采0790 与石油和天然气开采有关的服务活动08 黑色金属矿采选业0810 铁矿采选0890 其他黑色金属矿采选09 有色金属矿采选业091 常用有色金属矿采选0911 铜矿采选0912 铅锌矿采选0913 镍钴矿采选0914 锡矿采选0915 锑矿采选0916 铝矿采选0917 镁矿采选0919 其他常用有色金属矿采选092 贵金属矿采选0921 金矿采选0922 银矿采选0929 其他贵金属矿采选093 稀有稀土金属矿采选0931 钨钼矿采选0932 稀土金属矿采选0933 放射性金属矿采选0939 其他稀有金属矿采选10 非金属矿采选业101 土砂石开采1011 石灰石、石膏开采1012 建筑装饰用石开采1013 耐火土石开采1019 粘土及其他土砂石开采1020 化学矿采选1030 采盐109 石棉及其他非金属矿采选1091 石棉、云母矿采选1092 石墨、滑石采选1093 宝石、玉石开采1099 其他非金属矿采选11 其他采矿业1100 其他采矿业C 制造业13 农副食品加工业1310 谷物磨制1320 饲料加工133 植物油加工1331 食用植物油加工1332 非食用植物油加工1340 制糖135 屠宰及肉类加工1351 畜禽屠宰1352 肉制品及副产品加工136 水产品加工1361 水产品冷冻加工1362 鱼糜制品及水产品干腌制加工1363 水产饲料制造1364 鱼油提取及制品的制造1369 其他水产品加工1370 蔬菜、水果和坚果加工139 其他农副食品加工1391 淀粉及淀粉制品的制造1392 豆制品制造1393 蛋品加工1399 其他未列明的农副食品加工14 食品制造业141 焙烤食品制造1411 糕点、面包制造1419 饼干及其他焙烤食品制造142 糖果、巧克力及蜜饯制造1421 糖果、巧克力制造1422 蜜饯制作143 方便食品制造1431 米、面制品制造1432 速冻食品制造1439 方便面及其他方便食品制造1440 液体乳及乳制品制造145 罐头制造1451 肉、禽类罐头制造1452 水产品罐头制造1453 蔬菜、水果罐头制造1459 其他罐头食品制造146 调味品、发酵制品制造1461 味精制造1462 酱油、食醋及类似制品的制造1469 其他调味品、发酵制品制造149 其他食品制造1491 营养、保健食品制造1492 冷冻饮品及食用冰制造1493 盐加工1494 食品及饲料添加剂制造1499 其他未列明的食品制造15 饮料制造业1510 酒精制造152 酒的制造1521 白酒制造1522 啤酒制造1523 黄酒制造1524 葡萄酒制造1529 其他酒制造153 软饮料制造1531 碳酸饮料制造1532 瓶(罐)装饮用水制造1533 果菜汁及果菜汁饮料制造1534 含乳饮料和植物蛋白饮料制造1535 固体饮料制造1539 茶饮料及其他软饮料制造1540 精制茶加工16 烟草制品业1610 烟叶复烤1620 卷烟制造1690 其他烟草制品加工17 纺织业171 棉、化纤纺织及印染精加工1711 棉、化纤纺织加工1712 棉、化纤印染精加工172 毛纺织和染整精加工1721 毛条加工1722 毛纺织1723 毛染整精加工1730 麻纺织174 丝绢纺织及精加工1741 缫丝加工1742 绢纺和丝织加工1743 丝印染精加工175 纺织制成品制造1751 棉及化纤制品制造1752 毛制品制造1753 麻制品制造1754 丝制品制造1755 绳、索、缆的制造1756 纺织带和帘子布制造1757 无纺布制造1759 其他纺织制成品制造176 针织品、编织品及其制品制造1761 棉、化纤针织品及编织品制造1762 毛针织品及编织品制造1763 丝针织品及编织品制造1769 其他针织品及编织品制造18 纺织服装、鞋、帽制造业1810 纺织服装制造1820 纺织面料鞋的制造1830 制帽19 皮革、毛皮、羽毛(绒)及其制品业1910 皮革鞣制加工192 皮革制品制造1921 皮鞋制造1922 皮革服装制造1923 皮箱、包(袋)制造1924 皮手套及皮装饰制品制造1929 其他皮革制品制造193 毛皮鞣制及制品加工1931 毛皮鞣制加工1932 毛皮服装加工1939 其他毛皮制品加工194 羽毛(绒)加工及制品制造1941 羽毛(绒)加工1942 羽毛(绒)制品加工20 木材加工及木、竹、藤、棕、草制品业201 锯材、木片加工2011 锯材加工2012 木片加工202 人造板制造2021 胶合板制造2022 纤维板制造2023 刨花板制造2029 其他人造板、材制造203 木制品制造2031 建筑用木料及木材组件加工2032 木容器制造2039 软木制品及其他木制品制造2040 竹、藤、棕、草制品制造21 家具制造业2110 木质家具制造2120 竹、藤家具制造2130 金属家具制造2140 塑料家具制造2190 其他家具制造22 造纸及纸制品业2210 纸浆制造222 造纸2221 机制纸及纸板制造2222 手工纸制造2223 加工纸制造223 纸制品制造2231 纸和纸板容器的制造2239 其他纸制品制造23 印刷业和记录媒介的复制231 印刷2311 书、报、刊印刷2312 本册印制2319 包装装潢及其他印刷2320 装订及其他印刷服务活动2330 记录媒介的复制24 文教体育用品制造业241 文化用品制造2411 文具制造2412 笔的制造2413 教学用模型及教具制造2414 墨水、墨汁制造2419 其他文化用品制造242 体育用品制造2421 球类制造2422 体育器材及配件制造2423 训练健身器材制造2424 运动防护用具制造2429 其他体育用品制造243 乐器制造2431 中乐器制造2432 西乐器制造2433 电子乐器制造2439 其他乐器及零件制造2440 玩具制造245 游艺器材及娱乐用品制造2451 露天游乐场所游乐设备制造2452 游艺用品及室内游艺器材制造25 石油加工、炼焦及核燃料加工业251 精炼石油产品的制造2511 原油加工及石油制品制造2512 人造原油生产2520 炼焦2530 核燃料加工26 化学原料及化学制品制造业261 基础化学原料制造2611 无机酸制造2612 无机碱制造2613 无机盐制造2614 有机化学原料制造2619 其他基础化学原料制造262 肥料制造2621 氮肥制造2622 磷肥制造2623 钾肥制造2624 复混肥料制造2625 有机肥料及微生物肥料制造2629 其他肥料制造263 农药制造2631 化学农药制造2632 生物化学农药及微生物农药制造264 涂料、油墨、颜料及类似产品制造2641 涂料制造2642 油墨及类似产品制造2643 颜料制造2644 染料制造2645 密封用填料及类似品制造265 合成材料制造2651 初级形态的塑料及合成树脂制造2652 合成橡胶制造2653 合成纤维单(聚合)体的制造2659 其他合成材料制造266 专用化学产品制造2661 化学试剂和助剂制造2662 专项化学用品制造2663 林产化学产品制造2664 炸药及火工产品制造2665 信息化学品制造2666 环境污染处理专用药剂材料制造2667 动物胶制造2669 其他专用化学产品制造267 日用化学产品制造2671 肥皂及合成洗涤剂制造2672 化妆品制造2673 口腔清洁用品制造2674 香料、香精制造2679 其他日用化学产品制造27 医药制造业2710 化学药品原药制造2720 化学药品制剂制造2730 中药饮片加工2740 中成药制造2750 兽用药品制造2760 生物、生化制品的制造2770 卫生材料及医药用品制造28 化学纤维制造业281 纤维素纤维原料及纤维制造2811 化纤浆粕制造2812 人造纤维(纤维素纤维)制造282 合成纤维制造2821 锦纶纤维制造2822 涤纶纤维制造2823 腈纶纤维制造2824 维纶纤维制造2829 其他合成纤维制造29 橡胶制品业291 轮胎制造2911 车辆、飞机及工程机械轮胎制造2912 力车胎制造2913 轮胎翻新加工2920 橡胶板、管、带的制造2930 橡胶零件制造2940 再生橡胶制造2950 日用及医用橡胶制品制造2960 橡胶靴鞋制造2990 其他橡胶制品制造30 塑料制品业3010 塑料薄膜制造3020 塑料板、管、型材的制造3030 塑料丝、绳及编织品的制造3040 泡沫塑料制造3050 塑料人造革、合成革制造3060 塑料包装箱及容器制造3070 塑料零件制造308 日用塑料制造3081 塑料鞋制造3082 日用塑料杂品制造3090 其他塑料制品制造31 非金属矿物制品业311 水泥、石灰和石膏的制造3111 水泥制造3112 石灰和石膏制造312 水泥及石膏制品制造3121 水泥制品制造3122 砼结构构件制造3123 石棉水泥制品制造3124 轻质建筑材料制造3129 其他水泥制品制造313 砖瓦、石材及其他建筑材料制造3131 粘土砖瓦及建筑砌块制造3132 建筑陶瓷制品制造3133 建筑用石加工3134 防水建筑材料制造3135 隔热和隔音材料制造3139 其他建筑材料制造314 玻璃及玻璃制品制造3141 平板玻璃制造3142 技术玻璃制品制造3143 光学玻璃制造3144 玻璃仪器制造3145 日用玻璃制品及玻璃包装容器制造3146 玻璃保温容器制造3147 玻璃纤维及制品制造3148 玻璃纤维增强塑料制品制造3149 其他玻璃制品制造315 陶瓷制品制造3151 卫生陶瓷制品制造3152 特种陶瓷制品制造3153 日用陶瓷制品制造3159 园林、陈设艺术及其他陶瓷制品制造316 耐火材料制品制造3161 石棉制品制造3162 云母制品制造3169 耐火陶瓷制品及其他耐火材料制造319 石墨及其他非金属矿物制品制造3191 石墨及碳素制品制造3199 其他非金属矿物制品制造32 黑色金属冶炼及压延加工业3210 炼铁3220 炼钢3230 钢压延加工3240 铁合金冶炼33 有色金属冶炼及压延加工业331 常用有色金属冶炼3311 铜冶炼3312 铅锌冶炼3313 镍钴冶炼3314 锡冶炼3315 锑冶炼3316 铝冶炼3317 镁冶炼3319 其他常用有色金属冶炼332 贵金属冶炼3321 金冶炼3322 银冶炼3329 其他贵金属冶炼333 稀有稀土金属冶炼3331 钨钼冶炼3332 稀土金属冶炼3339 其他稀有金属冶炼3340 有色金属合金制造335 有色金属压延加工3351 常用有色金属压延加工3352 贵金属压延加工3353 稀有稀土金属压延加工34 金属制品业341 结构性金属制品制造3411 金属结构制造3412 金属门窗制造342 金属工具制造3421 切削工具制造3422 手工具制造3423 农用及园林用金属工具制造3424 刀剪及类似日用金属工具制造3429 其他金属工具制造343 集装箱及金属包装容器制造3431 集装箱制造3432 金属压力容器制造3433 金属包装容器制造3440 金属丝绳及其制品的制造345 建筑、安全用金属制品制造3451 建筑、家具用金属配件制造3452 建筑装饰及水暖管道零件制造3453 安全、消防用金属制品制造3459 其他建筑、安全用金属制品制造3460 金属表面处理及热处理加工347 搪瓷制品制造3471 工业生产配套用搪瓷制品制造3472 搪瓷卫生洁具制造3479 搪瓷日用品及其他搪瓷制品制造348 不锈钢及类似日用金属制品制造3481 金属制厨房调理及卫生器具制造3482 金属制厨用器皿及餐具制造3489 其他日用金属制品制造349 其他金属制品制造3491 铸币及贵金属制实验室用品制造3499 其他未列明的金属制品制造35 通用设备制造业351 锅炉及原动机制造3511 锅炉及辅助设备制造3512 内燃机及配件制造3513 汽轮机及辅机制造3514 水轮机及辅机制造3519 其他原动机制造352 金属加工机械制造3521 金属切削机床制造3522 金属成形机床制造3523 铸造机械制造3524 金属切割及焊接设备制造3525 机床附件制造3529 其他金属加工机械制造3530 起重运输设备制造354 泵、阀门、压缩机及类似机械的制造3541 泵及真空设备制造3542 气体压缩机械制造3543 阀门和旋塞的制造3544 液压和气压动力机械及元件制造355 轴承、齿轮、传动和驱动部件的制造3551 轴承制造3552 齿轮、传动和驱动部件制造3560 烘炉、熔炉及电炉制造357 风机、衡器、包装设备等通用设备制造3571 风机、风扇制造3572 气体、液体分离及纯净设备制造3573 制冷、空调设备制造3574 风动和电动工具制造3575 喷枪及类似器具制造3576 包装专用设备制造3577 衡器制造3579 其他通用设备制造358 通用零部件制造及机械修理3581 金属密封件制造3582 紧固件、弹簧制造3583 机械零部件加工及设备修理3589 其他通用零部件制造359 金属铸、锻加工3591 钢铁铸件制造3592 锻件及粉末冶金制品制造36 专用设备制造业361 矿山、冶金、建筑专用设备制造3611 采矿、采石设备制造3612 石油钻采专用设备制造3613 建筑工程用机械制造3614 建筑材料生产专用机械制造3615 冶金专用设备制造362 化工、木材、非金属加工专用设备制造3621 炼油、化工生产专用设备制造3622 橡胶加工专用设备制造3623 塑料加工专用设备制造3624 木材加工机械制造3625 模具制造3629 其他非金属加工专用设备制造363 食品、饮料、烟草及饲料生产专用设备制造3631 食品、饮料、烟草工业专用设备制造3632 农副食品加工专用设备制造3633 饲料生产专用设备制造364 印刷、制药、日化生产专用设备制造3641 制浆和造纸专用设备制造3642 印刷专用设备制造3643 日用化工专用设备制造3644 制药专用设备制造3645 照明器具生产专用设备制造3646 玻璃、陶瓷和搪瓷制品生产专用设备制造3649 其他日用品生产专用设备制造365 纺织、服装和皮革工业专用设备制造3651 纺织专用设备制造3652 皮革、毛皮及其制品加工专用设备制造3653 缝纫机械制造3659 其他服装加工专用设备制造366 电子和电工机械专用设备制造3661 电工机械专用设备制造3662 电子工业专用设备制造3663 武器弹药制造3669 航空、航天及其他专用设备制造367 农、林、牧、渔专用机械制造3671 拖拉机制造3672 机械化农业及园艺机具制造3673 营林及木竹采伐机械制造3674 畜牧机械制造3675 渔业机械制造3676 农林牧渔机械配件制造3679 其他农林牧渔业机械制造及机械修理368 医疗仪器设备及器械制造3681 医疗诊断、监护及治疗设备制造3682 口腔科用设备及器具制造3683 实验室及医用消毒设备和器具的制造3684 医疗、外科及兽医用器械制造3685 机械治疗及病房护理设备制造3686 假肢、人工器官及植(介)入器械制造3689 其他医疗设备及器械制造369 环保、社会公共安全及其他专用设备制造3691 环境污染防治专用设备制造3692 地质勘查专用设备制造3693 邮政专用机械及器材制造3694 商业、饮食、服务业专用设备制造3695 社会公共安全设备及器材制造3696 交通安全及管制专用设备制造3697 水资源专用机械制造3699 其他专用设备制造37 交通运输设备制造业371 铁路运输设备制造3711 铁路机车车辆及动车组制造3712 工矿有轨专用车辆制造3713 铁路机车车辆配件制造3714 铁路专用设备及器材、配件制造3719 其他铁路设备制造及设备修理372 汽车制造3721 汽车整车制造3722 改装汽车制造3723 电车制造3724 汽车车身、挂车的制造3725 汽车零部件及配件制造3726 汽车修理373 摩托车制造3731 摩托车整车制造3732 摩托车零部件及配件制造374 自行车制造3741 脚踏自行车及残疾人座车制造3742 助动自行车制造375 船舶及浮动装置制造3751 金属船舶制造3752 非金属船舶制造3753 娱乐船和运动船的建造和修理3754 船用配套设备制造3755 船舶修理及拆船3759 航标器材及其他浮动装置的制造376 航空航天器制造3761 飞机制造及修理3762 航天器制造3769 其他飞行器制造379 交通器材及其他交通运输设备制造3791 潜水及水下救捞装备制造3792 交通管理用金属标志及设施制造3799 其他交通运输设备制造39 电气机械及器材制造业391 电机制造3911 发电机及发电机组制造3912 电动机制造3919 微电机及其他电机制造392 输配电及控制设备制造3921 变压器、整流器和电感器制造3922 电容器及其配套设备制造3923 配电开关控制设备制造3924 电力电子元器件制造3929 其他输配电及控制设备制造393 电线、电缆、光缆及电工器材制造3931 电线电缆制造3932 光纤、光缆制造3933 绝缘制品制造3939 其他电工器材制造3940 电池制造395 家用电力器具制造3951 家用制冷电器具制造3952 家用空气调节器制造3953 家用通风电器具制造3954 家用厨房电器具制造3955 家用清洁卫生电器具制造3956 家用美容、保健电器具制造3957 家用电力器具专用配件制造3959 其他家用电力器具制造396 非电力家用器具制造3961 燃气、太阳能及类似能源的器具制造3969 其他非电力家用器具制造397 照明器具制造3971 电光源制造3972 照明灯具制造3979 灯用电器附件及其他照明器具制造399 其他电气机械及器材制造3991 车辆专用照明及电气信号设备装置制造3999 其他未列明的电气机械制造40 通信设备、计算机及其他电子设备制造业401 通信设备制造4011 通信传输设备制造4012 通信交换设备制造4013 通信终端设备制造4014 移动通信及终端设备制造4019 其他通信设备制造4020 雷达及配套设备制造403 广播电视设备制造4031 广播电视节目制作及发射设备制造4032 广播电视接收设备及器材制造4039 应用电视设备及其他广播电视设备制造404 电子计算机制造4041 电子计算机整机制造4042 计算机网络设备制造4043 电子计算机外部设备制造405 电子器件制造4051 电子真空器件制造4052 半导体分立器件制造4053 集成电路制造4059 光电子器件及其他电子器件制造406 电子元件制造4061 电子元件及组件制造4062 印制电路板制造407 家用视听设备制造4071 家用影视设备制造4072 家用音响设备制造4090 其他电子设备制造41 仪器仪表及文化、办公用机械制造业411 通用仪器仪表制造4111 工业自动控制系统装置制造4112 电工仪器仪表制造4113 绘图、计算及测量仪器制造4114 实验分析仪器制造4115 试验机制造4119 供应用仪表及其他通用仪器制造412 专用仪器仪表制造4121 环境监测专用仪器仪表制造4122 汽车及其他用计数仪表制造4123 导航、气象及海洋专用仪器制造4124 农林牧渔专用仪器仪表制造4125 地质勘探和地震专用仪器制造4126 教学专用仪器制造4127 核子及核辐射测量仪器制造4128 电子测量仪器制造4129 其他专用仪器制造4130 钟表与计时仪器制造414 光学仪器及眼镜制造4141 光学仪器制造4142 眼镜制造415 文化、办公用机械制造4151 电影机械制造4152 幻灯及投影设备制造4153 照相机及器材制造4154 复印和胶印设备制造4155 计算器及货币专用设备制造4159 其他文化、办公用机械制造4190 其他仪器仪表的制造及修理42 工艺品及其他制造业421 工艺美术品制造4211 雕塑工艺品制造4212 金属工艺品制造4213 漆器工艺品制造4214 花画工艺品制造4215 天然植物纤维编织工艺品制造4216 抽纱刺绣工艺品制造4217 地毯、挂毯制造4218 珠宝首饰及有关物品的制造4219 其他工艺美术品制造422 日用杂品制造4221 制镜及类似品加工4222 鬃毛加工、制刷及清扫工具的制造4229 其他日用杂品制造4230 煤制品制造4240 核辐射加工4290 其他未列明的制造业43 废弃资源和废旧材料回收加工业4310 金属废料和碎屑的加工处理4320 非金属废料和碎屑的加工处理D 电力、燃气及水的生产和供应业44 电力、热力的生产和供应业441 电力生产4411 火力发电4412 水力发电4413 核力发电4419 其他能源发电4420 电力供应4430 热力生产和供应45 燃气生产和供应业4500 燃气生产和供应业46 水的生产和供应业4610 自来水的生产和供应4620 污水处理及其再生利用4690 其他水的处理、利用与分配E 建筑业47 房屋和土木工程建筑业4710 房屋工程建筑472 土木工程建筑4721 铁路、道路、隧道和桥梁工程建筑4722 水利和港口工程建筑4723 工矿工程建筑4724 架线和管道工程建筑4729 其他土木工程建筑48 建筑安装业4800 建筑安装业49 建筑装饰业4900 建筑装饰业50 其他建筑业5010 工程准备5020 提供施工设备服务5090 其他未列明的建筑活动F 交通运输、仓储和邮政业51 铁路运输业5110 铁路旅客运输5120 铁路货物运输513 铁路运输辅助活动5131 客运火车站5132 货运火车站5139 其他铁路运输辅助活动52 道路运输业5210 公路旅客运输5220 道路货物运输523 道路运输辅助活动5231 客运汽车站5232 公路管理与养护5239 其他道路运输辅助活动53 城市公共交通业5310 公共电汽车客运5320 轨道交通5330 出租车客运5340 城市轮渡5390 其他城市公共交通54 水上运输业541 水上旅客运输5411 远洋旅客运输5412 沿海旅客运输5413 内河旅客运输542 水上货物运输5421 远洋货物运输5422 沿海货物运输5423 内河货物运输543 水上运输辅助活动5431 客运港口5432 货运港口5439 其他水上运输辅助活动55 航空运输业551 航空客货运输5511 航空旅客运输5512 航空货物运输5520 通用航空服务553 航空运输辅助活动5531 机场5532 空中交通管理5539 其他航空运输辅助活动56 管道运输业5600 管道运输业57 装卸搬运和其他运输服务业5710 装卸搬运5720 运输代理服务58 仓储业5810 谷物、棉花等农产品仓储5890 其他仓储59 邮政业5910 国家邮政5990 其他寄递服务G 信息传输、计算机服务和软件业60 电信和其他信息传输服务业601 电信6011 固定电信服务6012 移动电信服务6019 其他电信服务6020 互联网信息服务603 广播电视传输服务6031 有线广播电视传输服务6032 无线广播电视传输服务6040 卫星传输服务61 计算机服务业6110 计算机系统服务6120 数据处理6130 计算机维修6190 其他计算机服务62 软件业621 公共软件服务6211 基础软件服务6212 应用软件服务6290 其他软件服务H 批发和零售业63 批发业631 农畜产品批发6311 谷物、豆及薯类批发6312 种子、饲料批发6313 棉、麻批发6314 牲畜批发6319 其他农畜产品批发632 食品、饮料及烟草制品批发6321 米、面制品及食用油批发6322 糕点、糖果及糖批发6323 果品、蔬菜批发6324 肉、禽、蛋及水产品批发6325 盐及调味品批发6326 饮料及茶叶批发6327 烟草制品批发6329 其他食品批发633 纺织、服装及日用品批发6331 纺织品、针织品及原料批发6332 服装批发6333 鞋帽批发6334 厨房、卫生间用具及日用杂货批发6335 化妆品及卫生用品批发6339 其他日用品批发634 文化、体育用品及器材批发6341 文具用品批发6342 体育用品批发6343 图书批发6344 报刊批发6345 音像制品及电子出版物批发6346 首饰、工艺品及收藏品批发6349 其他文化用品批发635 医药及医疗器材批发6351 西药批发6352 中药材及中成药批发6353 医疗用品及器材批发636 矿产品、建材及化工产品批发6361 煤炭及制品批发6362 石油及制品批发6363 非金属矿及制品批发6364 金属及金属矿批发6365 建材批发6366 化肥批发6367 农药批发6368 农用薄膜批发6369 其他化工产品批发637 机械设备、五金交电及电子产品批发6371 农业机械批发6372 汽车、摩托车及零配件批发6373 五金、交电批发6374 家用电器批发6375 计算机、软件及辅助设备批发6376 通讯及广播电视设备批发6379 其他机械设备及电子产品批发6380 贸易经纪与代理639 其他批发6391 再生物资回收与批发6399 其他未列明的批发65 零售业651 综合零售6511 百货零售6512 超级市场零售6519 其他综合零售652 食品、饮料及烟草制品专门零售6521 粮油零售6522 糕点、面包零售6523 果品、蔬菜零售6524 肉、禽、蛋及水产品零售6525 饮料及茶叶零售6526 烟草制品零售6529 其他食品零售653 纺织、服装及日用品专门零售6531 纺织品及针织品零售6532 服装零售6533 鞋帽零售6534 钟表、眼镜零售6535 化妆品及卫生用品零售6539 其他日用品零售654 文化、体育用品及器材专门零售6541 文具用品零售6542 体育用品零售6543 图书零售6544 报刊零售6545 音像制品及电子出版物零售6546 珠宝首饰零售6547 工艺美术品及收藏品零售6548 照相器材零售6549 其他文化用品零售655 医药及医疗器材专门零售6551 药品零售6552 医疗用品及器材零售656 汽车、摩托车、燃料及零配件专门零售6561 汽车零售6562 汽车零配件零售。
国民经济行业分类与代码1. 简介国民经济行业分类与代码,简称行业分类代码,是指根据国民经济活动的性质和功能,对各个行业进行分类,并为每个行业分配一个唯一的代码。
行业分类代码在各个国家和地区都有所不同,是统计、汇报、研究和政策制定等领域的重要工具。
在中国,国民经济行业分类与代码是由国家统计局负责制定和发布的,目前最新的版本为《国民经济行业分类与代码》(GB/T 4754-2017)。
该标准是依据我国国情、国际通行的分类原则和方法,对各个行业进行了细致的划分,并为每个行业设置了6位数字代码。
2. 分类原则与方法国民经济行业分类与代码的划分依据主要有以下几个方面:2.1 行业的性质和功能行业的性质和功能是划分行业分类的基础。
通常,一个行业具有一定的生产和经营活动,其目标是提供一种或多种商品或服务,满足人们的需求。
行业的性质和功能可以通过行业所属的生产和经营活动来确定。
2.2 行业的组织形式和管理方式行业的组织形式和管理方式是划分行业分类的重要因素之一。
不同的行业具有不同的组织形式和管理方式,这也直接影响到行业的经济特征和运作方式。
2.3 行业间的关联性和依赖性行业与行业之间存在着一定的关联性和依赖性。
某些行业的发展离不开其他行业的支持,而其他行业的发展也取决于某些行业的需求。
通过研究行业之间的关联性和依赖性,可以更好地划分行业分类。
2.4 国际行业分类标准的参考国际行业分类标准是国民经济行业分类与代码制定的重要参考依据。
各个国家和地区都有自己的行业分类标准,而国际行业分类标准可以作为一个通用的参考框架,为不同国家和地区之间的比较和统计提供便利。
3. 行业分类与代码的结构国民经济行业分类与代码的结构如下:代码分类名称A 农、林、牧、渔业B 采矿业C 制造业D 电力、热力、燃气及水生产和供应业E 建筑业F 批发和零售业G 交通运输、仓储和邮政业H 住宿和餐饮业I 信息传输、软件和信息技术服务业J 金融业K 房地产业L 租赁和商务服务业M 科学研究和技术服务业N 水利、环境和公共设施管理业O 居民服务、修理和其他服务业P 教育Q 卫生和社会工作R 文化、体育和娱乐业S 综合4. 应用与意义国民经济行业分类与代码在统计、汇报、研究和政策制定等领域具有重要的应用与意义:4.1 统计和汇报行业分类代码可以统计和汇总各个行业的经济指标和统计数据,为国家和地区的经济宏观调控提供依据。
附件 3:国民经济行业分类与代码〔GB/T 4754-94〕门类大类中类类别名称门类大类中类类别名称A农、林、牧、渔业102 化学矿采选业01 农业103 采盐业011 种植业109 其他非金属矿采选业019 其他农业11 110 其他矿采选业02030405 020 林业12 木材及竹材采运业畜牧业121 木材采运业031 牲畜饲养放牧业122 竹材采运业032 家禽饲养业C制造业033 狩错业13 食品加工业039 其他畜牧业131 粮食及饲料加工业渔业132 植物油加工业041 海洋渔业133 制糖业042 淡水渔业134 屠宰及肉类蛋类加工业农林牧渔效劳业135 水产品加工业051 农业效劳业136 盐加工业052 林业效劳业139 其他食品加工业053 畜牧兽医效劳业14 食品制造业054 渔业效劳业141 糕点、糖果制造业059 其他农、林、牧、渔142 乳制品制造业效劳业143 罐头食品制造业门类大类中类类别名称 门类大类中类类别名称服装及其他纤维制品252原油加工业18制造业B 0607080910采掘业 144 发酵制品业 煤炭采选业145 调味品制造业 061 煤炭开采业149其他食品制造业 062煤炭洗选业 15饮料制造业石油和自然气开采业 151 酒精及饮料酒制造业 071 自然原油开采业152软饮料制造业 072 自然气开采业 16烟草加工业073油业岩开采业 161 烟叶复烤业黑色金属矿采选业 162 卷烟制造业 081 铁矿采选业169其他烟草加工业082其他黑色金属矿采选业 17纺织业有色金属矿采选业 171 纤维原料初步加工业091 重有色金属矿采选业 172 棉纺织业 093 轻有色金属矿采选业 174 毛纺织业 095贵金属矿采选业 176 麻纺织业 096稀有稀土金属矿采选业 177 丝绢纺织业非金属矿采选业 178 针织品业 101土砂石开采业179其他纺织业19木材加工及竹、藤、棕、草制品业202122 268 日用化学产品制造业181 服装制造业253 石油制品业182 制帽业257 炼焦业183 制鞋业26 化学原料及化学制品制造业189 其他纤维制品制造业261 根本化学原料制造业皮革、毛皮、羽绒及其制品业262 化学肥料制造业191 制革业263 化学农药制造业192 皮革制品制造业265 有机化学产品制造业193 毛皮鞣制及制品业266 合成材料制造业195 羽毛〔绒〕加工及制品业267 专用化学产品制造业201 锯材、木片加工业27 医药制造业202 人造板制造业271 化学药品原药制造业203 木制品业272 化学药品制剂制造业204 竹、藤、棕、草制品业273 中药材及中成药加工业家具制造业274 动物药品制造业211 木制家具制造业275 生物制品业212 竹、藤家具制造业28 化学纤维制造业213 金属家具制造业281 纤维素纤维制造业214 塑料家具制造业282 合成纤维制造业219 221 其他家具制造业造纸及纸制品业纸浆制造业28529291渔具及渔具材料制造业橡胶制品业轮胎制造业23 24249其他类未包括的文教体育用品制造业303塑料丝、绳及编织品制造业石油加工及炼焦业泡沫塑料及人造革、合成30425251人造原油生产业革制造业222 造纸业 292 力车轮胎制造业 223纸制品业293 橡胶板、管、带制造业印刷业、记录媒介的复制294 橡胶零件制品业 231 印刷业 295 再生橡胶制造业 232记录媒介的复制 296 橡胶靴鞋制造业文教体育用品制造业 297 日用橡胶制品业 241 文化用品制造业 298 橡胶制品翻修业 242 体育用品制造业299其他橡胶制品业 243 乐器及其他文娱用品制造业30塑料制品业 244 玩具制造业 301 塑料薄膜制造业 245游艺器材制造业302 塑料板、管、棒材制造业门类大类 中类 类别名称门类大类 中类 类别名称 305 塑料包装箱及容器制造业346 建筑用金属制品业 306 塑料鞋制造业 347金属外表处理及热处理307 日用塑料杂品制造业业308 塑料零件制造业 348 日用金属制品业309其他塑料制品业349其他金属制品业 31非金属矿物制品业35一般机械制造业3233 311 水泥制造业351 锅炉及原动机制造业312 水泥制品和石棉水泥制品352 金属加工机械制造业业353 通用设备制造业313 砖瓦、石灰和轻质建筑材料354 轴承、阀门制造业制造业356 其他通用零部件制造业314 玻璃及玻璃制造业357 铸锻件制造业315 陶瓷制品业358 一般机械修理业316 耐火材料制品业359 其他一般机械制造业317 石墨及碳素制品业36 专用设备制造业318 矿物纤维及其制品业361 冶金、矿山、机电工业专319 其他类未包括的非金属矿用设备制造业物制品业黑色金属冶炼及压延加工业362 石化及其他工业专用设备制造业321 炼铁业363 轻纺工业专用设备制造业322 炼钢业364 农、林、牧、渔、水利业324 钢压延加工业机械制造业326 铁合金冶炼业365 医疗器械制造业有色金属冶炼及压延加工业367 其他专用设备制造业331 重有色金属冶炼业368 专用机械设备修理业332 轻有色金属冶炼业交通运输设备制造业333 贵金属冶炼业37371 铁路运输设备制造业334 稀有稀土金属冶炼业372 汽车制造业34 41 336 有色金属合金业373 摩托车制造业338 有色金属压延加工业374 自行车制造业金属制品业375 电车制造业341 金属构造制造业376 船舶制造业342 铸铁管制造业377 航空航天器制造业343 工具制造业378 交通运输设备修理业344 集装箱和金属包装物品制379 其他交通运输设备制造业造业390 武器弹药制造业345 金属丝绳及其制品业3940电气机械及器材制造业门类大类中类类别名称门类大类中类类别名称401 电机制造业45 煤气生产和供给业402 输配电及把握设备制造业451 煤气生产业404 电工器材制造业452 煤气供给业406 日用电器制造业46 自来水的生产和供给业407 照明器具制造业461 自来水生产业408 电气机械修理业462 自来水供给业409 其他电气机械制造业E建筑业411 电子及通信设备制造业通信设备制造业47471土木工程建筑业房屋建筑业412 雷达制造业472 矿山建筑业413 播送电视设备制造业473 铁路、大路、隧道、4243 414 电子计算机制造业桥梁建筑业415 电子器件制造业474 堤坝、电站、码头建筑业416 电子元件制造业479 其他土木工程建筑业417 日用电子器具制造业48 线路、管道和设备安装业418 电子设备及通信设备修理业481 线路、管道安装业419 其他电子设备制造业482 设备安排业仪器仪表及文化、办公用49 490 装修装饰业机械制造业F地质勘查业、水利治理业421 通用仪器仪表制造业50 地质勘查业422 专用仪器仪表制造业501 区域地质勘查业423 电子测量仪器制造业502 海洋地质勘查业424 计量器用制造业503 矿产地质勘查业425 文化、办公用机械制造业504 工程地质勘查业426 钟表制造业505 环境地质勘查业428 仪器仪表及文化、办公用506 地球物理和地球化学勘查业机械修理业509 地质工程技术及其他技术429 其他仪器仪表制造业效劳业其他制造业51 510 水利治理业431 工艺美术品制造业交通运输、仓储及邮电通435G日用杂品制造业信业439 其他生产、生活用品制造业52520 铁路运输业电力、煤气及水的生产和53大路运输业571 大路治理及养护业〔中类代码和类别名称略〕572 港口业 76居民效劳业573 水运关心业 〔中类代码和类别名称略〕 574 机场及航空运输关心业78 780 旅馆业 575 装卸搬运业 79 790 租赁效劳业 579其他类未包括的交通80 800 旅游业 运输关心业81 810消遣效劳业 58580 其他交通运输业82 信息、询问效劳业供给业531 汽车运输业 D电力、蒸汽、热水的生产539其他大路运输业 44和供给业54 540管道运输业 441 电力生产业 55水上运输业442 电力供给业551 远洋运输业443蒸汽、热水生产和供给业552沿海运输业门类大类 中类 类别名称 门类 大类中类 类别名称 553 内河、内湖运输业 J房地产业559其他水上运输业 72 720 房地产开发与经营业 56航空运输业73 730 房地产治理业 561 航空客货运输业74740房地产经纪与代理业57562通用航空业交通运输关心业K75社会效劳业公共设施效劳业H品批发业〔中类代码和类别名称略〕〔中类代码和类别名称略〕62能源、材料和机械电子L85 卫生、体育和社会福利业卫生设备批发业〔中类代码和类别名称略〕〔中类代码和类别名称略〕86 体育63其他批发业〔中类代码和类别名称略〕〔中类代码和类别名称略〕87 社会福利保障业64零售业〔中类代码和类别名称略〕〔中类代码和类别名称略〕65650 商业经纪与代理业67餐饮业〔中类代码和类别名称略〕金融、保险业68教育、文化艺术及播送电M影电视业89教育〔中类代码和类别名称略〕90文化艺术事业I681金融业中心银行901 艺术902 出版59 590 仓储业〔中类代码和类别名称略〕60 邮电通信业83 计算机应用效劳业601 邮政业831 软件开发询问业602 电信业832 数据处理业603 邮电业833 数据库效劳业批发和零售贸易、餐饮业834 计算机设备维护询问业61 食品、饮料、烟草和家庭用84 其他社会效劳业门类大类中类 类别名称 门类 大类中类 类别名称 905 档案馆 O国家机关、政党机关906 群众文化和社会团体907 闻94 940 国家机关 908 文化艺术经纪与代理业 95 950 政党机关909其他文化艺术业96 960社会团体91N9293〔其他中类代码和类别名称略〕903 文物保护 70700 保险业904图书馆播送电影电视业97基层群众自治组织911 播送 971 居委委员会 912 电影 972村民委员会 913电视P其他行业科学争论和综合技术99991 企业治理机构 效劳业 999其他类未包括的行业科学争论业 921 自然科学争论 922社会科学争论 923其他科学争论综合技术效劳业931 气象 932地震933 测绘934 技术监视935 海洋环境936 环境保护937 技术推广和科技沟通效劳业398 工程设计业393 其他综合技术效劳业。
国民经济行业分类和代码20171. 引言国民经济行业分类和代码是指对一个国家或地区的经济活动进行分类和编码,以便进行统计和分析。
该分类和代码体系的编制旨在全面、准确地反映国家或地区的经济结构,提供数据支持和决策依据。
本文将介绍国内常用的国民经济行业分类和代码体系,包括分类原则、分类框架以及主要代码等。
2. 国民经济行业分类原则国民经济行业分类的编制应符合以下原则:2.1 经济活动的内在联系原则:将经济活动按其内在联系和功能归于相应的行业分类中,以体现不同行业之间的相互依赖和协同发展。
2.2 经济活动的统计要求原则:根据统计的需要,将经济活动按照一定规则进行分类和代码编制,便于数据的统计、汇总和分析。
2.3 国际比较的一致性原则:在编制国民经济行业分类和代码时,应尽量与国际上常用的分类体系保持一致,以便进行国际比较和交流。
3. 国民经济行业分类框架国民经济行业分类和代码2017年版主要由大类、中类、小类和细类四个层次构成。
下面将对各层次进行简要介绍:3.1 大类(Section)大类是国民经济行业分类体系的最高层次,共分为17个大类,代表了国民经济的17个重要领域,如农、林、牧、渔业、采矿业、制造业等。
3.2 中类(Division)中类位于大类下级,共分为58个中类,进一步细化了各大类下的经济活动。
比如在制造业大类下,中类可以是食品、纺织、化工等。
3.3 小类(Group)小类是中类下的次级分类,共有了数百个小类。
在农、林、牧、渔业中类下,小类可以是种植业、畜牧业、渔业等。
3.4 细类(Class)细类是小类下的最细粒度分类,具体定义了各个具体经济活动。
在制造业中类的食品小类下,细类可以是谷物磨制粉加工、肉制品加工等。
4. 主要代码的说明为了对经济活动进行标识和编码,国民经济行业分类和代码体系还采用了一套代码规则。
代码由数字和字母组成,具体规则如下:4.1 大类代码大类代码是由一个数字表示,范围为01-17,代表国民经济的17个大类。
国民经济行业分类代码表
说明
本标准规定了我国经济活动的行业分类及代码。
本标准适用于在计划、统计、财政、税收、工商行政管理等国家宏观管理及部门管理中,对经济活动进行的行业分类。
划分行业的原则本标准采用经济活动的同质性原则划分国民经济行业。
即每一个行业类别都按照同一种经济活动的性质划分,而不是依据编制、会计制度或部门管理等划分。
门类用一个英文字母表示,即用字母A、B、C……顺次代表不同门类。
大、中、小类依据等级制和完全十进制,用三层四位阿拉伯数字表示。
大类代码由前两位数字组成,采用层次编码法和数字顺序编码法,打破门类的界限,从01开始依据大类分类体系的排列次序按升序赋码;中类代码由前三位数字组成,第三位为中类的顺序码;小类代码由四位数字组成,第四位为小类的顺序码。
中、小类的顺序码分别从1开始,按升序排列,最多编到9。
如74表示大类“商务服务业”,743表示中类“咨询与调查”,7431表示小类“会计、审计及税务服务”。
国民经济行业分类代码表(一)
国民经济行业分类代码表(二)
国民经济行业分类代码表(三)
国民经济行业分类代码表(四)
国民经济行业分类代码表(五)
国民经济行业分类代码表(六)
国民经济行业分类代码表(七)
国民经济行业分类代码表(八)
国民经济行业分类代码表(九)
国民经济行业分类代码表(十)。
目 录A—农、林、牧、渔业 01—农业 (1)A—农、林、牧、渔业 01—农业 (1)A—农、林、牧、渔业 02—林业 (1)A—农、林、牧、渔业 03—畜牧业 (1)A—农、林、牧、渔业 04—渔业 (1)A—农、林、牧、渔业 05—农、林、牧、渔服务业 (1)B—采矿业 06—煤炭开采和洗选业 (2)B—采矿业 07—石油和天然气开采业 (2)B—采矿业 08—黑色金属矿采选业 (2)B—采矿业 09—有色金属矿采选业 (2)B—采矿业 10—非金属矿采选业 (2)B—采矿业 11—其他采矿业 (2)C—制造业 13—农副食品加工业 (2)C—制造业 14—食品制造业 (3)C—制造业 15—饮料制造业 (3)C—制造业 16—烟草制品业 (4)C—制造业 17—纺织业 (4)C—制造业 18—纺织服装、鞋、帽制造业 (4)C—制造业 19—皮革、毛皮、羽毛(绒)及其制品业 (4)C—制造业 20—木材加工及木、竹、藤、棕、草制品业 (5)C—制造业 21—家具制造业 (5)C—制造业 22—造纸及纸制品业 (5)C—制造业 23—印刷业和记录媒介的复制 (5)C—制造业 24—文教体育用品制造业 (5)C—制造业 25—石油加工、炼焦及核燃料加工业 (6)C—制造业 26—化学原料及化学制品制造业 (6)C—制造业 27—医药制造业 (7)C—制造业 28—化学纤维制造业 (7)C—制造业 29—橡胶制品业 (7)C—制造业 30—塑料制品业 (7)C—制造业 31—非金属矿物制品业 (8)C—制造业 32—黑色金属冶炼及压延加工业 (9)C—制造业 33—有色金属冶炼及压延加工业 (9)C—制造业 34—金属制品业 (9)C—制造业 35—普通机械制造业 (10)C—制造业 36—专用设备制造业 (11)C—制造业 37—交通运输设备制造业 (12)C—制造业 39—电气机械及器材制造业 (13)C—制造业 40—通信设备、计算机及其他电子设备制造业 (13)C—制造业 41—仪器仪表及文化、办公用机械制造业 (14)C—制造业 42—工艺品及其他制造业 (15)C—制造业 43—废弃资源和废旧材料回收加工业 (15)D—电力、燃气及水的生产和供应业 44—电力、燃气及水的生产和供应业 (15)D—电力、燃气及水的生产和供应业 45—燃气生产和供应业 (15)D—电力、燃气及水的生产和供应业 46—水的生产和供应业 (15)E—建筑业 47—房屋和土木工程建筑业 (15)E—建筑业 48—建筑安装业 (15)E—建筑业 49—建筑装饰业 (16)E—建筑业 50—其他建筑业 (16)F—交通运输、仓储和邮政业 51—铁路运输业 (16)F—交通运输、仓储和邮政业 52—道路运输业 (16)F—交通运输、仓储和邮政业 53—城市公共交通业 (16)F—交通运输、仓储和邮政业 54—水上运输业 (16)F—交通运输、仓储和邮政业 55—航空运输业 (16)F—交通运输、仓储和邮政业 56—管道运输业 (16)F—交通运输、仓储和邮政业 57—装卸搬运及其他运输服务业 (16)F—交通运输、仓储和邮政业 58—仓储业 (16)F—交通运输、仓储和邮政业 59—邮政业 (17)G—信息传输、计算机服务和软件业 60—电信和其他信息传输服务业 (17)G—信息传输、计算机服务和软件业 61—计算机服务业 (17)G—信息传输、计算机服务和软件业 62—软件业 (17)H—批发和零售业 63—批发业 (17)H—批发和零售业 65—零售业 (18)I—住宿和餐饮业 66—住宿业 (19)I—住宿和餐饮业 67—餐饮业 (19)J—金融业 68—银行业 (20)J—金融业 69—证券业 (20)J—金融业 70—保险业 (20)J—金融业 71—其他金融活动 (20)K—房地产业 72—房地产业 (20)L—租赁和商务服务业 73—租赁业 (20)L—租赁和商务服务业 74—商务服务业 (20)M—科学研究、技术服务和地质勘查业 75—研究与试验发展 (21)M—科学研究、技术服务和地质勘查业 76—专业技术服务业 (21)M—科学研究、技术服务和地质勘查业 77—科技交流和推广服务业 (21)M—科学研究、技术服务和地质勘查业 78—地质勘查 (21)N—水利、环境和公共设施管理业 79—水利管理业 (21)N—水利、环境和公共设施管理业 80—环境管理业 (22)N—水利、环境和公共设施管理业 81—公共设施管理 (22)O—居民服务和其他服务业 82—居民服务业 (22)O—居民服务和其他服务业 83—其他服务业 (22)P—教育 84—教育 (22)Q—卫生、社会保障和社会福利业 85—卫生 (23)Q—卫生、社会保障和社会福利业 86—社会保障业 (23)Q—卫生、社会保障和社会福利业 87—社会福利业 (23)R—文化、体育和娱乐业 88—新闻出版业 (23)R—文化、体育和娱乐业 89—广播、电视、电影和音像业 (23)R—文化、体育和娱乐业 90—文化艺术业 (23)R—文化、体育和娱乐业 91—体育 (24)R—文化、体育和娱乐业 92—娱乐业 (24)S—公共管理与社会组织 93—中国共产党机关 (24)S—公共管理与社会组织 95—人民政协和民主党派 (24)S—公共管理与社会组织 96—群众社团、社会团体和宗教组织 (24)S—公共管理与社会组织 97—基层群众自治组织 (24)T—国际组织 98—国际组织 (25)。
附件1:国民经济行业分类(GB/T 4754-2011)1 范围本标准规定了全社会经济活动的分类与代码。
本标准适用于在统计、计划、财政、税收、工商等国家宏观管理中,对经济活动的分类,并用于信息处理和信息交换。
2 术语和定义下列术语和定义适用于本文件。
2.1 行业 industry行业(或产业)是指从事相同性质的经济活动的所有单位的集合。
2.2 主要活动 principal activity当一个单位对外从事两种以上的经济活动时,占其单位增加值份额最大的一种活动称为主要活动。
如果无法用增加值确定单位的主要活动,可依据销售收入、营业收入或从业人员确定主要活动。
与主要活动相对应的是次要活动和辅助活动。
次要活动是指一个单位对外从事的所有经济活动中,除主要活动以外的经济活动。
辅助活动是指一个单位的全部活动中,不对外提供产品和劳务的活动。
辅助活动是为保证本单位主要活动和次要活动正常运转而进行的一种内部活动。
2.3 单位 unit本标准中的单位是指有效地开展各种经济活动的实体,是划分国民经济行业的载体。
2.4 产业活动单位 establishment产业活动单位是法人单位的附属单位。
产业活动单位应具备下列条件:——在一个场所从事一种或主要从事一种经济活动;——相对独立地组织生产、经营或业务活动;——能够掌握收入和支出等资料。
2.5 法人单位 corporate unit具备下列条件的单位为法人单位:——依法成立,有自己的名称、组织机构和场所,能够独立承担民事责任;——独立拥有和使用(或授权使用)资产,承担负债,有权与其他单位签定合同;——会计上独立核算,能够编制资产负债表。
3 分类的原则和规定3.1 划分行业的原则本标准采用经济活动的同质性原则划分国民经济行业。
即每一个行业类别按照同一种经济活动的性质划分,而不是依据编制、会计制度或部门管理等划分。
3.2 行业分类的基本单位根据联合国《所有经济活动的国际标准产业分类》(ISIC Rev. 4),本标准主要以产业活动单位和法人单位作为划分行业的单位。
经济行业分类及代码一、引言在现代经济体系中,行业分类是对经济活动进行组织和管理的重要手段之一。
各国都有不同的经济行业分类体系,旨在将相关产业和企业进行归类,并为统计、监管、政策制定等提供便利。
本文将介绍我国现行的经济行业分类及其代码,以及分类的目的和意义。
二、经济行业分类及代码我国目前采用的经济行业分类标准是国民经济行业分类(GB/T 4754-2017),该标准是根据国际标准进行修订的第四版,于2017年发布。
该标准将经济行业划分为21个大类、87个中类和304个小类,每个类别都有唯一的代码,以便于识别和辨别。
1. 第一大类:农、林、牧、渔业本类包括农业、林业、畜牧业、渔业等与自然资源利用和农产品生产相关的行业。
代码范围为A01至A09。
2. 第二大类:采矿业本类包括煤炭开采和洗选业、石油和天然气开采业、黑色金属矿采选业、有色金属矿采选业等具有矿产资源利用特点的行业。
代码范围为B06至B39。
3. 第三大类:制造业本类包括食品制造业、饮料制造业、纺织业、化学纤维制造业、石油加工、炼焦及核燃料加工业等具有生产商品特征的行业。
代码范围为C10至C39。
4. 第四大类:电力、燃气及水的生产和供应业本类包括电力、热力生产和供应业、燃气生产和供应业、水的生产和供应业等与能源和公用事业相关的行业。
代码范围为D44至D49。
5. 第五大类:建筑业本类包括房屋建筑业、土木工程建筑业、建筑安装业等与建筑相关的行业。
代码范围为E50至E59。
6. 第六大类:批发和零售业本类包括农、林、牧、渔产品批发业、食品、饮料及烟草制品批发业、纺织、服装及家庭用品批发业等与商品流通相关的行业。
代码范围为F60至F70。
7. 第七大类:交通运输、仓储和邮政业本类包括铁路运输业、道路运输业、城市公共交通业、水上运输业、航空运输业、管道运输业、装卸搬运和仓储业、邮政业等与交通运输和物流相关的行业。
代码范围为G72至H82。
8. 第八大类:住宿和餐饮业本类包括旅游饭店业、休闲健身娱乐业、餐饮业等与服务行业相关的行业。
国民经济行业分类与代码一、引言国民经济行业分类与代码是对国民经济各行业进行系统分类和编号的一种标准化,旨在为经济统计、产业分析、政策制定等提供准确、统一的基础数据。
本文将介绍国民经济行业分类与代码的基本概念、分类体系和应用等方面的内容。
二、国民经济行业分类的基本概念国民经济行业分类是将各种经济活动按照其性质和功能特征进行划分的体系,可理解为经济活动的大类和细分领域。
它是国民经济核算的基础,也是统计经济活动的重要参考依据。
三、国民经济行业分类的分类体系国民经济行业分类体系有多种,其中较为常用的包括“国民经济行业分类(GB/T 4754-2017)”和“国民经济行业分类(GB/T 4754-2002)”。
这些分类体系主要以经济活动的性质和功能作为划分依据,将经济活动划分为不同的行业。
例如,GB/T 4754-2017分类体系将经济活动分为了31个大类和195个中类,每个中类还可根据需要进一步细分为若干小类。
四、国民经济行业分类代码的含义国民经济行业分类代码是对国民经济行业分类进行编号的一种标识符号。
代码的设置旨在将各个行业进行唯一标识,方便统计和管理。
一般来说,国民经济行业分类的代码由一定的位数组成,每个位数有特定的含义。
例如,GB/T 4754-2017的分类代码由5位数字组成,前两位表示大类,后三位表示中类。
五、国民经济行业分类与代码的应用1. 经济统计:国民经济行业分类与代码是进行经济统计的重要工具。
通过采集和整理各类经济活动的数据,并将其按照国民经济行业分类进行分类汇总,可以得到各个行业的经济指标,如产值、就业等数据,为经济分析和政策制定提供参考依据。
2. 产业分析:国民经济行业分类与代码可用于对不同行业进行横向和纵向的比较分析。
通过对各行业的发展情况、结构特点等进行分析,可以了解各行业的竞争状况和发展趋势,为产业升级和结构调整提供参考依据。
3. 经济政策:国民经济行业分类与代码在经济政策制定中起着重要作用。
国民经济行业分类行业编码
国民经济行业分类与代码(GB/T 4754-2002)是中华人民共和国国家标准,规定了门类、大类、中类和小类的代码,适用于在统计、计划、财政、税收、工商等国家宏观管理中对经济活动的分类,并用于信息处理和信息交换。
根据这个标准,国民经济行业被划分为门类、大类、中类和小类四级,分别用字母M、D、C和X表示。
每个门类包括若干个大类,每个大类又包括若干个中类,每个中类又包括若干个小类。
对于国民经济行业分类的行业编码,有1位码和2位码两种形式。
其中,1位码是工业,农业,服务业三大类的代码;2位码是针对每个大类进一步细分的代码,如制造业的代码为06(代表采矿业),07(代表石油和天然气开采业),08(代表黑色金属矿采选业),09(代表有色金属矿采选业)等。
具体的国民经济行业分类与代码可以参考国家统计局发布的《国民经济行业分类与代码》标准。
国民经济行业分类与代码注释
国民经济行业分类与代码是指对国民经济活动进行分类并为每个行业分配一个唯一的代码。
这个分类体系通常由国家统计局或相关机构制定,以便统计和分析国民经济的发展状况。
国民经济行业分类与代码的主要目的是为了方便统计和比较不同行业之间的经济指标,如产值、就业人数、利润等。
通过对不同行业的分类和代码分配,可以更好地了解和分析不同行业的发展趋势和贡献度。
国民经济行业分类与代码通常采用层次结构,分为大类、中类、小类和细类等级,每个等级都有对应的代码。
大类通常表示整个经济的主要部门,中类表示相关行业的集合,小类和细类则更具体地划分了每个行业的细分领域。
国民经济行业分类与代码在不同国家或地区可能存在差异,但大体上都包括了基础工业、制造业、建筑业、交通运输、金融保险、信息传输、批发零售、住宿餐饮、教育科研、卫生社会工作等行业。
通过国民经济行业分类与代码,可以实现对不同行业的数据进行比较和分析,并为政府决策提供参考依据。
同时,它也为企业提供了指导,可以更好地了解自身所属行业的发展状况,并进行战略规划和市场定位。
国民经济行业分类及代码json-概述说明以及解释1.引言1.1 概述概述部分的内容需要对文章的主题进行简要介绍和概括。
在本篇文章中,我们将讨论国民经济行业分类及代码的重要性和作用。
国民经济行业分类及代码是一种用于统计分析和描述国民经济各个行业的方法。
通过对各个行业进行分类编码,我们可以更好地了解不同行业之间的关系和相互影响,从而更好地推动经济发展。
在国民经济行业分类方面,通常采用联合国编制的国际标准行业分类(ISIC)作为参考。
ISIC是一套全球通用的行业分类系统,将各个行业按照其主要活动进行了细致的划分,使得不同国家和地区之间的统计数据可以相互比较和对接。
国民经济行业代码则是对行业分类进行编码的一种方式。
通过为每个行业分配独特的代码,我们可以在数据分析和统计过程中轻松地识别和区分不同的行业。
这种编码的应用范围广泛,涵盖了经济统计、宏观调控、产业研究等多个领域。
本文将围绕国民经济行业分类和代码展开深入探讨,旨在介绍其基本原理、常用分类标准和应用场景。
通过对相关概念和实践的分析,我们可以更好地理解并运用国民经济行业分类及代码,从而为实现经济发展提供有力支持。
希望本文能够对读者有所启发和帮助,引起更多关于国民经济行业分类及代码的讨论和研究。
在接下来的章节中,我们将具体介绍国民经济行业分类和代码的内涵和应用,以期对读者有更全面、深入的了解。
1.2 文章结构文章结构部分的内容可以包括以下内容:文章结构部分旨在介绍本文的整体结构和各个部分的内容安排,以便读者能够清晰地了解文章的组织和布局。
本文分为引言、正文和结论三个部分。
引言部分概述了本文的主题和目的,说明了国民经济行业分类及代码的重要性和现实意义。
通过引言部分的概述,读者可以获得对全文的初步了解,从而对后续内容有一个整体的认识。
正文部分是整篇文章的核心部分,分为国民经济行业分类和国民经济行业代码两个子部分。
在国民经济行业分类部分,将详细介绍国民经济行业分类的定义、分类原则和主要分类标准。
国民经济行业分类与代码知识讲解国民经济行业分类与代码02年行业代码表A0000 农、林、牧、渔业A0100 农业A0110 谷物及其他作物的种植A0111 谷物的种植A0112 薯类的种植A0113 油料的种植A0114 豆类的种植A0115 棉花的种植A0116 麻类的种植A0117 糖料的种植A0118 烟草的种植A0119 其他作物的种植A0120 蔬菜、园艺作物的种植A0121 蔬菜的种植A0122 花卉的种植A0123 其他园艺作物的种植A0130 水果、坚果、饮料和香料作物的种植A0131 水果、坚果的种植A0132 茶及其他饮料作物的种植A0133 香料作物的种植A0140 中药材的种植A0200 林业A0210 林木的培育和种植A0211 育种和育苗A0212 造林A0213 林木的抚育和管理A0220 木材和竹材的采运A0221 木材的采运A0222 竹材的采运A0230 林产品的采集A0300 畜牧业A0310 牲畜的饲养A0320 猪的饲养A0330 家禽的饲养A0340 狩猎和捕捉动物A0390 其他畜牧业A0400 渔业A0410 海洋渔业A0411 海水养殖A0412 海洋捕捞A0420 内陆渔业A0421 内陆养殖A0422 内陆捕捞A0500 农业服务业A0510 农业服务业A0511 灌溉服务A0512 农产品初加工服务A0519 其他农业服务A0520 林业服务业A0530 畜牧服务业A0531 兽医服务A0539 其他畜牧服务A0540 渔业服务业B0000 采矿业B0600 煤炭开采和洗选业B0610 烟煤和无烟煤的开采洗选B0620 褐煤的开采洗选B0690 其他煤炭采选B0700 石油和天然气开采业B0710 天然原油和天然气开采B0790 与石油和天然气开采有关的服务活动B0800 黑色金属矿采选业B0810 铁矿采选B0890 其他黑色金属矿采选B0900 有色金属矿采选业B0910 常用有色金属矿采选B0911 铜矿采选B0912 铅锌矿采选B0913 镍钴矿采选B0914 锡矿采选B0915 锑矿采选B0916 铝矿采选B0917 镁矿采选B0919 其他常用有色金属矿采选B0920 贵金属矿采选B0921 金矿采选B0922 银矿采选B0929 其他贵金属矿采选B0930 稀有稀土金属矿采选B0931 钨钼矿采选B0932 稀土金属矿采选B0933 放射性金属矿采选B0939 其他稀有金属矿采选B1000 非金属矿采选业B1010 土砂石开采B1011 石灰石、石膏开采B1012 建筑装饰用石开采B1013 耐火土石开采B1019 粘土及其他土砂石开采B1020 化学矿采选B1030 采盐B1090 石棉及其他非金属矿采选B1091 石棉、云母矿采选B1092 石墨、滑石采选B1093 宝石、玉石开采B1099 其他非金属矿采选B1100 其他采矿业C0000 制造业C1300 农副食品加工业C1310 谷物磨制C1320 饲料加工C1330 植物油加工C1331 食用植物油加工C1332 非食用植物油加工C1340 制糖C1350 屠宰及肉类加工C1351 畜禽屠宰C1352 肉制品及副产品加工C1360 水产品加工C1361 水产品冷冻加工C1362 鱼糜制品及水产品干腌制加工C1363 水产饲料制造C1364 鱼油提取及制品的制造C1369 其他水产品加工C1370 蔬菜、水果和坚果加工C1390 其他农副食品加工C1391 淀粉及淀粉制品的制造C1392 豆制品制造C1393 蛋品加工C1399 其他未列明的农副食品加工C1400 食品制造业C1410 焙烤食品制造C1411 糕点、面包制造C1419 饼干及其他焙烤食品制造C1420 糖果、巧克力及蜜饯制造C1421 糖果、巧克力制造C1422 蜜饯制作C1430 方便食品制造C1431 米、面制品制造C1432 速冻食品制造C1439 方便面及其他方便食品制造C1440 液体乳及乳制品制造C1450 罐头制造C1451 肉、禽类罐头制造C1452 水产品罐头制造C1453 蔬菜、水果罐头制造C1459 其他罐头食品制造C1460 调味品、发酵制品制造C1461 味精制造C1462 酱油、食醋及类似制品的制造C1469 其他调味品、发酵制品制造C1490 其他食品制造C1491 营养、保健食品制造C1492 冷冻饮品及食用冰制造C1493 盐加工C1494 食品及饲料添加剂制造C1499 其他未列明的食品制造C1500 饮料制造业C1510 酒精制造C1520 酒的制造C1521 白酒制造C1522 啤酒制造C1523 黄酒制造C1524 葡萄酒制造C1529 其他酒制造C1530 软饮料制造C1531 碳酸饮料制造C1532 瓶(罐)装饮用水制造C1533 果菜汁及果菜汁饮料制造C1534 含乳饮料和植物蛋白饮料制造C1535 固体饮料制造C1539 茶饮料及其他软饮料制造C1540 精制茶加工C1600 烟草制品业C1610 烟叶复烤C1620 卷烟制造C1690 其他烟草制品加工C1700 纺织业C1710 棉、化纤纺织及印染精加工C1711 棉、化纤纺织加工C1712 棉、化纤印染精加工C1720 毛纺织和染整精加工C1721 毛条加工C1722 毛纺织C1723 毛染整精加工C1730 麻纺织C1740 丝绢纺织及精加工C1741 缫丝加工C1742 绢纺和丝织加工C1743 丝印染精加工C1750 纺织制成品制造C1751 棉及化纤制品制造C1752 毛制品制造C1753 麻制品制造C1754 丝制品制造C1755 绳、索、缆的制造C1756 纺织带和帘子布制造C1757 无纺布制造C1759 其他纺织制成品制造C1760 针织品、编织品及其制品制造C1761 棉、化纤针织品及编织品制造C1762 毛针织品及编织品制造C1763 丝针织品及编织品制造C1769 其他针织品及编织品制造C1800 纺织服装、鞋、帽制造业C1810 纺织服装制造C1820 纺织面料鞋的制造C1900 皮革、毛皮、羽毛(绒)及其制品业C1910 皮革鞣制加工C1920 皮革制品制造C1921 皮鞋制造C1922 皮革服装制造C1923 皮箱、包(袋)制造C1924 皮手套及皮装饰制品制造C1929 其他皮革制品制造C1930 毛皮鞣制及制品加工C1931 毛皮鞣制加工C1932 毛皮服装加工C1939 其他毛皮制品加工C1940 羽毛(绒)加工及制品制造C1941 羽毛(绒)加工C1942 羽毛(绒)制品加工C2000 木材加工及木、竹、藤、棕、草制品业C2010 锯材、木片加工C2011 锯材加工C2012 木片加工C2020 人造板制造C2021 胶合板制造C2022 纤维板制造C2023 刨花板制造C2029 其他人造板、材制造C2030 木制品制造C2031 建筑用木料及木材组件加工C2032 木容器制造C2039 软木制品及其他木制品制造C2040 竹、藤、棕、草制品制造C2100 家具制造业C2110 木质家具制造C2120 竹、藤家具制造C2130 金属家具制造C2140 塑料家具制造C2190 其他家具制造C2200 造纸及纸制品业C2210 纸浆制造C2220 造纸C2221 机制纸及纸板制造C2222 手工纸制造C2223 加工纸制造C2230 纸制品制造C2231 纸和纸板容器的制造C2239 其他纸制品制造C2300 印刷业和记录媒介的复制C2311 书、报、刊印刷C2312 本册印制C2319 包装装潢及其他印刷C2320 装订及其他印刷服务活动C2330 记录媒介的复制C2400 文教体育用品制造业C2410 文化用品制造C2411 文具制造C2412 笔的制造C2413 教学用模型及教具制造C2414 墨水、墨汁制造C2419 其他文化用品制造C2420 体育用品制造C2421 球类制造C2422 体育器材及配件制造C2423 训练健身器材制造C2424 运动防护用具制造C2429 其他体育用品制造C2430 乐器制造C2431 中乐器制造C2432 西乐器制造C2433 电子乐器制造C2439 其他乐器及零件制造C2440 玩具制造C2450 游艺器材及娱乐用品制造C2451 露天游乐场所游乐设备制造C2452 游艺用品及室内游艺器材制造C2500 石油加工、炼焦及核燃料加工业C2510 精炼石油产品的制造C2511 原油加工及石油制品制造C2512 人造原油生产C2520 炼焦C2530 核燃料加工C2600 化学原料及化学制品制造业C2610 基础化学原料制造C2611 无机酸制造C2612 无机碱制造C2613 无机盐制造C2614有机化学原料制造C2619 其他基础化学原料制造C2620 肥料制造C2621 氮肥制造C2622 磷肥制造C2623 钾肥制造C2624 复混肥料制造C2625 有机肥料及微生物肥料制造C2629 其他肥料制造C2630 农药制造C2631 化学农药制造C2632 生物化学农药及微生物农药制造C2640 涂料、油墨、颜料及类似产品制造C2641 涂料制造C2642 油墨及类似产品制造C2643 颜料制造C2644 染料制造C2645 密封用填料及类似品制造C2650 合成材料制造C2651 初级形态的塑料及合成树脂制造C2652 合成橡胶制造C2653 合成纤维单(聚合)体的制造C2659 其他合成材料制造C2660 专用化学产品制造C2661 化学试剂和助剂制造C2662 专项化学用品制造C2663 林产化学产品制造C2664 炸药及火工产品制造C2665 信息化学品制造C2666 环境污染处理专用药剂材料制造C2667 动物胶制造C2669 其他专用化学产品制造C2670 日用化学产品制造C2671 肥皂及合成洗涤剂制造C2672 化妆品制造C2673 口腔清洁用品制造C2674 香料、香精制造C2679 其他日用化学产品制造C2700 医药制造业C2710 化学药品原药制造C2720 化学药品制剂制造C2730 中药饮片加工C2740 中成药制造C2750 兽用药品制造C2760 生物、生化制品的制造C2770 卫生材料及医药用品制造C2800 化学纤维制造业C2810 纤维素纤维原料及纤维制造C2811 化纤浆粕制造C2812 人造纤维(纤维素纤维)制造C2820 合成纤维制造C2821 锦纶纤维制造C2822 涤纶纤维制造C2823 腈纶纤维制造C2824 维纶纤维制造C2829 其他合成纤维制造C2900 橡胶制品业C2910 轮胎制造C2911 车辆、飞机及工程机械轮胎制造C2912 力车胎制造C2913 轮胎翻新加工C2920 橡胶板、管、带的制造C2930 橡胶零件制造C2940 再生橡胶制造C2950 日用及医用橡胶制品制造C2960 橡胶靴鞋制造C2990 其他橡胶制品制造C3000 塑料制品业C3010 塑料薄膜制造C3020 塑料板、管、型材的制造C3030 塑料丝、绳及编织品的制造C3040 泡沫塑料制造C3050 塑料人造革、合成革制造C3060 塑料包装箱及容器制造C3070 塑料零件制造C3080 日用塑料制造C3081 塑料鞋制造C3082 日用塑料杂品制造C3090 其他塑料制品制造C3100 非金属矿物制品业C3110 水泥、石灰和石膏的制造C3111 水泥制造C3112 石灰和石膏制造C3120 水泥及石膏制品制造C3121 水泥制品制造C3122 砼结构构件制造C3123 石棉水泥制品制造C3124 轻质建筑材料制造C3129 其他水泥制品制造C3130 砖瓦、石材及其他建筑材料制造C3131 粘土砖瓦及建筑砌块制造C3132 建筑陶瓷制品制造C3133 建筑用石加工C3134 防水建筑材料制造C3135 隔热和隔音材料制造C3139 其他建筑材料制造C3140 玻璃及玻璃制品制造C3141 平板玻璃制造C3142 技术玻璃制品制造C3143 光学玻璃制造C3144 玻璃仪器制造C3145 日用玻璃制品及玻璃包装容器制造C3146 玻璃保温容器制造C3147 玻璃纤维及制品制造C3148 玻璃纤维增强塑料制品制造C3149 其他玻璃制品制造C3150 陶瓷制品制造C3151 卫生陶瓷制品制造C3152 特种陶瓷制品制造C3153 日用陶瓷制品制造C3159 园林、陈设艺术及其他陶瓷制品制造C3160 耐火材料制品制造C3161 石棉制品制造C3162 云母制品制造C3169 耐火陶瓷制品及其他耐火材料制造C3190 石墨及其他非金属矿物制品制造C3191 石墨及碳素制品制造C3199 其他非金属矿物制品制造C3200 黑色金属冶炼及压延加工业C3210 炼铁C3220 炼钢C3230 钢压延加工C3240 铁合金冶炼C3300 有色金属冶炼及压延加工业C3310 常用有色金属冶炼C3311 铜冶炼C3312 铅锌冶炼C3313 镍钴冶炼C3314 锡冶炼C3315 锑冶炼C3316 铝冶炼C3317 镁冶炼C3319 其他常用有色金属冶炼C3320 贵金属冶炼C3321 金冶炼C3322 银冶炼C3329 其他贵金属冶炼C3330 稀有稀土金属冶炼C3331 钨钼冶炼C3332 稀土金属冶炼C3339 其他稀有金属冶炼C3340 有色金属合金制造C3350 有色金属压延加工C3351 常用有色金属压延加工C3352 贵金属压延加工C3353 稀有稀土金属压延加工C3400 金属制品业C3410 结构性金属制品制造C3411 金属结构制造C3412 金属门窗制造C3420 金属工具制造C3421 切削工具制造C3422 手工具制造C3423 农用及园林用金属工具制造C3424 刀剪及类似日用金属工具制造C3429 其他金属工具制造C3430 集装箱及金属包装容器制造C3431 集装箱制造C3432 金属压力容器制造C3433 金属包装容器制造C3440 金属丝绳及其制品的制造C3450 建筑、安全用金属制品制造C3451 建筑、家具用金属配件制造C3452 建筑装饰及水暖管道零件制造C3453 安全、消防用金属制品制造C3459 其他建筑、安全用金属制品制造C3460 金属表面处理及热处理加工C3470 搪瓷制品制造C3471 工业生产配套用搪瓷制品制造C3472 搪瓷卫生洁具制造C3479 搪瓷日用品及其他搪瓷制品制造C3480 不锈钢及类似日用金属制品制造C3481 金属制厨房调理及卫生器具制造C3482 金属制厨用器皿及餐具制造C3489 其他日用金属制品制造C3490 其他金属制品制造C3491 铸币及贵金属制实验室用品制造C3499 其他未列明的金属制品制造C3500 通用设备制造业C3510 锅炉及原动机制造C3511 锅炉及辅助设备制造C3512 内燃机及配件制造C3513 汽轮机及辅机制造C3514 水轮机及辅机制造C3519 其他原动机制造C3520 金属加工机械制造C3521 金属切削机床制造C3522 金属成形机床制造C3523 铸造机械制造C3524 金属切割及焊接设备制造C3525 机床附件制造C3529 其他金属加工机械制造C3530 起重运输设备制造C3540 泵、阀门、压缩机及类似机械的制造C3541 泵及真空设备制造C3542 气体压缩机械制造C3543 阀门和旋塞的制造C3544 液压和气压动力机械及元件制造C3550 轴承、齿轮、传动和驱动部件的制造C3551 轴承制造C3552 齿轮、传动和驱动部件制造C3560 烘炉、熔炉及电炉制造C3570 风机、衡器、包装设备等通用设备制造C3571 风机、风扇制造C3572 气体、液体分离及纯净设备制造C3573 制冷、空调设备制造C3574 风动和电动工具制造C3575 喷枪及类似器具制造C3576 包装专用设备制造C3577 衡器制造C3579 其他通用设备制造C3580 通用零部件制造及机械修理C3581 金属密封件制造C3582 紧固件、弹簧制造C3583 机械零部件加工及设备修理C3589 其他通用零部件制造C3590 金属铸、锻加工C3591 钢铁铸件制造。
国民经济行业分类与代码1 目的和适用范围为适应社会主义市场经济的开展,正确反映国民经济内部的结构和开展状况,并为国家宏观管理,各级政府部门和行业协会的经济管理以及进行科研、教学、新闻宣传、信息咨询效劳等提供统一的行业分类和编码,特制订本标准。
本标准供企业、事业单位、国家机关、社会团体划分行业使用。
在方案、统计、财务会计、税收、工商行政管理和国家宏观管理、部门管理等项工作中,按照本标准的规定,处理行业分类资料,进行有关的分析研究工作。
2 分类原那么以新国民经济核算体系中关于统计单位划分的原那么作为划分行业的根本原那么,并在分类中注意区分第一、二、三次产业。
依据按经济活动性质的同一性进行分类的原那么,即主要按企业、事业单位、机关团体和个体从业人员所从事的生产经营活动或其他社会经济活动性质进行行业分类,而不按其所属行政管理系统分类。
某一行业就其实质来说是指从事一种或主要从事一种活动的所有单位的聚合体。
积极吸取世界各国行业分类标准的经验,在具体分类中尽可能向联合国的国际标准产业分类〔ISIC〕靠拢,以便于进行国际资料比照。
3 划分行业的根本单位企业、事业单位、国家机关和社会团体等各类组织机构,均以产业活动单位作为划分国民经济行业的根本单位。
产业活动单位是指在一个场所从事一种或根本上从事一种经济活动的单位。
对于大多数企业.行政事业单位来说,因为它们从事的经济活动比较单一,因而它们就是产业活动单位。
但对于大型联合企业、集团公司或从事两种及两种以上重要经济活动的单位,那么需要进一步按经济活动划分产业活动单位。
产业活动单位应同时具备以下三个条件:(1)具有一个场所,从事一种或主要从事一种经济活动;(2)单独组织生产、经营或业务活动;(3)掌握收入和支出的会计核算资料。
3.2乡、镇办以及村办的工业、建筑、批发零售贸易、交通运输、文教卫生等单位,具备产业活动单位条件的,按经济活动性质划分其所属的行业。
其中,乡、镇办企业可,可划归工业各行业的单当应当同时具备以下条件:a.有固定的〔或相对固定的〕生产组织、场所、生产设备和从事工业生产的人员;b.常年从事工业生产活动,或从事季节性生产全年开工时间在三个月以上;c.具有单独的帐目,能够同农业及其他生产行业分开核算的;d.在当地工商行政管理部门注册登记并领取营业执照。
国民经济行业分类与代码02年行业代码表A0000 农、林、牧、渔业A0100 农业A0110 谷物及其他作物的种植A0111 谷物的种植A0112 薯类的种植A0113 油料的种植A0114 豆类的种植A0115 棉花的种植A0116 麻类的种植A0117 糖料的种植A0118 烟草的种植A0119 其他作物的种植A0120 蔬菜、园艺作物的种植A0121 蔬菜的种植A0122 花卉的种植A0123 其他园艺作物的种植A0130 水果、坚果、饮料和香料作物的种植A0131 水果、坚果的种植A0132 茶及其他饮料作物的种植A0133 香料作物的种植A0140 中药材的种植A0200 林业A0210 林木的培育和种植A0211 育种和育苗A0212 造林A0213 林木的抚育和管理A0220 木材和竹材的采运A0221 木材的采运A0222 竹材的采运A0230 林产品的采集A0300 畜牧业A0310 牲畜的饲养A0320 猪的饲养A0330 家禽的饲养A0340 狩猎和捕捉动物A0390 其他畜牧业A0400 渔业A0410 海洋渔业A0411 海水养殖A0412 海洋捕捞A0420 内陆渔业A0421 内陆养殖A0422 内陆捕捞A0500 农业服务业A0510 农业服务业A0511 灌溉服务A0512 农产品初加工服务A0519 其他农业服务A0520 林业服务业A0530 畜牧服务业A0531 兽医服务A0539 其他畜牧服务A0540 渔业服务业B0000 采矿业B0600 煤炭开采和洗选业B0610 烟煤和无烟煤的开采洗选B0620 褐煤的开采洗选B0690 其他煤炭采选B0700 石油和天然气开采业B0710 天然原油和天然气开采B0790 与石油和天然气开采有关的服务活动B0800 黑色金属矿采选业B0810 铁矿采选B0890 其他黑色金属矿采选B0900 有色金属矿采选业B0910 常用有色金属矿采选B0911 铜矿采选B0912 铅锌矿采选B0913 镍钴矿采选B0914 锡矿采选B0915 锑矿采选B0916 铝矿采选B0917 镁矿采选B0919 其他常用有色金属矿采选B0920 贵金属矿采选B0921 金矿采选B0922 银矿采选B0929 其他贵金属矿采选B0930 稀有稀土金属矿采选B0931 钨钼矿采选B0932 稀土金属矿采选B0933 放射性金属矿采选B0939 其他稀有金属矿采选B1000 非金属矿采选业B1010 土砂石开采B1011 石灰石、石膏开采B1012 建筑装饰用石开采B1013 耐火土石开采B1019 粘土及其他土砂石开采B1020 化学矿采选B1030 采盐B1090 石棉及其他非金属矿采选B1091 石棉、云母矿采选B1092 石墨、滑石采选B1093 宝石、玉石开采B1099 其他非金属矿采选B1100 其他采矿业C0000 制造业C1300 农副食品加工业C1310 谷物磨制C1320 饲料加工C1330 植物油加工C1331 食用植物油加工C1332 非食用植物油加工C1340 制糖C1350 屠宰及肉类加工C1351 畜禽屠宰C1352 肉制品及副产品加工C1360 水产品加工C1361 水产品冷冻加工C1362 鱼糜制品及水产品干腌制加工C1363 水产饲料制造C1364 鱼油提取及制品的制造C1369 其他水产品加工C1370 蔬菜、水果和坚果加工C1390 其他农副食品加工C1391 淀粉及淀粉制品的制造C1392 豆制品制造C1393 蛋品加工C1399 其他未列明的农副食品加工C1400 食品制造业C1410 焙烤食品制造C1411 糕点、面包制造C1419 饼干及其他焙烤食品制造C1420 糖果、巧克力及蜜饯制造C1421 糖果、巧克力制造C1422 蜜饯制作C1430 方便食品制造C1431 米、面制品制造C1432 速冻食品制造C1439 方便面及其他方便食品制造C1440 液体乳及乳制品制造C1450 罐头制造C1451 肉、禽类罐头制造C1452 水产品罐头制造C1453 蔬菜、水果罐头制造C1459 其他罐头食品制造C1460 调味品、发酵制品制造C1461 味精制造C1462 酱油、食醋及类似制品的制造C1469 其他调味品、发酵制品制造C1490 其他食品制造C1491 营养、保健食品制造C1492 冷冻饮品及食用冰制造C1493 盐加工C1494 食品及饲料添加剂制造C1499 其他未列明的食品制造C1500 饮料制造业C1510 酒精制造C1520 酒的制造C1521 白酒制造C1522 啤酒制造C1523 黄酒制造C1524 葡萄酒制造C1529 其他酒制造C1530 软饮料制造C1531 碳酸饮料制造C1532 瓶(罐)装饮用水制造C1533 果菜汁及果菜汁饮料制造C1534 含乳饮料和植物蛋白饮料制造C1535 固体饮料制造C1539 茶饮料及其他软饮料制造C1540 精制茶加工C1600 烟草制品业C1610 烟叶复烤C1620 卷烟制造C1690 其他烟草制品加工C1700 纺织业C1710 棉、化纤纺织及印染精加工C1711 棉、化纤纺织加工C1712 棉、化纤印染精加工C1720 毛纺织和染整精加工C1721 毛条加工C1722 毛纺织C1723 毛染整精加工C1730 麻纺织C1740 丝绢纺织及精加工C1741 缫丝加工C1742 绢纺和丝织加工C1743 丝印染精加工C1750 纺织制成品制造C1751 棉及化纤制品制造C1752 毛制品制造C1753 麻制品制造C1754 丝制品制造C1755 绳、索、缆的制造C1756 纺织带和帘子布制造C1757 无纺布制造C1759 其他纺织制成品制造C1760 针织品、编织品及其制品制造C1761 棉、化纤针织品及编织品制造C1762 毛针织品及编织品制造C1763 丝针织品及编织品制造C1769 其他针织品及编织品制造C1800 纺织服装、鞋、帽制造业C1810 纺织服装制造C1820 纺织面料鞋的制造C1830 制帽C1900 皮革、毛皮、羽毛(绒)及其制品业C1910 皮革鞣制加工C1920 皮革制品制造C1921 皮鞋制造C1922 皮革服装制造C1923 皮箱、包(袋)制造C1924 皮手套及皮装饰制品制造C1929 其他皮革制品制造C1930 毛皮鞣制及制品加工C1931 毛皮鞣制加工C1932 毛皮服装加工C1939 其他毛皮制品加工C1940 羽毛(绒)加工及制品制造C1941 羽毛(绒)加工C1942 羽毛(绒)制品加工C2000 木材加工及木、竹、藤、棕、草制品业C2010 锯材、木片加工C2011 锯材加工C2012 木片加工C2020 人造板制造C2021 胶合板制造C2022 纤维板制造C2023 刨花板制造C2029 其他人造板、材制造C2030 木制品制造C2031 建筑用木料及木材组件加工C2032 木容器制造C2039 软木制品及其他木制品制造C2040 竹、藤、棕、草制品制造C2100 家具制造业C2110 木质家具制造C2120 竹、藤家具制造C2130 金属家具制造C2140 塑料家具制造C2190 其他家具制造C2200 造纸及纸制品业C2210 纸浆制造C2220 造纸C2221 机制纸及纸板制造C2222 手工纸制造C2223 加工纸制造C2230 纸制品制造C2231 纸和纸板容器的制造C2239 其他纸制品制造C2300 印刷业和记录媒介的复制C2310 印刷C2311 书、报、刊印刷C2312 本册印制C2319 包装装潢及其他印刷C2320 装订及其他印刷服务活动C2330 记录媒介的复制C2400 文教体育用品制造业C2410 文化用品制造C2411 文具制造C2412 笔的制造C2413 教学用模型及教具制造C2414 墨水、墨汁制造C2419 其他文化用品制造C2420 体育用品制造C2421 球类制造C2422 体育器材及配件制造C2423 训练健身器材制造C2424 运动防护用具制造C2429 其他体育用品制造C2430 乐器制造C2431 中乐器制造C2432 西乐器制造C2433 电子乐器制造C2439 其他乐器及零件制造C2440 玩具制造C2450 游艺器材及娱乐用品制造C2451 露天游乐场所游乐设备制造C2452 游艺用品及室内游艺器材制造C2500 石油加工、炼焦及核燃料加工业C2510 精炼石油产品的制造C2511 原油加工及石油制品制造C2512 人造原油生产C2520 炼焦C2530 核燃料加工C2600 化学原料及化学制品制造业C2610 基础化学原料制造C2611 无机酸制造C2612 无机碱制造C2613 无机盐制造C2614 有机化学原料制造C2619 其他基础化学原料制造C2620 肥料制造C2621 氮肥制造C2622 磷肥制造C2623 钾肥制造C2624 复混肥料制造C2625 有机肥料及微生物肥料制造C2629 其他肥料制造C2630 农药制造C2631 化学农药制造C2632 生物化学农药及微生物农药制造C2640 涂料、油墨、颜料及类似产品制造C2641 涂料制造C2642 油墨及类似产品制造C2643 颜料制造C2644 染料制造C2645 密封用填料及类似品制造C2650 合成材料制造C2651 初级形态的塑料及合成树脂制造C2652 合成橡胶制造C2653 合成纤维单(聚合)体的制造C2659 其他合成材料制造C2660 专用化学产品制造C2661 化学试剂和助剂制造C2662 专项化学用品制造C2663 林产化学产品制造C2664 炸药及火工产品制造C2665 信息化学品制造C2666 环境污染处理专用药剂材料制造C2667 动物胶制造C2669 其他专用化学产品制造C2670 日用化学产品制造C2671 肥皂及合成洗涤剂制造C2672 化妆品制造C2673 口腔清洁用品制造C2674 香料、香精制造C2679 其他日用化学产品制造C2700 医药制造业C2710 化学药品原药制造C2720 化学药品制剂制造C2730 中药饮片加工C2740 中成药制造C2750 兽用药品制造C2760 生物、生化制品的制造C2770 卫生材料及医药用品制造C2800 化学纤维制造业C2810 纤维素纤维原料及纤维制造C2811 化纤浆粕制造C2812 人造纤维(纤维素纤维)制造C2820 合成纤维制造C2821 锦纶纤维制造C2822 涤纶纤维制造C2823 腈纶纤维制造C2824 维纶纤维制造C2829 其他合成纤维制造C2900 橡胶制品业C2910 轮胎制造C2911 车辆、飞机及工程机械轮胎制造C2912 力车胎制造C2913 轮胎翻新加工C2920 橡胶板、管、带的制造C2930 橡胶零件制造C2940 再生橡胶制造C2950 日用及医用橡胶制品制造C2960 橡胶靴鞋制造C2990 其他橡胶制品制造C3000 塑料制品业C3010 塑料薄膜制造C3020 塑料板、管、型材的制造C3030 塑料丝、绳及编织品的制造C3040 泡沫塑料制造C3050 塑料人造革、合成革制造C3060 塑料包装箱及容器制造C3070 塑料零件制造C3080 日用塑料制造C3081 塑料鞋制造C3082 日用塑料杂品制造C3090 其他塑料制品制造C3100 非金属矿物制品业C3110 水泥、石灰和石膏的制造C3111 水泥制造C3112 石灰和石膏制造C3120 水泥及石膏制品制造C3121 水泥制品制造C3122 砼结构构件制造C3123 石棉水泥制品制造C3124 轻质建筑材料制造C3129 其他水泥制品制造C3130 砖瓦、石材及其他建筑材料制造C3131 粘土砖瓦及建筑砌块制造C3132 建筑陶瓷制品制造C3133 建筑用石加工C3134 防水建筑材料制造C3135 隔热和隔音材料制造C3139 其他建筑材料制造C3140 玻璃及玻璃制品制造C3141 平板玻璃制造C3142 技术玻璃制品制造C3143 光学玻璃制造C3144 玻璃仪器制造C3145 日用玻璃制品及玻璃包装容器制造C3146 玻璃保温容器制造C3147 玻璃纤维及制品制造C3148 玻璃纤维增强塑料制品制造C3149 其他玻璃制品制造C3150 陶瓷制品制造C3151 卫生陶瓷制品制造C3152 特种陶瓷制品制造C3153 日用陶瓷制品制造C3159 园林、陈设艺术及其他陶瓷制品制造C3160 耐火材料制品制造C3161 石棉制品制造C3162 云母制品制造C3169 耐火陶瓷制品及其他耐火材料制造C3190 石墨及其他非金属矿物制品制造C3191 石墨及碳素制品制造C3199 其他非金属矿物制品制造C3200 黑色金属冶炼及压延加工业C3210 炼铁C3220 炼钢C3230 钢压延加工C3240 铁合金冶炼C3300 有色金属冶炼及压延加工业C3310 常用有色金属冶炼C3311 铜冶炼C3312 铅锌冶炼C3313 镍钴冶炼C3314 锡冶炼C3315 锑冶炼C3316 铝冶炼C3317 镁冶炼C3319 其他常用有色金属冶炼C3320 贵金属冶炼C3321 金冶炼C3322 银冶炼C3329 其他贵金属冶炼C3330 稀有稀土金属冶炼C3331 钨钼冶炼C3332 稀土金属冶炼C3339 其他稀有金属冶炼C3340 有色金属合金制造C3350 有色金属压延加工C3351 常用有色金属压延加工C3352 贵金属压延加工C3353 稀有稀土金属压延加工C3400 金属制品业C3410 结构性金属制品制造C3411 金属结构制造C3412 金属门窗制造C3420 金属工具制造C3421 切削工具制造C3422 手工具制造C3423 农用及园林用金属工具制造C3424 刀剪及类似日用金属工具制造C3429 其他金属工具制造C3430 集装箱及金属包装容器制造C3431 集装箱制造C3432 金属压力容器制造C3433 金属包装容器制造C3440 金属丝绳及其制品的制造C3450 建筑、安全用金属制品制造C3451 建筑、家具用金属配件制造C3452 建筑装饰及水暖管道零件制造C3453 安全、消防用金属制品制造C3459 其他建筑、安全用金属制品制造C3460 金属表面处理及热处理加工C3470 搪瓷制品制造C3471 工业生产配套用搪瓷制品制造C3472 搪瓷卫生洁具制造C3479 搪瓷日用品及其他搪瓷制品制造C3480 不锈钢及类似日用金属制品制造C3481 金属制厨房调理及卫生器具制造C3482 金属制厨用器皿及餐具制造C3489 其他日用金属制品制造C3490 其他金属制品制造C3491 铸币及贵金属制实验室用品制造C3499 其他未列明的金属制品制造C3500 通用设备制造业C3510 锅炉及原动机制造C3511 锅炉及辅助设备制造C3512 内燃机及配件制造C3513 汽轮机及辅机制造C3514 水轮机及辅机制造C3519 其他原动机制造C3520 金属加工机械制造C3521 金属切削机床制造C3522 金属成形机床制造C3523 铸造机械制造C3524 金属切割及焊接设备制造C3525 机床附件制造C3529 其他金属加工机械制造C3530 起重运输设备制造C3540 泵、阀门、压缩机及类似机械的制造C3541 泵及真空设备制造C3542 气体压缩机械制造C3543 阀门和旋塞的制造C3544 液压和气压动力机械及元件制造C3550 轴承、齿轮、传动和驱动部件的制造C3551 轴承制造C3552 齿轮、传动和驱动部件制造C3560 烘炉、熔炉及电炉制造C3570 风机、衡器、包装设备等通用设备制造C3571 风机、风扇制造C3572 气体、液体分离及纯净设备制造C3573 制冷、空调设备制造C3574 风动和电动工具制造C3575 喷枪及类似器具制造C3576 包装专用设备制造C3577 衡器制造C3579 其他通用设备制造C3580 通用零部件制造及机械修理C3581 金属密封件制造C3582 紧固件、弹簧制造C3583 机械零部件加工及设备修理C3589 其他通用零部件制造C3590 金属铸、锻加工C3591 钢铁铸件制造C3592 锻件及粉末冶金制品制造C3600 专用设备制造业C3610 矿山、冶金、建筑专用设备制造C3611 采矿、采石设备制造C3612 石油钻采专用设备制造C3613 建筑工程用机械制造C3614 建筑材料生产专用机械制造C3615 冶金专用设备制造C3620 化工、木材、非金属加工专用设备制造C3621 炼油、化工生产专用设备制造C3622 橡胶加工专用设备制造C3623 塑料加工专用设备制造C3624 木材加工机械制造C3625 模具制造C3629 其他非金属加工专用设备制造C3630 食品、饮料、烟草及饲料生产专用设备制造C3631 食品、饮料、烟草工业专用设备制造C3632 农副食品加工专用设备制造C3633 饲料生产专用设备制造C3640 印刷、制药、日化生产专用设备制造C3641 制浆和造纸专用设备制造C3642 印刷专用设备制造C3643 日用化工专用设备制造C3644 制药专用设备制造C3645 照明器具生产专用设备制造C3646 玻璃、陶瓷和搪瓷制品生产专用设备制造C3649 其他日用品生产专用设备制造C3650 纺织、服装和皮革工业专用设备制造C3651 纺织专用设备制造C3652 皮革、毛皮及其制品加工专用设备制造C3653 缝纫机械制造C3659 其他服装加工专用设备制造C3660 电子和电工机械专用设备制造C3661 电工机械专用设备制造C3662 电子工业专用设备制造C3663 武器弹药制造C3669 航空、航天及其他专用设备制造C3670 农、林、牧、渔专用机械制造C3671 拖拉机制造C3672 机械化农业及园艺机具制造C3673 营林及木竹采伐机械制造C3674 畜牧机械制造C3675 渔业机械制造C3676 农林牧渔机械配件制造C3679 其他农林牧渔业机械制造及机械修理C3680 医疗仪器设备及器械制造C3681 医疗诊断、监护及治疗设备制造C3682 口腔科用设备及器具制造C3683 实验室及医用消毒设备和器具的制造C3684 医疗、外科及兽医用器械制造C3685 机械治疗及病房护理设备制造C3686 假肢、人工器官及植(介)入器械制造C3689 其他医疗设备及器械制造C3690 环保、社会公共安全及其他专用设备制造C3691 环境污染防治专用设备制造C3692 地质勘查专用设备制造C3693 邮政专用机械及器材制造C3694 商业、饮食、服务业专用设备制造C3695 社会公共安全设备及器材制造C3696 交通安全及管制专用设备制造C3697 水资源专用机械制造C3699 其他专用设备制造C3700 交通运输设备制造业C3710 铁路运输设备制造C3711 铁路机车车辆及动车组制造C3712 工矿有轨专用车辆制造C3713 铁路机车车辆配件制造C3714 铁路专用设备及器材、配件制造C3719 其他铁路设备制造及设备修理C3720 汽车制造C3721 汽车整车制造C3722 改装汽车制造C3723 电车制造C3724 汽车车身、挂车的制造C3725 汽车零部件及配件制造C3726 汽车修理C3730 摩托车制造C3731 摩托车整车制造C3732 摩托车零部件及配件制造C3740 自行车制造C3741 脚踏自行车及残疾人座车制造C3742 助动自行车制造C3750 船舶及浮动装置制造C3751 金属船舶制造C3752 非金属船舶制造C3753 娱乐船和运动船的建造和修理C3754 船用配套设备制造C3755 船舶修理及拆船C3759 航标器材及其他浮动装置的制造C3760 航空航天器制造C3761 飞机制造及修理C3762 航天器制造C3769 其他飞行器制造C3790 交通器材及其他交通运输设备制造C3791 潜水及水下救捞装备制造C3792 交通管理用金属标志及设施制造C3799 其他交通运输设备制造C3900 电气机械及器材制造业C3910 电机制造C3911 发电机及发电机组制造C3912 电动机制造C3919 微电机及其他电机制造C3920 输配电及控制设备制造C3921 变压器、整流器和电感器制造C3922 电容器及其配套设备制造C3923 配电开关控制设备制造C3924 电力电子元器件制造C3929 其他输配电及控制设备制造C3930 电线、电缆、光缆及电工器材制造C3931 电线电缆制造C3932 光纤、光缆制造C3933 绝缘制品制造C3939 其他电工器材制造C3940 电池制造C3950 家用电力器具制造C3951 家用制冷电器具制造C3952 家用空气调节器制造C3953 家用通风电器具制造C3954 家用厨房电器具制造C3955 家用清洁卫生电器具制造C3956 家用美容、保健电器具制造C3957 家用电力器具专用配件制造C3959 其他家用电力器具制造C3960 非电力家用器具制造C3961 燃气、太阳能及类似能源的器具制造C3969 其他非电力家用器具制造C3970 照明器具制造C3971 电光源制造C3972 照明灯具制造C3979 灯用电器附件及其他照明器具制造C3990 其他电气机械及器材制造C3991 车辆专用照明及电气信号设备装置制造C3999 其他未列明的电气机械制造C4000 通信设备、计算机及其他电子设备制造业C4010 通信设备制造C4011 通信传输设备制造C4012 通信交换设备制造C4013 通信终端设备制造C4014 移动通信及终端设备制造C4019 其他通信设备制造C4020 雷达及配套设备制造C4030 广播电视设备制造C4031 广播电视节目制作及发射设备制造C4032 广播电视接收设备及器材制造C4039 应用电视设备及其他广播电视设备制造C4040 电子计算机制造C4041 电子计算机整机制造C4042 计算机网络设备制造C4043 电子计算机外部设备制造C4050 电子器件制造C4051 电子真空器件制造C4052 半导体分立器件制造C4053 集成电路制造C4059 光电子器件及其他电子器件制造C4060 电子元件制造C4061 电子元件及组件制造C4062 印制电路板制造C4070 家用视听设备制造C4071 家用影视设备制造C4072 家用音响设备制造C4090 其他电子设备制造C4100 仪器仪表及文化、办公用机械制造业C4110 通用仪器仪表制造C4111 工业自动控制系统装置制造C4112 电工仪器仪表制造C4113 绘图、计算及测量仪器制造C4114 实验分析仪器制造C4115 试验机制造C4119 供应用仪表及其他通用仪器制造C4120 专用仪器仪表制造C4121 环境监测专用仪器仪表制造C4122 汽车及其他用计数仪表制造C4123 导航、气象及海洋专用仪器制造C4124 农林牧渔专用仪器仪表制造C4125 地质勘探和地震专用仪器制造C4126 教学专用仪器制造C4127 核子及核辐射测量仪器制造C4128 电子测量仪器制造C4129 其他专用仪器制造C4130 钟表与计时仪器制造C4140 光学仪器及眼镜制造C4141 光学仪器制造C4142 眼镜制造C4150 文化、办公用机械制造C4151 电影机械制造C4152 幻灯及投影设备制造C4153 照相机及器材制造C4154 复印和胶印设备制造C4155 计算器及货币专用设备制造C4159 其他文化、办公用机械制造C4190 其他仪器仪表的制造及修理C4200 工艺品及其他制造业C4210 工艺美术品制造C4211 雕塑工艺品制造C4212 金属工艺品制造C4213 漆器工艺品制造C4214 花画工艺品制造C4215 天然植物纤维编织工艺品制造C4216 抽纱刺绣工艺品制造C4217 地毯、挂毯制造C4218 珠宝首饰及有关物品的制造C4219 其他工艺美术品制造C4220 日用杂品制造C4221 制镜及类似品加工C4222 鬃毛加工、制刷及清扫工具的制造C4229 其他日用杂品制造C4230 煤制品制造C4240 核辐射加工C4290 其他未列明的制造业C4300 废弃资源和废旧材料回收加工业C4310 金属废料和碎屑的加工处理C4320 非金属废料和碎屑的加工处理D0000 电力、燃气及水的生产和供应业D4400 电力、热力的生产和供应业D4410 电力生产D4411 火力发电D4412 水力发电D4413 核力发电D4419 其他能源发电D4420 电力供应D4430 热力生产和供应D4500 燃气生产和供应业D4600 水的生产和供应业D4610 自来水的生产和供应D4620 污水处理及其再生利用D4690 其他水的处理、利用与分配E0000 建筑业E4700 房屋和土木工程建筑业E4710 房屋工程建筑E4720 土木工程建筑E4721 铁路、道路、隧道和桥梁工程建筑E4722 水利和港口工程建筑E4723 工矿工程建筑E4724 架线和管道工程建筑E4729 其他土木工程建筑E4800 建筑安装业E4900 建筑装饰业E5000 其他建筑业E5010 工程准备E5020 提供施工设备服务E5090 其他未列明的建筑活动F0000 交通运输、仓储和邮政业F5100 铁路运输业F5110 铁路旅客运输F5120 铁路货物运输F5130 铁路运输辅助活动F5131 客运火车站F5132 货运火车站F5139 其他铁路运输辅助活动F5200 道路运输业F5210 公路旅客运输F5220 道路货物运输F5230 道路运输辅助活动F5231 客运汽车站F5232 公路管理与养护F5239 其他道路运输辅助活动F5300 城市公共交通业F5310 公共电汽车客运F5320 轨道交通F5330 出租车客运F5340 城市轮渡F5390 其他城市公共交通F5400 水上运输业F5410 水上旅客运输F5411 远洋旅客运输F5412 沿海旅客运输F5413 内河旅客运输F5420 水上货物运输F5421 远洋货物运输F5422 沿海货物运输F5423 内河货物运输F5430 水上运输辅助活动F5431 客运港口F5432 货运港口F5439 其他水上运输辅助活动F5500 航空运输业F5510 航空客货运输F5511 航空旅客运输F5512 航空货物运输F5520 通用航空服务F5530 航空运输辅助活动F5531 机场F5532 空中交通管理F5539 其他航空运输辅助活动F5600 管道运输业F5700 装卸搬运和其他运输服务业F5710 装卸搬运F5720 运输代理服务F5800 仓储业F5810 谷物、棉花等农产品仓储F5820 其他仓储F5900 邮政业F5910 国家邮政F5990 其他寄递服务G0000 信息传输、计算机服务和软件业G6000 电信和其他信息传输服务业G6010 电信G6011 固定电信服务G6012 移动电信服务G6019 其他电信服务G6020 互联网信息服务G6030 广播电视传输服务G6031 有线广播电视传输服务G6032 无线广播电视传输服务G6040 卫星传输服务G6100 计算机服务业G6110 计算机系统服务G6120 数据处理G6130 计算机维修G6190 其他计算机服务G6200 软件业G6210 公共软件服务G6211 基础软件服务G6212 应用软件服务G6290 其他软件服务H0000 批发和零售业H0650 零售业H6300 批发业H6310 农畜产品批发H6311 谷物、豆及薯类批发H6312 种子、饲料批发H6313 棉、麻批发H6314 牲畜批发H6319 其他农畜产品批发H6320 食品、饮料及烟草制品批发H6321 米、面制品及食用油批发H6322 糕点、糖果及糖批发H6323 果品、蔬菜批发H6324 肉、禽、蛋及水产品批发H6325 盐及调味品批发H6326 饮料及茶叶批发H6327 烟草制品批发H6329 其他食品批发H6330 纺织、服装及日用品批发H6331 纺织品、针织品及原料批发H6332 服装批发H6333 鞋帽批发H6334 厨房、卫生间用具及日用杂货批发H6335 化妆品及卫生用品批发H6339 其他日用品批发H6340 文化、体育用品及器材批发H6341 文具用品批发H6342 体育用品批发H6343 图书批发H6344 报刊批发H6345 音像制品及电子出版物批发H6346 首饰、工艺品及收藏品批发H6349 其他文化用品批发H6350 医药及医疗器材批发H6351 西药批发H6352 中药材及中成药批发H6353 医疗用品及器材批发H6360 矿产品、建材及化工产品批发H6361 煤炭及制品批发H6362 石油及制品批发H6363 非金属矿及制品批发H6364 金属及金属矿批发H6365 建材批发H6366 化肥批发H6367 农药批发H6368 农用薄膜批发H6369 其他化工产品批发H6370 机械设备、五金交电及电子产品批发H6371 农业机械批发H6372 汽车、摩托车及零配件批发H6373 五金、交电批发H6374 家用电器批发H6375 计算机、软件及辅助设备批发H6376 通讯及广播电视设备批发H6379 其他机械设备及电子产品批发H6380 贸易经纪与代理H6390 其他批发H6391 再生物资回收与批发H6399 其他未列明的批发H6500 零售业H6510 综合零售H6511 百货零售H6512 超级市场零售H6519 其他综合零售H6520 食品、饮料及烟草制品专门零售H6521 粮油零售H6522 糕点、面包零售H6523 果品、蔬菜零售H6524 肉、禽、蛋及水产品零售H6525 饮料及茶叶零售H6526 烟草制品零售H6529 其他食品零售H6530 纺织、服装及日用品专门零售H6531 纺织品及针织品零售H6532 服装零售H6533 鞋帽零售H6534 钟表、眼镜零售H6535 化妆品及卫生用品零售H6539 其他日用品零售H6540 文化、体育用品及器材专门零售H6541 文具用品零售H6542 体育用品零售H6543 图书零售H6544 报刊零售H6545 音像制品及电子出版物零售H6546 珠宝首饰零售H6547 工艺美术品及收藏品零售H6548 照相器材零售H6549 其他文化用品零售H6550 医药及医疗器材专门零售H6551 药品零售H6552 医疗用品及器材零售H6560 汽车、摩托车、燃料及零配件专门零售H6561 汽车零售H6562 汽车零配件零售H6563 摩托车及零配件零售H6564 机动车燃料零售H6570 家用电器及电子产品专门零售H6571 家用电器零售H6572 计算机、软件及辅助设备零售H6573 通信设备零售。