混凝土工程施工记录
- 格式:docx
- 大小:37.03 KB
- 文档页数:6
施工方案施工设计应急应急预案组织设计
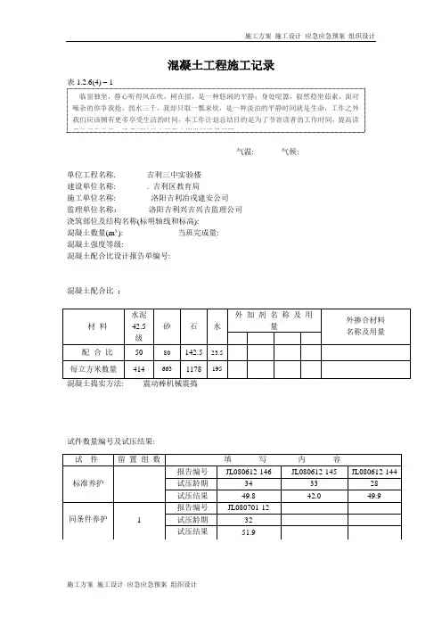
混凝土工程施工记录
表1.2.6(4) – 1
气温: 气候:
单位工程名称. 吉利三中实验楼
建设单位名称: . 吉利区教育局
施工单位名称: 洛阳吉利冶戌建安公司
监理单位名称:洛阳吉利兴吉兴吉监理公司
浇筑部位及结构名称(标明轴线和标高):
混凝土数量(m³): 当班完成量:
混凝土强度等级:
混凝土配合比设计报告单编号:
混凝土配合比:
混凝土捣实方法: 震动棒机械震捣
试件数量编号及试压结果:
施工方案施工设计应急应急预案组织设计
拆模日期: 2006 月日记录人: 席越战2006 月日
2。
混凝土结构工程施工记录混凝土开盘鉴定(施工配合比)表工程名称:编号:电土施表4-1本表由施工单位填写并保存。
混凝土搅拌记录工程名称:编号:电土施表4-2本表由混凝土搅拌单位填写并保存。
工程名称:编号:电土施表4-3注:1.按月或季统计计算的标准强度差,应满足《混凝土质量控制标准》(GB50164—2011)5.0.3条的要求。
2.本表由混凝土生产单位填写并保存。
工程名称:编号:电土施表4-4注试块评定按照GB/T 50107—2010《混凝土强度检验评定标准》相关规定执行。
本表由施工单位填写并保存。
混凝土浇筑申请单工程名称:编号:电土施表4-5本表由施工单位、监理单位留存。
预搅拌混凝土现场坍落度测试记录工程名称:编号:电土施表4-6本表由施工单位填写并保存。
混凝土施工记录工程名称:编号:电土施表4-7本表由施工单位填写并保存。
混凝土结构工程蓄热养护测温记录工程名称:编号:电土施表4-8本表由施工单位填写并保存。
附测温点分布图。
4 混凝土结构工程施工记录施加预应力施工记录工程名称:编号:电土施表4-9本表由施工单位填写,施工单位、监理单位各保存一份。
预应力筋张拉记录工程名称:编号:电土施表4-10本表由施工单位填写,施工单位、监理单位各保存一份。
预应力孔道灌浆记录工程名称:编号:电土施表4-11本表由施工单位填写,施工单位、监理单位各保存一份。
现场钢筋直螺纹丝头加工质量检验记录表工程名称:编号:电土施表4-12注1.螺纹尺寸检验应按JGJl07—2010《钢筋机械连接技术规程》标准中6.1.3条的规定,选用专用的直螺纹环规检验。
2.相关尺寸检验合格后,在相应的格子里打“√”,不合格的打“×”,并在备注栏加以标注。
3.本表由施工单位填写,施工单位、监理单位各保存一份。
现场钢筋直螺纹接头连接质量检验记录表工程名称:编号:电土施表4-13注 1.拧紧力矩值检验应按JGJl07--2010《钢筋机械连接技术规程》中表6.2.1的规定进行。
混凝土开盘鉴定施工记录一、施工单位:XXXX建筑有限公司二、项目名称:XXXXX工程三、开盘鉴定时间:XXXX年XX月XX日四、开盘鉴定人员:技术员:XXX、XXX五、开盘鉴定的目的和依据:本次开盘鉴定的目的是为了确保混凝土施工质量符合设计要求和施工规范。
依据有关设计文件、施工规范和验收标准进行鉴定。
六、开盘鉴定的内容和方法:1.混凝土成分的检查:考察混凝土的配合比是否符合设计要求,包括水灰比、水胶比、石膏含量等。
采取取样分析的方法进行检测。
2.混凝土坍落度的测试:使用坍落度试验锥进行测试,检查混凝土的坍落度是否满足设计要求。
3.混凝土强度的检测:取混凝土样品进行抗压强度试验,检测混凝土的强度是否符合设计要求。
4.混凝土的外观质量检查:对混凝土表面进行检查,包括裂缝、孔洞、表面平整度等。
5.混凝土的含气量检测:通过测定混凝土的含气量,检测混凝土中的气孔情况,以保证混凝土的密实性。
七、开盘鉴定的情况:1.混凝土成分检查:混凝土配合比经检测,水灰比为0.45,符合设计要求;水胶比为0.4,符合设计要求;石膏含量为2%,也符合设计要求。
2. 混凝土坍落度测试:混凝土坍落度测试结果为12cm,满足设计要求。
3.混凝土强度检测:在施工现场抽取混凝土样品进行抗压强度试验,测试结果如下:样品1:7天强度为30MPa,28天强度为40MPa;样品2:7天强度为28MPa,28天强度为38MPa;样品3:7天强度为29MPa,28天强度为39MPa。
以上测试结果均满足设计要求。
4.混凝土外观质量检查:混凝土表面平整度良好,无明显裂缝和孔洞,符合设计要求。
5.混凝土含气量检测:混凝土的含气量为5%,符合设计要求。
八、存在的问题及处理:经开盘鉴定发现,混凝土在施工过程中质量良好,未发现明显问题。
九、开盘鉴定结论:根据混凝土施工记录、检测结果和鉴定内容,本次混凝土开盘鉴定结论如下:本次混凝土施工质量符合设计要求和施工规范,混凝土材料配合比合理,强度、坍落度、外观质量等指标满足设计要求。
混凝土工程施工记录表格
工程名称:XXX混凝土工程
工程地点:XXX市XXX区XXX路XXX号
施工单位:XXX建筑工程有限公司
监理单位:XXX建筑监理有限公司
施工单位负责人:XXX
监理单位负责人:XXX
施工日期:XXXX年XX月XX日至XXXX年XX月XX日
序号日期功能区域施工内容施工人员天气情况安全情况备注
1 XXXX年XX月XX日基础工程地基处理地基工晴天今天施工过程中未发生任何安全事故
2 XXXX年XX月XX日混凝土搅拌站制备混凝土搅拌站工人阴天今天制备了300立方米的混凝土
3 XXXX年XX月XX日施工现场浇筑混凝土泵送工、砼工晴天今天成功完成了一栋楼的混凝土浇筑工作
4 XXXX年XX月XX日钢筋加工厂钢筋加工钢筋工阴天今天加工了5000根钢筋
5 XXXX年XX月XX日现场检验土壤检测化验员晴天今天进行了土壤检测,符合工程要求
以上是本工程的施工记录表格,详细记录了每天的施工内容、施工人员、天气情况、安全情况等。
希望能够对工程的施工管理和质量控制有所帮助。
混凝土工程施工技术交底记录日期:XXXX年XX月XX日地点:工地施工现场主持人:XXX参会人员:施工队伍全体成员一、施工前准备工作1.1施工方案交底1)根据项目要求及相关规范要求,施工方案应包括混凝土配合比设计、浇筑施工工艺、施工设备选择等内容。
2)施工方案应由专业技术人员编制,并提交给相关部门审批。
3)施工方案应向全体参与施工的工人进行详细交底,并强调操作规程和安全事项。
1.2设备与工具准备1)确保施工所需要的设备、工具齐全,并进行运输、存放有序。
2)设备和工具应符合相关国家标准,并定时进行检查和维护,确保安全可靠。
3)对于初次投入使用的设备和工具,应进行实地演练,确保施工人员能够正确使用。
1.3施工场地准备1)清理施工场地,清除障碍物,并确保场地平整、无积水。
2)设立施工安全警示标志,并设置必要的警示牌。
3)准备好必要的施工模板和支撑材料,并进行检查,确保质量合格。
4)为工人提供充足的安全防护用品,并进行相应培训,确保工人在施工过程中的安全。
二、混凝土浇筑工艺交底2.1混凝土配合比设计1)混凝土配合比设计应符合相关规范和设计要求。
2)配合比设计应详细交底给施工人员,包括各种材料的种类、用量、调配方式等。
2.2混凝土浇筑工艺1)浇筑前,应进行现场检查,并保证模板安装牢固、板面规整。
2)确保施工现场有足够的混凝土供应,并具备混凝土搅拌设备的完好性。
3)根据混凝土的性质和施工要求,确定浇筑方式和施工工艺。
4)浇筑过程中,按照设计要求控制浇筑高度和浇筑速度,确保混凝土浇筑质量。
5)施工工艺应注意混凝土的初凝时间和终凝时间,避免浇筑不及时或过早浇筑。
6)混凝土浇筑完成后,对其进行整平、振捣、抹光等处理,确保混凝土表面平整光滑。
三、施工现场安全交底3.1个人安全意识培养1)施工现场工人应具备必要的安全培训,掌握基本的安全操作知识和技能。
2)提高工人对危险因素的辨识能力,加强安全意识培养。
3.2安全规章制度交底1)全体施工人员应熟悉并遵守施工现场的安全规章制度。
混凝土工程施工记录编号项目名称:XXX项目工程地点:XXX市工程单位:XXX有限公司工程负责人:XXX施工日期:XXXX年XX月XX日1、工程背景本项目是一座商业综合体建设工程,包括地下停车场、商业街、写字楼等多个功能区域,总建筑面积约XX万平方米,总投资额约XX亿元。
混凝土工程是该项目的重要部分之一,占据了工程总量的相当比例。
2、施工前准备为确保混凝土施工的质量和进度,工程负责人提前对施工现场进行了详细的勘测和设计。
并制定了详细的施工计划和工程进度表,合理安排了施工人员和设备,保证了施工的顺利进行。
3、混凝土材料的配制在混凝土工程施工过程中,我们选用了优质的水泥、骨料、粉煤灰等原材料,按照设计要求进行了精确的配比和搅拌,确保了混凝土的强度和密实度达到设计要求。
同时,为了减少混凝土的收缩裂缝,我们还添加了适量的外加剂,提高了混凝土的抗折强度和抗压强度。
4、混凝土浇筑混凝土施工是整个工程的一个重要环节,直接影响工程的质量和进度。
我们选择了专业的浇筑队伍和设备,严格按照施工图纸和施工要求进行了混凝土的浇筑,保证了混凝土的均匀性和整体性。
在浇筑过程中,我们采取了科学的施工工艺,确保了混凝土的坍落度和流动性,减少了气孔和裂缝的产生。
5、混凝土养护混凝土浇筑完成后,我们立即进行了养护工作,采取了有效的措施保持混凝土的湿润和温度,避免了混凝土的早期龟裂和损坏。
同时,我们对施工现场进行了定期检查和维护,确保混凝土施工的质量和安全。
6、施工总结通过本次混凝土工程施工,我们不仅提高了施工质量和效率,也积累了宝贵的经验和教训。
在未来的施工中,我们将进一步优化施工流程,加强施工管理,确保工程的顺利进行。
同时,我们也将不断学习和改进,提高自身的专业水平和技术能力,为客户提供更优质的工程服务。
7、工程验收经过数月的施工,本项目的混凝土工程顺利完成。
在质量检测和验收过程中,所有指标均达到设计要求,符合相关标准和规范。
工程负责人代表全体施工人员感谢了业主和监理单位的支持与合作,取得了圆满的阶段性成果。
混凝土施工记录混凝土施工记录是对施工现场重要工序进行记录的一种文件。
该文档记录了混凝土施工的所有细节,包括浇注、散料、施工工具、工作人员、施工场地、时段、混凝土的成分和品质等信息。
混凝土施工记录是一项非常有意义的工作,它对保证工程质量和施工安全具有重要的作用。
混凝土施工记录应该包含以下内容:1. 招标文件:记录相关单位签订的招标文件和相关法律法规的要求。
2. 混凝土质量监控:记录混凝土配合比、抗压强度、混凝土的配合材料等。
3. 施工现场状况记录:记录施工现场的天气情况、温度、湿度和风向等;记录施工现场的施工图纸、保护材料、施工场地的平整度和土层密度等信息。
4. 浇筑记录:记录浇筑的时间、浇筑的方向、浇筑的深度、允许的断面高度,并记录打捣次数和次数。
5. 现场操作记录:记录整个过程中相关人员的工作状态、沟通情况、工作流程的协调情况等相关记录,记录现场出现的问题及时地进行处理,保障施工的顺利进行。
6. 交接记录:记录一天的施工工作情况接点、提醒施工方注意事项和与下一个专业,以及必须做好的协调合作等。
通过以上内容,我们可以看到混凝土施工记录起到了非常重要的作用,它能够使施工方在施工中及时发现和解决问题,保证了施工速度和质量,并提高工程的可控性和安全性,保证了建筑工程的质量和形象。
同时,此类记录不仅对建筑项目的质量监督起到重要作用,也能让监理部门及时了解施工现场的情况,有利于监理混凝土施工质量。
例如,对于混凝土的质量监控,必须对混凝土的生产过程及其材料进行检验,监督混凝土的品质符合建设规范中的相关要求。
同时,混凝土施工过程中得砼料等材料的混配,也影响混凝土的性能。
当混凝土施工中出现问题时,需要及时记录、排除错误,保证施工品质符合规定,才能保证建筑品质,让居住者对其产生认可感。
另外,混凝土施工记录还有一个重要的功能,它能够帮助监理人员更好地掌握施工进度、进展,并及时预警工程进度和质量双控中的突破点。
这可以使施工单位能够及时发现并处理问题,减少质量问题的出现,最终提高建筑工程的交付质量。
混凝土工程施工监理记录施工单位:XX建筑工程有限公司项目名称:XX混凝土框架结构工程项目地址:XX市xx区监理单位:XX建筑监理有限公司监理工程师:张XX施工日期:20XX年X月X日施工总包单位:XX建筑集团公司施工监理单位:XX建筑监理有限公司监理工程师:张XX项目情况:该项目为一座XX层混凝土框架结构建筑,总建筑面积为XX平方米,总高度达到XX米。
施工过程中,施工单位需严格按照设计图纸和相关规范要求进行施工,确保工程质量。
监理记录:1. 施工前,对施工单位进行了现场踏勘,并核实了施工单位的人员构成和相关资质证明,确认施工单位具备施工资质。
同时,对施工现场进行了安全检查,要求施工单位对施工现场的安全措施和施工人员的安全防护进行加固,确保施工过程中不发生安全事故。
2. 在混凝土浇筑前,对混凝土搅拌站进行了检查,确认生产的混凝土符合设计要求,并对搅拌站的设备和生产工艺进行了审查。
在浇筑现场,要求施工单位配备足够的工人和专业人员,指挥合理,并在混凝土浇筑前进行了模板和钢筋的检查,确保施工质量。
3. 在混凝土浇筑过程中,监理工程师进行了实时监测,对浇筑过程中的振捣、坍塌度和浇筑顺序进行了监督,确保混凝土浇筑的质量。
同时,对浇筑后的混凝土进行了初步检验,确认混凝土的强度符合设计要求,并对浇筑现场进行了清理,确保施工现场的整洁。
4. 在混凝土结构施工中,对模板安装、钢筋绑扎、混凝土浇筑和养护等环节进行了全程监督。
对模板的安装质量进行了检查,对钢筋的绑扎质量进行了验收,对混凝土浇筑时的振捣工艺进行了监督,对混凝土的养护工艺进行了指导,确保混凝土结构的施工质量。
5. 在混凝土结构验收前,对混凝土结构进行了全面的检查,并组织专业人员进行了验收,确认混凝土结构的质量符合设计要求。
同时,对施工单位进行了验收,确认施工单位的资质和工程质量符合要求,对整个工程进行了最终验收,确认工程可以投入使用。
总结:在本次混凝土框架结构工程的施工监理中,监理单位严格按照相关规范和设计要求进行监督,并对施工单位进行了全程的监督和指导,确保施工过程中不发生质量问题和安全事故。
年 月 日 气温: ℃ 气候:建设单位名称:中国化学工程第十一建设有限公司单位工程名称:十一化建生活区内集资房(道南29#楼)浇筑部位及结构名称(标明轴线和标高): 层梁、板、柱、楼梯、墙混凝土数量(m 3): 当班完成量:混凝土强度等级:C30混凝土配合比设计报告单编号:混凝土捣实方法: 机械振捣见证取样人:孙倩现场监理(建设单位)人员:刘渊试件数量、编号及试压结果: 注:试压结果栏中应注明试压报告单编号和试压龄期拆模日期: 年 月 日记录人:郑建 年 月 日 年 月 日年 月 日 气温: ℃ 气候:建设单位名称:中国化学工程第十一建设有限公司单位工程名称:十一化建西生活区6#楼浇筑部位及结构名称(标明轴线和标高): 层梁、板、柱、楼梯及室内构件混凝土数量(m 3): 当班完成量:混凝土强度等级:C20混凝土配合比设计报告单编号:混凝土捣实方法: 机械振捣见证取样人:孙倩现场监理(建设单位)人员:刘渊试件数量、编号及试压结果: 注:试压结果栏中应注明试压报告单编号和试压龄期拆模日期: 年 月 日记录人:郑建 年 月 日 年 月 日年 月 日 气温: ℃ 气候:建设单位名称:中国化学工程第十一建设有限公司单位工程名称:十一化建西生活区6#楼浇筑部位及结构名称(标明轴线和标高): 层挑梁、边梁及室外构件混凝土数量(m 3): 当班完成量:混凝土强度等级:C30混凝土配合比设计报告单编号:混凝土捣实方法: 机械振捣见证取样人:孙倩现场监理(建设单位)人员:刘渊试件数量、编号及试压结果: 注:试压结果栏中应注明试压报告单编号和试压龄期拆模日期: 年 月 日记录人:郑建 年 月 日 年 月 日。
混凝土工程施工记录鲁JJ—年月日时至时,气温天气风力建设单位名称威海市羊亭镇北小城村单位工程名称威海市羊亭北小城村1#职工公寓结构名称及浇筑部位(标明轴线和标高)一层柱混凝土数量 / (m3)当班完成产量 / (m3)混凝土设计品级 C30 配合比报告编号 07-31-562 混凝土配合比检查情形(列表如下)坍落度(cm):要求 3-5 cm 第一次测试结果第二次测试结果 /水泥品种、生产厂及品级 R 搅拌机型号混凝土捣实方式机械振捣混凝土养护方式塑料薄膜试块数量编号及试压结果:注:一、试块试压结果栏中注明试压报告编号和试压龄期。
量及位置。
拆模时刻项目(专业)技术负责人:项目专业质量查验员:山东省建设工程质量监督总站监制混凝土工程施工记录鲁JJ—年月日时至时,气温天气风力建设单位名称威海市羊亭镇北小城村单位工程名称威海市羊亭北小城村1#职工公寓结构名称及浇筑部位(标明轴线和标高)二层柱混凝土数量(m3)当班完成产量(m3)混凝土设计品级 C30 配合比报告编号 07-31-562 混凝土配合比检查情形(列表如下)坍落度(cm):要求 3-5 cm 第一次测试结果 cm 第二次测试结果水泥品种、生产厂及品级 R 搅拌机型号混凝土捣实方式机械振捣混凝土养护方式塑料薄膜试块数量编号及试压结果:注:一、试块试压结果栏中注明试压报告编号和试压龄期。
项目(专业)技术负责人:项目专业质量查验员:山东省建设工程质量监督总站监制混凝土工程施工记录鲁JJ—年月日时至时,气温天气风力建设单位名称威海市羊亭镇北小城村单位工程名称威海市羊亭北小城村1#职工公寓结构名称及浇筑部位(标明轴线和标高)三层柱混凝土数量(m3)当班完成产量(m3)混凝土设计品级 C25 配合比报告编号 07-31-563 混凝土配合比检查情形(列表如下)坍落度(cm):要求 3-5 cm 第一次测试结果 cm 第二次测试结果水泥品种、生产厂及品级 R 搅拌机型号混凝土捣实方式机械振捣混凝土养护方式塑料薄膜试块数量编号及试压结果:注:一、试块试压结果栏中注明试压报告编号和试压龄期。
混凝土灌注桩施工记录施工单位:XXX建筑公司施工地点:XXX工程项目一、施工前准备1.确认施工图纸,了解施工桩型和桩长等技术要求。
2.编制施工计划,安排人员和设备的调度。
3.检查施工设备和机械的工作状态,确保施工顺利进行。
4.将施工现场进行临时封闭,确保安全施工。
二、施工过程记录1.施工日期:XXXX年XX月XX日气候条件:晴天施工人员:主持人员:XXX进场人员:XXX、XXX、XXX2.确认施工现场后,开始进行场地地质勘探。
地质勘探数据:XXX3.开始进行灌注桩的施工。
a.确定桩位,标志出桩点,并通过GPS进行精确定位。
b.进行基桩的挖掘,按照设计要求进行土方开挖,并对土方进行堆放和标注。
c.清理桩孔,使用水泥搅拌机进行搅拌灌注,按照设计要求控制水泥的配合比例。
d.进行桩笔的制作,按照设计要求制作桩笔,并标注桩号和尺寸规格。
e.进行钢筋绑扎工作,按照设计要求进行钢筋的绑扎,并在桩笔上进行标注。
f.进行混凝土灌注作业,使用混凝土泵进行泵送,按照设计要求进行灌注。
g.完成灌注后,对灌注桩进行养护,保持施工现场清洁,并进行标注和记录。
h.施工过程中,注意安全措施,保证施工人员的安全。
4.桩长和质量的检测a.使用尺子对每根灌注桩进行测量,确认桩长是否符合设计要求,并记录在册。
b.对灌注桩进行质量检测,使用锤击法和超声波法进行检测,确认桩身强度合格。
5.施工总结和整理a.对施工过程进行总结,评估施工进展和施工质量。
b.整理施工记录,包括施工日期、气候条件、施工人员、施工过程和质量检测结果等。
c.根据施工记录,编写施工报告,并提交给相关部门。
三、施工中遇到的问题及处理在施工过程中,可能会遇到一些问题,例如地质条件恶劣、施工设备故障等。
以下是本次施工中遇到的问题及处理措施:1.问题:地质条件较为复杂,无法正常进行桩孔的开挖。
处理:加大挖掘机的施工力度,增加挖掘机的功率,配合其他工具进行开挖。
2.问题:施工设备发生故障,导致施工进度延误。
混凝土桩施工记录
1. 项目信息
- 项目名称:
- 项目地址:
- 施工单位:
- 监理单位:
- 设计单位:
2. 施工人员
- 桩基工程队长:
- 混凝土搅拌工:
- 桩基施工工人:
3. 施工时间
- 开工日期:
- 完工日期:
4. 施工内容
- 桩基类型:
- 施工方法:
- 桩径/桩长:
- 桩数目:
- 施工设备:
- 施工过程:
- 第一段施工:
- 开挖桩基坑:
- 试探孔施工:
- 钻孔施工:
- 轧桩:
- 确认桩顶高程:
- 第二段施工:
- 再次轧桩:
- 确认桩顶高程:
- 桩上承台施工:
- 浇筑混凝土:
5. 施工问题和解决方案- 问题1:
- 影响:
- 解决方案:
- 问题2:
- 影响:
- 解决方案:
- 问题3:
- 影响:
- 解决方案:
- ...
6. 施工质量检查
- 桩身垂直度检查:
- 桩顶高程检查:
- 混凝土密实度检查:
- ...
7. 施工结果
- 桩基质量验收:
- 各项指标是否符合规范要求:8. 施工记录总结
- 优点:
- 不足之处:
- 改进建议:
以上为混凝土桩施工记录的基本要点,根据实际施工情况进行记录,并将施工图纸、工艺规程、验收报告等相关文件归档保存。