最新路灯检验批
- 格式:doc
- 大小:203.00 KB
- 文档页数:9
路灯安装检验批质量验收记录
(单挑灯、双挑灯)
CJJ89-2001
工程名称沙亭村村道建设项目施工总
承包
分项工程名称路灯安装项目经理朱鼎黎施工单位
广东宇晟建设工程有限公
司
验收部位路灯安装
施工执行标准名
称及编号《城市道照明工程施工及验收规程》CJJ89-2001 专业工长
(施工员)柯亚钦
分包单位/ 分包项目负责人/ 施工班组长/ 质量验收标准的规定施工单位自检记录监理(建设)单位验收记录
主控项目
1 路灯安装高度第7.3.1 符合要求合格
2 灯杆的质量要求第7.3.2
第7..3.3
符合要求合格
3 灯杆钢杆的允许偏差第7.3.
4 符合要求合格
4 路灯安装的间距第7.3.
5 符合要求合格
5 路灯的底座第7.3.15 符合要求合格
6 路灯根部第7.3.16 符合要求合格
1 灯杆的垂直偏差第7.3.6 符合要求合格
2 钢灯杆安装采取措施第7.3.7 符合要求合格
3 钢灯杆安装时接线手孔朝
向,灯臂应固定牢靠.
第7.3.8
第7.3.9
符合要求
合格
4 灯杆承受风速要求第7.3.10 符合要求
合格
施工单位检查
结果评定
符合设计及规范要求,合格
质量检查员:技术负责人:
年月日
监理(建设)单位验收结论
同意验收
专业监理工程师:
(建设单位项目专业技术负责人)
年月日。
变压器质量验收记录
箱式变电站质量验收记录
地下式变电站质量验收记录
配电室质量验收记录
配电柜(箱、屏)安装质量验收记录
配电柜(箱、屏)电器安装质量验收记录
二次回路结线质量验收记录
路灯控制系统质量验收记录
电杆与横担质量验收记录
绝缘子和拉线质量验收记录
导线架设质量验收记录
电缆敷设质量验收记录
接零和接地保护质量验收记录
接地装置质量验收记录
半高杆灯和高杆灯质量验收记录
单挑灯、双挑灯和庭院灯设质量验收记录
杆上路灯质量验收记录
其他路灯质量验收记录。
路灯安装检验批质量验收记录CJJ89-2001工程名称分项工程名称项目经理施工单位验收部位施工执行标准名称及编号专业工长(施工员)质量验收标准的规定施工单位自检记录监理(建设)单位验收记录主控项目1 基础坑开挖尺寸第7.1.32 灯座基础砼强度第7.1.33 灯具的安装位置第7.1.44 灯头接线检查第7.1.65 路灯排列检查第7.3.6一般项目1 接线检查第7.1.82 熔断器安装检查第7.1.93 灯具的配套使用第7.1.114 金属构件的防腐检查第7.1.125 灯杆灯臂表面油漆外观及附着力检查第7.1.136 螺母检查第7.1.14施工操作依据完整质量检查记录完整施工单位检查结果评定合格项目专业项目专业质量检查员:技术负责人:年月日监理(建设)单位验收结论专业监理工程师:(建设单位项目专业技术负责人)年月日接地装置安装检验批质量验收记录表CJJ89-2001工程名称分项工程名称项目经理施工单位验收部位施工执行标准名称及编号专业工长(施工员)质量验收标准的规定施工单位自检记录监理(建设)单位验收记录主控项目1 电气装置接地检查第6.1.2条2 接地电阻测试第6.2.7条3 接地体埋深检查第6.3.2条4 接地体符合性检查第6.3.5条5 接地体的焊接检查第6.3.7条施工操作依据完整质量检查记录完整施工单位检查结果评定项目专业项目专业质量检查员:技术负责人:年月日监理(建设)单位验收结论专业监理工程师:(建设单位项目专业技术负责人)年月日电缆敷设检验批质量验收记录表CJJ89-2001工程名称分项工程名称项目经理施工单位验收部位施工执行标准名称及编号专业工长(施工员)质量验收标准的规定施工单位自检记录监理(建设)单位验收记录主控项目1 电缆敷设弯曲半径第3.1.1条2电缆在保护管中不得有接头第3.1.2条3 电缆敷设深度检查第3.1.7条4电缆敷设砂保护层检查第3.2.1条一般项目1电缆在灯杆两侧预留量检查第3.1.4条2直埋敷设的电缆穿越机动车通行地段时应穿管敷设第3.2.3条3 保护管连接接口检查第3.2.11条施工操作依据完整质量检查记录完整施工单位检查结果评定合格项目专业项目专业质量检查员:技术负责人:年月日监理(建设)单位验收结论专业监理工程师:(建设单位项目专业技术负责人)年月日低压配电柜(箱)安装验收记录表配电室名称:安装位置排列方式并排型号检查项目性质合格标准检查结果1 基础型钢安装主要直线度:<1mm/m,<5mm/全长;水平度:<1mm/m,<5mm/全长;位置误差及平行度:<5mm/全长;顶部应调出地面10mm2 柜及内部设备主要配电柜及其设备与各构件间连接应牢固,各控制盘不宜与基础型钢焊死3 柜安装主要垂直度<1.5mm 水平偏差<2.0mm 柜面偏差<1.0mm4 端子箱主要牢固,密封良好,防潮防尘;便于检查5 柜接地主要配电柜的接地应牢固良好,接地电阻≤4Ω6 成套柜(屏/箱)安装主要机械、电气闭锁动作准确可靠,动、静触头接触紧密,中心线应一致;二次回路辅助开关切换动作准确可靠;柜内照明齐全7 外观漆层完整无损,所有柜颜色一致8 配电柜的安全措施主要满足“五防”要求结论建筑物照明通电试运行记录编号:工程名称试运项目填写日期试运时间由日时分开始,至日时分结束运行负荷记录运行时间运行电压(∨)运行电流(A)L1-N(L1-L2)L2-N(L2-L3)L3-N(L3-L1)L1-PE L2-PE L3-PE N-PE试运行情况记录:签字栏建设(监理)单位监理单位施工单位电气接地电阻测试记录表电气接地电阻测试记录表编号工程名称测试日期2010.4.7仪表型号天气情况晴气温27℃接地类型□防雷接地□计算机接地□工作接地□保护接地□防静电接地□逻辑接地□重复接地□综合接地□医疗设备接地设计要求□≤10Ω□≤4Ω□≤1Ω□≤0.1Ω□≤0Ω□测试结论:经测试计算,接地电阻值为Ω,符合设计要求和《城市道路照明工程施工及验收规程》(CJJ89-2001)建设单位监理单位施工单位本表一式三份:经项目经理结构审核后,建设单位、监理单位、承包单位各存一份电气绝缘电阻测试记录 编号:工程名称 施工单位计量单位 M Ώ 测试日期 2010 年 4 月 2 日 仪表型号ZC25-8电压380/220 V天气情况晴 气温27 0C 试验内容相间相对零相对地零对地A −B B −C C −A A −N B −N C −N A −E B −E C −E N −E 层 段 · 路 别 · 名 称 · 编 号测 试 结 论经测试:线路绝缘良好,符合设计和《建筑电气工程施工质量验收规范》(GB50303-2002)规定。
1 2 3 4 5 6 7 8 9 10 11 12 13 1415地脚螺栓的预埋应符合规范要求、基础法兰螺栓中线分布正经应与灯杆底座法兰孔中线分布一致,螺栓紧固应加垫圈并采用双螺母灯臂、灯杆内穿线应符合规范要求每盏灯的相线应安装熔断器,熔断器的安装应符合规范要求高压钠灯应设无功补偿、灯泡、镇流器、触发器的使用应符合规范要求灯具内的接线应符合规范要求各种螺栓安装应符合规范要求路灯金属构件防腐应符合规范要求灯杆、灯臂等热镀锌后外表涂层处理应符合规范要求路灯单独编号时应符合规范要求灯泡座、接线应位置正确、固定牢固、结缘外壳应无损伤、开裂灯具引至主线路的导线应符合规范要求灯具的效率不应低于70%,光源腔、电源的保护等级应符合规范要求灯具的外观、质量、温升及光学性能应符合规范要求同一道路的路灯,灯具安装位置应符合规范要求灯杆、灯具安装完毕后,灯杆底部应做混凝土结面,厚度不宜小于100mm分包单位 /项目负责人(分包单位)/施工班组长施 工 执 行 标 准 及 编 号城市道路照明工程施工及验收规程 CJJ89-2012质 量 验 收 规 范 的 规 定施 工 单 位 检 查 评 定 记 录监理(建设)单位验收记录路灯安装检验批质量验收记录工程名称秦皇寺28路等24个项目-正兴27路分项工程名称路灯安装验收部位施工单位中交第二航务工程局有限公司项目负责人专业工长161718±519杆长±5%20<3%21±1%22±5123<2%24监理(建设)单位验收记录灯杆垂直度偏差应小于半个杆梢,灯杆横向位置偏移应小于半个杆根检修门尺寸偏差mm 刚灯杆长度允许偏差质 量 验 收 规 范 的 规 定施 工 单 位 检 查 评 定 记 录悬挑灯臂仰角允许偏差直线灯间距与设计偏差路灯安装检验批质量验收记录(续)中、高杆灯的灯杆、灯盘。
、配线、升级电动机构等应符合规范要求中、高杆灯的供电应符合规范要求杆身直线度允许误差杆身截面直径允许误差四川省建设厅制 共实测 点, 其中合格 点, 不合格 点,合格率 %施工单位检查评定结果目专业质量检查员: 项目专业质量(技术)负责人: 年 月 日监理(建设)单位验收结论监理工程师(建设单位项目技术负责人): 年 月 日注:本表由施工项目专业质量检查员填写,监理工程师(建设单位项目技术负责)组织项目专业质量(技术)负责人等进行验收。
路灯安装检验批质量验收记录隐蔽工程检查验收记录质检表4路灯安装报验申请表工程名称:梅山湖路延伸段-亮化工程编号:路灯安装检验批质量验收记录隐蔽工程检查验收记录质检表4路灯安装报验申请表工程名称:梅山湖路延伸段-亮化工程编号:路灯安装检验批质量验收记录隐蔽工程检查验收记录质检表4年月日路灯安装报验申请表工程名称:梅山湖路延伸段-亮化工程编号:路灯安装检验批质量验收记录隐蔽工程检查验收记录质检表4年月日路灯安装报验申请表工程名称:梅山湖路延伸段-亮化工程编号:路灯安装检验批质量验收记录隐蔽工程检查验收记录质检表4年月日路灯安装报验申请表工程名称:梅山湖路延伸段-亮化工程编号:路灯安装检验批质量验收记录隐蔽工程检查验收记录质检表4年月日路灯安装报验申请表工程名称:梅山湖路延伸段-亮化工程编号:路灯安装检验批质量验收记录隐蔽工程检查验收记录质检表4年月日路灯安装报验申请表工程名称:梅山湖路延伸段-亮化工程编号:路灯安装检验批质量验收记录隐蔽工程检查验收记录质检表4年月日路灯安装报验申请表工程名称:梅山湖路延伸段-亮化工程编号:路灯安装检验批质量验收记录隐蔽工程检查验收记录质检表4年月日路灯安装报验申请表工程名称:梅山湖路延伸段-亮化工程编号:路灯安装检验批质量验收记录隐蔽工程检查验收记录质检表4年月日路灯安装报验申请表工程名称:梅山湖路延伸段-亮化工程编号:路灯安装检验批质量验收记录隐蔽工程检查验收记录质检表4年月日路灯安装报验申请表工程名称:梅山湖路延伸段-亮化工程编号:路灯安装检验批质量验收记录隐蔽工程检查验收记录质检表4年月日路灯安装报验申请表工程名称:梅山湖路延伸段-亮化工程编号:路灯安装检验批质量验收记录隐蔽工程检查验收记录质检表4年月日。
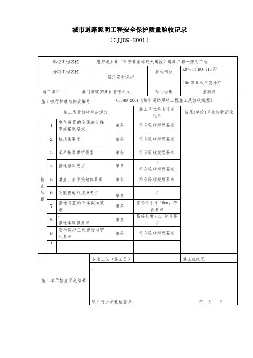
城市道路照明工程安全保护质量验收记录(CJJ89-2001)城市道路照明工程安全保护质量验收记录(CJJ89-2001)城市道路照明工程安全保护质量验收记录(CJJ89-2001)城市道路照明工程安全保护质量验收记录(CJJ89-2001)城市道路照明工程安全保护质量验收记录(CJJ89-2001)城市道路照明工程低压电缆线路质量验收记录(CJJ89-2001)城市道路照明工程低压电缆线路质量验收记录(CJJ89-2001)城市道路照明工程低压电缆线路质量验收记录(CJJ89-2001)}:城市道路照明工程低压电缆线路质量验收记录(CJJ89-2001)城市道路照明工程低压电缆线路质量验收记录(CJJ89-2001)城市道路照明工程路灯安装质量验收记录(CJJ89-2001)城市道路照明工程路灯安装质量验收记录(CJJ89-2001)续表城市道路照明工程路灯安装质量验收记录,(CJJ89-2001)城市道路照明工程路灯安装质量验收记录(CJJ89-2001)续表城市道路照明工程路灯安装质量验收记录(CJJ89-2001)城市道路照明工程路灯安装质量验收记录(CJJ89-2001)续表城市道路照明工程路灯安装质量验收记录(CJJ89-2001)城市道路照明工程路灯安装质量验收记录(CJJ89-2001)续表$城市道路照明工程路灯安装质量验收记录(CJJ89-2001)城市道路照明工程路灯安装质量验收记录(CJJ89-2001)(续表城市道路照明工程变压器、箱式变电站质量验收记录(CJJ89-2001)城市道路照明工程配电装置与控制质量验收记录(CJJ89-2001)。
太阳能路灯检验批质量验收记录哎呀,今天咱们来聊聊太阳能路灯的检验批质量验收记录。
听起来有点儿正式,但其实这个话题特别接地气,咱们就像是在街边喝着茶,边聊边笑,轻松一下。
说到太阳能路灯,大家可能会想到夜晚那一盏盏闪亮的小灯,像小星星一样,照亮了我们的回家路。
这种灯可不仅仅是好看,里面可是有不少技术含量的呢。
说到这里,想必大家都知道,咱们的环保意识越来越强了,太阳能路灯就是个好例子,既省电,又环保,简直是现代科技的结晶。
咱们说说这灯的材质。
一般来说,太阳能路灯的灯杆是铝合金的,轻巧又耐腐蚀,简直就像是超人一样,能在各种天气下坚持不懈。
而灯罩呢,多数是高强度的聚碳酸酯,抗冲击力杠杠的,不怕风吹雨打。
这可不能小瞧,想想有多少次下大雨的时候,路边的灯都还在默默发光,真的是太给力了。
再说这光源,LED灯珠可是节能的代表,亮度高,寿命长,简直就像是个永动机,越用越省。
嘿,你说这质量不好的话,那也不可能吧?再说说太阳能板。
大伙儿一定见过,白天阳光一照,这板子就开始“工作”了。
它们可是个小勤奋,存储的电能可以支撑夜晚照明。
你想想,白天休息,晚上发光,简直就是个小夜猫子。
说到这里,有个问题大家一定会问,这太阳能板好不好呢?咱们在验收的时候,得认真检查呀,确保它们的转换效率能达到标准,这样才不会浪费一丝一毫的阳光。
就像老妈总说的,太阳那么好,咱们可不能浪费。
咱们得看看电池。
太阳能路灯里的电池也是个重要角色,通常是锂电池,存电能力强,充电快。
嘿,这可不能忽视,电池的好坏直接影响灯的亮度和使用时间。
试想一下,晚上你回家的时候,灯一闪一闪的,那心情,别提多郁闷了。
所以,咱们在验收的时候,一定要给电池好好“审查”一番,确保它能够在黑夜里大放异彩。
再聊聊控制器,这玩意儿就像是个“指挥家”,负责控制灯的开关、亮度调节,甚至还有光感应功能,晚上自己亮,白天自己灭,聪明得不得了。
真是“听话”的小家伙。
验收的时候,咱们得确保它能够正常工作,这样才能保证路灯在黑夜里依旧能洒下光辉。
路灯安装检验批质量验收记录
接地装置安装检验批质量验收记录表
电缆沟内电缆敷设工程检验批质量验收记录表
低压配电柜(屏/箱)安装验收记录配电室名称:
接地装置施工检查及评级记录
电气接地电阻测试记录表
本表一式三份:经项目经理结构审核后,建设单位、监理单位、承包单位各存一份
建筑物照明通电试运行记录
编号:
电气绝缘电阻测试记录编号:
1、本表使用于单相、单相三线、三相四线制、三相五线制的照明、动力线路及电缆线路,电机等绝缘电阻的测试。
2、表中A代表第一相、B代表第二相、C代表第三线、N代表零线(中性线)、E代表保护接地线。
3、参加人员第一栏凡是委托监理的工程均由监理代表签字。