实验二:电路元件特性曲线的伏安测量法和示波器观测法
- 格式:doc
- 大小:42.50 KB
- 文档页数:4
电路元件伏安特性的测量(实验报告答案)实验一电路元件伏安特性的测量一、实验目的1.学习测量电阻元件伏安特性的方法;2.掌握线性电阻、非线性电阻元件伏安特性的逐点测试法;3.掌握直流稳压电源和直流电压表、直流电流表的使用方法。
二、实验原理在任何时刻,线性电阻元件两端的电压与电流的关系,符合欧姆定律。
任何一个二端电阻元件的特性可用该元件上的端电压U与通过该元件的电流I之间的函数关系式I=f(U)来表示,即用I-U平面上的一条曲线来表征,这条曲线称为电阻元件的伏安特性曲线。
根据伏安特性的不同,电阻元件分为两大类:线性电阻和非线性电阻。
线性电阻元件的伏安特性曲线是一条通过坐标原点的直线,如图1-1(a)所示。
该直线的斜率只由电阻元件的电阻值R决定,其阻值R为常数,与元件两端的电压U和通过该元件的电流I无关;非线性电阻元件的伏安特性曲线不是一条经过坐标原点的直线,其阻值R不是常数,即在不同的电压作用下,电阻值是不同的。
常见的非线性电阻如白炽灯丝、普通二极管、稳压二极管等,它们的伏安特性曲线如图1-1(b)、(c)、(d)所示。
在图1-1中,U >0的部分为正向特性,U<0的部分为反向特性。
(a)线性电阻(b)白炽灯丝绘制伏安特性曲线通常采用逐点测试法,电阻元件在不同的端电压U 作用下,测量出相应的电流I ,然后逐点绘制出伏安特性曲线I =f (U ),根据伏安特性曲线便可计算出电阻元件的阻值。
三、实验设备与器件1.直流稳压电源 1 台2.直流电压表 1 块3.直流电流表 1 块4.万用表 1 块5.白炽灯泡 1 只6. 二极管 1 只7.稳压二极管 1 只8.电阻元件 2 只四、实验内容1.测定线性电阻的伏安特性按图1-2接线。
调节直流稳压电源的输出电压U ,从0伏开始缓慢地增加(不得超过10V ),在表1-1中记下相应的电压表和电流表的读数。
2将图1-2中的1kΩ线性电阻R 换成一只12V ,0.1A 的灯泡,重复1的步骤,在表1-2中记下相应的电压表和电流表的读数。
电路元件特性曲线的伏安测量法实验报告
伏安测量法实验报告
本实验旨在运用伏安测量法来观察电路元件的特性曲线。
通过对分立元件进行伏安测量,来分析元件的特性,以便进行电子系统的设计与应用。
实验目的:
1、观察电路元件特性曲线;
2、通过实验,分析电路元件的特性;
3、掌握伏安测量法实验技术;
4、了解电路元件特性测量的步骤和方法。
实验内容:
本实验共完成了电感串联L-C谐振管、PWR电阻负反馈和zener限流三种分立元件的
测量,具体步骤如下:
1、找出测量元件。
根据实验要求,准备所需的电子元件,及相应的测试仪器和电阻、电容;
2、连接电路。
按照试验仪示意图,连接元件及电路,并确保连线正确;
3、电流、电压表读数采集比较。
启动测量仪,根据实验要求,依次调节电压、电流
量观察表上的读数;
4、根据变化规律绘制特性曲线图。
观察表上的读数,据此绘制元件特性的时域变化
曲线;
5、完成特性曲线图的建立。
实验结果及分析:
通过本次实验,测量了三种分立元件的特性曲线,对其进行伏安测量,完成其特性曲
线图的建立,从而了解电路元件特性测量的步骤和方法,并熟悉伏安测量法的实验技术。
结论:。
课程名称:电路与模拟电子技术实验指导老师:孙晖成绩:__________________实验名称:电路元件特性曲线的伏安测量法和示波器观测法实验类型:______ _同组学生姓名:__________一、实验目的和要求(必填)二、实验内容和原理(必填)三、主要仪器设备(必填)四、操作方法和实验步骤五、实验数据记录和处理六、实验结果与分析(必填)七、讨论、心得一、实验目的和要求1、熟悉电路元件的特性曲线2、学习非线性电阻元件的特性曲线的伏安测量法3、掌握伏安测量法中测量样点的选择和绘制曲线的方法4、学习非线性电阻元件特性曲线的示波器观测方法5、设计实验方案,用示波器观测电容的特性曲线。
二、实验内容和原理1、在电路原理中,元件特性曲线是指特定平面上的定义的一条线,其函数关系式称为元件的伏安特性曲线。
电阻元件的伏安特性曲线是在U-I平面上的一条曲线,当曲线为直线时,对应的元件是线性元件,斜率为电阻值。
线性电阻的伏安特性曲线符合欧姆定律,在U-I平面内是过原点的直线,与电压、电流无关;非线性元件在U-I内是一条曲线。
2、普通警惕二极管的特点是正反向电阻差别很大,正向压降很小,正向电流随着正向压降的上升而急骤上升,而反向电压从零一直增加到十几伏到几十伏时,其反向电流增加很小,粗略地可视为零。
可见,二极管具有单向导电性,如果反响电压加的过高,超过管子的极限值,会导致管子击穿损坏。
3、稳压二极管是一种特殊的半导体二极管,其正向特性与普通二极管类似,但其反向特性则与普通二极管不同。
在反向电压开始增加时,其反向电流几乎为零,但当反向电压增加到一定数值时(称为管子的稳压值)。
电流将突然增加,以后它的端电压将维持恒定,不再随外加的反向电压升高而增大。
这两种二极管的特性属于单调型,电压与电流之间为单调函数。
二极管的特性参数有开启电压U th、导通电压U on,反向电流I R、反向击穿电压U Br以及最大整流电流I F。
电路元件伏安特性实验报告电路元件伏安特性实验报告引言:电路元件的伏安特性是研究电路中电流与电压之间关系的重要实验。
通过对电路元件的伏安特性进行实验研究,可以深入理解电路中的电流流动规律,探索电阻、电容、电感等元件的特性,为电路设计和应用提供理论依据。
本次实验主要研究了电阻、电容和二极管的伏安特性,并进行了数据分析和讨论。
一、电阻的伏安特性实验1. 实验目的:研究电阻的伏安特性,了解电阻的电流与电压关系。
2. 实验器材:电阻箱、直流电源、电流表、电压表、导线等。
3. 实验步骤:(1)将电阻箱连接到直流电源的正负极,将电流表和电压表分别与电阻箱相连。
(2)依次调整电阻箱的阻值,记录不同电阻下的电流和电压值。
(3)根据记录的数据绘制伏安特性曲线。
4. 实验结果与分析:通过实验数据绘制的伏安特性曲线,可以清晰地看出电阻的特性。
根据欧姆定律,电阻的电流与电压成正比,即I=U/R,其中I为电流,U为电压,R为电阻。
实验数据与理论公式相符,验证了欧姆定律的正确性。
二、电容的伏安特性实验1. 实验目的:研究电容的伏安特性,了解电容的电流与电压关系。
2. 实验器材:电容器、直流电源、电流表、电压表、导线等。
3. 实验步骤:(1)将电容器连接到直流电源的正负极,将电流表和电压表分别与电容器相连。
(2)依次调整直流电源的电压,记录不同电压下的电流值。
(3)根据记录的数据绘制伏安特性曲线。
4. 实验结果与分析:通过实验数据绘制的伏安特性曲线,可以观察到电容的特性。
根据电容的定义,电容器的电流与电压存在一定的滞后关系。
在直流电路中,电容器对电流的阻碍作用随着电压的增加而减小,电流逐渐趋于稳定。
实验结果与理论预期相符,验证了电容特性的准确性。
三、二极管的伏安特性实验1. 实验目的:研究二极管的伏安特性,了解二极管的电流与电压关系。
2. 实验器材:二极管、直流电源、电流表、电压表、导线等。
3. 实验步骤:(1)将二极管连接到直流电源的正负极,将电流表和电压表分别与二极管相连。
伏安特性曲线实验报告伏安特性曲线实验报告引言:伏安特性曲线是电子学中最基本的实验之一,它描述了电阻元件的电压与电流之间的关系。
通过实验测量和分析伏安特性曲线,可以深入理解电阻元件的特性和行为。
本实验旨在通过测量不同电阻元件的伏安特性曲线,探究电阻元件的性质和特点。
实验目的:1. 了解伏安特性曲线的基本概念和原理;2. 学习如何使用电压表和电流表进行测量;3. 掌握测量电阻元件的伏安特性曲线的方法;4. 分析不同电阻元件的特性和行为。
实验仪器和材料:1. 电源;2. 电压表和电流表;3. 不同电阻元件;4. 连接线。
实验步骤:1. 将电源、电压表和电流表依次连接起来,组成电路;2. 将不同电阻元件依次连接到电路中;3. 分别调节电源的电压,记录电压表和电流表的读数;4. 根据记录的数据,绘制伏安特性曲线。
实验结果与分析:通过实验测量得到的伏安特性曲线如下图所示:[插入伏安特性曲线图]从图中可以观察到以下几点特点和行为:1. Ohm定律的验证:当电阻元件为线性电阻时,伏安特性曲线呈直线,证明了Ohm定律的成立。
即电流与电压成正比,电阻恒定。
2. 非线性电阻元件的特性:当电阻元件为非线性电阻时,伏安特性曲线呈非线性关系。
这说明电阻元件的电流与电压之间的关系不再是简单的线性关系,而是受到其他因素的影响。
3. 电阻元件的阻值和功率:通过伏安特性曲线可以计算电阻元件的阻值和功率。
根据电流和电压的关系,可以得出电阻元件的阻值。
而根据电流和电压的乘积,可以得出电阻元件的功率。
这些参数对于电阻元件的选用和设计非常重要。
4. 温度对电阻的影响:伏安特性曲线的变化还可以反映电阻元件受温度影响的情况。
随着温度的升高,电阻元件的电阻值也会发生变化,从而导致伏安特性曲线的形状发生改变。
结论:通过本次实验,我们深入了解了伏安特性曲线的概念、原理和测量方法。
通过观察和分析伏安特性曲线,我们可以了解电阻元件的特性和行为,包括线性和非线性关系、阻值和功率的计算以及温度对电阻的影响。
竭诚为您提供优质文档/双击可除伏安特性曲线的测量实验报告篇一:电路元件伏安特性的测量(实验报告答案)实验一电路元件伏安特性的测量一、实验目的1.学习测量电阻元件伏安特性的方法;2.掌握线性电阻、非线性电阻元件伏安特性的逐点测试法;3.掌握直流稳压电源和直流电压表、直流电流表的使用方法。
二、实验原理在任何时刻,线性电阻元件两端的电压与电流的关系,符合欧姆定律。
任何一个二端电阻元件的特性可用该元件上的端电压u与通过该元件的电流I之间的函数关系式I=f(u)来表示,即用I-u平面上的一条曲线来表征,这条曲线称为电阻元件的伏安特性曲线。
根据伏安特性的不同,电阻元件分为两大类:线性电阻和非线性电阻。
线性电阻元件的伏安特性曲线是一条通过坐标原点的直线,如图1-1(a)所示。
该直线的斜率只由电阻元件的电阻值R决定,其阻值R为常数,与元件两端的电压u和通过该元件的电流I无关;非线性电阻元件的伏安特性曲线不是一条经过坐标原点的直线,其阻值R不是常数,即在不同的电压作用下,电阻值是不同的。
常见的非线性电阻如白炽灯丝、普通二极管、稳压二极管等,它们的伏安特性曲线如图1-1(b)、(c)、(d)所示。
在图1-1中,u>0的部分为正向特性,u<0的部分为反向特性。
(a)线性电阻(b)白炽灯丝绘制伏安特性曲线通常采用逐点测试法,电阻元件在不同的端电压u作用下,测量出相应的电流I,然后逐点绘制出伏安特性曲线I=f(u),根据伏安特性曲线便可计算出电阻元件的阻值。
三、实验设备与器件1.直流稳压电源1台2.直流电压表1块3.直流电流表1块4.万用表1块5.白炽灯泡1只6.二极管1只7.稳压二极管1只8.电阻元件2只四、实验内容1.测定线性电阻的伏安特性按图1-2接线。
调节直流稳压电源的输出电压u,从0伏开始缓慢地增加(不得超过10V),在表1-1中记下相应的电压表和电流表的读数。
2将图1-2中的1kΩ线性电阻R换成一只12V,0.1A的灯泡,重复1的步骤,在表1-2中记下相应的电压表和电流表的读数。
伏安特性实验报告篇一:电路元件伏安特性的测量(实验报告答案)实验一电路元件伏安特性的测量一、实验目的1.学习测量电阻元件伏安特性的方法;2.掌握线性电阻、非线性电阻元件伏安特性的逐点测试法; 3.掌握直流稳压电源和直流电压表、直流电流表的使用方法。
二、实验原理在任何时刻,线性电阻元件两端的电压与电流的关系,符合欧姆定律。
任何一个二端电阻元件的特性可用该元件上的端电压U与通过该元件的电流I之间的函数关系式I=f(U)来表示,即用I-U平面上的一条曲线来表征,这条曲线称为电阻元件的伏安特性曲线。
根据伏安特性的不同,电阻元件分为两大类:线性电阻和非线性电阻。
线性电阻元件的伏安特性曲线是一条通过坐标原点的直线,如图1-1(a)所示。
该直线的斜率只由电阻元件的电阻值R决定,其阻值R为常数,与元件两端的电压U和通过该元件的电流I无关;非线性电阻元件的伏安特性曲线不是一条经过坐标原点的直线,其阻值R不是常数,即在不同的电压作用下,电阻值是不同的。
常见的非线性电阻如白炽灯丝、普通二极管、稳压二极管等,它们的伏安特性曲线如图1-1(b)、(c)、(d)所示。
在图1-1中,U >0的部分为正向特性,U<0的部分为反向特性。
(a)线性电阻 (b)白炽灯丝绘制伏安特性曲线通常采用逐点测试法,电阻元件在不同的端电压U作用下,测量出相应的电流I,然后逐点绘制出伏安特性曲线I=f(U),根据伏安特性曲线便可计算出电阻元件的阻值。
三、实验设备与器件1.直流稳压电源 1 台2.直流电压表1 块3.直流电流表1 块4.万用表 1 块5.白炽灯泡 1 只6. 二极管1 只7.稳压二极管1 只 8.电阻元件 2 只四、实验内容1.测定线性电阻的伏安特性按图1-2接线。
调节直流稳压电源的输出电压U,从0伏开始缓慢地增加(不得超过10V),在表1-1中记下相应的电压表和电流表的读数。
2将图1-2中的1kΩ线性电阻R换成一只12V,0.1A的灯泡,重复1的步骤,在表1-2中记下相应的电压表和电流表的读数。
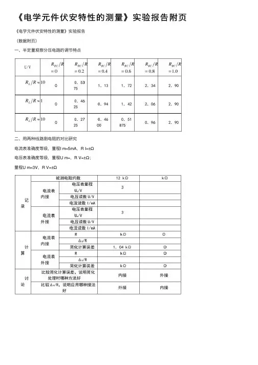
《电学元件伏安特性的测量》实验报告附页《电学元件伏安特性的测量》实验报告(数据附页)⼀、半定量观察分压电路的调节特点⼆、⽤两种线路测电阻的对⽐研究电流表准确度等级,量程I m=5mA,R I=±Ω电压表准确度等级,量程U m=,R V=±Ω;量程U m=3V,R V=±Ω由于正向⼆极管的电阻很⼩,采⽤外接法的数据;反向电阻很⼤,采⽤内接法的数据。
四、戴维南定理的实验验证1. 将9V 电源的输出端接到四端⽹络的输⼊端上,组成⼀个有源⼆端⽹络,e e修正后的结果:取第⼆组和第七组数据计算得到: E e = R e =Ω由作图可得: E e = R e =Ω2.⽤原电路和等效电路分别加在相同负载上,测量外电路的电压和电流值。
3.理论计算。
%6.17%7.10.30034.2951.14917.19932.61621213212321的相对误差为的相对误差为与实验值⽐较e e e e R E R R R R R R VR R ER E V E R R R Ω=++==+==Ω=Ω=Ω=4.讨论。
等效电动势的误差不是很⼤,⽽等效电阻却很⼤。
原因是多⽅⾯的。
但我认为最⼤的原因应该是作图本⾝。
所有数据的点都集中在⼀个很⼩的区域,点很难描精确,直线的绘制也显得过于粗糙,⼈为的误差很⼤。
如果对数据进⾏拟合,可以得到I=+,于是得到E e=,R e=Ω,前者误差为%,后者误差为%,效果⽐直接读图好,因为消除了读图时⼈为的误差。
另外⼀点,仪表读数也是造成误差⼤的⼀个原因。
⽐如电流表没有完全指向0,电压表不⾜⼀格的部分读得很不准等等。
总的讲,实验数值和理论还是有⼀定偏差,不能很好的证明。
元件伏安特性的测定实验报告元件伏安特性的测定实验报告摘要:本实验旨在通过测量电阻、二极管和电容的伏安特性曲线,探究元件的电流与电压之间的关系。
实验结果表明,电阻的伏安特性为线性关系,二极管的伏安特性为非线性关系,而电容的伏安特性则呈现出充放电的特点。
引言:伏安特性是描述电子元件电流与电压之间关系的重要参数。
通过测量元件的伏安特性曲线,可以了解元件的工作状态、性能以及应用范围。
本实验将选取常见的电阻、二极管和电容进行测量,以探究它们的伏安特性。
实验方法:1. 实验仪器:万用表、电源、电阻箱、示波器等。
2. 实验步骤:a. 将电阻、二极管和电容依次连接到电路中。
b. 通过电源调节电压,同时用万用表测量电流和电压。
c. 记录不同电压下的电流数值,并绘制伏安特性曲线。
结果与讨论:1. 电阻的伏安特性:实验中选取了一个100欧姆的固定电阻进行测量。
结果显示,在不同电压下,电流与电压呈线性关系,即伏安特性为直线。
这符合欧姆定律,即电流与电压成正比,电阻为常数。
通过斜率可以计算出电阻值。
2. 二极管的伏安特性:实验中选取了一颗常见的硅二极管进行测量。
结果显示,在正向偏置时,电流与电压呈非线性关系,即伏安特性为曲线。
随着电压的增加,电流迅速增大,但增长速度逐渐减慢。
而在反向偏置时,二极管基本上不导电。
这说明二极管具有单向导电性,可用于整流等电路。
3. 电容的伏安特性:实验中选取了一个100μF的电容进行测量。
结果显示,在充电过程中,电容两端的电压随时间线性增加,而电流逐渐减小。
当电容充满电后,电流变为零。
而在放电过程中,电容两端的电压随时间线性减小,电流逐渐增大。
这说明电容具有储存和释放电能的特性,可用于滤波等电路。
结论:通过本实验的测量结果,可以得出以下结论:1. 电阻的伏安特性为线性关系,即电流与电压成正比。
2. 二极管的伏安特性为非线性关系,即正向偏置时电流迅速增大,反向偏置时基本不导电。
3. 电容的伏安特性表现为充放电过程,可储存和释放电能。
1. 熟悉伏安特性实验的基本原理和操作步骤;2. 掌握伏安特性曲线的绘制方法;3. 研究电阻元件和二极管等非线性元件的伏安特性;4. 分析伏安特性曲线,了解元件的电气性能。
二、实验原理伏安特性曲线是指在一定条件下,元件两端电压与通过元件的电流之间的关系曲线。
对于线性电阻元件,其伏安特性曲线为一条通过坐标原点的直线,其斜率表示元件的电阻值。
对于非线性元件,其伏安特性曲线为曲线,无法用简单的线性关系表示。
本实验主要研究以下元件的伏安特性:1. 线性电阻元件:伏安特性曲线为直线,斜率为元件的电阻值;2. 二极管:伏安特性曲线为曲线,具有明显的非线性特性;3. 稳压二极管:伏安特性曲线为曲线,具有稳压特性。
三、实验仪器与设备1. 伏安特性测试仪;2. 直流稳压电源;3. 直流电压表;4. 直流电流表;5. 电阻元件;6. 二极管;7. 稳压二极管;8. 导线;9. 开关;10. 连接板。
1. 将伏安特性测试仪与直流稳压电源、直流电压表、直流电流表连接好;2. 将电阻元件、二极管、稳压二极管依次接入伏安特性测试仪;3. 设置直流稳压电源的输出电压,从低到高逐渐增加;4. 观察并记录伏安特性测试仪显示的电压与电流值;5. 绘制电阻元件、二极管、稳压二极管的伏安特性曲线;6. 分析伏安特性曲线,了解元件的电气性能。
五、实验数据及结果1. 电阻元件伏安特性曲线(1)线性电阻元件伏安特性曲线为直线,斜率为元件的电阻值;(2)曲线通过坐标原点,表示电阻值与电压、电流无关。
2. 二极管伏安特性曲线(1)正向特性曲线为曲线,随着电压的增加,电流逐渐增大;(2)反向特性曲线为曲线,随着电压的增加,电流几乎不变。
3. 稳压二极管伏安特性曲线(1)正向特性曲线为曲线,随着电压的增加,电流逐渐增大;(2)反向特性曲线为曲线,当电压达到稳压值时,电流急剧增大。
六、实验结论1. 伏安特性实验可以直观地了解元件的电气性能;2. 伏安特性曲线的绘制方法简单易行;3. 通过分析伏安特性曲线,可以判断元件的质量和性能。
电子元件的伏安特性曲线实验报告实验一电子元件伏安特性的测定一、实验目的1.掌握电压表、电流表、直流稳压电源等仪器的使用方法2.学习电阻元件伏安特性曲线的测量方法3.加深理解欧姆定律,熟悉伏安特性曲线的绘制方法二、原理若二端元件的特性可用加在该元件两端的电压U 和流过该元件的电流I 之间的函数关系I =f (U )来表征,以电压U 为横坐标,以电流I 为纵坐标,绘制I-U 曲线,则该曲线称为该二端元件的伏安特性曲线。
电阻元件是一种对电流呈阻力特性的元件。
当电流通过电阻元件时,电阻元件将电能转化为其它形式的能量,例如热能、光能等,同时,沿电流流动的方向产生电压降,流过电阻R 的电流等于电阻两端电压U 与电阻阻值之比,即RU I(1-1)这一关系称为欧姆定律。
若电阻阻值R 不随电流I 变化,则该电阻称为线性电阻元件,常用的普通电阻就近似地具有这一特性,其伏安特性曲线为一条通过原点的直线,如图1-1所示,该直线斜率的倒数为电阻阻值R 。
线性电阻的伏安特性曲线对称于坐标原点,说明在电路中若将线性电阻反接,也不会不影响电路参数。
这种伏安特性曲线对称于坐标原点的元件称为双向性元件。
白炽灯工作时,灯丝处于高温状态,灯丝的电阻随温度升高而增大,而灯丝温度又与流过灯丝的电流有关,所以,灯丝阻值随流过灯丝的电流而变化,灯丝的伏安特性曲线不再是一条直线,而是如图1-2所示的曲线。
半导体二极管的伏安特性曲线取决于PN 结的特性。
在半导体二极管的PN 结上加正向电压时,由于PN 结正向压降很小,流过PN 结的电流会随电压的升高而急剧增大;在PN 结上加反向电压时,PN 结能承受和大的压降,流过PN 结的电流几乎为零。
所以,在一定电压变化范围内,半导体二极管具有单向导电的特性,其伏安特性曲线如图1-3所示。
图1-1 线性电阻元件的伏安特性曲线图1-2 小灯泡灯丝的伏安特性曲线图1-4 稳压二极管的伏安特性曲线稳压二极管是一种特殊的二极管,其正向特性与普通半导体二极管的特性相似。
实验一电路元件伏安特性的测量一、实验目的1.学习测量电阻元件伏安特性的方法;2.掌握线性电阻、非线性电阻元件伏安特性的逐点测试法;3.掌握直流稳压电源和直流电压表、直流电流表的使用方法。
二、实验原理在任何时刻,线性电阻元件两端的电压与电流的关系,符合欧姆定律。
任何一个二端电阻元件的特性可用该元件上的端电压U与通过该元件的电流I之间的函数关系式I=f(U)来表示,即用I-U平面上的一条曲线来表征,这条曲线称为电阻元件的伏安特性曲线。
根据伏安特性的不同,电阻元件分为两大类:线性电阻和非线性电阻。
线性电阻元件的伏安特性曲线是一条通过坐标原点的直线,如图1-1(a)所示。
该直线的斜率只由电阻元件的电阻值R决定,其阻值R为常数,与元件两端的电压U和通过该元件的电流I无关;非线性电阻元件的伏安特性曲线不是一条经过坐标原点的直线,其阻值R不是常数,即在不同的电压作用下,电阻值是不同的。
常见的非线性电阻如白炽灯丝、普通二极管、稳压二极管等,它们的伏安特性曲线如图1-1(b)、(c)、(d)所示。
在图1-1中,U >0的部分为正向特性,U<0的部分为反向特性。
(a)线性电阻(b)白炽灯丝绘制伏安特性曲线通常采用逐点测试法,电阻元件在不同的端电压U 作用下,测量出相应的电流I ,然后逐点绘制出伏安特性曲线I =f (U ),根据伏安特性曲线便可计算出电阻元件的阻值。
三、实验设备与器件1 台2.直流电压表 1 块3.直流电流表 1 块4.万用表 1 块5.白炽灯泡 1 只6. 二极管 1 只7.稳压二极管 1 只8.电阻元件 2 只四、实验内容1.测定线性电阻的伏安特性 按图1-2接线。
调节直流稳压电源的输出电压U ,从0伏开始缓慢地增加(不得超过10V ),在表1-1中记下相应的电压表和电流表的读数。
表1-1 测定线性电阻的伏安特性U (V ) 0 1 2 3 4 5 6 7 8 9 10 I (mA ) 012.测定白炽灯泡的伏安特性将图1-2中的1kΩ线性电阻R 换成一只的灯泡,重复1的步骤,在表1-2中记下相应的电压表和电流表的读数。
电路元件的伏安特性实验(一)实验目的(1)掌握直流电流表,直流电压表,万用表及可调稳压电源的使用方法。
(2)了解几种电路元件的伏安特性,学习元件伏安特性的测试方法。
(二)实验原理在电路中,电路元件的特性一般用该元件的端电压与通过该元件的电流之间的函数关系u=f(i)表示。
把这个函数关系绘成u-i平面上的一条曲线,就成为该元件的伏安特性曲线。
线性电阻的伏安特性曲线是一条过原点的直线,电压和电流满足欧姆定律,阻值不随电压和电流的变化而变化。
图一线性电阻的伏安特性白炽灯工作时处于高温状态,灯丝电阻随温度的升高而增大。
伏安特性是一条曲线。
图二白炽灯的伏安特性普通二极管是非线性元件,具有单向导电性。
图三普通二极管的伏安特性稳压管是一种特殊的半导体二极管,正向特性与普通二极管相似,为指数曲线;反向电流几乎为零,击穿区曲线很陡,近乎平行于纵轴,表现出很好的稳压特性。
图四稳压管的伏安特性(三)实验设备1.可调直流稳压电源一台。
2.直流电流表,直流电压表各一只。
3.线性电阻,白炽灯,普通二极管及稳压二极管若干。
(四)实验内容1.测定线性电阻的伏安特性如图五所示,调节稳压电源的输出电压US,从0V开始缓慢地增加,使元件两端电压增至25V,记下相应的电压表和电流表读数,并记录。
图五实验电路图电压U/V 0 5 10 15 20 25电流I/mA 0 50.7 101.4 152.2 199 242计算RL/o 0 98.61 98.61 98.55 100.5 103.3拟合图表一分析数据及拟合图像得出结论:在误差允许范围内,线性电阻的伏安特性曲线是一条过原点的直线,电压和电流满足欧姆定律,阻值不随电压和电流的变化而变化2.测定非线性电阻(白炽灯)伏安特性将RL换成一只白炽灯,其额定电压为24V,重复实验内容(1)的步骤,测试白炽灯的伏安特性,并记录。
表2 白炽灯伏安特性数据记录电压U/V 0 2 4 6 8 10电流I/mA 0 40.4 57.6 72.7 86.0 97.9计算RL/o 0 49.5 69.4 82.5 93.0 102.1拟合图表二分析数据及拟合图像得出结论:白炽灯灯丝电阻随温度的升高而增大。
本科实验报告课程名称:《电工电子实习Ⅰ》*名:**学院:电气工程学院系:电子信息工程专业:电子信息工程学号: ********** 指导教师:***2014年10 月12 日实验报告课程名称:《电路与电子技术实验》指导老师:熊素铭 成绩:________________________实验名称:电路元件特性曲线的伏安测量法和示波器观测法 实验类型:电路实验 同组学生姓名:无 一、实验目的和要求(必填) 二、实验内容和原理(必填) 三、主要仪器设备(必填) 四、操作方法和实验步骤 五、实验数据记录和处理 六、实验结果与分析(必填) 七、讨论、心得一、 实验目的和要求1. 熟悉电路元件的特性曲线;2. 学习非线性电阻元件特性曲线的伏安测量方法;3. 掌握伏安测量法中测量样点的选择和绘制曲线的方法;4. 学习非线性电阻元件特性曲线的示波器观测方法。
二、 实验内容和原理实验内容:1. 测定并绘制二极管的伏安特性曲线;2. 测定并绘制稳压二极管的伏安特性曲线;3. 基于Multisim 进行相应的仿真实验。
3. 按书P199 图7-3-9中的左图用示波器观测二极管的伏安特性曲线。
4. 同上用示波器观测稳压二极管的伏安特性曲线。
实验原理:1. 元件的特性曲线电路元件的电阻会随温度变化而变化,线性元件的特性曲线呈直线,非线性电路元件特性曲线呈曲线。
普通二极管的特点是,正向电阻很小,反向很大;稳压二极管的正向电阻与普通二极管一样,反向电阻一开始很大,当电压达到一定值迅速减小,根据这个理论基础,用伏安法测量以上两种二极管的特性曲线。
3. 元件特性曲线的示波器观测法在实验室中,可利用信号发生器作为电源,并用示波器观测元件特性曲线的y-t,y-x 图形。
三、 主要仪器设备1. 数字万能表 一只2. 电工综合实验台 一台3. DG07多功能网络实验组件 一组4. 信号发生器 一台5. 示波器一台四、 操作方法和实验步骤1. 测定并绘制普通二极管与稳压伏安特性曲线按4.1所示电路连接各元件。
电子元件伏安特性测量实验报告电子元件伏安特性测量实验报告引言:电子元件的伏安特性是指在不同电压下,电流与电压之间的关系。
通过测量电子元件的伏安特性,我们可以了解其导电性能、电阻特性以及工作状态等重要信息。
本实验旨在通过实际测量,探索不同电子元件的伏安特性,并分析其特性曲线。
实验目的:1. 了解伏安特性的概念与意义;2. 掌握伏安特性测量的基本原理与方法;3. 分析不同电子元件的伏安特性曲线。
实验仪器与材料:1. 直流电源;2. 电压表;3. 电流表;4. 不同电子元件(例如电阻、二极管、晶体管等);5. 连接线。
实验步骤:1. 搭建电路:将直流电源、电压表、电流表和待测电子元件按照电路图连接起来,确保连接正确、稳定。
2. 测量电阻的伏安特性:将电阻连接到电路中,逐渐调节直流电源的电压,同时记录电流表和电压表的数值。
根据测量数据,绘制电阻的伏安特性曲线。
3. 测量二极管的伏安特性:将二极管连接到电路中,按照同样的步骤进行测量和记录。
根据测量数据,绘制二极管的伏安特性曲线。
4. 测量晶体管的伏安特性:将晶体管连接到电路中,按照同样的步骤进行测量和记录。
根据测量数据,绘制晶体管的伏安特性曲线。
5. 分析实验结果:比较不同电子元件的伏安特性曲线,探讨其特点和差异。
实验结果与分析:1. 电阻的伏安特性曲线呈线性关系,即电流与电压成正比。
这是因为电阻是一种线性元件,其电阻值不随电流和电压的变化而改变。
2. 二极管的伏安特性曲线呈非线性关系,即在一定电压下,电流呈指数增长。
这是因为二极管具有单向导电性,只有在正向偏置时才能导通。
3. 晶体管的伏安特性曲线也呈非线性关系,但相对于二极管更为复杂。
晶体管具有放大作用,其伏安特性曲线会受到输入信号的影响而发生变化。
结论:通过实验测量和分析,我们可以得出以下结论:1. 电子元件的伏安特性曲线能够反映其导电性能和工作状态。
2. 不同电子元件的伏安特性曲线具有明显的差异,这是由其内部结构和工作原理所决定的。
伏安特性实验报告篇一:电路元件伏安特性的测量(实验报告答案)实验一电路元件伏安特性的测量一、实验目的1.学习测量电阻元件伏安特性的方法;2.掌握线性电阻、非线性电阻元件伏安特性的逐点测试法; 3.掌握直流稳压电源和直流电压表、直流电流表的使用方法。
二、实验原理在任何时刻,线性电阻元件两端的电压与电流的关系,符合欧姆定律。
任何一个二端电阻元件的特性可用该元件上的端电压U与通过该元件的电流I之间的函数关系式I=f(U)来表示,即用I-U平面上的一条曲线来表征,这条曲线称为电阻元件的伏安特性曲线。
根据伏安特性的不同,电阻元件分为两大类:线性电阻和非线性电阻。
线性电阻元件的伏安特性曲线是一条通过坐标原点的直线,如图1-1(a)所示。
该直线的斜率只由电阻元件的电阻值R决定,其阻值R为常数,与元件两端的电压U和通过该元件的电流I无关;非线性电阻元件的伏安特性曲线不是一条经过坐标原点的直线,其阻值R不是常数,即在不同的电压作用下,电阻值是不同的。
常见的非线性电阻如白炽灯丝、普通二极管、稳压二极管等,它们的伏安特性曲线如图1-1(b)、(c)、(d)所示。
在图1-1中,U >0的部分为正向特性,U<0的部分为反向特性。
(a)线性电阻 (b)白炽灯丝绘制伏安特性曲线通常采用逐点测试法,电阻元件在不同的端电压U作用下,测量出相应的电流I,然后逐点绘制出伏安特性曲线I=f(U),根据伏安特性曲线便可计算出电阻元件的阻值。
三、实验设备与器件1.直流稳压电源 1 台2.直流电压表1 块3.直流电流表1 块4.万用表 1 块5.白炽灯泡 1 只6. 二极管1 只7.稳压二极管1 只 8.电阻元件 2 只四、实验内容1.测定线性电阻的伏安特性按图1-2接线。
调节直流稳压电源的输出电压U,从0伏开始缓慢地增加(不得超过10V),在表1-1中记下相应的电压表和电流表的读数。
2将图1-2中的1kΩ线性电阻R换成一只12V,0.1A的灯泡,重复1的步骤,在表1-2中记下相应的电压表和电流表的读数。
本科实验报告
课程名称: 《电工电子实习Ⅰ》 姓 名: 陈铖 学 院: 电气工程学院 系
: 电子信息工程
专 业: 电子信息工程 学 号: 04 指导教师: 熊素铭
2014年 10 月 12 日
实验报告
课程名称:《电路与电子技术实验》指导老师:熊素铭
成绩:________________________
实验名称:电路元件特性曲线的伏安测量法和示波器观测法 实验类型:电路实验 同组学生姓名:无 一、实验目的和要求(必填) 二、实验内容和原理(必填) 三、主要仪器设备(必填) 四、操作方法和实验步骤 五、实验数据记录和处理 六、实验结果与分析(必填) 七、讨论、心得 一、 实验目的和要求
1. 熟悉电路元件的特性曲线;
2. 学习非线性电阻元件特性曲线的伏安测量方法;
3. 掌握伏安测量法中测量样点的选择和绘制曲线的方法;
4. 学习非线性电阻元件特性曲线的示波器观测方法。
二、 实验内容和原理
实验内容:
1. 测定并绘制二极管的伏安特性曲线;
2. 测定并绘制稳压二极管的伏安特性曲线;
3. 基于Multisim 进行相应的仿真实验。
3. 按书P199 图7-3-9中的左图用示波器观测二极管的伏安特性曲线。
4. 同上用示波器观测稳压二极管的伏安特性曲线。
实验原理:
1. 元件的特性曲线
电路元件的电阻会随温度变化而变化,线性元件的特性曲线呈直线,非线性电路元件特性曲线呈曲线。
普通二极管的特点是,正向电阻很小,反向很大;稳压二极管的正向电阻与普通二极管一样,反向电阻一开始很大,当电压达到一定值迅速减小,根据这个理论基础,用伏安法测量以上两种二极
专业:电子信息工程 姓名:陈铖 学号:04
日期:2014年10月11日
地点:东3-206-E-7
管的特性曲线。
3.元件特性曲线的示波器观测法
在实验室中,可利用信号发生器作为电源,并用示波器观测元件特性曲线的y-t,y-x图形。
三、主要仪器设备
1.数字万能表一只
2.电工综合实验台一台
3.DG07多功能网络实验组件一组
4.信号发生器一台
5.示波器一台
四、操作方法和实验步骤
1.测定并绘制普通二极管与稳压伏安特性曲线
按4.1所示电路连接各元件。
普通二极管选择型号为【1.5A 100V】(最大工作电流,最高反向电压),按如下要求取点:
正向伏安特性曲线:
(0~0.5V) 3点;(0.5~0.6V) 5点;(0.6~100mA附近电压) 5点;
反向伏安特性曲线:5点(反向电压最大值至少大于20V);
注:要求测量最大电流在100mA 附近,不小于90mA。
稳压二极管选择型号为【5V 1W】(反向稳定电压、最大耗散功率),按如下要求取点:
正向伏安特性曲线:
(0~0.7V) 3点;(0.7~0.8V) 5点;(0.8~100mA附近电压) 5点;
反向伏安特性曲线:
(0~4.7V) 3点;(4.7~100mA附近电压) 7点;
注:要求测量最大电流在100mA 附近,不小于90mA。
记录各点对应的电压电流值,绘制出相应的伏安特性曲线(附录手绘曲线)。
图4.1特性曲线测量电路
2.用示波器观测普通二极管和稳压二极管的伏安特性曲线
按图4.2所示电路连接示波器,信号发生器等原件,注意原件的良好接触否则信号波动很大。
普通二极管:
信号发生器取f=1KHZ,正弦信号峰峰值5V,图中R=1KΩ为限流电阻,观察示波器X-Y图像和Y-T图像。
稳压二极管:
信号发生器取f=1KHZ,正弦信号峰峰值>=10V,图中R=1KΩ为限流电阻,观察示波器X-Y图像和Y-T图像。
图4.2 示波器观测法连接电路
五、实验数据记录和处理
3.稳压二极管正向电流电压
5. 普通二极管示波器Y-T曲线
图5.1 普通二极管示波器Y-T曲线【multisim(左)实验拍照(右)】
6. 普通二极管示波器Y-X曲线
图5.2 普通二极管示波器Y-X曲线【multisim(左)实验拍照(右)】
7.稳压二极管示波器Y-T曲线
图5.3 稳压二极管示波器Y-T曲线【multisim(左)实验拍照(右)】
8.稳压二极管示波器Y-X曲线
图5.4 稳压二极管示波器Y-T曲线【multisim(左)实验拍照(右)】
六、实验结果与分析(必填)
根据测量数据手绘普通二极管和稳压二极管的伏安特性曲线【详见附录】
示波器模拟结果以及实验照片也已在上边展示。
实验结果预实验预期符合:
对于普通二极管,正向电压从零增至一定值时,电流先为零,待电压增至0.5V左右,电流随电压增加而迅速增加。
而对于反向电压而言,只要电压不高于击穿电压,电流恒为零。
这是因为普通二极管正向电压很小反向电压很大导致。
对于稳压二极管,正向电压类似于普通二极管,电流先为零,待电压增至0.6V左右,电流随电压增加而迅速增加。
而对于反向电压,一开始电流为零,待电压增至一定值,其电流迅速增大,且端电压稳定在一定值。
这正是稳压二极管的特别之处。
七、讨论、心得
心得体会:
1.在做实验之前,一定要确保自己实验台上的元件没有损坏,我在做用示波器观察的实验中,第
一次做发现CH1为正弦图像,CH2为一条与横轴重合的直线,后经万用表测量发现二极管开路,第二次做的时候发现CH1和CH2完全重合,后经万用表检测发现而二极管短路。
最后第三次提前测了二极管发现元件正常,才做实验结果与预期相符。
所以做实验时千万不能着急。
2.由于机器较为灵敏,做实验时一定要注意导线与导线的接触,我在做实验时,开始的时候大手
大脚做的比较粗糙,结果信号很不稳定,上下波动很大。
3.显示出波形后要调好每一横格,每一竖格的大小,电压以1V~5V为佳,时间以100µs~300µs
为佳我一开始的时候电压选了20mv,J结果波形非常乱。
注意事项:
伏安法测量注意事项
1. 测量过程建议预先调试一边,也就是说事先调节电源及分压电阻或分流电阻,使得流过被测元
件的电流能满足要求的测量范围。
调节过程,注意电压表、电流表的量程选择,特别是电流表的量程选择。
2. 绘制曲线需要足够多的测量点,通常测量数据之间的间隔是均匀的,但当数据曲线出现剧烈变
化时,应增加测量的密度,以免遗漏某些特征。
应根据曲线的性质适当安排测量点。
直线段测点少,率变化较大处,增加测点。
测点安排得越多、越合理,测量得到的特性曲线越接近实际情况。
示波器使用注意事项
1. 绝对不能将电压源接到示波器的任何接地端;
2. 绝对不能直接接220V交流电;
3. 不要将两个通道的接地线连在电路的不同位置,以免造成短路。
函数信号发生器使用注意事项
1.不要让输出端短路。
思考题
1.稳压电源小于15V,限流电阻100欧姆左右,电流表量程200mA。