钝化及阳极氧化的资
- 格式:doc
- 大小:39.50 KB
- 文档页数:8
钝化【dùn huà】钝化的定义一种活性金属或合金,其中化学活性大大降低,而成为贵金属状态的现象,叫钝化。
金属由于介质的作用生成的腐蚀产物如果具有致密的结构,形成了一层薄膜(往往是看不见的),紧密覆盖在金属的表面,则改变了金属的表面状态,使金属的电极电位大大向正方向跃变,而成为耐蚀的钝态。
如Fe→Fe++时标准电位为-0.44V,钝化后跃变到+0.5~1V,而显示出耐腐蚀的贵金属性能,这层薄膜就叫钝化膜。
钝化的机理我们知道,铁、铝在稀HNO3或稀H2SO4中能很快溶解,但在浓HNO3或浓H2SO4中溶解现象几乎完全停止了,碳钢通常很容易生锈,若在钢中加入适量的Ni、Cr,就成为不锈钢了。
金属或合金受一些因素影响,化学稳定性明显增强的现象,称为钝化。
由某些钝化剂(化学药品)所引起的金属钝化现象,称为化学钝化。
如浓HNO3、浓H2SO4、HClO3、K2Cr2O7、KMnO4等氧化剂都可使金属钝化。
金属钝化后,其电极电势向正方向移动,使其失去了原有的特性,如钝化了的铁在铜盐中不能将铜置换出。
此外,用电化学方法也可使金属钝化,如将Fe置于H2SO4溶液中作为阳极,用外加电流使阳极极化,采用一定仪器使铁电位升高一定程度,Fe就钝化了。
由阳极极化引起的金属钝化现象,叫阳极钝化或电化学钝化。
金属处于钝化状态能保护金属防止腐蚀,但有时为了保证金属能正常参与反应而溶解,又必须防止钝化,如电镀和化学电源等。
金属是如何钝化的呢?其钝化机理是怎样的?首先要清楚,钝化现象是金属相和溶液相所引起的,还是由界面现象所引起的。
有人曾研究过机械性刮磨对处在钝化状态的金属的影响。
实验表明,测量时不断刮磨金属表面,则金属的电势剧烈向负方向移动,也就是修整金属表面可引起处在钝态金属的活化。
即证明钝化现象是一种界面现象。
它是在一定条件下,金属与介质相互接触的界面上发生变化的。
电化学钝化是阳极极化时,金属的电位发生变化而在电极表面上形成金属氧化物或盐类。
铝材钝化是指:通过铝和铝材钝化液的化学反应,把活泼的铝金属表层变成惰性的表层,从而阻止外界有破坏性的物质与金属表面产生反应,达到延长铝材生锈时间的目的。
并且铝材在经过钝化处理后,会在其表面生成一种非常致密的、覆盖性良好、牢固吸附在金属表面上的铝钝化膜,可起到延长铝的生锈时间、有效保护金属的目的,使金属更具耐蚀性。
东莞森源化工是专业生产铝及铝合金材料进行表面清洗剂,抛光剂,钝化剂,防锈剂的厂家,其生产的铝材钝化液已广泛应用到全国各大铝制品厂家,药水性能稳定,工艺成熟,是替代传统的涂抹防锈油以及电镀,喷漆等表面防腐蚀工艺的最佳选择。
铝钝化工艺很简单,适用于所有的铝材及铝合金材料的防腐抗氧化处理,通常只需要浸泡在钝化液中1.5分钟即可完成钝化工艺。
省时省力更节省成本。
铝钝化的过程是完全的化学反应过程,绝对不改变铝件表面颜色,尺寸和外观,同时能在表面形成耐腐蚀性能良好的保护膜。
可通过200小时以上盐雾测试不变色不氧化。
铝材钝化工艺适用于通讯器材,航海航空,工业设备,医疗器械,电子产品,汽摩配件,家居用品,建筑工程等等。
所谓铝的阳极氧化是一种电解氧化过程,在该过程中,铝和铝合金的表面通常转化为一层氧化膜,这层氧化膜具有保护性、装饰性以及一些其他的功能特性。
其目的是为了克服铝合金表面硬度、耐磨损性等方面的缺陷,扩大应用范围,延长使用寿命,表面处理技术成为铝合金使用中不可缺少的一环,而阳极氧化技术是目前应用最广且最成功的。
如表面着色,提高耐腐蚀性、增强耐磨性及硬度,保护金属表面等。
阳极氧化后的铝或其合金,提高了其硬度和耐磨性,可达250~500千克/平方毫米,良好的耐热性,硬质阳极氧化膜熔点高达2320K ,优良的绝缘性,耐击穿电压高达2000V ,增强了抗腐蚀性能。
氧化膜薄层中具有大量的微孔,可吸附各种润滑剂,适合制造发动机气缸或其他耐磨零件;膜微孔吸附能力强可着色成各种美观艳丽的色彩。
有色金属或其合金(如铝、镁及其合金等)都可进行阳极氧化处理,这种方法广泛用于机械零件,飞机汽车部件,精密仪器及无线电器材,日用品和建筑装饰等方面。
铝及铝合金表面钝化处理一.钝化的意义及机理简介一般来说,易离子化的金属容易氧化,即容易腐蚀,而事实上并非完全如此,有些金属如铝、镁、铬等虽然易离子化,但由于它们在大气或水中容易生成一层腐蚀产物的薄膜,从而却提高了耐蚀性。
通过化学或电化学方法使金属表面状态发生变化,使其溶解速度急剧下降,使耐蚀性提高,此种工艺过程称为钝化。
钝化往往伴随阳极电位突然升高,从而使阳极反应难以进行,使金属腐蚀速度减慢或停止。
由于钝化能显著提高金属的耐蚀性,故在机械、电子、仪器、日用品、军工器械等领域广泛应用。
关于钝化机理目前存在多种理论,主要有两种,一种是薄膜理论,另一种是吸附理论。
薄膜理论认为,在钝化过程中,金属表面生成一层氧化膜。
正是由于这一层膜的存在,将基体金属与腐蚀介质分开,达到保护基体金属,使其不被继续受腐蚀。
吸附理论认为,在钝化过程中,金属表面形成一层吸附层,主要是氧的吸附层。
正是由于这一吸附层的存在,使金属耐蚀性提高。
但是上述这两种理论均不能完全解释全部钝化现象,有待进一步完善。
二.表面钝化处理方法铝及铝合金工件,无论是化学氧化法或阳极氧化法制取的氧化膜都是多孔的,易受污染,耐蚀性不高。
例如,铝及铝合金阳极氧化膜是一种具有蜂窝状结构的多于L膜,其微孔数量达4~77×109个/cm2,比表面积非常高。
因此,使得氧化膜的表面具有极高的化学活性,空气中或者使用环境中的腐蚀介质或污染物极易被吸附到膜孔内,所以未经封闭处理的铝合金阳极氧化膜耐蚀性和抗污染能力均不高。
即使氧化膜在染色后也应进行钝化或封闭处理,以提高其耐蚀性。
1.化学氧化后钝化处理铝及铝合金工件化学氧化后钝化处理的工艺条件及钝化液配方。
2.阳极氧化后钝化处理铝及铝合金工件阳极氧化后钝化处理的工艺条件及钝化液配方。
3.氧化膜的封闭处理氧化膜的封闭实际上就是封闭氧化膜的微孔,孔处理。
铝及铝合金阳极氧化膜的封闭方法很多,如下:降低其表面活性,因此也称为封主要可分为以下几种方法,分述如下:(1)水合封闭法水合封闭的基本原理是氧化膜和孔壁的A1203在较高温度的热水或水蒸气中发生水合反应,生成水合氧化铝(A1203·H20),使氧化膜体积膨胀,其体积将增大约33%以上。
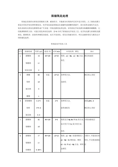
阳极阳极氧氧化处理化处理铝制品表面的自然氧化铝既软又薄,耐蚀性差,不能成为有效防护层更不适合着色。
人工制氧化膜主要是应用化学氧化和阳极氧化。
化学氧化就是铝制品在弱碱性或弱酸性溶液中,部分基体金属发生反应,使其表面的自然氧化膜增厚或产生其他一些钝化膜的处理过程,常用的化学氧化膜有铬酸膜和磷酸膜,它们既薄吸附性又好,可进行着色和封孔处理,表-3介绍了铝制品化学氧化工艺。
化学氧化膜与阳极氧化膜相比,膜薄得多,抗蚀性和硬度比较低,而且不易着色,着色后的耐光性差,所以金属铝着色与配色仅介绍阳极化处理。
铝制品化学氧化工艺序号 溶液组成 用量 g/L 温度/度 时间min 应用范围、膜色 备注1碳酸钠铬酸钠 氢氧化钠 45142 85-10010-20 纯铝、Al—Mg、Al—Mn 合金、灰色膜层较疏松2磷酸铬酐 氟化钠 硼酸5515 31 室温10-15 各种铝合金、浅绿色膜层较1的好3重铬酸钠铬酐 氟化钠3.5-43-3.5 0.8 室温2-3各种铝合金、深黄或棕色 溶液pH=1.5膜层较1的好4碳酸钠铬酸钠 321590-1003-5纯铝及含Mg、Mn 和Si 的合金、也可用于含Cu 量少的合金、灰色可做油漆底层 5 碳酸钠 铬酸钠 硅酸钠47 140.06-190-100 10-15 纯铝、Al—Mn (淡透明银色)、Al—Mg—Si 硬状态、硬的Al—Si 和Al—Mg 合金,鲜明金属色空隙少,不能很好的着色,不宜做油漆底层6 铬酸钠氢氧化胺 0.129.670-80 20-50 各种铝合金、灰色有斑点 膜层似搪瓷7 碳酸钠重铬酸钾 20.4590-100 10-18 各种铝合金、灰色 可在酸溶液中发白(一)阳极氧化处理的一般概念1、阳极氧化膜生成的一般原理以铝或铝合金制品为阳极置于电解质溶液中,利用电解作用,使其表面形成氧化铝薄膜的过程,称为铝及铝合金的阳极氧化处理。
其装置中阴极为在电解溶液中化学稳定性高的材料,如铅、不锈钢、铝等。
钝化知识点总结概述钝化是指将一种原本具有活性或腐蚀性的金属或合金表面,通过一定的方法使其变得不活泼或难以被腐蚀的过程。
钝化涂层可以增加金属的耐蚀性和耐磨性,延长使用寿命。
在工业生产和商品制造过程中,钝化技术被广泛应用于金属制品的表面处理。
本文将介绍钝化的技术原理、分类、应用和发展前景,帮助读者更好地了解和掌握这一重要的表面处理技术。
一、技术原理1.1 电化学钝化电化学钝化是通过电化学方法,在金属表面形成具有稳定性的钝态氧化膜,从而提高金属的耐蚀性。
电化学钝化的原理是利用金属在电化学反应中的活性差异,通过控制反应条件使金属表面生成一层钝态氧化膜。
这种氧化膜通常是一种致密的、不溶于水的氧化物或氢氧化物,能够有效隔离金属表面与周围介质的接触,起到保护金属的作用。
电化学钝化方法包括阳极氧化、阴极保护和阳极保护等。
1.2 化学钝化化学钝化是通过在金属表面形成一层化学稳定的保护层,使金属表面不易与外界介质发生化学反应,进而达到防腐蚀的目的。
化学钝化通常是在金属表面形成一层无机物的覆盖层,如磷化层、酸化层、磷酸盐层等。
这些覆盖层通常具有较好的耐蚀性和耐磨性,能够保护金属表面,延长其使用寿命。
化学钝化方法包括磷化、酸洗、酸化、氧化等。
1.3 物理钝化物理钝化是通过改变金属表面的物理结构或表面状态,使其不易与外界介质发生化学反应,从而起到防腐蚀的作用。
物理钝化方法包括喷丸、打磨、抛光、镀层等。
这些方法能够使金属表面形成一层光滑、致密的表面膜,减少金属表面与外界介质的接触,降低腐蚀的速率。
二、分类2.1 金属钝化金属钝化是指对金属表面进行钝化处理,使其不易与外界介质发生化学反应,从而提高金属的耐腐蚀性。
金属钝化广泛应用于制造业、航空航天、船舶、汽车、电子、化工等领域。
常见的金属钝化方法包括镀层、氧化、磷化、酸洗等。
2.2 电化学钝化电化学钝化是一种利用电化学方法进行钝化处理的技术,通常通过阳极氧化、阴极保护、阳极保护等方法,在金属表面形成一层氧化膜或膨胀层,从而提高金属的耐蚀性。
铝合金阳极氧化常见缺陷及解决方法下载提示:该文档是本店铺精心编制而成的,希望大家下载后,能够帮助大家解决实际问题。
文档下载后可定制修改,请根据实际需要进行调整和使用,谢谢!本店铺为大家提供各种类型的实用资料,如教育随笔、日记赏析、句子摘抄、古诗大全、经典美文、话题作文、工作总结、词语解析、文案摘录、其他资料等等,想了解不同资料格式和写法,敬请关注!Download tips: This document is carefully compiled by this editor. I hope that after you download it, it can help you solve practical problems. The document can be customized and modified after downloading, please adjust and use it according to actual needs, thank you! In addition, this shop provides you with various types of practical materials, such as educational essays, diary appreciation, sentence excerpts, ancient poems, classic articles, topic composition, work summary, word parsing, copy excerpts, other materials and so on, want to know different data formats and writing methods, please pay attention!铝合金阳极氧化常见缺陷及解决方法引言铝合金阳极氧化是一种常见的表面处理技术,用于增强铝合金的耐蚀性和表面硬度。
阳极化阳极氧化工艺流程为:表面整平——除油——浸蚀或抛光——阳极氧化——着色处理——封闭处理——干燥(三个主要过程:阳极氧化、着色、封孔),本色氧化就是少了着色处理这一过程,阳极氧化后直接封孔。
1.阳极氧化(1)硫酸阳极化(5-20um)物色氧化膜,易于染色,硬度高,是铝和铝合金主要的防护和装饰方法,工艺简单,操作方便,应用最广。
(2)铬酸阳极化(2-5um)氧化膜不透明,未浅灰色或乳白色,孔隙率低,所以零件仍能保持原来的精度和表面粗糙度,丐工艺适用于精密零件,膜比较薄。
(3)草酸阳极化(8-20um,最厚达60um)草酸阳极化易于制取较厚膜层,氧化膜硬度高,孔隙率低,耐蚀性高,有良好的电绝缘性。
但成本较高,是硫酸阳极化的3-5倍,一般用于特殊要求的表面,如制作电器绝缘保护层、日用品的表面装饰。
(4)硬质阳极化(又称厚膜氧化,250-300um)硬度很高,一般为400-600HV,电流密度为普通阳极氧化的2-3倍。
(5)瓷质阳极化(6-20um)氧化膜具有不透明的灰色外观,类似瓷釉、搪瓷,也被称之为仿釉氧化膜。
一般不会改变零件的表面粗糙度,也不影响其尺寸精度,适用于仪器、仪表等精密零件和日用品的表面防护和装饰。
2.阳极氧化膜染色(1)整体着色法采用特定成分的铝合金或在特殊的电解液中阳极氧化时,获得氧化膜的同时,而着上不同颜色,也成自然着色法。
(阳极氧化和染色同时进行)能耗较大,成本高,着色膜色泽不鲜艳,逐渐被电解着色所取代。
(2)吸附着色法将阳极氧化后的铝制品浸渍到带有染料的溶液中,则多孔层外表能吸附各种染料而呈现出染料的色彩。
(3)电解着色铝制品经阳极氧化后,再在含金属盐的电解溶液中进行交流电解,则在多孔层孔隙底部沉积金属或金属化合物而显色。
3.封孔(1)热水封闭法(2)重铬酸盐封闭法防护性封孔,封孔后氧化膜呈黄色,耐蚀性较好,不适用于以装饰为目的着色氧化膜的封闭。
(3)水解封闭法(4)填充封闭法采用有机质如透明清漆、熔融石蜡、各种树脂和干性油等进行封闭。
一、电镀层种类1、硬铬在严格控制温度与电流密度(较装饰镀铬高)的条件下,从镀铬液中获得的硬度较高、耐磨性好的硬铬层。
2、乳色铬通过改变镀铬溶液的工作条件,获得的孔隙少、具有较高抗蚀能力、而硬度较低的乳白色铬镀层。
二、氧化及钝化1、阳极氧化通常指铝或铝合金制品或零件,在一定的电解液中和特定的工作条件下作为阳极,通过直流电流的作用,使其表面生成一层抗腐蚀的氧化膜的处理过程。
2、磷化钢铁零件在含有磷酸盐的溶液中进行化学处理,使其表面生成一层难溶于水的磷酸盐保护膜的处理过程。
3、发蓝钢铁零件在一定的氧化介质中进行化学处理,使其表面生成一层蓝黑色的保护性氧化膜的处理过程。
4、化学氧化在没有外电流作用下,金属零件与电解质溶液作用,使其表面上生成一层氧化膜的处理过程。
5、电化学氧化以浸入一定的电解质溶液中的金属零件作为阳极,在直流电作用下,使其表面生成氧化膜的电化学处理过程。
6、化学钝化在没有外电流作用下,金属零件与电解质溶液作用,使其表面上生成一层钝化膜的处理过程。
7、电化学钝化以浸入一定电解质溶液中的金属零件作为阳极,在直流电作用下,使其表面生成一层钝化膜的处理过程。
三、电解1、电解在外电流通过电解液时,在阳极和阴极上分别进行氧化和还原反应,将电能变为化学能的过程。
2、阳极电解以零件作为阳极的电解过程。
3、阴极电解以零件作为阴极的电解过程。
四、镀前处理1、化学除油在含碱的溶液中,借助皂化和乳化作用,除去零件或制品表面油垢的过程。
2、有机溶剂除油利用有机溶剂对油垢的溶解作用,除去零件或制品表面油垢的过程。
3、电化学除油(即电解除油)在含有碱的溶液中,以零件作为阳极或阴极,在电流作用下,除去零件或制品表面油垢的过程。
4、化学酸洗在含酸的溶液中,除去金属零件表面的锈蚀物和氧化物的过程。
5、化学抛光金属零件在一定组成的溶液中和特定条件下,进行短时间的浸蚀,从而将零件表面整平,获得比较光亮的表面的过程。
6、磨光利用磨轮来磨削零件表面上的粗糙不平处,从而提高零件表面的平整程度的过程。
阳极氧化工艺流程为:表面整平——除油——浸蚀或抛光——阳极氧化——着色处理——封闭处理——干燥(三个主要过程:阳极氧化、着色、封孔),本色氧化就是少了着色处理这一过程,阳极氧化后直接封孔。
1.阳极氧化(1)硫酸阳极化(5-20um)物色氧化膜,易于染色,硬度高,是铝和铝合金主要的防护和装饰方法,工艺简单,操作方便,应用最广。
(2)铬酸阳极化(2-5um)氧化膜不透明,未浅灰色或乳白色,孔隙率低,所以零件仍能保持原来的精度和表面粗糙度,丐工艺适用于精密零件,膜比较薄。
(3)草酸阳极化(8-20um,最厚达60um)草酸阳极化易于制取较厚膜层,氧化膜硬度高,孔隙率低,耐蚀性高,有良好的电绝缘性。
但成本较高,是硫酸阳极化的3-5倍,一般用于特殊要求的表面,如制作电器绝缘保护层、日用品的表面装饰。
(4)硬质阳极化(又称厚膜氧化,250-300um)硬度很高,一般为400-600HV,电流密度为普通阳极氧化的2-3倍。
(5)瓷质阳极化(6-20um)氧化膜具有不透明的灰色外观,类似瓷釉、搪瓷,也被称之为仿釉氧化膜。
一般不会改变零件的表面粗糙度,也不影响其尺寸精度,适用于仪器、仪表等精密零件和日用品的表面防护和装饰。
2.阳极氧化膜染色(1)整体着色法采用特定成分的铝合金或在特殊的电解液中阳极氧化时,获得氧化膜的同时,而着上不同颜色,也成自然着色法。
(阳极氧化和染色同时进行)能耗较大,成本高,着色膜色泽不鲜艳,逐渐被电解着色所取代。
(2)吸附着色法将阳极氧化后的铝制品浸渍到带有染料的溶液中,则多孔层外表能吸附各种染料而呈现出染料的色彩。
(3)电解着色铝制品经阳极氧化后,再在含金属盐的电解溶液中进行交流电解,则在多孔层孔隙底部沉积金属或金属化合物而显色。
3.封孔(1)热水封闭法(2)重铬酸盐封闭法防护性封孔,封孔后氧化膜呈黄色,耐蚀性较好,不适用于以装饰为目的着色氧化膜的封闭。
(3)水解封闭法(4)填充封闭法采用有机质如透明清漆、熔融石蜡、各种树脂和干性油等进行封闭。
浅谈金属钝化的机理我们知道,铁、铝在稀HNO3或稀H2SO4中能很快溶解,但在浓HNO3或浓H2SO4中溶解现象几乎完全停止了,碳钢通常很容易生锈,若在钢中加入适量的Ni、Cr,就成为不锈钢了。
金属或合金受一些因素影响,化学稳定性明显增强的现象,称为钝化。
由某些钝化剂(化学药品)所引起的金属钝化现象,称为化学钝化。
如浓HNO3、浓H2SO4、HClO3、K2Cr2O7、KMnO4等氧化剂都可使金属钝化。
金属钝化后,其电极电势向正方向移动,使其失去了原有的特性,如钝化了的铁在铜盐中不能将铜置换出。
此外,用电化学方法也可使金属钝化,如将Fe置于H2SO4溶液中作为阳极,用外加电流使阳极极化,采用一定仪器使铁电位升高一定程度,Fe就钝化了。
由阳极极化引起的金属钝化现象,叫阳极钝化或电化学钝化。
金属处于钝化状态能保护金属防止腐蚀,但有时为了保证金属能正常参与反应而溶解,又必须防止钝化,如电镀和化学电源等。
金属是如何钝化的呢?其钝化机理是怎样的?首先要清楚,钝化现象是金属相和溶液相所引起的,还是由界面现象所引起的。
有人曾研究过机械性刮磨对处在钝化状态的金属的影响。
实验表明,测量时不断刮磨金属表面,则金属的电势剧烈向负方向移动,也就是修整金属表面可引起处在钝态金属的活化。
即证明钝化现象是一种界面现象。
它是在一定条件下,金属与介质相互接触的界面上发生变化的。
电化学钝化是阳极极化时,金属的电位发生变化而在电极表面上形成金属氧化物或盐类。
这些物质紧密地覆盖在金属表面上成为钝化膜而导致金属钝化,化学钝化则是像浓HNO3等氧化剂直接对金属的作用而在表面形成氧化膜,或加入易钝化的金属如Cr、Ni等而引起的。
化学钝化时,加入的氧化剂浓度还不应小于某一临界值,不然不但不会导致钝态,反将引起金属更快的溶解。
金属表面的钝化膜是什么结构,是独立相膜还是吸附性膜呢?目前主要有两种学说,即成相膜理论和吸附理论。
成相膜理论认为,当金属溶解时,处在钝化条件下,在表面生成紧密的、复盖性良好的固态物质,这种物质形成独立的相,称为钝化膜或称成相膜,此膜将金属表面和溶液机械地隔离开,使金属的溶解速度大大降低,而呈钝态。
铝合金阳极氧化后的钝化液
(最新版)
目录
1.铝合金阳极氧化后的钝化液的概述
2.铝合金阳极氧化后的钝化液的种类
3.铝合金阳极氧化后的钝化液的作用
4.铝合金阳极氧化后的钝化液的使用方法
5.铝合金阳极氧化后的钝化液的注意事项
正文
铝合金阳极氧化后的钝化液是一种在铝合金表面形成保护膜的化学品。
铝合金在阳极氧化过程中,其表面会形成一层氧化膜,这层氧化膜可以提高铝合金的耐腐蚀性,但同时也会降低其表面光泽。
为了解决这个问题,需要在阳极氧化后使用钝化液,在铝合金表面形成一层保护膜,以提高其表面光泽和耐腐蚀性。
铝合金阳极氧化后的钝化液主要有两种,一种是铬酸钝化液,另一种是硫酸钝化液。
铬酸钝化液主要适用于装饰性要求较高的铝合金表面处理,其优点是形成的保护膜硬度高,耐腐蚀性好。
硫酸钝化液则适用于工业铝合金的表面处理,其优点是操作简单,成本低。
铝合金阳极氧化后的钝化液的作用主要是在铝合金表面形成一层保
护膜,提高其耐腐蚀性和表面光泽。
这层保护膜可以防止铝合金表面被氧化,从而延长其使用寿命。
使用铝合金阳极氧化后的钝化液时,需要先将铝合金制品经过阳极氧化处理,然后在表面涂上钝化液,待其干燥后,再进行清洗和烘干。
在使用过程中,需要注意保护膜的厚度,过薄的保护膜不能达到良好的保护效果,过厚的保护膜会影响铝合金的表面光泽。
铝合金阳极氧化后的钝化液
(实用版)
目录
1.铝合金阳极氧化后的钝化液的概述
2.铝合金阳极氧化后的钝化液的种类
3.铝合金阳极氧化后的钝化液的作用
4.铝合金阳极氧化后的钝化液的使用方法
5.铝合金阳极氧化后的钝化液的注意事项
正文
铝合金阳极氧化后的钝化液是一种用于铝合金阳极氧化后的表面处
理的化学液体。
它可以提高铝合金的耐腐蚀性,保护铝合金表面不被氧化。
下面我们来详细了解一下铝合金阳极氧化后的钝化液的相关知识。
铝合金阳极氧化后的钝化液主要有以下几种类型:铬酸钝化液、硫酸钝化液、草酸钝化液等。
这些钝化液有各自的特点和适用范围,需要根据具体情况选择合适的钝化液。
铝合金阳极氧化后的钝化液的作用主要是提高铝合金的耐腐蚀性。
铝合金在阳极氧化后会形成一层氧化膜,但这层氧化膜并不一定能完全保护铝合金不被腐蚀。
这时候,通过使用钝化液,可以在铝合金表面形成一层更耐腐蚀的保护膜,延长铝合金的使用寿命。
使用铝合金阳极氧化后的钝化液时,需要按照一定的比例将钝化液加入水中,然后将阳极氧化后的铝合金放入液体中浸泡。
浸泡的时间和温度需要根据具体的钝化液和铝合金的种类来确定。
一般来说,浸泡时间越长,保护膜的厚度也会相应增加,但过长的浸泡时间可能会对铝合金的表面造成损害。
第1页共1页。
阳极氧化工艺流程为:表面整平——除油——浸蚀或抛光——阳极氧化——着色处理——封闭处理——干燥(三个主要过程:阳极氧化、着色、封孔),本色氧化就是少了着色处理这一过程,阳极氧化后直接封孔。
1.阳极氧化(1)硫酸阳极化(5-20um)物色氧化膜,易于染色,硬度高,是铝和铝合金主要的防护和装饰方法,工艺简单,操作方便,应用最广。
(2)铬酸阳极化(2-5um)氧化膜不透明,未浅灰色或乳白色,孔隙率低,所以零件仍能保持原来的精度和表面粗糙度,丐工艺适用于精密零件,膜比较薄。
(3)草酸阳极化(8-20um,最厚达60um)草酸阳极化易于制取较厚膜层,氧化膜硬度高,孔隙率低,耐蚀性高,有良好的电绝缘性。
但成本较高,是硫酸阳极化的3-5倍,一般用于特殊要求的表面,如制作电器绝缘保护层、日用品的表面装饰。
(4)硬质阳极化(又称厚膜氧化,250-300um)硬度很高,一般为400-600HV,电流密度为普通阳极氧化的2-3倍。
(5)瓷质阳极化(6-20um)氧化膜具有不透明的灰色外观,类似瓷釉、搪瓷,也被称之为仿釉氧化膜。
一般不会改变零件的表面粗糙度,也不影响其尺寸精度,适用于仪器、仪表等精密零件和日用品的表面防护和装饰。
2.阳极氧化膜染色(1)整体着色法采用特定成分的铝合金或在特殊的电解液中阳极氧化时,获得氧化膜的同时,而着上不同颜色,也成自然着色法。
(阳极氧化和染色同时进行)能耗较大,成本高,着色膜色泽不鲜艳,逐渐被电解着色所取代。
(2)吸附着色法将阳极氧化后的铝制品浸渍到带有染料的溶液中,则多孔层外表能吸附各种染料而呈现出染料的色彩。
(3)电解着色铝制品经阳极氧化后,再在含金属盐的电解溶液中进行交流电解,则在多孔层孔隙底部沉积金属或金属化合物而显色。
3.封孔(1)热水封闭法(2)重铬酸盐封闭法防护性封孔,封孔后氧化膜呈黄色,耐蚀性较好,不适用于以装饰为目的着色氧化膜的封闭。
(3)水解封闭法(4)填充封闭法采用有机质如透明清漆、熔融石蜡、各种树脂和干性油等进行封闭。
钝化【dùn huà】钝化的定义一种活性金属或合金,其中化学活性大大降低,而成为贵金属状态的现象,叫钝化。
金属由于介质的作用生成的腐蚀产物如果具有致密的结构,形成了一层薄膜(往往是看不见的),紧密覆盖在金属的表面,则改变了金属的表面状态,使金属的电极电位大大向正方向跃变,而成为耐蚀的钝态。
如Fe→Fe++时规范电位为-0.44V,钝化后跃变到+0.5~1V,而显示出耐腐蚀的贵金属性能,这层薄膜就叫钝化膜。
钝化的机理我们知道,铁、铝在稀HNO3或稀H2SO4中能很快溶解,但在浓HNO3或浓H2SO4中溶解现象几乎完全停止了,碳钢通常很容易生锈,若在钢中加入适量的Ni、Cr,就成为不锈钢了。
金属或合金受一些因素影响,化学稳定性明显增强的现象,称为钝化。
由某些钝化剂(化学药品)所引起的金属钝化现象,称为化学钝化。
如浓HNO3、浓H2SO4、HClO3、K2Cr2O7、KMnO4等氧化剂都可使金属钝化。
金属钝化后,其电极电势向正方向移动,使其失去了原有的特性,如钝化了的铁在铜盐中不能将铜置换出。
此外,用电化学方法也可使金属钝化,如将Fe置于H2SO4溶液中作为阳极,用外加电流使阳极极化,采用一定仪器使铁电位升高一定程度,Fe就钝化了。
由阳极极化引起的金属钝化现象,叫阳极钝化或电化学钝化。
金属处于钝化状态能保护金属防止腐蚀,但有时为了保证金属能正常参与反应而溶解,又必须防止钝化,如电镀和化学电源等。
金属是如何钝化的呢?其钝化机理是怎样的?首先要清楚,钝化现象是金属相和溶液相所引起的,还是由界面现象所引起的。
有人曾研究过机械性刮磨对处在钝化状态的金属的影响。
实验表明,测量时不断刮磨金属表面,则金属的电势剧烈向负方向移动,也就是修整金属表面可引起处在钝态金属的活化。
即证明钝化现象是一种界面现象。
它是在一定条件下,金属与介质相互接触的界面上发生变化的。
电化学钝化是阳极极化时,金属的电位发生变化而在电极表面上形成金属氧化物或盐类。
这些物质紧密地覆盖在金属表面上成为钝化膜而导致金属钝化,化学钝化则是像浓HNO3等氧化剂直接对金属的作用而在表面形成氧化膜,或加入易钝化的金属如Cr、Ni等而引起的。
化学钝化时,加入的氧化剂浓度还不应小于某一临界值,不然不但不会导致钝态,反将引起金属更快的溶解。
金属表面的钝化膜是什么结构?是独立相膜还是吸附性膜呢?目前主要有两种学说,即成相膜理论和吸附理论。
成相膜理论认为,当金属溶解时,处在钝化条件下,在表面生成紧密的、复盖性良好的固态物质,这种物质形成独立的相,称为钝化膜或称成相膜,此膜将金属表面和溶液机械地隔离开,使金属的溶解速度大大降低,而呈钝态。
实验证据是在某些钝化的金属表面上,可看到成相膜的存在,并能测其厚度和组成。
如采用某种能够溶解金属而与氧化膜不起作用的试剂,小心地溶解除去膜下的金属,就可分离出能看见的钝化膜,钝化膜是怎样形成的?当金属阳极溶解时,其周围附近的溶液层成分发生了变化。
一方面,溶解下来的金属离子因扩散速度不够快(溶解速度快)而有所积累。
另一方面,界面层中的氢离子也要向阴极迁移,溶液中的负离子(包括OH-)向阳极迁移。
结果,阳极附近有OH-离子和其他负离子富集。
随着电解反应的延续,处于紧邻阳极界面的溶液层中,电解质浓度有可能发展到饱和或过饱和状态。
于是,溶度积较小的金属氢氧化物或某种盐类就要沉积在金属表面并形成一层不溶性膜,这膜往往很疏松,它还不足以直接导致金属的钝化,而只能阻碍金属的溶解,但电极表面被它覆盖了,溶液和金属的接触面积大为缩小。
于是,就要增大电极的电流密度,电极的电位会变得更正。
这就有可能引起OH-离子在电极上放电,其产物(如OH)又和电极表面上的金属原子反应而生成钝化膜。
分析得知大多数钝化膜由金属氧化物组成(如铁之Fe2O3),但少数也有由氢氧化物、铬酸盐、磷酸盐、硅酸盐及难溶硫酸盐和氯化物等组成。
吸附理论认为,金属表面并不需要形成固态产物膜才钝化,而只要表面或部分表面形成一层氧或含氧粒子(如O2-或OH-)的吸附层也就足以引起钝化了。
这吸附层虽只有单分子层厚薄,但由于氧在金属表面上的吸附,改变了金属与溶液的界面结构,使电极反应的活化能升高,金属表面反应能力下降而钝化。
此理论主要实验依据是测量界面电容和使某些金属钝化所需电量。
实验结果表明,不需形成成相膜也可使一些金属钝化。
两种钝化理论都能较好地解释部分实验事实,但又都有成功和不足之处。
金属钝化膜确具有成相膜结构,但同时也存在着单分子层的吸附性膜。
目前尚不清楚在什么条件下形成成相膜,在什么条件下形成吸附膜。
两种理论相互结合还缺乏直接的实验证据,因而钝化理论还有待深入地研究。
什么是阳极氧化?将金属或合金的制件作为阳极,采用电解的方法使其表面形成氧化物薄膜.例如铝阳极氧化,将铝及其合金置于相应电解液(如硫酸、铬酸、草酸等)中作为阳极,在特定条件和外加电流作用下,进行电解。
阳极的铝或其合金氧化,表面上形成氧化铝薄层,其厚度为5~20微M,硬质阳极氧化膜可达60~200微M。
阳极氧化后的铝或其合金,提高了其硬度和耐磨性.阳极氧化1.硫酸阳极氧化硫酸阳极氧化有以下特点:(1)槽液成本低,成分简单,操作维护简便,一般只需将硫酸稀释到一定的浓度即可,无需添加其他化学药品,推荐使用化学纯硫酸,杂质较少的工业级硫酸也可采用,所以成本特别低。
(2)氧化膜透明度高。
纯铝的硫酸阳极氧化膜,是无色透明的,对于铝合金,随着合金元素Si、Fe、Cu、Mn的增加,透明度会下降。
相对其他电解液,硫酸阳极氧化膜的颜色是最浅的。
(3)着色性高,硫酸氧化膜透明,多孔层吸附性强,易于染色和着色,着色鲜艳不易退去,有很强的装饰作用。
(4)硫酸阳极氧化操作条件为:H2SO4(体积) 10%~30%温度℃18~22Al/g.L-1 ≤20电流密度/A.dm-2 0.6~3时间/min 10~602.草酸和铬酸阳极氧化草酸阳极氧化在日本应用较普遍,草酸氧化膜的特点和硫酸氧化膜相近,孔隙率低于硫酸氧化膜,耐蚀性和硬度高于硫酸氧化膜。
草酸的槽液成本和操作电压高于硫酸,有些合金的草酸氧化膜颜色较深。
草酸和硫酸阳极氧化都需要良好的冷却系统配套。
草酸阳极氧化操作条件为:草酸(体积分数) 2%~10%温度/℃15~35电流密度/A.dm-2 0.5~3电压/V 40~60铬酸阳极氧化膜特别耐腐蚀,主要应用干飞机制造工业,铬酸氧化膜和油漆的附着力强,也用于作油漆的底层,铬酸阳极氧化膜灰色不透明,一般不用于装饰。
铬酸阳极氧化操作条件为:Cr03/g.L-1 30~100温度/℃40~70电流密度/A.dm-2 0.1~3电压/V O~100时间/min 35~603.硬质阳极氧化在二世界大战后期,为了提高阳极氧化膜的硬度和厚度,把硫酸氧化槽的温度降低至0℃,电流密度提高至2.7~4.0A/dm2,获得了25~50μm的“硬质氧化膜”。
用草酸加少量硫酸可以在5~15℃得到硬质氧化膜。
有些专利用优化硫酸的浓度,加有机酸或其他添加剂,如苯六羧酸进行硬质阳极氧化。
在苏格兰,Campbell发明了采用交流—直流叠加电源,电解液高速流动,0℃,电流密度25~35A/dm2,获得100μm的硬质阳极氧化膜。
现在,脉冲电流用于硬质阳极氧化时,特别是高铜铝合金一般很难硬质阳极氧化,使用脉冲电流可以防止“烧蚀”。
还有许多电源用于硬质阳极氧化,交流加直流,各种频率的单相或三相脉冲电流、反相电流等。
传统的直流硬质阳极氧化,电流密度一般不能超过4.0A/dm2,单相整流脉冲电源,电流的脉冲峰值可以很大,但保持氧化膜厚度的均匀一致是重要的问题。
电镀,电融漆,阳极氧化和阳极电镀四者之间有什么区别?客户的产品要求中提到要对铝管做"Anodized"表面处理, 查阅字典后发现有两种解释:1.阳极电镀,2.阳极氧化.不清楚这两种解释是否是指同一种表面处理方式?另外,电镀和电融漆与上面两种方式又有什么区别?1 是铝的阳极氧化处理。
没有阳极电镀,阳极没有(不能)电镀,只能“退镀”。
2 阳极氧化是在铝表面生成一层保护性氧化膜,其厚度通常在5~30μm,在一些特殊条件下氧化膜的厚度可以达到100μm以上,从而可显著提高铝及铝合金的各种性能,包括耐蚀性、耐磨性、耐候性、绝缘性及吸附性等。
3 电镀是在金属表面形成一层金属或合金层,电泳漆则是一层有机膜(漆)层。
钝化现象如果在室温时实验铁片在硝酸中的反应速率以及与硝酸浓度的关系,我们将会发现铁的反应速率最初是随硝酸浓度的增大而增大.当增大到一定程度时,它的反应速率减小,继续增大硝酸的浓度时,它的反应速率更小,最后不再起反应,即铁变得“稳定”了,或者像一般所说的,铁发生“钝化”了。
不仅铁,其他一些金属也可以发生钝化。
例如,Cr、Ni、Co、Mo、Al、Ta、Nb和W等,其中最容易钝化的金属是Cr、Mo、Al、Ni、Fe。
不仅硝酸,其他强氧化剂如浓硫酸、氯酸、碘酸、重铬酸钾、高锰酸钾等,都可以引起金属的钝化。
在个别情况下,少数金属能在非氧化剂介质中钝化。
例如,镁在中HF钝化,钼和铌在HCl中钝化。
一般地说,钝化后的金属,在改变外界钝化条件后,仍能在相当程度上保持钝化状态。
例如,铁在弄硝酸中钝化后,不仅在硝酸中保持稳定,而且在水、水蒸气及其他介质中也能保持稳定。
钝化后的铁不能从硝酸铜溶液中置换出铜。
有许多因素能破坏钝化状态,或者阻止金属钝化态的生成。
将溶液加热或加入活性离子,如Cl-、Br-、I-等和还原性气体如氢(特别是在加热时)都能使钝态金属活性化。
使金属钝化的方法,除了把金属浸在浓酸里使它钝化外,还可以把金属作为电极(阳极),通过电流使它发生氧化。
当电流密度增大到一定程度时,金属就能被钝化。
钝化原理现在大都认为,金属的钝化是由于金属和介质作用,生成一层极薄的肉眼看不见的保护膜的结果。
这层薄膜通常是氧和金属的化合物。
例如,在有些情况下,铁氧化后生成结构复杂的氧化物,其组成为Fe8O11。
钝化后的铁跟没有钝化的铁有不同的光电反射能力。
经过测定,铁在浓硝酸中的金属氧化膜的厚度为3nm-4nm。
这种薄膜将金属表面和介质完全隔绝,从而使金属变得稳定。
钝化的实际应用钝化能使金属变得稳定。
从本质上讲,这是由于金属表面上覆盖了一层氧化膜,因而提高了金属的抗蚀性能。
为了提高金属的防护性能,可采用化学方法或电化学方法,使金属表面覆盖一层人工氧化膜。
这种方法就是通常说的氧化处理或发蓝。
它在机械制造、仪器制造、武器、飞机及各种金属日用品中,作为一种防护装饰性覆盖层而广泛地被采用。
铁、铝在浓硝酸中钝化分别生成Fe8O11和Al2O3。
铁在浓硝酸中氧化首先生成二价铁,如浓硝酸过量,再生成三价铁;铝则被氧化为三价铝。