纺织厂空调设计_毕业设计
- 格式:doc
- 大小:1.01 MB
- 文档页数:98
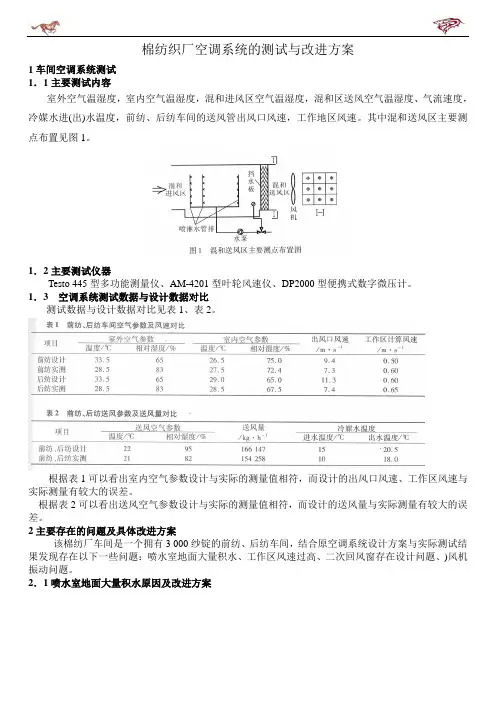
棉纺织厂空调系统的测试与改进方案1车间空调系统测试1.1主要测试内容室外空气温湿度,室内空气温湿度,混和进风区空气温湿度,混和区送风空气温湿度、气流速度,冷媒水进(出)水温度,前纺、后纺车间的送风管出风口风速,工作地区风速。
其中混和送风区主要测点布置见图1。
1.2主要测试仪器Testo 445型多功能测量仪、AM-4201型叶轮风速仪、DP2000型便携式数字微压计。
1.3空调系统测试数据与设计数据对比测试数据与设计数据对比见表1、表2。
根据表1可以看出室内空气参数设计与实际的测量值相符,而设计的出风口风速、工作区风速与实际测量有较大的误差。
根据表2可以看出送风空气参数设计与实际的测量值相符,而设计的送风量与实际测量有较大的误差。
2主要存在的问题及具体改进方案该棉纺厂车间是一个拥有3 000纱锭的前纺、后纺车间,结合原空调系统设计方案与实际测试结果发现存在以下一些问题:喷水室地面大量积水、工作区风速过高、二次回风窗存在设计问题、)风机振动问题。
2.1喷水室地面大量积水原因及改进方案由于回风和新风在喷水室喷淋段前的混和, 形成流场的紊乱引起蓄水池中液体大量的飞溅,同时由于喷嘴雾化角的开合原因,使得靠近墙壁的喷嘴有大量的水雾撞击在墙壁上,形成水花的飞溅(见图2),因而造成喷水室地面大量积水,并且会造成自动控制柜、电机、水泵进水,容易引发触电危险。
其根本原因是该喷水室设计中无前挡水板,前挡水板兼有挡住飞溅出来的水滴和使讲风均匀流入的双重作用。
加前挡水板后有良好的整流效果,避免水滴的飞溅,使空气和水充分接触,增加了热湿交换的效率,同时增加挡水板所增加的局部阻力远小于空气紊流引起的阻力。
因挡水板的局部阻力系数接近于1,对系统总阻力并无明显增加,故具体改进方案为加装前挡水板。
2.2工作区风速过高在该设计的说明中明确写出工作区风速,前纺为0.5 m /s ,后纺为0.6 m /s 。
然而实际的测试结果两个区的风速均在1.5 m /s ~2.0 m /s 之间,远大于设计数据。
前言在纺织工业生产过程中,空气调节起着重大作用,它提供了工艺需要的温湿度、清洁度和气流速度等条件,保证生产的正常进行的同时提高了产品的质量,也提高了生产效率。
随着纺织新技术的快速发展,新工艺新设备对纺织空调工程提出了新的要求,当前世界面临的主要环境问题,如能源短缺、淡水减少、气候变暖、臭氧层破坏、沙尘暴等,都给纺织空调提出了新的问题。
面对水资源匮乏,我们采用新的喷淋方法,提高热湿交换效率或采用空调用水的一水多用及废水回用以节省喷淋用水量;面对能源短缺我们采用变风量调节技术和变频变流等设备,以提高风机和水泵的生产效率;常常采用新的环保制冷剂代替氯氟烃以保护日益稀薄的臭氧层;使用吸收式制冷机和热泵;深井冬灌夏用,夏灌冬用;采用冰蓄冷技术、间接蒸发冷却技术和天然冷源等,以节约用水和保护环境,使传统的纺织空调技术,发展成为绿色空调、节能空调和智能空调。
本次设计通过对细纱车间的负荷计算、系统选型、水力计算及经济技术分析,最终确定合理的空气调节方案。
第1章设计资料和参数选取1.1设计原始资料1.设计地区:南昌2.建筑及工艺资料:该棉纺厂细纱车间为锯齿形厂房结构,工艺区面积约5700平方米;细纱机126台,共约有5.4万纱锭。
其中513型细纱机75台,502型细纱机24台,1506型细纱机27台;运转每班90人,常日班80人;照明总功率86.4kw 。
提供的图纸:细纱车间工艺平面布置图一张。
3.气象资料:查《采暖通风与空气调节设计规范》GB50019-2003。
维护结构资料:参数《高层建筑空调计》中表2-4、2-5及《民用建筑节能设计标准陕西省实施细则》选择墙体及其传热系数,同时参考《纺织厂空气调节》。
4.动力资料:(1)电源:220/380伏交流电。
(2)热源:本工程设有集中锅炉房,供给0.6Mpa的蒸气。
(3)冷源:自行设计冷源系统,水源为城市自来水。
1.2选取室外气象参数江西省南昌市的室外气象参数如下:1.夏季室外空调计算干球温度为35.6℃2.夏季室外空调计算湿球温度为28.3℃3.夏季通风室外计算相对湿度61%4.冬季室外空调计算干球温度为-1.3℃5.冬季室外空调计算相对湿度为80%6.冬季室外采暖计算干球温度为0.8℃以上数据查取资料:黄翔——《空调工程》附录四1.3选取车间温湿度参数表1-1 棉纺厂中细纱工序温湿度控制范围工序冬季夏季t(℃)Φ(%) d t(℃)Φ(%) d细纱54~59 9.5~12.5 30~33 57~62 15.8~20.4 23~26——上数据选自《实用纺织厂空调设计与计算手册》表3 细纱车间冬季最低值班温度:t≥18℃——上数据选自《实用纺织厂空调设计与计算手册》表8第2章负荷计算2.1选取维护结构传热系数2.1.1确定屋面的传热系数锯齿形的屋面材料结构自上到下如下:40mm钢筋混凝土大瓦,15mm厚水泥砂浆粉面,100mm厚沥青膨胀珍珠岩保温层,一毡三油隔气层,30mm钢筋混凝土倒槽板,20mm厚1:2水泥砂浆粉面。
涤纶长丝厂房的空调设计摘要:在涤纶长丝生产中,长丝空调为长丝操作环境和冷却设备提供一定的温度、湿度和一定风量的净化风,起到平衡系统风压、改善操作环境和保证丝条冷却成型的作用,特别是工艺空调运行条件的好坏直接影响涤纶长丝生产的产品质量。
本文以福建某聚酯工程为例,阐述其空调设计过程,提供实例参考。
关键字:涤纶长丝;空调1 概况涤纶长丝纺丝成形过程中的空气调节,可分为纺丝间、卷绕间和丝束冷却送风等三个系统,纺丝间的空调主要是为了满足劳动保护的需要;卷绕间的空调是为了保证卷装成形良好;为了方便丝束行进,纺丝间与卷绕间之间通常要保持一定的压力差;丝束冷却吹风则是初生纤维成形过程中非常重要的一环,冷却条件的选择与控制直接影响到纤维内在质量的好坏[1]。
案例项目的纺丝车间包括 8条FDY生产线、4条 POY生产线和4条预留生产线(预留线按FDY考虑)。
车间楼层4层:其中1层为包装和预留加弹机,层高6.5米;2层卷绕和平衡间,层高6.5米,3层纺丝和空调,层高3.2米;4层熔体输送,层高~7.4米。
另外在厂房东西双侧设辅房。
2 空调要求及设计标准2.1 温湿度条件不同国家生产的不同型号的工艺机器,散入车间的热量不同;而同型号的工艺机器,由于丝束速度不同,散入车间的热量也差别很大。
不同生产机型对于工艺风的温湿度要求也不相同。
案例项目采用的是西德巴马格公司设备,根据巴马格及甲方提供的资料,空调设计参数为,环吹风送风参数:温度:18℃相对湿度≥85%;环境送风设计露点送风,送风温度:20℃,相对湿度≥90%。
空调回风温度确认:甲方与设计方商定POY回风温度14.5℃,FDY回风温度35.5℃。
以此作为空调所需冷量的设计依据。
双方商定空调室内接入一根蒸汽管,接至空调机组喷淋室附近,每套装置蒸汽量按 1t/h考虑。
2.2 风量设计长丝纺丝成形过程的空调设计计算,主要包括负荷的计算和送风量的计算,其中负荷的计算多采用恒温恒湿房间的一般计算方法,也有借助i-d图计算的。
5万纱锭960台有梭织机棉纺织厂联合设计摘要根据设计计划,设计一个5万纱锭960台有梭织机棉纺织联合工厂设计。
且设计品种为:1. T/C 65/35 119.5×J14×J14×381.5×299 细平布30%2. 119.5×19.5×19.5×267.5× 267.5 细平布40%3. 119.5×28×28×334.5×236 纱哔叽30%余锭售纱此设计要求按照机器工艺流程和原料的性质,工作条件和生产产品,设计合理的生产工艺过程。
设计主要内容有:1.厂房总平面布置图:设在芜湖市郊,见图纸A12.车间的安排和机器排列,见图纸A03.工艺设计,包括合理工艺路线及计算机器配备数量4.其他设计职厂房结构,柱网参数5.详细设计说明书6.图纸:(1) 车间机器排列图一张:A0(2) 总平面布置图一张:A1(3) 布机地脚图一张:A2关键词:纺织厂设计;工艺流程;车间布置;机器排列The design of a cotton textile mill with 50 thousand Spain-yarns 960 sets of shuttle loomsABSTRACTAccording to the project plan, we will design a textile mill. Which has the sale of 500000 spindles and owns 960 shuttle looms .The products to be produced as follow:1. T/C 65/35 119.5×J14×J14×381.5×299 thin even cloth 30%2. 119.5×19.5×19.5×267.5× 267.5 thin even cloth 40%3. 119.5×28×28×334.5×236 yarn serge 30%yarns for sale:This is the textile designing which is required for the prepartion, In order of equipments and raw materials , under the control of invention and burget in the designingof the cording and production. The main contents in the design are following :1.The selection of the mill address and seneral cayout.A2.the mill to be designed inconexed in WuHu city. A12.The arrangement of workshops and machines A03.The technical designing4.Other designing5.The drawing(1)The arrangement of workshops and machines.A0(2)The cayout lf mill arrangement. A1(3)The arrangement of Size Sapply.A2keywords: textile design; process; plant layout; machine arrangement目录引言 (1)第1章总论 (2)1.1建厂背景 (2)1.2设计规模 (2)1.3厂址选择 (2)1.4厂房形式 (2)1.5变电,配电,通讯形式 (2)1.6空调,冷源锅炉 (2)1.7除尘,消防,防水 (3)第2章工艺流程和机器选择 (4)2.1概述 (4)2.1.1成品设计条件 (4)2.1.2原料选择 (4)2.1.3纺部的生产工艺流程 (4)2.1.4织部的生产工艺流程 (5)2.1.5设备的选配 (8)第3章织部设计计算 (9)3.1织机数量的配备 (9)3.2机器数量配备计算 (9)3.2.1 T/C 65/35 119.5×J14×J14×381.5×299 细平布30% (9)3.2.2 119.5×19.5×19.5×267.5× 267.5 细平布40% (13)3.2.3 119.5×28×28×334.5×236 纱哔叽30% (17)3.3织部各机器配备台数 (21)第4章纺部设计计算 (22)4.1T/C65/35119.5×J14×J14×381.5×299细平布设计计算 (22)4.1.1工艺参数设定 (22)4.1.2 纺部各工序产量计算: (23)4.1.3纺部各工序总产量 (24)4.1.4 纺部各工序定额机台数 (25)4.1.5 纺部计算机器数量 (26)4.2119.5×19.5×19.5×267.5×267.5细平布 (27)4.2.1工艺参数设定 (27)4.2.2 纺部各工序产量计算: (27)4.2.3纺部各工序总产量 (28)4.2.4 纺部各工序定额机台数 (29)4.2.5 纺部计算机器数量 (29)4.3119.5×28×28×334.5×236纱哔叽 (30)4.3.1工艺参数设定 (30)4.3.2 纺部各工序产量计算: (31)4.3.3纺部各工序总产量 (32)4.3.4 纺部各工序定额机台数 (32)4.428TEX售纱计算 (33)4.4.1余锭计算 (33)4.4.2工艺参数设定 (33)4.4.3 纺部各工序产量计算: (34)4.4.4纺部各工序总产量 (35)4.4.5纺部各工序定额机台数 (35)4.4.6 纺部计算机器数量 (36)4.5纺部各机器配备台数 (37)第5章车间布置与机器排列 (38)5.1车间布置 (38)5.1.1生产车间布置的基本要点 (38)5.2纺部各车间机器排列 (38)5.3织部各车间机器排列 (38)5.4生产厂房周围的附房布置原则 (39)第6章劳动定员 (41)6.1劳动定员的意义和目的 (41)6.2劳动定员的编制: (41)第7章除尘 (44)7.1棉尘的来源及危害 (45)7.2车间除尘设计 (45)7.2.1 设计要点 (45)7.2.2 开清棉车间 (45)7.2.3 梳棉车间 (45)7.2.4 精梳机吸落棉设计 (45)7.2.5 细纱机断头吸棉设计 (46)7.2.6 除尘室的位置 (46)7.2.7 除尘室布置 (46)第8章项目的经济评价 (47)第9章技术经济性评价 (49)结论与展望 (50)致谢 (51)参考文献 (52)附录A (53)附录B (63)参考文献摘要: (63)附录C (66)插图清单图2- 1工艺流程一 (5)图2- 2工艺流程二 (6)图2- 3工艺流程三 (7)表格清单表格3-1各织物品种织机参数 (9)表格4-1 T/C各工序半制品和细纱特数 (21)表格4-2 T/C纺部各工序消耗率及计划停台率 (23)表格4-3 19.5tex各工序半制品和细纱的特数 (26)表格4-4 19.5tex纺部个工序消耗率及计划停台率 (27)表格4-5 28tex各工序半制品和细纱的特数 (29)表格4-6 28tex纺部各工序消耗率及计划停台率 (31)表格4-7 售纱各工序半制品和细纱的特数 (32)表格4-8售纱纺部各工序消耗率及计划停台率 (34)表格6-1纺织厂劳动定员编制 (40)表格6-2设备维修项目和周期 (43)附表1涤棉混纺纱的纺纱工艺设计及机器配备 (65)附表 2 19.5tex细平布的纺纱工艺设计及机器配备 (66)附表3纱哔叽的纺纱工艺设计及机器配备 (67)附表4余锭纯棉纱的工艺设计及机器配备 (68)附表 5 涤棉混纺的织布工艺设计及机器配备 (69)附表 6 19.5tex细平布的织布工艺设计及机器配备 (70)附表7 纱哔叽的织布工艺设计及机器配备 (71)引言随着经济和人们生活水平的提高,纺织品在工业生产和生活上应用也不断的扩展。
棉纺厂空调系统节能设计浅析添加日期:2011-1-27王学元山东巨野瓯江纺织品有限公司我公司在新上3.5万锭精梳生产线时,认为参与竞标的纺织设计院按常规设计思路设计的几套工艺布局方案、空调系统方案都不太满意,本着“流程顺畅、节能降耗”的原则提出了自己的设计思路,得到有关专家的认可,现将我们的设计思路汇报如下,希望各位专家给予批评指正:1工程概况厂房是借用的原有通用厂房,厂房为砖混结构墙壁,钢筋混凝土支柱,钢架结构房顶,单层彩钢瓦覆顶(需做吊顶及保温处理后才能使用),外围建筑尺寸为107m×106.7m,跨距为26.5m+27m+27m+26.5m,柱距为5.2m+6m×8+0.3m伸缩缝+6m×8+5.2m。
生产工艺流程为清梳联→预并条→条并卷→精梳→并条→粗纱→细纱→自动络筒。
产品以CJ14.8tex为主要设计依据,兼顾高、低支纱线的生产。
根据厂房柱网尺寸和总体面积,决定选用516锭细纱机68台。
2工艺布局设计中的节能设计方案2.1纺织设计院设计的典型工艺布局方案纺织设计院提供的几套竞标设计方案,全部是采用原有的设计模式,工艺布局的思路上大同小异,其中较具有代表意义的设计方案示意图见图一:图一:纺织设计院的设计方案示意图我们认为,这样的工艺布局方案没能充分利用我们方形厂房的特点,不方便充分利用车间热能的转移技术,无法通过各车间热能相互转移来达到节能降耗的目的。
2.2自行设计的工艺布局方案及其节能思路我们的自行设计的工艺布局方案示意图见图二:图二:自行设计的设计方案示意图由于棉纺工艺流程中各个车间的散热量很不均衡,细纱车间机器、人员相对集中,发热量较大,即使在冬季车间热量仍有剩余;而络筒车间和前纺车间则相对设备稀少,人员分散,在冬季则需要补充一定量的热量。
因此,夏季空气调节应以降低细纱车间的温湿度为主要调节目标,冬季空气调节则应以提高络筒和前纺车间的温度为主要调节目标。
编号:课程设计说明书(课程名称、三号字、加粗、宋体)题目高洋棉纺厂空调用制冷系统及机房设计院(系):建筑与交通工程学院专业:建筑环境与设备工程学生:吕军思学号: 1101520116指导教师:薛兴2014 年 2 月 26 日目录1 绪论 (1)2 课程设计容和计算选型 (1)2.1 原始材料 (1)2.1.1设计任务及条件 (1)2.1.2地理位置 (1)2.1.3室外空调设计参数 (1)2.1.4室气象参数 (2)2.2 工况确定 (2)2.2.1确定总制冷量 (2)2.2.2制冷剂的选择 (2)2.2.3蒸发温度冷凝温度及过冷度过热度的确定 (3)2.3 状态点的确定和相关热力计算 (5)2.3.1绘制压焓图 (5)2.3.2进行热力计算 (6)2.4 压缩机的选择 (7)2.4.1压缩机形式的选择 (7)2.4.2压缩机级数 (8)2.4.3压缩机的容积功率 (8)2.4.4计算系统的理论输气量与型号选定 (8)2.4.5压缩机功率计算 (9)2.4.6确定压缩机的台数 (10)2.4.7压缩机的校核 (11)2.5 冷凝器的设计计算 (11)2.5.1冷凝器的选择 (11)2.5.2确定冷凝器的换热面积 (11)2.5.3冷凝器的设备选择 (12)2.5.4冷凝器校核 (12)2.5.5冷却水计算 (12)2.5.6动力设施 (13)2.6 蒸发器的选择计算 (16)2.6.1确定蒸发器的型式 (16)2.6.2蒸发器传热面积计算 (16)2.6.3冷冻水系统 (16)2.7 膨胀阀的选择与计算 (17)2.7.1流量系数 (17)2.7.2进入膨胀阀的质量流量 (17)2.7.3阀孔面积 (17)2.8 其他辅助设备的选择 (18)2.8.1油分离器选择计算 (18)2.8.2高压贮液器选择计算 (18)2.8.3气液分离器选择计算 (19)2.8.4不凝性气体分离器选择 (19)2.8.5过滤器和干燥器选择 (20)2.9 设备清单 (20)3 机房布置 (21)3.1 制冷机房的设计原则 (21)3.2 制冷设备的布置原则 (21)3.3 制冷剂管路的布置原则 (21)3.4 冷冻水管的保温 (22)4 制图 (22)5 结论总结 (22)参考文献 (24)1、绪论本次设计的是高洋棉纺厂空调用制冷系统及机房设计。
编号:课程设计说明书(课程名称、三号字、加粗、宋体)题目上海高洋棉纺厂空调用制冷系统及机房设计院(系):建筑与交通工程学院专业:建筑环境与设备工程学生姓名:吕军思学号: 1101520196指导教师:薛兴2019 年 2 月26 日目录1 绪论 (1)2 课程设计内容和计算选型 (1)2.1 原始材料 (1)2.1.1设计任务及条件 (1)2.1.2地理位置 (1)2.1.3室外空调设计参数 (1)2.1.4室内气象参数 (2)2.2 工况确定 (2)2.2.1确定总制冷量 (2)2.2.2制冷剂的选择 (2)2.2.3蒸发温度冷凝温度及过冷度过热度的确定 (3)2.3 状态点的确定和相关热力计算 (5)2.3.1绘制压焓图 (5)2.3.2进行热力计算 (6)2.4 压缩机的选择 (7)2.4.1压缩机形式的选择 (7)2.4.2压缩机级数 (8)2.4.3压缩机的容积功率 (8)2.4.4计算系统的理论输气量与型号选定 (8)2.4.5压缩机功率计算 (9)2.4.6确定压缩机的台数 (10)2.4.7压缩机的校核 (11)2.5 冷凝器的设计计算 (11)2.5.1冷凝器的选择 (11)2.5.2确定冷凝器的换热面积 (11)2.5.3冷凝器的设备选择 (12)2.5.4冷凝器校核 (12)2.5.5冷却水计算 (12)2.5.6动力设施 (13)2.6 蒸发器的选择计算 (16)2.6.1确定蒸发器的型式 (16)2.6.2蒸发器传热面积计算 (16)2.6.3冷冻水系统 (16)2.7 膨胀阀的选择与计算 (17)2.7.1流量系数 (17)2.7.2进入膨胀阀的质量流量 (17)2.7.3阀孔面积 (17)2.8 其他辅助设备的选择 (18)2.8.1油分离器选择计算 (18)2.8.2高压贮液器选择计算 (18)2.8.3气液分离器选择计算 (19)2.8.4不凝性气体分离器选择 (19)2.8.5过滤器和干燥器选择 (20)2.9 设备清单 (20)3 机房布置 (21)3.1 制冷机房的设计原则 (21)3.2 制冷设备的布置原则 (21)3.3 制冷剂管路的布置原则 (21)3.4 冷冻水管的保温 (22)4 制图 (22)5 结论总结 (22)参考文献 (24)1、绪论本次设计的是上海高洋棉纺厂空调用制冷系统及机房设计。
纺织厂通风课程设计一、课程目标知识目标:1. 学生理解纺织厂通风系统的重要性及其在保障生产安全和员工健康中的作用。
2. 学生掌握纺织厂通风系统的基本构成、工作原理及通风方式的分类。
3. 学生了解通风系统在纺织厂中的实际应用,包括不同车间的通风需求及解决方案。
技能目标:1. 学生能够分析纺织厂车间的环境特点,提出合理的通风方案。
2. 学生通过实例学习,掌握通风系统设计的基本步骤和方法。
3. 学生具备运用通风知识解决实际问题的能力,能够对通风系统进行初步的评估和优化。
情感态度价值观目标:1. 培养学生对纺织行业通风安全问题的关注,增强安全生产意识。
2. 学生通过学习,认识到通风系统在节能减排、改善工作环境等方面的积极作用,提高社会责任感和环保意识。
3. 学生在学习过程中,培养合作精神,学会倾听、尊重他人意见,提高团队协作能力。
课程性质:本课程属于专业技术课程,以实际应用为导向,结合纺织厂生产实际,注重培养学生的实践操作能力和问题解决能力。
学生特点:学生处于高年级阶段,已具备一定的专业基础知识,具有较强的学习能力和实践欲望。
教学要求:教师应结合纺织厂实际案例,采用讲授、讨论、实践等多种教学方法,引导学生主动参与,提高学生的专业素养和实际操作能力。
通过课程目标的实现,为学生未来从事纺织行业相关工作奠定基础。
二、教学内容1. 纺织厂通风系统概述- 通风系统的作用与重要性- 通风系统的基本构成与工作原理2. 纺织厂通风方式的分类与特点- 自然通风- 机械通风- 半机械通风3. 纺织厂车间通风需求分析- 不同车间的环境特点- 通风需求与解决方案4. 通风系统设计方法与步骤- 设计原则- 设计流程- 参数计算与选择5. 通风系统在纺织厂的应用实例- 车间通风系统设计案例分析- 通风系统优化与评估6. 通风系统与节能减排- 通风系统在节能减排中的作用- 环保通风技术的应用教学内容安排与进度:第1-2周:纺织厂通风系统概述,通风方式的分类与特点第3-4周:纺织厂车间通风需求分析第5-6周:通风系统设计方法与步骤第7-8周:通风系统应用实例分析与讨论第9-10周:通风系统与节能减排,环保通风技术应用教学内容与教材关联:本教学内容与教材中第十章“纺织厂通风与空调”相关章节紧密关联,涵盖了教材中的关键知识点,结合实际案例,帮助学生深入理解和掌握纺织厂通风系统的相关知识。
1.空调设备的更新换代:1.1 风机是空调系统的核心设备,纺织空调原来使用的大多为仿苏制Y系列轴流风机,其特点是风量小、耗电大、效率低,皮带传动,运行成本高,有时还会形成“煤灰纱”,影响产品质量。
后来改造为FZ系列轴流风机后,电机轴与风叶直联,不需要皮带传动,提高了运行效率,且为双速风机,有高、低两种转速可满足不同季节车间的需要,降低了运行成本,而且便于检修,很快得到了推广。
这期间也出现了一些更加便于调节、节能的风机控制装置,其一是改造为变频调速风机,这无论是加装变频调速器、还是加装无级变速调控系统,都能使调节工对风量的调节更自如、实现按需调节,并可节能;其二是运用PLC技术实现对风机、水泵等空调设备的统一控制、自动运行,使各设备的动作、运行情况完全以满足生产需求为目标,在中枢的集中指挥下自行调节,进一步可使无人调节成为现实。
但是由于这两种改造的费用昂贵,使其广泛应用受到了局限,所以大多是试验性质,其实施还需要不断改进和探讨。
1.2洗涤室是纺织空调对空气进行加湿、去湿、降温的主要场所,其发展也经历了从单一顺喷到顺喷加逆喷到对喷形式、从双螺旋离心喷嘴到FL旋流喷嘴的过程,最终目的是使喷出的水滴更细小,喷射角度更大,水雾的覆盖面更大;对喷形成的水幕,使喷出的水滴利用相互碰撞变得更细、雾化程度更好,空调室横断面形成的水幕使空气通过洗涤室时的热湿交换时间更长、更充分,从而使空气调节能力得到了提高,目前在国内这类喷排方式应用较为普遍。
1.3挡水板由原来的四折90°铁皮挡水板改为双波纹玻璃钢挡水板。
挡水板的间距由原来的50mm改为30-35mm,折角由90°改为120°,由原来的平面改为波纹。
这样折角的变大更有利于减少水运动的阻力,延长了水与空气的分离时间,挡水板间距的变小更有利于通风阻水功能的发挥,同时也减轻了检修工的劳动强度。
回风窗由原来的人工定时清扫改为电动或水洗的自动清扫,大大减轻了清扫的工作量,提高了清扫效果,有利于空调回风的利用,不仅节能、而且空调的效果更好。
西安工程大学本科毕业设计(论文)前言在纺织工业生产过程中,空气调节起着重大作用,它提供了工艺需要的温湿度、清洁度和气流速度等条件,保证生产的正常进行的同时提高了产品的质量,也提高了生产效率。
随着纺织新技术的快速发展,新工艺新设备对纺织空调工程提出了新的要求,当前世界面临的主要环境问题,如能源短缺、淡水减少、气候变暖、臭氧层破坏、沙尘暴等,都给纺织空调提出了新的问题。
面对水资源匮乏,我们采用新的喷淋方法,提高热湿交换效率或采用空调用水的一水多用及废水回用以节省喷淋用水量;面对能源短缺我们采用变风量调节技术和变频变流等设备,以提高风机和水泵的生产效率;常常采用新的环保制冷剂代替氯氟烃以保护日益稀薄的臭氧层;使用吸收式制冷机和热泵;深井冬灌夏用,夏灌冬用;采用冰蓄冷技术、间接蒸发冷却技术和天然冷源等,以节约用水和保护环境,使传统的纺织空调技术,发展成为绿色空调、节能空调和智能空调。
本次设计通过对细纱车间的负荷计算、系统选型、水力计算及经济技术分析,最终确定合理的空气调节方案。
第1章设计资料和参数选取1.1设计原始资料1.设计地区:南昌2.建筑及工艺资料:该棉纺厂细纱车间为锯齿形厂房结构,工艺区面积约5700平方米;细纱机126台,共约有5.4万纱锭。
其中513型细纱机75台,502型细纱机24台,1506型细纱机27台;运转每班90人,常日班80人;照明总功率86.4kw 。
提供的图纸:细纱车间工艺平面布置图一张。
3.气象资料:查《采暖通风与空气调节设计规范》GB50019-2003。
维护结构资料:参数《高层建筑空调计》中表2-4、2-5及《民用建筑节能设计标准陕西省实施细则》选择墙体及其传热系数,同时参考《纺织厂空气调节》。
4.动力资料:(1)电源:220/380伏交流电。
(2)热源:本工程设有集中锅炉房,供给0.6Mpa的蒸气。
(3)冷源:自行设计冷源系统,水源为城市自来水。
1.2选取室外气象参数江西省南昌市的室外气象参数如下:1.夏季室外空调计算干球温度为35.6℃2.夏季室外空调计算湿球温度为28.3℃3.夏季通风室外计算相对湿度61%4.冬季室外空调计算干球温度为-1.3℃5.冬季室外空调计算相对湿度为80%6.冬季室外采暖计算干球温度为0.8℃以上数据查取资料:黄翔——《空调工程》附录四1.3选取车间温湿度参数表1-1 棉纺厂中细纱工序温湿度控制范围冬季夏季工序t(℃)Φ(%) d t(℃)Φ(%) d细纱23~26 54~599.5~12.530~33 57~6215.8~20.4——上数据选自《实用纺织厂空调设计与计算手册》表3细纱车间冬季最低值班温度:t≥18℃——上数据选自《实用纺织厂空调设计与计算手册》表8第2章负荷计算2.1选取维护结构传热系数2.1.1确定屋面的传热系数锯齿形的屋面材料结构自上到下如下:40mm钢筋混凝土大瓦,15mm厚水泥砂浆粉面,100mm厚沥青膨胀珍珠岩保温层,一毡三油隔气层,30mm钢筋混凝土倒槽板,20mm厚1:2水泥砂浆粉面。
表2-1 锯齿形屋顶的结构各层材料的热工指标屋面结构自外至内 材料厚度 δ(m ) 导热系数 λ[w ∕(m •K )] 热阻R (㎡•k ∕w )钢筋混凝土大瓦 0.04 1.55 0.0258 水泥砂浆粉面 0.015 0.93 0.0163 沥青膨胀珍珠岩 0.10 0.081 1.2287 一毡三油隔气层 0.0050.1740.0234钢筋混凝土倒槽板 0.030 1.547 0.01981:2水泥砂浆粉面 0.02 0.93 0.0215——上表数据源自《纺织厂空气调节》第三版表3-4室外空气与屋面接触面的传热系数为23.3w ∕㎡•K 车间内空气与屋顶内表面接触面的传热系数为8.7w ∕㎡•K ——以上数据源自《实用纺织厂空调设计与计算手册》表77屋顶的传热系数:Km W K zh⋅=+++++++=2667.07.810215.00198.00234.0235.10163.00258.03.23112.1.2确定天沟的传热系数表2-2 天沟各层材料热工指标材料名称 δ(m ) λ(W ∕m •K) R (㎡•K ∕W) 三毡四油八层做法 20厚1:25水泥砂浆找平层钢筋混凝土填坡板 30厚空气隔气层 0.015 0.020 0.020 0.174 0.93 1.547 0.086 0.0215 0.0129 0.0300.1538100厚沥青膨胀珍珠岩保温层 0.10 0.0814 1.2287一毡二油隔气层 0.005 0.174 0.0283 15厚1:25水泥砂浆粉面层0.0150.930.016350厚钢筋混凝土风道顶板0.050 1.547 0.0323∑δ/λ=∑R1.5798——上表数据查自《纺织厂空气调节》第二版 表11-7天沟的传热系数如下: K W K ⋅==++=2m 575.07376.113.2315798.17.8112.1.3山墙的传热系数的确定山墙的材料结构为:240mm 厚砖墙,外部涂20mm 厚水泥砂浆,内部涂抹20mm 厚白灰粉刷表2-4 山墙的热工指标导热热阻R (㎡•K ∕W) 传热系数K(W ∕㎡•K)山墙0.341.97——上表数据查自 黄翔——《空调工程》附录52.1.4天窗传热系数的确定天窗采用两框三层玻璃,其中外层为一个框两层玻璃,内层为金属框单层玻璃外层:一个框两层玻璃,K m W K ⋅=2149.3 内层:金属框单层玻璃, 空气内表面放热系数K W ⋅=2n m 7.8α 空气外表面放热系数K m W w⋅=23.23αK m W K ⋅==+++=2285.2351.013.23119.065.0002.07.811 则天窗的传热系数K:Km W K K K K K ⋅=+⨯=+⋅=22121569.185.249.385.249.3 ——上数据查自《纺织厂空气调节》第二版2.1.5天窗墙传热系数的确定表2-5 天窗墙各层材料的热工指标材料名称材料厚度δ(m)导热系数λ[w∕(m•K)]热阻R(㎡•k∕w)三毡四油八层做法0.015 0.174 0.086 20厚1:25水泥砂浆找平层0.020 0.93 0.0215120厚砖墙50号砂浆砌筑0.120 0.8141 0.147140厚空气层0.140 0.163 100厚沥青膨胀珍珠岩保暖层0.10 0.0814 1.2287一毡二油隔气层0.005 0.174 0.0283 15厚1:25水泥砂浆找平层0.15 0.83 0.0163180厚砖墙50号砂浆砌筑0.18 0.8141 0.22120厚纸筋灰粉面刷白二度0.020 0.698 0.0283∑δ/λ=∑R1.9401——上表数据查自《纺织厂空气调节》第二版 表11-62.1.6天窗墙的传热系数为:KW K ⋅==++=2m 477.00977.213.2319401.17.8112.2 维护结构面积计算图2-1ΔADE 的面积厂房工艺区面积总和为: 2m 7.57569.6193=⨯=总S 对于前七个跨度,如下:一个坡度的坡屋面面积: 2224.678934.65.3mF =⨯+= 一个跨度的天窗面积(需扣除三脚架所占据的面积):2m 72.28295.0932.3=⨯⨯=F一个跨度的天窗墙面积(需加上三脚架所占据的面积):2m 38.6105.02.393935.0=⨯⨯+⨯=F一个跨度的天沟面积(天沟净宽为710mm ):2m03.669371.0=⨯=F 对于最后一个跨度,如下跨度的坡屋面面积: 222m85.282937.24.1=⨯+=F 天窗的高度为: m h 1.1)2.35.3()8.15.4(8.65.3=---⨯= 此跨度的天窗面积(需扣除三脚架所占的面积):2m19.9795.0931.1=⨯⨯=F 跨度的天窗墙面积(需加上三脚架所占据的面积):2m62.5105.0931.1935.0=⨯⨯+⨯=F 跨度的天沟面积(天沟净宽为710mm ):2m 03.669371.0=⨯=F综上所述,该纺织厂细纱车间的各个结构的面积如下:屋面总面积为:2m 65.503174.67885.282=⨯+=屋面F 天沟的总面积:2m 24.528803.66=⨯=天沟F 天窗的总面积:2m 23.207619.97772.282=+⨯=天窗F 天窗墙总面积啊:2m 28.48162.51738.61=+⨯=天窗墙F 东山墙总面积:2m09.11327.24.1724.65.385.02.8=⨯+⨯⨯+⨯⨯=东山墙F 西山墙总面积:东山墙西山墙F F =2.3 车间夏季冷负荷和冬季热负荷的计算屋顶冷负荷,天沟冷负荷,山墙冷负荷,透过天窗玻璃进入日射得热引起的冷负荷,天窗瞬时传热冷负荷,天窗墙冷负荷,西墙壁传热量,地面传热量分别见表1-1到表1-12。
西安工程大学本科毕业设计(论文)表2-6 东山墙冷负荷时间10:0011:0012:0013:0014:0015:0016:0017:0018:0019:0020:0021:00逐时值32.132.834.135.637.238.539.540.240.540.740.740.6地点修正值 2.4 2.4 2.4 2.4 2.4 2.4 2.4 2.4 2.4 2.4 2.4 2.4外表面放热系数修正值0.970.970.970.970.970.970.970.970.970.970.970.97外表面吸收系数修正值111111111111修正后计算温度的逐时值33.46534.14435.40536.8638.41239.67340.64341.32241.61341.80741.80741.71室内计算温度31.531.531.531.531.531.531.531.531.531.531.531.5传热系数 1.97 1.97 1.97 1.97 1.97 1.97 1.97 1.97 1.97 1.97 1.97 1.97传热面积113.09113.09113.09113.09113.09113.09113.09113.09113.09113.09113.09113.09东山墙瞬变传热引起的冷负荷437.78589.05869.981194.11539.91820.82036.92188.222532296.32296.32274.7表2-7 西山墙冷负荷时间10:0011:0012:0013:0014:0015:0016:0017:0018:0019:0020:0021:00逐时值33.532.832.432.132.132.332.833.73536.738.740.5地点修正值 2.4 2.4 2.4 2.4 2.4 2.4 2.4 2.4 2.4 2.4 2.4 2.4外表面放热系数修正值0.970.970.970.970.970.970.970.970.970.970.970.97外表面吸收系数修正值111111111111修正后计算温度的逐时值34.82334.14433.75633.46533.46533.65934.14435.01736.27837.92739.86741.613室内计算温度(℃)31.531.531.531.531.531.531.531.531.531.531.531.5传热系数 1.97 1.97 1.97 1.97 1.97 1.97 1.97 1.97 1.97 1.97 1.97 1.97传热面积(㎡)113.09113.09113.09113.09113.09113.09113.09113.09113.09113.09113.09113.09西山墙瞬变传热引起的冷负荷(W)740.32589.05502.61437.78437.78481589.05783.541064.51431.91864.12253表2-8 屋顶冷负荷时间10:0011:0012:0013:0014:0015:0016:0017:0018:0019:0020:0021:00逐时值32.7333435.838.140.743.546.148.349.950.850.9地点修正值 2.4 2.4 2.4 2.4 2.4 2.4 2.4 2.4 2.4 2.4 2.4 2.4外表面放热系数修正值0.970.970.970.970.970.970.970.970.970.970.970.97外表面吸收系数修正值111111111111修正后计算温度的逐时值34.04734.33835.30837.05439.28541.80744.52347.04549.17950.73151.60451.701室内计算温度(℃)31.531.531.531.531.531.531.531.531.531.531.531.5传热系数0.6670.6670.6670.6670.6670.6670.6670.6670.6670.6670.6670.667传热面积(㎡)5031.75031.75031.75031.75031.75031.75031.75031.75031.75031.75031.75031.7屋顶瞬变传热引起的冷负荷(W)85489524.612780186402612734591437075217159333645416747167797表2-9 天沟冷负荷时间10:0011:0012:0013:0014:0015:0016:0017:0018:0019:0020:0021:00逐时值32.7333435.838.140.743.546.148.349.950.850.9地点修正值 2.4 2.4 2.4 2.4 2.4 2.4 2.4 2.4 2.4 2.4 2.4 2.4外表面放热系数修正值0.970.970.970.970.970.970.970.970.970.970.970.97外表面吸收系数修正值111111111111修正后计算温度的逐时值34.04734.33835.30837.05439.28541.80744.52347.04549.17950.73151.60451.701室内计算温度(℃)31.531.531.531.531.531.531.531.531.531.531.531.5传热系数0.5750.5750.5750.5750.5750.5750.5750.5750.5750.5750.5750.575传热面积(㎡)528.24528.24528.24528.24528.24528.24528.24528.24528.24528.24528.24528.24天沟瞬变传热引起的冷负荷(W)773.62862.011156.616872364.63130.63955.64721.65369.85841.26106.36135.8表2-10 天窗瞬变传热引起的冷负荷时间10:0011:0012:0013:0014:0015:0016:0017:0018:0019:0020:0021:00外玻璃窗冷负荷计算温度的逐时值2929.930.831.531.932.232.23231.630.829.929.1玻璃窗的地点修正值333333333333室内计算温度(℃)31.531.531.531.531.531.531.531.531.531.531.531.5玻璃窗传热系数 1.569 1.569 1.569 1.569 1.569 1.569 1.569 1.569 1.569 1.569 1.569 1.569玻璃窗传热面积(㎡)2076.22076.22076.22076.22076.22076.22076.22076.22076.22076.22076.22076.2玻璃窗的传热系数修正值111111111111天窗瞬变传热引起的冷负荷(W)1628.84560.67492.59772.811076120531205311402100997492.54560.61954.6表2-11 天窗日射得热形成的冷负荷时间10:0011:0012:0013:0014:0015:0016:0017:0018:0019:0020:0021:00日得热因数最大值115115115115115115115115115115115115北区无内遮阳窗玻璃冷负荷系数0.560.610.640.660.660.630.590.640.640.380.350.32有效面积系数0.950.950.950.950.950.950.950.950.950.950.950.95玻璃窗的遮阳系数0.860.860.860.860.860.860.860.860.860.860.860.86窗内遮阳设施的遮阳系数111111111111窗口面积2076.22076.22076.22076.22076.22076.22076.22076.22076.22076.22076.22076.2天窗日射得热形成的冷负荷109240118994124846128748128748122895115093124846124846741276827562423时间10:0011:0012:0013:0014:0015:0016:0017:0018:0019:0020:0021:00天窗墙冷负荷计算温度的逐时值31.831.631.431.331.231.231.331.431.631.832.132.4天窗墙的地点修正值333333333333外表面放热系数修正值0.970.970.970.970.970.970.970.970.970.970.970.97外表面吸收系数修正值111111111111修正后的逐时值33.75633.56233.36833.27133.17433.17433.27133.36833.56233.75634.04734.338室内计算温度(℃)31.531.531.531.531.531.531.531.531.531.531.531.5天窗墙传热系数0.4770.4770.4770.4770.4770.4770.4770.4770.4770.4770.4770.477天窗墙传热面积(㎡)481.28481.28481.28481.28481.28481.28481.28481.28481.28481.28481.28481.28天窗墙瞬变传热引起的冷负荷(W)517.91473.37428.84406.57384.3384.3406.57428.84473.37517.91584.72651.52表2-12 天窗墙瞬变传热引起的冷负荷355.92561.9×5.752103.516751.973计算式传热量W∕(㎡·K)℃㎡W 墙壁传热系数传热温差传热面积表2-13 西墙壁传热量(按照稳态传热方式计算,温差3℃)35.631.54.11652℃℃W 地面Ⅳ61.9×935756.70.07室内计算温度室内外计算温度差耗热量m㎡W∕㎡·℃℃厂房内部地面属于第四地带划分,查《供热工程》表1-5得出传热系数为0.07W∕㎡·℃,名称及方向面积计算传热系数夏季室外计算温度表2-14 厂房地面夏季传热量-1.324.525.810397地面Ⅳ61.9×935756.70.07室内计算温度室内外计算温度差耗热量m㎡W∕㎡·℃℃℃℃W 名称及方向面积计算传热系数供暖室外计算温度厂房内部地面属于第四地带划分,查《供热工程》表1-5得出传热系数为0.07W∕㎡·℃,表2-15 厂房地面冬季传热量表2-16 维护结构总冷负荷时间10:0011:0012:0013:0014:0015:0016:0017:0018:0019:0020:0021:00东山墙冷负荷438589870119415401821203721882253229622962275西山墙冷负荷7405895034384384815897841064143218642253屋顶冷负荷8548952512780186402612734591437075217159333645416747167797天沟冷负荷7748621157168723653131395647225370584161066136天窗瞬变传热引起的冷负荷16294561749297731107612053120531140210099749245611955天窗日射得热形成的冷负荷109240118994124846128748128748122895115093124846124846741276827562423天窗墙瞬变传热引起的冷负荷518473429407384384407429473518585652西墙壁传热量210421042104210421042104210421042104210421042104厂房地面夏季传热量165216521652165216521652165216521652165216521652维护结构总冷负荷(W)125643139348151833164641174433179113181596200296207194160004154914147245表2-17 细纱车间夏季房屋热损失计算表维护结构名称方向传热面积室内计算温度冬季室外空调计算温度室内外计算温度差传热系数温差修正系数基本热损失耗热量修正修正后耗热量高度附加热损失维护结构总热损失㎡t n t w t n-t w Kα方向x cn风速x f高度热损失Q㎡℃℃℃W∕㎡·KW%%W%W W123456789 101112131415东山墙东113.0924.5-1.325.8 1.9715748 -505460.5 4218.4 5678.9 西山墙西113.0924.5-1.325.8 1.9715748 -505460.5 4218.4 5678.9 屋顶水平5031.6524.5-1.325.80.667186588 0086587.7 43463.5 90051.2 天窗北2076.2324.5-1.325.8 1.569184046 5088248.5 43529.9 91778.5 天窗墙北481.2824.5-1.325.80.47715923 506219.1 4248.8 6467.8 天沟水平528.2424.5-1.325.80.57517836 007836.4 4313.5 8149.9 地板水平5756.724.5-1.325.80.07110397 0010396.6 4415.9 10812.5总计218617.7西安工程大学本科毕业设计(论文)2.4 车间内热源散热量及散湿量工艺设备散热量是纺织厂空调冷负荷的主要来源。