月份产品质量分析报告
- 格式:xls
- 大小:79.00 KB
- 文档页数:8
制造业每月质量分析报告标题:制造业每月质量分析报告一、引言制造业是国民经济的重要组成部分,其产品的质量直接影响到企业的竞争力和市场地位。
为了实现持续改进和优化质量管理,每月制造业质量分析报告的编写和发布,对于企业的发展至关重要。
二、整体质量分析本月制造业整体质量表现良好。
各产品的质量指标在规定范围内,并且与上月相比有所提升。
主要质量指标包括产品合格率、故障率、退货率等。
本月产品合格率为XX%,较上月提高了X个百分点;故障率为X%,相比上月下降了X个百分点;退货率为X%,与上月持平。
三、质量问题分析1.主要质量问题本月主要质量问题集中在XX产品的生产过程中。
通过分析,我们发现该产品在某一工序中存在缺陷导致合格率降低。
我们已经采取措施进行改进,包括增加质量把关环节、强化操作规范以及加强员工培训,以提高产品合格率。
2.质量问题原因分析主要质量问题的产生原因可能是多方面的,包括原材料质量不稳定、工艺设备老化、员工操作不规范等。
我们将深入调查各环节的情况,找出问题根源,并制定相应的解决方案。
四、质量改进措施为了提高整体质量水平,我们将采取以下改进措施:1.对工艺设备进行维护和升级,确保设备正常运转,减少生产过程中的质量问题。
2.加强原材料采购的管理,并与供应商建立长期的合作关系,确保原材料的质量稳定性。
3.加强员工培训,提高员工的操作技能和质量意识,减少人为操作失误导致的质量问题。
4.建立完善的质量管理体系,包括质量检验、质量评估和质量反馈机制等,以及质量责任制度,明确各岗位的质量责任。
五、质量目标与计划1.明确本月的质量目标,包括提高产品合格率至X%,降低故障率至X%,退货率控制在X%以内。
2.制定质量改进计划,包括具体的措施和时间表,确保计划的顺利实施。
六、总结与展望本月制造业质量分析报告综合评估了企业的整体质量水平和主要质量问题,并提出了相应的改进措施和质量目标。
通过持续改进和优化质量管理,我们相信企业的竞争力将得到进一步提升,市场地位将得到巩固。
供应商月度质量分析报告供应商月度质量分析报告一、背景介绍本报告旨在对XX供应商的月度质量表现进行分析,以提供有关该供应商的质量状况和改进措施的建议。
通过深入分析供应商的质量数据,我们可以更好地了解其质量水平,并对追踪质量问题和持续改进提供指导。
二、质量指标分析1. 产品合格率产品合格率是衡量供应商产品是否符合质量标准的重要指标。
根据我们的数据分析,XX供应商的产品合格率在本月表现良好,达到了95%。
然而,与上个月相比,合格率有轻微下降的趋势。
供应商应该密切关注质量控制,确保产品合格率稳定在高水平。
2. 不良品率不良品率是衡量供应商产品质量问题的指标。
本月,XX供应商的不良品率为5%。
尽管这一水平还是符合质量标准,但不良品率的下降可以使供应商提高产品质量。
供应商应该加强对原材料的检验和质量控制过程的监管,以降低不良品率。
3. 交货期准时率交货期准时率是衡量供应商交货能力的重要指标。
根据我们的分析,XX供应商的交货期准时率为90%。
虽然这一水平还是比较高的,但有时会出现偶尔的延迟交货情况。
供应商应该与我们保持良好的沟通,并提前预警可能发生的交货延迟,以确保我们的生产计划不受影响。
4. 售后服务质量售后服务质量是衡量供应商服务水平的重要指标。
根据我们的分析,XX供应商在售后服务方面表现良好,客户满意度较高。
然而,我们还是建议供应商进一步加强现场技术支持和解决问题的能力,以提升售后服务质量。
三、改进措施建议1. 强化原材料检验供应商应加强对原材料的质量检验,确保每批原材料的质量符合标准。
建立完善的质量控制流程,并配备适当的检验设备,以提高产品质量和合格率。
2. 完善质量控制过程供应商应加强质量控制过程的监管,确保每一道工序都符合质量要求。
定期对生产线进行检查和调整,及时发现和解决质量问题,防止不良品产生。
3. 加强交流与协作供应商应加强与我们的沟通和协作,及时提供可能影响交货期的信息,并积极配合我们的生产计划。
每月质量分析报告每月质量分析报告为了确保产品质量的稳定和持续改进,我们每个月都进行质量分析报告。
在这份报告中,我们将对本月的质量数据和相关问题进行分析,并提出改进措施。
以下是本月的质量分析报告。
一、质量数据分析1. 产品质量数据本月,我们生产了共计10000个产品,其中合格品的数量是9000个,不合格品的数量是1000个。
我们对不合格品进行了统计并分类分析,结果如下:- 产品A不合格品数量:500个- 产品B不合格品数量:200个- 产品C不合格品数量:300个2. 客户投诉数据本月,我们收到了10个客户投诉,涉及以下问题:- 产品外观有瑕疵:4个投诉- 产品功能不符:3个投诉- 产品配送延迟:2个投诉- 产品使用寿命短:1个投诉二、问题分析1. 外观不合格问题外观不合格问题主要集中在产品A,导致客户投诉和产品退货率上升。
我们初步分析认为可能是生产过程中出现了某个环节的误操作,造成产品外观不满足规定的质量标准。
我们将对生产线进行检查,并加强对员工的培训和监督,确保生产过程的操作准确无误。
2. 功能不符问题功能不符问题主要发生在产品C上。
经过对问题产品的分析,我们发现在生产过程中可能存在关键零件的质量问题,导致产品功能不符合要求。
我们将与供应商沟通,要求他们提供符合规定的零件,并加强对零件的抽检工作,以确保其质量。
3. 配送延迟问题配送延迟可能是由于物流部门的工作流程不够高效,导致产品无法按时送达客户。
我们将与物流部门进行沟通,并优化配送流程,提高送货效率,减少延迟的可能性。
4. 使用寿命短问题产品使用寿命短问题可能与产品设计和材料选择有关。
我们将组织跨部门的讨论和研讨会,找出使用寿命短的原因,并加强产品设计和材料选择的质量控制,以提高产品的使用寿命。
三、改进措施基于以上问题分析,我们提出以下改进措施:1. 加强员工培训和监督,确保产品外观质量满足要求。
2. 与供应商沟通,要求提供符合规定的关键零部件,并加强对零部件的质量控制。
产品质量问题分析报告一、引言产品质量是一个企业最为关注的问题之一,也是消费者最关心的因素之一。
质量问题不仅会影响企业的声誉与形象,还会直接影响消费者对产品的购买决策。
本报告针对公司生产的某一款产品在市场上出现的质量问题进行分析,并提出解决方案,希望能够帮助企业找出问题的根源,提升产品质量,满足消费者的需求和期望。
二、产品质量问题描述针对该产品的质量问题,我们进行了大量的调查和研究,综合了消费者的反馈和实地考察结果,得出以下的问题描述:1. 外观质量问题:该产品存在着外观缺陷,如颜色不均匀、划痕、瑕疵等,影响了产品的整体美观度。
2. 功能性问题:部分产品在使用过程中出现了功能失效的情况,无法正常进行操作,降低了产品的可用性。
3. 耐久性问题:经过一段时间的使用,部分产品出现了易损耗的情况,如材料开裂、零件脱落等,影响了产品的使用寿命和耐用度。
三、问题原因分析对于以上的问题,我们通过对产品生产过程和材料质量进行调查和分析,初步找出了导致问题发生的原因:1. 生产工艺不完善:在产品生产过程中,存在工艺不规范、设备老化等问题,导致产品出现缺陷和不良现象。
2. 材料质量不过关:部分供应商提供的原材料存在质量问题,或者在运输过程中受到损坏,进而影响了产品的质量。
3. 质量管理体系薄弱:企业的质量管理体系存在一定缺陷,没有建立健全的检测机制和质量控制流程,导致问题产品无法及时发现和剔除。
四、解决方案针对以上的问题原因,我们提出了以下的解决方案,以期能够改进产品质量,提升企业的竞争力:1. 强化生产工艺管理:对生产工艺进行优化,制定标准作业流程,加强设备的维护和更新,确保产品在生产过程中能够按照要求进行加工,降低缺陷率。
2. 优化供应链管理:与供应商进行沟通,确保原材料的质量,加强对原材料的检验和把关,确保材料能够达到产品的要求。
3. 建立完善的质量管理体系:健全产品的质量控制流程,建立有效的检测机制,及时发现问题产品,并及时采取措施,防止问题产品流入市场,保证产品质量的稳定性。
月度产品质量分析报告x范文(13篇)(实用版)编制人:__________________审核人:__________________审批人:__________________编制单位:__________________编制时间:____年____月____日序言下载提示:该文档是本店铺精心编制而成的,希望大家下载后,能够帮助大家解决实际问题。
文档下载后可定制修改,请根据实际需要进行调整和使用,谢谢!并且,本店铺为大家提供各种类型的实用资料,如工作总结、工作报告、党团范文、工作计划、演讲稿、活动总结、行政公文、文秘知识、作文大全、其他资料等等,想了解不同资料格式和写法,敬请关注!Download tips: This document is carefully compiled by this editor.I hope that after you download it, it can help you solve practical problems. The document can be customized and modified after downloading, please adjust and use it according to actual needs, thank you!Moreover, our store provides various types of practical materials for everyone, such as work summaries, work reports, Party and Youth League model essays, work plans, speeches, activity summaries, administrative documents, secretarial knowledge, essay summaries, and other materials. If you want to learn about different data formats and writing methods, please stay tuned!月度产品质量分析报告x范文(13篇)通过编写报告范文,我们可以展示自己的专业知识和研究能力,增加自信心和职业竞争力。
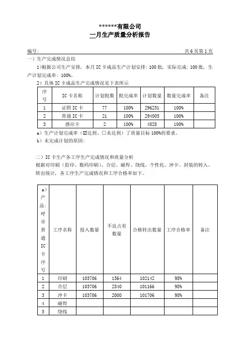
******有限公司一月生产质量分析报告编号: 共6页第1页一)生产完成情况总结1)根据公司生产安排, 本月IC卡成品生产计划安排: 100批, 实际完成: 100批, 生产计划完成率: 100%。
a)生产计划完成率( 达到、□未达到)了质量目标100%的要求。
b)未完成计划的原因:二)IC卡生产各工序生产完成情况和质量分析根据对印刷(胶印、数码印刷)、合层、碰焊、绕线、个性化、冲卡、封装的转入、转出统计, 各工序生产完成情况和工序合格率如下。
*****有限公司二月生产质量分析报告编号: 共6页第2页*****有限公司一月生产质量分析报告编号: 共6页第3页d)IC卡生产综合损耗率三)IC卡成品缺陷质量分析3)柏拉图分析其中: 频数累计a代表: 冲卡不良数(次)(%)b代表: 印刷不良数c代表: 合成不良数 6d代表: 毛尘不良 32 1a b c d 其他*****有限公司一月生产质量分析报告编号: 共6页第4页4)通过上述对不合格品的缺陷分类分析, 本月产品不良的主要缺陷为:冲卡不良和印刷不良对不合格品的主要缺陷进行从: 人、机、料、法、环等五个方面分析原因, 主要是: 冲卡方面和印刷方面的原因。
具体见如下: 因果分析图:a)冲卡不良原因分析(使用材料( 是、□否)( 是、□否)有人员岗位( 是、□否)编制作业指导书与规定一致任职要求材料人员方法通过上述分析, 造成XX不良的主要原因是: 现场((有、□无)----合成变形, 对位不准, 冲卡模具没有及时调整导致。
----新员工作业*****有限公司一月生产质量分析报告编号: 共6页第5页b)印刷不良原因分析环境设备(使用材料( 是、□否)( 是、□否)有人员岗位( 是、□否)编制作业指导书与规定一致任职要求材料人员方法通过上述分析, 造成XX不良的主要原因是:----套位不准----色差四)改进措施请针对造成不良的主要不良提出对应的改进措施。
产品质量分析报告范文4篇产品质量分析报告范文1:报告标题:产品质量分析报告报告编号:XXXXXX报告日期:XXXX年XX月XX日1. 概述本报告旨在对产品质量进行全面分析,评估产品的设计、制造过程中存在的问题,并提出改进建议,旨在不断提升产品的质量水平。
2. 产品信息产品名称:XXXX产品生产厂家:XXXX公司生产日期:XXXX年XX月XX日3. 产品外观质量分析根据对产品外观的检查和观察,发现以下问题:a) 外观缺陷:部分产品存在划痕、凹槽等外观缺陷,影响整体美观度。
b) 色差:部分产品在颜色上存在明显的差异,与产品样本不符。
4. 产品性能质量分析根据对产品性能的测试和评估,发现以下问题:a) 功能异常:部分产品在使用过程中出现功能异常,无法正常工作。
b) 性能指标不达标:部分产品在关键性能指标上未能达到设计要求。
5. 生产工艺分析对产品的生产工艺进行分析,发现以下问题:a) 工艺流程不合理:生产过程中存在环节繁杂、工序重复等问题,导致生产效率低下。
b) 质量控制不严格:生产过程中存在材料混乱、工艺参数调整不及时等问题,导致产品质量波动较大。
6. 原材料分析对产品使用的原材料进行分析,发现以下问题:a) 原材料供应不稳定:部分原材料的供应商存在不稳定性,导致产品批次之间的质量差异较大。
b) 原材料选用不合理:部分原材料的性能不符合产品设计要求,影响产品质量。
7. 改进建议基于以上分析,针对产品质量存在的问题,提出以下改进建议:a) 强化生产工艺控制,优化工艺流程,提高产品生产效率和稳定性。
b) 加强供应链管理,与稳定可靠的供应商合作,确保原材料质量的稳定性。
c) 加强质量管控体系,建立严格的质量检测标准和流程,确保产品质量符合设计要求。
d) 完善售后服务体系,及时响应客户投诉并解决问题,提升产品品牌形象和用户满意度。
8. 结论本报告对产品质量进行了全面分析,发现了产品设计、生产工艺、原材料等方面存在的问题,并提出了相应的改进建议。
产品质量分析报告(精选6篇)产品质量分析报告(精选6篇)报告是指向上级机关汇报本单位、本部门、本地区工作情况、做法、经验以及问题的报告。
下面是给大家整理的产品质量分析报告(精选6篇),欢迎大家借鉴与参考,希望对大家有所帮助。
产品质量分析报告篇1市质监局:上半年,在市局党组和县委、县政府的坚强领导下,按照“抓质量、保安全、促发展、强质检”总要求,紧紧围绕打造“中国箫笛名城、新型工业重镇、黔东经济发展极”的奋斗目标,深入贯彻落实国务院《质量发展纲要(20xx—2020)》、省人民政府《关于贯彻落实《质量发展纲要(20xx-20xx年)》全面推进质量兴省工作的意见》和市人民政府《关于印发《铜仁市全面推进质量兴市工作实施意见》的通知》(铜府发〔20xx〕19号)文件精神,认真履行质监职能,扎实开展产品质量监管工作。
现将上半年质量监督与管理的有关情景分析如下:一、基本情景(一)工业产品方面目前,全县共有工业产品生产企业(小作坊)56家,涉及的产品主要为建筑模板、水泥、肥料、烧结砖、眼镜和硫酸、棉絮制品、冶金、混凝土输水管、透水砖、家私、塑胶管等,其中属于工业产品许可证产品目录内的生产企业7家,现获证企业7家。
上半年,我县共完成8类11家企业16个批次产品的抽样工作,合格11个批次产品,不合格3个批次产品,2个批次产品正在检验中,合格率79%,同比上升23个百分点。
(二)食品安全方面目前,我县共有食品生产企业(小作坊)59家,涉及的产品主要为白酒、大米、植物油、豆腐、面条、糕点、酱腌菜、米粉、酱油及醋、饮用水、肉制品和雪菜等,其中获证企业10家,生产许可证11张。
上半年,共抽取县内46家企业及小作坊产品抽检样品76批次,其中合格72批次,其中包括两个委托检验样品,不合格4批次,合格率为95%。
(三)特种设备监察方面截止6月25日,全县共有特种设备使用单位52家,特种设备总数205台,比20xx年增加17台,增长8.3%。
来料月度质量分析报告标题:2021年X公司五月份产品质量分析报告一、引言2021年X公司五月份是我们产品质量分析的重要时间节点。
本报告旨在对公司五月份产品质量情况进行全面分析,以便了解产品质量的整体状况,找出问题所在,并提出改进措施,确保产品质量持续提升。
二、数据概览五月份共生产产品X1000台,其中一级品率为95.8%,次品率为4.2%。
在向市场交付的500台产品中,消费者投诉率为2%,退货率为1%。
三、质量问题分析1.质量缺陷类型根据产品质检数据统计,五月份主要的质量问题类型包括外观缺陷、电器故障和包装破损。
其中外观缺陷占比最大,达到了50%,电器故障和包装破损占比分别为30%和20%。
2.质量缺陷原因通过对五月份质量问题进行细致分析,我们找到了一些常见的质量缺陷原因。
(1) 外观缺陷:主要由于生产过程中没有严格执行质量标准,人工操作失误导致。
(2) 电器故障:主要由于零部件质量不达标,导致设备故障或者不稳定。
(3) 包装破损:主要由于包装材料质量不足,或者包装过程中的挤压和碰撞等操作不当导致。
四、改进措施为了提升产品质量,减少质量缺陷,我们提出以下改进措施:1. 强化质量标准:加强对生产过程中的质量标准执行,对外观和电器质量等关键环节进行详细的规定,确保每一道工序操作达到标准。
2. 优化供应链管理:与供应商建立更加紧密的合作关系,提前沟通需求,确保零部件的质量可控,以减少因零部件质量问题而导致的产品故障。
3. 加强包装过程管理:加强对包装过程的监督和培训,提高员工的包装技术和意识,减少因包装破损导致的质量问题。
五、效果评估我们将持续跟踪改进措施的落实情况,并进行定期评估。
预计在未来几个月内,产品质量将会有显著的提升。
通过改进措施的执行,我们预计一级品率将提升至98%,次品率将下降至2%以下。
六、结论通过本次产品质量分析报告,我们对五月份产品质量情况作出了全面的分析,并提出了改进措施。
我们相信,通过持续改进和创新,我们能够进一步提升产品质量,满足客户的需求,提升企业竞争力。
产品质量问题分析报告(工作汇报模板)一、引言本报告旨在分析公司产品的质量问题,并提供具体解决方案,以确保产品质量达到最高水平。
通过本报告,可以清楚地了解产品质量问题的根本原因,并采取相应的措施来改善产品质量。
二、问题描述近期,我们公司的产品质量出现了一些问题,主要集中在以下几个方面:1. 设计问题:部分产品存在设计缺陷,导致使用时出现故障或不稳定的情况。
2. 制造问题:在生产过程中,存在一些制造问题,例如材料选用不当、工艺不规范等,导致产品质量下降。
3. 测试问题:在产品测试过程中,存在一些遗漏或不完善的地方,导致隐患无法及时被发现。
三、分析和原因经过对产品质量问题的深入分析,我们得出以下结论:1. 设计问题:设计问题主要是由于我们在产品设计阶段没有充分考虑用户需求和使用场景所导致。
此外,设计团队之间的沟通不足也是导致设计问题的一个原因。
2. 制造问题:制造问题主要是由于生产线上存在工艺漏洞以及生产人员对产品质量的控制不严所导致。
此外,材料供应商的质量控制体系也有待改进。
3. 测试问题:测试问题主要是由于我们的测试流程不够完善,没有覆盖到所有潜在的问题。
此外,测试人员对产品质量的要求和标准没有形成统一的共识。
四、解决方案为了解决产品质量问题,我们制定了以下解决方案:1. 设计问题的解决方案:a. 加强市场调研,了解用户需求,确保产品设计符合市场需求。
b. 设立设计评审会议,确保设计团队之间的沟通和协作。
c. 引入用户体验设计,将用户的意见和反馈融入产品设计过程。
2. 制造问题的解决方案:a. 完善生产工艺,消除工艺漏洞,确保产品的稳定性和耐用性。
b. 建立严格的质量控制体系,包括材料质量检测和生产过程中的抽样检验。
c. 加强供应商管理,确保供应商提供优质的原材料和零部件。
3. 测试问题的解决方案:a. 优化测试流程,确保所有潜在问题都能被发现和解决。
b. 建立明确的产品质量标准和测试要求,确保测试人员能够以同样的标准进行测试。
产品质量分析报告15篇产品质量分析报告15篇产品质量分析报告1一、基本情景1、2023年, 我局对化工产品、装饰材料(木质门)、建材等产品质量开展了监督抽查委托检验。
共监督抽查了80家企业, 抽检样品86个批次, 样品合格78个。
不合格8个, 合格率91%。
2、名牌产品质量状况。
我县现有陕西省名牌产品7个, 名牌产品生产企业共6个。
其中农产品生产企业1家、建材企业类2家、食品类企业1家、酒类生产企业1家、皮革、毛皮、羽毛(绒)及其制品类生产企业1家。
我县6家陕西省名牌企业都建立并经过了__质量体系认证, 产品的保障本事较强, 在历次名牌产品监督抽查中, 产品的合格率均为100%。
我县名牌产品企业以产品质量好、产品市场占有率高、企业社会信用度高赢得了市场, 取得了好的效益, 拉动了我县经济的发展。
3、地理标志保护产品质量状况近年来, 我局紧紧围绕县委、县政府中心工作, 始终坚持生态资源产业化、特色产业地域化的思路, 以推进地方经济持续健康增长农村稳定、农业增收、农民致富为目标, 立足资源优势, 突出区域特色, 深挖潜力, 开展地理标志产品保护工作, 走出了一条拓展地方产品特色的发展之路。
截至目前, 我县已成功向国家质检总局申报并获批了靖边小米、靖边苦荞、靖边土豆、靖边羊肉4个国家地理标志保护产品;与此同时还制定了相关标准, 对原料、生产设备、生产工艺、生产地域、质量要求进行了严格规范, 保证了地标产品应有的特色品质。
2023年对获准使用地理标志保护产品生产企业进行监督检查, 抽检地理标志保护产品6个批次, 产品的合格率均为100%。
二、抽查产品类别共性质量问题:根据以上情景综合分析, 我县建材生产企业是产品质量监管的重点, 也是急待解决整顿的重要资料, 因为这些产品直接关系到地方基础设施建设, 关系到社会大型建筑国家人民的生命财产安全。
重点是要加强生产企业的质量控制管理, 异常是要加强对产品的定期监督检验质量抽查, 以确保产品出厂检验合格, 并对存在的质量问题, 帮忙企业分析存在的原因, 制定整改方案改善措施, 指导引导企业规范生产经营, 全面提高我县的建材产品质量管理水平。
产品质量反思报告_产品质量问题分析反思产品质量是指产品符合技术标准和用户需求的程度,对质量工作的反思报告该怎么写呢。
下面店铺为大家整理了产品质量反思报告,欢迎参考。
产品质量反思报告篇一回顾10全年的工作,我们车间以围绕安全生产、保质保量完成生产任务为前提主要做了以下几方面的工作:1、合理调整劳动组合确保完成生产任务在生产工作中包装车间根据生产科的生产计划安排,为了确保生产计划的顺利完成,特别是在旺季生产的时期,充分调动生产技术骨干和员工的积极性,在劳资部门和生产科的积极支持下合理招收短期合同工,合理调整劳动力、有效利用工作时间。
通过车间。
工段长和各班组长的积极配合努力,本年度1-10月车间完成了公司及生产科下达的生产任务,及各项生产质量技术指标。
保证了销售的供货需求。
2、严把质量关1、车间在生产过程中各班组对自己的产品负有主人翁的责任感,对产品的质量有高度的认识。
本着对消费者负责和对公司利益负责的精神,严格按生产工艺要求严格把好质量关,不管是工段长。
班组长对自己所包装的成品负责,配合检验员层层把关,有效的杜绝不合格的产品流入下道工序,保证了产品质量,降低了生产成本,提高了产品的市场竞争力。
2、在生产旺季到来以前车间配合质管和其他部门对净化间进行了管理提升,增加了专用擦手毛巾以及专用消毒喷雾机和专用消毒液。
对车间员工进行质量的意识教育,做到自觉遵守规则,人人自觉消毒。
更进一步加强了净化间的管理有效地阻止细菌产生。
保证产成品的无菌入库率为100%。
3、在新产品的试制和产品的生产过程中,在操作技术都不建全的情况下,车间本作对产品质量和产品销售负责地太度积极地配合质管以及相关部门反复摸索,成功地完成了新产品地试制和生产。
在批量生产的过程中车间将继续不断地摸索,提高,逐步规范适应今后各种新产品的产生。
3、安全生产1、包装车间在08年生产过程中认真宣传贯彻公司的各项规章制度,严格执行安全生产条例,严格按操作规程进行操作。
产品封口不严质量分析报告日期: 2022年5月10日1. 引言本报告旨在分析产品设计中出现的封口不严质量问题,并提出改进建议。
通过深入的质量分析,我们将识别问题的原因,并提供解决方案以提高产品质量。
2. 原因分析2.1 封口不严问题在质量检查过程中,我们发现该产品的封口质量不达标,存在以下问题:- 封口处存在明显的缝隙- 封口部分易于松动- 封口处易于破裂这些问题严重影响了产品的密封性和保质期。
封口不严导致包装内的产品暴露在外界环境中,可能会受到污染、氧化或者其他不利因素的影响,从而降低产品的品质。
2.2 原因分析经过调查和分析,我们发现封口不严问题主要源于以下几个方面:2.2.1 设计缺陷产品设计中的封口结构存在缺陷,导致封口部分无法完全密封。
设计中可能存在的问题包括:- 封口结构不合理,无法有效地将包装材料密封住- 封口部位设计薄弱,容易被拉伸或破裂- 封口部位的尺寸不准确,无法确保紧密贴合2.2.2 生产工艺问题生产过程中的工艺问题也可能导致封口不严。
可能的原因包括:- 温度控制不精确,无法确保封口材料的完全熔融- 压力控制不准确,导致封口部位无法充分压实- 封口工艺操作不规范,造成封口质量不稳定2.2.3 材料选择不当产品封口质量还与所选材料有关。
可能的问题包括:- 材料强度不足,无法承受包装中的压力或拉伸- 材料的熔点过低,导致封口时无法完全熔化- 材料的可塑性不够,无法与其他部分有效地粘合3. 解决方案3.1 优化设计在产品设计阶段,我们建议进行以下改进:- 重新审视封口结构,确保其合理性和可靠性- 加强封口部位的设计加固,提高其承载能力- 精确测量和调整封口部位的尺寸,以确保紧密贴合3.2 改进生产工艺改进生产工艺以提高封口质量的稳定性和一致性:- 精确控制封口温度,确保材料完全熔化并与底部粘合- 优化封口压力,确保封口处无明显缺陷- 建立规范的封口工艺操作指导,确保操作的一致性和可追溯性3.3 优化材料选择选择合适的材料以提高封口质量和可靠性:- 选择高强度的材料,提高封口部位的抗拉伸能力- 选择熔点适宜的材料,确保封口过程中能够完全熔化- 选择具有良好可塑性的材料,提高粘合能力4. 结论本报告对产品封口不严的质量问题进行了分析,并给出了相应的改进方案。
产品质量状况分析报告篇一:质量现状调查分析报告质量现状调查分析报告抓质量工作,为什么总抓不出成效?原因:治标不治本。
现实中,我们都知道抓产品质量的重要性,也确实下了较大的力气来抓;但是,十有八九的做法是治标不治本。
强调“以罚代管”,即在产品质量出了问题后,对有关部门的责任人进行处罚,希望通过杀一儆百,发挥威慑作用。
有时片面地认为抓产品的质量,产品出了质量事故,追究责任只能追究技术部门和质量部门的责任,生产部或其他部门把责任推卸的很一干二净。
事实证明,这样的认识是偏颇的,无法从根本上解决问题。
抓产品的质量工作,必须从几个方面上抓起,治标更要治本(人、机、料、法、环五个方面阐述):一、设备及工装器具管理(机):设备和工装器具是保证工序生产符合产品质量要求的重要条件,对于确保工序质量起关键性的作用,其精度的保持性,稳定性及可靠性会直接影响加工质量特性的波动幅度。
因此我们必须要有完好的设备。
这需要我们的每一位员工按规定做好设备维护保养,要定期检测设备的关键精度和性能。
在设备维护保养制度中,强调设备关键部位日点检制度,严格按操作规程作业。
目前公司没有形成良好保养机制,基本都是应付检查,在表面上下功夫,故生产部需要从上至下的彻底整改。
二、产品过程质量管理和物料管理(环、料)平时不重视质量管理过程中的控制,比如对员工进行质量知识的培训、原材料采购的把关、技术研发的把关、制造现场管理的把关,而是热衷于以罚代管,在出现质量事故后对有关责任人进行“秋后算账”,这样做实际上得不偿失。
公司抓质量工作,首先应该抓好制造过程的每一个环节,尤其是要防患于未然。
如果等到产品质量出了问题再去采取补救措施,不仅要付出额外的成本,还会严重损害公司的形象,吓跑潜在的市场。
加强质量管理的过程控制,不单是在产品的制造过程加强质量控制,而是要将此延伸到制造的上下游环节。
比如对原材料采购、技术研发、物流、售后服务等环节进行控制。
实践表明,产品质量事故的酿成,主要是由于技术研发不过关、原材料不合格、生产基层质量管理混乱造成的。
广东大福摩托车有限公司()月份质量例会报告编号:DF\YZLBG2012.8编制:审核/日期:抄报:董事长抄送:总经办、整车事业部、发动机事业部、国内销售部2012年质量方针目标质量方针:一切为了用户一切为了质量质量目标:成品一次交验合格率≥95%,售后服务顾客满意率≥85%,并逐年提升。
年度质量目标:1、质量管理体系通过监督审核2、成品一次交验合格率≥95%3、供应商年度评审覆盖率100%4、配套件进货检验合格率≥95%5、产品质量抽查合格率≥98%6、客户投诉率≤3%7、培训计划完成率≥95%目录1、月每周四抽车篇1.1、周四抽车情况一览表2、进货篇2.1、进货交验不合格统计表2.2、不合格品评审处置汇总表3、过程篇3.1、2012年8月份成品一次合格率3.2、整车检验质量问题汇总统计表3.3、内部废品损失统计3.4、内部投诉汇总分析4、售后及销售投诉篇4.1、售后及销售主要质量问题投诉处理5、总结1.1、周四抽车情况一览表2012年08月2日序号车型发现的问题原因分析整改措施1铃木王脚刹踏板安装没到位调整、规范安装2 闪光器固定胶没安装安装固定胶、规范安装3 轮胎的气嘴没对准标识安装调整、规范安装4铃木太子消声器尾部生锈更换、加强检查5 左车罩安装没到位调整、规范安装6 化油器怠速低,易死火装配时由生产部负责调气门2012年8月9日7福爽发动机启动杆与脚刹踏板干涉车架厂家是正泰的,多次发生车架生锈质量问题调整启动杆状态8 车架生锈线上装配问题补漆、反馈厂家要求整改9 车头喇叭线没扎好化油器没调(老问题、每次抽查都有)加强检查、加强线上工作人员的质量意识10 怠速低,易死火发动机质检和生产部协调,把负责调气门的工作安排到位调整、生产部要认真落实好工作11 发动机气门紧调整、确定12赛驰三代难起动,无怠速气门紧调整13 后挡泥板装歪后挡泥板装歪情况比较严重调整、加强检查、加强线上工作人员的质量意识14 后牌照支架装歪调整、加强检查,检具尽快到位(质检)2012年8月16日15福爽发动机启动杆与脚刹踏板干涉调整启动杆状态16 左后减震螺栓没打紧线上装配问题拧紧、加强线上工作人员的质量意识17 排气管尾部有锈迹补漆、加强检查2012年8月23日五羊后货架尾部偏高车架变形调整后轮胎摆动厉害装胎的时候充气气压不够,造成轮胎没有充到位加强检查、装胎涂硅油天剑货架严重生锈变形造成爆漆补漆、加强检查本田王双缸油门线总长偏短重新定尺寸脚刹踏板螺栓打不到位踏板轴与三角板匹配问题协调改进后尾罩跟右侧盖间隙太大协调改进2.1进货交验不合格统计表 日期:8月1日至25日厂家 不合格批次占总不合格比例里水飞腾 16 19% 富力达 8 9% 石肯 6 7% 涛鸿 6 7% 飞帆实业 6 7% 金瑞 5 6% 里水穗杰 4 5% 富井 4 5% 其他 31 35% 合计86100%不合格比例里水飞腾,19%富力达,9%石肯, 7%涛鸿, 7%飞帆实业,7%金瑞, 6%里水穗杰,5%富井, 5%其他, 35%以上数据表明供应商里水飞腾、富力达不合格批次居多,建议质检部加大其供应商的检测力度和检验频次并要求厂家整改产品质量,同时建议采购部尽量减少富力达拉索的采购计划。
产品质量分析报告篇一:产品质量分析报告篇二:产品质量分析报告质量分析报告一、采购原材料质量检验情况从入库抽检情况下看,材料外观数量、性能指标符合产品自身要求,指标见质保书。
二、产品过程检验情况在生产过程中,操作者按产品工艺进行生产并进行自检,质检员进行过程抽检,过程检验中发现的问题统计如下:三成品无不合格品出现说明:表1、中的不良品是指可以重新加工的产品。
表3中标注“*”的不良品是让步接收的产品。
“不良品”:指表面有些小缺陷,顾客同意可按合格品接受的产品,所以仍可以进行生产或可以让步接收,让步接收的产品单独包装并标识。
四、质量过程检验分析表1:R-28多功能缓蚀剂①返工2件由于操作工在整形过程中对工艺要求认识不清,搅拌时间未达到要求,需要重新加工,加工后全数检验,合格后流入下道工序;Z-18催化分子筛抗焦活化剂①1件返工是由于操作工在整形过程中对工艺要求认识不清,搅拌时间未达到要求,需要重新加工,加工后全数检验,合格后流入下道工序表2:上述分析统计后用因果图表示如下:表2不良品、返工品、工废品因果分析图五、质量改进与纠正措施1、从表2中可以看出造成不良品、返工、工废品的原因,关键在于人,所以加强员工的质量意识教育,对员工操作技能进行培训,提高其操作技能。
2、统一工艺标准,建议强化各种工件工序指导书的学习,有利于员工按工序指导书操作。
3、加强现场管理,对不良品、工废品、返工品标识要尽快建立并实施;产品按“先进先出、定置定量”的原则实施,有利于产品质量可追溯性的顺利进行。
质量部 2021.4.8篇三:产品质量分析报告模板产品质量分析及节能降耗报告一、传感器产品质量概况(一)监督抽查情况1、国家监督质量抽查情况(1)国家监督抽查合格率格率数据。
附图:将本地区国抽合格率以柱状图的形式与上季度或往年同期排列比较。
(2)国家监督抽查合格率分布情况说明:本节需采集本地区本季度按产品分类的国抽合格率,并以合格率的8个区间(分别是合格率为100%、90~99%、80~90%、70~80%、60~70%、50~60%、30~50%、 30%)来统计抽查产品的比率。