地下室外墙设计计算书(附配筋图)
- 格式:docx
- 大小:178.69 KB
- 文档页数:26
WQ1计算书条件:1、土质参数:容重γ=18kN/mm ,浮容重γ` = 11kN/mm ,静止土压力系数K=0.50,地下水位设防高度为4400mm;2、地下室参数:覆土层厚h1=800mm,地下室侧墙计算跨度Lo=3400mm,临水面保护层为50mm;地面堆载q=10kN/mm ,侧壁厚度d=285mm,截面有效高度ho=235mm3、材料参数:混凝土强度等级为C35,fc=16.7 N/mm ,钢筋抗拉强度为fy=360N/mm ;挡土墙荷载工况示意图计算:1、荷载计算,土压力按静止土压力计算[《全国民用建筑工程设计技术措施》2.6.2] 堆载折算为土压力q1=K×q=0.50×10=5.00kN/mm地下水位以上土压力q2=K×γ×h1=0.50×18×0.80=7.20kN/mm地下水位以下土压力q3=K×γ`×(h2 + h3)=0.50×11×(1.00+3.40)=24.20kN/mm水压力q4=γw×(h2 + h3)=10×(1.00+3.40)=44.00kN/mm2、支座弯距计算,按单向板底端固定顶端简支计算,查静力计算手册m1=q1×Lo /8=5.00×3.4 /8=7.23kN.mm2=q2×Lo /15=7.20×3.4 /15=5.55kN.mm3=q1×Lo /15=24.20×3.4 /15=18.65kN.mm4=q1×Lo /8=44.00×3.4 /15=33.91kN.m3、强度计算:土压力及水压力均按恒载考虑,[《全国民用建筑工程设计技术措施》2.6.2],按支座调幅0.8计算m=0.8×1.35×(m1+m2+m3+m4)=70.56kN.mξb=0.8÷{1+360÷[20000×(0.0033-<30-50>×0.00001)]}=0.5283 《砼》规公式7.1.4x=ho-√(ho -2×m/α1/fc/b)=235-√(235-2×70.559928×1000000/1/14.3/1000)=22.03mm<ξb×ho=124.15mmAs=α1×fc×b×x/fy=1×14.3×1000×22.03/360=875mm ,根部实配 12@75,As=1508,承载力满足要求。
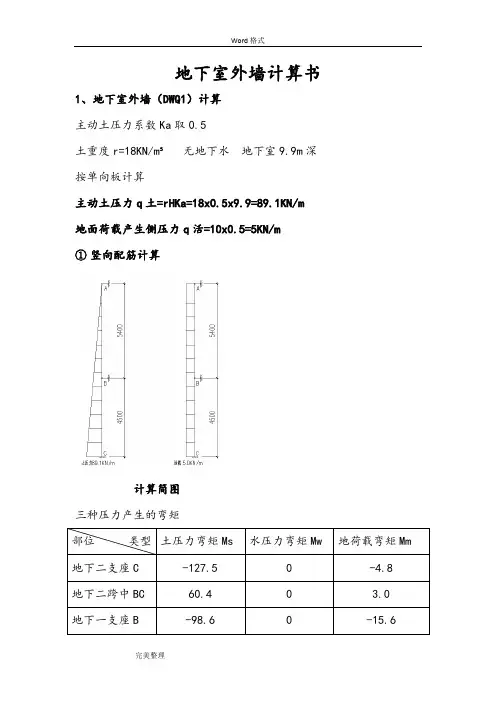
地下室外墙计算书1、地下室外墙(DWQ1)计算主动土压力系数Ka取0.5土重度r=18KN/m³无地下水地下室9.9m深按单向板计算主动土压力q土=rHKa=18x0.5x9.9=89.1KN/m 地面荷载产生侧压力q活=10x0.5=5KN/m①竖向配筋计算计算简图三种压力产生的弯矩①地下二层弯矩支座基本组合弯矩值=(Ms+Mw)x1.27+1.4xMm=168.6KN·m支座准永久组合弯矩值=Ms+Mw+0.5Mm=129.9 KN·m跨中基本组合弯矩值=(Ms+Mw)x1.27+1.4xMm=81N·m跨中准永久组合弯矩值=Ms+Mw+0.5Mm=61.9KN·m②地下一层弯矩支座基本组合弯矩值=(Ms+Mw)x1.27+1.4xMm=147.1KN·m支座准永久组合弯矩值=Ms+Mw+0.5Mm=106.4KN·m跨中基本组合弯矩值=(Ms+Mw)x1.27+1.4xMm=67.2N·m跨中准永久组合弯矩值=Ms+Mw+0.5Mm=46.2KN·m假设壁厚地下二h2=350,地下一h1=300,混凝土强度C35(1)地下二层配筋地下室外墙外侧查表可知选筋C16@100的裂缝(0.20mm)和承载力弯矩分别为134.76KN·m、233.2KN·m,大于支座计算准永久弯矩129.9KN·m和基本组合弯矩168.6KN·m,满足要求。
且配筋率0.574%,合适。
地下室外墙内侧侧查表可知选筋C12@100的裂缝(0.20mm)和承载力弯矩分别为91.61KN·m、122.1KN·m,大于支座计算准永久弯矩61.9KN·m和基本组合弯矩81KN·m,满足要求。
且配筋率0.323%,合适。
∴外侧钢筋选配C16@100 As=2011mm²/m内侧钢筋选配C12@100 As=1131mm²/m(2)地下一层配筋地下室外墙外侧查表可知选筋C16@100的裂缝(0.20mm)和承载力弯矩分别为112.72KN·m、175.1KN·m,大于支座计算准永久弯矩106.4KN·m和基本组合弯矩147.1KN·m,满足要求。
地下室外墙计算书(纯手算)地下室外墙计算书(纯手算)1. 引言地下室外墙是建造结构中重要的承重构件,承担着保护建造物免受地下水侵蚀和提供结构稳定性等重要功能。
本文档旨在提供一个详细的地下室外墙计算书模板,以供参考和使用。
2. 基本信息在开始进行地下室外墙计算之前,需要先了解以下基本信息:- 建造物的总重和地下室外墙所需承受的荷载- 地下室墙的材料性质和尺寸- 相关地质勘察数据和地下水位信息3. 水压力计算地下室外墙面临的主要荷载是来自地下水的水压力。
水压力的计算可基于以下公式:P = γ × H × K × B其中,P为水压力,γ为水的单位分量,H为有效水深,K为地下室墙面的系数,B为墙面宽度。
4. 土压力计算除了水压力外,地下室外墙还需要承受土压力。
根据土壤的性质和墙体几何形状,可以使用不同的公式进行土压力计算,如库楔法、摩尔—库伦法等。
5. 配筋设计地下室外墙普通需要配置钢筋以增加其抗压和抗弯强度。
钢筋的选择和布置需符合相关设计规范,并根据地下室外墙所需的抗风、抗震等能力进行合理设计。
6. 梁柱设计地下室外墙与地下室的梁柱连接处需要设计合理的结构来传递荷载和提供稳定性。
梁柱设计需要考虑弯矩、剪力等力学特性,并通过合适的尺寸和材料选择来满足设计要求。
7. 施工要求地下室外墙施工时需要注意以下要求:- 墙体的垂直度和平整度要满足相关标准- 钢筋的质量和布置要符合设计要求- 施工过程中需考虑防水和防渗的措施- 墙体与其他结构的连接处需进行合理的处理8. 安全考虑在地下室外墙的设计和施工过程中,安全是至关重要的。
应注意以下安全事项:- 人员需佩戴必要的安全装备,如安全帽、安全鞋等- 施工现场需要设置警示标志和围栏,确保周边人员的安全- 进行必要的施工质量监控和检测,确保结构的稳定性和安全性本文档所涉及附件如下:- 建造物总重和地下室外墙荷载计算表- 地下室外墙水压力计算表和图示- 土压力计算表和图示- 配筋设计图纸和计算表- 梁柱设计图纸和计算表- 地下室外墙施工要求和检验记录表本文档所涉及的法律名词及注释:- 建造结构设计规范:国家建造标准,包括建造物设计、施工和验收等相关规范- 土木工程:用于解决土地和水的工程技术,包括建造物、桥梁、隧道等的设计和建造- 结构稳定性:结构反抗荷载时保持原有形状和性能的能力,确保结构安全可靠- 弯矩:产生于物体上的一个力对剪切力产生垂直的扭转力矩。
地下室外墙(挡土墙)的计算1 计算方法1、1计算简图①根据墙板长边与短边支承长度的比例关系,地下室外墙(挡土墙)、窗井外墙按双向板或单向板计算。
②对单层或多层地下室外墙,当基础底板厚度不小于墙厚时,可按底边固结于基础、顶边铰接于地下室顶板的单跨或连续板计算。
当基础底板厚度小于墙厚时,底边按铰接计算。
窗井外墙顶边按自由计算。
墙板两侧根据实际情况按固结或铰接考虑。
③墙板的支承条件应符合实际受力状态,作为墙板支座的基础与内墙(或扶壁柱),其内力与变形应满足设计要求。
1、2计算荷载图一地下室外墙压力分布地下室外墙承受竖向荷载与水平荷载。
竖向荷载包括地下室外墙自重、上部建筑(结构构件与围护构件)竖向荷载、地下室各层楼板传递的竖向荷载。
水平荷载包括土压力(地下水位以下为土水混合压力)、地下水压力、室外地面活荷载引起的侧压力、人防外墙等效静荷载。
2计算中需注意的问题2.1《全国民用建筑工程设计技术措施/结构/地基与基础》(2009年版)[1]第5、8、11条与《北京市建筑设计技术细则-结构专业》(2005版)[2]第2、1、6条对室外地面活荷载,建议取5kN/m2(包括可能停放消防车的室外地面)。
该规定适用于有上部结构的地下室外墙,且当考虑消防车时消防车重不超过30吨。
其出发点就是行车道距离建筑物外墙总就是有一定距离的,即一般情况下汽车不可能紧贴上部建筑外墙行驶(《城市居住区规划设计规范》、《建筑设计防火规范》等对室外行车道距离建筑物外墙的距离有明确规定),消防车更不可能紧贴上部建筑外墙进行消防扑救(因消防云梯车在工作时受云梯高度与仰角的制约必须与建筑物外墙保持一定距离)。
但就是,对于没有上部结构的纯地下车库,或处于上部结构范围之外的地下室外墙,以及消防车重超过30吨的,笼统地按5kN/m2计算就是有问题的,应当根据车道与地下室外墙的位置关系、地下室顶板覆盖层厚度及其应力扩散角、车辆轮压按实际情况计算。
2.2文[1]第5、8、5条计算水压力时,当勘察报告提供了地下室外墙水压力分布时,按勘察报告计算;当勘察报告未提供时,可取历史最高水位与近3~5年的最高水位的平均值(水位高度包括上层滞水),水压力按静止压力直线分布计算。
精心整理地下室外墙(挡土墙)的计算1计算方法1.1计算简图①根据墙板长边与短边支承长度的比例关系,地下室外墙(挡土墙)、窗井外墙按双向板或单向板计算。
②对单层或多层地下室外墙,当基础底板厚度不小于墙厚时,可按底边固结于基础、顶边铰接于地下室顶板的单跨或连续板计算。
当基础底板厚度小于墙厚时,底边按铰接计算。
1.222.12(包(《城,重超过2.2告未提供时,可取历史最高水位和近3~5年的最高水位的平均值(水位高度包括上层滞水),水压力按静止压力直线分布计算。
则相对更为简化,要求验算地下室外墙承载力时,水位高度可按最近3~5年的最高水位(水位高度包括上层滞水)。
如果勘察报告提供了抗浮设计水位,在计算地下室外墙承载力时应按抗浮设计水位计算。
2.3 计算地下室外墙土压力时,对采用大开挖方式施工的地下室,当没有护坡桩或连续墙支护时,地下室外墙土压力取静止土压力。
《建筑地基基础设计规范GB50007-2011》静止土压力系数宜通过试验测定,当无试验条件时,对正常固结土,静止土压力系数可按表24估算。
静止土压力系数K=1-sin φ(φ为土的内摩擦角)。
当基坑支护采用护坡桩或连续墙时,除考虑支护结构和地下室外墙共同作用的情况外,地下室外墙土压力按静止土压力系数K 乘以折减系数0.66计算(文[1]第5.8.11条,文[2]第2.1.16条)。
例如,北京地区静止土压力系数K 一般取0.5,乘以折减系数0.66后即为0.33。
2.4计算地下水位以下土对地下室外墙的侧压力时,土的重度应取有效重度。
有效重度=饱和重度-水重度(取10kN/m3),不应用天然重度减去水重度计算有效重度。
当岩土工程勘查报告只提供了土的天然重度而没有提供饱和重度时,可根据报告提供的土粒比重(土粒相对密度)和孔隙比求出饱和重度,即:饱和重度=[(土粒比重-1)/(1+孔隙比)]×水重度有效重度一般在8~13kN/m3。
北京地区一般第四纪土的有效重度可取11kN/m3。
DWQl计算:(1)基本信息:地下室侧壁计算类型:全埋式地下室混凝土等级=C30,Ec=30000MPa z fc=14.3MPa,ft=1.43MPa钢筋采用HRB400z fy=360MPa室内外高差zl=0.000m f地下水埋深z2=0.150m填土重度γ=18.0kN∕m3z地下水重度γw=10.0kN∕m3土浮重度γ'=11.0kN∕m3土压力系数Ka=0.500地面附加恒载g=0.0kN∕m3z地面活载q=10.0kN∕m3地下室层数n=l,总埋深dp=4.850m最底层约束条件=刚接地下室(1)层:层高h=4.850m,墙厚t=300mm z层顶约束:钱接(2)荷载计算(设计值):地下室⑴层:顶部荷载pl=7.0kN∕m,底部荷载p2=96.0kN∕m(3)弯矩计算计算配筋,采用弯矩计算的设计值组合:地下室(1)层:顶部Ml=O.OkNm,底部M2=160.2kNm,正弯矩M3=∙73.0kNm计算裂缝,采用弯矩计算的标准值组合:地下室(1)层:顶部Ml=O.OkNm,底部M2=131.1kNm,正弯矩M3=∙59.4kNm⑷配筋计算地下室⑴层弯矩配筋计算:外侧弯矩M=I60kNm,ho=275mm,X=44mm,ξ=0.161,配筋系数=1.00,配筋As=1760mm2,ps=0.64%,配筋d20@75(As=4187mm2)内侧弯矩M=73kNm,ho=275mm,X=19mm,ξ=0.070,配筋系数=1.00,配筋As=764mm2,ps=0.28%,配筋d20@150(As=2093mm2)⑸裂缝验算地下室⑴层裂缝验算:外侧弯矩Mk=131.1kNm,deq=20mm,pte=0.028应力OSk=I31MPa,不均匀系数中=0.845,裂缝宽度wma×=0.172mm内侧弯矩Mk=59.4kNm,deq=20mm,pte=0.014应力OSk=Il9MPa,不均匀系数I=O.539,裂缝宽度wma×=0.137mmDWQ2计算:(1)基本信息:地下室侧壁计算类型:全埋式地下室混凝土等级=C30,Ec=30000MPa z fc=14.3MPa,ft=1.43MPa钢筋采用HRB400z fy=360MPa室内外高差zl=0.450m,地下水埋深z2=0.150m填土重度γ=18.0kN∕m3z地下水重度γw=10.0kN∕m3土浮重度γ'=11.0kN∕m3土压力系数Ka=0.500地面附加恒载g=0.0kN∕m3z地面活载q=10.0kN∕m3地下室层数n=l,总埋深dp=4.400m最底层约束条件=刚接地下室(1)层:层高h=4.400m z墙厚t=300mm z层顶约束:较接(2)荷载计算(设计值):地下室⑴层:顶部荷载pl=14.2kN∕m,底部荷载p2=96.0kN/m(3)弯矩计算计算配筋,采用弯矩计算的设计值组合:地下室(1)层:顶部Ml=O.OkNm,底部M2=140.0kNm,正弯矩M3=∙65.7kNm计算裂缝,采用弯矩计算的标准值组合:地下室(1)层:顶部Ml=O.OkNm,底部M2=114.6kNm,正弯矩M3=∙53.6kNm⑷配筋计算地下室⑴层弯矩配筋计算:外侧弯矩M=140kNm,ho=275mm,x=38mm zξ=0.139,配筋系数=1.00,配筋As=1520mm2,ps=0.55%,配筋dl8@75(As=3391mm2)内侧弯矩M=66kNm z ho=275mm,x=17mm,ξ=0.063,酉己筋系数=1.00,配筋As=685mm2,ps=0.25%,酉己筋dl8@150(As=1696mm2)⑸裂缝验算地下室⑴层裂缝验算:外侧弯矩Mk=114.6kNm,deq=18mm,pte=0.023应力OSk=I41MPa,不均匀系数Ψ=0.809,裂缝宽度wma×=0.185mm内侧弯矩Mk=53.6kNm,deq=18mm,pte=0.011应力OSk=I32MPa,不均匀系数中=0.478,裂缝宽度wma×=0.143mm。
地下室墙体配筋计算书一、工程概况本工程为某住宅小区的地下室,地下一层,层高 36m。
地下室墙体采用钢筋混凝土结构,墙体厚度为 300mm,混凝土强度等级为 C30,钢筋采用 HRB400 级。
地下室墙体主要承受土压力、水压力以及地下室内部的使用荷载。
二、荷载计算1、土压力根据地质勘察报告,地下室外墙所受土的重度为 18kN/m³,内摩擦角为 20°,粘聚力为 10kPa。
地下水位在地下室底板以下 15m 处。
主动土压力系数:Ka = tan²(45° 20°/2) = 049静止土压力系数:K0 = 1 sin20°= 084地下室外墙顶部的土压力为 0,底部的土压力为:q1 =K0 × γ × h = 084 × 18 × 36 = 5443kN/m²考虑地下水的影响,水压力为:q2 =γw × hw = 10 × 15 = 15kN/m²2、地下室内部使用荷载地下室内部使用荷载按 5kN/m²考虑。
三、内力计算1、计算简图将地下室墙体视为下端固定、上端铰支的竖向悬臂构件。
2、弯矩计算根据荷载分布情况,采用结构力学方法计算墙体的弯矩。
最大弯矩位于墙体底部,其值为:Mmax = 1/2 × q1 × h²+ 1/2 × q2 × h²+ 1/2 × 5 × h²= 1/2 × 5443 × 36²+ 1/2 × 15 × 36²+ 1/2 × 5 × 36²= 35167kN·m3、剪力计算墙体底部的剪力为:V = q1 × h + q2 × h + 5 × h= 5443 × 36 + 15 × 36 + 5 × 36= 25275kN四、配筋计算1、正截面受弯配筋计算根据混凝土结构设计规范,相对受压区高度ξ = x/h0,其中 x 为受压区高度,h0 为有效高度。
地下室外墙设计计算书(附配筋图)地下室外墙计算(WM-1)项目名称构件编号日期设计校对审核执行规范:《混凝土结构设计规范》(GB 50010-2010), 本文简称《混凝土规范》《建筑结构荷载规范》(GB 50009-2001), 本文简称《荷载规范》《人民防空地下室设计规范》(GB 50038-2005), 本文简称《人防规范》钢筋:d - HPB300; D - HRB335; E - HRB400; F - RRB400; G - HRB500; P - HRBF335; Q -HRBF400; R - HRBF500-----------------------------------------------------------------------1 基本资料地下室层数1地下室顶标高(m)-1.20墙宽L(m)1.000外地坪标高(m)-0.15层高表层层高(m)外墙厚(mm) -1层7.250400板边支撑条件表板边顶边底边侧边简支固定自由支承方式土压力计算方法静止土压力静止土压力系数0.500水土侧压计算水土分算地下水埋深(m)0.550土天然容重18.00(kN/m3)土饱和容重(kN/m3)20.00上部恒载-平时(kN/m)0.00上部活载-平时(kN/m)0.00上部恒载-战时(kN/m)---地面活载-平时(kPa)0.00砼强度等级C35配筋调整系数1.0钢筋级别HRB400竖向配筋方法按压弯外纵筋保护层(mm)50竖向配筋方式对称内纵筋保护层(mm)15裂缝限值(mm)0.20泊松比0.20裂缝控制配筋√考虑p-δ效应ㄨ1.4 计算选项信息竖向弯矩计算方法连续梁板计算类型·平时弹性板组合0.0支座弯矩调幅幅度(%)塑性板β---活载准永久值系数0.502 计算(1)荷载计算(2)内力计算(3)配筋计算(4)裂缝验算荷载说明:永久荷载:土压力荷载,上部恒载-平时,可变荷载:地下水压力,地面活载,上部活载-平时平时组合:平时荷载基本组合战时组合:战时荷载基本组合准永久组合:平时荷载准永久组合(用于裂缝计算)2.1 荷载计算2.1.1 墙上竖向压力平时组合(kN/m ):1.200×0.000+1.400×0.000=0.000准永久组合(kN/m ):0.000+0.500×0.000=0.0002.1.2 侧压荷载计算(1) 土压力标准值(kPa)水土分算,土侧压按静止土压力计算,静止土压力系数k = 0.500地下室顶面,标高-1.200, 总埋深1.050,地下水位以上0.550, 地下水位以下0.500土压力起算位置,标高-0.150-1层底,标高-8.450,总埋深8.300,地下水位以上0.550,地下水位以下7.750式中:p --------土压力(kN/m 2)p w --------水压力(kN/m 2)k --------土压力系数r --------土的天然容重(kN/m 3) =+=+=p k h 1k ()-sat w h 2⨯⨯0.5180.55⨯⨯0.5()-20100.57.45===p w w h ⨯100.55=p 0=p w 0=+=+=p k h 1k ()-sat w h 2⨯⨯0.5180.55⨯⨯0.5()-20107.7543.7===p w w h ⨯107.7577.5r sat--------土的饱和容重(kN/m3)r w--------水的重度(kN/m3)h1--------地下水位以上的土层厚度(m)h2--------地下水位以下的土层厚度(m) (2)地面上活载等效土压力(标准值,kPa):p=kG k=0.500×0.000=0.000组合土压力水压力平时地面活载上部恒载上部活载平时组合1.20 1.40 1.40 1.20 1.40位置标高土压力水压力地面活载等效平时组合准永久组合-1层顶-1.27.455.000.0015.949.95-1层底-8.4543.777.50.00160.9482.45平时组合准永久组合地下室层号均布荷载三角荷载均布荷载三角荷载-115.940145.009.95072.500注:表中所列三角荷载值是对应于各层底的荷载值(最大)2.2 内力计算按连续梁计算竖向弯矩按连续梁模型计算,水平向弯矩仍按板块模型计算调幅前(kN.m/m)层部位平时组合准永久组合水平向-1层左边0.000.00跨中0.000.00右边0.000.00竖向-1层顶边0.000.00跨中284.38149.35底边-612.83-319.43结果不进行调幅平时组合弯矩图准永久组合弯矩图2.3 配筋及配筋成果表2.3.1 配筋说明:(1)配筋方法水平按纯弯配筋,竖向按压弯配筋(2)单位说明:以下各表格中单位除说明外,配筋面积单位:mm2/m,裂缝宽度单位:mm,弯矩单位kN.m/m,轴力单位kN/m,配筋率:%2.3.2 平时组合计算配筋表部位M(kN.m/m)N(kN/m)As(mm2/m)配筋率%-1层水平向左边-内侧0.00-----8000.20左边-外侧0.00-----8000.20跨中-内侧0.00-----8000.20跨中-外侧0.00-----8000.20右边-内侧0.00-----8000.20右边-外侧0.00-----8000.20竖向顶边-内侧0.000.08000.20顶边-外侧0.000.08000.20跨中-内侧284.380.022520.56跨中-外侧284.380.08000.20底边-内-612.80.08000.20侧3底边-外侧-612.830.06242 1.56层部位计算As 选筋实配As实配筋率控制组合-1层水平向左边-内侧800E14@198100.20平时组合左边-外侧800E14@198100.20平时组合跨中-内侧800E14@198100.20平时组合跨中-外侧800E14@198100.20平时组合右边-内侧800E14@198100.20平时组合右边-800E148100.20平时外侧@19组合竖向顶边-内侧800E14@198100.20平时组合顶边-外侧800E14@198100.20平时组合跨中-内侧2252E16@8025130.63平时组合跨中-外侧800E14@198100.20平时组合底边-内侧800E14@198100.20平时组合底边-外侧6242E25@7070121.75平时组合注:表中"计算As"取平时组合与战时组合计算配筋的较大值2.4 裂缝验算按实际配筋,及相应于准永久组合的弹性内力进行计算裂缝宽度限值:0.200mm层部位M q N q选筋实裂缝结配As(mm)论-1层水平向左边-内侧0.0-----E14@198100.000满足左边-外侧0.0-----E14@198100.000满足跨中-内侧0.0-----E14@198100.000满足跨中-外侧0.0-----E14@198100.000满足右边-内侧0.0-----E14@198100.000满足右边-外侧0.0-----E14@198100.000满足竖向顶边-内侧0.00.0E14@198100.000满足顶边-外侧0.00.0E14@198100.000满足跨中-内侧149.30.0E16@8025130.115满足跨中-外侧149.30.0E14@198100.000满足底边-内侧-319.40.0E14@198100.000满足底边-外侧-319.40.0E25@7070120.186满足最大裂缝宽度:0.186<=0.200,满足要求。
1.设计参数:弯矩设计值:M=280KN.m 弯矩值(标准组合):M k =200KN.m 板厚:h=400mm 设计板宽:b=1000mm 保护层厚度:cover=50mm 混凝土强度等级:C 30混凝土抗压强度设计值:fc=14.3N/mm 2混凝土抗拉强度设计值:ft= 1.43N/mm 2混凝土抗拉强度标准值:f tk = 2.01N/mm 2钢筋抗拉强度设计值:fy=300N/mm 2纵筋的弹性模量:Es=200000N/mm 2混凝土极限压应变:εcu =0.0033系数:α1 = 1.0β1 =0.802.正截面承载力验算:有效高度:h 0=337.5mm αs =M/α1f c bh 02 =0.172ξ=1-√(1-2*αs ) =0.190<ξb =0.550需配钢筋面积:As=ξα1f c bh 0/f y =3056mm 2选用钢筋排数n =1采用钢筋:φ25@100实配钢筋面积:As=4909mm 2OK!3.裂缝宽度验算:有效受拉混凝土截面面积:A te =0.5bh =200000mm2按有效受拉混凝土截面面积计算的纵向受拉钢筋佩筋率:ρte = A s / A te =0.0245相对粘结特性系数:νi = 1.0等效直径:d eq = ∑n i d i 2/∑n i νi d i =25.0mm σsk = M k / 0.87h 0A s =138.8N/mm 2纵向受拉钢筋应变不均匀系数:ψ=1.1-0.65f tk / ρte σsk =0.716构件受力特征系数:αcr = 2.1(钢筋混凝土受弯构件)最外层钢筋外边缘至受拉区底边的距离:c =50mm最大裂缝宽度:ωmax = αcr *ψ*σsk /E s *(1.9c+0.08d eq /ρte )=0.184mm最大裂缝宽度限值:[ωmax ] =0.2mm OK[189302932.xls]-400-外。
挡土墙WQ1挡土墙计算一、墙身配筋计算(一)已知条件:墙身混凝土等级30钢筋设计强度N/mm2360混凝土容重γc=25KN/mm3墙背填土容重γ土=20KN/mm3裂缝限值0.2mm覆土厚H1=5.9m水位距离墙底H3=9.2m墙高H=3.6m地面堆积荷载q0=10KN/m2墙厚h(mm)=350mm保护层(mm)=35mm横载分项系数1.2(二)土压力按主动土压力计算:Ka=0.50q=γ土H1Ka=59.00KN/m2q1=q0Ka+q土1=64.00KN/m2q土2=(γ土×H-γ水×H3)×Ka=18.00KN/m2q水2=γ水H3=92KN/m2q2=q1+q土2+q水2=174.00KN/m2q11=1.2×q1=76.8KN/m2q22=1.2×q2=208.8KN/m2(三)内力计算(基本组合下):M支座=-H2×(8q22+7q11)/120=-238.46KN·MQ墙顶=H×(11q11+4q22)/40=126.00μ=q11/q22=0.37ν=[(9μ2+7μ+4)/20]0.5=0.624191907X=(ν-μ)H/(1-μ)=1.459943734m Xo=H-X= 2.1400563m Mmax=Q墙顶X-q11X2/2+(q22-q11)X3/6H=83.08937KN·M(四)配筋计算混凝土抗压强度fcd=14.3N/mm2ho=305mm钢筋设计强度fy=360N/mm2计算宽度b=1000mmM支座 =f cd bx(h0-x/2)238464000.00 =14300x(305-x/2)x =60.719 m≤ξb h0 =0.53×305.00 =161.7mm 解得A s = M支座/(ho-x/2)/f y =2480mm2Mmax =f cd bx(h0-x/2)83000000.00 =14300x(305-x/2)x =19.664 mm≤ξb h0 =0.53×305.00 =161.7mm 解得跨中A s = Mmax/(ho-x/2)/f y =803mm2(五)裂缝计算钢筋直径d=18mm钢筋间距75mm每延米实配钢筋A s=3392.92mm2标准组合下Mk支座=-H2×(8q2+7q1)/120=-198.72KN·Mσsk=Mk支座/(0.87hoAs)=220.7236N/mm2αcr=2.1ρte=0.019388115ftk=2.01ψ=0.794701285< 1 且>0.2所以ψ取0.794701285Es=200000c=35deq=18裂缝宽度W fk=0.259274198mm裂缝不满足要求。
地下车库外墙WQ1计算书=================================== =========一.配筋计算1 计算简图:2 计算条件:荷载条件:均布恒载标准值: 0.00kN/m 活载准永久值系数: 0.50均布活载标准值: 0.00kN/m 支座弯矩调幅系数: 100.0%梁容重: 25.00kN/m3计算时考虑梁自重: 不考虑恒载分项系数: 1.35 活载分项系数: 1.40配筋条件:抗震等级: 非抗震纵筋级别: HRB400混凝土等级: C30 箍筋级别: HRB400配筋调整系数: 1.0 上部保护层厚度: 40mm面积归并率: 0.0% 下部保护层厚度: 25mm最大裂缝限值: 0.000mm 挠度控制系数C : 200截面配筋方式: 双筋3 计算结果:单位说明:弯矩:kN.m 剪力:kN纵筋面积:mm2箍筋面积:mm2/m裂缝:mm 挠度:mm-----------------------------------------------------------------------梁号1: 跨长= 4100 B×H = 1000 ×300左中右弯矩(-) : 0.000 0.000 -97.487弯矩(+) : 0.000 47.163 0.000剪力: 48.639 -14.322 -134.016上部as: 50 50 50下部as: 35 35 35上部纵筋: 600 600 1184 下部纵筋: 600 608 600箍筋Asv: 953 953 953 -----------------------------------------------------------------------4 所有简图:二.裂缝验算1 计算简图:2 计算条件:荷载条件:均布恒载标准值: 0.00kN/m 活载准永久值系数: 0.50均布活载标准值: 0.00kN/m 支座弯矩调幅系数: 100.0%梁容重: 25.00kN/m3计算时考虑梁自重: 不考虑恒载分项系数: 1.35 活载分项系数: 1.40配筋条件:抗震等级: 非抗震纵筋级别: HRB400混凝土等级: C30 箍筋级别: HRB400配筋调整系数: 1.0 上部保护层厚度: 40mm面积归并率: 0.0% 下部保护层厚度: 25mm最大裂缝限值: 0.200mm 挠度控制系数C : 200截面配筋方式: 双筋按裂缝控制配筋计算3 计算结果:单位说明:弯矩:kN.m 剪力:kN纵筋面积:mm2箍筋面积:mm2/m裂缝:mm 挠度:mm-----------------------------------------------------------------------梁号1: 跨长= 4100 B×H = 1000 ×300左中右弯矩(-) : 0.000 0.000 -81.886弯矩(+) : 0.000 41.136 0.000剪力: 45.526 -13.976 -109.455上部as: 50 50 50下部as: 35 35 35上部纵筋: 600 600 1002下部纵筋: 600 600 600箍筋Asv: 953 953 953上纵实配: 6E12(679) 6E12(679) 12E12(1357)下纵实配: 6E12(679) 6E12(679) 6E12(679)箍筋实配: 4E12@200(2262) 4E12@200(2262) 4E12@200(2262)腰筋实配: ----(0) ----(0) ----(0)上实配筋率: 0.23% 0.23% 0.45% 下实配筋率: 0.23% 0.23% 0.23% 箍筋配筋率: 0.23% 0.23% 0.23% 裂缝: 0.000 0.126 0.172挠度: 0.000 3.615 0.000最大裂缝:0.172mm<0.200mm最大挠度:3.615mm<20.500mm(4100/200)-----------------------------------------------------------------------4 所有简图:汽车坡道挡土墙计算书一、PDQ1/PWQ3计算书=================================== =========1 计算简图:2 计算条件:荷载条件:均布恒载标准值: 0.00kN/m 活载准永久值系数: 0.50均布活载标准值: 0.00kN/m 支座弯矩调幅系数: 100.0%梁容重: 25.00kN/m3计算时考虑梁自重: 不考虑恒载分项系数: 1.35 活载分项系数: 1.40配筋条件:抗震等级: 非抗震纵筋级别: HRB400混凝土等级: C30 箍筋级别: HRB400配筋调整系数: 1.0 上部保护层厚度: 40mm面积归并率: 0.0% 下部保护层厚度: 25mm最大裂缝限值: 0.200mm 挠度控制系数C : 200截面配筋方式: 双筋按裂缝控制配筋计算3 计算结果:单位说明:弯矩:kN.m 剪力:kN纵筋面积:mm2箍筋面积:mm2/m裂缝:mm 挠度:mm-----------------------------------------------------------------------梁号1: 跨长= 2800 B×H = 1000 ×250左中右弯矩(-) : 0.000 0.000 -19.757弯矩(+) : 0.000 8.823 0.000剪力: 10.584 -2.646 -42.336上部as: 50 50 50下部as: 35 35 35上部纵筋: 500 500 500下部纵筋: 500 500 500箍筋Asv: 953 953 953上纵实配: 5E12(565) 5E12(565) 5E12(565)下纵实配: 5E12(565) 5E12(565) 5E12(565) 上实配筋率: 0.23% 0.23% 0.23% 下实配筋率: 0.23% 0.23% 0.23% 箍筋配筋率: 0.23% 0.23% 0.23% 裂缝: 0.000 0.019 0.060挠度: 0.000 0.672 0.000最大裂缝:0.060mm<0.200mm最大挠度:0.672mm<14.000mm(2800/200)-----------------------------------------------------------------------4 所有简图:二、PDQ2计算书=================================== =========1 计算简图:2 计算条件:荷载条件:均布恒载标准值: 0.00kN/m 活载准永久值系数: 0.50均布活载标准值: 0.00kN/m 支座弯矩调幅系数: 100.0%梁容重: 25.00kN/m3计算时考虑梁自重: 不考虑恒载分项系数: 1.35 活载分项系数: 1.40配筋条件:抗震等级: 非抗震纵筋级别: HRB400混凝土等级: C30 箍筋级别: HRB400配筋调整系数: 1.0 上部保护层厚度: 40mm面积归并率: 0.0% 下部保护层厚度: 25mm最大裂缝限值: 0.200mm 挠度控制系数C : 200截面配筋方式: 双筋按裂缝控制配筋计算3 计算结果:单位说明:弯矩:kN.m 剪力:kN纵筋面积:mm2箍筋面积:mm2/m裂缝:mm 挠度:mm-----------------------------------------------------------------------梁号1: 跨长= 1300 B×H = 1000 ×250左中右弯矩(-) : -0.000 -3.051 -6.101弯矩(+) : 0.000 0.000 0.000剪力: -4.693 -4.693 -4.693上部as: 50 50 50下部as: 35 35 35上部纵筋: 500 500 500下部纵筋: 500 500 500箍筋Asv: 953 953 953上纵实配: 5E12(565) 5E12(565) 5E12(565)下纵实配: 5E12(565) 5E12(565) 5E12(565)箍筋实配: 4E12@200(2262) 4E12@200(2262) 4E12@200(2262) 腰筋实配: ----(0) ----(0) ----(0)上实配筋率: 0.23% 0.23% 0.23%下实配筋率: 0.23% 0.23% 0.23%箍筋配筋率: 0.23% 0.23% 0.23%裂缝: 0.000 0.008 0.017挠度: 0.000 -0.088 0.000最大裂缝:0.017mm<0.200mm最大挠度:0.000mm<6.500mm(1300/200)-----------------------------------------------------------------------梁号2: 跨长= 2800 B×H = 1000 ×250左中右弯矩(-) : -6.101 0.000 -16.706弯矩(+) : 0.000 7.118 0.000剪力: 13.853 0.623 -39.068上部as: 50 50 50下部as: 35 35 35上部纵筋: 500 500 500下部纵筋: 500 500 500箍筋Asv: 953 953 953上纵实配: 5E12(565) 5E12(565) 5E12(565)下纵实配: 5E12(565) 5E12(565) 5E12(565)箍筋实配: 4E12@200(2262) 4E12@200(2262) 4E12@200(2262) 腰筋实配: ----(0) ----(0) ----(0)上实配筋率: 0.23% 0.23% 0.23%下实配筋率: 0.23% 0.23% 0.23%箍筋配筋率: 0.23% 0.23% 0.23%裂缝: 0.017 0.015 0.045挠度: 0.000 0.491 0.000最大裂缝:0.045mm<0.200mm最大挠度:0.491mm<14.000mm(2800/200)-----------------------------------------------------------------------4 所有简图:三、PDQ4计算书=================================== =========1 计算简图:2 计算条件:荷载条件:均布恒载标准值: 0.00kN/m 活载准永久值系数: 0.50均布活载标准值: 0.00kN/m 支座弯矩调幅系数: 100.0%梁容重: 25.00kN/m3计算时考虑梁自重: 不考虑恒载分项系数: 1.35 活载分项系数: 1.40配筋条件:抗震等级: 非抗震纵筋级别: HRB400混凝土等级: C30 箍筋级别: HRB400配筋调整系数: 1.0 上部保护层厚度: 40mm面积归并率: 0.0% 下部保护层厚度: 25mm最大裂缝限值: 0.200mm 挠度控制系数C : 200截面配筋方式: 双筋按裂缝控制配筋计算3 计算结果:单位说明:弯矩:kN.m 剪力:kN纵筋面积:mm2箍筋面积:mm2/m裂缝:mm 挠度:mm-----------------------------------------------------------------------梁号1: 跨长= 1100 B×H = 1000 ×250左中右弯矩(-) : 0.000 0.000 -1.198弯矩(+) : 0.000 0.535 0.000剪力: 1.634 -0.408 -6.534上部as: 50 50 50下部as: 35 35 35上部纵筋: 500 500 500下部纵筋: 500 500 500箍筋Asv: 953 953 953上纵实配: 5E12(565) 5E12(565) 5E12(565)下纵实配: 5E12(565) 5E12(565) 5E12(565)箍筋实配: 4E12@200(2262) 4E12@200(2262) 4E12@200(2262) 腰筋实配: ----(0) ----(0) ----(0)上实配筋率: 0.23% 0.23% 0.23%下实配筋率: 0.23% 0.23% 0.23%箍筋配筋率: 0.23% 0.23% 0.23%裂缝: 0.000 0.001 0.003挠度: 0.000 0.006 0.000最大裂缝:0.003mm<0.200mm最大挠度:0.006mm<5.500mm(1100/200)-----------------------------------------------------------------------4 所有简图:。
地下室墙体配筋计算书(一)引言概述:地下室墙体配筋计算书是在地下室工程设计中非常重要的一项计算工作,主要用于确定墙体配筋材料和数量,以确保地下室墙体的结构安全性和稳定性。
本文将从五个大点出发,分别为墙体荷载计算、配筋设计、配筋布置、配筋间距计算和配筋钢筋计算,对地下室墙体配筋计算进行详细阐述。
正文:1. 墙体荷载计算1.1 确定地下室墙体所受荷载类型及大小1.2 根据设计标准计算荷载作用于墙体的力和力矩1.3 考虑地下室墙体的水平荷载(如地震力)对配筋的影响2. 配筋设计2.1 根据墙体的截面几何形状和计算荷载,确定墙体的受拉区和受压区2.2 采用受拉与受压设计法计算配筋数量和尺寸2.3 考虑抗震要求,确定墙体抗震性能级别,进行相应的配筋设计3. 配筋布置3.1 根据墙体结构图和配筋设计要求,在墙体纵向和横向布置配筋3.2 确定配筋的弯曲半径和弯曲位置,保证配筋的完整性和符合设计要求3.3 考虑墙体连接节点和开口处的配筋布置,增强墙体的整体强度和稳定性4. 配筋间距计算4.1 依据墙体的构造和设计要求,计算配筋的间距和跨距4.2 考虑墙体的构造节段,分析墙体不同部位的配筋需求和间距调整4.3 在计算配筋间距时,考虑施工和安装配筋的可行性和经济性5. 配筋钢筋计算5.1 根据地下室墙体的尺寸和设计要求,计算墙体所需的钢筋总量5.2 按照配筋设计要求,计算钢筋的截面积、直径和排布方式5.3 根据配筋布置和间距计算结果,确定每个配筋段的钢筋长度总结:地下室墙体配筋计算是地下室工程设计的重要环节。
通过墙体荷载计算、配筋设计、配筋布置、配筋间距计算和配筋钢筋计算五个大点的详细阐述,可以准确确定地下室墙体所需的配筋材料和数量,保证墙体的结构安全性和稳定性。
同时,建议在计算过程中综合考虑施工和经济性因素,以选择最合适的配筋方案。
WQ-11混凝土标号C30混凝土强度fc=钢筋强度设计值为(N/mm2)fy=300混凝土抗拉强度标准值 f t =混凝土抗拉强度标准值 f tk =钢筋弹性模量(N/m 2) Es=室内外高差(m) H1=0.6地下水位标高(m) H2=0.5地下室层高(m) H= 3.1故取外墙厚度hw(m)0.3土有效内摩擦角 φ'=22静止土压力系数 K=土的重度(KN/m 3) r=18地下水重度(KN/m 3) rw=土浮重度(KN/m 3)ro=地面堆载(KN/m 2) qo=101. 土压力计算设计值活载等效土压力(kN/m) Po=1.4*0.7*P 0*K=6.13土压力(kN/m) P1=P 0+1.35*K*H 2*γ=13.73土压力(kN/m) P2=P1+1.35*(K*γo+γw)*(H-H1-H2)=54.24自行车道荷载传来(kN/m) M'=(荷载计算见自行车道荷载)0.002. 外墙外侧底部弯距裂缝计算底部弯距(kN/m) M=[(P 2-P 1)/6+P 1/2]*(H-H 1)2+M'=85.09墙的有效高度(mm) ho=Hw-30=270配筋计算:αs=M/(fcbho 2)=0.082γs=0.957As(mm2/m)=M/(γsfyho)=1097.33实配钢筋Φ18@As(mm2/m)=1,696.46地下室外墙计算书配筋率(%)=As/ho/1m=0.63最小配筋率(%)=45*ft/fy=0.21钢筋的应力(kN/m) σsk=GB50010-2002式(8.1.3)171.62有效受拉混凝土配筋率ρte=GB50010-2002式(8.1.2-4) 1.13%故取有效配筋率ρte=(当ρte<0.01时取0.01) 1.13%钢筋应变的不均匀系数 ψ=GB50010-2002式(8.1.2-2)0.43故取不均匀系数ψ=(0.2≤ψ≤1)0.43最大裂缝宽度(mm) ωmax=GB50010-2002式(8.1.2-1)0.1710底部剪力(kN) V=5/8*(P2-P0)+2/5*P0=32.52截面高度影响系数βh=(800/ho)^0.25>1=1剪力承载力(kN)Vd=0.7*βh*ft*b*ho=270.27143001.432.012000000.63108标准值6.2511.8841.890.0068.39满足要求<0.2 满足>V 满足。
地下室外墙计算书一、工程概况本工程为_____项目,地下室外墙高度为_____m,长度为_____m,厚度为_____mm。
地下室主要用于停车和设备用房,地下水位位于地面以下_____m。
二、设计依据1、《建筑结构荷载规范》(GB 50009-2012)2、《混凝土结构设计规范》(GB 50010-2010)(2015 年版)3、《建筑抗震设计规范》(GB 50011-2010)(2016 年版)4、本工程地质勘察报告三、荷载计算1、竖向荷载地下室外墙自重:按照墙体厚度和混凝土容重计算,混凝土容重取25kN/m³。
地下室顶板传来的竖向荷载:根据顶板的布置和使用功能,计算传递到外墙的荷载。
2、水平荷载土压力:根据土层分布和土的物理力学性质,采用朗肯土压力理论计算主动土压力和静止土压力。
水压力:按照地下水位高度和水的重度计算水压力。
地面活荷载:考虑消防车、堆载等地面活荷载作用,按照规范取值并进行等效均布荷载计算。
四、内力计算1、计算模型地下室外墙按单向板计算,两端支承在地下室基础和地下室顶板处。
考虑墙体与基础、顶板的连接方式,确定边界条件。
2、弯矩计算分别计算在竖向荷载和水平荷载作用下的弯矩。
对于水平荷载作用下的弯矩,根据不同的工况(如静止土压力、主动土压力等)进行组合。
3、剪力计算计算在竖向荷载和水平荷载作用下的剪力。
同样根据不同工况进行组合。
五、配筋计算1、正截面受弯配筋根据弯矩计算结果,按照混凝土结构设计规范的要求,计算所需的纵向钢筋面积。
选用合适的钢筋直径和间距,保证钢筋布置满足规范的构造要求。
2、斜截面受剪配筋根据剪力计算结果,计算所需的箍筋面积。
确定箍筋的直径和间距,满足规范的抗剪构造要求。
六、裂缝控制计算1、计算裂缝宽度按照规范公式,计算在正常使用极限状态下地下室外墙的裂缝宽度。
裂缝宽度应满足规范的限值要求。
2、采取的裂缝控制措施如果计算裂缝宽度不满足要求,采取增加钢筋面积、减小钢筋间距等措施进行调整。
WQ1计算书条件:1、土质参数:容重γ=18kN/mm,浮容重γ` = 11kN/mm,静止土压力系数K=0.50,地下水位设防高度为4400mm;2、地下室参数:覆土层厚h1=800mm,地下室侧墙计算跨度Lo=3400mm,临水面保护层为50mm;地面堆载q=10kN/mm,侧壁厚度d=285mm,截面有效高度ho=235mm3、材料参数:混凝土强度等级为C35,fc=16.7 N/mm,钢筋抗拉强度为fy=360N/mm;挡土墙荷载工况示意图计算:1、荷载计算,土压力按静止土压力计算[《全国民用建筑工程设计技术措施》2.6.2] 堆载折算为土压力q1=K×q=0.50×10=5.00kN/mm地下水位以上土压力q2=K×γ×h1=0.50×18×0.80=7.20kN/mm地下水位以下土压力q3=K×γ`×(h2 + h3)=0.50×11×(1.00+3.40)=24.20kN/mm水压力q4=γw×(h2 + h3)=10×(1.00+3.40)=44.00kN/mm2、支座弯距计算,按单向板底端固定顶端简支计算,查静力计算手册m1=q1×Lo/8=5.00×3.4/8=7.23kN.mm2=q2×Lo/15=7.20×3.4/15=5.55kN.mm3=q1×Lo/15=24.20×3.4/15=18.65kN.mm4=q1×Lo/8=44.00×3.4/15=33.91kN.m3、强度计算:土压力及水压力均按恒载考虑,[《全国民用建筑工程设计技术措施》2.6.2],按支座调幅0.8计算m=0.8×1.35×(m1+m2+m3+m4)=70.56kN.mξb=0.8÷{1+360÷[20000×(0.0033-<30-50>×0.00001)]}=0.5283 《砼》规公式7.1.4x=ho-√(ho-2×m/α1/fc/b)=235-√(235-2×70.559928×1000000/1/14.3/1000)=22.03mm<ξb×ho=124.15mmAs=α1×fc×b×x/fy=1×14.3×1000×22.03/360=875mm,根部实配12@75,As=1508,承载力满足要求。
钢筋混凝土地下室外墙承载力配筋计算姜学诗(中国建筑设计研究院审图所 北京 100044)泥用量大,易产生收缩裂缝,但高层建筑不应低于C30,多层建筑不应低于C25。
当地下室有防水要求时,地下室外墙的抗渗等级应由最大水头与墙厚之比确定,但任何情况下都不应低于0.6MPa。
1.2 确定作用于地下室外墙的荷载在实际工程中,地下室外墙的配筋主要由垂直于墙面的水平荷载(包括室外地面活荷载产生的侧压力、地基土的侧压力、地下水压力等)控制(见图1),近似按受弯构件设计。
地下室外墙在垂直于墙平面的地基土侧压力作用下,通常不会发生整体侧移,土压力类似于静止土压力,工程上一般取静止土压力系数K a =0.5来进行计算。
当地下室施工采用护坡桩时,静止土压力系数可以乘以折减系数0.66而取0.33。
1.3 确定地下室外墙的计算简图地下室外墙按支承条件可能是单向板,也可能是双向板,在实际工程中要对这些板块逐一进行计算是相当麻烦的,一般情况下也没必要这么做。
工程中常用做法是,视地下室楼板和基础底板为地下室外墙的支点,沿竖向取1m宽的外墙按单、双或多跨板(视地下室层数而定)来计算地下室外墙的弯矩配筋,计算简图见图2。
1.4 地下室外墙的配筋构造要求地下室外墙应双面双向配筋。
竖向配筋除满足计图1普通地下室外墙水平荷载 图2 地下室外墙计算简图地下室外墙的配筋宜采用变形钢筋(HRB335级或HRB400级),直径不应小于10mm,间距不应大于200mm;内外侧钢筋之间应设置直径不小于6mm、间距不大于600mm呈梅花形布置的拉结筋。
2 人防地下室外墙的设计步骤人防地下室外墙的设计步骤与普通地下室基本相同,不同之处主要体现为三方面。
2.1 作用于地下室外墙的水平荷载不同,见表1。
水平荷载及分项系数的比较 表1 荷载分项系数室外地面活荷载土压力水压力武器爆炸产生的人防等效静荷载普通地下室外墙 1.4 1.21.2 -人防地下室外墙- 1.2 1.21.0(按《人防规范》)注:表中普通地下室外墙的荷载分项系数是指可变荷载效应控制的基本组合的分项系数。
地下室外墙设计计算书(附配筋图)地下室外墙计算(WM-1)项目名称构件编号日期设计校对审核执行规范:《混凝土结构设计规范》(GB 50010-2010), 本文简称《混凝土规范》《建筑结构荷载规范》(GB 50009-2001), 本文简称《荷载规范》《人民防空地下室设计规范》(GB 50038-2005), 本文简称《人防规范》钢筋:d - HPB300; D - HRB335; E - HRB400; F - RRB400; G - HRB500; P - HRBF335; Q -HRBF400; R - HRBF500-----------------------------------------------------------------------1 基本资料地下室层数1地下室顶标高(m)-1.20墙宽L(m)1.000外地坪标高(m)-0.15层高表层层高(m)外墙厚(mm) -1层7.250400板边支撑条件表板边顶边底边侧边简支固定自由支承方式土压力计算方法静止土压力静止土压力系数0.500水土侧压计算水土分算地下水埋深(m)0.550土天然容重18.00(kN/m3)土饱和容重(kN/m3)20.00上部恒载-平时(kN/m)0.00上部活载-平时(kN/m)0.00上部恒载-战时(kN/m)---地面活载-平时(kPa)0.00砼强度等级C35配筋调整系数1.0钢筋级别HRB400竖向配筋方法按压弯外纵筋保护层(mm)50竖向配筋方式对称内纵筋保护层(mm)15裂缝限值(mm)0.20泊松比0.20裂缝控制配筋√考虑p-δ效应ㄨ1.4 计算选项信息竖向弯矩计算方法连续梁板计算类型·平时弹性板组合0.0支座弯矩调幅幅度(%)塑性板β---活载准永久值系数0.502 计算(1)荷载计算(2)内力计算(3)配筋计算(4)裂缝验算荷载说明:永久荷载:土压力荷载,上部恒载-平时,可变荷载:地下水压力,地面活载,上部活载-平时平时组合:平时荷载基本组合战时组合:战时荷载基本组合准永久组合:平时荷载准永久组合(用于裂缝计算)2.1 荷载计算2.1.1 墙上竖向压力平时组合(kN/m ):1.200×0.000+1.400×0.000=0.000准永久组合(kN/m ):0.000+0.500×0.000=0.0002.1.2 侧压荷载计算(1) 土压力标准值(kPa)水土分算,土侧压按静止土压力计算,静止土压力系数k = 0.500地下室顶面,标高-1.200, 总埋深1.050,地下水位以上0.550, 地下水位以下0.500土压力起算位置,标高-0.150-1层底,标高-8.450,总埋深8.300,地下水位以上0.550,地下水位以下7.750式中:p --------土压力(kN/m 2)p w --------水压力(kN/m 2)k --------土压力系数r --------土的天然容重(kN/m 3) =+=+=p k h 1k ()-sat w h 2⨯⨯0.5180.55⨯⨯0.5()-20100.57.45===p w w h ⨯100.55=p 0=p w 0=+=+=p k h 1k ()-sat w h 2⨯⨯0.5180.55⨯⨯0.5()-20107.7543.7===p w w h ⨯107.7577.5r sat--------土的饱和容重(kN/m3)r w--------水的重度(kN/m3)h1--------地下水位以上的土层厚度(m)h2--------地下水位以下的土层厚度(m) (2)地面上活载等效土压力(标准值,kPa):p=kG k=0.500×0.000=0.000组合土压力水压力平时地面活载上部恒载上部活载平时组合1.20 1.40 1.40 1.20 1.40位置标高土压力水压力地面活载等效平时组合准永久组合-1层顶-1.27.455.000.0015.949.95-1层底-8.4543.777.50.00160.9482.45平时组合准永久组合地下室层号均布荷载三角荷载均布荷载三角荷载-115.940145.009.95072.500注:表中所列三角荷载值是对应于各层底的荷载值(最大)2.2 内力计算按连续梁计算竖向弯矩按连续梁模型计算,水平向弯矩仍按板块模型计算调幅前(kN.m/m)层部位平时组合准永久组合水平向-1层左边0.000.00跨中0.000.00右边0.000.00竖向-1层顶边0.000.00跨中284.38149.35底边-612.83-319.43结果不进行调幅平时组合弯矩图准永久组合弯矩图2.3 配筋及配筋成果表2.3.1 配筋说明:(1)配筋方法水平按纯弯配筋,竖向按压弯配筋(2)单位说明:以下各表格中单位除说明外,配筋面积单位:mm2/m,裂缝宽度单位:mm,弯矩单位kN.m/m,轴力单位kN/m,配筋率:%2.3.2 平时组合计算配筋表部位M(kN.m/m)N(kN/m)As(mm2/m)配筋率%-1层水平向左边-内侧0.00-----8000.20左边-外侧0.00-----8000.20跨中-内侧0.00-----8000.20跨中-外侧0.00-----8000.20右边-内侧0.00-----8000.20右边-外侧0.00-----8000.20竖向顶边-内侧0.000.08000.20顶边-外侧0.000.08000.20跨中-内侧284.380.022520.56跨中-外侧284.380.08000.20底边-内-612.80.08000.20侧3底边-外侧-612.830.06242 1.56层部位计算As 选筋实配As实配筋率控制组合-1层水平向左边-内侧800E14@198100.20平时组合左边-外侧800E14@198100.20平时组合跨中-内侧800E14@198100.20平时组合跨中-外侧800E14@198100.20平时组合右边-内侧800E14@198100.20平时组合右边-800E148100.20平时外侧@19组合竖向顶边-内侧800E14@198100.20平时组合顶边-外侧800E14@198100.20平时组合跨中-内侧2252E16@8025130.63平时组合跨中-外侧800E14@198100.20平时组合底边-内侧800E14@198100.20平时组合底边-外侧6242E25@7070121.75平时组合注:表中"计算As"取平时组合与战时组合计算配筋的较大值2.4 裂缝验算按实际配筋,及相应于准永久组合的弹性内力进行计算裂缝宽度限值:0.200mm层部位M q N q选筋实裂缝结配As(mm)论-1层水平向左边-内侧0.0-----E14@198100.000满足左边-外侧0.0-----E14@198100.000满足跨中-内侧0.0-----E14@198100.000满足跨中-外侧0.0-----E14@198100.000满足右边-内侧0.0-----E14@198100.000满足右边-外侧0.0-----E14@198100.000满足竖向顶边-内侧0.00.0E14@198100.000满足顶边-外侧0.00.0E14@198100.000满足跨中-内侧149.30.0E16@8025130.115满足跨中-外侧149.30.0E14@198100.000满足底边-内侧-319.40.0E14@198100.000满足底边-外侧-319.40.0E25@7070120.186满足最大裂缝宽度:0.186<=0.200,满足要求。
层部位选筋实配面积配筋率配筋控制-1层水平向左边-内侧E14@1908100.20平时组合左边-外侧E14@1908100.20平时组合跨中-内侧E14@1908100.20平时组合跨中-外侧E14@1908100.20平时组合右边-内侧E14@1908100.20平时组合右边-外侧E14@1908100.20平时组合竖向顶边-内侧E14@1908100.20平时组合顶边-外侧E14@1908100.20平时组合跨中-内侧E16@8025130.63平时组合跨中-外侧E14@1908100.20平时组合底边-内侧E14@1908100.20平时组合底边-外侧E25@707012 1.75平时组合实际配筋简图-----------------------------------------------------------------------【理正结构设计工具箱软件 6.5PB1】计算日期: 2014-09-26 10:40:18-----------------------------------------------------------------------底部加翼计算梁(板)截面设计与验算(LJM-1)项目名称构件编号日期设计校对审核执行规范:《混凝土结构设计规范》(GB 50010-2010), 本文简称《混凝土规范》《建筑抗震设计规范》(GB 50011-2010), 本文简称《抗震规范》钢筋:d - HPB300; D - HRB335; E - HRB400; F - RRB400; G - HRB500; P - HRBF335; Q -HRBF400; R - HRBF500-----------------------------------------------------------------------梁截面设计:1 已知条件及计算要求:(1)已知条件:矩形梁 b=1000mm,h=700mm。
砼 C35,fc=16.70N/mm2,ft=1.57N/mm2,纵筋 HRB400,fy=360N/mm2,fy'=360N/mm2,箍筋HRB400,fy=360N/mm2。
弯矩设计值 M=-612.83kN.m,剪力设计值V=10.00kN,扭矩设计值 T=0.00kN.m。
(2)计算要求:1.正截面受弯承载力计算2.斜截面受剪承载力计算3.裂缝宽度计算(按裂缝控制配筋计算)。
-----------------------------------------------------------2 截面验算:(1)截面验算:V=10.00kN < 0.250βc fcbh=2672.00kN 截面满足截面配筋按纯剪计算。
-----------------------------------------------------------3 正截面受弯承载力计算:(1)按单筋计算:as上=60mm,相对受压区高度ξ=x/h0=0.094 < ξb=0.518(2)上部纵筋:As=ξa1fcbh/fy=2791mm2ρmin =0.20% < ρ=0.40% < ρmax=2.40%(3)下部纵筋:按构造配筋As=1400mm2,配筋率ρ=0.20%-----------------------------------------------------------4 斜截面受剪承载力计算:(1)受剪箍筋计算:Asv/s=-3009.38mm2/m ρsv =-0.30% < ρsvmin=0.10% 按构造配筋Av/s=1047mm2/m-----------------------------------------------------------5 配置钢筋:(1)上部纵筋:计算As=2791mm2,实配11E18(2799mm2ρ=0.40%),配筋满足 (2)腰筋:计算构造As=b*hw*0.2%=1280mm2,实配6d18(1527mm2ρ=0.22%),配筋满足(3)下部纵筋:计算As=1400mm2,实配13E12(1470mm2ρ=0.21%),配筋满足 (4)箍筋:计算Av/s=1047mm2/m,实配E12@300四肢(1508mm2/m ρsv=0.15%),配筋满足-----------------------------------------------------------6 裂缝计算:(1)计算参数:Mk=-319.43kN.m,最大裂缝宽度限值0.200mm。