化学试剂有效期标准
- 格式:doc
- 大小:220.00 KB
- 文档页数:10
1 范围
本标准规定了公司内化学试剂的使用有效期限。
2 一般规定
2.1 所用试剂的纯度应在分析纯以上,实验用水应符合 GB/T 6682-1992 中三级水的规格。
2.2 在常温(15℃~25℃)下,贮存期和有效期内,液体试剂出现浑浊、沉淀或颜色变化等异常现象时,应重新制备、采购;固体试剂出现吸潮、变色、锈蚀等异常现象,应立即停止使用。
2.3 标准中所用溶液以 (%)表示的均指质量分数,只有乙醇 (95%)中的(%)为体积分数。
3 化学试剂有效期
3.1 一般化学溶液有效期,按表1规定执行。
表1 - 一般化学溶液
3.2 如无明确有效期规定,采运部购买的液体化学试剂使用有效期按表2执行。
表2 - 液体化学试剂
3.3 如无明确有效期规定,采运部购买的固体化学试剂使用有效期按表3执行。
表3 - 固体化学试剂
续表(3)
3.4 如无明确有效期规定,采运部购买的金属标样使用有效期为15年。
附加说明:
1. 本标准由XXXXXXXXXXXXXXXXX提出;
2. 本标准由XXXXXXXXXXXXXXXXX解释;
3. 本标准主要起草人:XXX。
化学试剂有效期规定化学试剂是用于进行化学实验和分析的物质,其有效期是指在一定条件下试剂能保持其化学性质和活性的长度。
规定化学试剂的有效期是为了确保实验的准确性和安全性。
下面将详细介绍化学试剂有效期的规定。
首先,化学试剂的有效期一般是根据试剂的物理性质、化学性质和稳定性进行评估的。
物理性质主要包括试剂的外观、颜色、溶解性等;化学性质主要包括试剂的纯度、酸碱度、氧化性、还原性等;稳定性主要指试剂在一定温度下的化学稳定性。
这些评估指标可以通过实验分析、理论计算和文献资料等方法来确定。
其次,根据不同类型的化学试剂,其有效期的规定也会有所不同。
一般来说,有机试剂、酶类试剂、荧光染料等具有较短的有效期,一般为1年左右;化学指示剂、无机试剂等具有较长的有效期,一般为3年以上。
这是因为有机试剂和酶类试剂易受到空气、光照、湿度等因素的影响,容易发生分解、失效;而化学指示剂和无机试剂相对较稳定,能够在一定条件下长时间保持其化学性质。
此外,化学试剂的有效期还与其保存条件密切相关。
一般来说,试剂应存放在干燥、阴凉、通风的地方,避免阳光直射、高温和潮湿环境。
同时,试剂容器应密封良好,以防止空气中的湿气、灰尘等对试剂的影响。
在使用试剂时,应根据试剂的有效期进行使用,过期的试剂一般会失去其活性,可能会影响实验结果甚至导致实验失败。
对于已过期的化学试剂,一般建议不再使用,以防止实验结果的不准确性和危险物质的产生。
实验室应定期检查试剂的有效期,并进行适时更换。
其实验室应建立试剂的使用记录,记录试剂的购进日期、开封日期和有效期等信息,以便及时掌握试剂的使用情况,确保试剂的有效使用。
综上所述,化学试剂的有效期是根据试剂的物理性质、化学性质和稳定性进行评估的,不同类型的试剂也会有不同的有效期规定。
合理规定和控制化学试剂的有效期,能够确保实验的准确性和安全性。
实验室在使用试剂时应严格遵守有效期规定,并做好试剂的保存和管理工作,以推动科学研究和实验教学的顺利进行。
化学试剂及溶液有效期在实际使用过程中,人们总是习惯于用生产日期来判断化学试剂的有效性,其实这是不对的;化学试剂不像食品和药品有严格的保质期,化学试剂一般没有保质期的具体要求和界限,这与化学试剂的保质期受多方面因素影响有关;要根据化学性质、保存条件等,再结合工作的实际情况判断试剂是否出现变质、能否继续使用;磷酸盐标准缓冲液3个月标准缓冲液3个月醋酸盐缓冲液3个月磷酸盐缓冲液3个月醋酸--醋酸铵缓冲液3个月磷酸盐缓冲液3个月草酸氰钾缓冲液3个月氢氧化钠试液6个月碘试液6个月硝酸银试液6个月硝酸汞试液本液应置棕色瓶内,密闭保存6个月氨试液本液应置橡皮塞瓶中保存6个月硫化氰试液本液应置棕色瓶内,在暗处保存2个月对二氨基苯甲醛试液6个月三氯化铁试液6个月碘化铋试液6个月氰化钾试液6个月溴化汞试液本液应置玻璃塞瓶内在暗处保存6个月亚铁氰化钾试液本液应临用新制亚硫酸氢钠试液本液应临用新制亚硫酸钠试液本液应临用新制亚硝基铁氰化钠试液本液应临用新制过氧化氢试液6个月次氯酸钠试液本液应置棕色瓶内,在暗处保存6个月草酸试液6个月草酸铵试液6个月重铬酸钾试液6个月盐酸羟胺试液6个月钼酸铵试液6个月铁氰化钾试液6个月稀铁氰化钾试液6个月浓氨试液3个月高锰酸钾试液6个月硅钨酸试液6个月铬酸钾试液6个月硝酸汞试液本液应置玻璃瓶内,在暗处保存; 6个月硫代乙酰胺试液6个月硫代硫酸钠试液6个月硫氰酸铵试液6个月硫酸亚铁试液本液应临用新制;硫酸钾试液6个月硫酸铜试液6个月硫酸镁试液6个月稀硫酸镁试液6个月氯化亚锡试液6个月氯化钙试液6个月氯化钡试液6个月氯化钴试液6个月氯化铵试液6个月碘化汞钾试液6个月碘化钾试液6个月碘化钾碘试液6个月溴化钾溴试液6个月碱性枸椽酸铜试液6个月碱性酒石酸铜试液6个月碱酸焦性没食子酸试液6个月碳酸氢钠试液6个月碳酸钠试液6个月看看各种因素对化学试剂有效期的影响吧化学试剂的性质对有效期的影响化学试剂一般没有注明保质期,确定试剂是否变质主要是凭经验和做新旧试剂对比试验;化学试剂的有效期随着化学品的化学性质的改变,有着很大的区别;一般情况下,化学性质稳定的物质,保存有效期就越长,保存条件也简单;一般遵循以下几个原则一般原则,不是绝对原则:无机化合物,只要妥善保管,包装完好无损,理论上可以长期使用;但是容易氧化如亚硫酸盐、苯酚、亚铁盐、碘化物、硫化物等应将其固体或晶体密封保存,不宜长期存放;水溶液亚硫酸、氢硫酸溶液要密封存放;钾、钠、白磷更要采用液封形式、容易潮解的物质,在避光、阴凉、干燥的条件下,只能短时间1~5年内保存,具体要看包装和储存条件是否符合规定;有机小分子量化合物一般挥发性较强,包装的密闭性要好,可以长时间保存3~5年,但容易氧化、受热分解、容易聚合、光敏性物质等,在避光、阴凉、干燥的条件下,只能短时间1~5年内保存,具体要看包装和储存条件是否符合规定;有机高分子,尤其是油脂、多糖、蛋白、酶、多肽等生命材料,极易受到微生物、温度、光照的影响,而失去活性,或变质腐败,故此,要冷藏冻保存,而且时间也较短;基准物质、标准物质和高纯物质,原则上要严格按照保存规定来保存,确保包装完好无损,避免受到化学环境的影响,而且保存时间不宜过长;一般情况下,基准物质必须在有效期内使用;在常温15o C~25o C下保存时间一般不超过2个月,超过两个月要重新标定或检查之后再用;培养基:按规定配制并消毒好培养基,冷至室温,保存在阴暗处尽可能贮藏在冰箱内,配制好的培养基应在1个月内用完;除另有规定外、试液、缓冲液、指示剂液的有效期均为半年;液相用的流动相、纯化水有效期为15天;除另有规定外,液体试剂开启后一年内有效,固体试剂开启后三年内有效;化学试剂保存环境对有效期的影响1.空气的影响:空气中的氧易使还原性试剂氧化而破坏;强碱性试剂易吸收二氧化碳而变成碳酸盐,水分可以使某些试剂潮解、结块;纤维、灰尘能使某些试剂还原、变色等;2.温度的影响:试剂变质的速度与温度有关;夏季高温会加快不稳定试剂的分解;冬季严寒则促使甲醛聚合而沉淀变质;3.光的影响:日光中的紫外线能加速某些试剂的化学反应而使其变质例如,银盐、汞盐、溴和碘的钾、钠、铵盐和某些酚类试剂;4.杂质的影响:不稳定试剂的纯净与否、对其变质情况的影响不容忽视;例如纯净的溴化汞实际上不受光的影响,而含有微量溴化亚汞或有机物杂质的溴化汞遇光易变黑;5.贮存期的影响:不稳定试剂在长期贮存后可能发生歧化聚合,分解或沉淀等变化;在贮存期和有效期内液体如发现有分层、浑浊、变色、发霉等异常现象,流动相用于样品检测时,样品的保留时间或相对保留时间发生明显变化,固体如发现吸潮、变色等异常现象则应停止使用;化学试剂的使用要求对有效期的影响依据使用的要求对化学试剂的有效期做出判断,最重要的一点是判断试剂对结果是否有影响,有影响需要缩短有效期,甚至是报废;概念区分一溶液:两种或两种以上物质均匀混合并且彼此呈分子分散的多组分体系;形成的均一的、稳定的混合物;在生活中常见的溶液有蔗糖溶液、碘酒、澄清石灰水、稀盐酸、盐水等;按聚集态不同分类:气态溶液:气体混合物,简称气体;液态溶液:气体或固体在液态中的溶解或液液相溶,简称溶液;固态溶液:彼此呈分子分溶液的组成:溶质:被分散的物质溶剂:分散其他物质的物质散的固体混合物,简称固溶体;二试剂:为实现化学反应而使用的化学药品;在分析化学中应用极为广泛;试剂的品级与规格应根据具体要求和使用情况加以选择;在中国国家标准GB中,将一般试剂划分为3个等级:一级试剂为优级纯,二级试剂为分析纯,三级试剂为化学纯;定级的根据是试剂的纯度即含量、杂质含量、提纯的难易,以及各项物理性质;有时也根据用途来定级,例如光谱纯试剂、色谱纯试剂,以及pH标准试剂等;在实际工作中,有时不可能得到所需纯度的试剂,需要提纯,应针对不同的试剂,选择合适的提纯方法;提纯方法有:①蒸馏;对于易挥发的试剂,如常用的无机酸,有机溶剂等是最常用的提纯方法;根据沸点的高低选用常压或减压蒸馏法;②升华;对于某些易升华的试剂,如,碘、萘等,此法最简便;③重结晶;适用于大多数固体试剂的提纯,其关键是选择好合适的溶剂;④溶剂萃取;无论将母体或杂质萃取到有机溶剂相中,均可达到提纯的目的;⑤离子交换色谱分离;是一种新型的高效提纯方法,例如,用阴离子交换树脂吸附清除盐酸中的铁FeCl4-;此外,还有薄层层析、电渗析、区域熔融、离子交换膜等特殊手段来分离提纯化学试剂;试液是按照规定要求配制后所得的液体;。
化学试剂及溶液有效期
在实际使用过程中,人们总是习惯于用生产日期来判断化学试剂的有效性,其实这是不对的。
化学试剂不像食品和药品有严格的保质期,化学试剂一般没有保质期的具体要求和界限,这与化学试剂的保质期受多方面因素影响有关;要根据化学性质、保存条件等,再结合工作的实际情况判断试剂是否出现变质、能否继续使用。
④溶剂萃取。
无论将母体或杂质萃取到有机溶剂相中,均可达到提纯的目的。
⑤离子交换色谱分离。
是一种新型的高效提纯方法,例如,用阴离子交换树脂吸附清除盐酸中的铁(FeCl4-)。
此外,还有薄层层析、电渗析、区域熔融、离子交换膜等特殊手段来分离提纯化学试剂。
试液是按照规定要求配制后所得的液体。
一般遵循以下几个原则(一般原则,不是绝对原则):1)无机化合物,只要妥善保管,包装完好无损,理论上可以长期使用。
但是容易氧化(如亚硫酸盐、苯酚、亚铁盐、碘化物、硫化物等应将其固体或晶体密封保存,不宜长期存放;水溶液亚硫酸、氢硫酸溶液要密封存放;钾、钠、白磷更要采用液封形式)、容易潮解的物质,在避光、阴凉、干燥的条件下,只能短时间(1~5年)内保存,具体要看包装和储存条件是否符合规定。
2)有机小分子量化合物一般挥发性较强,包装的密闭性要好,可以长时间保存(3~5年)。
但容易氧化、受热分解、容易聚合、光敏性物质等,在避光、阴凉、干燥的条件下,只能短时间(1~5年)内保存,具体要看包装和储存条件是否符合规定。
3)有机高分子,尤其是油脂、多糖、蛋白、酶、多肽等生命材料,极易受到微生物、温度、光照的影响,而失去活性,或变质腐败,故此,要冷藏(冻)保存,而且时间也较短。
4)基准物质、标准物质和高纯物质,原则上要严格按照保存规定来保存,确保包装完好无损,避免受到化学环境的影响,而且保存时间不宜过长。
一般情况下,基准物质必须在有效期内使用。
在常温(15℃~25℃)下保存时间一般不超过2个月。
超过两个月要重新标定或检查之后再用。
5)培养基:按规定配制并消毒好培养基,冷至室温,保存在阴暗处(尽可能贮藏在冰箱内),配制好的培养基应在1个月内用完。
6)除另有规定外、试液、缓冲液、指示剂(液)的有效期均为半年。
7)液相用的流动相、纯化水有效期为15天。
8)除另有规定外,液体试剂开启后一年内有效,固体试剂开启后三年内有效。
化学试剂保存环境对有效期的影响1)空气的影响:空气中的氧易使还原性试剂氧化而破坏。
强碱性试剂易吸收二氧化碳而变成碳酸盐,水分可以使某些试剂潮解、结块;纤维、灰尘能使某些试剂还原、变色等。
2)温度的影响:试剂变质的速度与温度有关。
夏季高温会加快不稳定试剂的分解;冬季严寒则促使甲醛聚合而沉淀变质。
3)光的影响:日光中的紫外线能加速某些试剂的化学反应而使其变质(例如银盐、汞盐、溴和碘的钾、钠、铵盐和某些酚类试剂)。
化学试剂有效期标准化学试剂在实验室中被广泛使用,不同类型的试剂有着不同的有效期限制。
正确地了解和遵守化学试剂的有效期标准对于实验室的安全和实验结果的准确性至关重要。
本文将就化学试剂的有效期标准进行详细介绍,帮助实验室工作者更好地管理和使用化学试剂。
首先,化学试剂的有效期标准是根据其化学性质和稳定性来确定的。
一般来说,化学试剂的有效期可以分为两种类型,固定有效期和开封后有效期。
固定有效期是指在未开封情况下,试剂的保质期限,一般由生产厂家在试剂瓶上标注。
而开封后有效期则是指在试剂瓶首次开封后,试剂仍然可以保持一定的稳定性和活性的时间期限。
其次,不同类型的化学试剂有着不同的有效期标准。
例如,常用的酸碱试剂、溶剂类试剂和生化试剂等,它们的有效期标准可能会有所不同。
一般来说,一些化学试剂在固定有效期内保持稳定性较好,而一些生化试剂在开封后的有效期可能较短。
因此,在使用化学试剂时,必须仔细查看试剂瓶上的有效期标注,并严格按照标准来管理和使用试剂。
此外,化学试剂的存储条件也会影响其有效期。
一般来说,化学试剂应该存放在干燥、阴凉、通风良好的环境中,避免受到阳光直射和高温等影响。
正确的存储条件可以延长化学试剂的有效期,保证其稳定性和活性。
最后,当化学试剂的有效期到期或者超过有效期时,应该及时淘汰和处理。
过期的化学试剂可能会失去活性,甚至产生有害物质,对实验结果和实验人员的安全造成影响。
因此,实验室管理者应建立健全的试剂管理制度,定期清理检查试剂库存,及时淘汰过期试剂,确保实验室的安全和实验结果的准确性。
综上所述,化学试剂的有效期标准是实验室管理中不可忽视的重要环节。
正确地了解和遵守化学试剂的有效期标准,对于实验室的安全和实验结果的准确性至关重要。
希望本文能够帮助实验室工作者更好地管理和使用化学试剂,确保实验室的安全和实验结果的准确性。
1 范围
本标准规定了公司内化学试剂的使用有效期限。
2 一般规定
所用试剂的纯度应在分析纯以上,实验用水应符合 GB/T 6682-1992 中三级水的规格。
在常温(15℃~25℃)下,贮存期和有效期内,液体试剂出现浑浊、沉淀或颜色变化等异常现象时,应重新制备、采购;固体试剂出现吸潮、变色、锈蚀等异常现象,应立即停止使用。
标准中所用溶液以 (%)表示的均指质量分数,只有乙醇 (95%)中的(%)为体积分数。
3 化学试剂有效期
一般化学溶液有效期,按表1规定执行。
表1 - 一般化学溶液
续表(1)
续表(1)
续表(1)
如无明确有效期规定,采运部购买的液体化学试剂使用有效期按表2执行。
表2 - 液体化学试剂
如无明确有效期规定,采运部购买的固体化学试剂使用有效期按表3执行。
表3 - 固体化学试剂
续表(3)
如无明确有效期规定,采运部购买的金属标样使用有效期为15年。
附加说明:
1. 本标准由XXXXXXXXXXXXXXXXX提出;
2. 本标准由XXXXXXXXXXXXXXXXX解释;
3. 本标准主要起草人:XXX。
化学试剂有效期标准 This manuscript was revised on November 28, 2020
1范围
本标准规定了公司内化学试剂的使用有效期限。
2一般规定
2.1所用试剂的纯度应在分析纯以上,实验用水应符合GB/T6682-1992中三级水的规格。
2.2在常温(15℃~25℃)下,贮存期和有效期内,液体试剂出现浑浊、沉淀或颜色变化等异常现象时,应重新制备、采购;固体试剂出现吸潮、变色、锈蚀等异常现象,应立即停止使用。
2.3标准中所用溶液以(%)表示的均指质量分数,只有乙醇(95%)中的(%)为体积分数。
3化学试剂有效期
3.1一般化学溶液有效期,按表1规定执行。
表1-一般化学溶液
3.2如无明确有效期规定,采运部购买的液体化学试剂使用有效期按表2执行。
表2-液体化学试剂
行。
续表(3)
3.4如无明确有效期规定,采运部购买的金属标样使用有效期为15年。
附加说明:
1.本标准由XXXXXXXXXXXXXXXXX提出;
2.本标准由XXXXXXXXXXXXXXXXX解释;
3.本标准主要起草人:XXX。
1.按照中华人民共和国GB15346-94化学试剂包装标准规定:第9.1.1.M规定:要求注明有效期的必须注明有效期;生产日期或生产批号。
2.我国化学试剂的分类:优级纯(GR,绿标签):主成分含量很高、纯度很高,适用于精确分析和研究工作,有的可作为基准物质。
分析纯(AR,红标签):主成分含量很高、纯度较高,干扰杂质很低,适用于工业分析及化学实验。
化学纯(CP,蓝标签):主成分含量高、纯度较高,存在干扰杂质,适用于化学实验和合成制备。
实验纯(LR,黄标签):主成分含量高,纯度较差,杂质含量不做选择,只适用于一般化学实验和合成制备。
指示剂和染色剂(ID或SR,紫标签):要求有特有的灵敏度。
指定级(ZD):按照用户要求的质量控制指标,为特定用户订做的化学试剂。
电子纯(MOS):适用于电子产品生产中,电性杂质含量极低。
当量试剂(3N、4N、5N):主成分含量分别为99.9%、99.99%、99.999%以上。
3. 化学试剂有效期化学试剂在贮存、运输和销售过程中会受到温度、光辐照、空气和水份等外在因素的影响,容易发生潮解、霉素、变色、聚合、氧化、挥发、升华和分解等物理化学变化,使其失效而无法使用。
因此要采用合理的包装,适当的贮存条件和运输方式,保证化学试剂在贮存、运输和销售过程中不变质。
对一些对贮存和运输有特殊要求的应按特殊要求办理。
有些化学试剂有一定的保质期,使用时一定要注意。
化学试剂的有效期随着化学品的化学性质的改变,有着很大的区别。
一般情况下,化学性质稳定的物质,保存有效期就越长,保存条件也简单。
初步判断一个物质的稳定性,可遵循以下几个原则:无机化合物,只要妥善保管,包装完好无损,可以长期使用。
但是,那些容易氧化、容易潮解的物质,在避光、荫凉、干燥的条件下,只能短时间(1~5年)内保存,具体要看包装和储存条件是否合乎规定。
有机小分子量化合物一般挥发性较强,包装的密闭性要好,可以长时间保存。
但容易氧化、受热分解、容易聚合、光敏性物质等,在避光、荫凉、干燥的条件下,只能短时间(1~5年)内保存,具体要看包装和储存条件是否合乎规定。
试剂有效期确定的几大原则一、总体原则1.大部分药品试剂(没稀释的)没有规定保质期,若有规定,按规定执行。
2.部分化学试剂有指标要求,虽未规定有效期或规定了有效期,有条件的情况下,最好在使用前检查。
(如检测水质石油类用的四氯乙烯)3.实验室可根据化学性质、保存条件,再结合工作的实际情况判断试剂是否出现变质、能否继续使用。
二、化学试剂的性质对有效期的影响化学试剂一般没有注明保质期,确定试剂是否变质主要是凭经验和做新旧试剂对比试验。
化学试剂的有效期随着化学品的化学性质的改变,有着很大的区别。
一般情况下,化学性质稳定的物质,保存有效期就越长,保存条件也简单。
三、常规的有效期(非绝对)无机化合物,只要妥善保管,包装完好无损,理论上可以长期使用。
但是容易氧化的应将其固体或晶体密封保存,不宜长期存放,水溶液要密封存放;固体如钾、钠、白磷更要采用液封形式。
容易潮解的物质,在避光、阴凉、干燥的条件下,只能短时间(1~5年)内保存,具体要看包装和储存条件是否符合规定。
小分子量有机化合物一般挥发性较强,包装的密闭性要好,可以长时间保存(3~5年)。
但容易氧化、受热分解、容易聚合、光敏性物质等,在避光、阴凉、干燥的条件下,只能短时间(1~5年)内保存,具体要看包装和储存条件是否符合规定。
有机高分子,尤其是油脂、多糖、蛋白、酶、多肽等生命材料,极易受到微生物、温度、光照的影响,而失去活性,或变质腐败,故此,要冷藏(冻)保存,而且时间也较短。
基准物质、标准物质和高纯物质,原则上要严格按照保存规定来保存,确保包装完好无损,避免受到化学环境的影响,而且保存时间不宜过长。
一般情况下,基准物质必须在有效期内使用。
在常温(15oC~25oC)下保存时间一般不超过2个月。
超过两个月要重新标定或检查之后再用。
培养基:按规定配制并消毒好培养基,冷至室温,保存在阴暗处(尽可能贮藏在冰箱内),配制好的培养基应在1个月内用完。
除另有规定外、试液、缓冲液、指示剂(液)的有效期均为半年。
精品文档
1 范围
本标准规定了公司内化学试剂的使用有效期限。
2 一般规定
2.1 所用试剂的纯度应在分析纯以上,实验用水应符合 GB/T 6682-1992 中三级水的规格。
2.2 在常温(15℃~25℃)下,贮存期和有效期内,液体试剂出现浑浊、沉淀或颜色变化等异常现象时,应重新制备、采购;固体试剂出现吸潮、变色、锈蚀等异常现象,应立即停止使用。
2.3 标准中所用溶液以 (%)表示的均指质量分数,只有乙醇 (95%)中的(%)为体积分数。
3 化学试剂有效期
3.1 一般化学溶液有效期,按表1规定执行。
表1 - 一般化学溶液
精品文档.
精品文档
精品文档.精品文档
续表(1)
精品文档.精品文档
续表(1)
精品文档.
精品文档
续表(1)
表2 - 液体化学试剂
精品文档.
精品文档
3.3 如无明确有效期规定,采运部购买的固体化学试剂使用有效期按表3执行。
表3 - 固体化学试剂
精品文档.
精品文档
续表(3)
3.4 如无明确有效期规定,采运部购买的金属标样使用有效期为15年。
附加说明:
1. 本标准由XXXXXXXXXXXXXXXXX提出;
2. 本标准由XXXXXXXXXXXXXXXXX解释;
3. 本标准主要起草人:XXX
精品文档.。
化学试剂-有效期标准
————————————————————————————————作者: ————————————————————————————————日期:
1 范围
本标准规定了公司内化学试剂的使用有效期限。
2一般规定
2.1 所用试剂的纯度应在分析纯以上,实验用水应符合 GB/T 6682-1992 中三级水的规格。
2.2 在常温(15℃~25℃)下,贮存期和有效期内,液体试剂出现浑浊、沉淀或颜色变化等异常现象时,应重新制备、采购;固体试剂出现吸潮、变色、锈蚀等异常现象,应立即停止使用。
2.3标准中所用溶液以(%)表示的均指质量分数,只有乙醇(95%)中的(%)为体积分数。
3化学试剂有效期
3.1 一般化学溶液有效期,按表1规定执行。
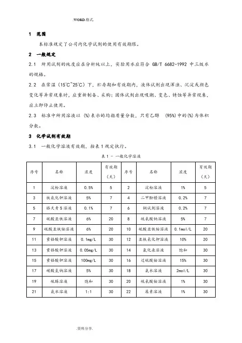
表1 - 一般化学溶液
序号名称浓度
有效期
(天) 序号名称浓度
有效期
(天)
1 淀粉溶液0.5%5
2 淀粉溶液1% 5
3 铁氰化钾溶液5%7
4 二甲酚橙溶液0.2% 7 5铬天青S溶液0.1%7 6 铜试剂溶液0.2%7 7 硫酸亚铁溶液6%20 8 硫氰酸钠溶液5%7 9 硫酸亚铁铵溶液6%2010 硫酸亚铁铵溶液0.1mol/L 20 11 重铬酸钾溶液0.1mg/L 30 12 亚铁氰化钾溶液10% 20 13 重铬酸钾溶液0.05mg/L 3014氯化汞溶液饱和30 1
5 重铬酸钾溶液100mg/L 301
6 过硫酸铵溶液15% 301
7 碳酸氢钠溶液5% 301
8 氨水溶液2mol/L 30 1
9 硫脲溶液饱和30 20硫氰酸铵溶液1%3021氨水溶液1:130 22尿素溶液1% 30
续表(1)
23 过硫酸铵溶液15%3024
六次甲基四胺
溶液
30% 30 25硫氰酸铵溶液5% 30 26 氯化亚锡溶液10% 30 27
硫代硫酸钠溶
液
10%30 28钼酸铵溶液10% 30 29
硫代硫酸钠溶
液
0.1mol/L 30 30 钼酸铵溶液5%3031 碘溶液
0.05
mol/L
30 32柠檬酸铵溶液50%3033 硝酸铅溶液
0.02m
ol/L
30 34高锰酸钾溶液0.3% 30
35硝酸铅溶液
0.05m
ol/L 30 36 高锰酸钾溶液
0.1mol/
L
30
37 钒酸铵溶液0.25%30 38 氯化钡溶液10% 30 39 氢氧化钠溶液1% 30 40 硝酸银溶液1% 60 41 氢氧化钠溶液
0.1mol/
L
30 42 硝酸银溶液2%60 43 氢氧化钠溶液20% 30 44硝酸银溶液0.1mol/L 60 45 亚硝酸钠溶液1% 60 46 硝酸钾溶液2%6047氯化钾溶液4%60 48 碘化钾溶液30% 60 49氯化钠溶液1% 60 50硫化钠溶液20% 60 51 氯化钠溶液0.1mol/L 6052 锌标准溶液0.1mol/L 60 53 氟化钠溶液5%60 54 镍单元素溶液0.1mg/L 60 55
溴酸钾-溴化钾
溶液
/60 56 镍单元素溶液0.2mg/L 60 57 锌单元素溶液0.1mol/L 60 58 镍单元素溶液
0.3mg/
L
60
59盐酸溶液1:19060镍单元素溶液0.5mg/L 60
2Cr13Ni2标准
61 盐酸溶液0.1mol/L 90 62
/60
溶液
63醋酸溶液1mol/L90 64 LC4标准溶液/ 60
ﻬ续表(1)
65 硝酸溶液1:1 90 66 LD9标准溶液/ 60
67 硝酸溶液1:2 9068 LY12标准溶液/60
HPb59-1标
/60 69 硝酸溶液1:3 90 70
准溶液
71 硝酸溶液1:9 90 72碳酸钠溶液5%60
73 硫酸溶液1:190 74 铬酸钾溶液10%60
75硫酸溶液1:4 9076 PH缓冲溶液PH=4.00 60
77 硫酸溶液1:5 90 78 PH缓冲溶液PH=6.86 60
79 硫酸溶液1:9 90 80三氯化铁溶液6% 90
81 草酸溶液2.5% 90 82柠檬酸溶液50% 90
83 三乙醇胺溶液1:4 9084EDTA溶液5% 90
85 盐硝混酸溶液/ 90 86 EDTA溶液10% 90
0.05mol
90 87 硫磷混酸溶液/ 90 88 EDTA溶液
/L
0.025mol
90 89硫硝混酸溶液/ 90 90 EDTA溶液
/L
91 硫磷混酸溶液/90 92EDTA溶液0.1mol/L 90
硫硝磷混酸溶
93
/ 9094EDTA溶液0.2mol/L 90 液
95 王水溶液/ 90 96EDTA溶液0.5mol/L 90
醋酸-醋酸钠溶
97
/ 9098 酒石酸溶液5% 90 液
99 重铬酸钾-醋酸/ 90 100 酒石酸溶液10% 90
铵溶液
101 醋酸溶液2% 90102 酒石酸溶液25% 90 103 醋酸溶液5% 90 104 磷酸溶液1:190 105 抗坏血酸溶液1%90 106 甲基红溶液0.1% 180
续表(1)
107 苯酚红溶液0.1% 180108 甲基红溶液0.1% 180
109百里香酚酞溶
液
0.1% 180
11
0
铬黑T溶液0.5% 180
111
苯代邻氨基苯
甲酸溶液
0.2% 180 112 二苯胺溶液0.5% 180
113
甲基红-次甲基
蓝溶液/ 180 114
二苯胺磺酸钠
溶液
0.5% 180
115酚酞溶液1%180116 溴酚蓝溶液0.4%180 11
7
茜素红溶液1% 180 118 荧光红溶液0.2% 180 119
磺基水杨酸溶
液
1% 180 120 茜素红溶液0.2% 180121 刚果红溶液0.3% 180 122 甲基橙溶液0.02% 180 123 PAN指示液0.1%180 124
3.2 如无明确有效期规定,采运部购买的液体化学试剂使用有效期按表2执行。
表2-液体化学试剂
序号名称浓度有效期(年)序号名称浓度有效期(年)
1 无水乙醇≥99.7%5
2 丙三醇≥98% 5
3 三乙醇胺≥85% 5
4 冰乙酸
≥
99.5%
5
5 盐酸≥36% 5
6 硝酸≥65% 5
7 硫酸≥95% 5 8 氢氟酸≥40% 5
9 高氯酸≥70% 5 10 氨水≥25% 5
11乙酸≥36% 512 磷酸≥85% 5
13过氧化氢≥30% 514
镍单元素
溶液1000ug/m
L
5
3.3 如无明确有效期规定,采运部购买的固体化学试剂使用有效期按表3执行。
表3 - 固体化学试剂
序号名称有效期(年) 序号名称有效期(年)1 EDTA 3 2 干酪素 3
3尿素 3 4苯二甲酸氢钾 3
5 硫脲 3
6 六次甲基四胺3
7 甲酚红 3 8溴酚兰 3
9 络黑T 3 10 苯酚红3
11 孔雀石绿 3 12 溴甲酚绿 3
13 PAN指示剂 3 14 酚酞 3
15 甲基橙 3 16 二甲酚橙 3
17二苯基碳酰二肼 3 18 1.10-菲啰啉 3
19 紫脲酸铵 3 20次甲基兰 3
21 甲基红 3 22茜素红 3
23丁二酮肟 3 24络天青S 3
25 荧光红 3 26 三硝基酚 3
二乙基二硫代氨基甲
3 28 苯基邻氨基苯甲酸3
27
酸钠
29无水乙酸钠 5 30 氟化钠 5
31 无水碳酸钠 5 32过硫酸铵5
33 硫代硫酸钠 5 34氟化铵 5
35 碳酸氢钠 5 36 钼酸铵 5
37 氢氧化钠 5 38 氯化铵 5
39氯化钠540 亚硒酸 5
41碳酸氢二钠 5 42 硝酸银5
43 重铬酸钠 5 44 重铬酸钾 5
续表(3)
45 草酸钠546氢氧化钡 5
47 乙酸钠 5 48 硫酸钾 5 49 亚硝酸钠 5 50 乙酸锌5
51 氟化锌 5 52 硫氰酸铵 5 53丁二酸 5 54 氯化亚铁 5
55 碘酸钾556 氯化亚锡 5
57 碘558 硝酸钾 5 59变色硅胶 5 60 磷酸二氢钾 5
61 草酸 5 62高锰酸钾5
63 氯化锶 5 64 硫酸铜 5
65 氢氧化钾 5 66 酒石酸 5 67铁氰化钾 5 68 氯化钡 5
69 氯化钾 5 70 铬酸钾 5
71 溴化钾 5 72 碘化钾 5 3.4 如无明确有效期规定,采运部购买的金属标样使用有效期为15年。
附加说明:
1. 本标准由江苏弘鼎汽车零部件有限公司提出;
2. 本标准由江苏弘鼎汽车零部件有限公司解释;
3. 本标准主要起草人:徐荣章。