大作业-筛分仪-碎矿与磨矿-武汉理工大学
- 格式:ppt
- 大小:784.00 KB
- 文档页数:47
筛分一、筛分是将粒子群按粒子的大小、比重、带电性以及磁性等粉体学性质进行分离的方法。
二、用带孔的筛面把粒度大小不同的混合物料分成各种粒度级别的作业叫做筛分。
定义筛分sieving;sifting(1)影响筛分的因素归纳如下:①粒径范围适宜,物料的粒度越接近于分界直径时越不易分离;②物料中含湿量增加,黏性增加,易成团或堵塞筛孔;③粒子的形状、密度小、物料不易过筛;④筛分装置的参数。
(2)筛分设备筛分用的药筛分两种,一种为模压筛,另一种为编织筛。
使物料充分运动常同时采用几种运动方式:旋动筛和振荡筛。
作用用筛孔尺寸不同的筛子将固体物料按所要求的颗粒大小分开的操作。
常与粉碎相配合,使粉碎后的物料的颗粒大小可以近于相等,以保证合乎一定的要求或避免过分的粉碎。
一、筛分是利用筛子把粒度范围较宽的物料按粒度分为若于个级别的作业。
分级是根据物料在介质(水或空气)中沉降速度的不同而分成不同的粒级的作业。
筛分一般用于较粗的物料,即大于0。
25毫米的物料。
较细的物料,即小于0。
2毫米的物料多用分级。
但是近几年来,国内外正在应用细筛对磨矿产品进行分级,这种分级效率一般都比较高。
二、根据筛分的目的不同,筛分作业可以分为五类:(1)独立分筛其目的是得到适合于用户要求的最终产品。
例如振动筛分仪,在黑色冶金工业中,常把含铁较高的富铁矿筛分成不同的粒级,合格的大块铁矿石进入高炉冶炼,粉矿则经团矿或烧结制块入炉。
(2)辅助筛分这种筛分主要用在选矿厂的破碎作业中,对破碎作业起辅助作用。
一般又有预先筛分和检查筛分之别。
预先筛分是指矿石进入破碎机前进行的筛分,用筛子从矿石中分出对于该破碎机而言已经是合格的部分,如粗碎机前安装的格条筛、筛分,其筛下产品。
这样就可以减少进入破碎机的矿石量,可提高破碎机的产量。
程序检查筛分是指矿石经过破碎之后进行的筛分,其目的是保证最终的碎矿产品符合磨矿作业的粒度要求,使不合格的碎矿产品返回破碎作业中,如中、细碎破碎机前的筛分,既起到预先筛分,又起到检查筛分的作用。
前言随着现代科学技术的不断发展,矿产资源耗量日益增长,对矿产资源的综合利用程度的要求逐步提高,环境保护法的日趋完善,也促进了选矿技术迅速发展,有可能实现经济地处理低品位矿石。
本次设计的题目是胡家庙子100万吨/年铁矿选矿厂初步设计,经过对原矿性质、矿区地形和气候条件等资料的分析,完成了设计说明书的撰写、图纸的绘制。
另外,还进行了外文文献的翻译和专题论文的撰写。
毕业设计是大学教学的最后一个环节,是为了把大学所学的知识进行巩固。
本设计的处理量中等,磁铁矿的品位过低,如何设计合理的工艺流程从而实现由贫磁铁矿变为高品位磁铁矿的工艺目标是本次设计主要解决的问题。
在设计过程中我得到了矿加工程系各位指导教师的大力帮助,在此深表感谢。
1 概述1.1 胡家庙子铁矿概况1.1.1 矿区自然情况(1)地理位置与交通情况胡家庙子铁矿位于辽宁省鞍山市东部15km处,北距齐大山铁矿6km,西南距眼前山铁矿5.5km。
选厂位于胡家庙子铁矿床中部西侧,金湖新村西侧山坡处,距许东沟采区(一期)1500m,距哑巴山采区(二期)1500m。
齐大山至七岭子的乡级公路经过厂区,交通便利,保障了选厂原材料的供应及产品的外运。
(2)气候情况矿区属大陆性气候,年最高气温在7月份,最高气温36.9℃,最低气温在2月份,气温达-30.4℃,全年平均气温为9.1℃。
采暖期为11月15日~4月15日。
年降水量约为707毫米,最大降雨量在7~8月份。
1.1.2 行政区划分矿区行政隶属于千山区齐大山镇,总面积为6平方千米。
1.1.3 供水、供电情况选厂用水来源于鞍钢给水厂北大沟污水处理站处理后的工业清水,也称净环水,由齐大山选矿厂沟口加压泵站转供,车间用水以回水为主,主要包括精矿过滤后的水,浓缩机的溢流及尾矿库的回水。
外部电源由樱桃园220kv开闭所改建的220kv变电所供电,供电电源为双回路,电压等级为66kv,供电线路长约10km。
1.2 矿区地址及矿石性质该矿区矿石属于鞍山式沉积变质铁矿床主要性质,特征为:矿石自然类型主要为石英磁铁石英岩、辉石磁铁石英岩、磁铁辉石岩、赤铁石英岩,含铁石英岩五类,以磁铁石英岩为主。
新编破碎粉磨与筛分机械选型设计实用全书图书作者:许文出版社:北方工业出版社2006年6月出版册数规格:全四卷+lCD 16开精装定价:¥980元优惠价:460元详细目录第一篇破碎、粉磨机械概述第一章破碎、粉磨机械的基本概念第二章物料的性能第三章破碎、粉磨机械的选型第二篇颚式破碎机第一章颚式破碎机选型设计第二章颚式破碎机的技术规格及安装尺寸第三篇辊式破碎机第一章辊式破碎机选型设计第二章辊式破碎机的性能参数及安装尺寸第三章其他类型辊式破碎机第四篇圆锥破碎机第一章工作原理及类型第二章旋回破碎机第三章圆锥破碎机第五篇卧式转子类破碎机第一章锤式破碎机第二章环锤式破碎机第三章反击式破碎机第四章链式、笼式破碎机和碎渣机第六篇立轴式破碎机第一章PL立式冲击破碎机第二章PFL系列立式复合破碎机第三章HLP型立式粉碎机第四章LCP型立轴锤式破碎机第五章SM型立式碎煤机及SN型片式碎泥机第六章PLF型立轴反击细破碎机第七篇微粉碎机第一章WDJ(SD)系列涡轮式粉碎机第二章QWJ系列气流涡旋微粉机第三章FL一300型离心式粉碎机第四章LF型内藏分级立式微粉碎机组第五章HW型蜗轮式粉碎机第六章T400型高速涡流粉碎机第七章JCIJ320双轴微粉碎机第八章JCw型粉碎机第九章其他微粉碎机和橡塑破碎机第八篇小型破碎设备第一章颚式破碎机第二章圆盘粉碎机第三章其他型号小型破碎机第九篇球磨机第一章球磨机(包括棒、管磨机)选型设计第二章球(棒)磨机的外形尺寸与技术参数第十篇自磨机第一章白磨机的设计结构与工作原理第二章自磨机的设计计算第三章白磨机的应用及技术性能第十一篇风扇磨第一章风扇磨概述第二章风扇磨选型设计第三章风选锤式粉碎机第十二篇摆式磨粉机第一章摆式磨粉机概述第二章摆式磨粉机的设计结构与工作原理第三章摆式磨粉机辅机及电气调整第四章摆式磨粉机的安装与调整第五章摆式磨粉机的设计尺寸第六章MRl00×30摆式磨粉机第十三篇振动磨机第一章振动磨机概述第二章振动磨机的设计结构与工作原理第三章振动磨机的计算第四章振动磨机的规格、外形尺寸及性能第五章振动磨机安装与调整第六章振动磨机的操作与维护第十四篇新型振动粉碎设备第一章振动粉碎技术基础第二章振动粉碎机械设备第三章振动粉碎的应用第四章振动粉碎动力学第五章振动粉碎的设计计算第六章振动粉碎机械元件第七章国内外振动粉碎专利第八章振动粉碎的发展与展望第十五篇气流粉碎机第一章气流粉碎机概述第二章QON型循环管式气流粉碎机第三章QS型水平圆盘式气流粉碎机第四章QL型流化床式气流粉碎机第五章JGM系列全刚玉超音速气流粉碎机第十六篇筛分机械第一章筛分作业及筛机的选型第二章筛分效率第三章振动电机与激振器第十七篇振源为激振器的振动筛第一章圆振动筛(圆振筛)第二章直线振动筛第三章振动筛的参数选择和计算第四章圆振筛技术性能及安装尺寸第五章直线振动筛技术性能及安装尺寸第十八篇热矿筛、振网筛、等厚概率筛和水煤浆振动筛第一章SZR型热矿振动筛第二章WSR型热矿振动筛第三章ZWS型振动筛第四章等厚概率筛和水煤浆振动筛第十九篇旋振筛第一章旋振筛概述第二章旋振筛的用途及特点第三章旋振筛设计结构与工作原理第四章旋振筛技术特性与外形尺寸第二十篇固定筛第一章弧形筛第二章固定筛第二十一篇其他类型筛分机第一章CZS型弛张筛第二章复肥和混肥专用筛第三章USK系列圆振动筛第四章USL系列直接振动筛第五章IS系列倾斜振动筛第二十二篇振源为振动电的振动筛第一章电动振动直线筛第二章直线振动概率筛第三章DZ、ZSJ、ZSG型振动筛第二十三篇水泥生产用破碎机械及粉磨机械第一章水泥生产用破碎机械第二章水泥生产用颚式破碎机第三章水泥生产用锤式破碎机第四章水泥生产用反击式破碎机第五章水泥生产用其他类型破碎机第六章水泥生产用粉磨机械第七章水泥生产用球磨机第八章水泥生产用辊磨机第九章水泥生产用辊压机下面是赠送的保安部制度范本,不需要的可以编辑删除谢谢!保安部工作制度一、认真贯彻党的路线、方针政策和国家的法津法规,按照####年度目标的要求,做好####的安全保卫工作,保护全体人员和公私财物的安全,保持####正常的经营秩序和工作秩序。
课程设计题目选矿厂粉碎车间工艺设计学院资源与环境工程学院专业矿物加工工程班级矿物zy1201班姓名余新明指导教师钱玉鹏2014 年12月28日课程设计任务书学生姓名:余新明专业班级:矿物zy1201班指导教师:钱玉鹏工作单位:资环学院题目: 选矿厂粉碎车间工艺设计初始条件:1选矿厂生产能力Q= 3860 T/D;2原矿最大粒度Dmax=700 mm;3最终破碎产物最大粒度dmax=15 mm;4原矿为不含泥的中硬矿石。
要求完成的主要任务:(包括课程设计工作量及其技术要求,以及说明书撰写等具体要求)1粉碎车间工艺流程的计算:包括总粉碎比I=Dmax /dmax的计算;三段一闭路粉碎流程中各点的产量Qn和产率rn的计算(各段粉碎产品最大粒度的计算,各段粉碎机排矿口宽的计算与决定,各筛孔尺寸及筛分效率的确定,各产物的生产率Qn 与产率rn的计算)。
2粉碎车间主要设备的选型与计算:包括粉碎机的选型与计算(粗碎颚式或旋回式粉碎机的选择与计算、中碎标准型和细碎短头型圆锥粉碎机的选型与计算);筛分机的选型与计算(粗碎前的格筛、中碎前的格筛和细碎前的振动筛的选型与计算-还要说明筛子的倾角)。
3绘图部分:包括粉碎车间工艺流程图;粉碎车间设备机械联系图。
绘制原矿粒度特性曲线图;颚式粉碎机、旋回粉碎机产物粒度特性曲线图;绘制标准圆锥粉碎机产物粒度特性曲线图;绘制短头型圆锥粉碎机产物粒度特性曲线图。
4要求设计说明书总页数不能低于页。
时间安排:教师讲课:0.5天;学生自己设计与计算:2.5天;编写课程设计说明书:1天;绘图: 1天;总计:5天。
指导教师签名:年月日系主任(或责任教师)签名:年月日目录选矿厂粉碎车间工艺设计 (1)1粉碎流程的选择与计算 (1)1.1据总粉碎比拟定原则流程 (1)1.2 对流程中各产物的初步计算 (2)2 粉碎设备的选择与计算 (5)2.1第一段粉碎设备的选择与计算 (5)2.2第二段粉碎设备的选择与计算 (6)2.3第三段粉碎设备的选择与计算 (7)3筛分设备的选择与计算 (8)3.1第一段格筛(预先筛分)的选择与计算 (8)3.2第二段格筛的选择与计算 (8)3.3第三段检查筛分设备的选择与计算 (8)4本设计的可行性分析 (9)4.1工艺可行性分析: (9)4.2设备可行性分析: (10)5感想感谢或建议等 (11)6附件-包括图表等 (12)7参考文献-查阅的讲义、设计手册等资料 (15)选矿厂粉碎车间工艺设计1粉碎流程的选择与计算1.1据总粉碎比拟定原则流程1.1.1求总粉碎比:I=Dmax/dmax,=700/15=46.7。
课程名称:《破碎与磨矿》第 6 讲次摘要授课题目(章、节)第三章破碎与破碎设备第三节破碎设备本讲目的要求及重点难点:【目的要求】通过本讲课程的学习,了解破碎设备的分类,掌握几种常用破碎机的特点。
【重点】破碎设备的分类、几种常用破碎机的特点。
【难点】颚式破碎机、圆锥破碎机和旋回破碎机的特点内容【本讲课程的引入】通过前面的学习,我们知道了破碎原理及理论,但是,用来破碎的设备都有哪些呢?【本讲课程的内容】破碎设备已在越来越多的行业中得到广泛应用。
随着科学技术的发展,各种新型、高效的破碎设备比在逐渐出现并开始应用,在工业中应用的破碎设备种类繁多,其分类方法也有多种,按照使用的粒度范围可将破碎设备分为破碎机与磨矿机两大类。
两者的根本区别是:破碎机的破碎部在工作中不直接接触.破碎面之间总有一间隙。
破碎物料就夹在这些间隙中;而磨碎机的工作部件(或介质)相互接触,工作时可能被物料隔开。
另外,破碎机比磨碎机的产物粒度大,破碎机可按工作原理和结构特征划分为:颚式破碎机、圆锥破碎机、辊式破碎机和冲击式破碎机。
图1-48为主要类型破碎和磨碎设备的原理示意图。
磨碎设备将在下章中讲述。
目前,国内大多数金属矿石选矿厂,主要还是采用颚式破碎机、旋回破碎机和圆锥破碎机等常规破碎设备。
破碎机的型号和规格,主要根据所处理的矿石性质、选矿厂的规模以及厂址地形等条件,综合比较确定。
一般处理中硬以上矿石时,粗碎应用颚式破碎机或旋回破碎机;中硬以下或片状、易脆矿石,可用具有冲击作用的反击式破碎机。
选矿厂规模较大、山坡建厂者,宜用旋回破碎机;选矿厂规模小、平地建厂以及矿石中粘性物料多者,可用颚式破碎机;中细碎多采用圆锥破碎机,少数采用辊式破碎机。
下面分别介绍每种设备:一、颚式破碎机颚式破碎机(出现于1885年)俗称“老虎口”,是历史悠久的破碎机之一,至今仍是破碎硬物料最有效的设备。
它具有结构简单、工作可靠、使用和维护方便等优点,在冶金、建筑、交颚式破碎机的偏心轴是它的传动轴。
第2章筛分及筛分设备2.1 概述在矿物加工过程中经常先将松散的物料分成不同粒级,然后采用不同的分选方法和设备进行分选加工,或直接作为筛分产品供给用户.碎散物料分成不同粒级的过程叫筛分。
一、筛分作业的任务与分类(1)独立筛分当筛分产品作为最终产品供给用户使用时,称为独立筛分.对于煤炭工业,商品煤的粒级要根据煤质、煤的粒度组成和用户要求,按国家有关煤炭粒度分级的规定来确定,供动力用煤的粒级见下表.(2)准备筛分当筛分是为分选作业提供不同粒级的入选矿物时,称为准备筛分,如重选及磁选前的矿物筛分。
在选矿过程中,不同的分选设备有着不同的适宜分选粒度,并对分选效果也有不同的影响。
过粗的大块不能分选,过细的微粒难以回收。
(3)预先筛分与检查筛分若用在破碎前把合格粒级预先筛出叫预先筛分;若用在破碎后以控制破碎产品的粒度则叫检查筛分。
许多情况下,一个筛分作业能同时起预先筛分和检查筛分的作用,如图所示。
预先筛分的目的是为了避免物料的过度破碎,从而提高破碎设备的生产能力和减少动力消耗。
检查筛分的目的是从破碎设备的产物中,将粒度不合格的大块筛出,以保证产品不超过要求的粒度上限。
(4)脱水筛分将伴有大量水的碎散物料(如矿浆、泥浆等)作为筛分原料,以脱除其中液相为目的的筛分称为脱水筛分。
例如湿法选矿,都需要在水介质中进行,精、尾矿中含有大量的水,脱水筛分一方面对产品进行脱水,达到产品水分要求。
另一方面可以回收水,以便循环使用。
(5)脱泥筛分与脱介筛分为达到一定的工艺目的,将碎散物料或伴水的碎散物料作为筛分原料,脱除其中细粒的筛分,称为脱泥筛分或脱介筛分.例如,在跳汰选煤时,为了降低洗水粘度,提高细粒煤的分选效率,在煤进入跳汰机前的脱泥筛分;在重介质选煤时,为了回收细粒状的重介质(-200网目)所进行的脱介筛分。
二、筛分机械的类型筛分机械的种类繁多,一般按筛面的结构形式和运动形式,将其分为以下几种类型。
1.固定筛固定筛是最简单、也是最古老的筛分机械,筛面由许多平行排列的筛条构成,排列的方向与筛上料流的方向相同或垂直。
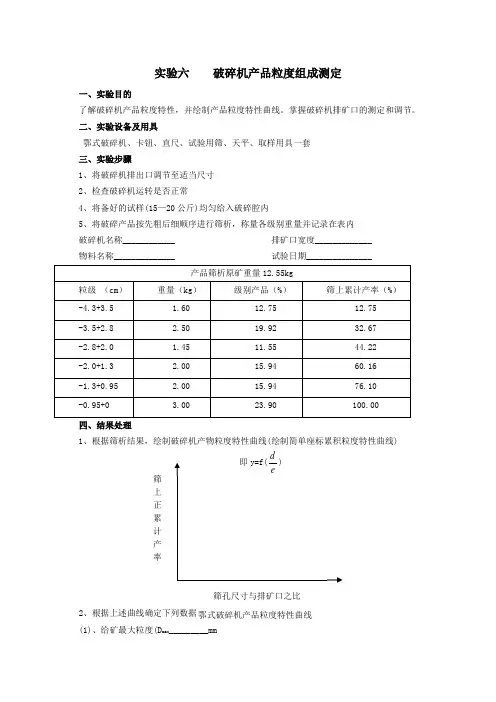
实验六 破碎机产品粒度组成测定
一、实验目的
了解破碎机产品粒度特性,并绘制产品粒度特性曲线。
掌握破碎机排矿口的测定和调节。
二、实验设备及用具
鄂式破碎机、卡钮、直尺、试验用筛、天平、取样用具一套 三、实验步骤
1、将破碎机排出口调节至适当尺寸
2、检查破碎机运转是否正常
4、将备好的试样(15—20公斤)均匀给入破碎腔内
5、将破碎产品按先粗后细顺序进行筛析,称量各级别重量并记录在表内 破碎机名称____________ 排矿口宽度_____________ 物料名称______________ 试验日期_______________
四、结果处理
1、根据筛析结果,绘制破碎机产物粒度特性曲线(绘制简单座标累积粒度特性曲线)
2、根据上述曲线确定下列数据 (1)、给矿最大粒度(D max _________mm
筛 上 正 累 计 产 率
筛孔尺寸与排矿口之比
鄂式破碎机产品粒度特性曲线
(2)、产品最大粒度(d max ________mm (3)、破碎比R=
max
max
D d (4)、残余粒__________%。
即大于排矿口(
筛孔
排矿口
)含量。
2007年第5期 中国非金属矿工业导刊 总第63期【企业风采】华特集团新产品鉴定暨新产品推介、技术交流会纪实华特集团节能环保球磨机配分级机石英砂生产线、节能环保高场强筒辊式永磁磁选机两项新产品鉴定会于2007年8月25日在安徽省凤阳县安徽科技学院胜利召开。
会议由山东省科技厅组织,受省厅委托,潍坊市科技局主持,参加会议的有中国非矿工业协会、中国科学院、武汉理工大学、山东大学、山东科技大学、长沙矿冶研究院、宁夏工业设计研究院、蚌埠玻璃工业设计院、中国粉体技术杂志社、中国非金属矿工业导刊杂志社、建筑材料工业技术情报研究所、中国粉体网、北京新材料发展中心、宁夏电力集团等来自全国各地的知名专家、学者、企业家及来自广东、广西、湖北、山西、河北、山东、江苏、安徽、北京等地的用户代表百余人。
各专家、学者、企业家、用户代表对产品给予高度评价。
凤阳县常务副县长贾培洋出席会议并讲话,他认为这不仅是华特集团的产品鉴定会,更是凤阳人民了解华特、认识华特的一个很好的契机。
本次鉴定会由武汉理工大学长期从事矿物加工的彭会清教授担任主任委员,副主任委员由山东科技大学教授郭忠平、蚌埠玻璃工业设计院教授级高工蒋学鑫担任,委员分别由中国科学院、长沙矿冶研究院、山东大学、中国非矿工业协会的研究员、教授担任。
障率低、操作简单、运行成本低,特别是在节能,环保方面尤为突出,必将为我国石英砂行业产品的加工带来可观的经济效益。
节能环保型高场强永磁磁选机结构合理,技术先进,分选效果好,运行稳定,采用永磁体为磁源,节能效果好,为提高石英砂及其他非矿行业的产品档次提供了可靠的保障。
与会人员参观了凤阳县凤城粉体材料厂球磨机配分级机石英砂生产线及磁选机使用现场,部分专家及客户代表详细咨询了设备的运行使用情况,大家对石英砂生产线及磁选机的先进性给予充分肯定,对使用效果非常满意。
新产品鉴定会会场参会代表参观生产线现场会议期间,公司对产品开发和研制过程分别进行了汇报,并从产品的研制背景、工作原理、性能特点、创新点、专利获得、与国内外同类产品水平的比较、工艺制作以及国内外市场预测等作了详细说明。
湖北大冶重质碳酸钙超细粉碎研究
印航;高惠民;管俊芳;刘剑锋
【期刊名称】《中国非金属矿工业导刊》
【年(卷),期】2009(000)002
【摘要】以湖北大冶某重质碳酸钙(GCC)为原料,采用湿法行星磨超细加工工艺,研究了磨矿浓度、分散剂用量、磨矿时间及磨矿介质配比等对磨矿粒度的影响;在最优工艺条件下,可获得d90<2.5μm、-2μm含量>85%的超细方解石粉体;SEM形貌观察多为片状,表面平整,颗粒均匀.
【总页数】3页(P37-39)
【作者】印航;高惠民;管俊芳;刘剑锋
【作者单位】武汉理工大学资源与环境工程学院,湖北,武汉,430070;武汉理工大学资源与环境工程学院,湖北,武汉,430070;武汉理工大学资源与环境工程学院,湖北,武汉,430070;武汉理工大学资源与环境工程学院,湖北,武汉,430070
【正文语种】中文
【中图分类】P578.61;TD921.4
【相关文献】
1.重质碳酸钙在超细粉碎中的多维分形特征 [J], 陈德炜;葛晓陵;Quentin SHI;袁泉
2.助磨剂对重质碳酸钙超细粉碎效果及能耗的影响 [J], 陈彦如;廉晓敏;牛保军;郑水林
3.行星磨中重质碳酸钙湿法超细粉碎动力学研究 [J], 郑炳年;徐颖利;文衍宣
4.行星磨中重质碳酸钙湿法超细粉碎的实验研究 [J], 郑炳年;徐颖利;文衍宣
5.重质碳酸钙颗粒在超细粉碎工艺中的分形维数和多维分形特征变化 [J], 陈德炜;葛晓陵;QuteenShi;袁泉;田雨
因版权原因,仅展示原文概要,查看原文内容请购买。
高效多重立体筛分装置的技术效果陈平;何永佳;丁庆军;胡曙光【摘要】针对传统管磨机隔仓装置中存在的筛分效率低、通风不良以及料位调节能力不平衡等问题,提出高效多重立体筛分装置的技术原理和构造设计方法,同时对其技术效果进行了分析.结果表明,该装置的应用可显著提高管磨机内筛分效率,改善磨内通风状态,并且延长使用寿命,具有显著的技术经济效益.【期刊名称】《水泥技术》【年(卷),期】2010(000)005【总页数】3页(P30-32)【关键词】多重;立体筛分装置;技术效果【作者】陈平;何永佳;丁庆军;胡曙光【作者单位】武汉理工大学材料科学与工程学院,湖北武汉,430070;有色金属及材料加工新技术教育部重点实验室,广西桂林541004;武汉理工大学材料科学与工程学院,湖北武汉,430070;武汉理工大学材料科学与工程学院,湖北武汉,430070;武汉理工大学材料科学与工程学院,湖北武汉,430070【正文语种】中文【中图分类】TQ172.632.9隔仓装置是管磨机的重要组成部分,分为单层隔仓和双层隔仓,单层隔仓多为溢流式排料,物料通过阻力较大,而传统的双层隔仓装置多由篦板和盲板组成,有的中间有扬料板等。
盲板设计往往使磨内通风不良,而较强的提升能力又往往使双层隔仓装置过流能力过剩,各仓物料粒度与研磨介质尺寸、料球比等参数难以匹配[2]。
而研制的高效多重立体筛分装置则可以很好地解决以上问题,不仅改善磨内通风,而且具有良好的快速筛分能力和料位调节能力。
2.1 立体筛分装置构造立体筛分装置是在传统的双层隔仓装置基础之上开发而来,具有明显的技术创新性,它以立筛板代替传统双层隔仓装置的盲板,以立体筛(滚筒筛)代替双层隔仓装置中的扬料板,并且根据流体力学原理对卸料锥和通风口的大小和形状进行了特别设计。
其整体构造图和实物图分别见图1、图2所示[3]。
2.2 立体筛分装置的参数选择在高效立体筛分装置的结构设计中,各构造部件尺寸参数对于发挥其选粉和粉磨效率至关重要,参数选择不当,将使各部件之间功能及能力不相匹配,影响筛分效率。
碎矿与磨矿复习题1名词解释粉碎比:粉碎作业原物料粒度与产物粒度的比值。
阻碍粒子 :粒度为1~1.5倍筛孔尺寸的颗粒叫“阻碍粒”返砂量、比:在闭路磨矿循环中,从分级机返回到磨矿机再磨的粗粒物料的重量叫返砂量,返砂的重量与磨矿机原给矿的重量百分比叫做返砂比。
筛比:两相邻筛子的筛孔尺寸之比。
有基本筛比和附加筛比之分矿石的可碎性:可碎性系数 k1=Q/Q0(4-2)Q-在相同条件下,粉碎待测矿石的生产率(T/h);-在相同条件下,粉碎标准矿石的生产率(T/h);Q标准矿石为中硬矿石如石英、磷灰石等。
基筛:以某筛孔尺寸为基准的筛子。
以此来推算其它筛子的筛孔尺寸筛分效率:指筛下产物中小于筛孔尺寸粒级物料重量占原料中小于筛孔尺寸粒级物料重量的百分比检查筛分:与粉碎机(主要是细碎机)构成闭路作业的筛分作业。
目的在于把粉碎机产品中大于排矿口的矿粒筛出,从而保证筛下产物都是合格粒度。
选择性粉碎:当粉碎矿石时,有的被粉碎成较粗的粒子,而有的却被粉碎成较细的粒子,这种现象叫选择性粉碎。
中值平均直径:粒度中值是表示粒度分布的集中趋势,中值平均直径是累计曲线上颗粒含量50%处对应的平均粒径。
矿石的粒度组成:粒群中各粒级的相对含量或物料在各粒级中的分布情况预先筛分:设置在某段粉碎机前面的筛分作业叫预先筛分。
目的是为了把送往粉碎机的矿石中比排矿口小的矿块先筛去,从而减轻粉碎机的负荷。
检查分级:是与磨矿机构成闭路作业的分级作业。
其目的是保证合格的磨矿细度,同时将粗粒返回磨矿机再磨(类似于检查筛分),形成合适的返砂(循环负荷),从而提高磨矿效率。
控制分级:是把上一个分级设备的溢流再分级,以便得到更细的溢流。
其目的是在一段磨矿条件下,获得更细的溢流粒度。
难筛粒子:小于筛孔尺寸但大于3/4筛孔尺寸的颗粒叫“难筛粒”筛分速度:筛面上小于筛孔尺寸物料在单位时间内减少的量砾磨机:一种用砾石或卵石作磨矿介质的磨矿设备,通常用于细磨,作为棒磨和自磨的二次磨矿设备,在个别情况下用于粗磨。
内筛分双转子破碎机的主要工艺转速的设计黄之初 张登峰 李 源武汉理工大学摘 要: 由武汉理工大学与武汉鑫达公司共同研发的内筛分双转子破碎机(专利号:Z L 200420017744.6),以其优良的综合性能受到建材行业的关注。
应制造厂与用户的要求,首次给出该破碎系列产品主要工艺转速设计的方法,与同行共同探讨。
关键词: 内筛分; 双转子; 爬升速度; 贴壁速度 1 内筛分双转子破碎机的工作原理与结构简介 内筛分双转子破碎机由2个电动机分别带动内、外转子做方向相反、转速不同的转动,使被破碎物料在受到强烈冲击的同时,还会受到很大的剪切作用力,而脆性物料的抗剪切力要低于抗压的能力,因此可以起到节能破碎的效果。
特别值得注意的是,物料受到的冲击与剪切力不仅是由机件施给,而且大量的是由物料在飞行中相互施给的力,这样可以大量地减少单位产品中的铁耗。
该类破碎机的典型结构见图1。
图1 内筛分双转子破碎机典型结构示意图在破碎机的外转子中,有一个倒锥形出料筛,该筛与外转子一起传动,将合格的碎料筛入机低料斗,而不合格的粗料将在离心力的作用下沿倒锥面爬升再进入破碎腔下端继续被粉碎。
2 内筛分双转子破碎机主要工艺转速的确定 从上节的结构与工作原理中可以看出,内外转子的适宜转速将是保证本破碎机正常运转的重要工艺条件。
2.1 外转子转速n 1外转子的转速既要大于使物料在锥形筛面上爬升的最低转速,又必须低于物料在外转子筒壁上贴附的“贴壁速度”。
即n ′1<n 1<n ″1(1)式中,n ′1为使粗料沿筛面爬升所需转速(r/m in );n ″1为使物料在外转子内壁贴附的转速(r /min )。
(1)n ′1的计算图2 爬升转速分析如图2所示:设锥面筛的母线锥度为 ,则[F L 1co s +mg sin ]*f 1+mg cos ≤F L 1sin (2)式中,f 1表示物料与筛面的摩擦系数;F L 1=mr 21为物料在筛面上具有的最小离心力; 1=2 n ′160为锥形筛角速度(弧度/s);r 为倒锥筛锥底的半径(m )(2)n ″1的计算根据物料在外转子内壁贴附时的受力分析,可知应满足 f 2F L 2≤mg(3)式中,f 2为内壁与物料的摩擦系数;F L 2=mR 22为物料在外转子内壁面所具有的公称离心力; 2=2 n ″60为外转子角速度(弧度/s);R 为外转子内壁净空公称半径(m )。