沉井设计计算
- 格式:ppt
- 大小:476.00 KB
- 文档页数:28
圆形工作井(沉井)结构计算
本次计算结构简图如下:
15940
下沉计算
工作井采用排水下沉
地下水位埋深3.90m(根据地勘成果)。
根据地勘资料,素填土、淤泥、粉质粘土及砂质粘性土侧摩阻力系数f分别取20kPa 10kPa 25kPa 和25kPa。
多层土单位摩阻力标准值f k按各层土单位摩阻力标准值取加权平均值f ka,计算式如下:
n
20*6.03 10*2.5 25
*「3 25*「17 l8.85KPa (6.03+2.5+1.3+1.17 ) 沉井井壁自重 G=212.09X 25=5302 KN
当井外壁为阶梯形时,沉井与土间的总摩阻力 T 按下图计算:
相应公式及计算结果为:
3889KN
沉井排水下沉系数
抗浮验算
沉井井壁自重:
沉井底板自重: k st ^w, 530^^ T 3889 1.363 1.05
经计算,沉井下沉系数大于 1.05, 下沉系数满足规范要求。
g
罠
I.
r
r
1 卜
r
—IB T (f ka h 0.7 f ka H 5m h
(18.85 2.5 0.7 18.85
11 5 1
0.7f ka 2 1 2.5 — 0.7 18.85 5) 3.142 9.8 2 5m )n d G 1=5302.25KN G 2=3.142 X 42X 0.6 X
25=754.08KN f ki h si。
沉井工程量计算沉井工程是指在建筑物或其他工程中,为了排水或通风等目的而在地下开挖的井。
沉井工程量计算是沉井工程设计的重要环节之一,正确计算工程量可以保证工程的顺利进行和质量的保证。
下面介绍沉井工程量计算规则最新。
一、沉井工程量计算规则1. 沉井的计算方法沉井的计算方法有两种,一种是按照沉井的实际尺寸计算,另一种是按照沉井的设计尺寸计算。
一般情况下,按照实际尺寸计算比较准确,但是在设计时需要考虑到施工的难易程度和成本等因素,因此需要按照设计尺寸计算。
2. 沉井的计算公式沉井的计算公式为:V=π/4×(D1²-D2²)×H,其中V为沉井的体积,D1为沉井的上口直径,D2为沉井的下口直径,H为沉井的深度。
3. 沉井的计算单位沉井的计算单位一般为立方米,也可以根据实际情况选择其他单位。
4. 沉井的计算精度沉井的计算精度一般为小数点后两位,如果需要更高的精度,可以根据实际情况进行调整。
二、沉井工程量计算实例下面以一个实例来说明沉井工程量计算的具体步骤。
假设需要建造一个直径为2米,深度为3米的沉井,按照设计尺寸计算,计算公式为:V=π/4×(D1²-D2²)×H=π/4×(2²-1.8²)×3≈3.14立方米。
因此,这个沉井的工程量为3.14立方米。
三、注意事项1. 在进行沉井工程量计算时,需要考虑到施工的难易程度和成本等因素,选择合适的计算方法和计算精度。
2. 在进行沉井工程量计算时,需要注意单位的选择和换算,确保计算结果的准确性。
3. 在进行沉井工程量计算时,需要根据实际情况进行调整,避免出现误差。
4. 在进行沉井工程量计算时,需要注意安全问题,确保施工过程中的安全性和稳定性。
深圳市城市轨道交通4号线工程主体工程4302标段二工区(沉井)结构计算书计算:校核: 审定:中铁二局工程有限公司深圳市轨道交通4号线4302标二工区项目部2016年10月1目录1 目录 (2)1.1 顶管概况 (3)1.2 顶管工作井、接收井尺寸 (3)1.3 1200mm管顶力计算 (3)1.3.1 推力计算 (3)1.3.2 壁板后土抗力计算: (4)1.3.3 后背土体的稳定计算: (4)1.4 工作井(沉井)下沉及结构计算 (4)1.4.1 基础资料: (4)1.4.2 下沉计算: (5)1.4.3 下沉稳定计算: (5)1.4.4 刃脚计算: (5)1.4.5 沉井竖向计算: (6)1.4.6 井壁内力计算:(理正结构工具箱计算) (7)1.4.7 底板内力计算:(理正结构工具箱计算) (12)1.5 接收井(沉井)下沉及结构计算 (13)1.5.1 基础资料: (13)1.5.2 下沉计算: (14)1.5.3 下沉稳定计算: (14)1.5.4 抗浮稳定计算(沉井下沉到设计标高浇注底板后): (14)1.5.5 刃脚计算: (14)1.5.6 沉井竖向计算 (15)1.5.7 井壁内力计算:(理正结构工具箱计算) (16)1.1顶管概况(1)钢筋Ф—HRB335级钢筋强度设计值fy=fy′=300N/ mm2(2)圆管砼:采用C50,沉井采用C30。
(3)所顶土层为黏土,r=17KN/ m3本计算除井壁、底板外未采用专业计算软件。
1.2顶管工作井、接收井尺寸1、工作井尺寸的设计、核算由检查井的设计要求及顶管操作技术要求决定。
(1)、工作井的宽度计算公式B =D+2b+2c 式中:B——工作井宽度;D——顶进管节的外径尺寸;b——工作井内安好管节后两侧的工作空间,本工程采用每侧0.8m;c——护壁厚度,本工程采用0.4m;本工程的顶管直径为D1000,壁厚200。
工作井的宽度尺寸为 B=8.7mm;(2)工作井底的长度计算公式:L=L1+L2+L3+2L4+L5式中:L——工作井底部开挖长度;L1——管节长度取2m ;L2——顶镐机长度取1.1m ;L3——出土工作长度,取1.1m;;L4——后背墙的厚度,取0.4m;;L5——已顶进的管节留在导轨上的最小长度,取0.3m。
沉井工程计算方案概述沉井是最常用的桥墩基础形式之一,其结构简单、工期短、施工方便,已广泛应用于公路、铁路、桥梁、码头等基础工程领域。
而沉井的设计计算是沉井工程的核心,本篇文档将介绍沉井工程的计算方法和方案。
沉井的设计参数沉井的设计参数主要包括井身直径、井身深度、板厚、颈缩长度、颈缩直径、溢流口直径、溢流口位置、压力表距离等。
其基本设计参数如下表所示:设计参数物理意义D 井身直径H 井身深度t 板厚L 颈缩长度d 颈缩直径d1 溢流口直径Pmax 最大承载力l 压力表距离沉井的计算方法最大承载力的计算最大承载力是沉井设计中最为重要的参数,其计算方法主要有解析法、数值分析法和现场试载法三种。
解析法最大承载力解析法主要基于经验公式,提供了一种简单、快捷的计算方案。
一般采用比例系数法得到最大承载力如下式所示:Pmax = k1 × k2 × k3 × k4 × k5 × q其中,q为单位面积承载力;k1为处理土质和水位因素的系数;k2为处理施工过程的系数;k3为处理土方因素的系数;k4为处理整体效应的系数;k5为处理现场检测方法和土层整体特性的系数。
数值分析法数值分析法主要应用于具有复杂地质体结构的沉井设计。
通过有限元分析或边界元分析计算,可以得到更为精确的沉井设计参数。
但是数值分析法的计算过程复杂,需要进行大量计算,同时需要进行模型验证和参数修正。
因此,在工程实践中,数值分析法主要应用于特殊情况下的沉井设计。
现场试载法现场试载法是一种直接测定沉井承载力的方法,它不需要知道地质资料和土层特性,具有现地实际情况的真实性和可靠性,但它比较复杂,需要专业的试验设备和技术人员。
井身板厚计算井身板厚是沉井工程中另一关键参数,其计算按照承载力和稳定性进行设计,一般应满足以下要求:•承载力方面:井壁承载力应不小于扣压荷载;•稳定性方面:井壁应满足安全系数要求。
溢流口位置的计算溢流口位置的计算需要根据沉井承载力、水面标高、最高水位、跨径等因素进行综合分析,其计算方法分为简化法和细化法。
沉井计算书一、下沉验算1、沉井自重G k=[3.14×(5.52-4.52)×10.75÷4-(0.55+0.7)×0.15×3.14×2.325×2÷2-0.35×0.5×3.14×2.45×2÷2+0.15×2.3×3.14×2.8×2]×25+0.15×8.1×3.14×2.8×2×18=85.56×25+21.36×18=2523.56KN2、井壁摩阻力f Ka=(1.2×10+2.6×8+2.8×25+3.8×20)÷(1.2+2.6+2.8+3.8)=17.19Kpa摩阻力F fK=(2.5+3.2)×3.14×5.5×f Ka×2÷3+f Ka×2.3×3.14×5.8 =1128.11+720.05=1848.16KN下沉过程中的水的浮托力F fw.K=(85.56-3.53)×10=820.3KNK St=(G k-F fw.K)÷F Fk=(2523.56-820.3)÷1848.16=0.92下沉验算不符合要求。
二、外力计算按重液地压公式计算:P W+E=13h=13×11.4=148.2 KpaP W=10×10.75=107.5 Kpa三、结构内力计算及配筋1、计算截面所在土层的内摩擦角θ=13.4。
则θA=θ+5=18.4。
;θB=θ-5=8.4。
;tg2(45。
-θA/2)=0.520;tg2(45。
-θB/2)=0.745;m=0.745/0.520=1.43;m-1=0.43 考虑井内水压:压力差:P A=(13×9.8-91.5)=35.9KpaN A=35.9×1.27×2.65×(1+0.785×0.43)=161.63KN:N B=P A r c(1+0.5×0.43)=146.80KNM A=-0.1488 P A r c2W‘=-0.1488×35.9×1.27×2.652×0.43=-20.48KN·M M B=-0.1366 P A r c2W‘=-0.1366×35.9×1.27×2.652×0.43=-18.81KN·M 不考虑井内水压:P A=127.4×1.27=161.80KpaN A=161.80×2.65×(1+0.785×0.43)=573.6KN:N B=P A r c(1+0.5×0.43)=520.96KNM A=-0.1488 P A r c2W‘=-0.1488×161.80×2.652×0.43=-72.70KN·MM B=-0.1366 P A r c2W‘=-0.1366×161.80×2.652×0.43=-66.7KN·M 按内力:M A=-72.70 KN·M;N A=573.6KN计算配筋。
(1)竖向挠曲计算(第一节沉井抽垫木时)
2、井壁计算不排水挖土下沉排水挖土下沉
能很好地控制支承点,为了使
井壁挠曲应力尽可能小,支点
位置可设在最有利位置(使支
点和跨中点的弯矩大致相等)。
很难控制支承点,第一节沉井下沉过程可能会出现最不利的支承情况。
(竖向挠曲应力、竖向拉力、水平内力)
将沉井视为承受自重的梁来计算竖向挠曲应力,以此验算井壁的弯曲抗拉强度。
验算时取的支承点位置和施工方法有关:
τh
G
(3)井壁水平内力计算(井壁水平钢筋验算)
作为闭合的水平框架进行计算(方法同刃脚框架),但所取的位置不同。
最不利工况是:下沉至设计标高,刃脚下土已挖空而尚未封底。
此时在刃脚根部c-c 断面以上截取一段高度等于该处井壁厚度的井壁作为水平框架。
框架上的水平荷载除了该段井壁范围内的水土压力外,还有刃脚作为悬臂作用传到刃脚根部的水平剪力(其值等于刃脚向内挠曲时的水平外力乘以分配系数
)平面图
剖面图。
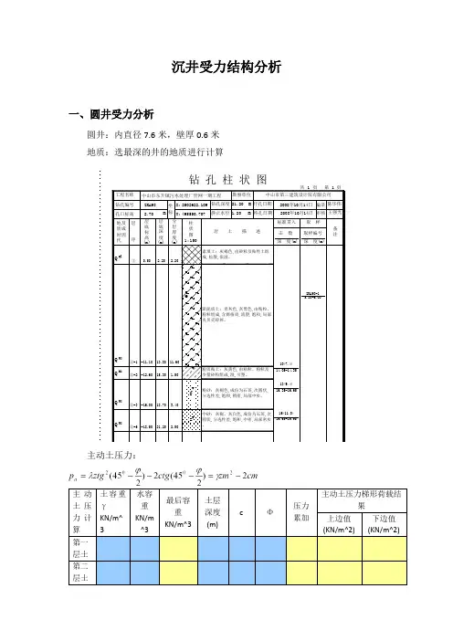
沉井受力结构分析一、圆井受力分析圆井:内直径7.6米,壁厚0.6米 地质:选最深的井的地质进行计算岩 土 描 述钻 孔 柱 状 图钻孔编号孔口标高工程名称地及质成时因代(m)分层度厚层序(m)标高底(m)底度深ZKA982.70层中山市东升镇污水处理厂管网一期工程层m 柱状图1501:2502622.109495550.707坐标Y:X:标准贯入深 度(m)钻孔深度勘察单位21.20中山市第三建筑设计院有限公司击 数m 静止水位取 样深 度(m)取样编号备注1.20共页第页m 开孔日期2008年10月14日终孔日期2008年10月14日编录审核陈华伟王强光11Q①0.50 2.20 2.20素填土:灰褐色,由砂粒及粘性土组成,松散,很湿。
Q ②-1-11.1013.8011.60淤泥质土:青灰色,灰黑色,由粘粒、粉粒组成,含腐植质,流塑,饱和,局部夹贝壳碎屑。
Q②-2-12.6015.30 1.50粉质粘土:灰黄色,由粘粒、粉粒及少量砂粒组成,湿,可塑。
Q②-3-16.0018.703.40f粉砂:灰褐色,成份为石英,次圆状,分选性差,饱和,稍密,局部中实。
Q②-6-18.5021.202.50z中砂:灰褐、灰白色,成份为石英,次圆状,分选性差,饱和,中密,局部密实。
10(7.4)14.05-14.35▼13(9.4)16.35-16.65▼16(11.0)19.65-19.95▼ZKA98-15.80-6.00●主动土压力:主动土压力计算 土容重γKN/m^3水容重KN/m ^3 最后容重KN/m^3土层深度(m) c Φ压力累加主动土压力梯形荷载结果 上边值(KN/m^2)下边值(KN/m^2)第一层土 第二层土水压力计算公式如下: 按最不利计算,水下水位线与地面线同,水深为13.8米 W=取竖向1米高板来进行计算取最底的1米沉井来计算,从上表可得外压力为:(+)=m^2不带隔墙下沉的圆形沉井,在下沉过程中井壁的水平内力可按不同高度截取闭合圆环计算,并假定在互成90°的两点处土壤内摩擦角的差值为5°~10°。
沉井或气压沉箱的计算与验算方法一、一般规定(一)沉井施工前应对垫层厚度、下沉系数、接高稳定性、封底混凝土等内容进行计算与验算,计算和验算时所取的作用力均采用标准值。
(二)气压沉箱施工计算应符合下列规定:1、在下沉阻力计算中,除箱壁侧摩阻力、刃脚反力外,尚应包括气压浮托力;2、工作室顶板的计算荷载应根据不同工况确定,应取配重、自重、地基反力、水浮力和气压浮托力的最不利工况,且不应计入封底混凝土的作用。
3、水域沉井与沉箱在溜放、拖运以及沉放施工时,应对沉井与沉箱的倾斜稳定性进行验算;水域沉井与沉箱的前后两面水平作用不均衡时,尚应验算抗滑移及抗倾覆稳定性。
4、钢筋混凝土沉井与气压沉箱在分节制作时,每节井(箱)壁上端水平钢筋应加强。
5、沉井与气压沉箱首节制作时的基底压力不应大于下卧层地基承载力特征值,以后各节接高制作时应符合地基极限承载力的要求。
6、沉井与气压沉箱地基承载力及软弱下卧层验算应按现行国家标准《建筑地基基础设计规范》GB 50007的规定执行。
二、混凝土垫层及砂垫层(一)开挖工作坑遇有暗塘、暗沟、旧河道等不良地质时应进行加固处理,工作坑的开挖应符合现行行业标准《建筑基坑支护技术规程》JGJ120的规定。
(二)砂垫层的厚度应根据沉井与气压沉箱的重量和地基土的承载力按下列公式计算确定,且不宜小于600mm。
p=G0/(2*hs*tanα+BL)+γs*hsp≤fa式中:p——基底压力标准值(kN/m2);hs——砂垫层厚度(m);G0——沉井与气压沉箱第一节沿井壁单位长度重量(kN/m);γs——砂的天然重度(kN/m3),可取15kN/m3;BL——素混凝土垫层的宽度(m),BL=B+2bl,计算时取bl=hc;b1——素混凝土外挑宽度(m),可取b1≥hc(hc为素混凝土垫层厚度);α——砂垫层的压力扩散角(°),可取30°;fa——修正后的地基承载力特征值(kPa);b——刃脚踏面宽度(m);B——刃脚宽度(m)。
沉井下沉和结构计算6.1 一般规定6.1.1 沉井井壁外侧与土层间的摩阻力及其沿井壁高度的分布图形,应根据工程地质条件、井壁外形和施工方法等,通过试验或对比积累的经验资料确定。
当无试验条件或无可靠资料时,可按下列规定确定:1 井壁外侧与土层间的单位摩阻力标准值fk,可根据土层类别按表6.1.1的规定选用。
2 当沿沉井深度土层为多种类别时,单位摩阻力可取各层土单位摩阻力标准值的加权平均值。
该值可按下式计算:3 摩阻力沿沉井井壁外侧的分布图形,当沉井井壁外侧为直壁时,可按图6.1.1-a采用;当井壁外侧为阶梯形时,可按图6.1.1-b采用。
6.1.3 当下沉系数较大,或在下沉过程中遇有软弱土层时,应根据实际情况进行沉井的下沉稳定验算,并符合下式的要求:2. 抗倾覆验算:6.1.7 靠近江、河、海岸边的沉井,应进行土体边坡在沉井荷重作用下整体滑动稳定性的验算。
6.1.8 水中浮运的沉井在浮运过程中(沉入河床前),必须验算横向稳定性。
沉井浮体在浮运阶段的稳定倾斜角φ不得大于6°,并应满足(p-l)>0的要求。
φ角按下式计算:6.1.9 在施工阶段,井壁的竖向抗拉应按下列规定计算:1 土质较好,沉井下沉系数接近1.05时,等截面井壁的最大拉断力为:2 土质均匀的软土地基,沉井下沉系数较大(≥1.5)时,可不进行竖向拉断计算,但竖向配筋不应小于最小配筋率及使用阶段的设计要求。
3 当井壁上有预留洞时,应对孔洞削弱断面进行验算。
6.1.10 当沉井的下沉深度范围内有地下水时,对下列情况可酌情按不排水施工或部分不排水施工设计:1 在下沉度范围内的土层中存在粉土或粉细砂层,排水下沉有可能造成流砂时;2 沉井附近存在已有建筑或构筑物,降水施工可能增加其沉降或倾斜而难以采取其它有效措施时。
6.1.11 作用在底板上的反力可假定按直线分布,计算反力时不宜考虑井壁与土的摩阻力作用。
底板与井壁间,当无预留插筋连接时,应按铰接考虑;当用钢筋整体连接时,可按弹性固定考虑。
矩形沉井计算(工作井)★工程概况★沉井参数(节段编号由地面向上)下沉系数k st =(∑G ik -∑F fw.k )/∑F fk =1.42≥1.05k st = 1.20★沉井下沉稳定计算基底极限承载力(kpa):σbi =150.00基底反力(kN):R b =2945.24稳定系数k st,s =(∑G ik -∑F fw.k)/(∑F fk +R b )=0.67≤0.90稳定系数满足要求。
.★沉井抗浮计算抗浮系数k st =(∑G ik +G d )/∑F bfw.k底板面积(m 2):A=26.00地板厚度(m):t=0.65底板重力(kN):G d =422.50沉井重力∑G ik =4400.00基底浮力∑Fbfw.k =1050.00矩形沉井计算工程名称:东门水厂管道改造工程。
根据使用要求,沉井平面设计为矩形,平面尺寸为6m×4m,高度为16m。
沉井采用三次制作,第一节制作高度为6m,第二节制作高度为5m。
k st= 4.59≥ 1.00抗浮系数满足要求。
★沉井施工阶段井壁竖向抗拉计算本工程地基为均匀软土地基,沉井下沉系数较大,可不进行竖向拉断计算。
配筋按构造配筋即可配12mm@100mm沉井结构强度计算★沉井定位支撑条件下的井壁计算Array◆内力计算沉井净长l= 6.50(m)沉井净宽b= 4.00(m)井壁厚度t=0.50(m)节段高度h= 6.00(m)支撑布置如右图,计算得到效应为:跨中最大弯矩Mo=26.25(kN.m)支座弯矩Ms=-198.83 (kN.m)◆配筋计算按深梁进行配筋(参照《混凝土结构设计规范》GB20010-2002)深梁计算跨度l o=0.7*l o= 4.90(m)深梁高h= 6.00(m)l o/h=0.82≤ 2.50按深梁计算截面b=t=0.50(m)砼等级----C25h o=0.9h= 5.40(m)砼抗压强度设计值f c=11.90(MPa)跨中最大组合弯矩M o=31.50(kN.m)受压区x=1.08(x<0.2h o 时,取0.2ho)内力臂z=(0.8+0.04*l o/h)(h o-0.5x)= 2.94(m)(l o<="">取HRB400直径20.00mm 2.00根支座组合弯矩Ms=-238.60 (kN.m)受压区x=1.08(x<0.2ho时,取0.2ho)内力臂z=(0.8+0.04*lo/h)(ho-0.5x)= 2.94(m)(lo<=""> 取HRB400直径16.00mm 2.00根由于剪力和扭矩均较小,垂直钢筋按其他工况配置。
沉井的设计与计算沉井的设计与计算2010-04-19 22:18沉井既是结构物的基础,又是施工过程中挡土、挡水的结构物,因此其设计计算需包括沉井作为整体深基础的计算和在施工过程中的计算两大部分。
在设计沉井计算之前必须掌握如下有关资料:①上部结构尺寸要求,沉井基础设计荷载;②水文和地质资料(如设计水位、施工水位、冲刷线或地下水位标高,土的物理力学性质,沉井通过的土层有无障碍物等);③拟采用的施工方法(排水或不排水下沉,筑岛或防水围堰的标高等)。
5-3-1沉井作为整体深基础的计算沉井作为整体深基础设计,主要是根据上部结构特点、荷载大小及水文和地质情况,结合沉井的构造要求及施工方法,拟定出沉井埋深、高度和分节及平面形状和尺寸,井孔大小及布置,井壁厚度和尺寸,封底混凝土和顶板厚度等,然后进行沉井基础的计算。
根据沉井基础的埋置深度不同有两种计算方法。
当沉井埋深在最大冲刷线以下较浅仅数米时,可不考虑基础侧面土的横向抗力影响,按浅基础设计计算;当埋深较大时,沉井周围土体对沉井的约束作用不可忽视,此时在验算地基应力、变形及沉井的稳定性时,应考虑基础侧面土体弹性抗力的影响,按刚性桩(αh 2.5)计算内力和土抗力。
一般要求沉井基础下沉到坚实的土层或岩层上,其作为地下结构物,荷载较小,地基的强度和变形通常不会存在问题。
一般要求地基强度应满足:表5-1土与井壁摩阻力经验值土的名称土与井壁的摩阻力q(kPa)砂卵石砂砾石砂土流塑粘性土、粉土软塑及可塑粘性土、粉土硬塑粘性土、粉土泥浆套18~30 15~20 12~25 10~12 12~25 25~50 3~5注:本表适用于深度不超过30m的沉井。
图5-14井侧摩阻力分布假定F+G≤Rj+Rf(5-1)式中F──沉井顶面处作用的荷载,kN;G──沉井的自重,kN;Rj──沉井底部地基土的总反力,kN;Rf──沉井侧面的总摩阻力,kN。
沉井底部地基土的总反力Rj等于该处土的承载力设计值f与支承面积A的乘积,即Rj=f A(5-2)可假定井侧摩阻力沿深度呈梯形分布,距地面5m范围内按三角形分布,5m 以下为常数,如图(5-14)所示,故总摩阻力为:Rf=U(h-2.5)q(5-3)式中U──沉井的周长,m;h──沉井的入土深度,m;q──单位面积摩阻力加权平均值,q=Σqi hi/Σhi,kPa;hi──各土层厚度,m;qi──i土层井壁单位面积摩阻力,根据实际资料或查表5-1选用。
沉井或气压沉箱的计算与验算方法沉井或气压沉箱是一种常用的地下开挖工程辅助施工技术,广泛应用于深基坑开挖、管道铺设、桥梁基础施工等工程中。
正确的计算与验算方法对保障工程施工质量和安全具有重要意义。
下面将详细介绍沉井或气压沉箱的计算与验算方法。
1.计算方法(1)沉井计算方法:沉井开挖通常采用土钻、连续墙护壁或钢板护壁等方式进行支护。
计算沉井抗浮力,可按照以下公式进行:F=γw*H其中,F为沉井抗浮力,γw为水的单位重量,取10kN/m³,H为地下水位以上的开挖高度。
计算沉井侧面稳定性时,可通过计算土壁的稳定性来评估。
根据土力学原理,稳定性主要考虑土壁的抗滑稳定性和抗倾覆稳定性。
根据具体施工条件和土壤性质选择相应的计算方法,常用的方法有平衡法、极限平衡法和有限元法等。
(2)气压沉箱计算方法:气压沉箱是在地下施工时由于开挖土体抗不住水压而引起坍塌的问题,采用压力来抵消水压差,以有效地保障施工安全。
对于气压沉箱的计算,主要包括以下几个方面:a.确认开挖地层的性质和室内外压力差。
b.计算所需的压力。
假设沉箱所处地层的土体饱和,根据悬浮力和水压对开挖土体的作用力进行计算。
c.计算所需厚度。
假设沉箱具有一定的最低厚度约束,根据所需的压力和相关参数计算所需的最小厚度。
2.验算方法(1)沉井验算方法:沉井支护结构的验算主要涉及抗浮力和侧面抗滑稳定等方面。
a.沉井抗浮力的验算需要核对计算结果和实际情况是否一致,保证沉井在施工过程中不会浮升或发生其他异常情况。
b.侧面抗滑稳定的验算可以通过现场观察和监测等方式来进行。
施工中应定期检查土壁的变形情况,如有异常情况应及时采取相应的处理措施。
(2)气压沉箱验算方法:气压沉箱的验算主要包括判断沉箱的稳定性和对积水的控制等方面。
a.沉箱的稳定性通过监测沉箱周围土体的变形情况,并根据施工过程中的实际情况进行评估。
b.对积水的控制要保证沉箱内部的水压小于外部水压,避免沉箱进入过高的水压状态。
沉井施工计算书计算依据:1、《给水排水工程钢筋混凝土沉井结构设计规程》 CECS 137∶20152、《建筑地基基础设计规范》 GB50007-20113、《公路桥涵地基与基础设计规范》 JTG D63-20074、《公路桥涵施工技术规范》 JTG/T F50-20115、《建筑施工计算手册》江正荣编著6、《实用土木工程手册》第三版杨文渊编著7、《地基与基础》第三版一、参数信息1、基本参数沉井总体示意图二、砂垫层铺设厚度验算砂垫层计算简图沉井第一节沿井壁单位长度重量:G0=tH s(G2k+G1k)=0.5×3×(24+1)=37.5kN/m砂垫层底部荷载计算值:P=G0/(2h0tanθ+L)+γs h0=37.5/(2×0.5×tan25°+2)+20×0.5=25.205kpa≤[P]=150kpa 满足要求!三、垫架拆除井壁强度验算矩形沉井按4点支承:沉井垫架拆除示意图沉井在开始下沉特别是在抽垫木时,井壁会产生较大的弯曲应力。
沉井井壁抗弯按深受梁考虑,参考GB50010-2010附录G,深受梁计算第G.0.8条,0.2Hs范围内纵向受力实际钢筋面积经计算:A's底部=A's顶部=1608.495mm2支座弯矩M支:M支=-G0L22/2-G0(B s/2-t)(L2-t/2)=-37.5×1.52/2-37.5×(8/2-0.5)×(1.5-0.5/2)=-206.25kN·m跨中弯矩M中:M中=G0L12/8-M支=37.5×72/8-206.25=23.438kN·m将沉井结构按深梁结构进行验算,根据《混凝土结构设计规范》,计算如下:h0跨中=H s-0.1×H s=3-0.1×3=2.7m取f y×A s=f'y×A's,则x=0<0.2h0,取x=0.2h0=0.2×2.7=0.54mαd跨中=0.8+0.04×L1/H s=0.8+0.04×7/3=0.893z跨中=αd跨中×(h0跨中-0.5×x)=0.893×(2.7-0.5×0.54)=2.171mA s底部=M跨中/(f y×z跨中)=23.438×106/(300×2170.8)=35.989mm2A s底部=35.989mm2≤A's底部=1608.495mm2满足要求!h0支座=H s-0.2×H s=3-0.2×3=2.4m取f y×A s=f'y×A's,则x=0<0.2h0,取x=0.2h0=0.2×2.4=0.48mαd支座=0.8+0.04×L1/H s=0.8+0.04×7/3=0.893z支座=αd支座×(h0支座-0.5×x)=0.893×(2.4-0.5×0.48)=1.93mA s顶部=M支/(f y×z支座)=206.25×106/(300×1929.6)=356.291mm2A s顶部=356.291mm2≤A's顶部=1608.495mm2满足要求!四、沉井下沉验算沉井下沉计算土层参数:沉井下沉力系平衡图当沿沉井深度土层为多类别时,单位摩阻力可取各层土单位摩阻力标准值的加权平均值。
一.主要材料及要求:1.混凝土: 混凝土强度等级为C25。
2.钢筋:Φ-HRB400级钢,fy=360N/mm 2 二.设计采用主要规范:1.《建筑结构荷载规范》(GB50009-2012); 2.《建筑地基基础设计规范》(GB50007-2011); 3.《混凝土结构设计规范》(GB50010-2010); 4.《给水排水工程构筑物结构设计规范》(GB50069-2002);三、决定沉井高度及各部分尺寸1.沉井高度根据施工要求定出沉井顶面标高为32.5m ,沉井底面标高为25m 。
2.沉井平面尺寸采用圆形沉井,圆端的外直径为6.9m 。
井壁厚度0.7m ,其它尺寸详见施工图。
刃脚踏面底宽度采用0.2m ,刃脚高度为0.866m ,刃脚内侧倾角为θ=60︒。
四、下沉系数计算1. 沉井自重计算 砼重度 γ=25 kN/m 3体积 V=π(3.452-2.752)×9.4=128m 3 自重 Q=128×25=3200kN 2. 井壁摩擦力计算该沉井穿过○1、○2、○3层土,取加权平均摩阻力单位摩阻力为18f KPa =。
h =9.4mu =2π×3.45 =21.7 m∑=u h f T =18×9.4×21.7=3672kN 3. 下沉系数计算施工采用排水下沉,下沉过程中水浮托力为零,则下沉系数为 Ksts=Q/T=3200/3672=0.87<1.05,不满足要求。
需要采用特殊施工工艺来使得沉井下沉。
五、抗浮验算1. 沉井底板自重计算 砼重度 γ=25 kN/m 3体积 V 1=π×2.752×0.7=16.6m 3 自重 Q 1=16.6×25=415kN 2. 水浮托力标准值计算水重度 γw =10 kN/m3水浮托力标准值 F fw,k =(π×3.452×8.2+1.2×0.7×π×3.1)×10=3146kN 3. 使用阶段抗浮计算施工采用排水下沉,采用干封底,无需进行封底抗浮计算。