卫生洁具进场验收标准
- 格式:doc
- 大小:45.00 KB
- 文档页数:5
洁具、厨具验收质量要求
一、洁具验收质量要求
1、洁具质量
合格:洁具的品种、规格、尺寸、颜色符合设计要求,洁具颜色均匀、无掉漆、无凹陷、无损坏;
优良:洁具选型适用合理经济,洁具光滑鲜丽,颜色均匀一致;
2、安装质量
合格:洁具安装平正牢固,接合处密实,无渗漏,排水管径及出口连接牢固、无渗漏,排水栓低于盆、槽底面2cm;
优良:在合格基础上,洁具朝向合理,高度合适,接合处密实平顺,给排水管走向合理,位置、标高正确;
3、盛水试验:洁具应做不少于24小时的盛水试验,以不渗漏为合格;
二、厨具验收质量要求
1、厨具质量
合格:厨具的材料、尺寸、款式符合设计要求,厨具洁净牢固,无掉漆、无损坏,颜色均匀,柜门启闭紧密灵活;
优良:在合格基础上,厨具美观精细,组合方便,款式新颖;
2、安装质量
合格:厨具安装平正牢固,接合平顺,操作位置安排合理,排水管径及出口连接牢固,严密不渗漏,排水栓低于盆底面2mm;
优良:在合格基础上,厨具组合合理,工艺细致,给排水管位置走向适宜;
3、设计质量
合格:满足使用功能,尺寸、高度适宜,操作方便,价格合适;优良:在合格基础上,构思新颖,外形美观大方,质地坚实耐用;。
建筑工程施工材料物资现场验收标准目录卫浴五金挂件现场验收标准 (1)洁具(陶瓷)现场验收标准 (2)洁具(龙头)现场验收标准 (4)抛光砖现场验收标准 (5)瓷片现场验收标准 (7)仿古砖现场验收标准 (8)仿石砖现场验收标准 (9)外墙砖现场验收标准 (10)墙纸材料现场验收标准 (11)吸顶灯(筒灯)现场验收标准 (12)园林灯具现场验收标准 (13)水晶灯现场验收标准 (14)橱柜现场验收标准 (16)实木复合地板(含地脚线)现场验收标准 (18)户内门现场验收标准 (20)入户门现场验收标准 (22)门锁五金现场验收标准 (24)地弹簧现场验收标准 (25)人造砂岩现场验收标准 (26)烧结瓦(西瓦)现场验收标准 (27)拼装栏杆现场验收标准 (30)铁艺栏杆现场验收标准 (31)防水材料现场验收标准 (33)涂料现场验收标准 (34)开关面板及插座现场验收标准 (35)电线电缆现场验收标准 (36)厨房电器现场验收标准 (37)排气扇现场验收标准 (38)户内配电箱现场验收标准 (39)弱电箱现场验收标准 (40)PVC、PE、PPR管材及管件现场验收标准 (41)钢塑复合管现场验收标准 (42)给水阀门现场验收标准 (43)隐形栏杆现场验收标准 (44)分集水器现场验收标准 (45)淋浴间隔现场验收标准 (46)园林座椅、垃圾桶现场验收标准 (47)公共区域配电柜现场验收标准 (48)附件一:质检工具使用方法 (49)卫浴五金挂件现场验收标准一、验收依据:1、《卫生间附属配件》(行业标准,编号QB1560-2006);2、《全国性材料物资使用手册及材料标准表》;3、验收原始样板(实物);二、验收工具:钢卷尺;三、验收时间:到货验收;四、抽检比例:进场批次,同一规格型号数量的2%,并不少于3件;五、验收步骤:1、资料检查:进场产品必须有国家认可机构出具的产品质量检验报告(需加盖厂家公章),产品合格证(原件),安装说明书,合格证上应有检验员代号和检验日期;2、驻地现场按照图片进行验收,发现产品与图片不一致,则需仔细对照验收样板进行检查。
洁具安装验收标准
1.洁具安装前,应清理安装位置,确保墙面干净、平整,管道畅通,无漏水、渗水等情况。
2.根据洁具的尺寸和型号,选择适当的安装位置,按照安装说明书确定安装高度和水平度。
二、安装过程
1.先进行试装,确定洁具的位置和水平度是否符合要求。
2.使用正确的工具和材料,按照洁具的安装说明书进行操作。
3.注意防止洁具表面刮伤或破损。
4.安装过程中,应严格按照安全操作规程进行操作,确保安装质量和安全。
三、安装后验收
1.检查洁具的安装位置、水平度、垂直度等是否符合要求。
2.检查洁具的阀门、管道等是否安装牢固,不得出现松动或漏水现象。
3.检查洁具的表面是否完整无损。
4.进行功能测试,确保洁具的使用正常,符合设计要求。
四、注意事项
1.洁具的安装应由专业的安装师傅进行,遵循安全操作规程。
2.安装过程中应注意保护洁具表面,避免刮伤或破损。
3.验收过程中,应认真检查每个细节,确保安装质量和安全。
4.如有任何问题,应及时联系供应商或安装师傅解决。
卫浴工程验收方案范本简单一、前言1、为了保证卫浴工程的质量,保障用户的使用安全,特制定本验收方案。
2、本方案适用于各类卫浴工程的验收,包括公共卫生间、酒店客房卫生间、家庭卫浴等。
二、验收范围1、卫浴设备和配件的完好程度2、卫浴管道系统的封堵和保温性能3、卫浴瓷砖和地板的铺贴及防水处理4、卫浴空间的装饰和装修效果5、卫浴设备和配件的使用功能和安全性等三、验收原则1、以国家有关标准和规范为依据2、严格按照设计要求进行验收3、确保卫浴工程符合用户需求和期望4、在验收过程中,要保证施工单位、设计单位、监理单位的全程参与四、验收流程1、前期准备a. 准备验收方案和相关资料b. 确定验收人员2、施工验收a. 确认完工日期b. 按照验收方案依次进行验收c. 记录验收结果和问题3、整改复验a. 对于不合格项目进行整改b. 整改完成后进行复验c. 记录复验结果4、确定验收通过a. 确认整体工程质量符合验收标准b. 签署验收文件五、具体验收标准1、卫浴设备和配件的完好程度a. 检查卫浴设备和配件是否完全齐全b. 检查卫浴设备和配件的外观是否完好,无损坏、划痕等c. 检查卫浴设备和配件的安装是否牢固、稳定2、卫浴管道系统的封堵和保温性能a. 检查卫浴管道系统的封堵情况,是否有漏水、渗水现象b. 检查卫浴管道系统的保温效果是否符合要求3、卫浴瓷砖和地板的铺贴及防水处理a. 检查卫浴瓷砖和地板的铺贴是否平整、整齐b. 检查卫浴瓷砖和地板的防水处理是否到位、效果良好4、卫浴空间的装饰和装修效果a. 检查卫浴空间的装饰是否符合设计要求b. 检查卫浴装修效果是否达到预期效果5、卫浴设备和配件的使用功能和安全性a. 检查卫浴设备和配件的使用功能是否正常b. 检查卫浴设备和配件的安全性能是否符合要求六、验收记录1、验收人员需详细记录每一项验收结果和问题2、对于不合格项目需记录整改情况和复验结果3、签署验收文件时,需将验收记录作为附件归档七、验收后处理1、验收通过后,需将验收文件归档存档2、对于不合格项目,需妥善处理整改情况,保证整改合格3、验收文件需报送给相关单位和业主八、总结与展望1、验收结束后需及时召开验收总结会议,对验收过程进行总结和评审2、分析验收中出现的问题,总结经验,提出改进措施3、展望未来,提高卫浴工程的质量和验收效率以上即是卫浴工程验收方案的范本,希望能够对大家在实际工作中有所帮助。
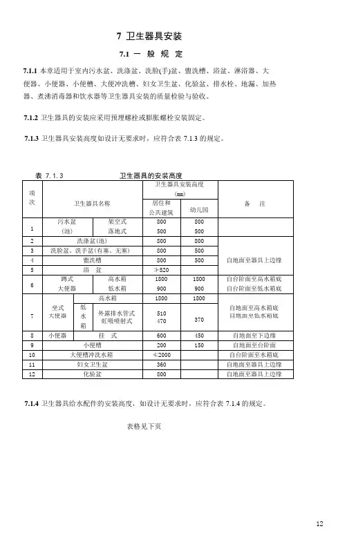
精品文档.7卫生器具安装7.1一般规定7.1.1本章适用于室内污水盆、洗涤盆、洗脸(手)盆、盥洗槽、浴盆、淋浴器、大便器、小便器、小便槽、大便冲洗槽、妇女卫生盆、化验盆、排水栓、地漏、加热器、煮沸消毒器和饮水器等卫生器具安装的质量检验与验收。
7.1.2卫生器具的安装应采用预埋螺栓或膨胀螺栓安装固定。
7.1.3卫生器具安装高度如设计无要求时,应符合表7.1.3的规定。
7.1.4卫生器具给水配件的安装高度,如设计无要求时,应符合表7.1.4的规定。
表格见下页精品文档12 .精品文档. 表 7.1.4 卫生器具给水配件的安装高度器具给水配件的安装高度,应按卫生器具实际尺寸相应减少。
7.2卫生器具安装主控项目7.2.1排水栓和地漏的安装应平正、牢固,低于排水表面,周边无渗漏。
地漏水封高度不得小于 50mm。
精品文档.检验方法:试水观察检查。
7.2.2卫生器具交工前应做满水和通水试验。
检验方法:满水后各连接件不渗不漏;通水试验给、排水畅通。
13精品文档.一般项目7.2.3卫生器具安装的允许偏差应符合表7.2.3的规定。
7.2.4有饰面的浴盆,应留有通向浴盆排水口的检修门。
检验方法:观察检查。
7.2.5小便槽冲洗管,应采用镀锌钢管或硬质塑料管。
冲洗孔应斜向下方安装,冲洗水流同墙面成 45°角。
镀锌钢管钻孔后应进行二次镀锌。
检验方法:观察检查。
7.2.6卫生器具的支、托架必须防腐良好,安装平整、牢固,与器具接触紧密、平稳。
检验方法:观察和手扳检查。
7.3卫生器具给水配件安装主控项目7.3.1卫生器具给水配件应完好无损伤,接口严密,启闭部分灵活。
检验方法:观察及手扳检查。
一般项目7.3.2卫生器具给水配件安装标高的允许偏差应符合表7.3.2的规定。
7.3.3浴盆软管淋浴器挂钩的高度,如设计无要求,应距地面1800mm。
检验方法:尺量检查。
7.4卫生器具排水管道安装主控项目7.4.1与排水横管连接的各卫生器具的受水口和立管均应采取妥善可靠的固定措精品文档. 施;管道与楼板的接合部位应采取牢固可靠的防渗、防漏措施。
卫浴设备安装工艺及验收标准
1:基本要求:
a、卫生洁具外观洁净无损。
卫生洁具应安装牢固,无松动。
不宜在多孔砖或轻型
墙中使用膨胀螺栓固定卫生器具。
卫生洁具的给水连接管,无凹凸弯扁等缺陷。
排水、溢水应畅通无堵,各连接处应密封无渗漏,阀门启闭灵活。
卫生洁具与进水管、排污口连结应严密,无渗漏现象。
坐便器应采用硅酮胶连结密封,底座不得用水泥砂浆固定。
浴缸排水必须采用硬管连接(原配管除外),应无渗漏;
b、按摩浴缸的电源必须用插座连接,严禁直接接电源,电机试机必须先放水后开机,
连接处应无渗漏;
c、冲淋房底座应填实,底座安装平整无积水,排水管应采用硬质管连接,冲淋房的玻
璃采用安全玻璃,冲淋房与墙体结合部应无渗漏现象;
d、安装完毕后进行2h盛水试验应无渗漏。
盛水量分别如下:便器高低水箱应盛至扳手
孔以下10 mm处;各种台盆和洗涤槽应盛至溢水口;浴缸应盛至缸深的三分之一;
浴缸溢水口应作灌水试验;水盘应盛至盘深的三分之二。
2.卫浴设备安装的验收要求及方法(表17)。
7卫生器具安装7.1一般规定7.1.1本章适用于室内污水盆、洗涤盆、洗脸(手)盆、盥洗槽、浴盆、淋浴器、大便器、小便器、小便槽、大便冲洗槽、妇女卫生盆、化验盆、排水栓、地漏、加热器、煮沸消毒器和饮水器等卫生器具安装的质量检验与验收。
7.1.2卫生器具的安装应采用预埋螺栓或膨胀螺栓安装固定。
7.1.3卫生器具安装高度如设计无要求时,应符合表7.1.3的规定。
7.1.4卫生器具给水配件的安装高度,如设计无要求时,应符合表7.1.4的规定。
表格见下页12表 7.1.4 卫生器具给水配件的安装高度器具给水配件的安装高度,应按卫生器具实际尺寸相应减少。
7.2卫生器具安装主控项目7.2.1排水栓和地漏的安装应平正、牢固,低于排水表面,周边无渗漏。
地漏水封高度不得小于 50mm。
检验方法:试水观察检查。
7.2.2卫生器具交工前应做满水和通水试验。
检验方法:满水后各连接件不渗不漏;通水试验给、排水畅通。
13一般项目7.2.3卫生器具安装的允许偏差应符合表7.2.3的规定。
7.2.4有饰面的浴盆,应留有通向浴盆排水口的检修门。
检验方法:观察检查。
7.2.5小便槽冲洗管,应采用镀锌钢管或硬质塑料管。
冲洗孔应斜向下方安装,冲洗水流同墙面成 45°角。
镀锌钢管钻孔后应进行二次镀锌。
检验方法:观察检查。
7.2.6卫生器具的支、托架必须防腐良好,安装平整、牢固,与器具接触紧密、平稳。
检验方法:观察和手扳检查。
7.3卫生器具给水配件安装主控项目7.3.1卫生器具给水配件应完好无损伤,接口严密,启闭部分灵活。
检验方法:观察及手扳检查。
一般项目7.3.2卫生器具给水配件安装标高的允许偏差应符合表7.3.2的规定。
7.3.3浴盆软管淋浴器挂钩的高度,如设计无要求,应距地面1800mm。
检验方法:尺量检查。
7.4卫生器具排水管道安装主控项目7.4.1与排水横管连接的各卫生器具的受水口和立管均应采取妥善可靠的固定措施;管道与楼板的接合部位应采取牢固可靠的防渗、防漏措施。
为贯彻落实省委办公厅、省政府办公厅《关于深入推进农村改厕工作的实施意见》(鲁办发【2015】50号),指导各地农村一体式无害化卫生厕所改造施工工作,保障工程质量,根据2015年山东省工程建设标准制、修定计划安排,山东省标准化研究院会同有关单位经深入调查研究和广泛征求意见,认真总结各地施工及验收的实践经验,制定本规范。
在制定过程中,编制组进行了深入的调查研究和专题研讨,总结了我省各地农村一体式无害化卫生厕所改造施工与质量验收的实践经验,参考了有关国家、行业相关规范,并以多种形式广泛征求有关单位的意见,最后经审查定稿。
本规范规定的主要内容有:总则、术语、基本规定、土石方与地基处理、卫生洁具的安装、化粪池的安装、质量验收及附录。
本规范由山东省住房和城乡建设厅负责管理,由山东省标准化研究院负责技术内容的解释。
为了提高规范质量,请各单位在执行本规范的过程中,注意总结经验和积累材料,随时将发现的问题和意见寄交至山东省标准化研究院(济南市历山路146-6号,邮编:250014;E-mail:zhaigy@)以供今后修订时参考。
本规范主编单位、参编单位、主要起草人和主要审查人员:主编单位:山东省标准化研究院参编单位:中大贝莱特压滤机有限公司山东文远建材科技股份有限公司生态洁环保科技股份有限公司山东新吉通塑业科技有限公司山东省农业工程学院主要起草人:黎燕安洁翟国印林华韩址楠吴菁主要审查人员:李良波宋亦工赵仲和石峰张毅孙杰曹湘毅尹超1 总则 (1)2 术语 (2)3 基本规定 (3)4 土石方与地基处理 (4)4.1 一般规定 (4)4.2 池坑开挖与支护 (4)4.3 地基处理 (4)4.4 池坑回填 (5)5 卫生洁具的安装 (6)5.1 一般规定 (6)5.2 便器 (6)5.3 高压冲水设备 (6)6 化粪池的安装 (7)6.1 一般规定 (7)6.2 安装 (7)7 质量验收 (8)7.1 一般规定 (8)7.2 验收项目 (8)附录 A 一体式无害化卫生厕所安装示意图 (10)附录 B 质量验收记录 (12)附录 C 闭水法试验 (14)本规范用词说明 (16)引用标准目录 (17)附:条文说明 (18)Contents1 General provisions (1)2 Terms (2)3 Basic regulations (3)4 Treatment of earthwork and foundation (4)4.1 General regulations (4)4.2 Pit excavation and timbering support (4)4.3 Treatment of foundation (4)4.4 Pit backfill (5)5 Installation sanitary ware (6)5.1 General regulations (6)5.2 Toilet (6)5.3 High pressure water flushing devices (6)6 Installation integrated septic tank (7)6.1 General regulations (7)6.2 Installation (7)7 Quality acceptance (8)7.1 General regulations (8)7.2 Acceptance content (8)Appendix A installation diagram of harmless integrated sanitary (10)Appendix B Records on quality acceptance (12)Appendix C Closed water test (14)Explanation of words in this code (16)List of standards for reference (17)Appendix: explanation items (18)1 总则1.0.1为加强农村一体式无害化卫生厕所工程施工质量管理,规范施工技术,统一施工质量的验收,保证工程质量,制定本规范。
卫浴验收标准
卫浴验收标准主要包括以下几个方面:
1. 基础设施:卫生间的基础设施应安装齐全,如洗手盆、马桶、淋浴、排水系统等。
同时,这些设施应符合相关规范和标准,如水龙头、排水管径等。
2. 墙面和地面:卫生间墙面、地面应平整、防水、防潮、防霉,并且使用环保材料。
如发现砖缝不齐、地面不平、防水不到位等问题,均不符合验收标准。
3. 密闭性:当家里的卫浴洁具安装好后,应进行超过2小时的盛水测试,确定无渗漏表示这个洁具再这一项标准中是合格的。
对于浴缸、洗脸盆、坐便器等不同洁具,需要盛水的量也不同。
4. 安装细节:卫浴洁具安装应牢固,不得在多孔砖或轻型隔墙中使用膨胀螺栓固定卫生器具。
此外,外表应洁净无损坏,各连接处应密封无渗漏,阀门开关灵活,维修方便。
5. 安全性:卫生间应注意安全性,如门锁是否牢固、地漏是否完好、防滑措施是否到位等。
6. 卫生情况:验收时需要检查卫生间是否卫生、整洁、无异味。
在验收过程中,需要注意细节,如墙角、砖缝、排水口等位置。
如果发现任何问题,应及时解决或返工,以确保卫生间质量和安全。
精装修材料验收原则一、瓷砖项目:瓷砖感观质量基本规定:1.首先检查釉面有无针孔, 裂缝, 有无色差。
2.检查瓷砖与否变形(看边与否顺直、厚度与否均匀)。
3.检查瓷砖旳吸水率, 滴水做试验, 扩散面积越小, 吸干时间越长, 质量越好。
4.听声音, 用手敲瓷砖, 声音应尖脆。
5.掂重量, 重量越重, 质地越好。
6.开箱检查, 看有无破损, 看尺寸有无大小。
7.看表面:釉面砖:釉面平滑、细腻;光泽釉应晶莹亮泽。
无光釉:则就柔和、舒适。
可以用硬物刮擦瓷砖表面, 若出现刮痕, 则表达施釉局限性, 表面旳釉磨光后, 砖面便轻易藏污, 较难清理。
抛光通体砖:抛光面平整, 不掉渣无粉尘, 摸上去光滑细腻。
看色差:将几块陶瓷砖拼放在一起, 在光线下仔细察看, 合格旳产品色差基本没有, 产品之间色调基本一致;而不合格旳产品色差较大, 产品之间色调深浅不一。
看规格:合格旳产品规格偏差极小(正常旳偏差值是1.0mm), 铺贴后, 产品整洁划一, 砖缝平直, 装饰效果良好。
不合格旳产品规格偏差大, 产品之间尺寸不一。
看变形:可用肉眼直接观测。
规定产品边直面平, 规定产品不变形, 施工以便,铺贴后砖面平整美观。
看图案:花色图案要细腻、逼真、没有明显旳缺色、断线、错位等缺陷。
听声音:敲击瓷砖, 声音越清脆洪亮, 证明密度越好, 瓷质比例越高, 在强度吸水率方面都是上等。
测试质量:用墨水滴在产品背后, 看墨水与否自动散开。
一般来说, 墨水散开速度越慢, 则吸水率越小, 内在品质越优, 产品经久性越好;反之产品经久性越差。
看砖体背面, 看看颜色与否纯粹, 一般纯粹颜色显示为乳白色(偏白色), 不能发黑、不能发黄、表面有黑点更不行, 发黑发黄证明砖体自身有杂质, 杂质多了砖旳密度会下降, 平常实用过程中轻易出现断裂、损坏。
不过砖体背面不能很白很白那也不正常, 阐明硅酸锆原料用旳太多, 国家检测瓷砖有无放射性其中一项就是检测硅酸锆原料旳实用量, 硅酸锆原料可以使砖变白变亮, 不过硅酸锆原料具有放射性。
卫生器具安装验收标准1、本章适用于室内污水盆、洗涤盆、洗脸(手)盆、盥洗槽、浴盆、淋浴器、大便器、小便器、小便槽、大便冲洗槽、妇女卫生盆、化验盆、排水栓、地漏、加热器、煮沸消毒器和饮水器等卫生器具安装的质量检验与验收。
2、卫生器具的安装应采用预埋螺栓或膨胀螺栓安装固定。
卫生器具安装主控项目1、排水栓和地漏的安装应平正、牢固,低于排水表面,周边无渗漏。
地漏水封高度不得小于 50mm。
检验方法:试水观察检查。
2、卫生器具交工前应做满水和通水试验。
检验方法:满水后各连接件不渗不漏;通水试验给、排水畅通。
一般项目3、卫生器具安装的允许偏差应符合表1的规定。
44、有饰面的浴盆,应留有通向浴盆排水口的检修门。
检验方法:观察检查。
5、小便槽冲洗管,应采用镀锌钢管或硬质塑料管。
冲洗孔应斜向下方安装,冲洗水流同墙面成 45°角。
镀锌钢管钻孔后应进行二次镀锌。
检验方法:观察检查。
6、卫生器具的支、托架必须防腐良好,安装平整、牢固,与器具接触紧密、平稳。
检验方法:观察和手扳检查。
卫生器具给水配件安装主控项目1、卫生器具给水配件应完好无损伤,接口严密,启闭部分灵活。
检验方法:观察及手扳检查。
一般项目2、卫生器具给水配件安装标高的允许偏差应符合表2的规定。
3、浴盆软管淋浴器挂钩的高度,如设计无要求,应距地面1800mm。
检验方法:尺量检查。
卫生器具给水配件安装标高的允许偏差和检验方法卫生器具排水管道安装主控项目1、与排水横管连接的各卫生器具的受水口和立管均应采取妥善可靠的固定措施;管道与楼板的接合部位应采取牢固可靠的防渗、防漏措施。
检验方法:观察和手扳检查。
2、连接卫生器具的排水管道接口应紧密不漏,其固定支架、管卡等支撑位置应正确、牢固,与管道的接触应平整。
检验方法:观察及通水检查。
一般项目3、卫生器具排水管道安装的允许偏差应符合表3的规定。
4、连接卫生器具的排水管管径和最小坡度,如设计无要求时,应符合表4的规定。
卫生洁具及管道安装工程质量验收标准
1、卫生器具的品种、规格、外型、颜色应符合设计要求,管材、管件、洁具等产品质量应符合国家规范、标准的规定。
2、管道安装横平竖直,铺设牢固、无松动,坡度符合规定要求。
嵌入墙体和地面的暗管道应进行防腐处理并用水泥沙浆抹砌保护。
3、冷热水安装应左热右冷,安装冷热水管平行间距不小于20mm,当冷热水供水系统采用分水器时应采用半柔性管件连接。
4、龙头、阀门安装平正,位置正确便于使用和维修。
5、各种卫生器具与台面、墙面、地面等接触部位均应使用硅酮胶或防水密封条密封,各种陶瓷类器具不得使用水泥沙浆窝嵌。
6、浴缸排水口应对准落水管口做好密封,不宜使用塑料软管连接。
7、给水管道与附件、器具连接严密,通水无渗漏。
8、排水管道应畅通,无倒坡,无堵塞,无渗漏。
地漏箅子应略低于地面走水顺畅。
9、卫生器具安装位置正确、牢固端正,上沿水平,表面光滑无损伤。
洁具安装验收标准
1.安装位置:洁具安装位置应符合设计图纸要求,水平垂直度应达到标准要求,不得出现倾斜、歪斜等情况。
2. 固定牢固:洁具安装应牢固固定,不得出现松动、晃动等现象。
使用螺丝和膨胀管等固定材料,应保证其质量和规格符合要求。
3. 密封严密:洁具与墙面、地面等接口处应采用密封条等密封材料,保证其密封严密,不得出现漏水现象。
4. 拉手、开关、喷头等:拉手、开关、喷头等配件安装应牢固可靠,操作灵活,不得出现卡顿、松动等情况。
5. 焊接、切割等工艺:洁具安装过程中的焊接、切割等工艺应符合国家标准和安全规范,不得出现漏气、漏水等现象。
6. 清洁、卫生:洁具安装完成后,应及时清洁干净,保持卫生。
安装人员应穿戴工作服、手套等防护用品,严格遵守相关安全作业规范。
7. 验收:洁具安装完成后,应由业主或相关管理人员进行验收,确保安装质量符合要求。
如发现问题,应及时协商解决。
以上是洁具安装验收标准,希望能对安装人员和业主提供参考。
- 1 -。
卫生洁具安装工程标准一、施工准备1、作业条件1.与卫生洁具连接的给水管道单项试压已完成,与卫生洁具连接的排水管道灌水试验已完成并已办理预检、试验、隐检等手续。
2.需要安装卫生洁具的房间,室内装修已基本完成.3.浴盆的稳装应待土建做完防水层及保护层闭水试验合格后配合土建施工,浴盆稳装完成后,应自检验收合格,办理中间交接手续然后交土建进行下道工序安装。
2、材料要求1、卫生洁具在进入施工现场和安装前按设计及现行标准要求,核验规格、型号和质量符合要求方可使用.2、卫生洁具应具有产品质量合格证和环保检测报告,要求合格证应具备产品名称、型号、规格、采用国家质量标准、标准代号、出厂日期、生产厂家、名称及地点、出厂产品检验证明或代号,高级卫生洁具应有安装使用说明书,水箱必须使用节水型产品。
3、卫生洁具的配件:应能与所使用的卫生洁具配套使用,并有产品合格证,水箱配件必须使用进水量高于水面的卫生洁具水箱配件,并且有北京市法定检测单位证明。
4、卫生洁具及配件的进场验收:卫生洁具的进货一般以一次性成批进齐最好,能保证卫生洁具的质量、外观颜色的一致。
一次性进货造成检验工作量增大,抽检10%如发现有不合格产品,则逐个检验,按层或按段的批量进货应防止质量与外观颜色的不一致。
一般出现质量等级不一致的问题比较突出。
(1)卫生洁具的检验应做到以下几点:①外观检查:外观应周正,瓷质细腻程度和色泽一致,表面光滑,边色边缘平滑,无裂纹、斑点,无损伤.②尺量检查:用3~5m钢卷尺实测主要尺寸,长、宽、高、下水口直径应在卫生洁具设备的允许公差值内.③敲击检查:用木棍轻轻敲击,声音实而清脆未受损伤,重点轻敲击盆边排水口处。
④通球检查:对圆形孔洞可做通球试验,检验用球直径应为孔洞直径的0.8倍。
(2)卫生洁具配件分为铸铁、铜镀铬、塑料制品等,检验做到以下儿点:①外观检查:配件应完整,内外表面光滑,浇口及溢边应平整,丝扣无断丝、乱丝,无溢边。
②塑料下水口及返水弯等不得使用再生塑料制品,应保证其圆度、硬度,不得造成渗漏、脱落等质量问题,必要时应检查,并有法定单位的产品监督检验证明.检查方法为对配件进行试装连接,检查下水口返水弯等丝扣连接是否能保证圆度和丝扣处的硬度。
卫浴洁具安装工程验收规范一、前言卫浴洁具安装工程的验收是确保工程质量和达到预期效果的重要环节。
本文将介绍一套卫浴洁具安装工程验收规范,以便工程质量和安全得到保证,同时满足用户的需求。
二、验收前的准备工作在进行卫浴洁具安装工程验收前,应做好以下准备工作:1. 验收人员应熟悉卫浴洁具安装工程的相关技术要求和验收标准;2. 准备验收所需的测量工具和器械,如水平仪、尺子、激光测距仪等;3. 准备验收表格,用于记录验收过程中的关键数据和结果。
三、验收内容和标准卫浴洁具安装工程的验收应包括以下内容:1. 水管安装:检查水管的连接是否牢固,是否存在漏水情况;2. 卫浴洁具安装:确认卫浴洁具的安装位置准确无误,各个部件是否牢固固定;3. 排水系统安装:确保排水系统的连接无渗漏,并测试排水是否顺畅;4. 淋浴房安装:检查淋浴房门的开闭是否灵活,密封是否良好;5. 水龙头安装:检查水龙头是否可以正常开闭,是否存在漏水情况。
对于以上内容,验收标准如下:1. 连接紧固:所有管道连接部位应紧固,无松动现象;2. 有无渗漏:各个连接部位应无渗漏现象,包括水管连接点和洁具本身;3. 操作正常:各个洁具应能够正常使用,没有卡顿和异常情况;4. 合理布置:洁具安装位置合理,符合设计要求和用户需求;5. 美观整洁:洁具表面光滑,无划痕和杂质。
四、验收流程以下是卫浴洁具安装工程验收的基本流程:1. 到场前准备:验收人员按照准备工作中的要求准备好所需工具和表格,并确保验收标准清楚明确;2. 到场验收:验收人员到达工程现场,针对每个安装项依次进行检查,记录关键数据和结果;3. 整理数据:验收完成后,验收人员整理所有数据和结果,与预设标准进行比对;4. 编写验收报告:根据验收数据和结果,编写详细的验收报告,包括工程质量评估和改进建议;5. 报告提交:将验收报告提交给相关人员,以供参考和改进。
五、存在问题的处理在卫浴洁具安装工程验收过程中,可能会出现一些问题。
卫生洁具进场验收标准
1、陶瓷卫生洁具的规格、型号必须符合设计要求,并有出厂产品合格证及检测报告,卫生洁具外观应规矩、造型周正、表面光滑、美观、无裂纹、边缘平滑、色调一致。
2、卫生洁具配件规格标准,质量可靠,外表光滑,电镀均匀,螺纹清晰,锁母松紧适度,无砂眼、裂纹等缺陷。
有产品
不允许
有明显
磨花、
磕碰。
同一区
域内缺
陷不能
超过2
种。
便
器类进
污口不
允许有
明显的
坯碴、
毛刺
等,隐
蔽面不
锋利边缘必须磨平。
所有裂纹修补后必须严实、光滑。
一件产品或配套产品之间目测应无明显色差。
6:卫生陶瓷产品的最大允许变形量
最大允许变形值单位(mm)
材料验收规格如下:。
卫生间洁具现场安装条件及验收标准卫生间洁具现场安装条件1 浴室柜的现场安装条件(本工程无此施工范围)1.1 现场必须通电或保证现场有施工用电接口;1.2 须提供完整的施工面,具体以现场地面及墙身瓷片、水电位、煤气管道等不影响施工方量尺、施工为标准;1.3 现场有指定的运输通道,保持畅通,且有指定的产品临时储存点;1.4 大型杂物要在浴室柜安装前提前清理,以免妨碍安装,或者浴室柜安装好后大型杂物无法清理出去;1.5 建筑的铝合金门窗(含玻璃)安装完毕;2 淋浴屏风的现场安装条件2.1 现场必须通电或保证现场有施工用电接口;2.2 安装前现场的地面和墙面的磁砖、挡水石基等须按尺寸做好;2.3 墙面须保证垂直,墙宽尺寸误差±5mm,且操作面需平整;2.4 淋浴间的天花工程已经完成;2.5 现场有指定的运输通道,保持畅通,且有指定的产品临时储存点;2.6 大型杂物要在淋浴屏风安装前提前清理,以免妨碍安装,或者淋浴屏风安装好后大型杂物无法清理出去;2.7 建筑的铝合金门窗(含玻璃)安装完毕;3 其他洁具的现场安装条件3.1 现场必须通电或保证现场有施工用电接口;3.2 安装前现场的地面和墙面砖铺贴完成;3.3 天花工程已经完成;3.4 现场有指定的运输通道,保持畅通,且有指定的产品临时储存点;3.5 大型杂物要在洁具安装前提前清理,以免妨碍安装,或者洁具安装好后大型杂物无法清理出去;卫生间洁具验收标准1 浴室柜(本工程无此施工范围)浴室柜的验收应符合国家、行业相关规范、验收标准的要求。
1.1 板材的环保性能板材的环保性能应符合国家、行业相关规范、验收标准的要求。
1.2 柜门使用甲方指定的饰面板材料,双饰面板,用PVC封边条进行四周封边。
1.3 柜体板使用甲方指定的柜身材料,用PVC封边条进行四周封边。
1.4 隔板隔板材料同柜体板,用PVC封边条进行四周封边,外露部分柜体板颜色应与柜门颜色保持一致。
卫生洁具进场验收标准
1、陶瓷卫生洁具的规格、型号必须符合设计要求,并有出厂产品合格证及检测报告,卫生洁具外观应规矩、造型周正、表面光滑、美观、无裂纹、边缘平滑、色调一致。
2、卫生洁具配件规格标准,质量可靠,外表光滑,电镀均匀,螺纹清晰,锁母松紧适度,无砂眼、裂纹等缺陷。
3、产品的裸露表面和坐便器的排污管道都应有釉层覆盖,釉面应与坯体完全结合。
卫生陶瓷外观缺陷最大允许范围
所有产品不允许有明显磨花、磕碰。
同一区域内缺陷不能超过2种。
便器类进污口不允许有明显的坯碴、毛刺等,隐蔽面不得有明显的凹凸和毛刺。
分体都要进行漏水测试,水箱粘接缝如有裂纹,必须使用塑钢土进行修补。
锋利边缘必须磨平。
所有裂纹修补后必须严实、光滑。
一件产品或配套产品之间目测应无明显色差。
6:卫生陶瓷产品的最大允许变形量
最大允许变形值单位(mm)
材料验收规格如下:
洗手盆
洗菜盆
坐便器
注:包装要求:卫生洁具每套产品均应用防潮物品包裹并装入硬质纸制包装箱内,封口后用打包带作。
“﹟”字型捆扎,捆扎应牢固、可靠。
包装箱内应装有产品合格证、使用说明书、随箱附件清单。