施工工艺工法标准图集(发广告公司制作)
- 格式:doc
- 大小:27.56 MB
- 文档页数:29
路基土方施工工艺框图精品资料推荐路基填筑施工工艺框图路基施工工艺框图精品资料推荐路基石方爆破施工工艺框图反馈调整参精品资料推荐砂桩施工工艺框图场地整平桩孔就位—►放样、定位4桩管沉入加料压密自检桩身质量精品资料推荐粉体喷射搅拌桩施工工艺框图精品资料推荐塑料插排桩施工工艺流程框图精品资料推荐级配砾石施工工艺框图精品资料推荐级配砾石施工工艺框图精品资料推荐精品资料推荐石灰稳定土厂拌施工工艺框图精品资料推荐石灰稳定土基层路拌法施工工艺框图精品资料推荐路拌法石灰稳定土基层施工工艺框图精品资料推荐石灰粉煤灰稳定砂砾底基层、基层施工工艺框图精品资料推荐水泥稳定土、粒料厂拌施工工艺框图精品资料推荐路面基层施工工艺框图精品资料推荐沥青路面面层施工工艺框图精品资料推荐沥青路面面层施工工艺框图沥青混凝土下面层施工工艺框图沥青混凝土上面层施工工艺框图精品资料推荐碎路面面层施工工艺框图精品资料推荐钻孔灌注桩施工工艺框图钻孔灌注桩施工工艺框图钢筋碎桥台扩大基础施工工艺框图精品资料推荐精品资料推荐承台施工工艺框图精品资料推荐钢筋碎墩台身施工工艺框图精品资料推荐盖梁施工工艺框图精品资料推荐先张法预应力空心板施工工艺框后张法预应力役空心板梁预制施工工艺框图后张法T梁预制工艺框图预应力T梁预制施工工艺框图精品资料推荐预应力钢筋混凝土箱梁施工工艺框图精品资料推荐悬浇变截面箱梁工艺流程框图精品资料推荐预应力张拉工艺框图N补救措施梁体碎强度检查报工程师审批检查处理锚垫板卜碎锚封碎采取补救措施张拉设备标检通讯设备准备后张法预应力梁施工工艺框图后张法施工方案报工程师批准一►预制台座和模板制作 工程师审批一水泥、钢材试验、碎配合比设计、张拉千斤顶锚具校验r->普通钢筋成型、放置芯管r-A 装、模板工程师审批清理孔道强度检验并报工程吸构件报废 放置予应力钢束 N松预应力钢束灌注水泥浆、浇筑封头碎、养生 进入梁板安装施工 构件报废水泥浆、封头碎强度及构件尺寸检验采取补救措施单导梁安装梁板施工工艺框图精品资料推荐单导梁安装大梁施工工艺框图测量放样、定出支承线拼装导梁、龙门架、加工蝴蝶架搭设临时支墩、跨墩龙门支架铺设桥头导梁枕木、轨道蝴蝶架托龙门架就位吊梁上平车、卷扬机拖梁上桥桥上龙门架起吊、横移梁就位导梁位置的梁先放置于两侧梁上安装导梁处的梁铺设桥上枕木、轨道蝴蝶架移龙门架到第二孔拖移导梁到前方第二孔循环作业精品资料推荐汽车吊架梁板施工工艺框图精品资料推荐顶推法施工工艺框图精品资料推荐挂篮施工工艺流程精品资料推荐钢箱梁高强度螺栓施工工艺框图精品资料推荐斜拉索施工工艺框图循环作业桥面工程施工工艺框图石拱桥施工工艺框图精品资料推荐盖板涵施工工艺框图精品资料推荐。
项目施工质量标准化做法企业标准:施工质量标准(2HZBM-SZ2019-06) 二零一九年七月第一版杭州白马建设有限公司为进一步提高现场施工质量,加强现场施工质量管理,公司依据项目实际情况、标准规范及相关的管理资料编写了《施工质量管理标准化通用图集(第一版)》,在阐述标准化施工工艺要点的同时,配以大量工程的样板实例照片,做到图文并茂,形象直观。
此图册共分为总说明、施工质量管理标准化二个部分,统一了各分部工程的施工工艺通常标准做法和要求,希望公司各项目部参照本图集,在施工过程中严格要求,强化质量管理工作,提高质量管理水平,全力打造白马品牌。
杭州白马建设有限公司总经理:2019年7月01第一章一般规定1、项目部应健全质量保证体系,完善质量管理制度,每个项目需提供一项新工艺。
2、应编写施工组织设计,重要的分项(专业)工程必须单独编制专项施工方案或质量控制措施,经单位技术负责人审核,报监理(建设)单位审批。
施工条件发生变化,应及时修订,经监理(建设)单位审批后执行。
3、应在施工作业前进行技术交底;施工中执行自检、互检、交接检三级检查制度,并有签字资料;及时整理施工技术资料,内容应真实、完整。
4、必须按照国家强制性标准要求和经审查合格的施工图进行施工。
5、钢结构、幕墙等专业工程按规定必须检测的项目应委托具有相应资质的检测(试验)单位进行检测;施工结束后,建设、设计、施工、监理及专业承包单位应共同验收,并按规定填写验收记录。
6、建筑工程设计荷载增加、结构改动、主要使用功能改变,必须由原设计单位或具备相应资质的设计单位出具设计方案;并经原施工图审查机构重新审批。
没有设计方案的,不得施工。
7、工程施工过程中,应采取有效措施,加强建筑工程成品保护,防止碰伤、缺损、污染。
8、施工现场应积极推广应用新技术、新工艺、新材料、新设备。
第二章材料进场检测验收1、必须配备专人负责进场材料的检测和验收。
2、首先是对进场材料的外观质量、规格、型号、尺寸和质量证明文件进行检查,预拌混凝土要注意核实其强度等级和坍落度,不符合要求的建材产品不得使用。
中建内部珍藏:施工工艺标准做法图集,实操规范超全案例限
时分享
工程人肯定都知道,为了保证工程的施工质量,施工现场必须遵循相关的施工规范标准和施工工序,如果不按照工序要求进行管理,就会出现各种各样的后果。
今天给大家分享一套中建内部珍藏的施工工艺标准做法图集,内容严谨规范,施工步骤都有相对应的讲解,并配以实例彩图作参考,从实操案例中出发,是工程人不可多得的好资料!
中建内部珍藏:施工工艺标准做法图集,实操规范超全案例限时分享
中建施工工艺标准做法图集目录
中建施工工艺标准做法图集中建施工工艺标准做法图集
中建施工工艺标准做法图集
中建施工工艺标准做法图集
中建施工工艺标准做法图集
中建施工工艺标准做法图集
中建施工工艺标准做法图集
中建施工工艺标准做法图集
这份中建施工工艺标准做法图集,内容丰富,大量图例,立体直观,规范准确,实用性强,是工程人不可多得的好资料!。
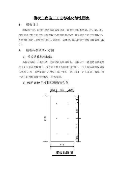
模板工程施工工艺标准化做法图集1、模板设计模板施工前,应进行模板专项方案设计,针对工程标准的墙、柱、梁、板、楼梯等各种构件进行总体配模设计,针对圆形、弧型、斜型等构件进行单独设计,并针对门窗洞、预留预埋洞口、管道口、后浇带、施工缝等节点做出细部深化设计。
2、模板标准做法示意图1)模板钻孔标准做法为保证混凝土外观效果,提高模板的周转次数,模板加工(特别是墙模板的加工)不能在现场加工,须在木工加工车间进行初加工,(见下面标准模板钻眼示意图),统一弹线切割,严格按下图尺寸统一进行钻孔,钻孔在同一部位、同一尺寸的模板做好标示编号,以免混用。
a)915*1830尺寸标准模板钻孔图模板钻眼图竖向方向布置模板钻眼图模板钻眼图水平方向放置b)1220*2440尺寸标准模板钻孔图模板钻孔竖向布置模板钻孔水向布置模板标准钻孔应用效果图2)柱模板做法示意图a)方型柱模板方型柱模根据尺寸大小的不同情况,选用现场散拼或制作加工成小定型模板,柱模设计要点包括:面板材料、竖楞木方的间距、围楞采用的材料(钢管、扣件)、围楞间距、对拉螺杆的间距、柱模下口的做法、清扫口的设置、支撑体系的采用做法等。
为保证柱截面尺寸的偏差满足规范的要求,对于施工缝交接部位的接头处,应在柱底部已经施工完毕的构件部位增加一道对拉螺杆。
柱模板背竖楞为50×90木枋,间距250~300mm,柱箍采用8~12#双肢槽钢(柱截面尺寸小于500mm可采用钢管)及φ12的高强螺杆连接成,柱箍间距不应大于600mm,并应经过设计计算确定,柱箍第一道从楼面250mm起。
柱截面尺寸边长不大时中间可不设对拉螺杆。
<800*800截面尺寸不大时柱模板加固示意图当柱截面尺寸较大时,中间应设置对拉螺杆,截面尺寸较大的柱模板背竖楞为50×90木枋,间距200~250mm,柱箍采用12#双肢槽钢及φ12的高强螺杆连接成,柱箍间距不大于600mm并应经过设计计算确定,柱箍第一道从楼面250mm起。
中建X局分公司施工工艺标准化做法图集前言为提高中建X局分公司所属项目的施工管理水平,建立以“管理模式标准化、管理行为程序化、施工作业精细化“为容的项目管理体系来加强项目管理,提高施工现场工程的实体质量,较少质量通病的发生。
同时做到分公司所属各项目资源的的集中管理供应,提高周转材料的周转使用率,降低项目的施工成本,做到项目利润的最大化。
逐步做到分公司各项目施工工艺的标准化,施工方案的模块化,施工措施的通用化,周转材料的集中周转化,设施材料的集中供应化,使规的施工项目管理成为企业的核心竞争力,分公司编制施工现场施工工艺标准化做法图集,下发给每个项目推广使用。
为更好的推进每个项目的施工工艺标准化管理,每个项目开工前,应结合公司的施工工艺标准化做法图集,在项目开工前结合项目实际情况编制本项目的施工工艺标准化具体实施方案,具体实施方案应包括项目施工的各个分部分项工程,实施方案应积极选用标准图集的做法,同时鼓励项目在实施过程中不断创新,持续改进。
项目完工后,每个项目都要对本项目应用的工艺标准化做法进行总结,积累经验吸取教训,并把推广应用情况上报给公司,公司将根据每个项目应用情况不断总结经验,对标准图集修改完善,换版升级,循环往复不断的提高项目的管理水平。
同时公司将把每个项目推广应用项目管理标准化的情况做为公司考核项目的一项重要指标。
目录一、钢筋工程 (3)1、钢筋标识做法 (3)2、钢筋尺寸定位做法 (3)1) 楼板钢筋定位做法 (3)2) 柱钢筋尺寸定位做法 (5)3) 墙钢筋尺寸定位做法 (7)4) 后浇带钢筋定位做法 (8)3、钢筋保护层做法 (9)1) 砂浆垫块 (9)2) 塑料垫块 (10)4、钢筋成品保护做法 (13)1) 预埋线盒部位钢筋保护做法示意图 (13)2) 混凝土浇筑楼板钢筋保护做法示意图 (14)3) 钢筋成品人行通道保护做法示意图 (15)4) 混凝土浇筑钢筋保护措施 (15)5) 钢筋垃圾清理示意图 (16)5、钢筋工程成品质量标准示意图 (16)1) 板钢筋示意图 (16)2) 梁钢筋示意图 (17)3) 柱钢筋示意图 (17)4) 墙钢筋示意图 (18)二、模板工程 (18)1、模板设计 (18)2、模板标准做法示意图 (18)1) 模板钻孔标准做法 (18)2) 柱模板做法示意图 (21)3) 梁板模板做法示意图 (28)4) 墙模板做法示意图 (31)5) 楼梯模板做法示意图 (42)6) 特殊部位模板做法示意图 (44)3、模板节点细部处理做法图 (49)4、模板工程成品标准示意图 (56)三、混凝土工程 (57)1、混凝土质量控制标准做法示意图 (57)2、混凝土成品保护标准做法示意图 .................. 错误!未定义书签。
室内装饰工艺工法标准化
工程管理中心
二〇一八年十一月
Happy Sinic Extreme Habitat
装饰现状
目录01
02 工艺工法详解
02:工艺工法详解01 卫生间地面工艺样板
03 天花吊顶安装工艺样板04木地板铺装工艺样板
02 卫生间墙面工艺样板
05 乳胶漆及墙纸裱糊工艺样板07窗台石铺贴工艺样板
06厨房相关安装工艺样板
02-01 卫生间地面工艺样板(7)
1、采用毛刷或塑料刮板进行竖向满批刷;
2、墙面上翻至建筑完成面300MM 以上,不应
出现流坠或漏刷现象。
第一遍防水工艺说明
02-01 卫生间地面工艺样板(9)
1、大理石挡水内抗渗砂浆满灌倒扣于淋浴区止
水坎上;
2、淋浴区内侧采用同材质防水涂料再次涂刷且
与原防水层交圈;
3、淋浴区内蓄水24小时,检查有无渗漏;
4、淋浴区挡水石在地面块料面层铺贴前铺设完
成。
淋浴间挡水石工艺说明。
安装工程工艺工法标准图集编制说明1、编制目的为促进开发项目安装工程质量提高,统一安装工程施工标准,作为集团工艺工法标准的补充,特制定本标准。
2、适用范围地产公司所辖在建及新建项目。
3、实施要求本标准图集作为地产公司开发项目安装工程施工工艺标准的补充,由项目部对安装单位、监理单位进行交底培训并严格推广执行。
4、其他本图集将会依据实际需要持续修订和完善,各项目需按最新版本要求实施。
若地方政府有特殊规定或地方标准高于本图集,按照地方要求实施;地方标准低于本图集要求,按本图集要求执行。
1、室内给水竖向管道安装2、消防给水立管与水平管连结3、水管防腐与管件安装4、消火栓安装5、外墙塑料排水立管安装6、室内塑料排水立管安装7、排水管水平段安装8、塑料排水管管根处处理9、管道保温施工10、减压阀、压力表安装11、阀门安装12、消防水泵安装13、室内给水管支架底座预理14、喷头安装15、管道支架安装1、防雷接地和等电位焊接2、屋面接闪器安装3、屋面设备防雷连接与安装4、穿管预留预埋5、明配线管施工6、桥架安装7、配电(控制)箱安装8、配电箱接线目录第一部分:管道安装第二部分:电气安装9、电缆敷设10、用电设备的接线11、消防控制模块的安装12、发电机安装1、风管安装2、风机与软联接3、风管支、吊架设置4、风管过防火墙的安装1、楼层主线路、二级箱、插座箱安装2、LED 照明3、楼层施工用水水管暗埋安装第三部分:通风与空调第四部分:施工用电用水安装错误的安装方式第一部分:管道安装3、水管防腐与管件安装错误做法:非镀锌件混用做法说明1、镀锌管在套丝完成后及时涂刷防锈漆,不能长时间祼露在空气中。
2、镀锌管材只能选用镀锌配件。
如镀锌法兰,镀锌连接螺栓等。
3、管线施工完成后及时对接头处的麻丝进行清理和补刷油漆。
4、地下室等潮湿环境中,施工完成后及时进行防腐,螺栓等活动部件涂抹黄油。
5、管道施工完成后按系统进行管线标识,水流方向,标识清晰耐久。
图册编委会主任:李辉进赵德福执行副主任:李江华总策划:李小东委员:刘尚元何健辉张永清袁伟洲武乃东李海泳宋青春卢卫国曹文英郑小金许国映陈浩李伟青李成王飞王清轩何云王刚卓碧勇万长青李祖胜刘克辉扶太聚袁皇特李小兵前言随着安装公司规模与品质跨越发展,实行项目管理流程标准化是安装公司标准化升级的重大举措之一,也是规模发展的必然要求和实现精细化管理的有效手段,段,更是维护企业品牌、更是维护企业品牌、更是维护企业品牌、提升企业形象的迫切需求。
提升企业形象的迫切需求。
提升企业形象的迫切需求。
安装公司组织相关人员编制安装公司组织相关人员编制本图册,本图册,旨在培训现场管理人员,旨在培训现场管理人员,旨在培训现场管理人员,提高现场质量管理水平,提高现场质量管理水平,提高现场质量管理水平,以期实现施工生产更以期实现施工生产更加规范、科学、合理。
适用范围:本图册适用于安装公司所属各经理部、安装公司直属项目及各经理部所属施工项目。
主要内容:本图册主要内容包括:施工工艺标准流程。
管理要求:本图册为安装公司项目管理流程标准化的企业标准,请各级单位认真贯彻执行。
解释与管理权限:实施本图册时,实施本图册时,除遵守本图册有关要求外,除遵守本图册有关要求外,除遵守本图册有关要求外,还应符合设计规范、还应符合设计规范、还应符合设计规范、施工质量验施工质量验收规范及项目业主相关要求,收规范及项目业主相关要求,若工程项目所在地相关标准高于此图册时,若工程项目所在地相关标准高于此图册时,若工程项目所在地相关标准高于此图册时,以地方以地方标准为准。
本图册由安装公司工程管理部负责解释。
编写编委会 2013年11月目录施工工艺标准流程 ................................................................................................................... 5空调专业 ............................................................................................................................... 5空调给排水专业预留预埋 ............................................................................................... 6空调风管 ........................................................................................................................... 7风口 ................................................................................................................................... 9空调风管阀门 ................................................................................................................... 9空调风管道橡塑保温 ..................................................................................................... 10空调风管道橡塑板保温 ................................................................................................. 11螺纹连接 ......................................................................................................................... 11焊接 ................................................................................................................................. 12空调水阀门 ..................................................................................................................... 13管道橡塑保温 ................................................................................................................. 14管道铝箔玻璃棉保温 ..................................................................................................... 14冷水机组 ......................................................................................................................... 15空调水泵 ......................................................................................................................... 16板式热交换器 ................................................................................................................. 16分集水器 ......................................................................................................................... 17冷却塔 ............................................................................................................................. 17空调机组 ......................................................................................................................... 18风机盘管 ......................................................................................................................... 19风机 ................................................................................................................................. 20空调稳压补水水箱 ......................................................................................................... 21给排水专业 ......................................................................................................................... 22给水UPVC或PE塑料管粘接 ........................................................................................ 23 PPR或HDPE塑料管热熔连接塑料管热熔连接 ....................................................................................... 23不锈钢卡压式连接 ......................................................................................................... 24不锈钢氩弧焊接连接 ..................................................................................................... 25卡箍连接 ......................................................................................................................... 25法兰连接 ......................................................................................................................... 26污水泵 ............................................................................................................................. 26给水泵 ............................................................................................................................. 28给排水水箱 ..................................................................................................................... 28卫生洁具 ......................................................................................................................... 29电气 ..................................................................................................................................... 32电气预留预埋 ................................................................................................................. 33变压器 ............................................................................................................................. 34高低压配电屏 ................................................................................................................. 35明装配电箱 ..................................................................................................................... 36暗装配电箱 ..................................................................................................................... 36配电柜 ............................................................................................................................. 37矿物绝缘电电缆 ............................................................................................................. 37普通电缆 ......................................................................................................................... 38母线安装 ......................................................................................................................... 39桥架安装 ......................................................................................................................... 40灯具 ................................................................................................................................. 41开关插座 ......................................................................................................................... 42施工工艺标准流程空调专业空调风管道及附件安装施工准备预留预埋空调水管道及附件安装中央制冷机房设备安装空调机房设备安装空调风管道漏光﹑漏风量检测空调水管道分系统﹑分楼层试压设备配管及阀门等附件安装设备配管及阀门等附件安装空调风管道保温空调水系统试压中央制冷机房系统试压与保温空调机房系统试压与保温风口安装空调水管道保温及外装饰面包裹中央制冷机房设备单机试运转空调机房设备单机试运转空调系统联合调试空调系统带负荷联合调试空调工程竣工验收通风与空调工程是建筑工程的一个分部,包括送、排风系统,防、排烟系统,除尘系统,空调系统,净化空调系统,制冷系统与空调水系统七个独立的子分部系统工程。
◆第一部分砌体工程 (2)◆第二部分安装工程 (6)◆第三部分抹灰工程 (12)◆第四部分门窗工程 (18)◆第五部分模板工程 (19)◆第六部分防水工程 (24)1.砌体2.顶砖、后塞口实心砖做法说明1.砌体施工前需弹线定位;墙体砌筑时拉线施工;砖应在砌筑前提前1~2d浇水湿润,待砖表面凉干后使用,严禁干砖上墙。
2.空心砖、多孔砖、加气块下部设置三线实心砖;拉结筋植筋时要求考虑砌体模数,保证拉结筋刚好设置在灰缝内。
3.砖体方正,按照组砌方式错缝搭接,墙体平整;灰缝饱满,宽窄一致,保证灰缝8~12mm宽度,水平和竖向均不能出现透明缝。
4.顶砖斜砌要求砌体静置7天后开始采用实心砖砌筑;斜度45°-60°,内墙要求留设12~13公分,外墙顶砖要求交错斜砌,留设17~19公分。
3.构造柱留设做法说明1.构造柱钢筋绑扎应在砌筑墙体前完成,钢筋采用后植筋工艺施工,植筋位置正确,植筋锚固长度为15d,钢筋绑扎牢固,钢筋笼安装垂直。
2.留设构造柱两侧空心砖端部必须采用实心砖封堵;构造柱与墙连接处应砌成马牙槎,并应沿墙高每隔500mm设2φ6拉结钢筋,每边伸入墙内不宜小于600mm。
3.构造柱墙体应砌成马牙槎,马牙槎凹凸尺寸不宜小于60mm,高度不应超过300mm。
马牙槎应先退后进,对称砌筑。
砌筑时必须挂双线保证马牙槎的垂直度。
加气块马牙槎应切割倒角,便于砼浇筑密实。
4.构造柱关模成型簸箕口簸箕口成型砼双面胶做法说明1.构造柱模板要求:构造柱模板固定采用对拉螺杆,间距500mm。
2.浇筑簸箕口要求:构造柱上口模板应关成簸箕口,簸箕口高出梁下口50mm;簸箕口长300mm,高300mm,宽度同柱截面。
3.防漏浆胶条:构造柱与模板之间沿砌体边缘粘贴双面胶,防止砼漏浆。
4.砼浇筑要求:构造柱砼强度不得低于C20,浇筑前浇水湿润,浇筑时采用手锤敲击震动或小功率振动棒振捣密实,成型饱满平整。
5.砌筑7天后才能关模,关模前清理柱脚杂物,砼成型8-12小时后拆除模板,簸箕口成型砼必须在三天后才可剔打除去。
5.门窗洞口砌体过梁 6.窗台砌体压顶方向正确大于240mm大于100mm做法说明1.预制过梁要求安装方向正确,伸入两端支撑点不小于240mm。
2.窗台压顶厚度60mm,两端伸入墙体大于100mm。
3.门窗洞口砌体施工时先定位放线,确保洞口尺寸符合要求。
4.洞口砌体严格按照组砌方式进行砌筑,加气块、空心砖按要求砌筑预制砼块或实心砖。
1.给水管道随砌随埋给水管延伸到位现场加工U型砖做法说明1.厚度大于100mm砖砌体内给水采用随砌随埋方式,避免后期抹灰埋管出现空鼓开裂现象。
厚度100mm砖也可现场加工或定制U型或L型砖实现随其随埋。
2.砌体施工前弹出室内地坪标高基准线、砌体地面放样定位线,以便确定埋设管线、给水点位等位置。
防水反坎浇筑前和砌体施工前将给水管道调整、延伸到位。
3.砌体施工过程中及时巡视及时纠偏,点位部分可局部预留,便于安装接头,待砌体完成,打完灰饼后,进行给水点位固定。
4.为便于管道随砌随埋,砌筑砖需采用集中加工,管线周边需用水泥砂浆填实。
给水点位出墙距离根据相关企业要求和验收规范控制。
2.电气导管随砌随埋电气导管延伸到位底盒一次性固底盒位置预留做法说明1.厚度大于100mm砖砌体内电线导管采用随砌随埋方式,避免后期抹灰埋管出现空鼓开裂现象。
厚度100mm砖也可现场加工或定制U型或L型砖实现随其随埋。
2.砌体施工前弹出室内地坪标高基准线、砌体地面放样定位线,以便确定埋设电线导管、电气底盒等位置。
防水反坎浇筑前和砌体施工前将给电线导管调整、延伸到位。
电线盒可采取一次性固定或预留孔方式,需考虑抹灰完成面高度。
3.砌体施工过程中及时巡视及时纠偏,点位部分可局部预留,便于安装接头,待砌体完成,打完灰饼后,进行给水点位固定。
4.为便于管道随砌随埋,砌筑砖需采用集中加工,管线周边需用水泥砂浆填实。
底盒出墙距离根据相关企业要求和验收规范控制。
3.二次配管切槽敷设宽度dn+40mm深度dn+20mm做法说明1.加气块砌体或者厚度小于等于100mm砖砌体,二次配管可采用机械切槽方式敷设。
2.砌体施工完成后,弹出室内标高控制线;确定给水点位、线盒位置。
3.根据点位位置和引线位置,弹开槽双线,开槽宽度dn+40mm,深度dn+20mm,沿弹线进行机械开槽。
严禁直接敲打。
4.用水冲洗线槽,固定管线在槽底,管线固定间隙均匀,管线净距20mm,便于砼填塞密实。
5.管线固定后分层填充C15细石混凝土。
给水点位、线盒出墙距离在抹灰灰饼后根据企业要求和验收规范规定固定。
6.开槽大于100mm需按要求挂铁丝网。
4.户内强弱电箱安装做法说明1. 针对管线较多,砌体厚度不足的强弱电配电箱,采用混凝土带一次浇筑成型。
砌体施工前弹出室内地坪标高基准线、砌体地面放样定位线,以便确定埋设管线、强弱电箱位置。
2. 砌体施工前将电气二次配管管道调整、延伸到位,强弱电箱采取加固措施一次固定到位,待砌体完成后关模浇筑混凝土带。
3. 砌体厚度足够安装箱体,可采用预留强弱电箱安装位置方式,待砌体及灰饼完成后,调整强弱电箱位置进行固定。
4. 强弱电箱预留可采用预制砼箱,大于300mm 箱体上口需设过梁。
过梁内预留管线穿管洞。
混凝土带预制箱位预留箱位5.排水管道安装6.地漏、楼板套管安装防水附加层做法说明1.PVC排水管伸缩节设置位署应靠近水流汇合管件;当层高小于或等于4m时,污水立管和通气立管应每层设一伸缩节;排水管道支架安装牢固统一、伸缩节安装预留伸缩量;排水管与透气管中心间距180mm;管材或管件在粘合前应将承口内侧和插口外侧擦拭干净,粘合时需转动管道90°,确保粘合剂均匀。
建筑物内排水管道按要求设置阻火圈,阻火圈按照图集要求固定在结构板上。
2.管道穿楼板埋设钢套管,套管冒出楼板高度一致(有排水要求部位50mm),套管下口平板底;套管周边清理干净并均匀涂刷银粉漆两遍;套管与管道间隙均匀,采用柔性材料填缝密实。
3.地漏安装平正,牢固,低于排水表面,周边无渗漏。
排水地漏和有防水要求的排水管周边增设300*300mm防水附加层。
4.管道吊洞支模采用顶撑等方式,不得采用铁丝支模吊洞。
浇筑时采用C20细石膨胀砼分两次浇筑,第一次浇筑2/3高度。
7.穿墙套管安装砼预制套管翼环在结构中部两端平齐内刷防锈漆做法说明1.砌体外墙套管采用砼预制套管或随砌随埋安装(要求套管周边砂浆填实)方式,防治渗漏风险。
2.穿墙体、穿屋面、露台防水套管、穿地下室侧墙防水套管长度应考虑积水深度、保温厚度、防水保护层厚度、抹灰厚度。
3.防水套管按照02S404图集要求制作,翼环应双面满焊,且焊缝饱满、平整;翼环设置在结构板中部。
穿墙(梁)套管长度同墙(梁)厚;穿有保温要求的外墙面时需与内外侧装饰面平。
钢制套管内部做防腐处理。
套管与管道间隙均匀,封堵密实。
4.套管标高、位置合理,确保吊顶等装饰高度;套管位置须与室外管道错开,避免交叉;空调套管:壁挂机安装高度2200mm,柜机安装高度150mm,1.基层处理2.挂网挂钢丝网做法说明1.不同材质墙体交界处(含管线槽封堵处)基层找平后方可钉镀锌钢丝网(12.7*12.7网格)、丝径0.5mm,搭接宽度每边不小于100mm。
2.钢丝网铆钉应为梅花状设置,间距不应大于200mm,铆钉应有垫片。
3.挂网要求基层平整,挂网牢固可靠,搭接面每边各一半设置。
4.打灰饼:定位放线,确定灰饼顶平面。
灰饼设置规范统一、间距合理,有灰饼控制线。
3.墙面灰饼 4.窗内侧墙面灰饼做法说明1.抹灰前应对门窗等洞口内外侧贴灰饼,阴阳角须设灰饼,抹灰时应与大面抹灰一次成活;大面灰饼不少于两排,间距≤1800mm。
2.梁底、飘板天花:拉水平线或贴饼进行抹灰;当梁宽度、飘板天花进深尺寸≥400mm时,必须通过贴饼控制水平度、平整度。
3.外门窗洞口内侧墙面必须在两侧的上中下共设置6个灰饼。
第三部分抹灰工程5.基层处理 6. 甩浆/涂刷界面剂做法说明1.根据灰饼点对砌体中的线盒预留进行调整固定,应考虑与以后抹灰层相平;抹灰前,电箱、电盒须做保护盖或塞泡沫块进行保护,防止抹灰过程中被砂浆污染。
2.混凝土墙面须涂刷界面剂或刷素水泥浆,待素水泥浆到达一定强度后方可进行抹灰作业。
3.抹灰前基层必须湿润。
4.抹灰前对加气砼砌块基层进行处理。
其做法是:浇水一遍,冲刷去墙面渣末。
杜绝基层底部清理不干净或不彻底就开始抹灰,抹灰前不再浇水。
第三部分抹灰工程7.打底8. 面层做法说明1.抹灰应严格按设计要求遍数成活,设计没有明确要求的应按如下工艺进行:(1)大面积抹灰前应设置标筋。
抹灰应分层进行,每遍厚度宜为5~7mm。
抹水泥混合砂浆每遍厚度宜为7~9mm。
(2)当抹灰总厚度超出35mm时,应采取加强措施。
(3)抹灰间歇时间应待前一次抹灰终凝后进行,不得连续作业。
2.室内墙面、柱面和门洞口的阳角做法应符合设计要求。
设计无要求时,应采用1:2水泥砂浆做暗护角,其高度不应低于2m,每侧宽度不应小于50mm。
第三部分抹灰工程9.成型及养护做法说明1.表面光滑、洁净、接槎平整,分格线应清晰。
2.颜色均匀一致,压纹平顺,无起砂,直线平顺,曲线平滑。
落地灰清理干净。
收边收口部位,边缘整齐。
3.将测量数据标在墙上。
做到随抹、随测、随纠偏;抹灰收面后,须在抹灰干硬之前完成实测、整改。
4.外墙面抹灰层按设计要求间距设置分隔缝,缝的位置尽量设在楼层梁板范围内。
5.抹灰层在凝结前,应防止快干、水冲、撞击和震动。
6.抹灰完成后注意成品保护,并及时浇水养护,最好采用农用喷雾器。
普通砂浆抹灰后7天内采用喷雾器湿水养护。
第三部分抹灰工程10. 滴水线及室外挑板坡向做法说明1.空调机位等可能存水的小平台,抹灰时均须往外找坡。
2.阳台天花、窗檐等外墙涂料饰面位置设置滴水线条或鹰嘴,不得出现爬水现象。
第四部分 门窗工程1.门窗洞口2. 窗台做法说明1. 外窗洞口抹灰及饰面完成并达到设计强度开始外窗安装。
2. 外窗洞口在抹灰时自墙体中心线向内侧预留窗框固定片位置,固定片距窗框端部外边150-200mm ,其余固定片间距不大于600mm 。
3. 抹灰收口采用水泥砂浆收口,线条顺直、阴阳角方正、边缘整齐。
4. 外门窗洞口窗台装饰完成面距离塑钢窗框底边8-10mm ,用发泡剂填塞密实,发泡剂一次成型严禁切割。
5. 外窗台自墙体中心线向外坡度不低于15%。
预留固定片位置15%1. 模板及支撑做法说明1.按照结施图的梁柱平面布置图,设置满堂脚手架,模板支撑系统的杆件间距应经设计计算确定,最大步距不得大于1.8米,住宅工程(3.2米内)的模板立柱加设构造间距:梁宽方向不得大于1.0米,梁跨方向不得大于1.2米,步距应控制在1.5~1.8米之间。