【精选】北师大版物理八年级上册 声现象实验单元测试卷(解析版)
- 格式:doc
- 大小:195.00 KB
- 文档页数:9
第四章综合测试一、单选题1.在演示声音是由物体的振动发生的实验中(如图所示),将正在发声的音叉紧靠悬线下的泡沫塑料球,球被多次弹开。
在此实验中,泡沫塑料球的作用是()A.使音叉的振动尽快停下来B.使音叉的振动时间延长C.将音叉的微小振动放大,便于观察D.使声波多次反射,形成回声2.下列现象中不能说明声音能够传递信息的是()A.夏天,通过敲击声分辨西瓜熟不熟B.利用声纳探测海深C.利用超声波清洗精密仪器D.听到雷声,知道将会下雨3.超声波具有广泛的应用,下列事例中不属于运用超声波的是()A.B超成像B.声波测距C.防生蝙蝠飞行器的飞行D.分贝仪4.用大小不同的力先后两次敲击同一个音叉,比较音叉两次发出的声音()A.音调不同B.响度不同C.音色不同D.音调、响度、音色均不同5.医院里的B超机是利用超声波来诊断病情的,但是人们却听不到它发出的声音,这是因为()A.声音频率大于人能听到的声音频率B.声音太小C.声音太大D.声音频率小于人能听到的声音频6.关于声现象,下列说法错误的是()A.声音在真空中传播最快B.发声体的振动频率越大,音调越高C.声音是由物体的振动产生的D.人们利用超声波能够测出海底的深度7.关于声现象下列说法错误的是()A.发出较强声音的喇叭能使它前面的烛焰“跳舞”,说明声音具有能量B.两名宇航员在太空中不能直接对话,是因为声音不能在真空中传播C.诗句“不敢高声语,恐惊天上人”中的“高”是指声音的音调高D.听不同乐器弹奏同一首歌曲时能分辨出所用乐器,是利用了声音的音色不同二、多选题8.为探究声的产生条件是什么,有人建议以下几个实验方案,你认为不能说明问题的实验是()A.在钟罩内的闹钟正在响铃,把钟罩内空气抽去一些后,铃声明显减小B.拨动吉他的琴弦发出声音时,放在弦上的小纸片会被琴弦弹开C.吹响小号后,按不同的键使其发出不同的声音D.把正在发声的收音机密封在塑料袋里放入水中,人们仍能听到它的声音9.关于如图所示的各种物理现象,描述正确的是()A.音叉发出的声音越响,乒乓球被弹开的越远B.敲打鼓面纸屑会跳舞,说明发声的物体在振动C.用力吹一根细管,并把它剪短,音调会变低D.用“土电话”能听见对方的声音,说明固体也可以传播声音10.关于声现象,下列说法正确的是()A.声音在固体物质中的传播速度一般比在空气中的传播速度更慢B.中考期间学校路段禁止鸣喇叭,这是在声源处减弱噪声C.利用超声波可以测月球与地球之间的距离D.用超声波能粉碎人体内的结石,说明超声波具有能量11.关于声现象,下列说法不正确的是()A.“不敢高声语,恐惊天上人”中的“高”是指响度大B.20℃时,声音在空气中的传播速度约是340m/sC.用超声波能粉碎人体内的“小石头”,说明超声波能够传递信息D.“路人借问遥招手,怕得鱼惊不应人”说明声音可以在气体和液体中传播12.通过声音能传递信息,在日常生活中,人们常根据敲打物体发出的声音来鉴别物体质量的好坏,以下行为中用以达到这一目的是()A.铁匠用小锤敲打烧红的毛坯B.瓜农用手拍打西瓜C.顾客用手轻轻敲打瓷器D.瓦匠用瓦刀敲打红砖13.夜晚,歌舞厅正在播放优美的舞曲,并且声音很大。
一、选择题1.中秋佳节,人们以敲锣打鼓、吹唢呐等方式来营造热闹喜庆的场面,如图所示。
下列说法正确的是()A.锣、鼓的声音是由物体的振动产生的,而唢呐的声音不是由物体的振动产生的B.人们通过音色来分辨锣、鼓、唢呐的声音C.唢呐做成喇叭形状可以提高声音的音调D.锣、鼓、唢呐的声音在真空中的传播速度为340m/s2.关于声现象的描述,下列说法正确的是()A.图甲中,用两个棉球塞住耳朵也能清楚地听到音叉发声,声音的这种传导方式叫做骨传导B.图乙中,逐渐抽出真空罩内的空气,闹钟发出的铃声逐渐变大C.图丙中,戴上防噪声耳罩,可以在声源处减弱噪声D.图丁中,开启倒车雷达,可利用次声波回声定位3.为了比较几种材料(衣服、锡箔纸、泡沫塑料)的隔音性能,小明将机械闹钟作为声源放入鞋盒内,并在其四周塞满待测材料,让人一边听声音,一边向后退,直到听不到声音为止,测量人到鞋盒距离,这一环节而言,属于科学探究中的()A.提出问题B.猜想假设C.进行实验D.分析论证4.“会说话的汤姆猫”是一款手机游戏,当你对着手机说话时,它会做一个侧着耳朵听你说话的姿势“认真”倾听,当你说结束时,它会用它独特的声音模仿你说的话并重复一遍,针对这一现象,下列判断正确的是()A.我们听到“汤姆猫”说话的声音是由它的声带振动而产生的B.人说话声音太轻时“汤姆猫”没有反应,这是因为人说话声音音调太低C.“汤姆猫”和人说出的话虽然语义相同,但音色不同所以能够区分D.两种声音都是通过空气传到人的耳朵中,传播的速度约为3×108m/s5.晚上,小明坐在书桌前准备好好学习,耳边飘来“让我们一起摇摆,一起摇摆”的音乐,大妈们的广场舞开始了。
请问以下说法正确的是()A.广场舞音乐是由于大妈们的振动产生的B.用手捂住耳朵,属于在人耳处减弱噪声C.对于正要学习的我们,广场舞音乐属于乐音D.广场舞音乐在任何情况下的传播速度都是340m/s6.如图是小明用笛子和二胡奏出的声音经过同一个示波器显示的波形图。
一、初二物理声现象实验易错压轴题(难)1.用尺子来探究音调和响度分别与什么有关时,小明做了以下实验:(1)用尺子来探究决定音调高低的因素,把钢尺紧按在桌面上,一端伸出桌边,拨动钢尺,听它振动发出的声音,同时注意钢尺振动的快慢;改变钢尺伸出桌边的长度,再次拨动,使钢尺每次的振动幅度大致相同.实验发现尺子伸出桌面的长度越长,振动越_____,发出声音的音调越_____;由此可得出结论:音调的高低与_____有关.当尺子伸出桌面超过一定长度时,虽然用较大的力拨动钢尺,却听不到声音,这是由于_____.(2)用尺子来探究决定响度大小的因素,把钢尺紧按在桌面上,一端伸出桌边,拨动钢尺,听它振动发出的声音,同时保持人耳到钢尺的距离不变,接下来的操作是_____.【答案】慢低发声物体的振动频率钢尺的振动频率低于20Hz保持钢尺伸出桌面的长度不变,用大小不同的力拨动钢尺【解析】(1)尺子发出声音的音调与尺子振动快慢有关:当尺子伸出桌面的长度越长时,振动越慢,发出声音的音调越低;由此可得出结论:音调的高低与发声物体的振动频率有关;当尺子伸出桌面超过一定长度时,虽然用较大的力拨动钢尺,却听不到声音,这是由于钢尺振动频率小于20Hz;(2)用尺子来探究决定响度大小的因素,把钢尺紧按在桌面上,一端伸出桌边,拨动钢尺,听它振动发出的声音,同时保持人耳到钢尺的距离不变;保持钢尺伸出桌面的的长度不变,用大小不同的力拨动钢尺.故答案为(1)慢;低;频率;钢尺振动频率小于20Hz;(2)保持钢尺伸出桌面的的长度不变,用大小不同的力拨动钢尺.故答案为:(1). 慢 (2). 低 (3). 频率 (4). 钢尺振动频率小于20 Hz (5). 保持钢尺伸出桌面的长度不变,用大小不同的力拨动钢尺【点睛】音调指声音的高低,是由发声体振动的频率决定,物体振动越快,音调就越高,物体振动越慢,音调就越低;人能感受到的声音频率有一定的范围,大多数人能够听到的频率范围从20Hz到20000Hz;2.观察表,试写出三个与声音传播速度有关的结论.在空气中在气、固、液体中在空气中温度(℃)声速(米/秒)介质声速(米/秒)频率(赫兹)声速(米/秒)0330氧气316200034015340水1450100034030349冰3160500340100386铁4900﹣5000256340可初步得出的结论有:(1)由第一第二列可得:_____.(2)由第三第四列可得:_____.(3)由第五第六列可得:_____.【答案】同种介质中,声音传播的速度与介质温度有关不同介质中,声音传播的速度不同,一般固体中最快,液体中次之,空气中最慢声音传播的速度与频率无关【解析】【详解】(1)由表中第一第二列可以看出,同样是在空气中,温度不同,声速也会不同,故可得出:同种介质中,声音传播的速度与介质温度有关;(2)由表中第三第四列可以看出,不同介质中,声速不同,且固体中最快,液体中次之,空气中最慢;(3)由表中第五第六列可以看出,频率不同,但声速相同,说明,声音传播的速度与频率无关.3.根据如图所示的实验情景,回答问题:(1)如图①所示的实验现象表明:________.(2)如图②所示,从左向右敲击瓶子时,各瓶发音的音调变化是:________.(选填“由高变低”或“由低变高”)(3)如图③所示,用手指轻叩课桌,使正坐在对面的同学刚好听不到叩击声,再让对面的同学将耳朵紧贴在桌面上,用同样的力度轻叩课桌,这时对面的同学则能听到叩击声.这个实验表明:________(4)如图④所示,正在发声的手机悬挂在密闭的广口瓶内,将瓶内的空气不断抽出时,手机铃声逐渐变小.由这个实验事实得到的推论是:________.(5)如图⑤所示,我们把水倒入瓶中时,通常根据声音的________来判断瓶中水的多少.【答案】声音由物体振动产生由高变低固体传声效果比空气好真空不能传声音调变化【解析】【详解】(1)小纸片的跳动是由于扬声器振动造成的,扬声器发出声音的原因正是由于里边纸盆的振动;所以如图①所示的实验现象表明:声音由物体振动产生;(2)敲击瓶子时,声音主要是瓶身和水柱振动发出的,瓶中盛水越多,瓶子和水的质量越大,越难振动,音调越低,因此从左向右敲打瓶子,音调由高变低;(3)敲课桌的另一端的时候,耳朵贴在桌面上是靠固体传播声音;耳朵离开桌子的时候靠空气传播声音,固体传声效果比气体好,所以耳朵紧贴在桌面上,用同样的力度轻叩课桌,这时对面的同学则能听到叩击声.(4)当用抽气机不断抽气时,手机播放的音乐声逐渐减弱,经过科学推理可得:真空不能传声;(5)往暖水瓶中灌水时,是由暖水瓶内的空气柱振动发出声音,水越来越多,空气柱越来越短,越容易振动,音调越高.所以可以通过发出声音的音调变化来判断暖水瓶中水的多少.4.如图所示,小明和小刚用细棉线连接了两个纸杯制成了一个“土电话”。
一、选择题1.电视节目《国家宝藏》展示了我国古代劳动人民的智慧成果,其中介绍了曾侯乙编钟如图所示。
对其中所涉及的物理知识,下列说法中错误的是()A.通过木槌敲击编钟使其振动发声B.敲同一组编钟,通过改变钟的大小来改变音调高低C.编钟具有特殊的音色,雄浑深沉D.用不同力度敲响同一个编钟,响度相同2.下列的实验和实例,能说明声音的产生或传播条件的一组是()①在鼓面上放些碎纸屑,敲鼓时可观察到纸屑在不停地跳动②当放在真空罩里的手机来电时,只见指示灯闪烁,却听不见铃声③拿一张硬纸片,让它在木梳齿上划过,一次快些,一次慢些,比较两次声音的不同④锣发声时用手按住锣,锣声就消失了A.①②③B.②③④C.①③④D.①②④3.一般说来,大礼堂的四周墙壁都做成凹凸不平像蜂窝状似的,这样做是为了()A.减弱声音的反射B.增强声音的响度C.提高声音的音调D.为了美观、好看4.下列关于声现象的说法正确的是()A.在空气中,超声波比次声波传播快B.次声波频率低,自然灾害往往会产生次声波C.广场噪声扰民是因为广场舞配乐音调太高D.我们听不到蝴蝶翅振动发出的声音是因为响度太小5.如图是小明用笛子和二胡奏出的声音经过同一个示波器显示的波形图。
关于这两个声音对比,下列说法正确的是()A.笛子发出声音的响度较大,音调较低B.笛子发出声音的响度较小,音调较高C.笛子发出声音的响度较小,音调较低D.笛子发出声音的响度较大,音调较高6.随着社会对住宅节能标准的不断提高,门窗玻璃由普通的单层玻璃改用双层真空玻璃,如图所示,这种玻璃不影响采光,但却能隔音降噪,其主要原理是利用了()A.空气能传声B.玻璃能传声C.声波能被反射D.真空不能传声7.下列关于声现象的说法中正确的是()A.物体振动停止后,声音立即消失B.我们听不到蝴蝶翅膀振动发出的声音是因为响度太小C.在空气中,超声波的传播速度一定大于340m/sD.我们能分辨不同的声音,是根据声音的音色8.如图所示,四个声现象中,哪两个可以用相同的声学知识解释()甲:用相同的力按压伸出桌面长度不同的钢尺乙:用正在发声的音叉接触水面,水面水花四贱丙:蝙蝠能够顺利躲避障碍物丁:用手指摩擦装有不同水量的酒杯杯口A.甲和乙B.乙和丙C.丙和丁D.甲和丁9.关于声现象,下列说法正确的是()A.在公路旁植树、安装隔音屏、安装噪声检测仪可以在传播过程中减弱噪声B.大礼堂的四周墙壁都做成凹凸不平像蜂窝状似的,这样做是为了增强声音的反射C.医生用听诊器能听清病人胸腔内的声音是因为听诊器可以减少声音的分散,提高音调D.在教室说话比在操场上说话更响亮,是因为回声可以加强原声10.在新冠疫情防控中,涉及到很多物理知识,下列说法错误的是()A.戴口罩时,眼镜片上出现水雾。
一、初二物理声现象实验易错压轴题(难)1.如图所示,小明和小刚用细棉线连接了两个纸杯制成了一个“土电话”。
⑴他们用“土电话”能实现10m间的通话,这表明 ___________。
且传播速度要 _____填大于、小于)液体、气体中的速度。
⑵相距同样远,讲话者以相同的响度讲话,如果改用细金属丝连接“土电话”,则听到的声音就大些。
这一实验表明:__________________________。
⑶如果用“土电话”时,另一个同学捏住棉线的某一部分,则听的一方就听不到声音了,这是由于______ 。
⑷如果在用“土电话”时,线没有拉直而处于松驰状态,则听的一方通过棉线(选填“能”或“不能”)____________ 听到对方的讲话。
【答案】固体能够传声大于固体传声的响度与材料有关振动停止,发声停止不能【解析】⑴他们用“土电话”能实现10m间的通话,这表明固体能够传声;声音在固体中传播速度最快,有液体中次之,在气体最慢,所以在“土电话”中传播速度要大于液体、气体中的速度。
⑵相距同样远,讲话者以相同的响度讲话,改用细金属丝连接“土电话”,听到的声音就大些。
可以说明金属丝的传声效果更好,即固体传声的响度与材料有关。
⑶如果用“土电话”时,另一个同学捏住棉线的某一部分,则听的一方就听不到声音了,是因为,声音在“土电话”也以振动的方式传播,捏住棉线时,振动停止,所以就听不到声音了。
⑷松弛的线不容易振动,也不能传递声音,所以在用“土电话”时,线没有拉直而处于松驰状态,另一方听不到声音。
2.现在大多数房屋的门窗玻璃是“双层中空(接近真空)”的,能起到“隔音保温”的作用.小明在敲玻璃时,感觉双层玻璃与单层玻璃的振动情况不一样,产生了探究“受敲击时,双层玻璃和单层玻璃的振动强弱情况”的想法.为此,进行了以下实验:①如图所示,将单层玻璃板固定在有一定倾角的斜面底端,把玻璃球A靠在玻璃板的右侧,把橡胶球B悬挂在支架上靠在玻璃板的左侧.②把橡胶球B向左拉开一定的高度,放手后让其撞击玻璃板,玻璃球A被弹开,在下表中记下玻璃球没斜面向上滚动的距离,共做3次.③换成双层玻璃板重复②的实验.⑴实验时,把橡胶球B向左拉开“一定的高度”,目的是为了保证橡胶球B与玻璃撞击时的________能保持不变;⑵受到橡胶球B的撞击后,玻璃板振动的强弱是通过__________来反映的;⑶分析表中的实验数据,可以得出的结论是__________;⑷中空双层玻璃具有“隔音和保温”作用,是因为①隔音:___________;②保暖:___________.【答案】速度玻璃球滚动的距离大小单层玻璃比双层玻璃的振动幅度大真空不能传播声音真空传导热量的能力比玻璃差【解析】解答:(1)根据控制变量法应保持橡胶球B与玻璃撞击时的动能相同,由于是同一个橡胶球,则应保持橡胶球B向左拉开“一定的高度”,从同一高度落下;(2)当玻璃板受到橡胶球的敲击时,玻璃板振动的强弱是通过玻璃球被弹开的距离来反映的,这是转换的研究方法;(3)同样的撞击下,单层玻璃后的玻璃球比双层玻璃后的玻璃球运动的距离远;所以结论是:受敲击时,单层玻璃比双层玻璃的振动强;(4)两层玻璃之间接近真空,中空双层玻璃具有“隔音和保温”作用,①由于声音的传播是需要介质的,而真空不能传声,所以这种窗户能起到较好的隔音效果;②由于真空传导热量的能力比玻璃差,所以这种窗户能起到较好的保温效果。
北师大版八年级物理上册《第三章声现象》单元测试卷附答案学校:___________班级:___________姓名:___________考号:___________一、单选题1.如图所示为我国古代乐器编钟。
敲击不同的编钟目的是改变声音的()A.音调B.响度C.音色D.声速2.在庆国庆演唱会上,一名男中音歌唱家在放声歌唱时,由女高音轻声伴唱,则男中音比女高音()A.音调低,响度大B.音调低,响度小C.音调高,响度大D.音调高,响度小3.一场大雪后、人们会感到外面万籁俱静,究其原因,你认为正确的是()A.可能是大雪后,行驶的车辆减少,噪声减少B.可能是大雪后,大地银装素斑,噪声被反射C.可能是大雪蓬松且多孔,对噪声有吸收作用D.可能是大雪后气温较低,噪声传播速度较慢4.如图所示是我国古代的一种打击乐器——磬。
早在公元前5世纪,《考工记·磬氏》中就有“已上摩其旁,已下则摩其端”的制磬技术的记述,这里的“上”、“下”指的是声音的高低。
利用这项技术改变的是磬发出()A.声音的响度B.声音的音调C.声音的音色D.磬的振幅5.如图,学谦在研究声音的传播时,将两个完全相同的音叉放在桌面上,在与两个音叉距离相等的位置,放置一个收音设备(图中未画出),现用力敲击甲音叉,乙音叉也发出较微弱的声音(这是“共振”现象),此时收音设备记录了两个声音的数据如下表,以下说法正确的是()强弱频率声音150dB256Hz声音220dB256HzA.“共振”现象说明声音主要传递信息B.两个音叉发出声音的音调相同C.声音1记录的是乙音叉发出的声音D.因为没有敲击乙音叉,所以乙音叉没有振动6.中国古诗词意境优美,许多诗句中涉及了声现象,下列描述不正确的是()A.“路人借问遥招手,怕得鱼惊不应人”说明水能传播声音B.“柴门闻犬吠,风雪夜归人”说明声音可以传递信息C.“不敢高声语,恐惊天上人”中的“高”是指声音的音调高D.“姑苏城外寒山寺,夜半钟声到客船”中的“钟声”是根据音色判断的7.用硬纸片把一个音响糊起来,做成一个“舞台”,台上的小“人”在音乐声中翩翩起舞.下列说法正确的是A.小“人“在音乐声中翩翩起舞不能说明发声的物体在振动B.音乐声越大,小“人”跳得也越高C.音响发出的音乐声不能说明声波能传递信息D.小“人”在音乐声中翩翩起舞不能说明声波能传递能量8.为了解决家里噪音的干扰,有人会在家中房间里安装如图所示的隔音房,此做法与下列控制噪声的方法相同的是()A.临街的房屋安装隔音玻璃B.在医院附近禁止汽车鸣笛C.摩托车发动机处安装消声器D.航空母舰起飞引导员佩戴耳罩9.小东对下列声现象进行分析,其中错误的是()A.甲:音响播放乐曲,看到火焰晃动,说明声音具有能量B.乙:拨动琴弦,优美的琴声来自于琴弦的振动C.丙:用大小不同的力敲击杯子,声音的响度不同D.丁:噪声强度显示仪可以消除噪声10.关于如图所示声波的波形图,下列说法正确的是()A.响度相同的只有图甲与图丙B.音调相同的只有图甲与图乙C.图甲与图乙可能是同一乐器发出的声音D.图甲与图丁的音色相同二、填空题11.接听电话时,我们主要是根据声音的来分辨出对方是否是熟悉人,要求对方说话大声些,这是要求增大声音的。
北师大版2024-2025学年度八年级上册物理单元测试卷第三章 声现象(本试卷六个大题,24个小题。
满分100分,考试时间90分钟。
)一、选择题(本题共10个小题,每小题3分,共30分。
第1~8题为单项选择题;第9、10题为多项选择题,全选对得3分,选对但不全得1分,选错或不选得0分)1.下列关于描写声的诗词解释正确的是( )A .“谁家玉笛暗飞声”中的笛声是由笛子振动产生的B .“少小离家老大回,乡音无改鬓毛衰”是指声音的响度没变C .“不敢高声语,恐惊天上人”,诗句中的“高”是指声音音调高D .“春眠不觉晓,处处闻啼鸟”,鸟叫声是通过空气传入人耳的 2.如图所示声波的波形图,下列说法正确的是( )A .甲、乙的音色相同B .甲、丙的音调相同C .乙、丁的音调相同D .丙、丁的响度相同 3.这首歌太高了,我唱不上去,这里的“高”来描述声音( ) A .响度 B .音色 C .音调 D .振幅 4.声音可以传递能量与信息。
下列实例利用声传递能量的是( ) A .利用超声波清洗机清洗眼镜 B .医生通过“B 超”检查胎儿的发育情况 C .利用超声波检测锅炉有无裂纹 D .利用次声波判断发生地震方位5.爸爸对小明说:“请把电视声音调小点,不要影响邻居休息。
”这里“调小”的是声音的( ) A .频率 B .音调 C .响度 D .速度 6.在“①女高音”“①男低音”“①引吭高歌”“①低声细语”4个词语中,“高”“低”二字描述的是声音的“音调”的是( ) A .①①①① B .①①① C .①① D .① 7.声纹鉴定技术有助于公安机关破获手机诈骗案件,利用声纹具有唯一性、同一性的特点,可以成功锁定抓捕目标,快速侦破案件。
声纹特征鉴定主要指的是人说话的( ) A .音调 B .音色 C .响度 D .声速 8.2024年春晚开场节目《鼓舞龙腾》,寓意龙腾华夏,福满万家,人们用热情的鼓声、欢快的歌 舞欢度春节。
一、选择题1.图中,老师用同样的力吹一根吸管,并将它不断剪短,他在研究声音的()A.音调是否与发声体的材料有关B.响度是否与发声体的频率有关C.音调是否与发声体的长短有关D.音色是否与发声体的结构有关C解析:C【分析】声音的特征有三个:即音调、响度和音色;音调是指声音的高低,取决于物体振动的频率;响度是指声音的大小,取决于振幅和距离声源的距离;音色是取决于发声体本身的一种特性,一般利用音色来辨别物体。
当用同样的力吹细管时,同时不断的剪短细管,使得细管内的空气柱逐渐变短,振动变快,振动的频率变大,所以其所发出的音调会变高,故该实验是为了研究声音的音调与发声体长短的关系。
故选C。
2.支付宝用户可以对支付宝账号设置“声音锁”。
设置时用户打开支付宝APP,对着手机读出手机显示的数字,APP将主人的声音信息录入,以后打开支付宝时,APP会把录入的数字随机组合,主人无论轻声或大声,只要读对APP显示的数字即可打开支付宝。
支付宝设置“声音锁”利用了声音的()A.响度和音调B.响度和音色C.音调和音色D.只有音色D解析:D人们说话声音的响度和音调可以相同,但音色不同。
故选D。
3.疫情期间停课不停学,同学们在家进行“线上学习”时,以下有关声音的说法,正确的是()A.关上窗户可以防止外界噪声的产生B.不同老师教学时说话声音的音色不同C.调小电脑音量可以降低声音的音调D.带上耳罩可以减小声音分散而提高听课声音的音调B解析:BA.关上窗户可以减弱噪声,但不能防止外界噪声的产生,故A错误;B.音色是由发声体本身决定的一个特性,不同老师教学时说话声音的音色不同,故B正确;C.响度与振动幅度有关,调小电脑音量可以降低声音的响度,故C错误;D.带上耳罩可以减小声音分散而提高听课声音的响度,故D错误。
故选B。
4.学校积极响应各级教育部门的号召,从2月10日起利用网络开展“停课不停学”线上教学活动,各科老师轮番上阵网络直播,下列物理现象中描述正确的是()A.同学们听出熟悉的老师声音时异常兴奋,同学能区分出老师的声音是因为老师们声音音调不同B.老师在讲到关键点时,通过提高声音频率的方式来达到增大音量,强调重点知识的目的C.同学们听课时会要求正在用手机看视频的爸爸戴上耳机,这是在人耳处控制噪声D.同学们通过听网课获取知识,因为声音可以传递信息D解析:DA.每个发声体的音色都不同,同学能区分出老师的声音是因为老师们声音音色不同,故A错误;B.老师在讲到关键点时,通过增大声带振动幅度,从而提高声音响度来达到增大音量的目的,故B错误;C.要求正在用手机看视频的爸爸戴上耳机,这是在声源处阻值噪声的产生,故C错误;D.同学们通过听网课获取知识,是利用了声音能够传递信息的特点,故D正确。
一、选择题1.为了比较几种材料(衣服、锡箔纸、泡沫塑料)的隔音性能,小明将机械闹钟作为声源放入鞋盒内,并在其四周塞满待测材料,让人一边听声音,一边向后退,直到听不到声音为止,测量人到鞋盒距离,这一环节而言,属于科学探究中的()A.提出问题B.猜想假设C.进行实验D.分析论证2.中国古诗词文化博大精深,“姑苏城外寒山寺,夜半钟声到客船”,“风声雨声读书声声声入耳,家事国事天下事事事关心”。
下列解释错误的是()A.诗人根据音色判断是钟发出的声音B.钟声可以在空气中传播C.钟声比雨声在空气中传播得快,因为固体传声比液体快D.钟声是由钟体振动产生的3.一般说来,大礼堂的四周墙壁都做成凹凸不平像蜂窝状似的,这样做是为了()A.减弱声音的反射B.增强声音的响度C.提高声音的音调D.为了美观、好看4.当学校广播响起“我和我的祖国,一刻也不能分割,无论我走到哪里都留下一首赞歌……” 的女声演唱时,小明和小亮齐声说:“是韩红在演唱!”他们作出判断的依据是:不同歌手声音的()A.音调不同B.响度不同C.音色不同D.声速不同5.英语听力测试时,监考老师经常将窗户关上,避免外界环境干扰,“关窗户”是为了()A.在声源处减弱噪声B.在声音传播过程中减弱噪声C.在人耳处减弱噪声D.减小声音的传播速度6.下列事例中不能利用声波完成的是()A.测量海底深度B.探测鱼群的位置C.探测地球和月球之间的距离D.将病人体内的结石击碎7.下列说法中正确的是()A.超声波碎石是声传递信息的应用B.摩托车安装消声器是在人耳处减弱噪声C.一切发声的物体都在振动D.手指在不同位置按住笛孔,主要是为了改变响度8.关于声现象,下列说法正确的是()A.发生地震时,利用仪器接收超声波来确定地震的位置B.声音振动的频率越高,发出声音的音调越高C.声音在气体中的传播速度比在固体中快D.高速公路两旁设置隔音板,是为了在声源处减弱噪声9.同学们在科普节目上了解到,遇到地震时,被困在废墟中的遇险者通过敲击周围的固体向外求救,这种做法主要是利用了()A.声音能够传递能量B.声音能够传递信息,且固体传声的效果比空气好C.敲击固体发出的声音响度更大D.敲击固体发出的超声波使人听得更清楚10.下列关于声现象的说法正确的是()A.蝙蝠是靠次声波探测飞行中的障碍物和发现昆虫的B.中考期间学校路段禁止鸣笛,这是在传播过程中减弱噪声的C.声音在15℃的空气中的传播速度约为 3×108m/sD.人说话的声音是由声带振动产生的11.日常生活中,下列估测接近实际的是()A.正常人的脉搏跳动100次所需时间大约为1.5minB.人们正常交流时的响度约90分贝C.初中学生步行1km的路程经历的时间大约为100sD.一支钢笔的长度大约为14dm12.关于下列四个情景的说法中错误的是()A.图甲:发声扬声器旁的烛焰晃动,说明声波具有能量B.图乙:抽气的过程中,听到的铃声越来越小,说明声音的传播需要介质C.图丙:发声的音叉将乒乓球弹开,说明发声的物体在振动D.图丁:8个相同玻璃瓶装不同高度的水,敲击它们时发出声音的音色不同二、填空题13.业余时间,小丽同学在家练习架子鼓表演,她用力敲击鼓面,使鼓面______发出声音,鼓声通过______传入坐在旁边的妈妈的耳中。
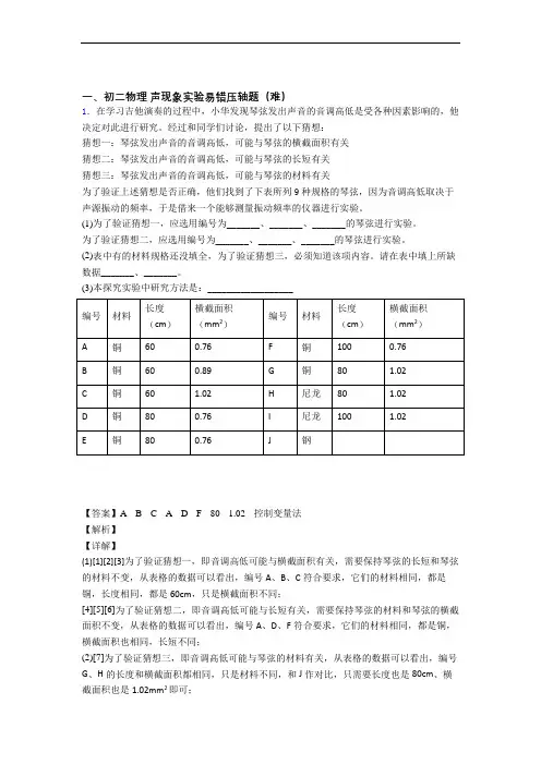
一、初二物理声现象实验易错压轴题(难)1.在学习吉他演奏的过程中,小华发现琴弦发出声音的音调高低是受各种因素影响的,他决定对此进行研究。
经过和同学们讨论,提出了以下猜想:猜想一:琴弦发出声音的音调高低,可能与琴弦的横截面积有关猜想二:琴弦发出声音的音调高低,可能与琴弦的长短有关猜想三:琴弦发出声音的音调高低,可能与琴弦的材料有关为了验证上述猜想是否正确,他们找到了下表所列9种规格的琴弦,因为音调高低取决于声源振动的频率,于是借来一个能够测量振动频率的仪器进行实验。
(1)为了验证猜想一,应选用编号为_______、_______、_______的琴弦进行实验。
为了验证猜想二,应选用编号为_______、_______、_______的琴弦进行实验。
(2)表中有的材料规格还没填全,为了验证猜想三,必须知道该项内容。
请在表中填上所缺数据_______、_______。
(3)本探究实验中研究方法是:__________________【答案】A B C A D F80 1.02控制变量法【解析】【详解】(1)[1][2][3]为了验证猜想一,即音调高低可能与横截面积有关,需要保持琴弦的长短和琴弦的材料不变,从表格的数据可以看出,编号A、B、C符合要求,它们的材料相同,都是铜,长度相同,都是60cm,只是横截面积不同;[4][5][6]为了验证猜想二,即音调高低可能与长短有关,需要保持琴弦的材料和琴弦的横截面积不变,从表格的数据可以看出,编号A、D、F符合要求,它们的材料相同,都是铜,横截面积也相同,长短不同;(2)[7]为了验证猜想三,即音调高低可能与琴弦的材料有关,从表格的数据可以看出,编号G、H的长度和横截面积都相同,只是材料不同,和J作对比,只需要长度也是80cm、横截面积也是1.02mm2即可;(3)[8]本探究实验过程中,三个变量,保持其中两个量不变,对比第三个量的变化与音调高低的关系,这是用到了控制变量法。
一、初二物理声现象实验易错压轴题(难)1.同学们围绕着水瓶发声的有关问题进行了以下探究。
(提出问题)敲瓶(瓶内含水)时发出的声音主要是由什么振动产生的?(猜想与假设)A.瓶子振动;B.瓶内水振动;C.瓶内空气柱振动(进行实验)(1)将瓶子装满水后用筷子敲击瓶子,瓶子仍能发出声音,故可以将猜想________排除。
(2)将瓶内水全部倒出后用筷子敲击瓶子,瓶子仍能发出声音,故可以将猜想________排除。
(得出结论)由上述实验分析可知,敲瓶发声,主要是由________振动产生的。
(提出新的问题)(1)瓶子发声的音调跟瓶内水的多少有什么关系?(2)随着瓶内水的增多,敲瓶发声的音调变化和吹瓶发声的音调变化又有何不同呢?(设计实验)(1)如图甲所示,先将8个空的玻璃瓶子放到桌子上一字摆开,再向瓶内注入不等量的水,从左到右,瓶内注入的水逐渐增多,最后用筷子从左到右依次敲击瓶口,同时用耳朵仔细听,辨别音调的高低。
(2)用嘴从左到右依次吹瓶口,同时用耳朵仔细听,辨别音调的高低。
(再得出结论)(1)敲瓶发声的音调随着瓶内水的增多而变______(选填高或低)。
(2)吹瓶发声的音调随着瓶内水的增多而变______(选填高或低)。
(拓展应用)如图乙所示. 用嘴分别对着5个高度不同的小瓶的瓶口吹气,发现瓶子越高,发出声音的音调越低。
(1)用嘴对着5个小瓶的瓶口吹气,5个小瓶均发出声音,则发出的声音是由________的振动产生的。
(2)5个小瓶产生的声音音调不同,其原因是________________。
【答案】C B瓶子低高瓶内空气柱空气柱的长短、粗细不同,导致空气柱振动的频率不同【解析】【分析】【详解】[1]将瓶子装满水后,瓶内没有空气,用筷子敲击瓶子,瓶子仍能发出声音,说明敲瓶时发出的声音不是由空气柱的振动产生的。
所以可以将猜想C排除。
[2]将瓶内水全部倒出后,瓶内没有水,用筷子敲击瓶子,瓶子仍能发出声音,说明敲瓶时发出的声音不是由瓶内水振动产生的。
一、初二物理 声现象实验易错压轴题(难)1.下图为一声速测量仪器的使用说明书和实验装置图,阅读并回答问题.(1)若把铜铃放在甲、乙的中点,则液晶显示屏的示数________.(2)一同学将铜铃放到甲的左边,并与甲、乙在一条直线上,则铜铃离甲越远,液晶显示屏的数值________(选填“变大”、“变小”或“不变”).(3)一同学想验证声速与气体内部压力的关系,把铜铃固定放在甲的左边,并与甲、乙在一条直线上,然后在甲、乙之间加压,发现液晶显示屏的数值变小,则声速随气体压力的增大而________.A .变大B .变小C .不变D .无法判断(4)如图中,已知s 1=20 cm ,s 2=80 cm ,液晶显示屏上显示:1.875,则此时声速约为________m/s .【答案】为零 不变 A 320【解析】【分析】【详解】(1)液晶屏显示甲、乙接收到信号的时间差,放在中点时,声音传播的距离相等,用时相等,所以时间差为零,即液晶显示屏的示数为零.(2)设甲与铜铃的距离为s 1,甲、乙相距为s 2,铜铃放到甲的左边,则1212s s s s t v v v+=-= 因此s 1增大,△t 不变,液晶屏显示数值不变. (3)设甲与铜铃的距离为s 1,甲、乙相距为s 2.1212s s s s t v v v +=-=,增加压力时△t 变小,由于s 2不变,根据s v t=知,速度v 变大. (4)如题图中所示,显示的时间差为:21s s t v v =-,所以(8020)cm320m/s1.875msv-==.【点睛】重点是速度公式的应用,注意理解液晶屏显示数值是两接收器收到声音的时间差,利用好此差值,则题目可解.2.在探究声音的产生和传播的条件时,同学们做了以下实验.(1)小华同学将一只通电的小电铃放在连通了抽气机的玻璃罩内,如图1所示,用抽气机把玻璃罩内的空气逐渐抽出,会发现声音的响度逐渐减小。
如果把空气又逐渐通入玻璃罩内,将会发现_________,此实验说明_______。
一、初二物理声现象实验易错压轴题(难)1.同学们围绕着水瓶发声的有关问题进行了以下探究。
(提出问题)敲瓶(瓶内含水)时发出的声音主要是由什么振动产生的?(猜想与假设)A.瓶子振动;B.瓶内水振动;C.瓶内空气柱振动(进行实验)(1)将瓶子装满水后用筷子敲击瓶子,瓶子仍能发出声音,故可以将猜想________排除。
(2)将瓶内水全部倒出后用筷子敲击瓶子,瓶子仍能发出声音,故可以将猜想________排除。
(得出结论)由上述实验分析可知,敲瓶发声,主要是由________振动产生的。
(提出新的问题)(1)瓶子发声的音调跟瓶内水的多少有什么关系?(2)随着瓶内水的增多,敲瓶发声的音调变化和吹瓶发声的音调变化又有何不同呢?(设计实验)(1)如图甲所示,先将8个空的玻璃瓶子放到桌子上一字摆开,再向瓶内注入不等量的水,从左到右,瓶内注入的水逐渐增多,最后用筷子从左到右依次敲击瓶口,同时用耳朵仔细听,辨别音调的高低。
(2)用嘴从左到右依次吹瓶口,同时用耳朵仔细听,辨别音调的高低。
(再得出结论)(1)敲瓶发声的音调随着瓶内水的增多而变______(选填高或低)。
(2)吹瓶发声的音调随着瓶内水的增多而变______(选填高或低)。
(拓展应用)如图乙所示. 用嘴分别对着5个高度不同的小瓶的瓶口吹气,发现瓶子越高,发出声音的音调越低。
(1)用嘴对着5个小瓶的瓶口吹气,5个小瓶均发出声音,则发出的声音是由________的振动产生的。
(2)5个小瓶产生的声音音调不同,其原因是________________。
【答案】C B瓶子低高瓶内空气柱空气柱的长短、粗细不同,导致空气柱振动的频率不同【解析】【分析】【详解】[1]将瓶子装满水后,瓶内没有空气,用筷子敲击瓶子,瓶子仍能发出声音,说明敲瓶时发出的声音不是由空气柱的振动产生的。
所以可以将猜想C排除。
[2]将瓶内水全部倒出后,瓶内没有水,用筷子敲击瓶子,瓶子仍能发出声音,说明敲瓶时发出的声音不是由瓶内水振动产生的。
一、选择题1.英语听力测试时,监考老师经常将窗户关上,避免外界环境干扰,“关窗户”是为了()A.在声源处减弱噪声B.在声音传播过程中减弱噪声C.在人耳处减弱噪声D.减小声音的传播速度2.控制噪声是城市环保主要项目之一,下列措施不能减弱噪声的是()A.市区内禁止机动车鸣笛B.规划时,工业区与居住区离得很近C.在汽车的排气管上装消声器D.城市街道两旁和空地多种草、多植树3.如图所示是有关声现象的四个实验,下列说法中正确的是()A.用大小不同的力敲击鼓面,纸屑跳动的幅度不同,说明音调与频率有关B.将正在发声的音叉轻轻靠近乒乓球,观察到乒乓球弹起,说明声音的传播需要介质C.逐渐抽取玻璃罩中的空气,听到铃声逐渐变小,可以推断真空中不能传声D.用相同大小的力拨动伸出桌面长度不同的锯条,可以探究“响度与振幅的关系”4.下面一些关于声现象的说法中,正确的是()A.医生用听诊器诊断病人的心跳声和呼吸声,听诊器能起到改变这些声音音色的作用B.用B超检查病人内脏时,是利用了次声波传播时能量损失小的特点C.在城市中禁鸣汽车喇叭是为阻断噪声的传播D.利用超声波探测金属内部存在的缺陷,说明声音可以传递信息5.小阳设计了如图所示的几个实验,能够说明声音传播需要介质的是()A.甲图用发声的音叉接触水面时,水面水花四溅B.乙图把罩内的空气抽去一些后,闹钟的铃声明显变小C.丙图用嘴吹哨子的上端,向下拉动活塞声音变低D.丁图用较大的力拨动钢尺,声音变大6.下列选项中,可以体现出“声能传递能量”这一性质的是()A.用超声波检测锅炉是否有裂痕B.用超声波清洗物体C.利用声呐来探测鱼群D.汽车利用倒车雷达来探测道路上的障碍物7.如图所示,7个相同的水瓶中灌入不同高度的水,仔细调节水的高度后,用相同的力敲击它们,可以发出“1,2,3,4,5,6,7”的声音来。
关于这种“水瓶琴”,下列说法正确的是()甲:敲击时,声音是由瓶内的空气振动产生的乙:最左边装水最多的瓶子发出的声音是上面七个音中的“7”丙:7个水瓶发出声音的响度大致相同丁:若改敲为吹,即用口向七个瓶中吹气,则右边装水最少的瓶子发出音调最低A.甲和丙B.丙和丁C.乙和丙D.甲和丁8.为了探究声音产生的条件,小明设计了如图所示的几个实验,你认为不能完成探究目的是()A.发出“啊”的声音,用手指触摸喉咙处B.敲击音叉后,将音叉轻轻地接触脸颊C.敲打铜锣,锣响后用手触摸锣面D.一边改变管子插入水中深度,一边用嘴吹管的上端9.警犬训练时,训犬员常使用如图所示的训犬笛发出超声波来对警犬发号施令。
一、选择题1.下列的实验和实例,能说明声音的产生或传播条件的一组是()①在鼓面上放些碎纸屑,敲鼓时可观察到纸屑在不停地跳动②当放在真空罩里的手机来电时,只见指示灯闪烁,却听不见铃声③拿一张硬纸片,让它在木梳齿上划过,一次快些,一次慢些,比较两次声音的不同④锣发声时用手按住锣,锣声就消失了A.①②③B.②③④C.①③④D.①②④2.如图所示为不同的声音信号输入示波器时显示的波形图,下列说法正确的是()A.甲、丁的音调相同B.甲、丙的音调相同C.甲、乙的音色相同D.丙、丁的响度相同3.如果你的邻居装修房子十分吵闹,干扰你的学习和生活,下列措施哪一个是合理可行的()A.友好协商一下,让邻居放弃装修房子B.将家中音响声音开到最大压过装修声C.赶快将家中的门窗关闭同时挂上窗帘D.抓紧在房间内安装合适噪声监测装置4.如图所示是有关声现象的四个实验,下列说法中正确的是()A.用大小不同的力敲击鼓面,纸屑跳动的幅度不同,说明音调与频率有关B.将正在发声的音叉轻轻靠近乒乓球,观察到乒乓球弹起,说明声音的传播需要介质C.逐渐抽取玻璃罩中的空气,听到铃声逐渐变小,可以推断真空中不能传声D.用相同大小的力拨动伸出桌面长度不同的锯条,可以探究“响度与振幅的关系”5.下列声音属于噪声的是()A.修理工检修汽车时仔细听发动机发出的声音B.央视春节晚会现场响彻演播厅的锣鼓声C.做探究实验时小林和小刚轻声的交谈D.从正在装修的邻居家传来的电锯声6.下列有关声现象的说法中,正确的是()A.调节手机的音量大小,是为了改变声源振动的频率B.宇宙中宇航员必须用无线电交流是由于真空也能传声C.“一闻其声,便知其人”是依据了声音的音调不同D.声音的响度和声源的振幅有关7.关于声的知识,下列说法错误的是()A.有些高科技产品不振动也可以发声B.“闻其声而知其人”,主要是因为不同的人音色不同C.在同一宇宙飞船的太空舱内,两名宇航员不可以直接对话D.用超声波能粉碎人体内的“小石头”,说明声可以传递能量8.监考老师听到“现在开始分发试卷”的语音播报后开始分发试卷,说明()A.声音的传播需要介质B.声音具有声能C.声音能传递信息D.声音是由物体振动产生的9.下列关于声音的说法正确的是()A.太空中宇航员间能直接对话是因为真空能传声B.“不敢高声语,恐惊天上人”,其中“高”指的是声音的响度大C.我们调节电视机的音量改变的是声音的音调D.城市道路旁设置隔声板是为了防止噪声产生10.如图所示,同学们自制了一件乐器水瓶琴,在8个相同的透明玻璃瓶中装有不同高度的水,下列说法错误的是()A.用敲击的办法使其发出乐音,是因为里面的水柱振动引起的B.用同样大小的力从左到右敲击,音调依次升高C.用吹气的办法使其发出乐音,是因为里面的空气柱振动引起的D.用同样大小的力从左到右吹气,音调依次升高11.为创造良好的居住环境,环境监督局联合城市建设局,实施了一系列举措控制噪声,其中属于在声源处减弱噪声的是()A.晚八点到早七点,工地禁止施工B.居民区周边植树种草C.高架桥外侧增设隔音板D.给生产车间的工人配发防噪声耳罩12.下面有关声音的说法中,正确的是()A.声音的传播速度是340m/sB.声音在空气中以波的形式传播C.美妙的音乐不会成为噪声D.大声说话就一定能够听到回声二、填空题13.今年的《开学第一课》,钟南山与“抗疫英雄”们用铿锵有力的话语,诠释“人民至上、生命至上”的深重含义。
一、初二物理声现象实验易错压轴题(难)1.在观看交响乐队演奏的过程中,小华发现同属于管乐器的圆号、小号、长号、大号发出声音的高低各不相同,他决定对此进行研究.经过和同学们讨论,提出了以下猜想:猜想一:管乐器发出声音的音调高低,可能与管内空气柱的长度有关猜想二:管乐器发出声音的音调高低,可能与管内空气柱的横截面积(粗细)有关小明找来了两个未使用过的一次性注射器制成了一些哨子(如下图所示).注射器的规格分别为2.5ml和5ml.他一边吹哨子一边调整注射器内空气柱的长度,同时利用专用仪器测出声音的频率和响度,详见下表(表中“ml”表示毫升,“cm”表示厘米)(1)选用序号为A、B、C的三次实验做对比,可以得出:在空气柱的______相同时,管内空气柱越短,音调越______.(2)选用序号为______的两次实验做对比,可以得出:在空气柱的______相同时,管内空气柱横截面积越大,音调越______.(3)序号为C、D的两次实验中,响度大的是______(选填“C”或“D”).【答案】横截面积(或粗细)高 A、D(或B、E或C、F)长度低 D【解析】【分析】【详解】要研究音调的高低和什么因素有关,需用控制变量法.(1)选用序号为A、B、C的三次实验做对比,可以得出:在空气柱的横截面积(或粗细)相同时,管内空气柱越短,单位时间内振动的次数越多,频率越快,音调越高.(2)琴弦发出声音的音调高低,可能与琴弦的横截面积有关,需控制琴弦的长短和琴弦的材料不变,所以要选择A、D(或B、E或C、F).由此可得,在空气柱的长度相同时,管内空气柱横截面积越大,音调越低;(3)序号为C、D的两次实验中,D实验时的声音强度为75分贝,大于C实验时的声音强度.2.某同学为了探究物体发声时振动的频率高低与哪些因素有关,他选择了四根钢丝进行实验,如图所示。
具体数据如下表:编号材料长度粗细松紧甲钢丝10cm0.2mm2紧乙钢丝10cm0.1mm2紧丙钢丝5cm0.1mm2紧丁钢丝5cm0.1mm2松(1)用同样的力拨动钢丝甲和乙,发现拨动______钢丝时的音调高。
一、初二物理声现象实验易错压轴题(难)1.观察表,试写出三个与声音传播速度有关的结论.可初步得出的结论有:(1)由第一第二列可得:_____.(2)由第三第四列可得:_____.(3)由第五第六列可得:_____.【答案】同种介质中,声音传播的速度与介质温度有关不同介质中,声音传播的速度不同,一般固体中最快,液体中次之,空气中最慢声音传播的速度与频率无关【解析】【详解】(1)由表中第一第二列可以看出,同样是在空气中,温度不同,声速也会不同,故可得出:同种介质中,声音传播的速度与介质温度有关;(2)由表中第三第四列可以看出,不同介质中,声速不同,且固体中最快,液体中次之,空气中最慢;(3)由表中第五第六列可以看出,频率不同,但声速相同,说明,声音传播的速度与频率无关.2.为了探究收音机接收电磁波的情况好坏与哪些因素有关,小明将一只袖珍收音机调好电台节目和音量后完成了以下实验:①将收音机放进一只铝锅内,发现声音明显变小,取出后又恢复了原来的音量。
②将收音机放进一只木桶内,发现声音大小不变。
③将收音机放进一只铁桶内,现象与①相似。
④将收音机放进一只塑料桶内,现象与②相似。
(1)根据以上实验,小明得出这样的结论:电磁波在传播途中,若遇到________类物体,其强度就会大大减弱。
(2)请你根据以上答案,解释为什么电视机靠室内天线接收信号效果不如用室外天线接收的信号效果好___________?(3)根据以上实验,你能做出一种有用的设想吗_________?【答案】(1)金属外壳现代房屋的墙体一般都是钢筋混凝土结构的,对电磁波有屏蔽作用,使电磁波不能进入室内,另外周围建筑群对电磁波也有一定的屏蔽作用可以发明一种金属罩,用来抗电磁波的干扰或抗电磁波对人体的辐射造成的伤害【解析】【详解】(1)由以上四步可知,影响信号接收的为金属类材料,故可知电磁波在传播过程中遇到金属类物体时强度会减弱;(2)在室内接收的信号效果差是因为建造房屋用了金属材料,比如钢筋等,对电磁波有屏蔽作用;另外周围建筑群对电磁波也有一定的屏蔽作用。
(3)金属可以减小电磁波的强度,则我们可以发明一种金属罩,而减小一些精密仪器受电磁波的影响;也可以猜想:在一些金属做成的容器内,电磁信号将无法进入,如电梯等,在其里面可能无法接打电话。
3.小丽同学在观察小提琴、二胡等乐器的弦振动时猜想:在弦张紧程度相同的条件下,发声的音调高低还可能与弦的粗细、长短及弦的材料有关。
于是小丽找来了各种不同的琴弦,想通过实验进行探究。
琴弦的编号及情况如下表所示:(1)如果想探究发声时音调与弦的材料的关系,小丽应选择表中编号为________的琴弦。
(2)如果想探究发声时音调与弦的粗细的关系,小丽应选用表中编号为________的琴弦。
(3)通过查阅资料,小丽知道了琴弦的振动频率与琴弦长度的关系如图11所示。
如果小丽的实验无误,则可确定的是编号为________的琴弦一定比编号为________的琴弦振动时音调高。
【答案】④⑤①②③⑤【解析】【详解】(1)由表中数据可知,实验编号为④、⑤的琴弦材料,琴弦的粗细、长度相同而材料不同,因此可用来探究:琴弦发声的音调与弦的材料的关系。
(2)由表中数据可知,实验编号为①、②的琴弦材料,琴弦的材料、长度相同而横截面积不同,因此可用来探究:琴弦发声的音调与弦的粗细的关系。
(3)在探究琴弦发声的音调与琴弦长度的关系时,需控制琴弦的材料和横截面积相同,而长度不同,表中符合条件的是③、⑤;由图知,琴弦越长,音调越低,③和⑤相比,材料和横截面积相同,③较短,音调较高。
4.在学习吉他演奏的过程中,小华发现琴弦发出的声音的音调高低是受各种因素影响的,他决定对此进行探究.经过和同学们讨论,提出了以下猜想:猜想一:琴弦发出的声音的音调高低,可能与琴弦的横截面积有关.猜想二:琴弦发出的声音的音调高低,可能与琴弦的长短有关.猜想三:琴弦发出的声音的音调高低,可能与琴弦的材料有关.为了验证上述猜想是否正确,他们找到了下表所列9种规格的琴弦,因为音调的高低取决于声源振动的频率,于是借来一个能够测量振动频率的仪器进行实验.(1)为了验证猜想一,应选用编号为_______、_______、_______的琴弦进行实验.为了验证猜想二,应选用编号为_______、_______、_______的琴弦进行实验.表中有的材料规格还没有填全,为了验证猜想三,必须知道该项内容,请你在表中填上所缺数据_________.(2)随着实验的进行,小华又觉得琴弦音调的高低,可能还与琴弦的松紧有关,为了验证这一猜想,必须进行的操作是:___________________________________.(3)探究过程通常采用下列一些步骤:①分析归纳②实验研究③提出问题④猜想假设⑤得出结论等.你认为小华要完成本探究的全过程,所采取步骤的合理顺序是__________.(4)在上述探究过程中,总要控制某些因素,使它们保持不变,进而寻找出另外一些因素间的关系,这种研究问题的方法叫做___________________________________.【答案】A B C A D F 80 1.02 一根琴弦,用一定大小的力拉紧琴弦,拨动琴弦,测出此时振动的频率;改用不同的力拉紧琴弦,拨动琴弦,分别测出相应的振动的频率,进行分析比较③④②①⑤控制变量法.【解析】(1)当研究琴弦发出声音的音调高低可能与琴弦的横截面积有关时,应控制材料和长度相同,改变琴弦的横截面积,故选A. B. C;当研究琴弦发出声音的音调高低可能与琴弦的长短有关时,应控制材料和横截面积相同,改变琴弦的长短,故选A. D. F;如果验证猜想三:琴弦发出声音的音调高低,可能与琴弦的材料有关,应控制长度和横截面积相同,改变琴弦的材料不同,故表格应该填入与G、H相同的数据,即80和1.02;(2)探究琴弦音调的高低与琴弦的松紧程度的关系时,需要使用同一根琴弦,且控制拨弦的力相同、弦的松紧程度不同,来研究音调高低和琴弦的松紧程度的关系;(3)探究实验的步骤是:提出问题、猜想假设、实验研究、分析归纳、得出结论,因此顺序为:③④②①⑤(4) 实验中用到的物理学研究方法是控制变量法.故答案为 (1)A、B. C;A、D. F(或H、J);80;1.02;(2)取任意编号的一种琴弦,调整其松紧程度,用相同的力拨动琴弦,比较音调的高低;(3)控制变量法.点睛:本题需要用好控制变量法:探究琴弦发出声音的音调高低与琴弦的横截面积的关系时,控制琴弦的长度和材料不变;探究琴弦发出声音的音调高低与琴弦的长短的关系时,控制横截面积和材料不变;琴弦发出声音的音调高低与琴弦的材料的关系时,控制横截面积和长度不变.5.如图所示的是小明在课余时间制作的一个竹笛,在竹管开口处①向管内吹气时,竹笛可以发出美妙的笛声,推拉铁丝环⑥时,音调可以改变,吹奏歌曲.(1)吹奏竹笛时,振动发声的物体是________.(2)当布团⑤分别位于a、b、c三个位置时,竹笛发声音调最高的位置是________,音调最低的位置是________.【答案】空气柱a c【解析】解答:(1)声音是由物体的振动产生的.吹奏竹笛时,笛声是由笛子内的空气柱振动发出的;且音调的高低取决于空气柱的长短,空气柱越长,产生的笛声的音调越低,空气柱越短,音调越高.(2)可以看出在图示的三个位置中,当布团在a位置时,管内的空气柱最短,因为空气柱越长(短)竹笛发出的声音的音调越低(高),所以此时发出的声音的音调最高;在c点是空气柱最长,发出的声音的音调最低.6.如图为一声速测量仪器的使用说明书和实验装置图,阅读并回答问题.(1)若把铜铃放在甲、乙的中点,则液晶显示屏的示数为 ms.(2)一同学将铜铃放到甲的左边,并与甲、乙均在一条直线上,则铜铃离甲越远,液晶显示屏的数值(填“变大”、“变小”或“不变”).(3)一同学猜想“温度越高,声速越小”.他把铜铃固定放在甲的左边,然后加热甲乙之间的空气,如果的确是“温度越高,声速越小”,则液晶显示屏的数值将.(填“变大”、“变小”或“不变”)【答案】(1)0;(2)不变;(3)变大【解析】试题分析:(1)因为铜铃在甲、乙中点,则铜铃与甲、乙距离相等,时间相等;(2)由于乙和甲的距离是不变的,所以乙接收到的时间总是比甲晚一定的时间;(3)声速与温度有关,温度越高,声速越大.所以在相同距离内,时间减少;解:(1)如果铜铃在甲、乙中点,则铜铃与甲的距离和与乙的距离是相等的,且由于声速相同,所以声音从铜铃到达甲、乙的时间相同.故液晶屏的示数为0;(2)因为铜铃与甲、乙在一条直线上,由于乙比甲远的距离是一定的,所以声音传到乙和甲的时间差是不变的;(3)甲和乙之间的距离一定,由于温度越高,声速越小,所以声音传播到甲和乙的时间都会减增加,故时间差也会变大;故答案为:(1)0;(2)不变;(3)变大.【点评】本题考查了速度有关方面的内容,计算时要注意时间单位和路程单位的统一.7.(1)把正在发声的手机放在玻璃罩内(如图甲所示),逐渐抽出其中的空气听到的声音越来越小,最后几乎听不到铃声,这说明______.(2)图乙是探究“”的实验装置图,把平面镜放在水平桌面上,再把一张可以沿ON 向前或向后折的纸板竖直地立在平面镜上,纸板上的ON垂直于镜面。
能折叠的纸板的作用是:。
(3)图丙所示的装置做“探究水沸腾时温度变化特点”的实验:组装实验装置时,放置石棉网的铁圈位置和悬挂温度计的铁夹位置非常重要,应当先调整固定的位置(选填“铁圈”或“铁夹”);实验时,小雯向烧杯中倒入热水而不用冷水,这种做法的优点是.【答案】(1)真空不能传播声音(2)光的反射;反射光线与入射光线是否在同一平面内。
(3)铁圈” ;缩短试验时间或节省时间.【解析】试题分析:(1)把正在发声的手机放在玻璃罩内,逐渐抽出其中的空气,听到的铃声越来越小,进一步推理空气越稀薄,声音越小,空气完全没有时,声音也听不到,可得真空不能传声。
(2)把纸板ON的右半边向前或向后折时,如果入射光线、法线、反射光线在同一平面内,所以反射光线不能出现在纸板上。
所以,用能折叠的纸板判断反射光线与入射光线是否在同一平面内。
(3)若先固定铁夹,温度计的位置相对固定,铁圈上下调整的空间有限,难以保证用酒精灯的外焰加热,所以应当先调整固定铁圈的位置,按照自下而上的顺序组装;小雯向烧杯中倒入热水而不用冷水,因为热水温度较高,可以减少实验时间。
考点:声音的传播光的反射规律及其应用实验装置的合理安装8.小明在吉他演奏中发现,琴弦发出的音调与弦线的长度、粗细和张力有关.于是他想(1)利用弦音计做研究,如图所示,其中a、b、c、d四根弦线的张力相同.①若他选择b、d两弦线做实验,则研究的目的是探究音调与弦线_____的关系.②若他要研究音调与弦线粗细的关系,则应选择_____和_____两弦线做实验.③小明研究后得出结论:在其他条件相同的情况下,弦线越长,发出的音调越低;弦线越粗,发出的音调越低.(2)请你据如图判断,在张力相同的情况下,分别按住A点、B点、C点后拨动琴弦,发出的音调最高的是按住_____点,最低的是按住_____点.【答案】长度 a b A B【解析】【分析】【详解】(1)弦乐器的音调与弦的长短粗细和张力有关,在研究弦乐器的音调与哪些因素有关时,用到的实验方法为控制变量法,若他选择b、d两弦线做实验,两者的粗细和张力相同,所以研究的目的是探究音调与弦线长度的关系.若他要研究音调与弦线粗细的关系,应该控制他们的长度和张力相同,满足该条件的是a和b两弦线.(2)按住AC两点比较,按住A点时弦较短,所以发出的音调较高的是按住A,发出的音调较低的是按住C按住BC两点比较,按住B点时弦较粗,所以发出的音调较高的是按住C,发出的音调较低的是按住B,所以分别按住A点、B点、C点后拨动琴弦,发出的音调最高的是按住A点,最低的是按住B点.9.请按要求回答:(1)图甲:该装置能探究声音产生的原因,还能探究声音的响度和________的关系;乒乓球在实验中的作用是:________.(2)图乙:抽气机不断向罩外抽气的过程中,罩内被拨打的手机的铃声越来越小,直到听不见,这说明:________.(3)图丙:将一把钢尺紧按在桌面上,一端伸出桌面适当的长度,拨动钢尺,就可听到钢尺振动发出的声音.保持拨动钢尺的力不变,逐渐增加钢尺伸出桌面的长度,钢尺振动发出声音的音调会逐渐变________(填“高”或“低”).(4)图丁:用一张硬卡片先后快拨和慢拨木梳的齿,听到硬卡片产生的声音发生变化.这个实验用来探究________.【答案】振幅;将音叉微小的振动放大;声音的传播需要介质(真空不能传声);低;声音音调的高低与频率的关系.【解析】【分析】(1)响度指声音的大小,响度跟物体振动的幅度有关,振幅越大,响度越大.(2)声音是由物体的振动产生的,声音能够在固体、液体、气体中传播,真空不能传声.(3)频率是物体在单位时间内振动的次数.振动越快,说明频率越大.音调跟频率有关,频率越大,音调越高;频率越小,音调越低.(4)用硬卡片拨动木梳齿时,木梳的齿振动发声,木梳的齿振动越快,振动频率越大,音调越高.【详解】(1)通过乒乓球被弹起说明物体发声时在振动;乒乓球弹起的越高,振幅越大,响度越大,实验可以说明响度跟振幅的关系;是通过乒乓球被弹起将音叉微小的振动放大,这种实验方法叫做转换法;(2)图2:抽气机不断向罩外抽气的过程中,罩内被拨打的手机的铃声越来越小,直到听不见,这说明:声音的传播需要介质(真空不能传声)(3)保持尺的振动幅度不变,钢尺伸出长,振动慢,音调低;钢尺伸出短,振动快,音调高.(4)硬卡片拨动木梳的齿,卡片由于振动会发出声音;当用相同的力改变拨动木梳齿的快慢时,卡片振动的快慢不同,所以发出声音的音调就会不同;来探究音调与频率的关系.故答案为(1)振幅;将音叉微小的振动放大;(2)声音的传播需要介质(真空不能传声);(3)低;(4)声音音调的高低与频率的关系.【点睛】本题全部来源于课本插图,考查学生对课本插图蕴含物理知识的了解情况,要求学生在平时学习中不要忽略这部分内容.10.小红是一个爱观察、爱思考的同学,她在欣赏乐手演奏二胡时,发现二胡弦在振动。