水星预算编制说明
- 格式:doc
- 大小:63.50 KB
- 文档页数:4
工程预算编制说明一、编制依据1、福州市明川水利水电设计有限公司2016年1月出具的《东方红水库水源地水资源保护试点建设》施工图。
2、《水土保持生态建设工程概(估)算编制规定》(水利部水总(2003)67号)。
3、福建省水利厅关于颁发《福建省水利水电工程设计概(估)算编制规定》、《福建省水利水电建筑工程预算定额》、《福建省水利水电工程施工机械台班费定额》及《福建省水利水电设备安装工程预算定额》的通知(闽水计财【2011】98号文)。
4、福建省水利厅关于《福建省水利水电工程设计概(估)算编制规定》补充调整有关内容的通知(闽水财审[2016]1号)。
5、《福建省市政工程消耗量定额》(FJYD-401~407-2005)。
6、《福建省建筑工程消耗量定额》(FJYD-101-2005)。
7、《福建省装饰工程消耗量定额》(FJYD-201-2005)。
8、《福建省安装工程消耗量定额》(FJYD-301~313-2012)。
9、《福建省园林绿化工程消耗量定额》(FJYD-501-2005)。
10、上述定额缺省的参照执行其他专业最新版本的预算定额。
二、人工、材料基础单价1、人工预算单价:技工65元/工日;普工50元/工日。
2、材料预算价格:参照2016年第8期《福建工程造价信息价》中莆田市2016年7月材料综合价格。
不足部分详见询价单。
3、安装工程费率:劳保费暂按甲类计,风险费按1%计,税金按11%计,价格调节基金不计。
三、取费标准序号费用名称工程措施梯田工程林草措施封育治理措施1 其他直接费 42 1.5 12 间接费7.6 7.6 5.5 4.43 企业利润4 4 2 24 税金11 11 11 115 风险费 1 1 1 16 临时工程摊销费 2 2 2 2四、工程计算说明经设计确认:1、退果还林中沥青步道路面及广场砖铺设无需土方开挖。
2、绿化种植区域无需进行种植土回填或换填。
3、生态孔孔内回填土为耕植土,厚度5cm。
预算编制说明一、编制目的1.1 为什么需要预算编制?在企业经营管理中,预算编制是一项关键的工作。
通过预算编制,企业可以合理安排资金使用,制定明确的财务计划,预测可能出现的财务问题,提前采取措施进行调整,确保企业财务稳健发展。
1.2 预算编制的目的•控制财务风险:通过预算编制,企业可以预测可能出现的财务问题,及时采取措施进行调整,降低财务风险。
•激励员工:通过预算编制,企业可以明确员工目标和任务,激励员工努力工作,提高工作效率。
•提高经营效率:预算编制可以帮助企业合理分配资金使用,避免资源浪费,提高经营效率。
二、编制步骤2.1 制定预算周期首先,确定预算编制的周期,包括年度预算、季度预算、月度预算等,以便有针对性地进行预算编制工作。
2.2 收集信息收集企业内部各部门的相关信息,包括营业额、成本费用、利润等数据,以便编制具体的预算方案。
2.3 制定预算指标根据企业的经营目标,制定具体的预算指标,包括销售预算、生产预算、人力预算等,确保预算指标具体可行。
2.4 编制预算方案根据收集的信息和制定的预算指标,编制具体的预算方案,包括资金分配、支出计划、收入预测等内容,确保预算方案合理可行。
2.5 审批和执行完成预算方案后,进行审批程序,确保各部门领导和管理层都认可和接受预算方案,然后将预算方案执行到位。
三、预算编制的注意事项3.1 客观真实预算编制应该以客观真实的数据为基础,不夸大不缩小,确保预算数据真实可靠。
3.2 灵活应变预算编制是一个动态的过程,需要根据实际情况灵活调整,及时应对外部环境和内部变化。
3.3 监控执行完成预算编制后,要密切监控预算执行情况,及时发现问题并进行调整,确保预算达到预期目标。
四、总结预算编制是企业重要的管理工作,通过预算编制可以合理规划资金使用,提高企业经营效率,降低财务风险。
企业在进行预算编制时,应该严格按照步骤进行,注意事项要牢记在心,灵活应变,确保预算编制工作的顺利进行和预算目标的实现。
工程预算编制说明编制说明一、编制依据:1、本预算是根据现有施工图纸进行编制。
2、材料价格按2012年6月份龙岩工程造价信息新罗区建设工程材料价格。
3、机械台班按福建省二0一二年第一季度机械台班单价。
4、工程类别按一类、劳保费用按甲类、税率按3.477%计取。
5、风险包干系数按1%计取。
6、商品砼运距按4km包干计取,土方按9.5km外运。
7、其他有关费用按施工合同规定计取。
二、本月工程进度工程量:1、9#、10#楼:厨房、卫生间及房间门安装完成了7至2层,客厅、卧室地板砖600*600(含120高踢脚线)的完成了7至2层,厨房卫生间及阳台300*300完成了7至2层,厨房卫生间的墙面砖300*450(含阳角线)完成了7至2层,厨房灶台完成了22至12层,铝合金推拉门安装完成了28层至10层(单价暂按40%),9#楼厨房卫生间找平及防水完成了11至2层,10#楼厨房卫生找平防水完成了28至19层及11层至2层,公共部分乙级钢质防火门(FM1021乙合计81个、FM1221乙合计54个、FM0520丙计27个、FM1220丙计27个)完成了28至2层(单价暂按40%).人货电梯2015-04-01至2015-04-30,2、11#、12#楼:电梯前室墙面砖600*300及公共部分的地板砖600*600(含120高踢脚线)完成楼5至2层,推拉门安装完成了3层至2层(单价暂按40%)。
入户门安装完成3至2层(FDM1021合计8个,FDM1021乙级合计8个)。
厨房卫生间找平及防水完成了3至2层,厨房卫生间及房间门安装完成了3至2层,楼梯DT3的砌体、粉刷、外墙瓷砖及屋面找平、防水、保护层。
人货电梯2015-04-01至2015-04-30,。
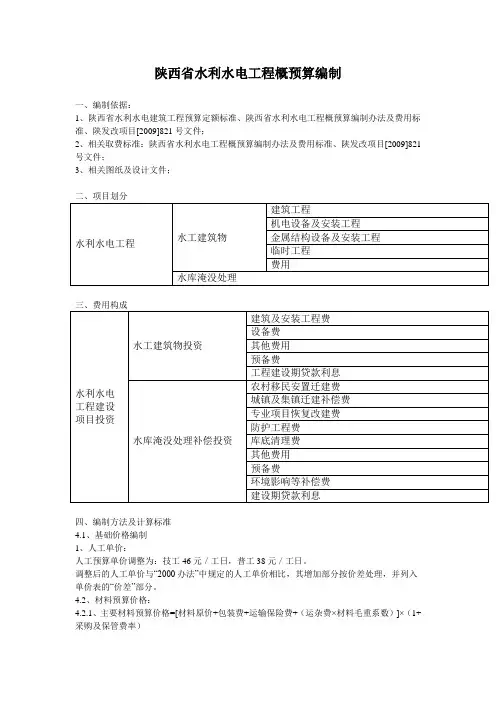
陕西省水利水电工程概预算编制一、编制依据:1、陕西省水利水电建筑工程预算定额标准、陕西省水利水电工程概预算编制办法及费用标准、陕发改项目[2009]821号文件;2、相关取费标准:陕西省水利水电工程概预算编制办法及费用标准、陕发改项目[2009]821号文件;3、相关图纸及设计文件;二、项目划分三、费用构成四、编制方法及计算标准4.1、基础价格编制1、人工单价:人工预算单价调整为:技工46元/工日,普工38元/工日。
调整后的人工单价与“2000办法”中规定的人工单价相比,其增加部分按价差处理,并列入单价表的“价差”部分。
4.2、材料预算价格:4.2.1、主要材料预算价格=[材料原价+包装费+运输保险费+(运杂费×材料毛重系数)]×(1+采购及保管费率)4.2.2、其他材料预算价格:按所在地市场信息价。
4.2.3、电风水预算价格4.2.4、施工机械使用费(1)对于定额缺项的施工机械,可补充编制台班费。
(2)使用1996年颁发的《陕西省水利水电工程施工机械台班费定额》,第一类费用的小计乘以1.15~1.25的调整系数。
对于省属的重点工程并以机械化施工为主的项目采用大值,否则取小值。
4.2.5、砂石料单价4.2.6、混凝土和砂浆材料单价;4.3 工程施工单价构成表格14.3.1取费标准4.3.1.1 其他直接费率其他直接费费率汇总表(包含821文件中的安全文明施工措施费)4.3.1.4 税率农村:3.28%,县镇:3.41%,市区:3.48%;4.3.1.5 材料价差材料价差=定额材料用量×(材料预算单价-规定价格)×(1+税率)建筑安装工程的主要材料规定价格表五、概算编制5.1 第一部分建筑工程工程量×单价;5.2 第二部分机电设备及安装工程工程量×安装单价;工程量×设备单价;5.3 第三部分金属结构设备及安装工程工程量×安装单价;工程量×设备单价;5.4 第四部分临时工程工程量×单价;5.5 第五部分独立费用费用划分:建设单位管理费费率表(单位:万元)项目管理经常费费率表(单位:万元)5.6第四部分预备费及建设期融资利息概算表格:概算表7个,概算附表16个。
一、主要指标1、主要工程量挖运土方万m3,砼及钢筋砼 m3。
,砌石 m3。
2、主要材料工程共需水泥 t,柴油 kg,砂 m3,碎石 m3,钢筋 t。
3、工日工程共需工日个。
4、工程投资总投资万元,其中:建筑工程投资万元,临时工程投资万元,其他费用万元,材料价差及税金万元,基本预备费万元。
二、编制说明1、编制依据(1)山东省水利厅鲁水定字[2000]1号文颁发的《山东省水利水电工程设计概(估)算费用构成及计算标准》(试行)和《山东省水利水电工程设计概(估)算编制办法》(试行)。
(2)水利部水国科[2005]515号文颁发的《水利水电工程设计工程量计算规定》(SL328-2005)。
(3)国家及上级主管部门颁发的有关文件、条例、法规等。
(4)本次设计文件及设计附图。
2、采用定额(1)山东省水利厅2000年《山东省水利水电建筑工程预算定额》(上册)。
(2)山东省水利厅2000年《山东省水利水电安装工程预算定额》(下册)。
(3)山东省水利厅2000年《山东省水利水电安装工程预算定额》(水力机械、金属结构安装工程)。
(4)山东省水利厅2000年《山东省水利水电安装工程预算定额》(电气安装工程)。
(5)山东省水利厅2000年《山东省水利水电工程施工机械台班费定额》。
(6)定额不足部分,参照其他专业定额补充。
(7)采用枣庄市水利勘测设计院开发的水星概预算软件,即“SDGYS2002”。
三、编制采用标准(一)基础单价1、人工工资人工工资标准,依据2008年山东省水利厅《鲁水定字(2008)1号》文规定,山东六类地区专业队伍施工的人工预算单价为44.1元/工日。
2、材料预算价格(1)主要材料预算价格钢筋、木材及油料以工程隶属市区政府所在地市场价为原价;水泥以出厂价为原价;地方材料按照就近取材的原则,以当地砂、石料场材料价格为原价。
另计运至工地现场、料场或仓库的运杂费和采购保管费。
根据鲁水[2000]1号文规定,砂、碎石(砾石)、块石等预算价格超过40元/ m3;料石(含条石、方块石)预算价超过60元/ m3的部分计取税金后列入相应部分之后材料调差:水泥、钢筋、柴油、汽油按规定标准进入单价,材料预算价格超过规定标准时,其价差计取税金后列入第五部分其他费用。
编制说明一、编制依据1、福建省水利厅闽水计财[2011]98号文颁发的《福建省水利水电工程设计概(估)算编制规定》(以下简称“编制规定”)。
2、福建省水利厅闽水计财[2011]98号文颁发的《福建省水利水电建筑工程预算定额》;《全国统一市政工程预算定额福建省综合单价表》[2005];《福建省建筑工程消耗量定额》[2005];不足部分参照相关定额,单价按规定扩大计算。
3、福建省水利厅闽水计财[2011]98号文颁发的《福建省水利水电设备安装工程预算定额》,单价按规定扩大计算。
4、福建省水利厅闽水计财[2011]98号文颁发的《福建省水利水电施工机械台班费定额》。
二、基础单价及费率取用1、人工预算单价根据“编规”计取,技工55元/工日,普工40元/工日。
2、材料预算价格材料预算价格参考《南平工程造价信息》(2013)第3期(双月刊)发布的顺昌县价格及当地市场调查价格综合确定。
主材限价进入工程单价并参加取费,价差部分只计取税金。
施工用电接附近城区10KV电源,经计算电价为0.90元/kw.h;施工用水水价为1.13元/m3;砂石料价格均外购,碎石47元/m3,砂57元/m3,毛石65元/m3,生太格网18元/m2,卵石35元/m3。
汽、柴油价格根据发改委2013.7.19.发布的福建省价格计算。
3措施费建筑工程按直接工程费的 3.7%计算,安装工程按直接工程费的4.4%计算。
4、间接费按“编制规定”计取。
各类工程按直接费计算:土方开挖工程9%、土石填筑工程9%、模板工程9%、混凝土浇筑工程10%、钢筋制安工程7%、钻孔灌浆工程10%、绿化工程7%、管道铺设及其他工程8%,机电、金属结构设备安装工程按人工费 85%。
5、利润按“编制规定”的规定,按直接费和间接费之和的7%计算。
6、税金根据福建省住房和城乡建设厅闽建筑[2012]4号文《关于调整建设安装工程税率的通知》的规定,税金按3.413%计算7、临时工程摊销取4%。
预算编制说明一、编制依据:1、设计单位出具的施工图及联系函答复。
2、福建省水利厅《关于水利水电工程营业税改增值税后计价依据调整的通知》、福建省水利厅关于《福建省水利水电工程设计概(估)算编制规定》补充调整有关内容的通知(闽水财[2016]1号)。
3、福建省水利厅关于颁发《福建省水利水电工程设计概(估)算编制规定》、《福建省水利水电建筑工程预算定额》、《福建省水利水电工程施工机械台班费定额》及《福建省水利水电设备安装工程预算定额》的通知(闽水计财【2011】98号文)。
4、施工机械台班费:福建省水利厅2011年11月印发的《福建省水利水电工程施工机械台班费定额》。
5、上述定额缺省的参照执行其他专业最新版本的预算定额。
二、工程相关说明:1、DN200PE管长度为150米、DN160PE管长度为203米、DN300钢管长度为10米;PE管压力为1.0Mpa。
2、钢管需要除锈防腐:钢管内防腐:材料采用超厚浆型无溶剂耐磨环氧涂料,涂料底层、面层各一道,干膜厚度各400μm,干膜总厚度为800μm,要求钢管喷(抛)射处理后表面清洁度等级达Sa2.5级、粗糙度达100~150μm,钢管外防腐:材料采用厚浆型沥青环氧漆,底层、面层各一道,干膜厚度各250μm,干膜总厚度为500μm,要求钢管喷(抛)射处理后表面清洁度等级达Sa2.5级、粗糙度达60~100μm。
3、上游围堰的具体长度按平面图上的河道宽度计算。
编织袋围堰厚度500mm;本工程抽水台班数量为10台班,抽水泵功率按7Kw离心水泵计算。
4、滚水坝混凝土、砂石料需要胶轮架子车二次搬运至施工场地,搬运运距300m。
5、挡墙跌水基础为C15埋石砼(20%),挡墙和跌水结构为M7.5浆砌块石.。
6、图号16中1-1挡土墙长度为29.7米。
7、图号12中的2-2剖面17.5米的浆砌石挡墙,是图号17中的挡墙图典型断面图,长度是17.55米。
8、水池的内径为5m;管槽开挖断面坡率:1:0.5;1#检查井中的水表型号:WS100-100;滚水坝放水管和冲砂管外包砼无需模板。
XX城市XX项目X期X标段XX工程预算编制说明
一、预算概述
1、与目标成本对比情况:目标成本为多少,是否超目标成本
2、承包界面:例如:甲方提供的景观园林施工图纸及室外污水图纸范围内所包含的绿化、铺装、构筑物及小品、水电安装、室外雨污水工程及主楼周边散水明沟,单元门外侧铺装平台、残破等
3、定价过程:直接委托/费率招标/暂定单价清单招标/固定总价清单招标,若为费率招标,需明确优惠率(包含单位报价情况、我方测算情况、最终定价情况。
)
4、结算方式:工程量计算规则、价格调整方式等
5、工期要求:
6、工程质量要求:
二、造价指标分析
注:1
2、建筑单方=拟报审预算金额/对应的项目总建筑面积;
3、综合单方=拟报审预算金额/对应的预算工程总量
4、含量指标=预算总量/对应的建筑面积(新风、空调可按户)
三、本预算复审情况,预算价是否合理
原因分析:。
预算编制说明范文工程预算编制说明写如果想做得更专业深入,不妨从以下几个方面着手:首先封面应至少填写工程名称、工程编号、建筑面积、总造价、编制单位名称及负责人和编制日期,审查单位名称及负责人和审查日期。
1、工程概况:工程名称及编号、建设单位、结构形式、建筑面积、层数、工程类别、取费类别等2、编制依据:设计图、设计单位、所用定额和取费标准3、人、材、机调价情况说明4、预算外项目的签证情况5、编制预算时图纸上不清楚或者有矛盾的地方,及编制时的处理方法6、写出单项(位)工程的工程造价及单方造价7、当有同类标志性工程可比时,分析造价偏高或者偏低的原因PS:第4条通常见于结算书的编制中。
第5、6条应重视,这点会让需求方觉得你做的预算或结算很认真,博取好印象和信任。
第7条,这是更高一级的要求,其实不管分析得是不是很合理准确,做出这样的分析判断,和没做出分析判断的预算书、结算书,就是两个本质区别。
一个是单纯的应付交差的作品,一个是为需求方尽可能多的提供专业服务和专业意见的作品,对方会怎么看?编制说明一、工程概况:工程名称:咨询类别:清单、工程控制价委托单位:咨询单位:[土建工程编制说明]二、编制依据1、图纸名称、图号:2、招标文件、答疑纪要、工程量清单等。
3、套用定额:《建设工程工程量清单计价规范》(GB50500-xx)、《福建省建设工程工程量清单计价宣贯材料》、《福建省建设工程工程量清单计价指引》、《福建省建筑工程消耗量定额》FJYD-101-xx、《福建省装饰装修工程消耗量定额》FJYD-101-xx、《福建省建筑工程综合单价表》(xx版)、《福建省建筑安装工程费用定额》xx版。
4、套用价格:《xx年福建工程造价信息》xx年第5期、《xx 年第一季度福建省施工机械台班单价》、福建省 ___关于调整建设工程人工预算单价 ___(闽建筑[xx]15号文、措施费执行闽建筑[xx]4号文。
三、工程采用以下指定材料品牌1、灯具:2、线缆:3、设备:4、三材:5、其他:设备四、其它说明1、工程按三类取费;2、税金按3.445%计;3、劳动保险费按甲类计取;4、风险暂不计;5、文明施工费按有关规定计。
编制说明
一、编制依据:
1、工程量计算:
(1)恒大农业施工图纸计算;
(2)现行施工验收规范和标准;
(3)定额:《河南省建设工程工程量清单综合单价》2008版;
(4)国家规定的工程量计算规则;
2、执行定额:
(1)《河南省建设工程工程量清单综合单价》2008版A建筑工程及B装饰装修工程和C安装工程;
3、材料调差依据:
(1)《安阳建设工程造价信息》2012年第5期的价格;
(2)《造价信息》中没有的价格按市场价。
4、取费标准:
(1)定额测定费按安建[2009]99号文件不计。
(2)人工费按豫建设定[2012]43号文件66元/工日计算
(3)安全文明费按豫建设标[2012]31号文件计算
二、有关问题说明:
(一)、结构部分
1、图纸中钢筋型号没有标注箍筋暂按一级刚计算,主筋暂按三级钢计算。
(二)、建筑部分
1.土方按人工挖沟槽一般土计算。
2.基础混凝土按c30计算,其它按c25计算。
3.正负零以下砖基础按标准砖计算。
4.正负零以上按多孔砖计算。
5.餐厅顶棚图纸设计甲方自理无计算
(三)、安装部分
1、进户电缆未计入造价,只计入进户预埋管长度。
2、大门弱电接信息插座因图纸中没有说明线的规格,暂没有计入造价
3、四合院室外AW电表箱未计入造价。
2012年12月28日。
欢迎阅读预算编制说明一、编制依据1.山东省水利厅鲁水建字[2015]3号文颁发的《山东省水利水电工程预算定额及设计概(估)算编制办法》。
2.山东省水利厅鲁水建字[2016]5号文颁发的《山东省水利厅关于发布山东省水利水电工程营业税改征增值税计价依据调整办法的通知》。
3.省水利厅《山东省水利水电工程营业税改征增值税计价依据调整办法》。
二、定额采用1.山东省水利厅2015年《山东省水利水电建筑工程预算定额》(上、下册)。
2.山东省水利厅2015年《山东省水利水电安装工程预算定额》。
3.山东省水利厅2015年《山东省水利水电工程施工机械台班费定额》。
三、基础单价1.人工工资人工工资标准,依据2016年山东省水利厅《鲁水建字(2016)5号》文规定,确定人工预算单价为72元/工日。
2.主要材料预算价格根据鲁水[2016]5号文及《山东省水利水电工程营业税改征增值税计价依据调整办法》规定,水泥、钢筋、柴油、汽油、砂石料、炸药、商品混凝土按规定标准进入单价,材料预算价格超过规定标准时,超出部分以价差的形式计入单价,并按规定计取税金。
规定进入单价的价格标准为:水泥260元/t;钢筋2600元/t;汽油3100元/t;柴油3000元/t;砂石料70元/ m3;商品混凝土260元/ m3。
各限价材料预算价格详见下表,预算价格采用东营2016年8月份工程造价信息,价格均为不含税价格。
主要材料预算价格表序号材料名称单位基价(元) 预算价(元)序号材料名称单位基价(元) 预算价(元)1 柴油t 3000 70002 汽油t 3100 75003 32.5Mpa水泥t 260 2804 42.5 Mpa水泥t 260 2905 钢筋t 2600 30006 商品混凝土(C25) m3260 2657 商品混凝土(C30) m3260 2758 商品混凝土(C40) m3260 3153.施工用风、水、电预算价格施工用风0.2元/ m3;施工用水4.55元/m3;施工用电1.00元/kwh。
水文设施工程概、预算定额编制大纲水文设施工程概、预算定额由《水文设施工程设计概(估)算编制规定》、《水文设施建筑工程概算定额》、《水文设施安装工程概算定额》、《水文设施建筑工程预算定额》、《水文设施安装工程预算定额》、《水文设施工程施工机械台时费定额》、《水文设施安装工程施工仪器仪表台时费定额》等部分组成。
各部分主要内容如下:一、《水文设施工程设计概(估)算编制规定》第一章概述第一节编制说明第二节编制依据1、国家及省、自治区、直辖市颁发的有关法令法规、制度、规程;2、水利工程设计概(估)算编制规定;3、水利建筑工程概算定额、水利水电设备安装工程概算定额、水利工程施工机械台时费定额和有关行业主管部门颁发的定额;4、水利工程设计工程量计算规则;5、初步设计文件及图纸;6、有关合同协议及资金筹措方案;7、其他。
第二章概算文件组成内容第一节概算正件组成内容1、编制说明(1)工程概况流域,河系,兴建地点,对外交通条件,水文设施工程项目、规模等。
(2)编制原则和依据①概算编制原则和依据;②人工预算单价,主要材料,施工用风基础单价的计算依据;③主要设备价格的编制依据;④建筑安装工程定额、施工机械台时费定额和有关指标的采用依据;⑤费用计算标准及依据。
(3)概算编制中其他应说明的问题2、工程部分概算表(1)概算表①总概算表;②建筑工程概算表;③仪器安装工程概算表;④施工临时工程概算表;⑤独立费用概算表;⑥分年度投资表;⑦资金流量表。
(2)概算附表①建筑工程单价汇总表;②安装工程单价汇总表;③主要材料预算价格汇总表;④次要材料预算价格汇总表;⑤施工机械台时费汇总表;⑥主要工程量汇总表;⑦主要材料量汇总表;⑧工时数量汇总表;⑨建设及施工场地征用数量汇总表。
第二节概算附件组成内容1、人工预算单价计算表;2、主要材料运输费用计算表;3、主要材料预算价格计算表;4、施工用风价格计算书;5、补充定额计算书;6、补充施工机械台时费计算书;7、混凝土材料单价计算表;8、建筑工程单价表;9、安装工程单价表;10、主要设备运杂费率计算书;11、独立费用计算书(按独立项目分项计算);12、分年度投资表;13、资金流量计算表;14、价差预备费计算表;15、计算人工、材料、设备预算价格和费用依据的有关文件、询价报价资料及其他。
预 算 编 制 说 明
一、编制依据
****工程量计算书。
二、编制原则
1、定额采用
(1)执行水利部文件水总[2002]116号文件、新疆维吾尔自治区水利厅新水建管[2005]108号文,采用中华人民共和国水利部《水利建筑工程预算定额》、新疆维吾尔自治区《水利水电工程补充预算定额》;
(2)施工机械台班费执行水利部文件水总[2002]116号文件,中华人民共和国水利部《水利工程施工机械台时费定额》。
2、取费标准及费率
执行新疆维吾尔自治区水利厅新水建管[2005]108号文件〈水利水电工程设计概算(估)预算编制规定》。
(1)其他直接费:直接费×5%;
(2)现场经费:直接费×7.6%;
(3)间接费:
①企业管理费、财务费用:直接工程费×6.5%;
②其他间接费:直接工程费×1.3%;
(4)企业利润:(直接工程费+间接费)×7%;
(5)税金:(直接工程费+间接费+计划利润)×3.22%。
水文设施工程概、预算定额编制说明一、定额编制的必要性水文设施建设是水文工作的重要内容,是确保水文生产顺利进行的基础保障。
定额是编制水文设施建设计划,合理确定工程投资的基础。
水利水电工程建设早在上世纪六十年代就有了生产定额,并在运用中不断充实完善,形成了较为成熟的指标体系。
我国其他行业,如建筑、机械、船舶、交通、铁路等,都有本行业的工程定额,为行业的规划、设计、工程的招投标以及经济指标考核起到了重要作用。
然而,水文行业作为国民经济与社会的基础公益事业,其基础地位与作用在防洪、水资源管理、生态环境保护等方面愈发突出,长期以来由于受水文测站地处偏远山区、点多、线长、面广、交通不便以及工程规模小、投资少、管理不规范等因素影响,水文设施一般都由水文职工自己动手施工,使得水文行业至今没有一部水文设施工程概、预算定额,导致各单位编制的水文设施工程概、预算缺乏标准,相互交叉,大都为经验型,致使审批部门难以操作,严重制约了水文设施工程项目的申报和建设。
水文设施处在洪水袭击的最前沿,具有运行环境恶劣,使用期短,更新速度快的特点。
特别是近几年来,随着科技的发展和水利基础产业地位的确立,国家对水文设施建设的投资力度在不断加大,建设规模和标准也在不断提高。
同时,随着工程建设市场的日趋规范化、制度化和新的计划与建设管理体制的建立,国家对工程建设的技术标准和概、预算管理的要求也越来越高,原有的水文设施建设与管理方式已远不能满足水文现代化建设的需要。
因此,编制水文设施工程概、预算定额,完善建设技术标准和建设经济指标十分必要和迫切。
编制水文设施工程概、预算定额,在工程项目申报和项目建设概预算编制中具有以下作用:(一)使水文设施建设项目建设方案编制审批有一个统一的标准,克服建设单位在编制工程投资和使用投资上的任意性和管理上的盲目性;(二)使建设单位在编制项目可行性方案论证时,对不同方案的经济指标比较,能贴近现实水平,避免以往估算的方式,以保证项目在技术上可行,经济上合理;(三)随着建设市场管理的日趋完善,水利建筑市场的进一步开放,水文设施工程也必然走向社会实行工程招投标制。
水利建筑工程预算定额的总说明及各章节说明目录水利建筑工程预算定额总说明 (2)第一章土方工程说明 (5)第二章石方工程说明 (8)第三章砌石工程说明 (13)第四章混凝土工程说明 (14)第五章模板工程说明 (18)第六章砂石备料工程说明 (19)第七章钻孔灌浆及锚固工程说明 (24)第八章疏浚工程说明 (26)第九章其他工程说明 (28)水利建筑工程预算定额总说明一、《水利建筑工程预算定额》分为土方工程、石方工程、砌石工程、混凝土工程、模板工程、砂石料备料工程、钻孔灌浆及锚固工程、疏竣工程、其它工程,共九章及附录。
二、本定额适用于大中型水利工程项目,是编制《水利建筑工程概算定额》的基础。
可作为水利工程招标标底和投标报价的参考。
三、本定额适用于海拔小于或等于2000m的地区,根据水利枢纽工程所在地的海拔高程及规定的调整系数计算。
海拔高程应以拦河坝或水闸顶部的海拔高程为准,没有拦河坝或水闸的,以厂房顶部海拔高程为准。
一个建设项目,只采用一个调整系数。
高原地区人工、机械定额调整系数表四、本定额不包括冬季、雨季和特殊地区气候影响施工因素及增加的设施费用。
五、本定额按一日三班作业施工、第班八小时工作制拟定。
若部分工程项目采用一日一班或两班制的,定额不作调整。
六、本定额的“工作内容”,仅扼要说明各章节的主要施工过程及工序。
次要的施工过程及必要的辅助工作所需的人工、材料、机械也已包括在定额内。
七、定额中人工、机械用量是指完成一个定额子目内容,所需的全部人工和机械。
包括基本工作、准备与结束、辅助生产、不可避免的中断、必要的休息、工作检查、交接班、班内工作干扰、夜间施工工效影响、常用工具和机械的维修、保养、加油、加水等全部工作。
八、定额中人工是指完成该定额子目工作内容所需的人工耗用量。
包括基本用工,其按其所需技术等级,分别列示出工长、高级工、中级工、初级工的工时及其合计数。
九、材料消耗定额(含其他材料费、零星材料费),是指完成一个定额子目内容所需的全部材料耗用量。
水平衡预算摘要:一、引言二、水平衡预算的定义和重要性三、水平衡预算的编制方法1.收集数据2.设定目标和预算3.制定支出计划4.监控和调整四、水平衡预算在个人和企业中的应用五、案例分析六、水平衡预算的优点和局限性七、结论正文:一、引言在当前经济环境下,合理规划预算、实现收支平衡成为许多人关注的焦点。
水平衡预算作为一种有效的预算管理方法,可以帮助个人和企业实现财务稳健。
本文将对水平衡预算的定义、编制方法以及在个人和企业中的应用进行详细解析,以期为大家提供实用的预算管理指导。
二、水平衡预算的定义和重要性水平衡预算,指的是在一定时期内,收入与支出相平衡的预算。
换句话说,就是在预算期内,个人的收入和支出达到平衡,实现财务稳定。
水平衡预算的重要性体现在以下几点:1.避免过度消费和债务累积;2.确保基本生活需求得到满足;3.为未来的发展和投资提供资金保障;4.提高财务规划和管理能力。
三、水平衡预算的编制方法1.收集数据编制水平衡预算的第一步是收集相关数据。
包括个人或企业的收入、支出、资产、负债等信息。
数据来源可以包括工资单、投资收益、银行账户、信用卡账单等。
2.设定目标和预算在收集数据的基础上,设定明确的预算目标。
例如,减少某项支出、增加储蓄或投资等。
同时,根据实际情况,将预算分为固定支出、变动支出和可选支出等类别。
3.制定支出计划针对不同类别的支出,制定详细的计划。
例如,在固定支出中,可以设定房租、水电费、通讯费等项目的预算;在变动支出中,可以设定餐饮、交通、娱乐等项目的预算。
4.监控和调整在实施预算的过程中,要定期监控支出情况,并与预算计划进行对比。
如有实际支出超过预算,应及时分析原因,并在必要时进行调整。
四、水平衡预算在个人和企业中的应用1.个人应用水平衡预算可以帮助个人合理安排生活支出,实现收支平衡,避免过度消费和债务累积。
同时,个人可以利用水平衡预算规划储蓄和投资,为未来提供资金保障。
2.企业应用水平衡预算在企业中的应用同样重要。
预算编制说明
一、编制依据
1.山东省水利厅鲁水建字[2015]3号文颁发的《山东省水利水电工程预算定额及设计概(估)算编制办法》。
2.山东省水利厅鲁水建字[2016]5号文颁发的《山东省水利厅关于发布山东省水利水电工程营业税改征增值税计价依据调整办法的通知》。
3.省水利厅《山东省水利水电工程营业税改征增值税计价依据调整办法》。
二、定额采用
1.山东省水利厅2015年《山东省水利水电建筑工程预算定额》(上、下册)。
2.山东省水利厅2015年《山东省水利水电安装工程预算定额》。
3.山东省水利厅2015年《山东省水利水电工程施工机械台班费定额》。
三、基础单价
1.人工工资
人工工资标准,依据2016年山东省水利厅《鲁水建字(2016)5号》文规定,确定人工预算单价为72元/工日。
2.主要材料预算价格
根据鲁水[2016]5号文及《山东省水利水电工程营业税改征增值税计价依据调整办法》规定,水泥、钢筋、柴油、汽油、砂石料、炸药、商品混凝土按规定标准进入单价,材料预算价格超过规定标准时,超出部分以价差的形式计入单价,并按规定计取税金。
规定进入单价的价格标准为:水泥260元/t;钢筋2600元/t;汽油3100元/t;柴油3000元/t;砂石料
70元/ m3;商品混凝土260元/ m3。
各限价材料预算价格详见下表,预算价格采用东营2016年8月份工程造价信息,价格均为不含税价格。
主要材料预算价格表
3.施工用风、水、电预算价格
施工用风0.2元/ m3;施工用水4.55元/m3;施工用电1.00元/kwh。
4.施工机械台班费
施工机械台班费依据《山东省水利水电工程营业税改征增值税计价依据调整办法》,按照调整后的施工机械台班费定额和不含增值税进项定额的基础价格计算。
四、费率标准
1.直接费:包括基本直接费和其他直接费
其他直接费费率建筑工程按基本直接费的6.5%计算;安装工程按基本直接费的7.0%计算。
2.间接费:包括规费、企业管理费
间接费费率表
3.企业利润:按直接工程费和间接费之和的7.0%计算。
4.税金:指应计入建筑安转工程费用内的增值税销项税额,税率为11%。
5.施工房屋建筑工程:
办公、生活及文化福利建筑:按工程一至四部分建安工作量(不包括办公、生活及文化福利建筑和其他施工临时工程)之和的2.0%计算。
6.独立费用
(1)项目经济技术服务费
①可研报告编制费:本工程取3.00万元
②招标代理费:本工程取1.71万元。
③工程量清单及招标控制价编制费:按工程一至四部分建安工作量之和的1.0%计算。
④跟踪审计费:按工程一至四部分建安工作量之和的1.0%计算。
⑤环境影响评价费:本工程取2.00万。
(2)工程监理费
按工程一至四部分建安工作量之和的3.0%计算。
(3)勘测设计费
①施工图设计及预算编制费:按工程一至四部分建安工作量之和的
3.5%计算。
②测量费:本工程取1.00万元。
(4)其他
①工程保险费:按工程一至四部分建安工作量之和的0.5%计算。
7.预备费
按工程一至五部分投资之和的1.0%计算。
8.迁占费
迁占费一项,共计15.00万。