公司级施工安全危险源清单
- 格式:docx
- 大小:21.29 KB
- 文档页数:9
施工现场重大危险源和控制措施清单在施工现场,存在着各种各样的危险源,这些危险源如果不加以有效的控制,可能会对工人的生命安全和工程质量造成严重的威胁。
因此,制定施工现场重大危险源和控制措施清单对保障工人安全至关重要。
下面是一个施工现场重大危险源和控制措施的清单,用以帮助施工单位识别危险源并采取相应的控制措施。
1.高空作业危险源:从高处作业时,容易发生坠落事故。
控制措施:建立高空作业管理制度,仅有资质合格的操作人员进行高空作业,悬挂安全带,并保证安全带与稳定支撑点连接,设置安全网、安全敞口、警示标识等。
2.施工机械的操作危险源:使用施工机械时,操作不当容易导致机械事故和伤亡。
控制措施:设备配备专职机械操作人员,操作人员需持有相应的上岗证,并定期进行培训,确保操作规范。
机械设备应符合国家标准,并配备相应的安全装置,操作前要仔细检查设备的安全性能。
3.电器设备使用危险源:电器设备的使用不当可以引发火灾、触电等事故。
控制措施:电器设备的选择应符合国家标准,并由专业人士安装、维修。
工人在使用电器设备时需穿戴符合安全要求的工作服,并确保设备的接地良好。
使用电焊机等高功率电器设备时,应设置专用的隔离开关,并在能量高的设备周围设置隔离标识。
4.建筑物结构施工危险源:在建筑物结构施工中,可能遭受崩塌、坍塌和倒塌等事故。
控制措施:施工前需进行地基勘测和结构计算,并确保使用符合标准的建筑材料。
在施工过程中,加固和支撑不稳定的构件,并设置防护措施,如安全网、警示标识等。
5.施工现场管理危险源:施工现场管理不善,容易导致人员失误、交通事故等。
控制措施:建立完善的安全生产管理制度,指定专人负责施工现场的安全巡视和管理。
施工现场应确保通风、照明良好,并设置合理的通道和防护设施。
严禁酒后上岗,工作人员需佩戴符合标准的安全帽、防护服和防护手套。
6.施工材料的选用和储存危险源:不符合标准的施工材料可能会导致危险事故,储存不当可能引发火灾、爆炸等。
建筑施工安全风险清单
1. 工地安全风险
- 坍塌风险:土地土质问题、建筑结构问题、环境因素等导致
的工地坍塌风险。
- 高空作业风险:高处作业、悬挑作业等可能导致的坠落、物
体掉落等风险。
- 电气设备风险:电线松动、电气线路短路等可能导致的电击、火灾等风险。
2. 机械安全风险
- 施工机械操作风险:机械操作不当、机械故障等可能导致的
人身伤害、设备损坏等风险。
- 机械维护风险:机械维护不当、维修工作中的错误操作等可
能导致的事故风险。
3. 材料安全风险
- 材料质量问题:使用不合格材料、材料缺陷等可能导致的施
工事故、建筑结构不稳定等风险。
- 材料保管风险:材料储存不当、材料堆放过高等可能导致的事故风险。
4. 环境安全风险
- 施工现场环境风险:空气污染、噪声污染、有害气体排放等可能对工人健康造成影响的风险。
- 施工现场安全设施缺失风险:消防设施不全、安全防护设备不完善等可能导致火灾、意外伤害等风险。
5. 人员安全风险
- 职业安全培训不足风险:对工人施工操作技能和安全知识的缺乏可能导致的事故风险。
- 人员违规行为风险:不按规定操作、违反安全手册等可能导致的安全事故风险。
以上为建筑施工中常见的安全风险清单,施工单位应根据具体情况制定相应的安全措施和应急预案,确保施工过程中的安全和质量。
施工现场常见危险源清单条一、高处作业危险在施工现场中,高处作业是很常见的,例如在建筑物上进行屋顶、悬挂和安装设备等作业。
但高处作业往往伴随着很高的风险,因此需要在安全意识和措施上做出充分的准备:•高处作业时需要正确使用安全带、安全绳和脚手架等保护措施,及时检查它们的状态,保证安全装置的可靠性和有效性;•在进行高处作业前,需要对工作区域进行现场勘察、评估,及时确定安全边框线和警戒线等,并严格限制未授权人员的进入;•高处作业需要注意天气状况,当存在雨、雪、大风等恶劣气候时,应及时暂停施工。
二、塔吊和施工机械危险塔吊、起重机、升降机和装载机等施工机械的使用非常普遍,然而它们也是造成事故的重要因素之一,应特别注意以下几点:•在操作施工机械前,要对设备的安全性能进行全面检查,确保机器与设备的正常运行;•操作施工机械前需要了解设备工作原理和应急措施,并且经过专业培训和考核;•在使用施工机械的同时,必须确保周围空间的安全,并采取相应的警示措施,例如设立标准和边际,并严格禁止非授权人员进入设备运行范围内。
三、电气设备危险许多施工现场都需要使用各种电气设备,但是电气设备也带有很高的安全风险,应当注意以下几点:•所有的电气设备都应该接地,并及时检查接地装置是否良好;•在接触电气设备时应该注意手部保护,并且避免使用有潮湿和破损的工具;•在电气设备的周围设置清晰明显的标志,禁止未授权人员靠近,特别是电源开关和配电盘等危险区域。
四、深入危险区•在施工现场深入不明危险区域易发生危险,在此类现场,需要准备足够的防护设备,例如特殊的呼吸器、防护服、防毒面具等,以避免受污染和气体中毒;•需要在危险区域进入前制定详细的规划,设计避险路线和紧急逃生计划;•在进入危险区时,应该保持珍惜生命和保护自身安全的信心,在出现紧急情况时要能自如地靠近电源和安全出口。
五、施工现场管理•现场管理是施工安全的关键,必须按照规章制度执行;•需要指定负责人对施工现场的场所和设备定期检查及维护工作进行管理;•保持现场清洁,并依据不同地点设置相应禁止吸烟、开火、焊接等安全警示,以确保现场的安全性能。
建筑施工企业危险源辨识与风险评价清单我是,工商管理学专业的学生。
自进入大学以来,我始终以积极的态度面对学习和生活,努力充实自己,提升自己的综合素质。
以下是我对工商管理学专业的自我鉴定。
在专业知识领域,我扎实学习了工商管理学及相关学科的基础理论和专业知识,并积极实践,通过课程设计和实验等方式,深入理解并掌握这些知识。
同时,我意识到理论知识和实际应用之间的,尝试将所学知识运用到日常生活和工作中。
在实践能力方面,我积极参与了校内外组织的各种活动和项目,以此来提升自己的实践能力和团队协作精神。
我明白,工商管理学不仅仅是一门理论知识,更是一种实践和应用的科学。
因此,我始终努力提升自己的实践能力,以便更好地适应社会需求。
在道德品质方面,我始终秉持诚实、守信、尊重他人、严谨负责的价值观。
我认为,良好的道德品质是成为一名优秀工商管理学专业人才的基础。
我始终以积极的态度面对生活和学习,努力提升自己的道德品质。
在自我提升方面,我不断追求自我提升和完善。
我明白,作为一名工商管理学专业的学生,我需要不断学习新知识,更新自己的知识结构,以适应不断变化的社会需求。
因此,我积极参与各种学术讲座和研讨会,阅读最新的研究成果和学术文章,以保持自己的学术敏锐性和前沿性。
我认为我在工商管理学专业的学习和实践过程中取得了一定的进步和成就。
但我明白,我还存在许多不足和需要改进的地方。
我将继续努力学习和实践,以成为一名优秀的工商管理学专业人才。
在建筑施工企业中,重大危险源是一切可能导致严重伤害、疾病或死亡的事故根源。
为了有效地控制和降低建筑施工过程中的风险,企业应建立并维护一份重大危险源清单。
以下是一个建筑施工企业的重大危险源清单的示例:高处作业:建筑施工中经常需要进行高空作业,包括但不限于建筑物外墙粉刷、结构施工、安装作业等。
这些作业可能导致坠落、物体打击等事故。
机械操作:建筑施工现场通常会使用各种机械设备,如起重机、挖掘机、打桩机等。
重大危险源清单重大危险源清单以下是施工单位的重大危险源清单:危险源名称:警戒、监护不到位,或无防护设施可能造成的事故及伤害:物体打击危险源存在的地点:K0+000-K12+000路基开挖作业预计存在时间:2018.4-2018.12当前状况:及时清理并加强警戒备注:3级危险源名称:人员误入作业区或在下方通行时被落石、坠物砸伤可能造成的事故及伤害:物体打击危险源存在的地点:K0+000-K12+000路基开挖作业预计存在时间:2018.4-2018.12当前状况:及时清理加强职业健康防护备注:3级危险源名称:作业面上的松石未清理干净掉落砸伤作业人员可能造成的事故及伤害:物体打击危险源存在的地点:K0+000-K12+000路基开挖作业预计存在时间:2018.4-2018.12当前状况:及时清理并加强警戒备注:3级危险源名称:作业人员未使用或未有效使用防护用品,作业中产生的大量粉尘对作业人员健康伤害可能造成的事故及伤害:其他伤害危险源存在的地点:K0+000-K12+000路基开挖作业预计存在时间:2018.4-2018.12当前状况:掌握机械安全操作规程备注:3级危险源名称:边坡松软挖掘机、推土机等施工机械连人从陡坡翻下造成人员伤害可能造成的事故及伤害:机械伤害危险源存在的地点:K0+000-K12+000路基机械作业预计存在时间:2018.4-2018.12当前状况:掌握机械安全操作规程备注:4级危险源名称:挖掘机、推土机等施工机械操作人员操作失误机械连人从陡坡翻下造成人员伤害可能造成的事故及伤害:机械伤害危险源存在的地点:K0+000-K12+000路基机械作业预计存在时间:2018.4-2018.12当前状况:掌握机械安全操作规程备注:3级危险源名称:现场安全监护不到位,人员站在机械旋转半径内斗铲撞碰人员可能造成的事故及伤害:机械伤害危险源存在的地点:K0+000-K12+000路基机械作业预计存在时间:2018.4-2018.12当前状况:掌握机械安全操作规程备注:3级危险源名称:现场安全监护不到位人员靠近作业机械履带及转动部分碾压或碰撞人员可能造成的事故及伤害:机械伤害危险源存在的地点:K0+000-K12+000路基机械作业预计存在时间:2018.4-2018.12当前状况:掌握机械安全操作规程备注:3级危险源名称:设计边线外至少5米范围内的浮石、杂物未清除干净,或作业面上的松石未清理干净,滚石或掉块伤人员可能造成的事故及伤害:物体打击危险源存在的地点:K0+000-K12+000路基机械作业预计存在时间:2018.4-2018.12当前状况:及时清理并加强警戒备注:3级危险源名称:施工机械的臂摆动时挂断电线造成设备损坏和人员伤亡可能造成的事故及伤害:触电事故危险源存在的地点:K0+000-K12+000路基机械作业预计存在时间:2018.4-2018.12当前状况:安全用电备注:4级物体打击是一项严重的危险源,需要采取措施来避免伤害。
施工现场重大危险源清单及控制措施XXX项目的安全施工组织设计包括重大危险源清单。
以下为清单内容:1.无力矩限制器或力矩限制器不灵敏;2.无超高、变幅、行走限位器或限位器不灵敏;3.吊钩无保险装置;4.卷扬机滚筒无保险装置;5.塔吊高度超过规定不安装附墙装置;6.无安装及拆卸施工方案;7.高塔基础不符合设计要求。
针对这些潜在的危险因素,可能导致的事故和控制措施如下:1.塔吊作业可能导致高处坠落和物体打击,以及触电。
因此,需要制定专项方案,加强安全操作规程教育,施工人员持证上岗,并制定应急与响应预案,建立目标、指示及管理方案。
2.土方施工可能导致边坡失稳坍塌。
为此,需要制定专项方案,加强安全教育,并建立目标、指示及管理方案。
3.氧气、乙炔气瓶的储存可能导致火灾、爆炸,以及物体打击。
因此,需要制定管理制度,进行安全技术交底,并制定应急与响应预案,建立目标、指示及管理方案。
4.脚手架与建筑结构螺栓锚固、拉节点、钢丝绳卡不规范,钢管架脚手架基础不牢,杆件间距与剪刀不符合规定,可能导致高处坠落和物体打击。
因此,需要制定专项方案,加强安全技术交底,并制定应急与响应预案,建立目标、指示及管理方案。
5.油漆、稀料、涂料、隔离剂的使用和距火源太近,以及储存可能导致火灾、爆炸和职业病,如烧伤和窒息。
因此,需要制定管理制度,进行安全技术交底,并制定应急与响应预案,建立目标、指示及管理方案。
6.配电箱修理带电操作可能导致触电。
因此,需要加强安全操作规程教育,施工人员持证上岗,并制定应急与响应预案,建立目标、指示及管理方案。
7.施工用电可能导致触电。
需要制定专项方案,加强安全技术交底,并制定应急与响应预案。
特别是在工程外侧与高压线路的距离小于规范规定的安全距离时,需要采取防护措施。
开关箱必须有漏电保护装置,而配电箱和开关箱也必须遵循“一机一闸、一漏一箱”的原则。
现场潮湿作业照明必须使用36V以下安全电压。
制定应急与响应预案,是确保施工安全的重要措施。
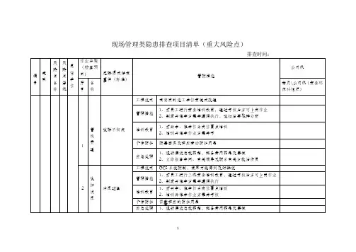
责任制安全管理《作业重大重大危险源清单编制单位(公章):*************************************危险源—02活动点/工序/部序号危险源危险级别控制目标控制措施责任部门(人)备注1未落实安全生产位重大层层落实安全生产责任制按照公司各级安全生产责任制、管理制度落实,各级主要负责人、各级制定考核办法并实各级安全设备部门施。
按照《建筑工程大模板技术规程》JGJ74-2003、JGJ162-2008《建筑施工模板安全技术规范》、建2模板支撑坍塌模板支拆作业、砼浇筑杜绝模板坍塌事故发生设工程高大模板支撑系分公司、项目部技术统施工安全监督管理导负责人、安全设备部则》编制专项施工方案,门按审批的方案组织实施。
按JGJ59-2011标准检查验收,按照公司《安全技术管理规定》实施管理。
按照《中华人民共和国传3传染病分公司全体员工重大有效控制传染病的发生..下载可编辑..染病防治法》编制管理方案,按照建筑施工现场环分公司、项目部工会境与卫生标准(JGJ146—2004)检查验收。
生活区、项目部施工区重大5煤气、食物中毒分公司各级生活区、项按照《中华人民共和国消4火灾、爆炸的发生分公司各层次办公区、杜绝发生重大火灾、爆炸事故防法》等法规、公司《施工现场消防安全管理规定》要求实施,实行动火审批制度,分公司办公室、安全设备部门、项目部安全设备部门建立应急机制。
按照建筑施工现场环境与卫生标准(JGJ146—目部施工区重大杜绝发生中毒事故2004)加强食堂卫生管理、按照《应急准备与响分公司、项目部安全设备部门6起重拆装伤害施工现场大型机械拆装重大不发生大型机械拆装伤亡事故应控制程序》建立应急机制。
按照说明书、《建筑起重机械安全监督管理规定》和《建筑机械使用安全技术规程》JGJ33-2001编分公司、项目部技术制拆装方案并审批,按照负责人、安全设备部公司《建筑施工起重机械门设备安全管理制度》的要求进行管理,按照JGJ59-2011检查验收。