外墙透气膜防水检验批质量验收记录
- 格式:xls
- 大小:25.50 KB
- 文档页数:4
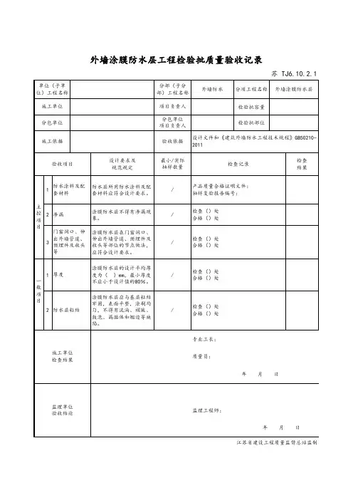
涂膜防水层工程检验批质量验收记录一、工程基本情况:工程名称:涂膜防水层工程工程地点:xx市xx区xx路xx号施工单位:xx建筑有限公司监理单位:xx监理有限公司质检单位:xx检测有限公司二、质检人员及时间:质检人员:xxx质检时间:xxxx年xx月xx日三、施工情况:1.施工单位按照施工图纸和技术要求,进行了涂膜防水层工程施工。
2.施工过程中,按照国家相关规定和技术标准进行施工操作,并严格保护现场环境。
四、检验项目:根据涂膜防水层工程的施工要求和验收标准,确定了以下验收项目:1.涂膜防水层的厚度及均匀性2.涂膜防水层的粘结强度3.涂膜防水层的遮蔽性4.涂膜防水层的耐水性5.涂膜防水层的耐候性五、检验方法:1.厚度及均匀性测量:采用涂膜厚度仪进行测量,每个测试点进行三次测量并取平均值。
2. 粘结强度测试:采用拉伸试验机进行测试,测试样品长度为100mm,宽度为50mm,测试速度为10mm/min。
3.遮蔽性测试:采用针孔检查仪进行测试,在阳光直射下观察涂膜表面是否有明显缺陷。
4.耐水性测试:采用水冲洗法进行测试,每个测试区域用水冲洗10分钟,观察涂膜表面是否有起泡、剥落等现象。
5.耐候性测试:采用人工加速老化测试,将涂膜样品放置在恒温恒湿箱中,温度为60℃,湿度为70%。
检测涂膜表面是否出现剥落、气泡等现象。
六、检验结果:经过以上检验方法的检测,得到以下结果:1.涂膜防水层的厚度及均匀性符合施工要求,厚度在规定范围内且均匀。
2.涂膜防水层的粘结强度符合施工要求,达到了设计要求。
3.涂膜防水层的遮蔽性良好,无明显缺陷。
4.涂膜防水层的耐水性良好,经过冲洗测试后无起泡、剥落现象。
5.涂膜防水层的耐候性良好,经过加速老化测试后无剥落、气泡等现象。
七、质检结论:根据以上检验结果,涂膜防水层工程达到了设计要求和验收标准,质量合格。
八、质检意见:在质检过程中发现施工单位在施工过程中存在一些小问题,如施工现场的清洁程度有待加强,施工人员的技术操作有待改进等。