铁路碎石道碴技术要求
- 格式:xls
- 大小:25.00 KB
- 文档页数:2
摊铺机摊铺铁路碎石道碴施工技术一、工艺原理利用摊铺机摊铺沥青路面的原理特性,经过耐磨损方面的结构改造后,摊铺铁路碎石道碴。
用自卸车将道碴从沿线碴场运至摊铺机料斗中,刮料板将其输送至螺旋布料器布碴.通过纵向控制器G176M 、横向控制控制器S276M 以及超声波传感器,摊铺机可调整摊铺所需纵、横向方向与坡度、仰角,厚度等指标,利用熨平板熨平、振夯,将道碴布于道床上,同时在道碴中部压出一凹槽.二、施工工艺(一) 工艺流程图1 铺碴施工流程图(二)施工要点1、开工前,应在沿线便利的地方设置小存碴点,一般10km 左右一个,为摊铺提供碴源;2、在铺碴前,测量人员应先核对路基基床表层标高及中桩。
3、测量人员根据底层道碴摊铺高程,方向及坡度,在路基路肩上钉上导向桩,并挂拉钢弦线,长度200m ,每间隔10m 设一支点,并在两端用加紧器将钢弦线拉紧,防止钢弦线松弛掉落.4、清理摊铺机行进前路基面上的障碍物。
5、检查摊铺机的运行状态、液压系统、润滑系统等的性能作用。
6、在摊铺机上安装好纵向控制器G176M 、横向控制器S276M 以及超声波传感器,并调整到正常工作状态.7、确定摊铺机的作业参数(夯锤振动频率和振幅、熨平板上作仰角、走行速度等)。
8、将摊铺机处于自动控制状态,摊铺机将自动行走、送料,通过各传感器反馈的信号自动调整送料速度、摊铺厚度以及碴层的坡度等。
9、驾驶员注意摊铺机行进的前方,随时操纵摊铺机的行进的方向,并注意运碴车将石碴倒入摊铺机料斗,操纵料斗的开合,将料斗两边石碴送入刮料板。
三、机具设备摊铺机铺设铁路碎石道碴施工工法的机具设备型号及数量应综合考虑铁路道床结构及厚度、运碴距离及运输条件、工程量、工期等因素而确定。
一般条件下双线同时施工时,其机具设备配备可参见表1.四、劳力组织每台摊铺机单班作业劳力组织参见表2:五、质量控制(一)质量标准1、道碴装车前先检验是否符合《铁路碎石道碴》(TB/T2140/90)中一级道碴标准;2、道床铺设完成后其密实度≥1.40g/cm3;3、经振捣压实后的道碴未出现破碎情况;4、用3m靠尺检查碴面平整度在±10mm以内;5、外形美观、整齐.(二)经过试铺、测量、检验、复核,选择较优的摊铺技术参数见表31、测量人员准确测量路基标高、钉导向桩、挂拉钢弦线。
道碴路基的施工及质量控制一、施工准备工作1. 路基勘测:通过对道碴路基的现场勘测,确定路线、路基宽度、边坡坡度等设计参数,为后续施工提供准确的基础数据。
2. 原材料准备:道碴路基施工所需要的主要原材料包括碎石、填料土、沙子等,需提前准备充足,并进行质量检测,确保符合设计要求。
3. 施工机械设备准备:根据施工工艺和规模,准备好必要的施工机械设备,如挖掘机、推土机、压路机等。
二、道碴路基施工工艺1. 剥离表层土壤:根据设计要求,采用机械设备进行表层土壤的剥离,在剥离范围内保持地面平整。
2. 开挖路基:根据设计要求的路基宽度和深度,采用挖掘机进行路基开挖,确保路基的平整度和坡度。
3. 路基填筑:挖掘机开挖后,将填料土按设计要求进行填筑,分层进行夯实,每层夯实厚度不宜超过30cm。
4. 压实路基:使用压路机对填筑的路基进行压实,确保路基的密实度和稳定性。
5. 道碴铺设:在路基上铺设道碴,碴石应符合设计要求,均匀铺设,碴层厚度不宜小于20cm,可根据地形要求进行调整。
6. 压实碴层:使用压路机对铺设的碴层进行压实,碴层压实应适度,确保整体的密实度和平整度。
三、道碴路基施工质量控制1. 原材料质量控制:对所采用的碎石、填料土、沙子等原材料进行质量检测,包括粒径分析、含水率、含泥量等指标,确保满足设计要求。
2. 施工过程控制:在施工过程中,严格按照施工工艺要求进行操作,尤其是填筑土的夯实和碴层的铺设、压实工作,保证每个环节的质量合格。
3. 压实质量控制:对压路机进行定期检查和调整,保证其压实质量符合设计要求,各个部位的合适、轮胎的气压等需要注意。
4. 施工现场管理:加强施工现场的管理,包括施工人员的技术培训、施工机械设备的维护保养、施工现场的卫生清洁等,确保施工质量的稳定和提高。
四、道碴路基施工注意事项1. 施工过程中,要注意现场的排水和防水措施,特别是在雨季和屯水区域,及时排除积水,避免对施工质量造成影响。
京沪高速铁路特级碎石道碴技术条件本技术条件满足京沪高速铁路时速350公里有碴轨道结构特级碎石道碴的要求。
本技术条件参考了TB/T2140-90“铁路碎石道碴”、TB/T2328.1~.18“铁路碎石道碴试验方法”及“八五”、“九五”高速铁路研究课题所提出“特级道碴”标准,对照了欧洲高速铁路所采用的BSEN13450:2002“铁路道碴集料”标准及台湾高速铁路合同书中所提出的道碴标准,又听取了国际咨询公司对“京沪高速铁路设计暂行规定”中有关“特级道碴材质指标”的咨询意见,在原“特级道碴”标准的基础上经补充修改而成。
1.修改了道碴粒径、级配。
原TB/T2140-90道碴粒径级配标准是针对重载客货共线铁路,半机械、半手工线路维修作业方式提出的,因而采用了“宽级配”。
其特点是粒径的分布范围比较宽,道床中粗颗粒形成的骨架之间的空隙由更多的小颗粒给以填充,增加颗粒之间的接触面,有利于减少重载条件下由于压力传递而造成的道碴破碎。
“宽级配”也有利于在小型机械甚至人工作业时道床的密实,提高维修作业质量和维修作业效率。
有利于提高采石场成品率。
在制定我国高速铁路“特级道碴”标准时,主要是考虑到在我国铁路上已经采用了“宽级配”标准,如果再增加另一种级配,可能造成道碴生产、管理、使用上的混乱和困难,故“特级道碴”标准中,仍建议采用TB/T2140-90中的“宽级配”道碴粒径级配标准。
在对照了BSEN13450:2002“铁路道碴集料”标准及台湾高速铁路合同中的道碴标准,以及通过“京沪高速铁路设计暂行规定”的国际咨询之后,考虑时速350km/h铁路对道碴的稳定性、弹性和抗飞溅等特殊要求,在国内没有实践经验的情况下应学习国外高速铁路经验,决定在我国高速铁路上单独采用“窄级配”标准。
“窄级配”标准的特点是道碴粒径的分布相对集中,特别是小颗粒底端的最小控制粒径增大(原标准为16mm,现改为22.4mm),控制粒径以下的含量减少(原5%,现改为3%),最大控制粒径虽然没有改变(63mm),但含量减少(原为0~3%,现为0%)。
铁路碎石道砟1范围本标准规定了铁路碎石道砟(以下简称道砟)的要求、检验和运输、贮存、验交。
本标准适用于国家铁路、合资铁路、地方铁路用碎石道砟,工矿企业铁路也可参照使用。
2 规范性引用文件下列文件中的条款通过本标准的引用而成为本标准的条款。
凡是注日期的引用文件,其随后所有的修改单(不包括勘误的内容)或修订版均不适用于标准,然而,鼓励根据本标准达成协议的各方研究是否可使用这些文件的最新版本。
凡是不注日期的引用文件,其最新版本适用于本标准。
TB/T 2328 铁路碎石道砟试验方法(所有部分)3 术语和定义下列术语和定义适用于本标准。
3.1针状指数长度(最大尺寸)大于平均粒径1.8倍的颗粒所占的质量百分率。
3.2片状指数厚度(最小尺寸)小于平均粒径0.6倍的颗粒所占的质量百分率。
3.3风化颗粒道砟机械加工破碎面矿物部分或全部失去光泽、改变颜色的颗粒。
3.4碎石道砟表面清洁度铁路碎石道砟产品颗粒表面粉尘、泥土等杂物所占的质量百分率。
4 技术要求4.1道砟原料碎石道砟应选用开山块石破碎、筛选加工生产,且颗粒表面全部为破碎面。
4.2道砟材质指标各级碎石道砟材质性能应符合表1的相应规定。
4.3道砟加工指标4.3.1粒径级配4.3.1.1特级碎石道砟粒径级配应符合表2的规定,如图1所示。
表1 道砟材质性能4.3.1.2新建铁路用一级碎石道砟粒径级配应符合表3的规定,如图2所示。
4.3.1.3既有线大修、维修用一级碎石道砟粒径级配应符合表4的规定,如图3所示。
4.3.2颗粒形状和清洁度4.3.2.1道砟的针状指数不大于20%,片状指数不大于20%。
4.3.2.2特级道砟中风化颗粒和其它杂石含量不应大于2%,一级道砟中风化颗粒和其他杂石含量不应大于5%。
4.3.2.3道砟产品须水洗,其颗粒表面洁净度不应大于0.17%。
4.3.2.4未经水洗的一级道砟中粒径0.1mm以下粉末的含量不应大于1%。
5 检验规则5.1检验分类道砟应进行资源性材质检验、生产检验和出厂检验。
铁路碎石道床底碴 The manuscript was revised on the evening of 2021TB/T 2897—1998前言底碴是铁路碎石道床的重要组成部分,位于碎石道床道碴层和路基基床表层之间,起着传递、分布列车荷载,防止面碴和路基基床表层颗粒之间的相互渗透,具有渗水过渡和防冻保温等作用。
过去我国借用前苏联的经验采用河砂作底碴,由于没有材料标准,即不能保障上述底碴功能的正常发挥,又限制了底碴材料料源。
在参考美国铁路工程协会(AREA)底碴材料标准、日本铁路基床表层(JISA5001粒径过渡砂砾层)材料标准等有关标准的基础上,结全我国的国情和路情制订了本标准。
本标准由铁路部科学研究院铁道建筑研究所提出。
本标准由铁道部标准计量研究所归口。
本标准由铁道部科学研究院铁道建筑研究所负责起草。
本标准主要起草人:曾树谷、张文升、许永贤、王红、刘增杰。
中华人民共和国铁道行业标准TB/T2897—1998铁路碎石道床底碴1 范围本标准规定了铁路碎石道床底碴(以下简称底碴)的技术要求,检验规则及运输、贮存。
本标准适用于国家铁路,地方铁路及工业企业铁路也可参照使用。
2 引用标准下列标准所包含的条文,通过在本标准中引用而构成为本标准的条文。
本标准出版时,所示版本均为有效。
所有标准都会被修订,使用本标准的各方应控讨使用下列标准最新版本的可能性。
TB/T 2140—90 铁路碎石道碴TB/T ~18—92 铁路碎石道碴试验方法3 术语塑性指数I p:塑性指数等于液限LL和塑限PL之差。
I p=LL—PL4 技术要求底碴材料可取自天然砂砾材料,也可由开山块石或天然卵石、砾石经破碎、筛选而成。
底碴材料的粒径级配应符合表1的规定,且筛以下的细集料中通过筛的颗粒含量应小于等于66%,底碴材料粒径级配与碎石道床道碴层及路基基床表层粒径级配的匹配关系于图1。
方孔筛边长16 25 45mm过筛质量百0~7 0~11 7~32 13~46 41~75 67~91 82~100 100 分率%在粒径大于16mm的粗颗粒中带有破碎面的颗粒所占的质量百分率不少于30%。
14铁路道碴14.1概述14.1.1铁路道碴的分类铁路道碴主要包括碎石道碴、筛选卵石道碴、天然级配卵石道碴、砂子道碴和熔炉矿渣道碴等。
最常用的是碎石道碴。
碎石道碴按材质指标可分为特级道碴、一级道碴和二级道碴。
14.1.2铁路道碴的适用范围1)高速铁路道床应采用特级碎石道碴。
2)Ⅰ、Ⅱ级铁路的碎石道床材料应采用一级道碴。
3)特重型轨道、隧道内轨道及宽枕轨道应用一级道碴。
重型轨道宜用一级道碴、其它轨道可用二级道碴。
14.1.3铁路道碴的作用道碴位于轨枕以下、路基面以上,主要作用是支承轨枕,把来自轨枕上部的巨大荷载,均匀地分布到路基面上,大大减少了路基的变形。
道碴块与块之间存在着空隙和摩擦力,使得轨道具有一定的弹性,这种弹性不仅能吸收机车车辆的冲击和振动,使列车运行比较平稳,而且大大改善了机车车辆和钢轨、轨枕等部件的工作条件,延长了使用寿命。
道碴的弹性一旦丧失,则钢筋混凝土轨枕上所受的荷载比正常状态时要增加50~80%。
而且道碴依靠本身和轨枕间的摩擦,起到固定轨枕的位置,阻止轨枕纵向或横向的移动。
这在无缝线路区段显得更为重要,因为这种区段如果线路的纵向或横向阻力减少到一定程度,很容易发生胀轨跑道事故,严重危及行车安全。
道碴有排水作用。
由于道碴块状间的空隙,使得地表水能够顺畅地通过道床排走,这样路基表面就不会长期积水。
路基表面长期积水,不仅会使承载能力大大下降,而且还会造成翻浆和冻胀等很多病害。
道碴作为道床材料,还有便于调节轨道高度的作用。
一旦道床下部基础变形超出允许范围,有碴轨道比无碴轨道容易修复和整治。
底碴是铁路碎石道床的重要组成部分,位于碎石道床道碴层和路基基床表层之间,起着传递、分布列车荷载,防止面碴和路基基床表层颗粒之间的相互渗透,具有渗水过渡和防冻保温等作用。
使用道碴作为道床材料也有其弱点。
道碴长年暴露在大自然中,在列车的动力和线路捣固时的冲击作用下,易出现变形、粉化、脏污,降低了承载能力和排水性能,失去了应有的弹性。
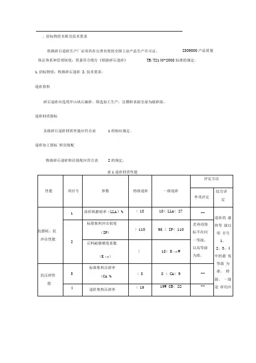
、招标物资名称及技术要求铁路碎石道砟生产厂必须具有完善有效的全国工业产品生产许可证、1.招标物资:铁路碎石道砟2.技术要求:道砟原料碎石道砟应选用开山块石破碎、筛选加工生产,且颗粒表面全部为破碎面。
道砟材质指标各级碎石道砟材质性能应符合表1的相应规定。
道砟加工指标 粒径级配特级碎石道砟粒径级配应符合表2的规定。
表道砟材质性能保证体系和管理制度;质量符合现行《铁路碎石道砟》TB/T2140-2008标准的规定。
IS09000产品质量表特级碎石道砟粒径级配满足5、6、7、8项目号 的要 求。
新建铁路用一级碎石道砟粒径级配应符合表 3的规定。
表新建铁路用一级碎石道砟粒径级配4的规定。
表既有线一级碎石道砟粒径级配颗粒形状和清洁度 道砟的针状指数不大于 20%,片状指数不大于 20%。
特级道砟中风化颗粒和其它杂石含量不应大于2%, —级道砟中风化颗粒和其他杂石含量不应大于5%。
道砟产品须水洗,其颗粒表面洁净度不应大于%。
未经水洗的一级道砟中粒径以下粉末的含量不应大于1%。
二、生产工艺要求1.《铁路采石管理规程》规定“生产铁路碎石道砟的工艺生产线,必须采用两段闭路或多段闭路式工艺”。
三、投标物资详细的运输和供应方案1 .投标人交付的物资应分别按照合同要求交至指定的到货地点。
2 .投标人应充分考虑和了解施工地点的地理位置和运输条件,采用合适有效的运输和货物交付方式,制定保证工程所需物资按时、按量供应的具体措施。
四、质量保证期自物资交货验收合格之日起6个月。
五、验收标准招标物资进场时,买方必须对其数量、外观质量等进行验收,实验人员将对道砟材质的性能、粒径级配进行检测,其质量必须符合:招标文件规定的技术标准及其引用标准的检测对比证明、现行国家标准、原铁道部标准的规定。
14铁路道碴14.1概述14.1.1铁路道碴的分类铁路道碴主要包括碎石道碴、筛选卵石道碴、天然级配卵石道碴、砂子道碴和熔炉矿渣道碴等。
最常用的是碎石道碴。
碎石道碴按材质指标可分为特级道碴、一级道碴和二级道碴。
14.1.2铁路道碴的适用范围1)高速铁路道床应采用特级碎石道碴。
2)Ⅰ、Ⅱ级铁路的碎石道床材料应采用一级道碴。
3)特重型轨道、隧道内轨道及宽枕轨道应用一级道碴。
重型轨道宜用一级道碴、其它轨道可用二级道碴。
14.1.3铁路道碴的作用道碴位于轨枕以下、路基面以上,主要作用是支承轨枕,把来自轨枕上部的巨大荷载,均匀地分布到路基面上,大大减少了路基的变形。
道碴块与块之间存在着空隙和摩擦力,使得轨道具有一定的弹性,这种弹性不仅能吸收机车车辆的冲击和振动,使列车运行比较平稳,而且大大改善了机车车辆和钢轨、轨枕等部件的工作条件,延长了使用寿命。
道碴的弹性一旦丧失,则钢筋混凝土轨枕上所受的荷载比正常状态时要增加50~80%。
而且道碴依靠本身和轨枕间的摩擦,起到固定轨枕的位置,阻止轨枕纵向或横向的移动。
这在无缝线路区段显得更为重要,因为这种区段如果线路的纵向或横向阻力减少到一定程度,很容易发生胀轨跑道事故,严重危及行车安全。
道碴有排水作用。
由于道碴块状间的空隙,使得地表水能够顺畅地通过道床排走,这样路基表面就不会长期积水。
路基表面长期积水,不仅会使承载能力大大下降,而且还会造成翻浆和冻胀等很多病害。
道碴作为道床材料,还有便于调节轨道高度的作用。
一旦道床下部基础变形超出允许范围,有碴轨道比无碴轨道容易修复和整治。
底碴是铁路碎石道床的重要组成部分,位于碎石道床道碴层和路基基床表层之间,起着传递、分布列车荷载,防止面碴和路基基床表层颗粒之间的相互渗透,具有渗水过渡和防冻保温等作用。
使用道碴作为道床材料也有其弱点。
道碴长年暴露在大自然中,在列车的动力和线路捣固时的冲击作用下,易出现变形、粉化、脏污,降低了承载能力和排水性能,失去了应有的弹性。
TB/T 2897—1998底碴是铁路碎石道床的重要组成部分,位于碎石道床道碴层和路基基床表层之间,起着传递、分布列车荷载,防止面碴和路基基床表层颗粒之间的相互渗透,具有渗水过渡和防冻保温等作用。
过去我国借用前苏联的经验采用河砂作底碴,由于没有材料标准,即不能保障上述底碴功能的正常发挥,又限制了底碴材料料源。
在参考美国铁路工程协会(AREA)底碴材料标准、日本铁路基床表层(JISA5001 粒径过渡砂砾层)材料标准等有关标准的基础上,结全我国的国情和路情制订了本标准。
本标准由铁路部科学研究院铁道建筑研究所提出。
本标准由铁道部标准计量研究所归口。
本标准由铁道部科学研究院铁道建筑研究所负责起草。
本标准主要起草人:曾树谷、张文升、许永贤、王红、刘增杰。
中华人民共和国铁道行业标准TB/T 2897 —1998铁路碎石道床底碴1范围本标准规定了铁路碎石道床底碴(以下简称底碴)的技术要求,检验规则及运输、贮存。
本标准适用于国家铁路,地方铁路及工业企业铁路也可参照使用。
2引用标准下列标准所包含的条文,通过在本标准中引用而构成为本标准的条文。
本标准出版时, 所示版本均为有效。
所有标准都会被修订,使用本标准的各方应控讨使用下列标准最新版本的可能性。
TB/T 2140 —90 铁路碎石道碴TB/T ~18 —92 铁路碎石道碴试验方法3术语塑性指数I P:塑性指数等于液限LL和塑限PL之差。
I P=LL—PL4技术要求底碴材料可取自天然砂砾材料,也可由开山块石或天然卵石、砾石经破碎、筛选而成。
底碴材料的粒径级配应符合表1的规定,且筛以下的细集料中通过筛的颗粒含量应小于等于66%底碴材料粒径级配与碎石道床道碴层及路基基床表层粒径级配的匹配关系于图1。
在粒径大于16mm的粗颗粒中带有破碎面的颗粒所占的质量百分率不少于30%底碴材料的性能粒径大于的集料的洛杉矶磨耗率不大于50%中华人民共和国铁道部1998—02 —24批准确性1998 —09—01实施TB/T 2897 —1998粒径大于的集料的硫酸钠溶液浸泡损失率不大于 12%粒径小于的细集料的液限不大于 25%其塑性指数小于 6% 粘土团及其它杂质含量的质量百分率小于等于 %> 5检验规则底碴材料应进行型式检验和生产检验,型式检验属部级,生产检验属局级。
铁路一级道砟技术规格书(路基):1、技术标准:采用《中华人民共和国铁道行业标准》(TB/T2140-2008)标准。
2、主要技术要求:2.1 道砟原料:碎石道砟应选用开山块石破碎,筛选加工生产,且颗粒表面全部为破碎面。
2.2 道砟材质性能2.3 粒径级配应符合下表规定:2.4 颗粒形状及清洁度2.4.1针状指数不大于20%,片状指数不大于20%。
2.4.2一级道砟中风化颗粒及其它杂石含量不大于5%。
2.4.3道砟需水洗,其颗粒表面清洁度不大于0.17%。
2.4.4未经水洗的一级道砟中粒径0.1mm以下粉末的含量不大于1%。
3、检验及试验规则:道砟应按规定进行建场检验、生产检验和出场检验。
建场和生产检验由铁道部指定单位进行,出场检验由采石场进行。
3.1道砟材质应符合铁路碎石道砟相关技术条件的规定。
检验数量:同一产地、同一级别的道砟,每50000立方米为一批,不足50000立方米时亦按一批计。
施工单位每批抽检一次,监理单位全部见证检测。
检验方法:施工单位按现行铁路碎石道砟技术条件中规定的方法进行检测,监理单位见证检测。
3.2 道砟进场时的粒径级配、颗粒形状及清洁度应符合铁路碎石道砟相关技术条件的规定。
检验数量:同一产地品种且连续进场的道砟,每5000立方米为一批,不足5000立方米时亦按一批计。
施工单位每批抽检一次;监理单位按施工单位检验次数的20%进行检验。
检验方法:施工单位采用筛分、专用量规检测或特定检验;监理单位检查施工单位检验报告,并进行见证检验。
4、运输:提供投标物资详细的运输和供应方案,切实可行的售后服务和应急措施。
4.1 投标人交付的物资应分别按照合同要求交至指定的到货地点。
4.2 投标人应充分考虑和了解施工地点的地理位置和运输条件,采用合适有效的运输和货物交付方式,制定保证工程所需物资按时、按量供应的具体措施。
5、评定方法:1.单项评定 2.综合评定。
道碴质量标准
1、材质按说明附表1的参数和标准,分为一级道碴和二级道碴两种。
2、道碴粒径级配如附表1。
3、道碴颗粒形状及清洁度:
(1)针状指数小于50%;
(2)片状指数小于50%;
(3)黏土团及其他杂质含量少于0.5%;
(4)小于0.1mm的颗粒量少于1%。
铁路碎石道碴技术条件规定的级配,不仅可以更好地控制道碴产品的颗粒组成,而且因其为宽级配道碴,具有抗剪强度高,振动密实性好,颗粒粉化慢等优点,在道碴的生产和使用方面将会带来较好的经济效益。
“碎石道碴产品合格证”按《铁路采石管理规则》的规定,由采石场提供,作为竣工验收和评定道床质量的依据。
繁忙干线规定必须采用一级道碴,目的在尽可能减少养护工作量,保证行车安全,取消线路中修,减少线路修理对运输的干扰,提高运输能力,其道碴必须耐磨、抗压和抗冲击,以防道床粉化后失去透水性能。
考虑到目前达不到标准的道碴数量较多,故按轻重缓急应逐步更换,但道岔、缓冲
区应优先更换。
附表1
道碴材质分级
附表2
道碴粒径级配。
铁路基床表层级配碎石施工作业标准1.1作业制度一、施工作业执行文件:施工工程部下发的有效设计图纸、技术交底文件、《路基基床表层施工作业指导书》、《铁路路基施工标准》;二、施工作业执行的强制性标准:《安全生产法》、《建设工程安全生产治理条例》、《铁路路基工程施工质量验收标准》、《建客货共线铁路工程施工补充规定》〔暂行〕、《建时速 200 公里客货共线铁路工程施工质量验收暂行标准》、《改建既有线和增建其次线铁路工程施工技术暂行规定》;三、作业队制订的《**作业队施工职责分工及岗位责任制制度》。
1.2人员配备参照路基基床及以下施工作业人员配备。
1.3施工作业标准一、填料要求〔一〕基层表层级配碎石承受的碎石粒径、级配及材料性能应符合铁道部现行《铁路路基工程施工质量验收标准》。
级配碎石和级配砂砾石必需严格掌握 0.5mm 以下细集料的含量及其液限和塑性指数。
选用品质优良的原材料是确保级配碎石质量的根底。
要确保筛选并按比例混合组成的级配碎石混合料的粒径、级配及品质指标符合规定的要求。
〔二〕基床表层填料承受级配碎石,其规格应符合以下要求:1.粒径大于 1.7mm 的集料的洛杉矶磨损率不大于 30%。
2.粒径大于 1.7mm 的集料的硫酸钠溶液浸泡损失率不大于 6%。
3. 粒径小于 0.5mm 的细集料的液限不大于 25%,其塑性指数小于 6。
4. 不得含有粘土及其它杂质。
级配碎石的粒径级配应符合下表 2.9-1 中规定。
表 2.9-1基床表层级配碎石粒径级配范围表基床表层填料材质、级配必需经室内试验及现场填筑压实工艺试验, 保证其孔隙率、地基系数、变形模量及动态变形模量符合设计要求并确定填筑工艺参数,方可正式填筑。
二、施工方法及工艺〔一〕施工方法1. 施工前应做好级配碎石备料工作,拌合场内不同粒径的碎石、砂砾等集料应分别堆放。
2. 基床表层级配碎石必需承受厂拌法施工。
拌和设备应计量准确,混合料必需进展材质及级配试验,材质及级配均要符合设计和标准的要求。
关于客运专线道砟技术要求和调查情况的汇报一、目前铁道部、南广公司及中铁咨询设计院对新建客运专线道砟的技术要求和标准;1、根据TB/T2140-2008中的技术要求,在新建高速铁路和客运专线必须使用特级道砟;2、道砟必须要经水洗;3、其它技术要求3.1道砟原料碎石道砟应选用开山块石破碎、筛选加工生产,且颗粒表面全部为破碎面。
3.2道砟材质指标各级碎石道砟材质性能应符合表1的相应规定。
3.3道砟加工指标3.3.1粒径级配3.3.1.1特级碎石道砟粒径级配应符合表2的规定,如图1所示。
表1 道砟材质性能4.3.1.2新建铁路用一级碎石道砟粒径级配应符合表3的规定,如图2所示。
表3 新建铁路用一级碎石道砟粒径级配4.3.2颗粒形状和清洁度4.3.2.1道砟的针状指数不大于20%,片状指数不大于20%。
4.3.2.2特级道砟中风化颗粒和其它杂石含量不应大于2%,一级道砟中风化颗粒和其他杂石含量不应大于5%。
4.3.2.3道砟产品须水洗,其颗粒表面洁净度不应大于0.17%。
4.3.2.4未经水洗的一级道砟中粒径0.1mm以下粉末的含量不应大于1%。
5 检验规则5.1检验分类道砟应进行资源性材质检验、生产检验和出厂检验。
5.2资源性材质检验5.2.1新建采石场及既有采石场转移开采面或工作面岩层材质、种类有明显变化时,应按表1规定的各项内容进行检验,并划分其材质等级。
5.2.2由具有固体矿产勘察乙级及以上资质的受委托单位,在每一个开采面(开采面岩层较多时按岩层)取一组有代表性的试样,附试验委托单送交检验。
5.2.3一组试样中包括:碎石试样:粒径(方孔筛)30mm~70mm,质量240kg.块石试样:200 m m×160 m m×140 m m,2块,不应有裂纹。
5.3生产检验5.3.1采石场每生产道砟1.5×10-5m3(年产量少于1.5×10-5m3的采石场,时间不超过一年),应按表1规定的各项内容进行一次生产检验。
一、招标物资名称及技术要求
铁路碎石道砟生产厂必须具有完善有效的全国工业产品生产许可证、ISO9000产品质量保证体系和管理制度;质量符合现行《铁路碎石道砟》TB/T2140-2008标准的规定。
1.招标物资:铁路碎石道砟
2.技术要求:
2.1道砟原料
碎石道砟应选用开山块石破碎、筛选加工生产,且颗粒表面全部为破碎面。
2.2道砟材质指标
各级碎石道砟材质性能应符合表1的相应规定。
2.3道砟加工指标
2.4粒径级配
特级碎石道砟粒径级配应符合表2的规定。
表1 道砟材质性能
表2 特级碎石道砟粒径级配
2.5新建铁路用一级碎石道砟粒径级配应符合表3的规定。
表3 新建铁路用一级碎石道砟粒径级配
2.6既有线大修、维修用一级碎石道砟粒径级配应符合表4的规定。
表4 既有线一级碎石道砟粒径级配
2.7颗粒形状和清洁度
二、生产工艺要求
1.《铁路采石管理规程》规定“生产铁路碎石道砟的工艺生产线,必须采用两段闭路或多段闭路式工艺”。
三、投标物资详细的运输和供应方案
1.投标人交付的物资应分别按照合同要求交至指定的到货地点。
2.投标人应充分考虑和了解施工地点的地理位置和运输条件,采用合适有效的运输和货物交付方式,制定保证工程所需物资按时、按量供应的具体措施。
四、质量保证期
自物资交货验收合格之日起6个月。
五、验收标准
招标物资进场时,买方必须对其数量、外观质量等进行验收,实验人员将对道砟材质的性能、粒径级配进行检测,其质量必须符合:招标文件规定的技术标准及其引用标准的检测对比证明、现行国家标准、原铁道部标准的规定。
铁道部关于铁路采石技术管理规则文章属性•【制定机关】铁道部(已撤销)•【公布日期】1989.07.27•【文号】铁工务[1989]93号•【施行日期】1989.07.27•【效力等级】部门规范性文件•【时效性】失效•【主题分类】矿产资源正文*注:本篇法规已被《铁道部关于公布铁道部规章及规范性文件清理结果的通知》(发布日期:2003年6月17日实施日期:2003年6月17日)废止铁道部铁路采石技术管理规则(1989年7月27日铁工务(1989)93号)第一章总则第1.0.1条铁路采石场是铁路运输生产的组成部分,其主要任务是生产铁路道碴和其它建筑石料,及时供应线桥大修、中修、维修、防洪抢险和整治病害所需石料,同时也供应既有铁路设备更新改造和基建工程所需的石料,以保证铁路运输需要。
第1.0.2条铁路采石管理工作,应由工务部门归口负责。
采石管理机构的设置,人员的配备,要根据采石场数量、年生产量的多少,由铁路局酌情确定。
第1.0.3条铁路采石场是铁路运输基层生产单位,实行独立经济核算,其级别由铁路局确定。
第1.0.4条铁路采石场应积极发展机械化生产,不断提高劳动生产效率,加强经营管理,开展技术革新和增产节约活动,搞好安全生产,提高产量,保证质量,降低成本,发展综合经营,提高经济效益。
第1.0.5条本规则适用于运营铁路采石场,其它生产铁路碎石道碴的采石场亦应参照执行。
铁路局可根据本规则的规定,制定细则。
第二章管理第一节生产管理第2.1.1条铁路采石场的生产活动,必须在长远规划指导下,实行有计划的生产。
合理安排资源利用、剥离、采掘、运输、破碎、筛分、储运、弃土、供电、供水、供风、机修等各环节,做到综合平衡,确保稳定生产。
第2.1.2条铁路采石场年生产能力,每三年由铁路局根据生产条件变化情况核定一次,作为安排考核生产活动的依据。
第2.1.3条铁路采石场年度生产计划,应按铁路局下达的任务执行。
第2.1.4条铁路采石场的产品销售,必须体现为运输服务的原则,先路内,后路外,优先保证线桥大、中、维修及防洪用料供应。
免责声明:上海矿山设备有限公司: 本着自由、分享的原则整理以下内容于互联网, 若有侵权请联系我们删除!上海矿山设备有限公司提供沙石厂粉碎设备、石料生产线、矿石破碎线、制砂生产线、磨粉生产线、建筑垃圾回收等多项破碎筛分一条龙服务。
联系我们:您可以通过在线咨询与我们取得沟通! 周一至周日全天竭诚为您服务。
铁路道渣质量标准及参数石料设备,包括颚式破碎机石料破碎机,反击式破碎机冲击式破碎机振动给料机振动筛洗砂机皮带输送机等。
加工铁路道渣石料设备工艺介绍第一新型给料机应用DZ系列振动给料机,既解决了料仓下料架桥棚卡及均匀性问题,又减轻了工人劳动强度(可省去名/班下料工),降低皮带磨损,为高产稳产提供了有利条件第二新型破碎机本系列产品,具有破碎比大,产品粒度均匀,结构合理工作可靠维修简便运行费用经济等特点。
第三新型反击式破碎机本系列产品配置在粗破碎机后,可破碎抗压强度不超过兆帕的矿石岩石,具有处理量大排料细的特点。
使用道碴的好处,在于排水容易及容易调校路轨位置,同时由于道碴把列车及路轨重量分散在路基上,减少列车震动及噪音,令乘客舒适度增加。
铁路道渣石一般都是最近取材,以花岗岩和石灰岩为主,因为他们的硬度较高,铺在铁轨的枕木上时能大面积均匀的承重,这样的话就铁轨造成的压力较小,因而延长铁路寿命。
从网上了解的情况显示,很多同行由于没有做过这方面的案例,想当然地以为铁路道渣石对石料粒型要求很高,所以他们推荐的设备一般是。
而且,铁路道渣石粒径在之间,一般在左右,这样规格的成品反击式破碎机是打不出来的,反击式破碎机打出来的石料粒型好而且颗粒相对要小很多。
一方面可以达到铁路道渣石规格要求另一方面,由于铁路道渣石石材多以花岗岩和石灰岩为主,这种石料硬度相对比较大,使用反击式破碎机零配件损耗也非常严重!采用层压破碎,技术工艺先进,耐磨件损耗非常小,而且产量大效率。
点击放大产品实行“三包“,产品在用户妥善保管和合理安装正确使用的情况下,自使用之日起个月内,但不超过自发货日算起个月,应能正常工作。