钢筋原材料报验单
- 格式:xls
- 大小:25.00 KB
- 文档页数:1
钢筋原材料报验单1
诏安县镇镇有干线九侯山景区至纵二线(公子店村)公路工程
建筑材料报验单监表
28-2
承包单位:江苏燕宁建设工程有限公司合同号:
监理单位:宁波交通工程咨询监理有限公司编号:(RCL)Q11500186
诏安县镇镇有干线九侯山景区至纵二线(公子店村)公路工程
建筑材料报验单监表
28-2
承包单位:江苏燕宁建设工程有限公司合同号:
监理单位:宁波交通工程咨询监理有限公司编号:(RCL)Q11500187
诏安县镇镇有干线九侯山景区至纵二线(公子店村)公路工程
建筑材料报验单监表
28-2
承包单位:江苏燕宁建设工程有限公司合同号:
监理单位:宁波交通工程咨询监理有限公司编号:(RCL)Q11500188
诏安县镇镇有干线九侯山景区至纵二线(公子店村)公路工程
建筑材料报验单监表
28-2
承包单位:江苏燕宁建设工程有限公司合同号:
监理单位:宁波交通工程咨询监理有限公司编号:(RCL)Q11500188。
工程物资进场报验表B2-02工程名称编号致(监理单位)现报上关于工程的物资进场检验记录,该批物资经我方检验符合设计、规范程及合同要求,请予以批准使用。
物资名称主要规格单位数量委托单编号使用部位附件:名称页数编号1. 出厂质量证明文件 1 页2. 进场检验记录 1 页3. 进场试验报告页施工单位检查意见:经检验产品质量合格,同意使用。
施工单位名称:技术负责人(签字):年月日审查意见:经检验产品质量合格,同意使用。
监理单位名称:监理工程师(签字):年月日材料、构配件进场检验记录C3-01工程名称检验日期施工单位序生产厂家名称规格型号进场数量外观质量结果号合格证号12345678910111213141516171819202122施工技术施工负责人:质检员:材料员:工程物资进场报验表B2-02工程名称编号致(监理单位)现报上关于工程的物资进场检验记录,该批物资经我方检验符合设计、规范程及合同要求,请予以批准使用。
物资名称主要规格单位数量委托单编号使用部位附件:名称页数编号1. 出厂质量证明文件 1 页2. 进场检验记录 1 页3. 进场试验报告页施工单位检查意见:经检验产品质量合格,同意使用。
施工单位名称:技术负责人(签字):年月日审查意见:经检验产品质量合格,同意使用。
监理单位名称:监理工程师(签字):年月日材料、构配件进场检验记录C3-01工程名称检验日期施工单位序规格型生产厂家外观质名称进场数量结果号号合格证号量12345678910111213141516171819202122施工技术施工负责人:质检员:材料员:。
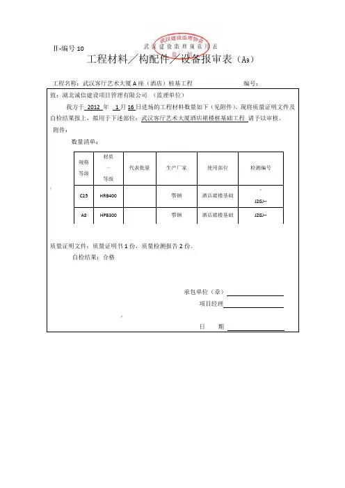
Ⅱ-编号10
工程材料╱构配件╱设备报审表(A 9)
致:湖北诚信建设项目管理有限公司 (监理单位)
我方于 2012 年 1月16日进场的工程材料数量如下(见附件)。
现将质量证明文件及自检结果报上,拟用于下述部位:武汉客厅艺术大厦酒店裙楼桩基础工程 请予以审核。
附件:
数量清单:
》
质量证明文件:质量证明书1份,质量检测报告2份。
自检结果:合格
承包单位(章)
项目经理
?
日 期
规格
等级
材质
…
等级
代表批量 生产厂家 使用部位 检测编号
C25 HRB400 鄂钢 酒店裙楼基础
*
JZGJ-- A8 HPB300 鄂钢 酒店裙楼基础
JZGJ--
复查意见:
经检查上述工程材料╱构配件╱设备,符合╱不符合设计文件和规定的要求,准许╱不准许进场,同意╱不同意使用于拟定部位.
项目监理机构
总╱专业监理工程师
日期
,
A4 武汉建设监理规范用表
钢筋焊接接头检验报告报验申请表
致:湖北诚信建设项目管理有限公司(监理单位)
我单位已完成了武汉客厅艺术大厦酒店桩基工程钢筋焊接接头检验工作,现报上该工程报验申请表,请予以审查和验收。
附件:
钢筋焊接接头检验报告
&
承包单位(章)
项目经理
日期
钢筋焊接登记台账程名称:武汉客厅艺术大厦A座酒店桩基工程
*。
钢筋原材料平⾏检验记录
钢筋进场外观检验(报验)记录
监理单位检查⼈:
⽇期:
Word资料
说明
1、施⼯单位的专职质检员、材料员与监理机构的监理⼯程师、监理员⼀起进⾏检验。
2、直径偏差允许值:交货为A级不⼩于0.3mm,交货为B级不⼩于0.4mm;偏差超过允许值的应退货或降级使⽤。
3、外观质量:钢筋应平直、⽆损伤,钢筋表⾯不得有裂纹、起⽪、油污、颗粒状或⽚状⽼锈等,并在相应栏填“有”或“⽆”,平直栏直接填“平直”或“弯曲”。
4、产品标牌上的标识炉批号应与质量保证书上⼀致,并做好记录。
当不⼀致时,应查明材料来源,否则应退货。
5、当钢筋表⾯存在裂纹、起⽪应退货;若存在损伤、不平直应剔出退货;存在油污应清理⼲净;存在颗粒状或⽚状⽼锈应除尽,若影响截⾯尺⼨,应降级处理。
6、外观检查合格后,应及时见证取样送有资质的检测机构进⾏复试,复试合格后⽅可使⽤。
Word资料
钢筋进场外观检验(报验)记录
监理单位检查⼈:
⽇期:
Word资料
钢筋进场外观检验(报验)记录
监理单位检查⼈:
⽇期:
Word资料
钢筋进场外观检验(报验)记录
监理单位检查⼈:
⽇期:2012.5.10 Word资料
钢筋进场外观检验(报验)记录
Word资料
监理单位检查⼈:
⽇期:2012.5.11
钢筋进场外观检验(报验)记录
Word资料
Word资料
监理单位检查⼈:
⽇期:2012.5.30 钢筋进场外观检验(报验)记录。
1111
**钢筋验收单**
工程名称:[具体工程名称]
施工单位:[施工单位名称]
验收日期:[具体验收日期]
验收内容:
1. 钢筋型号:[列出验收的钢筋型号]
2. 钢筋数量:[详细列出验收的钢筋数量]
3. 钢筋外观质量:[描述钢筋的外观质量,如有无锈蚀、裂纹等]
4. 钢筋尺寸偏差:[列出钢筋的尺寸偏差情况,如直径、长度等]
5. 钢筋力学性能:[说明钢筋的力学性能测试结果,如屈服强度、抗拉强度等]
6. 产品质量证明文件:[附上钢筋的产品质量证明文件,如出厂合格证、检测报告等]
验收结论:
1. 钢筋型号、数量、外观质量、尺寸偏差、力学性能等均符合设计要求和相关标准。
2. 产品质量证明文件齐全。
验收单位:[验收单位名称]
验收人签字:[验收人签字]
日期:[验收日期]
注意:以上示例仅供参考,具体内容可根据实际情况进行修改和完善。
在填写钢筋验收单时,应确保信息真实、准确、完整,并按照相关规定进行验收和记录。
基础钢筋原材料_ 报验申请表工程名称:鸠山酒店工程编号:001致:许昌市东城区工程建筑监理責任有限公司)我单位已完成了基础钢筋进场工作,现报上该工程报验申请表,请予以审查和验收。
附件:1、钢筋原材料检验批质量验收记录表承包单位(章)项目经理日期年月日审查意见:项目监理机构________________总/专业监理工程师________________日期________________钢筋原材料检验批质量验收记录工程名称鸠山镇林泉酒店分项工程名称钢筋工程验收部位基础施工单位禹州市宏达建筑責任有限公司专业工长徐国营项目经理刘海卿施工执行标准名称及编号混凝土结构工程施工质量验收规范GB50202—2002分包单位∕分包项目经理∕施工班组长徐国营施工质量验收规范的规定施工单位检查评定记录监理(建设)单位验收记录主控项目1 钢筋进场检验 5.2.1条有钢筋合格证,符合要求2 抗震框架结构用钢筋 5.2.2条∕1)抗拉强度与屈服强度比值≥1.25 符合规范要求2)屈服强度与强度标准值比值≤1.3 符合规范要求3)钢筋脆断、性能不良等的检验5.2.3条经现场检验,符合要求一般项目1 钢筋外观质量 5.2.4条无损伤,表面无裂纹,外观质量符合要求施工单位检查评定结果检查工程主控项目、一般项目均符合《混凝土结构工程施工质量验收规范》(GB 50204-2002)的规定,评定合格。
项目专业质量检查员:年月日监理(建设)单位验收结论监理工程师:(建设单位项目专业技术负责人)年月日。
市政工程建筑材料报验单项目名称:市政工程报验单编号:XXX-XXXX施工单位:XXXXX公司监理单位:XXXXX公司工程部位:XXXXX工程部位建设单位:XXX公司被验材料清单:序号材料名称规格型号单位数量1 水泥 32.5R 吨1002 钢筋 HRB400 根10003 砂石合格砂子立方米5004 涂料环保涂料升2005 钢材角钢50*50 根500验收标准:1.水泥:符合GB175-2024《水泥标准》,外观无明显质量问题,包装完好,标识清晰,工厂合格证明齐全。
2.钢筋:符合GB1499.2-2024《混凝土用钢筋》的要求,表面无锈蚀、裂纹、毛刺等质量问题,根据施工要求切割整齐。
5.钢材:符合GB/T706-2024《热轧平面钢材》的要求,无脱漆、生锈、折曲等问题,表面光滑,切割整齐。
检测结果和结论:经对上述材料进行检验、测量和检测,材料的质量和性能均符合指定的标准和要求。
通过此次报验,可以认定以上材料可用于市政工程建设。
验收人员:备注:1.若在验收过程中发现材料存在质量和性能问题,应立即通知施工单位和供应商,按规定采取相应措施。
2.材料验收合格后,施工单位和供应商应做好材料的防潮、防水和防突发事故等措施,确保材料使用时安全可靠。
3.未经报验的材料不得投入市政工程建设,严禁使用低质量、伪劣材料。
以上是市政工程建筑材料的报验单,详细列出了被验材料的名称、规格型号、单位和数量,以及验收标准和检测结果。
此报验单是施工单位和监理单位进行材料验收时的重要依据,确保市政工程建设使用合格的材料,保证工程的质量和安全。
钢筋原材料检验批质量验收记录时间:2024年6月1日地点:建筑工地一、检验批基本信息1.项目名称:XX工程2.检验批名称:钢筋原材料检验批3.检验单位:XX建筑检验检测有限公司二、检验依据和要求1.《钢筋原材料检验规范》(GB/T1499-2024)三、检验项目及结果1.钢筋材质检验(1)钢筋种类:HRB400(2)材质标准:GB/T699-2024(3)必要性能指标:a.抗拉强度:≥400MPab.屈服强度:≥400MPac.伸长率:≥14%(4)检验结果:样品通过检验,符合要求。
2.钢筋外观质量检验(1)表面净度要求:a.允许轻微氧化锈蚀和机械处理痕迹b. 不得有粗大凹坑、氧化皮层厚度超过0.5mm(2)检验结果:样品通过检验,符合要求。
3.钢筋尺寸检验(1) 直径尺寸:12mm ±0.5mm(2)弯曲度要求:允许存在一定的弯曲和鳞母变形,不得有裂纹。
(3)检验结果:样品通过检验,符合要求。
四、检验过程描述1.本次检验从供应商采购的钢筋中随机抽取20根进行检验。
2.对每根钢筋进行外观检验,查看表面净度、氧化皮层厚度等指标是否符合要求。
3.对样品进行尺寸测量,包括直径和弯曲度等参数。
4.从样品中取出试样进行材质检验,包括抗拉强度、屈服强度和伸长率等指标的测定。
5.根据检验结果,判定样品是否合格。
五、检验结论经过对20根钢筋样品的检验,全部样品通过检验,符合相关标准的要求,达到使用标准。
六、检验记录保存1.检验记录将保存在建筑工地的档案室中,以备工程验收和后续质量问题处理时参考。
2.检验报告将向建设单位和施工单位进行报送。
备注:本检验记录仅为对钢筋原材料进行质量验收的一部分,不包括对现场加工和焊接后的钢筋结构的质量检验。
材料进场报验单范文
一、项目信息:
1.项目名称:
2.项目地址:
3.建设单位:
4.监理单位:
5.施工单位:
6.材料供应单位:
7.进场日期:
8.报验日期:
二、材料信息:
1.材料名称:
2.材料规格:
3.材料批号:
4.材料生产厂家:
5.材料数量:
6.材料检验依据:
7.抽样数量:
三、材料检验项目及标准:
1.外观检验:
2.尺寸检验:
3.化学成分检验:
4.物理性能检验:
5.弯曲试验:
6.抗压试验:
7.抗拉试验:
8.硬度检测:
四、检验结果:
1.外观检验结果:
2.尺寸检验结果:
3.化学成分检验结果:
4.物理性能检验结果:
5.弯曲试验结果:
6.抗压试验结果:
7.抗拉试验结果:
8.硬度检测结果:
五、存在问题及处理意见:
六、检验人员签字:
七、监理人员签字:
八、施工单位负责人签字:
九、材料供应单位负责人签字:
备注:以上内容为材料进场报验单的一般样式,具体信息根据实际情况进行填写。
工程名称:永安·锦湖新园二期二标段编号:A10
工程名称:永安·锦湖新园二期二标段编号:A10
本表一式三份,经项目监理机构审核后,建设单位、监理单位、承包单位各存一份。
浙建监A10
工程材料/构配件/设备报审表
工程名称:永安·锦湖新园二期一标段2#楼编号:A10
本表一式三份,经项目监理机构审核后,建设单位、监理单位、承包单位各存一份。
浙建监A10
工程材料/构配件/设备报审表
工程名称:永安·锦湖新园二期二标段编号:A10
本表一式三份,经项目监理机构审核后,建设单位、监理单位、承包单位各存一份。
浙建监A10
工程材料/构配件/设备报审表
工程名称:永安·锦湖新园二期二标段编号:A10
浙建监A10
工程材料/构配件/设备报审表
工程名称:永安·锦湖新园二期二标段编号:A10
本表一式三份,经项目监理机构审核后,建设单位、监理单位、承包单位各存一份。
浙建监A10
工程材料/构配件/设备报审表
工程名称:永安·锦湖新园二期二标段编号:A10
浙建监A10
工程材料/构配件/设备报审表
工程名称:余杭区中泰乡集镇中心区B1、B2地块南湖农居拆迁安置房建设项目
编号:A10。
关于钢筋进场、取样、送检等问题的处理方法的有关规定钢筋进场后,项目材料员组织材料验收(包括材质证明书)填写钢筋送检通知单和钢筋进场台帐。
材料员填写送检通知单时,请钢筋加工队注明钢筋用于哪个单位工程(本项目有15个单位工程:1—10#楼、地下车库、会所、南人防、北人防、职工管理房)和哪个结构层。
材料员需注明生产厂家、炉号(牌号)、进场日期、吨位等送检通知单中所规定的内容。
钢筋进场台帐按如下格式填写。
钢筋进场台帐试验组收到送检通知单后,按程序要求进行见证取样(取样组数根据规范规定来确定)并填写材料检验台帐(钢筋)。
材料检验台帐的格式如下。
材料检验台帐(钢筋)中“报告处置情况”栏的填写方式:报告××××代表××吨钢筋,主要用于××单位工程或×号楼×部位或楼层×吨,用于××单位工程或×号楼×部位或楼层×吨……,报告原件存放××单位工程资料中,其它单位工程作抄件。
抄件由栋号资料员交王平,统一到试验室盖章。
为便于“报告处置情况”栏的填写,钢筋组按下表要求提供各单位工程不同部位或楼层的钢筋需用量。
“报告处置情况”栏填写时,由王平、胡岚、郑杰平等人确定处置方法。
各栋号必须服从。
钢筋材质证明书(原件)由项目材料员收集,在钢筋进场后5天内移交项目工程技术部资料员胡岚,胡岚会同郑杰平、王平根据钢筋试验报告的处置办法确定材质证明书原件存放在××单位工程的资料内,其它单位工程采用复印件。
胡岚在复印件上注明哪份用于哪个单位工程及该单位工程的使用数量,并将复印件交项目材料员到钢材供应商处加盖公章。
项目材料员将加盖公章的复印件交栋号资料员。
关于取样问题:栋号施工过程中,如需取样送检,先填写取样送检通知单并确定取样组数。
试验员按要求取样后,应填写“取样回执”交栋号资料员。
钢筋工程报验申请表工程名称:鲁能康保屯垦100MW风电场工程编号:致:达华集团北京中达联咨询有限公司康保风电监理项目部:我单位已经完成了1#风机基础钢筋加工、安装工作,现报上该工程报验申请表,请予以审查和验收。
附件:钢筋原材料及加工检验批质量验收记录钢筋安装检验批质量验收记录钢筋隐蔽验收记录钢筋机械连接质量验收记录施工单位:项目经理:日期:审查意见:总包单位:专业工程师:日期:批复意见:项目监理机构:总/专业监理工程师:日期:钢筋原材料及加工检验批质量验收记录表3.6.5 编号:01-001-01-01-03-03-01单位工程名称风力发电机组分部(子分部)工程名称基础工程分项工程名称钢筋工程总承包单位深圳山东核电工程有限责任公司验收部位1号风机基础项目经理张子德施工执行标准名称及编号风力发电场项目建设工程验收规程DL/T5191-2004专业工长(施工员)殷建诺施工单位河北省安装工程公司项目经理王韶彬施工班组长刘义海施工质量验收规范的规定施工单位自检记录监理(建设)单位验收记录主控项目1原材料抽检钢筋进场时,应按现行国家标准的规定抽取试件作力学性能试验,其质量必须符合有关标准的规定。
GJ09-01463GJ09-01264GJ09-012632有抗震要求框架结构纵向受力钢筋的强度应满足设计要求和有关现行规范的规定3化学成分专项检验当发现钢筋脆断、焊接性能不良或力学性能显著不正常等现象时,应对该批钢筋进行化学成分检验或其他专项检验。
4受力钢筋弯钩和弯折应符合设计要求和有关现行规范的规定。
受力钢筋弯钩和弯折90度或130度5箍筋末端弯钩应符合设计要求和有关现行规范的规定。
一般项目1钢筋表观质量钢筋应平直、无损伤,表面不得有裂纹、油污、颗粒状或片状老锈。
钢筋平直、无损伤,表面没有裂纹、油污、颗粒状或片状老锈2钢筋调直应符合设计要求和有关现行规范的规定。
全部调直3钢筋加工偏差(mm)受力钢筋顺长度方向全长的净尺寸±10+3-5+2-3+2-7+2-6+3-4 弯起钢筋的弯折位置±20+2-3+6-4+1-2+3-1+2-5 箍筋内净尺寸±5施工操作依据规范要求质量检查记录完整施工单位检查评定结果项目专业项目专业质量检查员: 技术负责人: 年月日总承包单位评定结果专业技术负责人:年月日监理(建设)单位验收结论专业监理工程师:(建设单位项目专业技术负责人) 年月日钢筋安装检验批质量验收记录表3.6.6 编号:01-001-01-01-03-03-02单位工程名称风力发电机组分部(子分部)工程名称基础工程分项工程名称钢筋工程总承包单位深圳山东核电工程有限责任公司验收部位1号风机基础项目经理张子德施工执行标准名称及编号风力发电场项目建设工程验收规程DL/T5191-2004专业工长(施工员)殷建诺施工单位河北省安装工程公司项目经理王韶彬施工班组长刘义海施工质量验收规范的规定施工单位自检记录监理(建设)单位验收记录主控项目1受力钢筋的品种、级别、规格和数量必须符合设计要求。
.钢筋原材料检验批报审、报验表芦溪湾住宅小区工程编号:工程名称:致:芦溪湾住宅小区工程监理部(项目监理机构)楼一层墙柱、二层梁板及一层商铺墙柱、二层梁板钢筋9#我方已完成了原材料检验批工作,现报上该工程报验申请表,请予审查和验收。
1、钢筋原材料检验批质量验收记录表附件:施工项目经理部(盖章)项目经理(签字)年月日审查或验收意见:项目监理机构(盖章)专业监理工程师(签字)年月日填报说明:本表一式二份,项目监理机构、施工单位各一份。
.页脚...钢筋原材料检验批报审、报验表芦溪湾住宅小区工程编号:工程名称:致:芦溪湾住宅小区工程监理部(项目监理机构)楼二层墙柱、三层梁板及二层商铺墙柱、三层梁板钢筋9#我方已完成了原材料检验批工作,现报上该工程报验申请表,请予审查和验收。
1、钢筋原材料检验批质量验收记录表附件:施工项目经理部(盖章)项目经理(签字)年月日审查或验收意见:项目监理机构(盖章)专业监理工程师(签字)年月日填报说明:本表一式二份,项目监理机构、施工单位各一份。
.页脚...钢筋原材料检验批报审、报验表芦溪湾住宅小区工程编号:工程名称:致:芦溪湾住宅小区工程监理部(项目监理机构)楼三层墙柱、四层梁板钢筋原材料检验批工作,现报上9#我方已完成了该工程报验申请表,请予审查和验收。
1、钢筋原材料检验批质量验收记录表附件:施工项目经理部(盖章)项目经理(签字)年月日审查或验收意见:项目监理机构(盖章)专业监理工程师(签字)年月日填报说明:本表一式二份,项目监理机构、施工单位各一份。
.页脚...钢筋原材料检验批报审、报验表芦溪湾住宅小区工程编号:工程名称:致:芦溪湾住宅小区工程监理部(项目监理机构)楼四层墙柱、五层梁、板钢筋原材料检验批工作,现报9#我方已完成了上该工程报验申请表,请予审查和验收。
1、钢筋原材料检验批质量验收记录表附件:施工项目经理部(盖章)项目经理(签字)年月日审查或验收意见:项目监理机构(盖章)专业监理工程师(签字)年月日填报说明:本表一式二份,项目监理机构、施工单位各一份。
钢筋原材料检验批报审、报验表工程名称:芦溪湾住宅小区工程编号:填报说明:本表一式二份,项目监理机构、施工单位各一份。
钢筋原材料检验批报审、报验表工程名称:芦溪湾住宅小区工程编号:致:芦溪湾住宅小区工程监理部(项目监理机构)我方已完成了9#楼二层墙柱、三层梁板及二层商铺墙柱、三层梁板钢筋原材料检验批工作,现报上该工程报验申请表,请予审查和验收。
附件:1、钢筋原材料检验批质量验收记录表施工项目经理部(盖章)项目经理(签字)年月日审查或验收意见:填报说明:本表一式二份,项目监理机构、施工单位各一份。
钢筋原材料检验批报审、报验表工程名称:芦溪湾住宅小区工程编号:致:芦溪湾住宅小区工程监理部(项目监理机构)我方已完成了9#楼三层墙柱、四层梁板钢筋原材料检验批工作,现报上该工程报验申请表,请予审查和验收。
附件:1、钢筋原材料检验批质量验收记录表施工项目经理部(盖章)项目经理(签字)年月日审查或验收意见:项目监理机构(盖章)填报说明:本表一式二份,项目监理机构、施工单位各一份。
钢筋原材料检验批报审、报验表工程名称:芦溪湾住宅小区工程编号:致:芦溪湾住宅小区工程监理部(项目监理机构)我方已完成了9#楼四层墙柱、五层梁、板钢筋原材料检验批工作,现报上该工程报验申请表,请予审查和验收。
附件:1、钢筋原材料检验批质量验收记录表施工项目经理部(盖章)项目经理(签字)年月日审查或验收意见:项目监理机构(盖章)专业监理工程师(签字)年月日填报说明:本表一式二份,项目监理机构、施工单位各一份。
钢筋原材料检验批报审、报验表工程名称:芦溪湾住宅小区工程编号:致:芦溪湾住宅小区工程监理部(项目监理机构)我方已完成了9#楼五层墙柱、六层梁、板钢筋原材料检验批工作,现报上该工程报验申请表,请予审查和验收。
附件:1、钢筋原材料检验批质量验收记录表施工项目经理部(盖章)项目经理(签字)年月日审查或验收意见:项目监理机构(盖章)专业监理工程师(签字)年月日填报说明:本表一式二份,项目监理机构、施工单位各一份。
进场材料报验单为了确保施工进场材料的质量和数量符合要求,同时保障工程施工的顺利进行,特制定本进场材料报验单,以便及时记录和核实进场材料的情况。
1. 项目信息。
项目名称,XXX工程。
项目地点,XXX地区。
施工单位,XXX公司。
监理单位,XXX公司。
报验人,XXX。
2. 报验材料清单。
序号材料名称规格型号生产厂家数量备注。
1 水泥 42.5号 XXX公司 100吨。
2 钢筋 HRB400 XXX公司 50吨。
3 砂石中砂 XXX公司 2000立方米。
4 沥青 SBS改性 XXX公司 60吨。
3. 报验内容。
1)水泥,检查水泥的包装是否完好,是否有潮湿、结块等现象,查验水泥合格证、出厂日期等信息。
2)钢筋,检查钢筋的表面是否有锈蚀、变形等情况,查验钢筋的质量证明、规格型号等信息。
3)砂石,检查砂石的颗粒大小、含泥量等情况,查验砂石的质量证明、来源地等信息。
4)沥青,检查沥青的温度、粘度等情况,查验沥青的质量证明、生产日期等信息。
4. 报验流程。
1)施工单位将进场的各类材料按照清单要求摆放整齐,并通知监理单位进行报验。
2)监理单位派专人对进场材料进行逐一检查,核实数量、质量、规格型号等信息,填写报验单并签字确认。
3)施工单位收到报验单后,及时处理报验单中存在的问题,并将合格的材料投入使用,不合格的材料予以退回或处理。
5. 报验要点。
1)报验人员应具备相关专业知识和工作经验,对进场材料的质量和规格有清晰的认识。
2)报验过程中应严格按照标准操作程序进行,确保报验结果的客观性和准确性。
3)报验单上的信息应真实可靠,报验人员在填写和确认报验单时应慎重对待,不得随意填写或篡改报验内容。
6. 报验结果处理。
1)合格材料,施工单位可将合格材料投入使用,并妥善保管报验单和相关材料证明。
2)不合格材料,施工单位应立即通知供货方进行退换货或处理不合格材料,并将退回的材料进行妥善保管,确保不合格材料不会误用。
7. 结束语。
本报验单为施工单位和监理单位提供了一个规范的进场材料报验流程,希望各相关人员能严格按照流程操作,确保施工进场材料的质量和数量符合要求,为工程施工提供有力保障。