公路项目砂的试验记录1-1
- 格式:docx
- 大小:54.56 KB
- 文档页数:1
普通混凝土用砂试验规程一、依据标准:JGJ52-2006《普通混凝土用砂、石质量及检验方法标准》。
二、检验项目:筛分析、表观密度、堆积密度(紧密密度)、含泥量、泥块含量。
三、使用仪器:砂方孔筛、JP-A 型架盘天平、电热鼓风干燥烘箱、容量瓶、浅盘、铝制料勺、漏斗、直尺、秤、容量为1L 的筒、 四、取样:按同产地,同规格、同一进场时间,每400m 3或600t 为一验收批。
不足400m 3或600t 时亦为一验收批。
天然砂取22kg ,人工砂取52kg 。
五、方法与步骤:5.1、筛分析:5.1.1用于筛分析的试样,其颗粒的公称粒径不应大于10.0mm 。
试验前应先将来样通过公称直径为10.0mm 的方孔筛,并计算筛余。
称取经缩分后样品不少于550g 两份,分别装入两个浅盘,在(105±)℃的温度下烘干到恒重。
冷却至室温用。
5.1.2准确称取烘干试样500g (特细砂可称250g ),按筛孔大小顺序排列(大孔在上、小孔在下)的套筛的最上一只筛(公称直径为5.00mm 的方孔筛)上;将套筛装入摇筛机内固紧,筛分10min ,然后取出套筛,再按筛孔由大到小的顺序,在清洁的浅盘上逐一进行手筛,直至每分钟的筛出量不超过试样总量的0.1%为止;通过的颗粒并入下一只筛子,并和下一只筛子中的试样一起进行手筛,这样依次进行,直至所有的筛子全部筛完为止。
注:1当试样含泥量超过5%时,应先将试样水洗,然后烘干至恒重,再进行筛分;2无摇筛机时,可改用手筛。
5.1.3试样在各只筛子上的筛余量均不得超过按式4.1.3计算得出的剩留量,否则应将该筛的筛余试样分成两份或数份,再次进行筛分,并以其筛余量之和作为该筛的筛的筛余量。
300dA m r式4.1.3 式中m r ― 某一筛上的剩留量(g ); d ―筛孔边长(mm ); A ―筛的面积(mm 2)。
5.1.4称取各筛筛余试样的质量(精确到1g ),所有各筛的分计筛余量和底盘中的剩余量之和与筛分前的试样总量相比,相差不得超过1%。
公路工程质量检验评定标准(JTGF80/1-2004)发布日期:2005—1-121 总则32 术语43 工程质量评定43。
1 一般规定43.2 工程质量评分53.3 工程质量等级评定64 路基土石方工程64.1 一般规定64。
2 土方路基64。
3 石方路基74。
4 软土地基处治84.5 土工合成材料处治层95 排水工程105.1 一般规定105。
2 管节预制105.3 管道基础及管节安装105。
4 检查(雨水)并砌筑115。
5 土沟125.6 浆砌排水沟125。
7 盲沟125.8 排水泵站136 挡土墙、防护及其它砌筑工程136。
1 一般规定136。
2 砌体挡土墙136。
3 悬臂式和扶臂式挡土墙146.4 锚杆、锚碇板和加筋土挡土墙156。
5 桩板式挡土墙166.6 墙背填土166。
7 抗滑桩176.8 挖方边坡锚喷防护176。
9 锥、护坡186.10 砌石工程186。
11 导流工程196。
12 石笼防护197 路面工程207。
1 一般规定207.2 水泥混凝土面层207。
3 沥青混凝土面层和沥青碎(砾)石面层217。
4 沥青贯入式面层(或上拌下贯式面层)237.5 沥青表面处治面层237。
6 水泥土基层和底基层247。
7 水泥稳定粒料(碎石、砂砾或矿渣等)基层和底基层257。
8 石灰土基层和底基层267。
9 石灰稳定粒料(碎石,砂砾或矿渣等)基层和底基层267.10 石灰、粉煤灰土基层和底基层277.11 石灰、粉煤灰稳定粒料(碎石、砂砾或矿渣等)基层和底基层287。
12 级配碎(砾)石基层和底基层287.13 填隙碎石(矿渣)基层和底基层297。
14 路缘石铺设297。
15 路肩308 桥梁工程308.1 一般规定308.2 桥梁总体318.3 钢筋和预应力筋加工、安装及张拉318。
4 砌体338.5 基础368.6 墩、台身和盖梁418.7 梁桥448。
8 拱桥488.9 钢桥548。
10 斜拉桥578。
第1章前言原《公路工程集料实验规程》(JTJ058-94)(以下称原规程),由交通部公路科学研究所和交通部第二公路勘察设计院编制。
当时编制的内容大部分引自原《水泥混凝土实验规程》、《公路工程沥青及沥青混合料实验规程》、《公路路面基层实验规程》中相差的实验方法。
原规程于1994年7月5日发布,12月1日起在全国实施以来,在我国得到了广泛的应用。
对加强公路工程集料的生产与管理、质量检验起到了重要的作用。
但是,由于长期形成的习惯和各方面的原因,国内外对用于水泥混凝土与沥青路面的集料,无论在规格、质量要求还是实验方法方面,都是各成系统、有所不同的:原规程实施几年来,高速公路沥青路面的建设有了较大的发展,其中的一些实验方法,对水泥混凝土集料是适用的,但对沥青路面及基层、底基层集料就不适用,有些在工程中发生了混乱。
另外,矿粉作为沥青混合料的一种主要材料,虽然并不属于集料的定义范围内,却没有比本规程更合适的实验规程可以包括进去。
因此,交通部[1997]731号文下达任务,由交通部公路科学研究所对原规程进行修订,主要是将水泥混凝土和沥青路面不同的部分严格区分开,分别制定出标准的实验方法。
同时把沥青混合料所用的矿粉填料的实验方法也纳入本规程,以便生产上应用。
根据交通部公路司的计划要求,修订组充分参考了“七五”及“八五”国家科技攻关及其他科研、推广工程陆续取得的许多有实用价值的成果,与相关的设计、施工规范协调配套。
1997年开始征求有关部门使用意见,搜集国内外实验方法资料,结合施工生产实践及有关科研成果进行了修订并在西宁、长沙召开两次征求意见会。
交通部公路司于1998年6月组织了对送审稿的审查,经修订组进一步修改后,形成报批稿,公路司设计与技术处会同修订组及人民交通出版社有关人员总校后定稿。
这次修订的重点针对使用于沥青混合料和基层、底基层的集料的实验方法,严格区分了水泥混凝土与沥青混合料对集料的不同测试方法和要求。
级配砂石击实筛分检验记录一、实验目的通过级配砂石的击实、筛分实验,确定其物理性能,包括颗粒大小分布和颗粒间的填充性能。
二、实验仪器和材料1.左轮锤:用于对砂石进行击实的仪器。
2.筛分装置:包括筛网和筛子,用于对砂石进行筛分。
3.计时器:用于计时。
4.砂石样品:待测试的砂石样品。
三、实验步骤1.准备工作:根据需要确定测试样本的大小和数量。
2.级配砂石击实实验:a.将砂石样本放置在工作平台上,使用左轮锤对样本进行击实。
每个击实次数为15次,击实后对样本进行振实取样,记录样本的质量。
b.根据需要,继续进行击实并取样,直到取得所需的击实次数和质量数据。
3.级配砂石筛分实验:a.准备一组筛子,按照不同孔径大小从大到小的顺序排列。
b.将砂石样本倒入最顶层筛子中,放入筛分装置中,轻轻摇动筛分装置,使砂石在筛子上进行筛分。
c.根据需要,继续进行筛分直到所有筛子上的砂石都完成筛分。
d.记录每个筛子上的砂石质量。
四、实验数据记录根据实验步骤,记录实验过程中所得到的数据,包括击实次数、取样质量、筛子号和砂石质量。
五、数据处理和分析根据实验数据,进行数据处理和分析,包括计算砂石的颗粒大小分布和颗粒间的填充性能。
六、实验结果根据数据处理和分析的结果,给出实验样品的颗粒大小分布曲线和填充性能评价。
七、实验结论根据实验结果,对实验样品的颗粒大小分布和填充性能进行评价,确定其是否满足使用要求。
八、实验总结对实验过程中遇到的问题和不足进行总结,提出改进方案和建议。
以上是级配砂石击实、筛分的检验记录,记录了实验的目的、仪器材料、步骤、数据记录、数据处理和分析、实验结果、结论和总结等内容。
实验的目的是确定砂石的颗粒大小分布和填充性能,通过击实和筛分实验得到相应的实验数据,并进行数据处理和分析,得出实验结果和结论,最后对实验过程进行总结,并提出改进方案和建议。
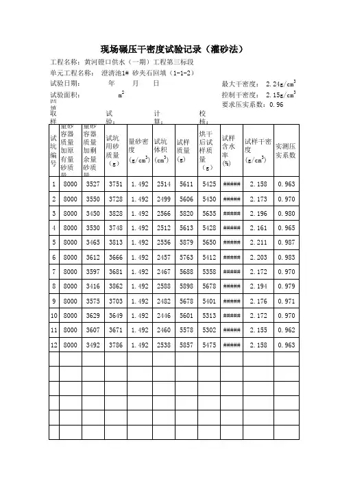
回填高程:取样:试验:计算:校核:工程名称:黄河镫口供水(一期)工程第三标段要求压实系数:0.96单元工程名称: 澄清池1# 砂夹石回填(1-1-2)控制干密度: 2.15g 3最大干密度: 2.24g 3试验日期: 年 月 日试验面积: m 2回填高程:取样:试验:计算:校核:工程名称:黄河镫口供水(一期)工程第三标段单元工程名称: 澄清池2# 砂夹石回填(2-1-2)试验日期: 年 月 日最大干密度: 2.24g 3试验面积: m 2控制干密度: 2.15g 3要求压实系数:0.96回填高程:997.715 m 取样:试验:计算:校核:试验面积: 962 m 2控制干密度: 2.15g 3要求压实系数:0.96工程名称:黄河镫口供水(一期)工程第三标段单元工程名称: 水旋池1# 砂夹石回填(3-1-2)试验日期: 年 月 日最大干密度: 2.24g 3回填高程:997.715 m 取样:试验:计算:校核:工程名称:黄河镫口供水(一期)工程第三标段单元工程名称: 水旋池2# 砂夹石回填(4-1-2)试验日期: 年 月 日最大干密度: 2.24g/cm 3控制干密度: 2.15g/cm 3要求压实系数:0.96试验面积: 962 m 2回填高程:997.715 m 取样:试验:计算:校核:工程名称:黄河镫口供水(一期)工程第三标段单元工程名称:水旋池3# 砂夹石回填(5-1-2)试验日期: 年 月 日最大干密度: 2.24g/cm 3试验面积: 962 m 2控制干密度: 2.15g/cm 3要求压实系数:0.96回填高程:取样:试验:计算:校核::0.962.15g/cm 32.24g/cm 3工程名称:黄河镫口供水(一期)工程第三标段单元工程名称: 澄清池1# 砂夹石回填(1-1-2)试验日期: 年 月 日试验面积: m 2最大干密度: 2.24g/cm 3控制干密度: 2.15g/cm 3要求压实系数:0.96回填高程:取样:试验:计算:校核:2.24g/cm 32.15g/cm 3:0.96试验日期: 年 月 日最大干密度: 2.24g/cm 3要求压实系数:0.96工程名称:黄河镫口供水(一期)工程第三标段单元工程名称: 澄清池2# 砂夹石回填(2-1-2)试验面积: m 2控制干密度: 2.15g/cm 3回填高程:997.965 m 取样:试验:计算:校核:最大干密度: 2.24g/cm 3控制干密度: 2.15g/cm 3要求压实系数:0.962.15g/cm 3:0.96工程名称:黄河镫口供水(一期)工程第三标段单元工程名称: 水旋池1# 砂夹石回填(3-1-2)试验日期: 年 月 日试验面积: 962 m 22.24g/cm 3回填高程:997.965 m 取样:试验:计算:校核:m 3工程名称:黄河镫口供水(一期)工程第三标段单元工程名称:水旋池2# 砂夹石回填(4-1-2)试验日期: 年 月 日最大干密度: 2.24g/cm 3试验面积: 962 m 2控制干密度: 2.15g/cm 3m 3要求压实系数:0.96回填高程:997.965 m 取样:试验:计算:校核:m 3m 3工程名称:黄河镫口供水(一期)工程第三标段单元工程名称: 水旋池3# 砂夹石回填(5-1-2)试验日期: 年 月 日最大干密度: 2.24g/cm 3试验面积: 962 m 2控制干密度: 2.15g/cm 3要求压实系数:0.96回填高程:取样:试验:计算:校核:/cm 3工程名称:黄河镫口供水(一期)工程第三标段单元工程名称: 澄清池1# 砂夹石回填(1-1-2)试验日期: 年 月 日最大干密度: 2.24g/cm 3/cm 3试验面积: m 2控制干密度: 2.15g/cm 3要求压实系数:0.96回填高程:取样:试验:计算:校核:/cm 3工程名称:黄河镫口供水(一期)工程第三标段单元工程名称: 澄清池2# 砂夹石回填(2-1-2)试验日期: 年 月 日最大干密度: 2.24g/cm 3试验面积: m 2控制干密度: 2.15g/cm 3要求压实系数:0.96/cm 3回填高程:998.215 m 取样:试验:计算:校核:要求压实系数:0.96/cm 3/cm 3工程名称:黄河镫口供水(一期)工程第三标段单元工程名称:水旋池1# 砂夹石回填(3-1-2)试验日期: 年 月 日最大干密度: 2.24g/cm 3试验面积: 962 m 2控制干密度: 2.15g/cm 3回填高程:998.215 m 取样:试验:计算:校核:/cm 3/cm 3工程名称:黄河镫口供水(一期)工程第三标段单元工程名称: 水旋池2# 砂夹石回填(4-1-2)试验日期: 年 月 日最大干密度: 2.24g/cm 3试验面积: 962 m 2控制干密度: 2.15g/cm 3要求压实系数:0.96回填高程:998.215 m 取样:试验:计算:校核:/cm 3/cm 3工程名称:黄河镫口供水(一期)工程第三标段单元工程名称: 水旋池3# 砂夹石回填(5-1-2)试验日期: 年 月 日最大干密度: 2.23试验面积: 962 m 2控制干密度: 2.13要求压实系数:0.回填高程:取样:试验:计算:校核:工程名称:黄河镫口供水(一期)工程第三标段单元工程名称: 澄清池1# 砂夹石回填(1-1-2)试验日期: 年 月 日试验面积: m 2/cm 3最大干密度: 2.24g/cm 3控制干密度: 2.15g/cm 3要求压实系数:0.96/cm 3回填高程:取样:试验:计算:校核:/cm 3/cm 3工程名称:黄河镫口供水(一期)工程第三标段单元工程名称: 澄清池2# 砂夹石回填(2-1-2)试验日期: 年 月 日试验面积: m 2最大干密度: 2.24g/cm 3控制干密度: 2.15g/cm 3要求压实系数:0.96回填高程:998.743 m 取样:试验:计算:校核:控制干密度: 2.15g/cm 3要求压实系数:0.96工程名称:黄河镫口供水(一期)工程第三标段单元工程名称: 水旋池1# 砂夹石回填(3-1-2)试验日期: 年 月 日试验面积: 962 m 2最大干密度: 2.24g/cm 3/cm 3/cm 3回填高程:998.743 m 取样:试验:计算:校核:/cm 3/cm 3工程名称:黄河镫口供水(一期)工程第三标段单元工程名称: 水旋池2# 砂夹石回填(4-1-2)试验日期: 年 月 日最大干密度: 2.23试验面积: 962 m 2控制干密度: 2.13要求压实系数:0.回填高程:998.743 m 取样:试验:计算:校核:: 2.24g/cm 3: 2.15g/cm 3数:0.96试验面积: 962 m 2控制干密度: 2.15g/cm 3要求压实系数:0.96工程名称:黄河镫口供水(一期)工程第三标段单元工程名称: 水旋池3# 砂夹石回填(5-1-2)试验日期: 年 月 日最大干密度: 2.24g/cm 3。
标准击实试验原始记录承载比(CBR)试验原始记录液塑限联合测定试验原始记录土颗粒分析试验原始记录(筛分法)土有机质含量试验原始记录含水率试验原始记录粗集料筛分试验原始记录粗集料掺配试验原始记录粗集料密度试验原始记录粗集料含泥量、泥块含量试验原始记录粗集料针片状试验原始记录粗集料压碎值试验原始记录粗集料坚固性试验原始记录记录编号:试验日期:粗集料软弱颗粒含量试验原始记录粗集料破碎砾石含量试验原始记录粗集料化学试验原始记录细集料筛分试验原始记录细集料密度原始试验记录细集料含泥量、泥块含量试验原始记录细集料坚固性试验原始记录细集料棱角性试验原始记录细集料压碎值试验原始记录水泥混凝土抗压强度试验原始记录记录编号:JL-2015-TKY- 试验日期:水泥混凝土芯样抗压强度试验原始记录记录编号:试验日期:水泥混凝土芯样劈裂强度试验原始记录记录编号:试验日期:水泥混凝土拌和物泌水率试验原始记录水泥混凝土拌和物含气量试验原始记录水泥混凝土拌合物凝结时间试验原始记录水泥混凝土抗折强度试验原始记录记录编号:试验日期:水泥混凝土抗渗试验原始记录水泥砂浆抗压强度试验原始记录记录编号:JL-2015-SKY- 试验日期:水泥浆抗压强度试验原始记录记录编号:试验日期:水泥物理性能试验原始记录记录编号:试验日期:金属力学试验原始记录记录编号:JL-2014-GYC- 试验日期:金属焊接试验原始记录记录编号:试验日期:钢筋挤压连接试验原始记录记录编号:试验日期:试验:复核:试验负责:无机结合料含灰量试验原始记录(EDTA) 记录编号:试验日期:试验:复核:试验负责人:无侧限抗压强度试验原始记录记录编号:试验日期:试验:复核:试验负责人:无机结合料标准击实试验原始记录记录编号:试验日期:无机结合料含灰量标准曲线试验原始记录记录编号:试验日期:石灰试验原始记录记录编号:试验日期:水泥混凝土配合比计算表试验:复核:试验负责人:水泥混凝土配合比计算表试验:复核:试验负责人:水泥混凝土配合比设计原始记录记录编号:试验日期:试验:复核:试验负责人:水泥混凝土配合比验证原始记录记录编号:试验日期:水泥砂浆配合比设计原始记录试验:复核:试验负责人水泥净浆配合比设计验证原始记录试验:复核:试验负责人:水泥砂浆配合比验证原始记录记录编号:试验日期:水泥浆配合比验证原始记录记录编号:试验日期:无机结合料击实试验用料计算单记录编号:试验日期:一、1.取样地点: 6.实测原材料风干含水量2.稳定材料种类:①W砂砾=3.配合比:②W土=4.击实筒体积:③.W石灰=5.最大粒径:④.W粉煤灰=二、计算:1.确定每份混合料干质量(G)=2.计算每份混合料各原材料的风干质量:G×百分比×(1+W风)①②③3.拟定最佳含水量及每点的加水量计算:复核:试验负责人:。
砂实验报告填写样板1. 实验目的本实验旨在通过进行砂实验,观察砂的物理性质和行为特征,实践科学实验的基本步骤和方法,培养实验操作能力和科学观察能力。
2. 实验器材和药品2.1 实验器材- 砂- 半圆形砂槽- 直尺- 手电钻- 马克笔- 塑料桶2.2 实验药品- 无特殊药品3. 实验原理砂是一种颗粒状形态不规则的颗粒体,它的颗粒直径范围较大,通常在0.06 mm - 2 mm之间。
由于颗粒之间的内摩擦力和表面张力的作用,砂体呈现出一些特殊的性质和行为。
本实验通过在半圆形砂槽中进行砂实验,观察砂的流动性、刚性、堆积性等特征。
4. 实验步骤4.1 实验准备1. 准备好实验器材和药品;2. 在塑料桶中倒入适量的砂。
4.2 进行实验1. 将半圆形砂槽放在水平桌面上;2. 把马克笔作为参考线,沿半圆形砂槽的弧形边缘进行标记;3. 把半圆形砂槽放在桌面上,使得砂槽中心的高度与标记线对齐;4. 慢慢倾斜桌面,观察砂体的变化情况,记录倾斜角度;5. 在倾斜角度较小的情况下,用手电钻在半圆形砂槽的底部开一个小孔;6. 观察砂体通过小孔的流量、流动轨迹等情况。
4.3 数据记录与分析1. 记录砂体沿着半圆形砂槽流动的角度;2. 记录砂体通过小孔的流量;3. 记录砂体在流动过程中的流动轨迹;4. 分析砂体流动的原因和规律。
5. 实验结果与分析本次砂实验中,观察到砂体在不同倾斜角度下的流动情况。
随着倾斜角度的增加,砂体的流动速度逐渐增加,流动轨迹变得更加曲折。
在较小的倾斜角度下,砂体的流动速度较慢,流动轨迹相对直线。
通过对砂体流动规律的分析,发现砂体流动与重力的作用有关。
当倾斜角度增加时,重力对砂体的作用增加,砂体流动速度加快。
同时,砂体颗粒之间的内摩擦力和表面张力也对流动起着重要的作用。
砂体流动的路径受到颗粒之间的相互作用力的影响,使得砂体形成了曲线的流动轨迹。
6. 实验结论通过本次砂实验,我们可以得出以下结论:1. 砂体在倾斜的半圆形砂槽中,随着倾斜角度的增加,砂体的流动速度逐渐增加。
1:1水泥净浆配合比设计计算书
一、设计依据:
1、砌筑砂浆配合比设计规程(JGJ98-2000 J65-2000)
2、公路工程水泥及水泥混凝土试验规程(JTG E30-2005)
3、保定至阜平(冀晋界)高速公路LJ-05合同段施工设计图纸
二、设计要求:
1、使用部位:隧道注浆
2、设计稠度:水泥净浆稠度14s-18s
三、原材料情况:
1、水泥产地:鹿泉市曲寨水泥有限公司
规格:P·O42.5(试验结果附后)
2、水:饮用水
四、净浆试配
1. 水泥= 6kg
2. 水=6kg
3、实测稠度:14s-18s
4、实测密度为1930kg/m3
五、调整配合比
1. 配合比比例:水泥:水=1:1
2. 校正后配合比为:
水泥:水=965:965=1:1
六:实验结果
配合比
水泥:水965:965
配合比
稠度(mm)
水泥:水
965:965 14s
七、确定试验室配合比
1、依据保定至阜平(冀晋界)高速公路LJ-05合同段施工图纸
设计要求,该净浆配合比符合设计要求。
2、确定水灰比为W/C=1的1:1净浆配合比为试验室配合比,
比例为:
水泥:水=965:965=1:1
保阜高速公路LJ-05项目经理部试验室
2007年月日
编写:复核:技术负责人。
砂检测原始记录范文砂检测是对砂样本进行化学和物理性质测试的过程。
以下是一份砂检测的原始记录。
------------------------------检测日期:2024年10月1日1.样品信息:-样品地点:XX河段-采样日期:2024年9月30日-采样人员:张三2.样品准备:-样品重量:500克-样品清洗:将样品放入容器中,加入适量去离子水,用电动搅拌器搅拌30分钟,然后倒掉水分。
-样品干燥:将清洗后的样品均匀铺展在干燥皿中,置于恒温箱中,在50摄氏度下烘干24小时。
3.化学性质分析:3.1.粘土含量测定:-使用粘土含量测定仪器测量样品粘土含量。
-结果:样品粘土含量为25%。
3.2.碳含量测定:-使用燃烧-红外测定仪器测量样品碳含量。
-结果:样品碳含量为0.5%。
3.3.溶解物测定:-使用酸碱中和滴定法测量样品的酸溶解物含量。
-结果:样品酸溶解物含量为0.3%。
4.物理特性测试:4.1.粒径分析:-使用激光粒度仪测量样品粒径分布。
-结果:样品中粒径分布如下:- 0.063mm以下:10%- 0.063-0.125mm:35%- 0.125-0.25mm:30%- 0.25-0.5mm:20%- 0.5-1mm:5%4.2.比表面积测定:-使用比表面积仪测量样品的比表面积。
-结果:样品比表面积为150平方米/克。
4.3.孔隙度测定:-使用压汞法测量样品的孔隙度。
-结果:样品孔隙度为35%。
5.结论及建议:根据上述测试结果,样品来自XX河段的河流沉积物,其中粘土含量为25%,碳含量为0.5%,酸溶解物含量为0.3%。
样品的粒径分布主要集中在0.063-0.25mm之间,占总体的95%。
样品比表面积为150平方米/克,孔隙度为35%。
根据所得结果,建议该砂样品适合用于建筑材料生产或土壤改良等领域。
------------------------------以上是一份砂检测的原始记录,包括样品信息、样品准备、化学性质分析、物理特性测试,以及最后的结论和建议。
试验一挖坑灌砂法测定压实度试验挖坑灌砂法测定压实度试验是一种常用的方法,用于确定土壤、碎石或沥青路面的压实程度。
下面是详细的试验步骤、操作方法、数据记录与处理以及注意事项。
试验步骤:1.准备工作:选择试验地点,清理表面杂物,确保表面干净且平整。
准备好所需的工具和设备,如铁锹、钢卷尺、标准筛、灌砂筒、取样器等。
同时,也要准备好足够的水和标准砂。
2.挖坑:在选定的地点,使用铁锹挖一个直径约150mm、深度约150mm的坑。
挖坑时应保持垂直,避免损坏下层结构。
3.灌砂:将标准砂通过灌砂筒注入坑内,直到填满并稍有溢出。
然后轻轻敲打灌砂筒,使砂密实。
4.称重:称取填满坑的标准砂的质量。
重复3-4步三次,取平均值。
5.测定含水率:取部分填坑的砂样,测定其含水率。
6.计算压实度:根据填坑的体积和质量,以及砂样的含水率,计算出土壤的压实度。
操作方法:1.在试验地点挖坑时,应确保坑的直径和深度符合要求。
如果土壤表面有杂物或松散颗粒,应清理干净后再进行试验。
2.灌砂时要确保砂的密实度和平整度。
轻轻敲打灌砂筒的目的是使砂密实,但要注意不要损坏灌砂筒。
3.在称取砂的质量时,应重复多次测量并取平均值,以提高结果的准确性。
4.测定含水率时,应取部分填坑的砂样进行测试。
将砂样放入标准筛中,用塑料薄膜覆盖,称取质量后减去塑料薄膜的质量即为含水率。
5.计算压实度时,根据填坑的体积和质量,以及砂样的含水率进行计算。
压实度可以通过以下公式计算:压实度 = (填坑砂的质量 / 填坑体积) x 100% 数据记录与处理:在试验过程中,应记录以下数据:1.试验地点;2.挖坑的直径和深度;3.填坑砂的质量;4.填坑的体积;5.砂样的含水率;6.计算出的压实度值。
在数据处理时,将上述数据输入计算机或表格中,进行统计分析。
例如,可以计算平均压实度、标准差等指标,以评估不同地点的压实程度和一致性。
注意事项:1.在挖坑时要注意不要破坏下层结构;2.灌砂时要确保砂的密实度和平整度;3.在称取砂的质量时要注意重复多次测量并取平均值;4.在测定含水率时要取部分填坑的砂样进行测试;5.在计算压实度时要根据填坑的体积和质量以及砂样的含水率进行计算;6.在数据处理时要注意统计分析并评估不同地点的压实程度和一致性;。
检-77注:如系监理工程师抽检,则承包人自检意见栏不填写。
检-78注:如系监理工程师抽检,则承包人自检意见栏不填写。
中央分隔带现场质量检验表检-79注:如系监理工程师抽检,则承包人自检意见栏不填写。
缆索护栏现场质量检验表检-80注:如系监理工程师抽检,则承包人自检意见栏不填写。
防眩设施现场质量检验表检-81注:如系监理工程师抽检,则承包人自检意见栏不填写。
照明设施安装现场质量检验表检-85注:如系监理工程师抽检,则承包人自检意见栏不填写。
钢筋加工及安装工程现场质量检验表检-86注:如系监理工程师抽检,则承包人自检意见栏不填写。
屯五公路改建工程项目月计量支付证书TW 标第期本月支付金额元累计支付金额元合同总金额元工程室:财务室:主任:批准期限:年月日动员预付款支付申请表承包单位:合同号:中期支付申请表支表-1承包单位:监理单位:合同号:编号:第期结算截止日期:承包人:专业工程师:驻地监理工程师:业主:清单支付报表支表-2中间计量支付汇总表支表-3中间计量表支表-4工程变更工程量增减一览表支表-5工程变更中期支付报表支表-6沥青路面()层材料试验结果报告路面-01沥青路面细集料技术性能试验记录(一)(天然砂)路面-02沥青路面细集料技术性能试验记录(二)(矿粉)路面-03沥青路面细集料试验报告路面-04沥青路面粗集料技术性能试验记录(一)路面-05沥青路面粗集料技术性能试验记录(二)路面-06沥青路面粗集料试验报告路面-07沥青针入度、延度和软化点试验记录路面-10 合同号:承包人:编号:共页第页沥青针入度、延度和软化点试验记录路面-11 合同号:承包人:编号:共页第页沥青蒸发损失试验记录路面-12 合同号:承包人:编号:共页第页沥青闪点、燃点、密度与相对密度、溶解度试验记录路面-13 合同号:承包人:编号:共页第页安徽公路建设项目沥青试验报告路面-14安徽公路建设项目沥青混合料矿料组成设计表路面-15 合同号:承包人:编号:共页第页安徽公路建设项目沥青混合料沥青用量选定图路面-16安徽公路建设项目沥青混合料马歇尔稳定度试验记录路面-17安徽公路建设项目沥青混合料马歇尔稳定度试验记录结果报告路面-18安徽公路建设项目路面()层压实度检验签证表路面-19路面()压实度检验汇总评定表路面-20沥青混合料拌合机工作台班记录路面-26路面()层压实度检验签证表路面-27沥青三大指标试验结果汇总表路面-28沥青路面混合料油石比、矿料级配检查表路面-29安徽公路建设项目沥青路面混合料油石比、矿料筛分试验记录结果汇总表路面-30安徽公路建设项目沥青混合料试件密度检测表(一)(蜡封法)路面-32安徽公路建设项目沥青混合料试件密度检测表(二)(水中重法或表干法)路面-33安徽公路建设项目沥青混合料试件密度检测表(三)(体积法)路面-34土方路基分项工程质量检验评定表评-01石方路基现场质量检验评定表评-02路基边坡现场质量检验评定表评-03路缘石铺设现场质量检验评定表评-04路肩分项工程质量检验评定表评-05。