安措费使用计划审批表
- 格式:docx
- 大小:13.06 KB
- 文档页数:1
安全生产费用使用计划审核表工程名称:XXX项目部监理机构、项目法人各存一份。
安全生产费用使用计划XX项目部(项目部盖章)XX项目部安全生产费用使用计划为认真做好安全生产费用管理,确保各项安全生产措施的落实,促进XXXX 项目施工安全生产,根据国家、行业及公司相关要求,结合项目部安全生产实际,制定本计划。
本项目共计划投入安全生产费用XXXX万,投入范围包括完善、改造和维护安全防护设施;配备、维护、保养应急救援设备,应急演练;危险源及事故隐患评估、监控、整改;安全生产检查、评价、咨询,标准化建设;...... 【说明:和附件“XXXX项目部安全生产费用使用计划表”中的“类别”保持一致】等方面,具体详见附件:XXXX公司XX项目部安全生产费用使用计划表。
项目名称:XXX项目部(项目部盖章)编制部门:【管理安全生产工作的科室】编制人:【管理安全生产工作的科室人员】时间:年月日【说明:开工之前编制安全生产费用使用计划】附件XXXX项目部安全生产费用使用计划表项目名称:法人各一份。
说明:【表格中“项目”栏必须写具体写明确,项目的名称是单一的】安全生产费用使用计划审批表【说明:如果项目跨年,需要制定“总计划”和“年度计划”;如果项目不跨年,只需要制定“计划”。
举例:××项目部××年度安全生产费用使用计划】安全生产费用使用计划审核表工程名称:XXX项目部理机构、项目法人各存一份。
XX年度安全生产费用使用计划XX项目部(项目部盖章)XX项目部XX年度安全生产费用使用计划为认真做好安全生产费用管理,确保各项安全生产措施的落实,促进XXXX项目施工安全生产,根据国家、行业及公司相关要求,结合项目部安全生产实际,制定本计划。
本项目XX年度共计划投入安全生产费用XXXX万,投入范围包括完善、改造和维护安全防护设施;配备、维护、保养应急救援设备,应急演练;危险源及事故隐患评估、监控、整改;安全生产检查、评价、咨询,标准化建设;......【说明:和附件“XXXX项目部xx年度安全生产费用使用计划表”中的“类别”保持一致】等方面,具体详见附件:XXXX公司XX项目部xx年度安全生产费用使用计划表。
安全措施费用计划及落实证明报审表工程名称:浙江瓯立园林建设有限公司松阳县中小河流治理重点县综合整治及水系连通试点望松项目部注:本表各相关单位各存一份。
松阳县中小河流治理重点县综合整治及水系连通试点望松项目区安全措施费用计划及落实证明编制单位: 浙江瓯立园林建设有限公司编制日期: 2015年04月03日安全措施费用计划及落实证明一、为保证施工项目安全生产,改善现场安全作业环境,保障安全施工,保证安全生产资金足额投入和正确使用,特制定本办法。
二、项目部在开工之前,根据工程情况,制定详细的安全生产投入计划,报经工程、安全管理部门审核,公司财务负责人批准,由公司组织有关部门实施。
三、安全生产投入应包括如下内容:1、项目为保障生产顺利进行,所建设的临时性安全技术措施工程。
包括在生产场所内所修建的河道区车行道,防护拦,临边防护、现场保护,安全施工警示牌、宣传牌,等防护措施的建设费用以及文明施工激励宣传、职工卫生和职业病防治等项的投入等。
2、项目购置、增设的用于安全防护的设备、装备、仪器、仪表等材料以及这些安全设备的日常维护费用。
3、项目进行的重大安全生产课题的科研费用以及投入的预防事故发生的安全技术措施费用。
4、项目为预防突发事件而准备,投入的应急准备器材设备及资源的投入。
5、安全奖励和表彰投入。
6、项目为职工缴纳的工伤保险金以及项目经理部为生产职工购置的社会商业保险费用,发放的降温费和取暖费用。
7、按国家标准为职工配备的劳保用品费用。
8、针对职工进行的安全教育和培训费用。
9、项目内安全人员针对安全生产工作所进行检查、考察所发生的费用,以及项目内部组织或参加外部组织的各类与安全生产教育相关的会议费用等。
四、为使项目发生的安全投入可以量化统计,上述费用发生后应据实单独列支,具体会计科目设置及内务处理规定如下:1、在“间接费用”下增设“安全投入费用”为三级科目。
用以核算项目经理部发生的安全生产及劳动保护、防护费用。
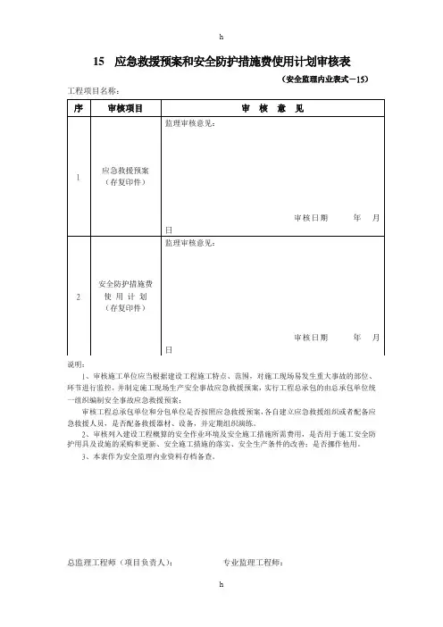
15 应急救援预案和安全防护措施费使用计划审核表
(安全监理内业表式-15)工程项目名称:
说明:
1、审核施工单位应当根据建设工程施工特点、范围,对施工现场易发生重大事故的部位、环节进行监控,并制定施工现场生产安全事故应急救援预案,实行工程总承包的由总承包单位统一组织编制安全事故应急救援预案;
审核工程总承包单位和分包单位是否按照应急救援预案,各自建立应急救援组织或者配备应急救援人员,是否配备救援器材、设备,并定期组织演练。
2、审核列入建设工程概算的安全作业环境及安全施工措施所需费用,是否用于施工安全防护用具及设施的采购和更新、安全施工措施的落实、安全生产条件的改善;是否挪作他用。
3、本表作为安全监理内业资料存档备查。
总监理工程师(项目负责人):专业监理工程师:
××××××监理有限公司项目监理组欢迎下载,资料仅供参考!!!
欢迎下载,资料仅供参考!!!
欢迎下载,资料仅供参考!!!
资料仅供参考!!!。
A工程安全文明措施费使用计划报审表江苏省建设厅监制现场安全文明施工措施费基本费费用组成一、安全生产1、安全资料的编制、安全警示标志的购置及宣传栏的设置;2、“三宝”、“四口”、“五临边”防护的费用;3、施工安全用电的费用,包括电箱标准化、电气保护装置、外电防护措施;4、起重机、塔吊等起重设备(含井架、门架)及外用电梯的安全防护措施(含警示标志)费用及卸料平台的临边防护、层间安全门、防护棚等设施费用;5、建筑工地起重机械的检验检测费用;6、施工机具防护棚及其围栏的安全保护设施费用;7、施工现场安全防护通道的费用;8、工人的防护用品、用具购置费用;9、消防设施与消防器材的配置费用;10、电气保护、安全照明设施费;11、其他安全防护措施费用。
二、文明施工1、大门、五牌一图、工人胸卡、企业标识的费用;2、围挡的墙面美化(包括内外粉刷、刷白、标语等)、压顶装饰费用;现场厕所便槽刷白、贴面砖,水泥砂浆地面或地砖费用,建筑物内临时便溺设施费用;其他施工现场临时设施的装饰装修、美化措施费用;3、现场生活卫生设施费用;符合卫生要求的饮水设备、淋浴、消毒等设施费用;生活用洁净燃料费用;防煤气中毒、防蚊虫叮咬等措施费用;4、施工现场操作场地的硬化费用;、现场污染源的控制、建筑垃圾及生活垃圾清理外运、场地排水排污措施的5.费用;市政工程防扬尘洒水费用;6、现场绿化费用、治安综合治理费用、现场电子监控设备费用;7、现场配备医药保健器材、物品费用和急救人员培训费用;8、用于现场工人的防暑降温费、电风扇、空调等设备及用电费用;9、现场施工机械设备防噪音、防扰民措施费用;10、其他文明施工措施费用。
11、工程安全文明措施费基本费的费率按合同的总造价×%费率计算,本工程中标价约4571万。
12、本工程中不含工程安全文明措施费的考评费及奖励费。
安全生产文明施工措施费投入计划工程名称:年度污水管道养护及抢修工程2013序单数量单价:元总价目备注项号150000115000安全生产文明施工措施费投入计划工程名称:商业用房2#楼、2#地下车库、、4#、7#、8#新区花园二期3#序80604800安全生产文明施工措施费投入计划工程名称:商业用房地下车库、2#8#楼、2#、新区花园二期3#4#、7#、。