NTC热敏电阻参数
- 格式:doc
- 大小:21.00 KB
- 文档页数:1
传感器SENSORSSENSOR MANUALTEMPERATUREMEASUREMENTCONTROLSHANGHAI BENMU INDUSTRY CO., LTD.上海本牧实业有限公司QUICK LINKSCONNECTINGSENSOR TECH电阻值耗散常数ResistanceThermal dissipation constantB值热时间常数B constantThermal time constant热敏电阻的电阻值R和绝对温度T之间,有以下近似关系。
Between resistance R and absolute temperature T, there is the following approximate relationship.11T1T2根据公式、可以求证任意温度T时的热敏电阻R。
Thermistor resistance R at any temperature T can be calculated from equation (1)R1: Resistance (Ω) at absolute temperature T1 (K)绝对温度T1 (K) 时的电阻值R2: Resistance (Ω) at absolute temperature T2 (K)绝对温度T2 (K) 时的电阻值A thermistor is "a thermally sensitive resistor"that is a semiconductor whose resistance varies significantly with temperature.In general,there are two types thermal senstive resistor.One is PTC (Postive Temperature Coefficient);the resistance increases as temperature increases.The other is NTC (Negative Temperature Coefficient);the resistance decreases as temperature increases.The following description is applicable only to NTC thermistors.热敏电阻是应用于信息系统与控制系统的敏感元件,主要用于对温度的测量、控制、保护及用作加热器。
ntc参数
NTC(Negative Temperature Coefficient)是一种负温度系数热
敏电阻,在温度改变时其电阻值会发生大幅度变化。
NTC的
参数如下:
1. 额定电阻值(R25):在25℃时,NTC的电阻值。
2. 热敏度(B值):用于描述NTC阻值随温度变化的程度。
常用单位是K或者℃,表示NTC的阻值每上升1℃,其电阻
值变化的百分比。
3. 最高温度系数(TMAX):NTC能够耐受的最高温度。
4. 热响应时间(τ):NTC的阻值随温度变化所需要的时间。
它随着NTC的物理尺寸和材料差异而有所不同。
5. 工作温度范围(TWORK):NTC能够正常工作的温度范围。
6. 耐压(Vmax):NTC允许承受的最大电压。
7. 电功率(Pmax):NTC可承受的最大功率。
NTC热敏电阻特性参数基本知识热敏电阻分为两类,分别为:1.NTC负温度系数热敏电阻2.PTC正温度系数热敏电阻热敏电阻的物理特性用下列参数表示:电阻值、B值、耗散系数、热时间常数、电阻温度系数。
电阻值:R〔Ω〕电阻值的近似值表示为:R2=R1exp[1/T2-1/T1]其中: R2:绝对温度为T2〔K〕时的电阻〔Ω〕R1:绝对温度为T1〔K〕时的电阻〔Ω〕B: B值〔K〕B值:B〔k〕B值是电阻在两个温度之间变化的函数,表达式为:B= InR1-InR2 =2.3026(1ogR1-1ogR2)1/T1-1/T2 1/T1-1/T2其中: B: B值〔K〕R1:绝对温度为T1〔K〕时的电阻〔Ω〕R2:绝对温度为T2〔K〕时的电阻〔Ω〕耗散系数:δ〔mW/℃〕耗散系数是物体消耗的电功与相应的温升值之比δ= W/T-Ta = I2 R/T-Ta 其中:δ:耗散系数δ〔mW/℃〕W:热敏电阻消耗的电功〔mW〕T:达到热平衡后的温度值〔℃〕Ta: 室温〔℃〕I: 在温度T时加热敏电阻上的电流值〔mA〕R: 在温度T时加热敏电阻上的电流值〔KΩ〕在测量温度时,应注意防止热敏电阻由于加热造成的升温。
热时间常数:τ〔sec.〕热敏电阻在零能量条件下,由于步阶效应使热敏电阻本身的温度发生改变,当温度在初始值和最终值之间改变63.2%所需的时间就是热时间系数τ。
电阻温度系数:α〔%/℃〕α是表示热敏电阻器温度每变化1oC,其电阻值变化程度的系数〔即变化率〕,用α=1/R?dR/dT 表示,计算式为:α = 1/R?dR/dT×100 = -B/T2×100其中:α:电阻温度系数〔%/℃〕R:绝对温度T〔K〕时的电阻值〔Ω〕B: B值〔K〕热敏电阻是开发早、种类多、发展较成熟的敏感元器件.热敏电阻由半导体陶瓷材料组成,利用的原理是温度引起电阻变化.若电子和空穴的浓度分别为n、p,迁移率分别为μn、μp,则半导体的电导为:σ=q(nμn pμp)因为n、p、μn、μp都是依赖温度T的函数,所以电导是温度的函数,因此可由测量电导而推算出温度的高低,并能做出电阻-温度特性曲线.这就是半导体热敏电阻的工作原理.热敏电阻包括正温度系数(PTC)和负温度系数(NTC)热敏电阻,以及临界温度热敏电阻(CTR).它们的电阻-温度特性如图1所示.热敏电阻的主要特点是:①灵敏度较高,其电阻温度系数要比金属大10~100倍以上,能检测出10-6℃的温度变化;②工作温度范围宽,常温器件适用于-55℃~315℃,高温器件适用温度高于315℃(目前最高可达到2000℃),低温器件适用于-273℃~55℃;③体积小,能够测量其他温度计无法测量的空隙、腔体及生物体内血管的温度;④使用方便,电阻值可在0.1~100kΩ间任意选择;⑤易加工成复杂的形状,可大批量生产;⑥稳定性好、过载能力强.由于半导体热敏电阻有独特的性能,所以在应用方面,它不仅可以作为测量元件(如测量温度、流量、液位等),还可以作为控制元件(如热敏开关、限流器)和电路补偿元件.热敏电阻广泛用于家用电器、电力工业、通讯、军事科学、宇航等各个领域,发展前景极其广阔.一、PTC热敏电阻PTC(Positive Temperature Coeff1Cient)是指在某一温度下电阻急剧增加、具有正温度系数的热敏电阻现象或材料,可专门用作恒定温度传感器.该材料是以BaTiO3或SrTiO3或PbTiO3为主要成分的烧结体,其中掺入微量的Nb、Ta、Bi、Sb、Y、La等氧化物进行原子价控制而使之半导化,常将这种半导体化的BaTiO3等材料简称为半导(体)瓷;同时还添加增大其正电阻温度系数的Mn、Fe、Cu、Cr的氧化物和起其他作用的添加物,采用一般陶瓷工艺成形、高温烧结而使钛酸铂等及其固溶体半导化,从而得到正特性的热敏电阻材料.其温度系数及居里点温度随组分及烧结条件(尤其是冷却温度)不同而变化.钛酸钡晶体属于钙钛矿型结构,是一种铁电材料,纯钛酸钡是一种绝缘材料.在钛酸钡材料中加入微量稀土元素,进行适当热处理后,在居里温度附近,电阻率陡增几个数量级,产生PTC效应,此效应与BaTiO3晶体的铁电性及其在居里温度附近材料的相变有关.钛酸钡半导瓷是一种多晶材料,晶粒之间存在着晶粒间界面.该半导瓷当达到某一特定温度或电压,晶体粒界就发生变化,从而电阻急剧变化.钛酸钡半导瓷的PTC效应起因于粒界(晶粒间界).对于导电电子来说,晶粒间界面相当于一个势垒.当温度低时,由于钛酸钡内电场的作用,导致电子极容易越过势垒,则电阻值较小.当温度升高到居里点温度(即临界温度)附近时,内电场受到破坏,它不能帮助导电电子越过势垒.这相当于势垒升高,电阻值突然增大,产生PTC效应.钛酸钡半导瓷的PTC效应的物理模型有海望表面势垒模型、丹尼尔斯等人的钡缺位模型和叠加势垒模型,它们分别从不同方面对PTC效应作出了合理解释.实验表明,在工作温度范围内,PTC热敏电阻的电阻-温度特性可近似用实验公式表示:RT=RT0expBp(T-T0)式中RT、RT0表示温度为T、T0时电阻值,Bp为该种材料的材料常数.PTC效应起源于陶瓷的粒界和粒界间析出相的性质,并随杂质种类、浓度、烧结条件等而产生显著变化.最近,进入实用化的热敏电阻中有利用硅片的硅温度敏感元件,这是体型且精度高的PTC热敏电阻,由n型硅构成,因其中的杂质产生的电子散射随温度上升而增加,从而电阻增加.PTC热敏电阻于1950年出现,随后1954年出现了以钛酸钡为主要材料的PTC热敏电阻.PTC热敏电阻在工业上可用作温度的测量与控制,也用于汽车某部位的温度检测与调节,还大量用于民用设备,如控制瞬间开水器的水温、空调器与冷库的温度,利用本身加热作气体分析和风速机等方面.下面简介一例对加热器、马达、变压器、大功率晶体管等电器的加热和过热保护方面的应用。
ntc5d15热敏电阻参数NTC5D15热敏电阻参数热敏电阻是一种温度变化时电阻值发生变化的电子元件。
NTC5D15热敏电阻是一种NTC(Negative Temperature Coefficient)热敏电阻,其参数和特性将在本文中进行介绍。
1. 电阻值:NTC5D15热敏电阻的电阻值随温度的变化而变化。
在25摄氏度下,其电阻值为5千欧姆。
随着温度的升高,电阻值逐渐减小。
这种特性使得NTC5D15热敏电阻在温度测量和控制中得到广泛应用。
2. 温度系数:NTC5D15热敏电阻的温度系数定义了电阻值随温度变化的速率。
这个参数一般以百分比的形式表示。
NTC5D15热敏电阻的温度系数为-5%/℃,即每摄氏度的温度变化导致电阻值下降5%。
这个参数使得NTC5D15热敏电阻在温度测量中具有较高的精度和灵敏度。
3. 工作温度范围:NTC5D15热敏电阻的工作温度范围是指电阻值能够稳定工作的温度范围。
对于NTC5D15热敏电阻来说,其工作温度范围通常为-40℃至125℃。
在这个温度范围内,NTC5D15热敏电阻能够保持较高的精度和可靠性。
4. 热时间常数:热时间常数是指NTC5D15热敏电阻响应温度变化的时间。
它可以用来描述电阻值变化的速度。
NTC5D15热敏电阻的热时间常数为5秒。
这意味着当温度发生变化时,NTC5D15热敏电阻的电阻值在5秒内会达到稳定状态。
5. 热灵敏度:热灵敏度是指NTC5D15热敏电阻电阻值对温度变化的敏感程度。
热灵敏度可以通过温度系数来计算,也可以通过实际测试得到。
对于NTC5D15热敏电阻来说,其热灵敏度较高,可以实现对温度变化的快速响应。
6. 包装形式:NTC5D15热敏电阻的包装形式通常为贴片式。
这种包装形式使得NTC5D15热敏电阻在电路板上的安装更加方便,适用于大规模生产。
7. 应用领域:由于NTC5D15热敏电阻具有较高的精度、灵敏度和稳定性,因此在各种温度测量和控制系统中得到广泛应用。
热敏电阻参数1. 概述热敏电阻是一种电阻随环境温度变化而变化的电子元器件。
它的阻值与温度呈现一定的线性或非线性关系,广泛应用于温度控制、温度测量和温度补偿等领域。
理解和熟悉热敏电阻的参数对于正确应用和选用该器件非常重要。
本文将介绍常见的热敏电阻参数及其意义。
2. 温度系数温度系数是指热敏电阻阻值随温度变化的变化率。
一般用温度系数符号α表示。
常见的温度系数有正温度系数(PTC)和负温度系数(NTC)。
•正温度系数(PTC):阻值随温度升高而增大的热敏电阻。
其温度系数α通常大约在0.0025/℃至0.007/℃之间。
•负温度系数(NTC):阻值随温度升高而减小的热敏电阻。
其温度系数α通常大约在-0.005/℃至-0.008/℃之间。
温度系数的正负值表示了热敏电阻的阻值与温度的变化趋势,可以根据具体应用需求选择合适的温度系数类型。
3. 额定阻值额定阻值是指在预定的环境温度下,热敏电阻的阻值。
一般以希腊字母Ω表示。
额定阻值是选用热敏电阻时非常重要的参数,它代表了在正常工作温度下的阻值状态。
热敏电阻的额定阻值通常在几十欧姆到几百千欧姆之间,具体数值根据具体型号和应用需求而定。
4. 额定功率额定功率是指热敏电阻所能承受的最大功率。
一般以瓦特(W)表示。
额定功率表示了热敏电阻在正常工作条件下所能耗散的热量。
热敏电阻的额定功率与尺寸和材料有关,一般在小于1瓦特到几瓦特之间。
在应用中,需要根据电流和电压等参数来计算所需要的功率,并选择合适的热敏电阻。
5. 热时间常数热时间常数(τ)是指热敏电阻对温度变化的响应时间。
热时间常数越小,热敏电阻对温度变化的响应越快。
反之,热时间常数越大,热敏电阻对温度变化的响应越慢。
热时间常数与热敏电阻的尺寸、散热条件等有关,一般在几毫秒到几十毫秒之间。
在应用中,需要根据温度变化的快慢来选择合适的热敏电阻。
6. 热敏特性曲线热敏特性曲线是热敏电阻阻值与温度之间的关系曲线。
热敏特性曲线可以分为线性曲线和非线性曲线。
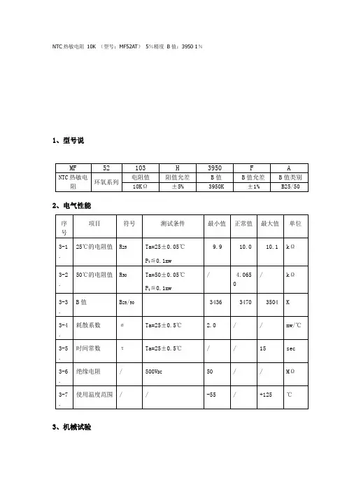
ntc热敏电阻阻值公差
NTC热敏电阻的阻值公差可以根据具体的规格和制造商而有所不同。
一般来说,NTC热敏电阻的阻值公差以百分比或者绝对阻值表示。
常见的NTC热敏电阻的阻值公差通常为±1%、±2%、±5%、或者更高的值,其中±1%是最常见的精确度等级。
这意味着实际测量的电阻值可能会在标称值的百分之一的范围内波动。
例如,如果一个NTC热敏电阻的标称值为10kΩ,并且具有±1%的阻值公差,那么其实际测量值可能在9.9kΩ至10.1kΩ之间。
需要注意的是,某些特殊要求的应用可能需要更高精度的NTC 热敏电阻,此时可选择具有更低阻值公差的型号。
因此,在选择和使用NTC热敏电阻时,需要根据具体的应用需求来确定所需的阻值公差。
NTC热敏电阻的原理及应用1、原理NTC热敏电阻是指负温度系数热敏电阻。
它是以锰(Mn)、钴(Co)、镍(Ni)、铜(Cu)和铝(Al)等金属氧化物为主要材料,采用陶瓷工艺制造而成的。
这些金属氧化物材料都具有半导体性质,因为在导电方式上类似锗、硅等半导体材料。
温度低时,NTC热敏电阻材料的载流子(电子-空穴)数目少,所以其电阻值较高;随着温度的升高,受热激发跃迁到较高能级而产生新的电子-空穴,使参加导电的载流子数目增加,所以电阻值降低。
NTC热敏电阻的阻值在室温下的变化范围为1欧姆 - 106欧姆,温度系数为-2% - -6%。
利用NTC热敏电阻器的不同特性,可广泛应用在温度测量、温度补偿、抑制浪涌电流等场合。
1.1、主要参数零功率电阻(Rt):“零功率”一词容易使人费解,因为物理含义上的零功率检测是不存在的,工程含义是自热导致的电阻值变化相对于总的测量误差可以忽略不计。
通常,对NTC热敏电阻的零功率测量是在恒温槽中进行,影响总的测量误差有二个主要因素:一是通过NTC热敏电阻的电流,二是恒温槽精度。
一般说来,减少通过NTC热敏电阻的电流的方法比较多,一但电流下降到一定程度,影响测量误差的往往是恒温槽的精度。
B值:NTC热敏电阻器的材料常数(热敏指数),可以通过测量NTC热敏电阻在25℃和50℃(或85℃)时的电阻值后计算得出。
B值是与电阻温度系数成正比的,也就是说B值越大,其电阻温度系数也就越大。
但不能简单地说B值是大好还是小好,作温度测量使用时,B值大则在测量低温和常温时灵敏度高,而在测量高温时灵敏度低,B值小则相反;作温度补偿使用时,则要根据需补偿的元件特性选择合适的B值;作抑制浪涌使用时,B值大则通过电流能力强、残余电阻小、消耗功耗低。
B值被定义为:式中,RT1 :温度 T1 ( K )时的零功率电阻值; RT2 :温度 T2 ( K )时的零功率电阻值;T1、T2 :两个被指定的温度( K )自热:当我们对NTC热敏电阻进行测量和运用时总会通过一定量的电流,这一电流使NTC热敏电阻自身产生热量。
ntc 温度范围
ntc温度传感器的使用温度范围主要是看选择的是哪种类型的热敏电阻及封装方式,一般分中低温和而高温的两种型和选择。
一、中低温NTC传感器:一般选择MF52类型的漆包线或小皮线热敏电阻进行灌封处理,常用温度是-40到125°
MF52塑封NTC热敏电阻特性及参数:
1、测量精度高
2、电阻和Beta值的严格公差。
3、反应快,尺寸小。
4、可以长时间运行稳定。
5、25C的额定电阻可以为1kΩ〜1000kΩ。
6、工作温度范围:-45℃ - + 125℃。
二、耐高温NTC传感器:般选择MF58型二极管热敏电阻进行灌封处理,常规温度是-40到300°
MF58玻封NTC热敏电阻特性及参数:
1、玻璃体DO35封装提供气密密封和电压绝缘,可在高温环境下工作。
2、体积小,坚固,方便自动安装。
3、快速感应,灵敏度高。
4、工作温度-45℃至+ 250℃。
5、25℃的额定电阻可以是2kΩ-138.8万欧姆。
6、典型电阻在25℃2k欧姆,5k欧姆,10k欧姆,20k欧姆,47k欧姆,50k欧姆,100k欧姆,200k欧姆,500k欧姆,1388 万欧姆等。
电阻和β值的严格公差。
ntc热敏电阻温度对照表NTC热敏电阻温度对照表NTC热敏电阻是一种根据温度变化而改变电阻值的元件,广泛应用于温度测量和控制领域。
在实际应用中,了解NTC热敏电阻的温度对照表是非常重要的,它能够帮助我们准确地获取温度信息并进行相应的控制。
NTC热敏电阻温度对照表是一种表格,列举了NTC热敏电阻在不同温度下对应的电阻值。
它通常由电阻值和温度两个参数组成,其中电阻值以欧姆(Ω)为单位,温度以摄氏度(℃)为单位。
通过查阅NTC热敏电阻温度对照表,我们可以根据电阻值快速确定当前温度。
下面是一份简单的NTC热敏电阻温度对照表示例:温度(℃)电阻值(Ω)-40 100-35 150-30 200-25 250-20 300-15 400-10 500-5 6000 8005 100010 150015 200020 250025 300030 400035 500040 6000通过这个对照表,我们可以看出NTC热敏电阻的电阻值随温度的变化而变化。
当温度下降时,电阻值逐渐增加;当温度升高时,电阻值逐渐减小。
这是因为NTC热敏电阻的材料具有负温度系数(Negative Temperature Coefficient,简称NTC)的特性。
在实际应用中,我们可以通过测量NTC热敏电阻的电阻值来间接获取环境温度。
具体的方法是将NTC热敏电阻连接到电路中,通过测量电路中的电压或电流来计算出电阻值。
然后,根据所测得的电阻值,利用NTC热敏电阻温度对照表可以很方便地得到温度值。
需要注意的是,不同型号的NTC热敏电阻在不同温度范围内的特性可能会有所不同,因此在使用NTC热敏电阻温度对照表时,应该选择与所使用的NTC热敏电阻型号相对应的对照表。
除了用于温度测量外,NTC热敏电阻还可以用于温度控制。
例如,当温度超过某个设定值时,NTC热敏电阻的电阻值会发生变化,通过电路中的控制器可以实现对温度的自动控制。
这在很多家电和工业设备中都得到了广泛应用,提高了设备的稳定性和安全性。
如何理解并应用NTC负温度系数热敏电阻3450一、引言NTC负温度系数热敏电阻(Negative Temperature Coefficient Thermistor,简称NTC热敏电阻)是一种温度敏感器件,其电阻随温度的升高而不断下降。
在现代电子技术中,NTC热敏电阻被广泛应用在温度补偿、温度测量和温控系统中。
其中,NTC负温度系数热敏电阻3450是一种常见且重要的型号,具有很高的应用价值。
下文将围绕NTC负温度系数热敏电阻3450展开深入讨论,并探索其理解和应用。
二、NTC负温度系数热敏电阻3450的基本特性1. NTC热敏电阻的工作原理在电子电路中,NTC热敏电阻起着关键的作用。
其基本工作原理是:随着温度的升高,NTC热敏电阻的阻值不断下降,这种现象被称为负温度系数效应。
而NTC负温度系数热敏电阻3450是一种典型的NTC 热敏电阻,其负温度系数效应十分显著。
2. NTC负温度系数热敏电阻3450的参数特性NTC负温度系数热敏电阻3450具有一系列参数特性,包括额定阻值、B值、温度系数、耐压、工作温度范围等。
这些特性对其在电子电路中的应用起着决定性作用。
了解这些参数特性,有助于更好地理解和应用NTC负温度系数热敏电阻3450。
三、NTC负温度系数热敏电阻3450的应用案例1. NTC负温度系数热敏电阻3450在温度测量中的应用在温度测量领域,NTC负温度系数热敏电阻3450是一种常见的温度传感器。
通过构建简单的电路,将NTC负温度系数热敏电阻3450与其他元件相连,便可以实现对温度的准确测量。
其敏感度高、响应快的特点,使其在温度测量中具有广泛的应用前景。
2. NTC负温度系数热敏电阻3450在温度补偿中的应用在电子设备中,由于温度的变化会导致电子器件性能的变化,因此需要进行温度补偿以保证系统的稳定性。
NTC负温度系数热敏电阻3450的特性使其成为温度补偿的理想选择。
通过合理设计电路,利用NTC负温度系数热敏电阻3450的特性,可以对电子设备进行精准的温度补偿,提高系统的稳定性和可靠性。
ntc热敏电阻温度对照表NTC热敏电阻温度对照表随着科技的不断发展,热敏电阻在现代生活中扮演着重要的角色。
热敏电阻是一种特殊的电阻,其电阻值随着温度的变化而变化。
为了更好地了解和应用热敏电阻,我们需要掌握NTC热敏电阻温度对照表。
本篇文章将详细介绍NTC热敏电阻温度对照表的相关内容。
一、什么是NTC热敏电阻?NTC热敏电阻是Negative Temperature Coefficient Thermistor 的缩写,即负温度系数热敏电阻。
它是一种温度敏感的电子元件,其电阻值随着温度的升高而逐渐减小。
NTC热敏电阻广泛应用于温度测量、温度控制、温度补偿等领域。
二、NTC热敏电阻温度对照表的作用NTC热敏电阻温度对照表是一种记录了热敏电阻电阻值和温度对应关系的表格。
通过查阅NTC热敏电阻温度对照表,我们可以准确地了解到热敏电阻的电阻值与温度之间的关系,从而能够更好地应用和控制热敏电阻。
三、NTC热敏电阻温度对照表的使用方法使用NTC热敏电阻温度对照表时,我们需要首先了解热敏电阻的额定电阻值和B值。
额定电阻值是指热敏电阻在25摄氏度时的电阻值,通常以欧姆(Ω)为单位表示。
B值是指NTC热敏电阻的温度系数,它反映了热敏电阻电阻值随温度变化的速度。
接下来,我们可以根据NTC热敏电阻的额定电阻值和B值,在NTC 热敏电阻温度对照表中查找对应的温度值。
通常,NTC热敏电阻温度对照表的表格由两列组成,一列是温度值,另一列是对应的电阻值。
通过对比我们的热敏电阻的电阻值,我们可以找到相应的温度值。
需要注意的是,NTC热敏电阻温度对照表中的温度值一般是以摄氏度为单位表示的。
如果我们需要将温度值转换为其他单位,例如华氏度或开尔文,我们可以根据对应的转换公式进行计算。
四、NTC热敏电阻温度对照表的应用场景NTC热敏电阻温度对照表在很多领域都有广泛的应用。
例如,在温度测量领域,我们可以通过测量热敏电阻的电阻值,然后查阅NTC 热敏电阻温度对照表,得到相应的温度值。
NTC2和PTC热敏电阻目录第一节NTC负温度系数热敏电阻参数第二节NTC负温度系数热敏电阻分类第三节产品型号命名标准:第四节型号参数即电气性能第五节温度感知型NTC应用电路第六节功率型NTC应用电路第七节PTC第一节NTC负温度系数热敏电阻参数B 值被定义为:RT1 :温度 T1 ( K )时的零功率电阻值。
RT2 :温度 T2 ( K )时的零功率电阻值。
T1、T2 :两个被指定的温度( K )。
对于常用的 NTC 热敏电阻, B 值范围一般在 2000K ~ 6000K 之间。
感知型的NTC要求B值要大。
B值越大约灵敏。
在规定温度下, NTC 热敏电阻零动功率电阻值的相对变化与引起该变化的温度变化值之比值。
αT :温度 T ( K )时的零功率电阻温度系数。
RT :温度 T ( K )时的零功率电阻值。
T :温度( T )。
B :材料常数。
在规定环境温度下, NTC 热敏电阻耗散系数是电阻中耗散的功率变化与电阻体相应的温度变化之比值。
δ: NTC 热敏电阻耗散系数,( mW/ K )。
△ P : NTC 热敏电阻消耗的功率( mW )。
△ T : NTC 热敏电阻消耗功率△ P 时,电阻体相应的温度变化( K )。
能量是以瓦特为单位表示。
通常,外包覆环氧或酚类、外径为0.095英寸的热敏电阻,在搅动油中耗散因子是13mW/℃,在静止空气中耗散因子为2mW/℃。
在零功率条件下,当温度突变时,热敏电阻的温度变化了始未两个温度差的63.2% 时所需的时间,热时间常数与 NTC 热敏电阻的热容量成正比,与其耗散系数成反比。
τ:热时间常数( S )。
C: NTC 热敏电阻的热容量。
δ: NTC 热敏电阻的耗散系数。
电阻体自身温度不超过其最高工作温度。
在规定的技术条件下,热敏电阻器能长期连续工作所允许的最高温度。
即:T0-环境温度。
热敏电阻在规定的环境温度下,阻体受测量电流加热引起的阻值变化相对于总的测量误差来说可以忽略不计时所消耗的功率。
ntc 热敏电阻20d-25pdf参数理论说明1. 引言1.1 概述在现代电子技术领域,NTC(Negative Temperature Coefficient)热敏电阻被广泛应用于温度测量和控制系统中。
NTC热敏电阻具有随温度变化而变化的电阻特性,即温度越高,其电阻值越小;反之,温度越低,其电阻值越大。
这种特性使得NTC热敏电阻成为一种重要的元件,在温度测量和控制领域发挥着重要的作用。
1.2 文章结构本文将对NTC热敏电阻型号为20d-25pdf的参数进行理论说明和分析。
文章结构如下:第2部分将介绍NTC热敏电阻的工作原理和基本概念;第3部分将详细解释20d-25pdf参数,并对其进行理论说明;第4部分将总结本文要点,并展望20d-25pdf参数在未来的应用前景;最后,我们列出参考文献供读者进一步深入学习和了解。
1.3 目的本文旨在深入理解NTC热敏电阻,并通过对20d-25pdf参数进行理论说明,帮助读者更好地理解和应用该型号的热敏电阻。
通过本文的阐述,读者将能够从理论层面对NTC热敏电阻进行分析,并掌握20d-25pdf参数在不同温度条件下的变化规律。
此外,文章还将展望20d-25pdf参数在未来温度测量和控制系统中的潜在应用前景,为相关领域的工程师和研究人员提供参考和指导。
2. 正文在本文的正文部分,将详细介绍ntc热敏电阻20d-25pdf参数的理论说明。
我们将从以下几个方面进行讨论:材料特性、工作原理以及性能参数等。
2.1 材料特性NTC热敏电阻(Negative Temperature Coefficient Thermistor)是一种温度敏感元件,其电阻值随着温度变化而发生变化。
它通常由氧化物陶瓷材料制成,主要成分包括镍、锌、铁、锰等金属氧化物。
该材料具有高精度、快速响应和稳定可靠的特点,在温度检测和控制领域得到广泛应用。
2.2 工作原理NTC热敏电阻基于半导体材料的负温度系数效应工作。
NTC热敏电阻的B值是指热敏电阻的B参数,也称为B值系数(B-Value Coefficient)。
B值是一种度量热敏电阻温度特性的参数,用于描述温度与电阻之间的关系。
具体来说,B值是指在参考温度(通常为25摄氏度)下,热敏电阻阻值每变化1摄氏度时,其相对变化比率的对数。
通常,B值是以公式形式给出:
Rt = R0 * exp(B * (1/Tt - 1/T0))
其中,Rt是在温度Tt下电阻值,R0是参考温度T0下的电阻值,B就是B值。
B值的数值取决于具体的热敏电阻材料和制造工艺。
不同的NTC热敏电阻具有不同的B值范围和特性,可以根据应用需求选择合适的B值来获得所需的温度测量精度。
一般来说,B值越大,说明电阻随温度变化的斜率越大,即电阻值对温度的响应越敏感。
需要注意的是,B值是一个参考参数,不代表绝对精确的温度测量,实际应用中还需要考虑其他因素,如环境温度和传感器的特性等。
因此,在使用NTC热敏电阻进行温度测量时,还需要结合实际情况进行校准和补偿。
NTC热敏电阻
NTC热敏电阻:
NTC热敏电阻是一种可以通过1~10A强电流的负温度系数的热敏元件,直径在5~20mm之间的可分为六种。
表3列出常用型号及主要参数供参考。
参数值及名称
型号
直径(mm)
最大稳定电流Imax(A)
零功率电阻值Rto
Imax时电阻值R'to
热时间常数t(s)
功率热敏参数中,
A零功率电阻值是元件在45℃环境下无电流作用时的自身电阻值。
在元件外形一定时,零功率电阻值越大,最大稳定电流值将越校零功率电阻值相同而外形直径不同的NTC热敏电阻,其最大稳定电流不同,直径大的电流值大,直径小的电流值校即最大稳定电流值与零功率值成反比,与直径成正比。
B,最大稳定电流值是指NTC热敏电阻能长时间稳定工作而不造成性能恶化的电流最大值。
C,热时间常数是指NTC热敏电阻在25环境中从通电工作开始,到最后达到最大稳定电流的时间。
直径越大,热时间常数也越大。
在实际软启动应用中,主要对功率电阻器的最大稳定电流Imax,零功率电阻值Rto及直径大小三项提出要求:
最大稳定电流Imax是以负载工作电流IL按1~5倍IL选取Imax值。
如IL=1A., NTC热敏电阻的Imax应为1~5A。
零功率电阻的选取,是以负载(如灯泡)未通电时的冷阻Ro,按R/1~5来选用Rto值。
元件直径是根软启动过程中所需要的时间即热时间常数来确定。
通常直径较大的元件,其软启动时间较长,反之越短。
另外,直径较大的,允许通过元件的Imax值也较大。
NTC热敏电阻使用注意事项:
•安装位置应院里电器中的发热元件,也不宜靠近发热窗,不能靠近散热板或有排风扇气流吹动处,引脚应尽量长。
•关机后,在热时间常数内,NTC热敏电阻没有恢复到零功率电阻值,所以不宜频繁的开启。