10kV~750kV输电线路铁塔通用技术规范
- 格式:doc
- 大小:288.50 KB
- 文档页数:20
《110~750kV架空输电线路设计规范》新旧规程文档仅供参考,不当之处,请联系改正。
《110~750kV架空输电线路设计规范》新旧规程对比华东电力设计院文档仅供参考,不当之处,请联系改正。
文档仅供参考,不当之处,请联系改正。
《110~750kV架空输电线路设计规范》新旧规程对比注:现正在修订的规范与老规程有主要有以下不同,由于还未报送,仅供参考。
1 总则1.0.4 对重要线路和特殊区段线路应采取适当加强措施,提高线路安全水平。
条文说明:根据初中国南方地区发生的严重冰灾,为确保供电设施的安全可靠,对重要的输电线路:如重要的500kV和750kV输电线路重要性系数取1.1,使其安全等级在原标准上提高一级;对易覆冰地区的特别重要输电线路宜提高覆冰设防标准,必要时按照稀有覆冰条件进行机械强度验算。
对特殊区段:如大跨越线路、跨越主干铁路、高速公路等重要设施的跨越应采用独立耐张段,杆塔结构重要性系数取1.1。
对于运行抢修特别困难的局部区段线路,采取适当加强措施,提高安全设防水平。
对覆冰地区的重要线路考虑安装线路覆冰在线监测装置,并采取防冰、减冰、融冰措施。
重要性线路是指:核心骨干网架、特别重要用户供电线路等线文档仅供参考,不当之处,请联系改正。
路。
3 路径3.0.3 路径选择宜避开不良地质地带和采动影响区,当无法避让时,应采取必要的措施;宜避开重冰区、易舞动区及影响安全运行的其它地区;宜避开原始森林、自然保护区和风景名胜区。
条文说明:根据多年的线路运行经验的总结选择线路路径应尽量避开不良地质地带、矿场采空区等可能引起杆塔倾斜、沉陷的地段;当无法避让时,应开展塔位稳定性评估,并采取必要的措施。
根据运行经验增加了路径选择尽量避开导线易舞动区等内容。
东北的鞍山、丹东、锦州一带,湖北的荆门、荆州、武汉一带是全国范围内输电线路发生舞动较多地区,导线舞动对线路安全运行所造成的危害十分重大,诸如线路频繁跳闸与停电、导线的磨损、烧伤与断线,金具及有关部件的损坏等等,造成重大的经济损失与社会影响,因此对舞动多发区应尽量避让。
《架空输电线路杆塔结构设计技术规定》新旧规范对照————————————————————————————————作者:————————————————————————————————日期:《架空输电线路杆塔结构设计技术规定》新旧规范对照:现行《110kV~750kV架空输电线路设计规范》GB50545-2010《架空输电线路杆塔结构设计技术规定》DL/T5154-2012作废《架空输电线路杆塔结构设计技术规定》DL/T5154-20021 总则1.0.1为了在架空输电线路杆塔结构的设计中贯彻国家的基本建设方针和技术经济政策,做到安全可靠、先进适用、经济合理、资源节约、环境友好,制定本标准。
套话,原则性问题。
与GB50545-2010的区别为涉及直流线路问题。
适用范围扩大。
1.0.2 本标准适用于新建的110kV~750kV架空输电线路杆塔结构的设计。
对应原DL/T5154-2002条文:1.0.1 、1.0.2、1.0.3由110kV~500kV调整为110kV~750kV,与GB50545-2010相一致。
与GB50545-2010的区别为涉及直流线路问题及750 kV的双回及多回问题。
适用范围扩大。
去掉了原DL/T5154-2002条文1.0.1 “通信杆塔设计可参照采用”;略去了1.0.2、1.0.3。
DL/T5154-2012条文说明1.0.2明确了临时线路、通信杆塔结构设计参照执行,原线路的改造和改建参照验算和设计。
基本一致1.0.3 本标准确定了架空输电线路杆塔结构的设计原则,给出了角钢铁塔和混凝土电杆的设计计算方法。
新增1.0.4 本标准采用以概率理论为基础的极限状态设计方法,用可靠度指标度量结构构件的可靠度,在规定的各种荷载组合作用下或各种变形或裂缝的限值条件下,满足线路安全运行的临界状态。
对应原DL/T5154-2002条文:3.0.2一致1.0.5 杆塔结构设计,应从实际出发,结合地区特点,积极采用新技术、新工艺、新设备、新材料,推广采用节能、降耗、环保的先进技术和产品。
110~750kV架空输电线路设计规范1 总则1.0.1 为了在交流 110~750kV 架空输电线路的设计中贯彻国家的基本建设方针和技术经济政策,做到安全可靠、先进适用、经济合理、资源节约、环境友好,制定本规范。
1.0.2 本规范适用于交流 110~750kV 架空输电线路的设计,其中交流110kV~550kV使用单回、同塔双回及同塔多回输电线路设计,交流750kV适用于单回输电线路设计。
1.0.3 架空输电线路设计,应从实际出发,结合地区特点,积极采用新技术、新工艺、新设备、新材料,推广采用节能、降耗、环保的先进技术和产品。
1.0.4 对重要线路和特殊区段线路宜采取适当加强措施,提高线路安全水平。
1.0.5 本规范规定了110kV~750kV架空输电线路设计的基本要求,当本规范与国家法律、行政法规的规定相抵触时,应按国家法律、行政法规的规定执行。
1.0.6 架空输电线路设计,除应执行本规范的规定外,尚应符合国家现行有关标准的规定。
2 术语、符号2.1 术语2.1.1 架空输电线路 overhead transmission line用绝缘子和杆塔将导线架设于地面上的电力线路。
2.1.2 弱电线路 telecommunication line指各种电信号通信线路。
2.1.3 大跨越 large crossing线路跨越通航江河、湖泊或海峡等,因档距较大(在1000m以上)或杆塔较高(在100m以上),导线选型或杆塔设计需特殊考虑,且发生故障时严重影响航运或修复特别困难的耐张段。
2.1.4 轻、中、重冰区 light/medium/heavy icing area设计覆冰厚度为10mm及以下的地区为轻冰区,设计覆冰厚度大于10mm小于20mm地区为中冰区,设计冰厚为20mm及以上的地区为重冰区。
2.1.5 基本风速 reference wind speed按当地空旷平坦地面上10m高度处10min时距,平均的年最大风速观测数据,经概率统计得出50(30)年一遇最大值后确定的风速。
《最新电力铁塔架空送电线路施工新技术与质量验收标准规范及国家强制性条文》.......第一篇架室电力线路通则第一章内容概要第二章施工依据第三章施工前的准备第四章输电线路工程施工特点及项目管理第五章工程施工基层组织与中心任务及工程队队长应具备的素质第六章文明施工第二篇钢筋混凝土电杆组立施工与质量检验第一章钢筋混凝土电杆组立施工第二章电杆组立施工质量检验评定及检查方法第三篇自立型铁塔倒落式抱杆整体组立施工与质量检查第一章自立型铁塔倒落式抱杆整体组立施工第二章保护帽施工和质量检查与评级第四篇拉线塔倒落式抱杆整体组立施工与质量检查第一章拉线塔倒藩式抱杆整体组立施工第二章拉线铁塔组立质量等级评定标准及检查方法第五篇插腿型铁塔倒落式抱杆整体组立施工与计算第一章插腿型铁塔倒落式抱杆整体组立施工第二章插腿型自立铁塔倒落式抱杆整体起立腿部受力的计算结果第六篇小抱杆分解组立铁塔施工与质量保证第一章小抱杆分解组立铁塔施工第二章安全要求和质量保证规定第七篇内拉线悬浮式抱杆分解组立铁塔施工与质量标准第一章内拉线悬浮式抱杆分解组立铁塔施工第二章施工安全规定和质量标准第八篇悬浮式双摇臂抱杆组立铁塔施工与质量标准第一章悬浮式双摇臂抱杆组立铁塔施工第二章施工安全工作要点与质量标准第九篇附着塔式起重机分解组立铁塔施工与检查第一章附着塔式起重机分解组立铁塔施工第二章检查及清场第十篇倒装组立铁塔施工与计算第一章倒装组立铁塔施工第二章倒装组塔的荷载组合及计算规定第十一篇直升飞机组立铁塔施工与直升机性能第一章直升飞机组立铁塔施工第二章常用直升机的有关性能第十=篇‘750kV架空输电线路普通架线施工与检查验收第一章750kV架空输电线路普通架线施工第二章检查验收和评级第十三篇750kV输电线路张力架线施工与计算第一章输电线路张力架线施工第二章张力架线施工表格数据第十四篇750kV光纤复合架空避雷线OPGW架设施工第一章光纤复合架空避雷线OPGW架设施工工艺流程第二章附件安装及熔接第十五篇750kV紧凑型输电线路张力架线施工与相关表格第一章紧凑型输电线路张力架线施工第二章紧凑型六分裂导线输电线路张力架线主要机具一般配置第十六篇760kV普通跨越架线施工与技术发展第一章普通跨越架线施工第二章不停电跨越施工技术的发展及工程应用第十七篇750kV升跨越架线施工与计算第一章浮升跨越架线施工第二章浮升跨越放线的计算方法第十八篇750kV导线及避雷线液压接续施工与质量检查第一章导线及避雷线液压接续施工第二章质量检查及评级标准第十九篇杆塔接地装置施工与质量检查第一章杆塔接地装量施工第二章施工检查和质量等级评定第二十篇架空电力线路国家标准与强制性条文750kV架空送电线路施工及验收规范GB 50389—2D06火力发电厂与变电站设计防火规范GB 50229—2006750kV架空送电线路铁塔组立施工工艺导则DL/T 5342—2006750kV架空送电线路张力架线施工工艺导则DL/T 5343—2006电力工程基本术语标准G8/T 50297—2006电气装置安装工程旋转电机施工及验收规范GB 501 70一2006电气装置安装工程电缆线路施工及验收规范GB 501 68—2006电气装置安装工程接地装置施工及验收规范GB 501 69—2006电气装置安装工程电气设备交接试验标准GB 501 50—2006750kV架空送电线路LGJK~300/50扩径导线架线施工工艺导J兀0/GDW 1 24—2005750kV电力变压器,油浸电抗器、互感器施工及验收规范Q/GD1 22—2005750kV高压电器(GlS、隔离开关、避雷器)施工及验收规范Q/GDW 1 23—2005750kV架空送电线路工程施工质量检验及评定规程Q/GDW 1212005750kV变电所构支架制作安装及验收规范Q/GDW 11 9—2006《最新电力铁塔架空送电线路施工新技术与质量验收标准规范及国家强制性条文》。
110kV~500kV输电线路杆塔标准设计第一部分总论1目录第一部分总论 (3)1 概述 (3)2 设计范围 (3)3 设计原则 (4)3.1主要技术原则 (4)3.1.1 基本风速 (4)3.1.2 覆冰取值 (4)3.1.3 导线截面 (4)3.1.4 地线 (5)3.1.5 回路数 (5)3.1.6 杆塔型式 (5)3.1.7 地形条件 (6)3.1.8 海拔高度 (6)3.1.9 悬垂串型式 (6)3.2杆塔规划 (6)3.3塔头设计规定 (9)3.3.1 绝缘配合原则 (9)3.3.2 绝缘子片数 (10)3.3.3 空气间隙 (11)3.3.4 间隙圆图 (12)3.3.5 防雷保护 (14)3.3.6 塔头布置 (14)3.4杆塔荷载 (16)3.4.1 气象条件的重现期 (16)3.4.2 基本风速离地高度 (16)3.4.3杆塔荷载计算原则及规定 (16)3.4.4 荷载组合 (20)3.5杆塔设计一般规定 (22)3.6杆塔结构设计方法 (23)3.6.1 承载力极限状态 (23)3.6.2 正常使用极限状态 (24)3.6.3 杆塔材料 (24)3.6.4 铁塔与基础的连接方式 (26)第一部分总论1 概述标准设计V1.0继续采用模块化思路;整体框架分层级,使体系结构更加清晰,应用更为方便。
模块的数量根据已制定的建设规划进行调整,编制深度较2011年版有所突破,其主要特点包括:1) 杆塔模块库进一步完善,达到使标准模块覆盖率逐年提高的应用效果;2) 整体框架设置四层,设计深度逐层加深,不同设计阶段选择应用不同层级或其组合的设计成果;3) 模块深度达到施工图设计,实现杆塔施工图与司令图的一一对应,使标准设计能统一、规范、直接应用于施工图阶段。
110kV~500kV输电线路杆塔标准设计的总体原则为智能、高效、可靠、绿色,其设计思路主要包括:1)严格执行国家和电力行业有关规程、规范及国家有关强制性条文,符合南方电网公司企业标准及反事故措施等要求;2)结合南方电网的实际情况及运行特点,贯彻绿色设计理念,运用先进设计手段,力求安全、经济、智能、高效,体现标准设计的科学性和统一性,并融入企业文化内涵,凸显南方电网公司企业文化特征;3)采用模块化结构进行设计,对影响杆塔设计的因素进行组合,形成不同设计条件的模块。
线路金具通用技术规范线路金具采购标准技术规范使用说明1. 本标准技术规范分为通用部分、专用部分。
2. 项目单位根据需求选择所需线路金具的技术规范,依据《国家电网公司输变电工程通用设计金具分册丛书》中通用设计图纸选择通用设计金具串型名称和对应图纸编号,并填写需求串型数量,技术规范通用部分条款及专用部分固化的参数原则上不能更改。
3. 项目单位应按实际要求填写项目需求部分。
如确实需要改动以下部分,项目单位应填写专用部分技术差异表并加盖该网、省公司物资部(招投标管理中心)公章,与辅助说明文件随招标计划一起提交至招标文件审查会:1)改动通用部分条款及专用部分固化的参数;2)项目单位要求值超出标准技术参数值;3)需要修正污秽、温度、海拔等条件。
经标书审查会同意后,对专用部分的修改形成项目单位技术差异表,放入专用部分中,随招标文件同时发出并视为有效,否则将视为无差异。
4. 对扩建工程,项目单位应在专用部分提出与原工程相适应的一次、二次及土建的接口要求。
5. 技术规范的页面、标题、标准参数值等均为统一格式,不得随意更改。
6. 投标人响应技术规范专用部分中招标人提出的通用设计金具串型对应的“串型数量”,档内金具“型号”及“数量”,所需串型技术参数自行对照通用设计图纸(国家电网公司输变电工程通用设计金具分册丛书)。
如有偏差除填写“投标人技术偏差表”外,必要时应提供相应试验报告。
目录1 总则 (1)1.1 一般规定 (1)1.2 投标人应提供的资格文件 (1)1.3 工作范围和进度要求 (1)1.4 技术资料、图纸和试验报告 (2)1.5 标准和规范 (2)1.6 必须提交的技术数据和信息 (3)2 技术参数和性能要求 (4)2.1 一般规定 (4)2.2 通用技术要求 (4)2.3 分类要求 (6)3 试验 (12)3.1 一般规定 (12)3.2 抽样试验 (12)3.3 型式试验 (13)3.4 例行试验 (13)4. 工厂检验、监造及成品检验 (14)4.1厂检验及监造 (14)4.2成品检验 (14)5标识与包装、运输及交货 (14)5.1 概述 (14)5.2 标识与包装要求 (14)5.3 装运及交货 (15)6 技术服务 (15)附录A 供货业绩表 (16)附录B 工艺控制一览表 (16)附录C 主要生产设备清单 (16)附录D 主要试验设备清单 (16)附录E 主要原材料产地清单 (16)附录F 主要外协件产地清单 (17)附录G 本工程人力资源配置表 (17)附录H 产品清单 (18)1 总则1.1 一般规定1.1.1 投标人应具备招标公告所要求的资质,具体资质要求详见招标文件的商务部分。
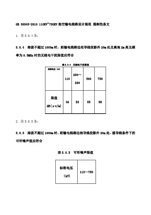
GB 50545-2010 110KV~750KV架空输电线路设计规范强制性条文1.第5.0.4条:5.0.4 海拔不超过1000m时,距输电线路边相导线投影外20m处且离地2m高且频率为0.5MHz时的无线电干扰限值应符合表5.0.4 无线电干扰限值2.第5.0.5条:5.0.5 海拔不超过1000m时,距输电线路边相导线投影外20m处,湿导线条件下的可听噪声值应符合表5.0.5 可听噪声限值3. 第5.0.7条:5.0.7 导、地线在弧垂最低点的设计安全系数不应小于2.5,悬挂点的设计安全系数不应小于2.25。
地线的设计安全系数不应小于导线的设计安全系数。
4. 第6.0.3条:6.0.3 金具强度的安全系数应符合下列规定:1 最大使用荷载情况不应小于2.5。
2 断线、断联、验算情况不应小于1.5。
5. 第7.0.2条:7.0.2 在海拔高度1000m以下地区,操作过电压及雷电过电压要求的悬垂绝缘子串的绝缘子最少片数,应符合表7.0.2的规定。
耐张绝缘子串的绝缘子片数应在表7.0.2的基础上增加,对110~330kV输电线路应增加1片,对500kV输电线路应增加2片,对750kV输电线路不需增加片数。
表7.0.2 操作过电压及雷电过电压要求悬垂绝缘子串的最少绝缘子片数6. 第7.0.9条:7.0.9 在海拔不超过1000m的地区,在相应风偏条件下,带电部分与杆塔构件(包括拉线、脚钉等)的间隙,应符合表7.0.9-1和表7.0.9-2的规定。
表7.0.9-1 110~500kV带电部分与杆塔构件(包括拉线、脚钉等)的最小间隙(m)表7.0.9-2 750kV带电部分与杆塔构件(包括拉线、脚钉等)的最小间隙(m)注:1 按雷电过电压和操作过电压情况校验间隙时的相应气象条件,可按本规范附录A的规定取值。
2 按运行电压情况校验间隙时风速采用基本风速修正至相应导线平均高度处的值及相应气温。
3 当因高海拔而需增加绝缘子数量时,雷电过电压最小间隙也应相应增大。
附录A 线路施工质量检查记录表A.0.1 路径复测记录表(线记1)见表A.0.1表A.0.1 路径复测记录表(线记1)监理:专职质检员:施工负责人:检查人:A.0.2 普通基础和拉线基础分坑及开挖检查记录表(线记2)见表A.0.2表A.0.2 普通基础和拉线基础分坑及开挖检查记录表(线记2)监理:专职检查员:施工负责人:检查人:A.0.3 岩石、掏挖基础分坑及开挖检查记录表(线记3)见表A.0.3A.0.3 岩石、掏挖基础分坑及开挖检查记录表(线记3)监理:专职质检员:施工负责人:检查人:A.0.4 施工基面及电气开放检查记录表(线记4)见表A.0.4。
A.0.4 施工基面及电气开放检查记录表(线记4)监理:专职质检员:施工负责人:检查人:A.0.5交叉跨越检查记录表(线记5)见表A.0.5。
表A.0.5 交叉跨越检查记录表(线记5)监理:专职质检员:施工负责人:检查人:A.0.6 OPGW现场开盘测试记录表(线记6)见表A.0.6表A.0.6 OPGW现场开盘测试记录表(线记6)监理:专职质检员:施工负责人:检查人:A.0.7 OPGW接头衰耗测试记录表(线记7)见表A.0.7表A.0.7 OPGW接头衰耗测试记录表(线记7)监理:接续施工负责人:测试负责人:测试员:A.0.8 OPGW纤芯衰耗测试记录表(线记8)见表A.0.8表A.0.8 OPGW纤芯衰耗测试记录表(线记8)附录B 线路工程施工质量检查及评定记录表B.0.1 现浇铁塔基础(含插入式)检查及评定记录表(线基1)见表B.0.1表B.0.1 现浇铁塔基础(含插入式)检查及评定记录表(线基1)监理:专职质检员:施工负责人:检查人:B.0.2 杆塔拉线(含锚杆拉线)基础检查及评定记录(线基2)见表B.0.2表B.0.2 杆塔拉线(含锚杆拉线)基础检查及评定记录(线基2)监理:专职质检员:施工负责人:检查人:B.0.5 岩石、掏挖基础检查及评定记录表(线基5)见表B.0.5表B.0.5 岩石、掏挖基础检查及评定记录表(线基5)监理:专职质检员:施工负责人:检查人:B.0.6 灌注桩基础检查及评定记录表(线基6)见表B.0.6-1~表B.0.6-3B.0.6-1 灌注桩基础检查及评定记录表(线基6-1)监理:专职质检员:施工负责人:检查人:监理:专职质检员:施工负责人:检查人:监理:专职质检员:施工负责人:检查人:表B.0.7 贯入桩基础检查及评定记录表(线基7)监理:专职质检员:施工负责人:检查人:表B.0.8 自立式铁塔组立检查及评定记录表(线塔1)监理:专职质检员:施工负责人:检查人:表B.0.9-1 拉线铁塔组立检查及评定记录表(线塔2-1)监理:专职质检员:施工负责人:检查人:表B.0.9-2 拉线铁塔组立检查及评定记录表(线塔2-2)液压管测点位监理:专职质检员:施工负责人:检查人:表B.0.11 钢管电杆组立检查及评定记录表(线杆2)监理:专职质检员:施工负责人:检查人:表B.0.12 导线、地线(含OPGW)展放施工检查及评定记录表(线线1)监理:专职质检员:施工负责人:检查人:续表B.0.12监理:专职质检员:施工负责人:检查人:表B.0.13导线、地线直线压接管施工检查及评定记录表(线线2)监理:专职质检员:施工负责人:检查人:word范文表B.0.14 导线、地线耐张压接管施工检查及评定记录表(线线3)监理:专职质检员:施工负责人:检查人:word范文表B.0.15 导线、地线(含OPGW)紧线施工检查及评定记录表(线线4)word范文续表B.0.15监理:专职质检员:施工负责人:检查人:word范文表B.0.16 导线、地线(含OPGW)附件安装施工检查及评定记录表(线线5)监理:专职质检员:施工负责人:检查人:表B.0.17 接地装置施工检查及评定记录表(线地1)监理:专职质检员:施工负责人:检查人:表B.0.18 线路防护设施检查及评定记录表(线防1)监理:专职质检员:施工负责人:检查人:附录C 线路工程质量评定统计表表C.0.1 ___________分部工程质量评定统计表(线统1)表C.0.2 ___________单位工程质量评定统计表(线统2)。
铁塔制图和构造规定分为:75规程,97规程,国家电网公司110~500kV输电线路典型设计(05规程)规程中有些经常碰到的一些常识,我们必需要知道的有如下:在放样之前,我们要选择好规程,我们可以看加工说明来进行选择并修改规程中的准距表。
如:查看铁塔结构加工统一说明中此说有:如:XX: 结构图中图面内的图例、代号等在说明中未提及之处,均按《送电线路铁塔制图和构造规定》(DLGJ 136-1997)中的要求执行。
在TWSOLID铁塔放样软件中,此时我们可以选97规程,并按加工说明中的准距表修改當前工程的规程表并保存。
1:三个规程的主要区别,我们最常见的是各类型角钢准线的不同。
在最后具体讲他们之间的区别。
2:视图问题:1) 结构图绘制以正面为主,上、下和侧面结构图,按展开法绘制,即上平面结构图采用俯视法,下平面结构图采用上仰视法,右侧面结构图采用右侧视图法。
长短腿结构的塔腿可只绘右侧结构部分;各段结构图应绘制单线图,单线图比例为1:100,并放在结构图的左上角,并标注上、下口宽、垂直高、准线差尺寸和段号。
3.1) 构件接头采用对接;不同规格的构件对接时,应以外边缘对齐,接头螺栓排列在各自准线上主材接头设置在节点时,上、下段斜材的准线应交于各自主材准线(如铁塔瓶口、塔身变坡处)制弯构件,选择顺序应为连接板、短构件、长构件,火曲线与连接构件边缘距离设定为10mm2) 热镀锌构件长度不宜超过12米,L100以下角钢构件长度不宜超过9米,宽度不宜超过0.75米;3) 横担悬臂部分超过3米以上应采用预拱,预拱值一般可取横担悬臂长度的1/100~150,具体值可根据实际外荷载在无风情况下的验算查看其位移(*.DIS文件)确定;4) 塔腿各主材应设置一个接地孔(孔径17.5mm),距基础顶面距离为500~1000mm;地线支架上设置一个引流孔(孔径17.5mm)5) 主材螺栓接头螺栓排列,应按左高右低布置内外包钢,角钢内外贴板,接头问题1) 构件接头采用螺栓连接;2) 两角钢间隙采用10mm;3) 接头为单剪连接时,采用外包角钢,外包角钢的宽度应比被连接角钢肢宽大一级(长细比在80以下时,外包角钢肢厚再大一级),被连接角钢规格不同时,应取其小的规格;4) 接头为双剪连接时,采用内包角钢外贴板,内包角钢和外贴板的面积和宜不小于被连接角钢面积的1.3倍,下表中推荐了内包角钢及外贴板应用的最小规格,如外贴板的宽度为准线间距加两倍的边距之和大于给定值,则按实际宽度取用;5) L140以上规格的角钢宜采用双包连接;编号1) 结构图中除螺栓、脚钉、垫圈外,所有构件均应编号;2) 编号顺序先主材后斜材,从下至上,从左到右;先正面,再侧面,后剖面,最后为挂线部件或零部件(如垫块)。
GB 50545-2010 110KV~750KV架空输电线路设计规范强制性条文1.第5.0.4条:5.0.4 海拔不超过1000m时,距输电线路边相导线投影外20m处且离地2m高且频率为0.5MHz时的无线电干扰限值应符合表5.0.4的规定。
表5.0.4 无线电干扰限值标称电压(kV) 110 220~330 500 750限值dB(μv/m) 46 53 55 582.第5.0.5条:5.0.5 海拔不超过1000m时,距输电线路边相导线投影外20m处,湿导线条件下的可听噪声值应符合表5.0.5的规定。
表5.0.5 可听噪声限值标称电压(kV) 110~750限值dB(A) 553. 第5.0.7条:5.0.7 导、地线在弧垂最低点的设计安全系数不应小于2.5,悬挂点的设计安全系数不应小于2.25。
地线的设计安全系数不应小于导线的设计安全系数。
4. 第6.0.3条:6.0.3 金具强度的安全系数应符合下列规定:1 最大使用荷载情况不应小于2.5。
2 断线、断联、验算情况不应小于1.5。
5. 第7.0.2条:7.0.2 在海拔高度1000m以下地区,操作过电压及雷电过电压要求的悬垂绝缘子串的绝缘子最少片数,应符合表7.0.2的规定。
耐张绝缘子串的绝缘子片数应在表7.0.2的基础上增加,对110~330kV输电线路应增加1片,对500kV输电线路应增加2片,对750kV输电线路不需增加片数。
表7.0.2 操作过电压及雷电过电压要求悬垂绝缘子串的最少绝缘子片数标称电压(kV) 110 220 330 500 750单片绝缘子的高度(mm) 146 146 146 155 1706. 第7.0.9条:7.0.9 在海拔不超过1000m的地区,在相应风偏条件下,带电部分与杆塔构件(包括拉线、脚钉等)的间隙,应符合表7.0.9-1和表7.0.9-2的规定。
表7.0.9-1 110~500kV带电部分与杆塔构件(包括拉线、脚钉等)的最小间隙(m)表7.0.9-2 750kV带电部分与杆塔构件(包括拉线、脚钉等)的最小间隙(m)注:1 按雷电过电压和操作过电压情况校验间隙时的相应气象条件,可按本规范附录A的规定取值。
配电网10kV铁塔技术规范前言按照南方电网有限责任公司管理思想现代化、管理制度规范化、管理手段信息化、管理机制科学化的要求,科学地建立健全中山供电局的标准体系,指导和规范本企业配电运行管理的工作,实现配电运行管理标准化、科学化、现代化,加速技术进步和提高企业经济效益,特制定本规范。
本规范执行国家和行业有关法律、法规、规程和规范,执行南方电网公司、广东电网公司的有关文件精神,并结合中山供电局的实际而制定。
本规范由中山供电局生技部负责解释。
1.应遵循标准规范中所有设备及其备品备件,除本规范中规定的技术参数和要求外,均应遵循最新版本的国家标准(GB)、电力行业标准(DL)和国际单位制(SI)。
现行标准如下:GBJ17-88 《钢结构设计规范》;GB2694-81 《输电线路铁塔制造技术条件》。
2.环境及技术条件2.1 环境条件2.1.1 周围空气温度最高温度: 45℃(24小时内平均值≤35℃)最热月平均温度: 35℃最低温度: -10℃最大日温差: 25K2.1.2 海拔高度: ≤1000m2.1.3 最大风速: 35m/s2.1.4 环境湿度: 日平均相对湿度不大于95%日平均水蒸汽压力值不超过2.2kPa月平均相对湿度不大于90%月平均水蒸汽压力值不超过1.8kPa2.1.5 地震烈度:7度2.1.6污秽等级:Ⅲ级2.1.7安装场所:户外2.2工程条件2.2.1 系统概况a. 系统电压:10kVb. 系统额定频率:50Hz2.3主要技术参数及技术条件2.3.1所有零件的切割、制弯、制孔和清根、铲背、坡口加工的允许偏差应符合有关规定。
2.3.2所有焊接件,在装配过程中应保证制成构件的实际尺寸对设计尺寸的偏差不得超过规定值。
2.3.3焊缝在实际尺寸上、外观上应符合有关规定。
2.3.4所有制成品经过矫正后,其允许偏差不得超过规定值。
2.3.5热浸镀锌件的锌层在外观、镀锌附着重和锌层厚度、均匀性、附着性上应符合有关要求。
2基本规定本标准将一条或一个施工标段的架空输电线路工程定为一个单位工程;每个工程分为若干个分部工程;每个分部工程分为若干个分部工程;每个分部工程分为若干个分项工程;每个分项工程中分为若干相同单元工程;每个单元工程中有若干检查(检验)项目。
架空输电线路工程类别划分见表。
表架空输电线路工程类别划分表检查(检验)项目应按下列原则分类:1检查(检验)项目分为:主控项目、一般项目。
2主控项目:指影响工程性能、强度、安全性和可靠性的且不易修复和处理的项目。
3一般项目:除主控项目以外的项目。
施工质量检验及评定应按单元工程、分项工程、分部工程、单元工程依次进行,均分为合格与不合格两个等级,具体应符合下列规定:1单元工程:合格级:—主控项目检查结果,应100%合格。
—一般项目检查结果,可有一项不合格,但不影响使用。
不合格级:主控项目检查中有一项或一般项目检查结果中有两项及以上不合格。
2分项工程:合格级:分项工程中单元工程100%合格。
不合格级:分项工程中有一个及以上单元工程不合格。
3分部工程:合格级:分部工程中分项工程100%合格。
不合格级:分部工程中有一个及以上分项工程不合格。
4单位工程:合格级:单位工程中分部工程100%合格不合格级:单位工程中有一个及以上分部工程不合格。
不合格项目及处理后的质量评定应符合下列规定:1不合格项目,经设计同意且业主认可,处理后能满足安全运行要求者仍可评定为合格。
2经业主组织决定,确定为非施工原因造成的质量缺陷,若经修改设计或更换不合格设备、材料后,仍可参加质量评定。
3质量检验及评定范围工程施工及验收质量的检验评定工作应由下列人员参加:1业主代表,包括业主委托的建设单位和运行单位代表。
2设计单位代表。
3监理单位代表。
4施工单位代表。
施工质量检验评定方式和范围应符合下列规定:1施工单位内部质量检验应采用三级检查及评定方式,并应符合下列规定:施工队(班)应按单元工程进行检查及自评;工程项目部应按分项工程进行检查及自评;施工单位应按分部工程和单位工程组织检查或抽查并进行自评。
国家电网公司集中规模招标采购1401005-0000-00_10kV~750kV输电线路铁塔招标文件(技术规通用部分)2011年目次10kV~750kV输电线路铁塔采购标准技术规使用说明 (3)1 总则 (3)1.1 一般规定 (3)1.2 投标人应提供的资格文件 (3)1.3 工作围 (4)1.4 标准和规 (4)1.5 必须提交的技术数据和信息 (5)1.6 交货 (6)2 铁塔加工技术要求和性能参数 (6)2.1 概述 (6)2.2 技术要求和性能参数 (8)2.3 对原材料的控制要求 (8)2.4 紧固件、防松、防卸装置 (17)2.5 其他技术说明 (17)2.6 产品质量合格证 (17)2.7 标志、包装、运输 (17)2.8 工厂检验和监造 (18)2.9 技术服务 (19)2.10 其他要求 (19)附录A 供货业绩 (20)附录B 主要生产设备清单 (20)附录C 主要试验设备清单 (21)附录D 零部件、焊接件检测抽样方案 (21)1 总则1.1 一般规定1.1.1 投标人应具备招标公告所要求的资质,具体资质要求详见招标文件的商务部分。
1.1.2 投标人应仔细阅读本技术规通用部分和专用部分在的招标文件阐述的全部条款。
投标人提供的铁塔制造技术规应符合本技术规所规定的要求。
1.1.3 本技术规提出了有关本工程使用铁塔的图纸放样、原材料采购、紧固件采购、铁塔构件加工、铁塔试组装、质量检验、包装及运输、售后服务等方面应执行的技术标准及要求。
1.1.4 本技术规提出的是最低限度的技术要求,并未对一切技术细节作出规定,也未充分引述有关标准和规的条文,投标人应提供符合本技术规引用标准的最新版本标准和本招标文件技术要求的全新产品,如果所引用的标准之间不一致或本招标文件所使用的标准如与投标人所执行的标准不一致时,按要求较高的标准执行。
1.1.5 投标人提供的产品质量应达到GB/T 2694《输电线路铁塔制造技术条件》、DL/T 646《输变电钢管结构制造技术条件》、Q/GDW 384《输电线路钢管塔加工技术规程》等标准的要求。
750kV输电线路工程铁塔施工技术和施工工艺概述2007年4月11日750kV 输电线路工程铁塔施工技术和施工工艺概述田子恒编写750kV 输电线路有单回路线路,也有双回路共塔线路。
750kV 单回路线路铁塔塔平口以上的塔头部分,平口以上塔头部 分重量在150kN — 236kN 之间,导线横担73kN — 130kN 之间,酒杯型铁塔的平口到的塔型主要分 为两种类型:第一种是酒杯 型直线塔和直 线转角塔,见 右图(ZB 4塔头),第二种是 ③£ 9100干字形耐张塔。
750kV 双回路线路主要是鼓型塔,见 右图。
酒杯型铁塔施工难度大,干字形铁i ' 一= -----1 i 1--- 13200b18000塔和鼓型塔施工难度较小。
酒杯型铁塔施工主要难点是吊装铁16200长33.8m — 43.4m ,导地线横担重量在36000~72000172507600⑤ZB 4铁塔塔头示意图④②① —地线支架 ② 一中横担③ —边横担 ④ 一上曲臂 ⑤ 一下曲臂19600》X, 6950 J, 10300T —①33400.16200 H导线横担上平面高度为22.5m—23m。
H——21204——双回路铁塔结构示意图铁塔的施工方法很多,主要有四种方法:抱杆组塔、塔式起重机组塔、吊车组塔、直升飞机组塔。
目前我们主要采用抱杆组塔的方法,其他方法在特高压试验示范工程只作一些试点工作。
抱杆组塔又分为:内抱杆组塔、外抱杆组塔、倒装组塔。
内抱杆组塔是我们现在常用的方法,它又有多种形式:内拉线抱杆、外拉线抱杆、落地抱杆、悬浮抱杆、两摇臂抱杆、四摇臂抱杆。
根据我们750kV 线路工程塔型特点,分两种地形条件来选择施工方法:对塔位地形条件可以打外拉线所有的直线塔、耐张塔和双回路塔都可采用内悬浮外拉线抱杆的组塔方法。
对塔位地形不能打外拉线的酒杯型和猫头型直线塔、直线转角塔可选采用落地摇臂抱杆组塔方法,也可选用内悬浮内拉线抱杆组塔身,塔头用双抱杆或辅助小抱杆等方法施工,耐张塔和双回路塔采用内悬浮内拉线抱杆组塔方法。
国家电网公司集中规模招标采购00_10kV~750kV输电线路铁塔招标文件(技术规范通用部分)2011年目次10kV~750kV输电线路铁塔采购标准技术规范使用说明 (3)1 总则 (3)一般规定 (3)投标人应提供的资格文件 (3)工作范围 (4)标准和规范 (4)必须提交的技术数据和信息 (5)交货 (6)2 铁塔加工技术要求和性能参数 (6)概述 (6)技术要求和性能参数 (8)对原材料的控制要求 (8)紧固件、防松、防卸装置 (17)其他技术说明 (17)产品质量合格证 (17)标志、包装、运输 (17)工厂检验和监造 (18)技术服务 (19)其他要求 (19)附录A 供货业绩 (20)附录B 主要生产设备清单 (20)附录C 主要试验设备清单 (21)附录D 零部件、焊接件检测抽样方案 (21)1 总则一般规定1.1.1 投标人应具备招标公告所要求的资质,具体资质要求详见招标文件的商务部分。
1.1.2 投标人应仔细阅读本技术规范通用部分和专用部分在内的招标文件阐述的全部条款。
投标人提供的铁塔制造技术规范应符合本技术规范所规定的要求。
1.1.3 本技术规范提出了有关本工程使用铁塔的图纸放样、原材料采购、紧固件采购、铁塔构件加工、铁塔试组装、质量检验、包装及运输、售后服务等方面应执行的技术标准及要求。
1.1.4 本技术规范提出的是最低限度的技术要求,并未对一切技术细节作出规定,也未充分引述有关标准和规范的条文,投标人应提供符合本技术规范引用标准的最新版本标准和本招标文件技术要求的全新产品,如果所引用的标准之间不一致或本招标文件所使用的标准如与投标人所执行的标准不一致时,按要求较高的标准执行。
1.1.5 投标人提供的产品质量应达到GB/T 2694《输电线路铁塔制造技术条件》、DL/T 646《输变电钢管结构制造技术条件》、Q/GDW 384《输电线路钢管塔加工技术规程》等标准的要求。
1.1.6 铁塔制造企业应根据现行国家及行业标准、业主批准的施工图及有关技术文件,按计划工期要求进行。
中标方提供的铁塔应是全新的。
不能因施工图和技术文件的遗漏、疏忽和不明确而解脱中标方提供符合有关标准要求的铁塔和工作质量的责任。
中标方若发现技术文件有不正确之处,必须通知业主,在差异问题未纠正之前仍进行的任何工作,应由中标方负责。
1.1.7 如果投标人没有以书面形式对本招标文件技术规范的条文提出差异,则认为投标人提供的设备完全符合本招标文件的要求。
如有与本招标文件要求不一致的地方,必须逐项在“技术差异表”中列出。
1.1.8 本招标文件技术规范将作为订货合同的附件,与合同具有同等的法律效力。
本招标文件技术规范未尽事宜,由合同签约双方在合同谈判时协商确定。
1.1.9 本技术规范中涉及有关商务方面的内容,如与招标文件的商务部分有矛盾时,以商务部分为准。
1.1.10 本招标文件技术规范中通用部分各条款如与技术规范专用部分有冲突,以专用部分为准。
投标人应提供的资格文件投标人应按下列内容和顺序提供详实投标人资格文件。
投标人应保证所提交文件的真实性。
基本资质不满足要求、投标资料不详实或严重漏项将导致废标。
1.2.1 投标人应提供ISO 9000质量管理体系认证证书复印件;国家颁发有效的铁塔生产许可证复印件,铁塔生产许可证应与所投标包电压等级相符合;投钢管杆或钢管塔的投标人应提供有关部门颁发的相应电压等级的产品检验合格证或质量合格证。
1.2.2 投标人应提供与所投标包相应电压等级和以上电压等级工程铁塔供货记录并填写附录A,包括(但不限于)工程名称、供货数量、合同价格、订货时间、交货时间及相应的证明。
1.2.3 铁塔制造所依据的技术规范和工艺标准。
1.2.4 投标人近两年在国内相应电压等级工程供货合同执行过程中售后服务未有不良记录。
1.2.5 投标人近两年在国内相应电压等级工程供货合同执行过程中未因严重质量问题而造成批量退货(同一合同10%及以上退货)。
1.2.6 投标人近两年在国内相应电压等级工程供货合同执行过程中未因交货拖延问题而严重影响工程进度。
1.2.7 作为推荐的数据部分所提交的所有资料,对于中标方来说都将成为合同数据的一部分,对这些数据的任何差异均需项目管理单位予以认可。
1.2.8 投标人应提供生产招标产品的人员、检验设备、生产装备、台班生产能力、总生产能力等资料并填写附录B、附录C。
1.2.9 除以上内容外,投标人应对本技术规范要求的其他内容明确应答或明确承诺。
如果需要的话,投标人应免费提交招标人要求的供合理评标用的补充数据和资料。
如涉及Q420或Q460高强钢焊接、直缝焊管与法兰焊接,投标人应提供本企业高强钢焊接、直缝焊管与法兰焊接工艺文件、高强钢焊接管理人员、焊接作业人员资格证书及其冷加工、热加工工艺文件1.2.10 投标人需提供主要原材料供应商名单。
1.2.11 按招标文件的格式提供承诺函。
工作范围中标方的工作范围为:本工程所委托加工的各型铁塔的图纸放样、材料采购、铁塔构件加工、铁塔试组装、质量检验、包装及运输、售后服务等。
标准和规范中标方在生产制造中除按施工图指定的规范之外,中标人必须执行表1中标准的最新版本和招标文件的具体技术要求。
如标准间要求有差异时,应执行要求最高的标准。
表1 应执行的标准必须提交的技术数据和信息1.5.1 生产进度表:中标方应在合同签订后15天内向项目管理单位提交生产进度控制表。
生产进度控制表应以横道图表示材料采购、审图放样、样塔加工及试组装、批量生产、镀锌、工厂试验和检验、质量检验及包装发运的进度控制,包括对每项工作及其过程的补救方案和补救措施。
1.5.2 中标方在试组装前7天应向项目管理单位提交详细的试组装安排,以便项目管理单位决定是否组织有关各方参加验收。
1.5.3 文件和图纸:1)合同签订后10~30天内(少数塔型除外),项目管理单位按塔型分批向中标方提供铁塔加工图,每个塔型1式4份。
铁塔制造完工后 20 天内,中标方将2套含修改内容的加工竣工图提供给项目管理单位。
2)如果中标方在没有得到批准文件的情况下开始进行工作,中标方应对必要修改发生的费用承担全部的责任,不应因为有关文件的修改而变更合同价格,任何的修改和变更不减轻中标方对满足技术规范书的要求和承担的责任。
3)如需修改设计时,中标方应对设计部门经批准的书面修改文件报项目管理单位,提交文件内容包括(但不限于)工程名称、标题、中标方的专责工程师签名、准备日期和相应的修改文件编号。
1.5.4 铁塔制造所遵守的技术规范和工艺标准。
投标人应明确应答或明确承诺本工程铁塔制造所遵守的技术规范和工艺标准(包括企业标准和工艺规程)。
如果需要,招标方可要求投标人免费提供完整、有效的规范、标准和工艺文件。
对于本技术规范书的要求,投标人应根据材料供应、生产和检验设备、人力资源、生产工艺、质量标准及生产能力的真实情况如实填写技术偏差表。
1.5.5 铁塔出厂应提供的文件。
铁塔在出厂时,中标方应提供下列文件:1)产品出厂合格证(含镀锌合格证书),1式2份。
2)钢材、焊条、焊丝、锌锭及紧固件原始质保书和复验报告各2份。
3)铁塔加工清单1式2份。
4)设计变更和材料代用说明各2份(含修改后的安装说明)。
5)直缝焊管、带颈法兰等关键原材料的延伸监造证明1份;必要时提供Q420、Q460角钢、∠200以上大规格角钢的延伸监造证明。
6)检验项目的检验资料2套。
7)全部塔型加工完成后 20 天内,中标方向项目管理单位交付含修改内容的竣工草图各2套。
交货生产进度表规定了每一标段每一种塔型的交货期。
交货期指铁塔抵达目的地的时间。
中标方应对货物的制造、包装和运输到合同交货地负责,在货物交付时应提供完整的包装清单。
2 铁塔加工技术要求和性能参数概述输电线路铁塔应符合本技术规范节相关标准的要求。
技术要求和性能参数2.2.1 角钢塔的技术要求和性能参数2.2.1.1 一般要求1)角钢塔制造除符合GB/T 2694外还应满足本技术规范和本工程设计图纸的技术要求。
2)铁塔用材质应符合现行有关标准规定和设计文件的技术要求,并附有质量证明书。
按材料炉批号对制造铁塔所用的钢板、角钢、钢管、法兰、螺栓进行复验。
3)从事Q420、Q460高强钢焊接的人员,应取得相应的焊工资格证书。
4)铁塔材料涉及Q420、Q460等高强钢时,中标方应依据JGJ 81进行相应的焊接工艺评定,并编制相应的焊接工艺文件。
5)钢材在剪切和冲孔、冷矫正和冷弯曲时,其工作地点最低温度应按表2执行,否则不得进行冷加工作业。
表2 工作地点温度6)不同材质允许剪切、冲孔的最大厚度应符合表3的要求。
表3 允许剪切、冲孔的最大厚度7)构件加工允许偏差见表4,其余参见GB/T 2694。
8)制造和检验用的量具、仪器应有满足标准要求的精度,且在检定有效期内。
表4 构件加工允许偏差表4(续)表4(续)2.2.1.2 切断技术要求钢材的切断可以采用冷切割(锯切、剪切)或热切割(等离子切割、火焰切割),冷切割应优先采用锯切,热切割宜优先采用等离子切割,热切割后应对切割面进行处理。
2.2.1.3 制弯技术要求零件的制弯,应根据设计文件和施工图规定采用冷弯(宜在室温下)或均匀热弯(加热温度为900℃~950℃),但不得不均匀加热制弯,如采用割炬、割嘴烘烤等制弯。
碳素结构钢和低合金结构钢在温度分别下降到750℃和800℃之前,应结束加工,Q420、Q460钢在热变形加工后应适当保温缓冷并符合高强钢热加工的有关规定。
2.2.1.4 制孔技术要求除设计文件或图纸注明孔的制作方法外,不同材质允许冲孔的最大厚度应符合表3规定,大于表中规定时应采用钻孔工艺。
冲孔后构件周围表面不得有明显的凹面缺陷,大于0.3mm的毛刺应清除;钻孔后孔内壁粗糙度应达到μm≤R a≤μm。
2.2.1.5 焊接技术要求焊缝连接的结构,应按设计图纸中注明的焊缝质量等焊接和检验,其技术要求和检验标准,应符合GB 50205、GB/T 2694的有关规定,并满足下述要求:1)焊接前,连接表面及沿焊缝每边30mm~50mm,铁锈、毛刺和油污等必须清除干净。
2)定位焊用所用的焊接人员、焊接材料、焊接工艺应与正式焊接要求相同,定位焊厚度不宜超过设计焊缝高度的2/3。
3)焊工应按规定的焊接工艺文件施焊。
4)对设计要求或规范要求的一、二级焊缝,应进行焊缝外观质量检验,按规定对一、二级焊缝进行内部质量检验。
2.2.1.6 成品矫正技术要求矫正后的部件外观不应有明显的凸凹面和损伤,表面划痕深度不宜超过钢材厚度允许偏差的最小值。
2.2.1.7 热浸镀锌要求热浸镀锌应符合GB/T 2694和GB/T 13912的要求,按规定对镀锌质量进行检验。