印发《广东省建设工程工程量清单计价指引》的通知
- 格式:docx
- 大小:19.23 KB
- 文档页数:1
广东省建设委员会关于贯彻执行广东省建设工程计价办法(2003年)的通知正文:---------------------------------------------------------------------------------------------------------------------------------------------------- 广东省建设委员会关于贯彻执行广东省建设工程计价办法(2003年)的通知各有关单位:为认真贯彻执行国家标准《建设工程工程量清单计价规范》(GB50500—2003)、广东省建设厅颁发《广东省建筑工程计价办法》和《广东省建筑工程综合定额》(粤建价字[2003]79号)等文件的通知精神,结合广州地区建设工程的实际情况,现将有关事项通知如下:一、从2003年7月1日起,凡在广州地区进行招标或非招标的建筑、装饰装修、安装、市政、园林建筑绿化工程,在编制工程量清单和招标投标的标底、签订承发包合同、办理工程拨款、工程造价包干的计算、编制设计概算、施工图预算、竣工结算、调解处理工程造价纠纷、鉴定工程造价时,均按国家标准《建设工程工程量清单计价规范》(GB50500—2003)和《广东省建筑工程计价办法(2003年)》、《广东省建筑工程《广东省装饰装修工程综合定额(2003年)》;综合定额(2003年)》;《广东省装饰装修工程计价办法(2003年)》、《广东省安装工程计价办法(2003年)》、《广东省安装工程综合定额(2002年)》、《广州地区安装工程常用项目补充综合定额(2002年)》;《广东省市政工程计价办法(2003年)》、《广东省市政工程综合定额(2002年)》、《广州市市政工程主要项目补充综合定额(2002年)》;《广东省园林建筑绿化工程计价办法(2003年)》、《广东省园林建筑绿化工程综合定额(2003年)》进行计算。
同时,《广东省建筑工程计价办法(2001年)》、《广东省建筑工程量清单项目设置规则(2001年)》、《广东省建筑工程综合定额(2001年)》、《广州地区二OO一年建筑工程综合成本指导价》、《广州地区二OO一年建筑工程招标投标工程量清单与报价规则》、《广州地区建筑装饰工程价格表(试行)(1999年)》、《广州市园林建筑绿化工程预算基价表(1994年)》停止执行。
广东省实施《建设工程工程量清单计价规范》()若干意见第一条为规范我省建设工程计价行为,加强我省工程造价管理,根据《建设工程工程量清单计价规范》()(以下简称“计价规范”)、《广东省建设工程造价管理规定》等规定,结合我省实际,制定本意见。
第二条建设工程采用工程量清单计价方法的,必须执行计价规范。
建设工程采用定额计价方法的,应当执行计价规范中工程合同价款的约定、工程计量与价款支付、索赔与现场签证、工程价款调整、竣工结算、工程计价争议处理等规定。
第三条工程造价文件封面的签字盖章,是工程造价文件生效的必备条件。
工程造价文件封面的签字盖章,必须由注册在本单位的工程造价专业人员完成,并应当符合以下规定,方能生效:(一)编制人是造价工程师的,由其在编制人栏签字,盖执业专用章。
(二)编制人是造价员的,由其在编制人栏签字,盖专用章,并应由造价工程师复核,在复核人栏签字,盖执业专用章。
(三)建设工程当事人必须盖法人单位公章,其法定代表人或其授权人应当签字或盖章;工程造价咨询企业必须盖有企业名称、资质等级及证书编号的执业印章,其法定代表人或其授权人应当签字或盖章。
第四条建设工程采用工程量清单计价方法的,应当在招标文件或者合同中明确其他项目费、承包人风险、工程价款调整和工程计价时效等相关内容;没有明确或约定不明的,应当按照附表一至四的规定执行。
建设工程采用定额计价方法的,参照附表一至四的相关规定执行。
第五条采用工程量清单招标的建设工程,其工程量清单必须作为招标文件的组成部分。
招标人或受其委托具有相应资质的工程造价咨询企业应当按照计价规范和省的有关规定编制工程量清单,并对其准确性和完整性负责。
投标人发现工程量清单数量有误或描述不完整的,可在开标日前向招标人提出书面意见,招标人应当自接到书面意见之日起日内据实调整,并在开标日前书面通知所有投标人。
除规定应由投标人承担的风险外,招标人不得将工程量清单错漏责任转嫁给投标人,不得在招标文件中要求投标人投标报价时考虑工程量清单以外的缺项漏项、数量错误等内容,不得采用无限风险、所有风险或类似语句规定风险内容。
广东省建设工程计价通则广东省住房和城乡建设厅中国计划出版社广东省住房和城乡建设厅文件印发《广东省建设工程计价依据》的通知广州市城乡建设委、各地级以上市住房城乡建设局,各有关单位:根据国家标准《建设工程工程量清单计价规范》(GB50500一2008)、《建筑工程施工发包与承包计价管理办法》(建设部令第107号)、《广东省建设工程造价管理规定》(广东省政府令第4O号)等有关规定,我厅组织制订了《广东省建设工程计价依据》(以下简称本计价依据),本计价依据包括《广东省建设工程计价通则》、《广东省建筑与装饰工程综合定额》、《广东省安装工程综合定额》、《广东省市政工程综合定额》和《广东省园林绿化工程综合定额》。
现印发给你们,自2010年4月1日起施行。
2O06年《广东省建筑工程计价办法》和《广东省建筑工程综合定额》(粤价字(2O05]145号)、2O06年《广东省装饰装修工程计价办法》和《广东省装饰装修工程综合定额》(粤建价字(2O05]146号)、2O06年《广东省安装工程计价办法》和《广东省安装工程综合定额》(粤建价字(2005]147号)、2O06年《广东省市政工程计价办法》和《广东省市政工程综合定额》(粤建价字[2005]148号)、2006年《广东省园林建筑绿化工程计价办法》和《广东省园林建筑绿化工程综合定额》(粤建价字[2005]149号)同时停止执行。
本计价依据是工程计价的标准;是编审设计概算、招标控制价、施工图预算、工程计量与价款支付、工程价款调整、竣工结算,调解工程造价纠纷,鉴定工程造价的依据。
凡在2010年4月1日起经招标管理机构批准招标或非招标未签定合同的工程,均执行国家标准《建设工程工程量清单计价规范》(GB50500—2008)和本计价依据计价。
20l0年4月1日前已发出招标文件或已签定合同的工程,有约定的按其约定计价,没有约定的则不得调整。
各单位在执行过程中遇到的问题,请及时反映。
关于2010年第一季度建设工程结算及有穗建造价[2010] 31 号各有关单位:根据广州市城乡建设委员会《转发广东省住房和城乡建设厅印发〈广东省建设工程计我市自2010年4月1日起执行《广东省建设工程计价依据(2010年)》。
为了方便广州地区建设工程招标投标和工程结算, 2010年一季度起同时发布《广东省依据(2006年)》相应的计价规定,2011年一季度后不再发布《广东省建设工程计价依据(2006年)》相应的人工日工资价格、机械台班及其它材料(辅助材料)价差调整系数,相关事项通知如下:一、关于人工日工资价格问题(一)执行《广东省建筑工程综合定额(2006年)》、《广东省装饰装修工程综合定(2006年)》、《广东省安装工程综合定额(2006年)》、《广东省市政工程综合定额(2006年)》、《广州市市政工程补充综合定额(年)》、《广州地铁工程主要项目综合成本指导价(2001年)》的工程,2010年第一季度人工日工资价格均按60元计算;单独承包的建筑饰装修工程,2010年第一季度人工日工资价格按70元计算。
(二)执行《广州市房屋修缮工程预算定额(1998年)》的工程,2010年第一季度人(三)执行《广东省建筑与装饰工程综合定额(2010年)》、《广东省安装工程综合年)》和《广东省园林绿化工程综合定额(2010年)》的工程,现行综合工日、借工和时工的日工资价格按80元计算,停工和窝工的日工格按60元计算。
二、关于材料价格问题(一)2010年第一季度我市钢材、沥青混凝土、灰砂砖、蒸压加气混凝土砌块的价格《2010年第一季度广州地区建设工程常用材料综合价格》计算。
(二)执行《广东省安装工程综合定额(2006年)》和《广州市房屋修缮工程预算定材料)价差调整系数按附表二《2010年第一季度各专业工程其它材料(辅助材料)价差调整系数表》计算。
(三)执行《广东省安装工程综合定额(2010年)》的工程,现行其它材料(辅助材三、关于机械台班价格问题(一)执行《广东省建筑工程综合定额(2006年)》、《广东省装饰装修工程综合定(2006年)》、《广东省安装工程综合定额(2006年)》、《广东省市政工程综合定额(2006年)》、《广州市市政工程补充综合定额(年)》、《广州地铁工程主要项目综合成本指导价(2001年)》的工程,2010年第一季度机械台班价格按附表三《2010年第一季度广州地设工程机械台班指导价格》计算。
广东省建设工程计价依据广东省建设工程计价通则2 O 1 O广东省住房和城乡建设厅中国计划出版社广东省住房和城乡建设厅文件粤建市[2 0 1 0]1 5号印发《广东省建设工程计价依据》的通知广州市城乡建设委、各地级以上市住房城乡建设局,各有关单位:根据国家标准《建设工程工程量清单计价规范》(G B50500一2008)、《建筑工程施工发包与承包计价管理办法》(建设部令第107号)、《广东省建设工程造价管理规定》(广东省政府令第4O号)等有关规定,我厅组织制订了《广东省建设工程计价依据》(以下简称本计价依据),本计价依据包括《广东省建设工程计价通则》、《广东省建筑与装饰工程综合定额》、《广东省安装工程综合定额》、《广东省市政工程综合定额》和《广东省园林绿化工程综合定额》。
现印发给你们,自2010年4月1日起施行。
2O06年《广东省建筑工程计价办法》和《广东省建筑工程综合定额》(粤建价字(2 O 0 5]1 4 5号)、2 O 06年《广东省装饰装修工程计价办法》和《广东省装饰装修工程综合定额》(粤建价字(2 O 05]1 4 6号)、2 O 06年《广东省安装工程计价办法》和《广东省安装工程综合定额》(粤建价字(2005]147号)、2O06年《广东省市政工程计价办法》和《广东省市政工程综合定额》(粤建价字[2005]148号)、2006年《广东省园林建筑绿化工程计价办法》和《广东省园林建筑绿化工程综合定额》(粤建价字[2 0 05]1 4 9号)同时停止执行。
本计价依据是工程计价的标准;是编审设计概算、招标控制价、施工图预算、工程计量与价款支付、工程价款调整、竣工结算,调解工程造价纠纷,鉴定工程造价的依据。
凡在2010年4月1日起经招标管理机构批准招标或非招标未签定合同的工程,均执行国家标准《建设工程工程量清单计价规范》(GB5 05 o 0—2 008)和本计价依据计价。
2 o l 0年4月1日前已发出招标文件或已签定合同的工程,有约定的按其约定计价,没有约定的则不得调整。
广东省建设工程计价通则(2022)引言当今我省建筑市场呈现出一派繁荣并充满生机,预示着我省建筑市场正走上前所未有的发展。
为巩固和发展这一局面,首要的是政府必须对建筑市场实施规范化管理,以保障建设各方权益,构建和谐建筑市场。
工程造价是建筑市场的灵魂。
国家《标准施工招标文件》、《建设工程工程量清单计价规范》(GB50500-2022)的施行,给我国工程造价行业带来机遇,也带来挑战。
我省在总结实施工程量清单计价情况的基础上,借鉴西方经济发达国家的先进经验,关注着新形势下建筑市场出现的新情况、新问题,进一步建立健全政府监督机制,使我省工程造价领域走向人性化,《广东省建设工程计价通则》(2022)(以下简称“本通则”)就此应运而生。
本通则的发布,工程造价同行必须未雨绸缪,只有先行一步,把握机会,领略本通则的要点和内涵,才能在建筑市场竞争中,运筹帷幄;才能在建筑市场竞争中,稳操胜券!曾听一位国内同行说,我国工程造价行业要发展既易又难。
易的是同行们学得快、用得快;难的是同行们无法形成合力,难以凝聚主流。
这是反映行业现状的由衷心声,也是制约行业发展的主要症结。
随着本通则的实施,作为工程造价同行,应在掌握和熟悉应用本通则的前提下,完善本通则的操作流程,广开门路,以大气度去相互交流,以大包容去促进行业发展!一、出台背景1、国务院从2003年起,在全国范围开展清理拖欠工程款、清理拖欠农民工工资的活动。
最高人民法院于2004年9月29日发布了《关于审理建设工程施工合同纠纷案件适用法律问题的解释》该解释涉及工程合同条款如何认定的问题,为规范工程计价行为提供了法律保障。
2、财政部、建设部于2004年10月20日印发了《建设工程价款结算暂行办法》(财建[2004]369号),在一定程度上规范了工程结算行为。
3、2003年10月15日,建设部、财政部印发了《建筑安装工程费用项目组成》(建标[2003]206号),提出了检验试验费、措施费和规费等概念。
(粤建市[2010]15号)广东省住房和城乡建设厅印发《广东省建设工程计价依据》的通知广东省住房和城乡建设厅印发《广东省建设工程计价依据》的通知粤建市[2010]15号广州市城乡建设委、各地级以上市住房城乡建设局,各有关单位:根据国家标准《建设工程工程量清单计价规范》(GB50500-2008)、《建筑工程施工发包与承包计价管理办法》(建设部令第107号)、《广东省建设工程造价管理规定》(广东省政府令第40号)等有关规定,我厅组织制订了《广东省建设工程计价依据》(以下简称本计价依据),本计价依据包括《广东省建设工程计价通则》、《广东省建筑与装饰工程综合定额》、《广东省安装工程综合定额》、《广东省市政工程综合定额》和《广东省园林绿化工程综合定额》。
现印发给你们,自2010年4月1日起施行。
2006年《广东省建筑工程计价办法》和《广东省建筑工程综合定额》(粤建价字〔2005〕145号)、2006年《广东省装饰装修工程计价办法》和《广东省装饰装修工程综合定额》(粤建价字〔2005〕146号)、2006年《广东省安装工程计价办法》和《广东省安装工程综合定额》(粤建价字〔2005〕147号)、2006年《广东省市政工程计价办法》和《广东省市政工程综合定额》(粤建价字〔2005〕148号)、20061年《广东省园林建筑绿化工程计价办法》和《广东省园林建筑绿化工程综合定额》(粤建价字〔2005〕149号)同时停止执行。
本计价依据是工程计价的标准;是编审设计概算、招标控制价、施工图预算、工程计量与价款支付、工程价款调整、竣工结算,调解工程造价纠纷,鉴定工程造价的依据。
凡在2010年4月1日起经招标管理机构批准招标或非招标未签定合同的工程,均执行国家标准《建设工程工程量清单计价规范》(GB50500-2008)和本计价依据计价。
2010年4月1日前已发出招标文件或已签定合同的工程,有约定的按其约定计价,没有约定的则不得调整。
佛山市住房和城乡建设局文件佛建建市〔2010〕2号关于贯彻执行2010年《广东省建设工程计价依据》的通知各区住房和城乡建设局(国土城建和水利局),各有关单位: 广东省住房和城乡建设厅组织制订的2010年《广东省建设工程计价依据》已于2010年4月1日颁发施行(见粤建市〔2010〕15号),本计价依据包括《广东省建设工程计价通则》、《广东省建筑与装饰工程综合定额》、《广东省安装工程综合定额》、《广东省市政工程综合定额》和《广东省园林绿化工程综合定额》。
为了在我市更好地贯彻执行2010年《广东省建设工程计价依据》,现将有关实施意见通知如下:一、2010年《广东省建设工程计价依据》是我省在新形势下贯彻执行国家和省有关计价规定的实施办法,全市必须按省厅的统一部署和要求严格执行。
— 1 —二、凡在2010年7月1日起经招标管理机构批准招标或非招标未签定合同的工程均执行国家标准《建设工程工程量清单计价规范》(GB2008-50300)和2010年《广东省建设工程计价依据》计价;2010年7月1日前已招标或已签订合同的工程,有约定的按其约定计价,没有约定的则不得调整。
三、关于动态人工工资单价(一)执行2010年《广东省建设工程计价依据》的工程不分专业、类别,工日动态工资统一按71元/工日计取(注:该动态人工工资单价已含住房公积金与社会保险费)。
动态人工工资单价应作为全部使用国有资金投资或国有资金投资为主的工程项目编制工程设计概算、施工图预算和招标控制价的人工费计取依据。
(二)执行2006年《广东省建设工程计价依据》的建筑工程、装饰装修工程(除幕墙和家具工程外)、安装工程、市政工程、园林建筑绿化工程的工日动态工资不分专业、类别,统一按54元/工日(注:该动态人工工资单价不含住房公积金与社会保险费)计取;执行 2006年《广东省装饰装修工程综合定额》的“B.5幕墙工程”、“B.7家具工程”这两章内的所有项目的工日动态工资按60元/工日(注:该动态人工工资单价不含住房公积金与社会保险费)计取。
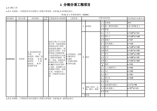
1 分部分项工程项目A.3 砌筑工程A.3.1 砖基础。
工程量清单项目设置及工程量计算规则,应按表A.3.1的规定执行。
粤表A.3.1 砖基础(编码:010301)A.3.2 砖砌体。
工程量清单项目设置及工程量计算规则,应按表A.3.2的规定执行。
粤表A.3.2 砖砌体(编码:010302)3.砂浆强度等级、配合比A.3.3 砖构筑物。
工程量清单项目设置及工程量计算规则,应按表A.3.3的规定执行。
粤表A.3.3 砖构筑物(编码:010303)格 4.耐火泥品种5.勾缝要求6.砂浆强度等级5.砌内衬6.勾缝7.材料运输输 3.铺设垫层4.底板混凝土制作、运输、浇筑2.垫层材料种类、厚度3.底板厚度A.3.4 砌块砌体。
工程量清单项目设置及工程量计算规则,应按表A.3.4的规定执行。
粤表A.3.4 砌块砌体(编码:010304)A.3.5 石砌体。
工程量清单项目设置及工程量计算规则,应按表A. 3.5的规定执行。
粤表A.3.5 石砌体(编码:010305)、配合比槽、消火栓箱所占体积,不扣除梁头、板格 2.墙厚嵌入墙内的钢筋混凝输 2.砌石A.3.6 砖散水、地坪、地沟。
工程量清单项目设置及工程量计算规则,应按表A.3.6的规定执行。
粤表A.3.6 砖散水、地坪、地沟(编码:010306)A.3.7 地下管道铺设。
工程量清单项目设置及工程量计算规则,应按表A.3.8的规定执行。
粤表A.3.7 地下管道铺设 (编码:010307)3.混凝土强度等3.混凝土制作、心线长度计算010307001设A.3.8 轻质墙板。
工程量清单项目设置及工程量计算规则,应按表A.3.8的规定执行。
粤表A.3.8 轻质墙板 (编码:010308)。
附录D 市政工程工程量清单项目及计算规则1 分部分项工程项目D.1 土石方工程D.1.1 挖土方。
工程量清单项目设置及工程量计算规则,应按表D.1.1的规定执行。
粤表D.1.1 挖土方 (编码:040101)D.1.2 挖石方。
工程量清单项目设置及工程量计算规则,应按表D.1.2的规上执行。
粤表D.1.2 挖石方 (编码:040102)D.1.3 填方及土石方运输。
工程量清单项目设置及工程量计算规则,应按表D.1.3的规定执行。
粤表D.1.3 填方及土石方运输(编码:040103)D.1.4 其他相关问题应按下列规定处理:1 挖方应按天然密实度体积计算,填方应按压实后体积计算。
2 沟槽、基坑、一般土石方的划分应符合下列规定:1) 底宽7m以内,底长大于底宽3倍以上应按沟槽计算。
2) 底长小于宽3倍以下,底面积在150m2以内应按基坑计算。
3)超过上述范围,应按一般土石方计算。
D.2 道路工程D.2.1 路基处理。
工程量清单项目设置及工程量计算规则,应按表D.2.1的规定执行。
粤表D.2.1 路基处理(编码:040201)D.2.2 道路基层。
工程量清单项目设置及工程量计算规则,应按表D.2.2的规定执行。
粤表D.2.2道路基层(编码:040202)D.2.3 道路基层。
工程量清单项目设置及工程量计算规则,应按表D.2.3的规定执行。
粤表D.2.3 道路面层(编码:040203)D.2.4 人行道及其他。
工程量清单项目设置及工程量计算规则,应按表D.2.4的规定执行。
粤表D.2.4 人行道及其他(编码:040204)D.2.5 交通管理设施。
工程量清单项目设置及工程量计算规则,应按表D.2.5的规定执行。
粤表D.2.5 交通管理设施(编码:040205)D.2.6 道路工程厚度均应以压实后为准D.3 桥涵护岸工程D.3.1 桩基。
工程量清单项目设置及工程量计算规则,应按表D.3.1的规定执行。
粤表D.3.1 桩基 (编码:040301)D.3.2 现浇混凝土。
广东省仿古建筑工程工程量清单计价指引2013广东省建设工程造价管理总站广东省仿古建筑工程工程量清单计价指引(2013)主要编审人员审批:卢立明主要编制人:周明科刘玉文练世彬陈洁文林光柱成冬楠王爱华周舜英陈智华工作配合人员:沈英英潘艳娇陈秋梅邹科刘军洪涛陈伟才姚良宾陈师建李拓航吴倩周军李焦陈俊达技术支持:广联达软件股份有限公司、广州同望软件有限公司、广州易达建信科技开发有限公司、深圳市斯维尔科技有限公司、广州市殷雷信息技术有限公司、广东华联软件科技有限公司目录总说明 (1)第一部分广东省仿古建筑工程工程量清单计价指引 (3)附录A 砖作工程 (5)A.1砌砖墙 (5)A.2贴砖 (6)A.3砖檐 (8)A.4墙帽 (8)A.5砖券(拱)、月洞、地穴及门窗套 (9)A.6漏窗 (10)A.7须弥座 (12)A.8影壁、看面墙、廊心墙 (12)A.9槛墙、槛栏杆 (14)A.10砖细构件 (15)A.11小构件及零星砌体 (20)A.12砖浮雕及碑镌字 (23)附录B石作工程 (24)B.1台基及台阶 (24)B.2望柱、栏杆、磴 (29)B.3柱、梁、枋 (31)B.4墙身石活及门窗石、槛垫石 (32)B.5石屋面、拱券石、拱眉石及石斗拱 (35)B.6石作配件 (37)B.7石浮雕及镌字 (40)附录C琉璃砌筑工程 (41)C.1琉璃墙身 (41)C.2琉璃博风、挂落、滴珠板 (42)C.3琉璃须弥座、梁枋、垫板、柱子、斗拱等配件 (43)附录D混凝土及钢筋混凝土工程 (46)D.1现浇混凝土柱 (46)D.2现浇混凝土梁 (47)D.3现浇混凝土桁、枋 (50)D.4现浇混凝土板 (51)D.5现浇混凝土其他构件 (51)D.6预制混凝土柱 (53)D.7预制混凝土梁 (54)D.8预制混凝土屋架 (57)D.9预制混凝土桁、枋 (58)D.10预制混凝土板 (59)D.11预制混凝土椽子 (60)D.12预制混凝土其他构件 (61)附录E木作工程 (63)E.1柱 (63)E.2梁 (64)E.3桁(檩)、枋、替木 (66)E.4搁栅 (67)E.5椽 (67)E.6戗角 (70)E.7斗拱 (72)E.8木作配件 (73)E.9古式门窗 (76)E.10古式栏杆 (80)E.11鹅颈靠背、楣子、飞罩 (80)E.12墙、地板及天花 (82)E.13匾额、楹联(对联)及博古架(多宝格) (82)E.14木作防火处理 (83)附录F屋面工程 (84)F.1小青瓦屋面 (84)F.2 筒瓦屋面 (85)F.3琉璃屋面 (88)附录G地面工程 (92)G.1细墁地面 (92)G.2糙墁地面 (93)G.3细墁散水 (97)G.4糙墁散水 (98)G.5墁石子地 (99)附录H抹灰工程 (100)H.1墙面抹灰 (100)H.2柱梁面抹灰 (101)H.3其他仿古项目抹灰 (102)H.4墙、柱、梁及零星项目贴仿古砖片 (103)附录J油漆彩画工程 (105)J.1山花板、博缝(风)板、挂檐(落)板油漆 (105)J.2连檐、瓦口、椽子、望板、天花、顶棚油漆 (106)J.3上下架构件油漆 (108)J.4斗拱、垫拱板、雀替、花活油漆 (109)J.5门窗扇油漆 (110)J.6木装修油漆 (111)J.7山花板、挂檐(落)板彩画 (114)J.8椽子、望板、天花、顶棚彩画 (114)J.9上下架构件彩画 (116)J.10斗拱、垫拱板、雀替、花活、楣子、墙边彩画 (117)J.11国画颜料、广告色彩画 (118)附录K措施项目 (119)K.1脚手架工程 (119)K.2混凝土模板及支架 (122)K.3垂直运输 (127)K.4超高施工增加 (128)K.5大型机械设备进出场及安拆 (129)K.6施工降水排水工程 (129)K.7安全文明施工及其他措施项目 (130)第二部分关于实施《房屋建筑与装饰工程工程量计算规范》(GB50854-2013)等的若干意见(粤建造发【2013】4号) (133)总 说 明一、《广东省仿估建筑工程工程量清单计价指引(2013)》(以下称本指引)适用于指导仿估建筑工程、石作和景观工程、构筑物工程工程量清单计价和工程量清单项目综合单价分析。
广东省建设工程计价通则第 1 页共 24 页广东省建设工程计价通则编制报告一、什么是计价通则,计价通则是一本融建设项目全过程工程计价技术与管理于一体、通用于建设项目全过程工程计价活动的准则。
二、执行时间广东省住房和城乡建设厅于2010年2月26日正式批准“印发《广东省建设工程计价依据》的通知” ,要求自2010年4月1日起施行。
该文件明确规定:《广东省建设工程计价依据》包括《广东省建设工程计价通则》、《广东省建筑与装饰工程综合定额》、《广东省安装工程综合定额》、《广东省市政工程综合定额》和《广东省园林绿化工程综合定额》,全省必须统一执行。
摘自(粤建市[2010]15号)三、出台目的规范我省建设工程造价计价行为,合理确定和有效控制工程造价,维护建设工程发包与承包双方的合法权益。
——摘自【条文1.0.1】1.一方面规范建设项目工程造价全过程计价行为,另一方面既规范工程量清单计价行为,也规范定额计价行为。
2.通过规范工程计价行为,使建设项目的工程造价得到合理确定和有效控制,从而维护工程发包、承包双方的合法权益。
“四、适用范围适用于我省行政区域内建设工程计价活动。
1.建设工程,包括建筑与装饰工程、安装工程、市政工程、园林绿化工程和房屋修缮工程等专业。
2.建设工程计价活动,包括工程量清单编制、概算价编审、招标控制价编审、投标价编制、工程合同价款约定、工程计量与工程价款支付、工程价款调整、竣工结算办理、工程尾款清算、工程计价纠纷处理以及工程计价监管等活动。
——摘自【条文1.0.2】同时进一步规定: 我省行政区域内全部使用国有资金投资或国有资金投资为主(以下二者简称“国有资金投资”)的建设工程,在编制和核对工程量清单、概算价、招标控制价、预算价或标底价、投标价、合同价、进度款、结算价等工程造价文件时,必须遵守本通则;在编制和核对投资估算、竣工决算等工程造价文件时,应遵守本通则。
——摘自【条文1.0.3】五、计价原则建设工程计价活动,必须遵循客观、公平、公正的原则。
广东省建设工程计价依据广东省建设工程计价通则2 O 1 O广东省住房和城乡建设厅中国计划出版社广东省住房和城乡建设厅文件粤建市[2 0 1 0]1 5号印发《广东省建设工程计价依据》的通知广州市城乡建设委、各地级以上市住房城乡建设局,各有关单位:根据国家标准《建设工程工程量清单计价规范》(GB50500一2008)、《建筑工程施工发包与承包计价管理办法》(建设部令第107号)、《广东省建设工程造价管理规定》(广东省政府令第4O号)等有关规定,我厅组织制订了《广东省建设工程计价依据》(以下简称本计价依据),本计价依据包括《广东省建设工程计价通则》、《广东省建筑与装饰工程综合定额》、《广东省安装工程综合定额》、《广东省市政工程综合定额》和《广东省园林绿化工程综合定额》。
现印发给你们,自2010年4月1日起施行。
2O06年《广东省建筑工程计价办法》和《广东省建筑工程综合定额》(粤建价字(2 O 0 5]1 4 5号)、2 O 06年《广东省装饰装修工程计价办法》和《广东省装饰装修工程综合定额》(粤建价字(2 O 05]1 4 6号)、2 O 06年《广东省安装工程计价办法》和《广东省安装工程综合定额》(粤建价字(2005]147号)、2O06年《广东省市政工程计价办法》和《广东省市政工程综合定额》(粤建价字[2005]148号)、2006年《广东省园林建筑绿化工程计价办法》和《广东省园林建筑绿化工程综合定额》(粤建价字[2 0 05]1 4 9号)同时停止执行。
本计价依据是工程计价的标准;是编审设计概算、招标控制价、施工图预算、工程计量与价款支付、工程价款调整、竣工结算,调解工程造价纠纷,鉴定工程造价的依据。
凡在2010年4月1日起经招标管理机构批准招标或非招标未签定合同的工程,均执行国家标准《建设工程工程量清单计价规范》(GB5 05 o 0—2 008)和本计价依据计价。
2 o l 0年4月1日前已发出招标文件或已签定合同的工程,有约定的按其约定计价,没有约定的则不得调整。
广东省建设工程计价依据广东省建设工程计价通则2 O 1 O广东省住房和城乡建设厅中国计划出版社广东省住房和城乡建设厅文件粤建市[2 0 1 0]1 5号印发《广东省建设工程计价依据》的通知广州市城乡建设委、各地级以上市住房城乡建设局,各有关单位:根据国家标准《建设工程工程量清单计价规范》(G B50500一2008)、《建筑工程施工发包与承包计价管理办法》(建设部令第107号)、《广东省建设工程造价管理规定》(广东省政府令第4O号)等有关规定,我厅组织制订了《广东省建设工程计价依据》(以下简称本计价依据),本计价依据包括《广东省建设工程计价通则》、《广东省建筑与装饰工程综合定额》、《广东省安装工程综合定额》、《广东省市政工程综合定额》和《广东省园林绿化工程综合定额》。
现印发给你们,自2010年4月1日起施行。
2O06年《广东省建筑工程计价办法》和《广东省建筑工程综合定额》(粤建价字(2 O 0 5]1 4 5号)、2 O 06年《广东省装饰装修工程计价办法》和《广东省装饰装修工程综合定额》(粤建价字(2O 05]146号)、2O06年《广东省安装工程计价办法》和《广东省安装工程综合定额》(粤建价字(2005]147号)、2O06年《广东省市政工程计价办法》和《广东省市政工程综合定额》(粤建价字[2005]148号)、2006年《广东省园林建筑绿化工程计价办法》和《广东省园林建筑绿化工程综合定额》(粤建价字[2 0 05]1 4 9号)同时停止执行。
本计价依据是工程计价的标准;是编审设计概算、招标控制价、施工图预算、工程计量与价款支付、工程价款调整、竣工结算,调解工程造价纠纷,鉴定工程造价的依据。
凡在2010年4月1日起经招标管理机构批准招标或非招标未签定合同的工程,均执行国家标准《建设工程工程量清单计价规范》(GB5 05 o 0—2 008)和本计价依据计价。
2 o l 0年4月1日前已发出招标文件或已签定合同的工程,有约定的按其约定计价,没有约定的则不得调整。
印发《广东省建设工程工程量清单计价指引》的通知
粤建造发〔2013〕6号
各有关单位:
国家标准《房屋建筑与装饰工程工程量计算规范》(GB50584--2013)等计算规范(以下简称2013计算规范)从2013年7月1日起实施。
为指导建设工程工程量清单计价和工程量清单项目综合单价分析,我站依据2013计算规范、2010广东省建设工程计价依据等,组织编制了《广东省建设工程工程量清单计价指引》(以下简称本计价指引)。
本指引包括《广东省房屋建筑与装饰工程工程量清单计价指引》、《广东省仿古建筑工程工程量清单计价指引》、《广东省构筑物工程工程量清单计价指引》、《广东省市政工程工程量清单计价指引》、《广东省安装工程工程量清单计价指引》和《广东省园林绿化工程工程量清单计价指引》。
现印发给你们,自发布之日起施行。
广东省建设工程造价管理总站
二〇一三年十二月四日抄报:广东省住房和城乡建设厅
1 / 1。