水泥磨中心传动施工方案模板
- 格式:doc
- 大小:301.00 KB
- 文档页数:11
水泥磨安装施工方案一、前期准备工作1.组织施工班组,明确任务和责任。
2.配置所需人员和设备,包括搬运工、操作工、施工工具和设备等。
3.调查现场环境和施工条件,进行现场勘测和测量。
4.制定详细的施工计划和施工流程,确保施工的顺利进行。
二、安装施工工序1.确定水泥磨的安装位置,根据现场条件确定固定方式。
2.对水泥磨进行组装,按照供应商提供的装配图纸进行组装。
确保结构的牢固性和稳定性。
3.安装水泥磨的传动装置和电气系统,进行连接和调试。
4.安装磨辊和砂轮,进行调整和校准,确保磨削效果和精度。
5.安装砂浆输送设备和材料处理设备,进行连接和调试。
6.进行综合调试,包括机械传动系统、电气系统、自动控制系统等,确保系统的正常运行。
7.进行试运行,测试水泥磨的性能和效果。
三、验收和试运行1.进行设备的验收,包括外观质量、机械性能和安全性能等方面的检查。
2.进行设备的试运行,测试设备的工作状态和性能。
3.进行设备的调整和优化,保证设备的稳定、高效运行。
四、安全措施和质量控制1.制定安全施工方案,确保施工过程中的安全。
2.建立质量控制体系,包括制定施工工艺和质量标准等。
3.进行设备的验收和试运行,确保设备的质量和性能。
4.做好设备和材料的防护措施,确保设备和施工环境的卫生和安全。
五、施工结束和技术交底1.施工结束后进行相关设备和工程的清理和整理。
2.组织相关人员进行技术交底,传授设备操作和维护的知识。
3.形成相关的文件和记录,包括施工报告、验收报告和试运行记录等。
总结:水泥磨安装施工过程中,需要严格遵循施工计划和施工流程,进行前期准备工作,并按照安装工序逐步进行。
在施工过程中要注意安全措施和质量控制,确保设备的安装质量和施工安全。
施工结束后进行相关整理工作,并进行技术交底,做好相关记录和文件。
通过以上步骤的实施,可以确保水泥磨安装施工的顺利进行,保证设备的正常运行。
水泥磨(中心传动)安装施工方案1水泥磨安装施工工序和检验控制流程图2基础部分2.1基础验收2.1.1基础外形尺寸、中心线、地脚螺栓孔以及相互位置实测尺寸与工艺图设计尺寸相对照,应符合表1要求:表1 未注明单位:mm基准标高点。
基准标高点要略高于基础平面,表面要平整,周围应采取措施保护好。
根据土建基准点和基准线,用经纬仪一次放出磨机、减速机及电机的纵向中心线,在中心标板上用样冲打上中心点,然后根基工艺图设计尺寸,划出磨机基础及传动的横向中心线。
2.3砂墩的布置及制作2.3.1主轴承处垫铁:尺寸120×260×16mm,共计40块;主轴承处斜垫铁:尺寸100×240×10~20mm,共计80块;2.3.2砂墩的制作砂墩的制作技术要求见表2;表2 未注明单位:mm砂墩的制作必须使用专用模具。
砂墩材料配比:525号硅酸盐水泥:中砂:水=1:1:适量;砂墩制作前,必须将基础表面铲麻,并用水将表面冲洗干净。
砂墩必须捣实,用水平仪、水准仪将砂墩的垫铁找正。
3支承部分3.1轴承底座检查划线将底座除锈、清理、去毛刺,尤其是加工面,如有撞击伤疤一定要挫平。
以配合面为依据,在底座上划出十字中心线,并引至底座外侧,用样冲打上标记。
3.2底座的吊装和粗找正底座粗找正的技术要求见表3表3 未注明单位:mm3.3一次灌浆3.3.1灌浆前,应将地脚螺栓孔壁用水淋湿,对设备进行初找正,并对地脚螺栓的安装质量进行确认,然后方可进行地脚螺栓孔灌浆。
3.3.2灌浆一般宜用细碎石混凝土(碎石直径宜为10mm左右),其标号应比基础的混凝土标号高一级。
3.5底座的精找正底座精找正的技术要求见表3,精找正后地脚螺栓必须全部紧固。
表3 未注明单位:mm底座的精找正标高偏差必须能够保证磨体进料端高于出料端。
3.6轴瓦的检查与刮研3.6.1主轴承的检查与刮研主轴承的检查与刮研的技术要求见表4表4 未注明单位:mm表5 中空轴轴颈与主轴承球面瓦配合侧隙冷却水通道应进行0.6Mpa水压试验,8分钟不得泄压。
水泥磨机施工方案一、概述在水泥工业中,球磨机是主要粉磨设备。
其主要结构是由回转部分、球瓦轴承或滑履轴承、进料装置、卸料装置、传动装置和润滑装置组成,其中吊装的单件最大重量105T。
回转的磨筒体水平装置在滑履轴承上。
磨筒体为钢板卷制焊接而成的圆筒,筒体内用隔仓板分成若干仓,每个仓筒体内壁装有耐磨衬板;滑履轴承是回转部分的支承装置,磨机回转部分的轴颈支承在球形瓦与底座组成的两个主轴承上或筒体的滑圈支承在两组与竖直方向成300角的托瓦形式的滑履轴承上。
磨机的组成:由进料装置、支承装置、回转装置、卸料装置、传动装置等组成,见示图:组成磨机的主要零部件见示意图:1—辅助电机;2—辅助减速机;3—主电机;4—主减速机;5—出料装置;6—出料端支承装置;7—出料端中空轴;8—筒体;9—人孔门;10—进料端支承装置;11—进料端中空轴;12—进料装置;13—扭力接管;14—联轴器二、磨机的特点及要求:磨机是水泥生产工艺线上的关键设备,由于它自身结构、性能、使用上的特点,使其安装工作形成如下特点:1、安装精度高,要求施工过程中有较高的技术水平,丰富的实践经验;施工中须使用合格的、经过定期检测的、高精度的检测工具的仪器。
2、施工难度大,不安全因素多;必须加强安全教育、安全措施、安全管理,杜绝重大安全事故的发生。
3、由于设备的外形、重量大,施工中采用大型、重型的起重和运输设备。
三、磨机安装工艺过程:四、基础验收、划线与垫铁敷设1、基础验收基础验收是建设单位与安装单位共同进行的工作(也可以邀请土建单位参加),必须依照工艺布置图、设备图、设备的实际尺寸对基础进行验收,具体要求见第一章第五节。
2、基础凿毛在基础凿毛的同时,可进行标高基准点、中心标板、放线支架的制作与敷设。
标高基准点、中心标板、放线支架的具体位置布置见示意图:3、基础划线这是一项细致的工作,划线的正确与否,直接影响磨机安装质量。
A、划线依据:根据磨机实测长度及图纸中的各相关尺寸。
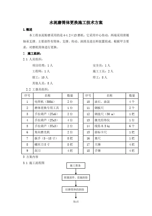
水泥磨筒体更换施工技术方案1.概述本工程水泥粉磨采用的是φ4.2×13磨机,它采用中心传动,两端采用滑履轴承支撑。
主要部件有筒体、支撑、传动、润滑及进出料装置组成。
根据甲方要求,对磨机筒体进行更换。
2. 施工组织: 2.1 人员组织:项目经理:1人 安全员:1人 工程师:1人 施工工长:2人 钳工:10人 焊工:8人 其他人员:8人 2.2 工器具组织:3 方案内容 3.1 施工流程图3.2 施工准备3.2.1仔细查看水泥磨系统的相关图纸,并结合图纸熟悉现场的情况,确定需要拆除的相关联接件。
3.2.2 施工的电源、工具、机具、准备齐全,并接好焊机、割枪备用。
3.2.3 与甲方进行有效沟通,施工现场安排负责人,协调相关事宜。
3.3 附属部件、设施的拆除3.3.1拆除磨机两端的稀油站及油管、循环水管,放到合适位置备用。
3.3.2拆除部分磨机进出料溜子及收尘风管,放到合适位置备用;拆除进出料装置。
3.3.3 打开磨机筒体检查门,倾倒钢球,并移开备用,以免防碍磨机筒体的拆除。
3.3.4 先在磨体内部铺些木板,然后拆除磨筒体顶部的衬板螺栓,用大锤振落衬板,并移出衬板放置好备用。
接着拆除其余筒体衬板。
3.3.5 拆除隔仓板衬板、塞板、隔仓板、筒体前后端的衬板。
3.3.6 拆除磨机与减速机之间的膜片联轴器(与减速机联接端必须做好标记),放置妥当备用。
3.3.7 拆除磨机两端的滑履罩,放置好备用。
3.3.8 依次拆除滑履轴承(以下简称磨瓦)两端的铜挡板、垫片,制作标记,放置好备用。
3.3.9 拆除其他影响磨机筒体起升或转动时的设施。
3.4 磨机旧筒体的拆除3.4.1 顶磨抽瓦3.4.1.1 用专用工具顶在磨筒体的中心位置,将磨筒体慢慢顶起。
3.4.1.2 当滑履与磨瓦之间有50mm间隙时,暂停,将磨瓦依次拆除,拆除过程必须缓慢,严禁碰伤磨瓦,并做好标记。
3.4.2 拆除磨筒体3.4.2.1 根据瓦座的高度,如果磨筒体的起升高度不够,用专用工具继续抬升磨筒体。
Φ4.2m*13m磨机施工方案淄川崇正120万吨/t项目水泥粉磨装置所采用的磨机为中心传动磨机,两端采用滑履轴承(焊接式滑环)支撑,缩短了磨机跨距,受力良好,支撑稳定,筒体厚度大大减薄,从而降低磨机重量,制造简单、零部件少、用户备件可减少,维护方便。
主要由进料装置、回转部分、出料装置、滑履轴承和滑履轴承润滑系统组成。
其工作原理是:物料由进料装置中的进料溜子直接喂入磨机筒体内的粗磨仓,在平均直径较大的研磨体(钢球)的冲击研磨下得到粉碎。
被粉碎到一定粒度的物料通过隔仓板的粗筛板之间的缝隙进入组合式隔仓板,而粗磨仓的研磨体则被隔仓板的粗筛板挡住。
物料在组合式隔仓板内被细筛板进一步筛析,过粗物料被筛出,并返回粗磨仓,而小于细筛板尺寸的细料被扬料板扬起进入细磨仓,在细磨仓内被小研磨体进一步研磨,达到一定细度要求的物料经出料篦板、出料筒进入出料装置并被排出,进入高效选粉机进行选粉,磨细了的研磨体残余同出料装置的排渣口排出。
水泥磨管磨的主要技术性能参数如下:(1)、配套规模:120万t/d水泥粉磨(2)、磨机规格:Ф4.2m×13m(3)、生产能力:195t/h(4)、传动方式:中心传动;支承方式:双滑履(5)、电机功率:3550KW;转速:745r/min(6)、设备总重:(磨体、滑履轴承、减速机、主辅传电机)372t、研磨体235t 2、编制依据双滑履式水泥磨使用说明书图纸技术交底水泥磨车间工艺布置图水泥机械设备安装工程施工及验收规范JCJ 03-90破碎、粉磨设备安装工程施工及验收规范GB50276-983、人员组织及主要施工机具3.1、施工人员组织结构工长、磨机安装班组、铆工: 二人其他: 叁人起重工:二人钳工: 叁人焊工: 二人4、安装计划网络图(附图)5、施工工艺:基础部分工作:基础检查验收、标板埋设、基础放线、基础铲麻面、砂墩制作底座部分安装:设备检查、底座就位、底粗找正、基础孔灌浆、底座精找正滑履轴承安装:设备检查、轴瓦水压试验、轴瓦刮研、滑履轴承清洗、就位筒体部分安装:筒体卸车、筒体移位及顶升、滑环清洗、检查、筒体找正、就位、衬板安装传动部分安装:设备检查、减速机安装、主电机安装、减速机及电机稀油站安装、辅助电机其它部分安装:设备检查、进料装置等安装、出料装置装置等安装、液压、润滑、冷却系统安装6、磨机的安装6.1、基础部分工作6.1.对照土建图、安装图和设备实际尺寸对设备基础进行验收。
辊压机安装施工方案一、概述辊压机是在引进国外技术的基础上研制开发的最新一代水泥工业专用粉磨设备,它能在极低能源消耗和运行成本下,实现水泥生料和水泥成品产量的大幅度提高。
辊压机主要由电动机、行星减速器、辊子、辊子支承、机架、扭矩支承、液压加压装置、喂料装置、辊罩、控制系统等组成,辊压机的两个辊轴分别由电动机经万向连轴器、行星减速机带动。
行星减速机安装在扭矩支承上,与辊子间用缩紧盘连接。
辊子分为活动辊和固定辊,活动辊两端分别有两个平面油缸对辊子支承施加压力。
辊轴采用高强锻钢,辊子外圆堆焊了耐磨合金以保证辊子的经济寿命。
液压系统由液压缸、液压站、蓄能器、阀件等组成。
辊子间隙、油缸压力、轴承温度、减速器温度等都有传感器监测,并配备专门设计的自动控制系统。
二、施工人员配备辊压机的安装工作由一个钳工班组和一个焊工班组完成,设置安全员一人。
配备如下:三、安全组织机构及措施各小组组长为其工种第一责任人,全面负责本小组安全工作,作好安全技术交底,对本工种存在的安全隐患积极采取防护措施。
安全措施如下:施工前,进行全方位的安全交底。
对所有的吊装作业必须统一指挥,核实吊装物的重量,确保吊装安全。
施工现场禁止乱拉电线,临时接线应符合规定。
使用清洗剂时,注意防火措施。
用稀盐酸清洗时,应戴好防护用品。
现场应放置稀碳酸钠溶液,万一烧伤,可用来中和。
定期进行安全检查,发现隐患立即整改。
四、辊压机安装的主要工序辊压机付诸运输前各主要部件及整机已进行试组装,并经调试运转,按部件分箱包装。
抵运后将在工地上全面安装。
安装时严格按照说明书及提供的工程图纸实施安装。
主要工序如下图所示:4.1 设备安装前的注意事项 4.1.1设备的开箱检验设备载运输过程中可能导致机器的损坏,对照装箱单逐条进行仔细检查。
如发现有损坏活或零部件短缺,应及时通知承运单位或厂家。
设备到货后,使用方及时会同制造厂对所到货物和随机文件进行清点、验收,办理移交手续。
4.1.2设备的装卸设备装卸过程中,应避免货物与货物之间,货物与运输工具之间,货物与其他建筑物之间的磕碰,不得损坏油漆表面、加工表面,必要时应加木垫或其他软垫。
水泥磨施工方案一、概述Φ3.8×13m水泥磨为唐山水泥机械厂制造,磨仓内径为3.8米,主要由进料装置、滑履装置、回转部分、出料装置、传动装置和研磨体组成,传动设计为中心传动,功率为2500KW,生产能力为70~75吨/小时,转速为16.6r/m。
该磨机体积大,吨位重,零部件多,技术要求高,安装难度大,安装过程中要特别注意滑履轴承和主减速机的安装。
二、施工准备与设备检查1、施工人员应熟悉图纸,安装说明书等技术资料。
2、施工人员应了解设备到货情况、设备存放位置等现场情况。
3、准备施工工机具及材料,接通临时电源。
4、用盘尺及弹簧称实测筒体实长。
5、轴瓦外观检查,要求无砂眼、气孔、裂缝等缺陷,钨金瓦与球面铸铁瓦结合必须紧密、牢固,6、磨机中空轴是否满足要求,轴颈表面有无砂眼、毛刺、腐蚀、碰伤等缺陷。
7、轴承冷却水管及管件要进行水压实验,检查是否有渗漏现象,水压为0.6MPa,保压8分钟。
8、检查钨金瓦与所配中空轴的接触情况,是否符合图纸要求。
9、以上检查应有详细记录,如有问题应及时反映并会同甲方、监理、制造厂家处理。
三、设备基础验收1、设备安装前应会同甲方、监理、土建单位进行设备基础验收,验收合格后,方能进行安装。
2、设备基础的外形尺寸、中心线、标高、地脚螺栓孔相互位置尺寸,应符合施工图纸和验收规程的要求。
3、基础周围填土必须夯实,地脚孔内杂物及积水需清理干净。
四、基础划线及标板埋设1、纵向中心线至少埋设四块标板,两滑履横向中心线各要两块标板,减速机横向中心线要两块标板。
2、标板采用100×50×10钢板制作,基准标高采用圆钢制作,表面磨平。
3、根据土建单位给定的基准点和基准线,按照施工图的要求,用经纬仪、盘尺、角尺、弹簧秤、钢板尺、线坠划出磨机、减速机的纵横中心线,并已对角法复核放线精度。
4、基础划线应符合以下要求基准点的标高允许偏差为0.5mm;横向中心线距离偏差不得大于+1 mm;纵向中心线允许偏差0.5 mm。
0201018-10水泥磨施工技术方案1、简介水泥磨是水泥厂关键设备之一。
其单件重量大、外形尺寸大、零部件多、安装精度高,当设备到货滞后于土建工程时,必须在厂房建成以后,方能到货进行安装,增加了施工难度,必须采用先进的技术、巧妙的方法、高超的检测手段,严格控制每道工序的施工质量,才能确保设备高质量的按期交付使用,并长期稳定运转。
2、施工程序简图3、施工前准备①熟悉图纸、安装说明书等技术文件。
②施工图纸会审③熟悉施工现场及设备堆放场地。
④准备施工工具、机具、材料及施工电源⑤做好施工方案、技术交底(包括质量、安全措施),组织技术人员及生产骨干人员熟悉施工中的各项技术要求。
⑥及时与业主方、监理部门取得联系,密切合作,及时消除影响工作开展的各种不利因素:如:(1)施工区、生活区用电点的设置及容量控制;(2)施工区车辆进出道路的平整,障碍物的清除;(3)临时线的架设高度;(4)施工场地的平整及地耐力要求;(5)对土建作业计划,设备到货计划的了解。
4、基础验收:⑴基础验收必须认真进行,安排专人负责此项工作,会同业主、土建等有关部门,根据有关资料(工艺图、基础图、安装图、验收标准等)认真测量、记录、验收合格后,方可进行安装施工。
⑵基础验收原则:对设备基础进行外观及各工艺尺寸的检测,以不影响设备安装为原则,检测依据:①业主方提供的施工工艺图②JCJ03-90《水泥机械设备安装工程施工及验收规范》③《土建工程施工及验收规范》基础验收前,土建部门应将基础面清理干净,弹出基础的纵横中心线,标出基础参照点。
⑶检查及交接程序①基础验收由业主方组织土建单位,安装单位,监理单位共同进行②土建单位提供相关的技术资料及基础交接验收单;③做为大型设备基础,土建单位应向业主方和安装单位提供永久性的基础沉降观测点;④检查验收中业主方及安装单位提出的一些合理的整改内容,土建单位应及时组织落实;⑤安装单位认为土建提供的设备基础满足安装要求,则与土建单位办理正式的交接手续,并做好开展下道工序的准备工作,同时安装单位做好基础检查验收记录,归档。
(1)、水泥磨A、概述本工程为满足工艺需要,设置了水泥磨。
水泥磨设备安装依据设计院设计的施工图、设备技术文件、GB50276-98《破碎、粉磨设备安装工程施工及验收规范》、GB50231-98《机械设备安装工程施工及验收通用规范》、JCJ03-90《水泥机械设备安装工程施工及验收规范》及本方案“通用部分”的要求进行。
配备300吨汽车起重机配合进行吊装作业。
B、安装程序施工准备及设备运输→设备验收→清洗、注油、检查→基础验收及复测→基础螺栓及底板→主轴承→回转部分(筒体、进出料)→传动部分(大小齿轮、联轴器、慢速传动装置)→电动机→给料部分→齿轮罩(包括稀喷雾装置)→高低压润滑油站→输油、输水管路→安全罩、扶手、栏杆→主电动机干燥→空负荷试运转→负荷试运转→交付使用。
C、安装要点及要求a、施工准备设备安装前,对临时设施、运输道路、水源、电源、照明、消防、机具、劳动力等做好充分准备,合理安排。
b、组织全体施工人员、现场管理人员学习、熟悉工艺图、设备图、设备技术文件、有关国家标准、施工及验收规范,做到准备充分,心中有数。
c、设备验收设备的验收在业主及供货商有关人员参加下进行,设备开箱按下列项目进行检查,并做记录。
(a)、箱号、箱数以及包装情况。
(b)、设备的名称、型号和规格。
(c)、装箱清单、设备技术文件、资料、说明书及专用工具。
(d)、设备有无缺损件,表面有无损坏和锈蚀等。
(e)、其它需要记录的情况。
(f)、设备及其零、部件和专用工具,均应妥善保管,不得使其变形、损坏、锈蚀、错乱或丢失。
(g)、验收时如发现与设计要求不相符、与装箱单不一致或有损坏和锈蚀等缺陷时须做好记录,由业主及供货商签证认可并做相应处理。
d、基础验收及复测(a)、水泥磨基础的位置、几何尺寸质量要求,须符合现行国家标准《钢筋混凝土工程施工及验收规范》的要求,并有验收资料。
(b)、安装前按工艺图要求或按《机械设备安装工程及验收通用规范》(GB50231-98)附录一的允许偏差,对水泥磨基础位置和几何尺寸、预埋地脚螺栓的位置进行复检。
山东安厦水泥集团有限公司5000T/D新型干法旋窑熟料生产线水泥磨安装施工方案编制审核批准江都建设工程有限公司安装工程公司(安厦项目部)二OO四年六月八日水泥磨安装施工方案一概述:水泥磨为滑履磨,是目前比较先进的设备,它采用中空轴中心传动、带有慢速起动装置,磨仓内有衬板和隔仓板钢球组成。
1.主要有以下部件组成:1)筒体为Φ4×13米自重127t 生产能力:65t/h(P.0.52.5) 装球量:191t;2)传动由YRKK800-8主电机和MGF280主减速机配有慢驱动装置组成;3)进料装置;4)出料装置;5)配有稀油站和润滑、冷却系统;2.设备单台重量400吨左右,最大起重吊装重量(筒体)130吨左右。
3. 施工顺序:基础验收砂墩制作及养护 设备进场 设备检测 刮、研瓦 支承座就位 找正找平 一次灌浆 筒体坐入支承座 传动部分开始就位 一次灌浆 精找 接通润滑及冷却系统。
二.施工准备1. 组织现场技术、施工人员熟悉图纸及安装说明书和相关规范资料;2. 施工电源、材料、机具(吊装)设备、专业施工人员要组织齐备;3. 施工前对技术资料、人员、机具设备等方面审核,进行精心布置确保科学、高效优质的完成水泥磨的安装;三.基础验收1.基础验收应会同业主、监理、土建单位共同进行,要有相应的原始资料;2.对照土建图、设备和工艺图检查基础外形尺寸、中心线、基础标高、基础孔的几何尺寸及相互位置必须符合以下要求:3.基础周围必须平整、夯实、所有遗留的摸板和混凝土外的钢筋等杂物,必须清除,并将设备安装场底脚孔内的碎料、脏物及积水全部清除干净。
四. 标定磨机基准线1 依据工艺图在磨机的基础上埋设中心标板,在出料端基础上设置一标高基准点,并注意保护。
2 根据土建单位提供的基准点和基准线,一次放出磨机及传动装置的纵向中心线,在中心板上用样冲打上中心点,用对角线法进行校核。
然后根据工艺图设计尺寸画出基础传动横向中心线。
水泥磨吊装运输方案鄂尔多斯2500吨新型干法水泥生产线Φ4.2米×13米中心传动磨机核吊装运输方案乙方编制马文线年12月25日甲方审 2019说明由于水泥挤压与粉磨车间厂房已经封顶,磨机无法按正常方式吊装,现运输改为铺设道木利用滚杠千斤的方式进行运输,吊装改为格架式抱杆进行吊装,是否合适,请各位领导审阅。
目录一、工程概括二、设备清单三、组织机构四、质量保障五、施工方法六、安全保障七、施工机械一、工程概括鄂尔多斯2500t∕d新型干法水泥生产线水泥粉磨采用四川矿山机械厂生产的Φ4.2米×13米中心传动磨机。
该磨机采用中心传动,避免了大小齿圈传动产生的震动和噪音,减小了设备的整体尺寸和重量,增加了设备的传动力矩,减少了设备的动力损失,虽然减速机的体积较边缘传动磨机有所增加,但整体效益比较显著。
该磨机安装位置在水泥粉磨挤压车间,该车间位于水泥配料库和水泥成品库之间,车间位置设计合理。
整个车间采用钢筋混凝土结构,性能稳定,能保证设备的正常运转和检修。
但由于混凝土结构施工周期较长,设备在近期又不能到厂进行安装,只能在土建施工完毕后进行安装,所以给设备安装带来了很大的困难。
粉磨车间轴线宽度为14.000米,磨机安装部位混凝土柱子轴线为12.000米,高度据二层按一层地平为12.500米。
减去二楼楼面和横梁,实际净空约11.000米。
磨机最大起重量为磨机筒体,重量约为110吨。
最大长度约为16.000米,最大高度约为4.300米.楼面下虽留有单轨行吊,但那时检修和装钢球的,不能承受磨机筒体和减速机,电机的重量。
安装位置相对比较紧凑,给安装工作造成了很大的困难,也增加了安装的费用和成本。
为保证安装的质量和安全,特制订以下方案,请领导审查和指导。
二、设备清单1、水泥磨Φ4.2×13米中心传动,双滑履支撑。
磨机最大外形尺寸为4.300×15.720米.(磨机筒体)磨机最大单件重量约为110吨(磨机筒体)2、主减速机 MFY355A 重量71吨。
水泥粉磨系统改造方案及实施效果陈中飞,尚丽萍(唐山冀东启新水泥有限责任公司,唐山063000 )中图分类号:TQ 172.63 文献标识码:B 文章编号:1671—8321 (2021) 06—0105—02引言水泥磨是水泥生产线上的重要设备,一直以来都是高能耗的设备,节能降耗是水泥丁.作者不断研究的课题 和方向,而水泥磨的工作状况受到的影响因素较多,比如 初级粉磨的效果、熟料的易磨性和各种辅材的水分、球 磨机研磨体级配等。
笔者就我公司在近10年来的水泥磨 系统改造过程做一些总结,以供大家参考。
1存在的问题我公司水泥制备系统由立磨和球磨两个闭环系统组成,立磨型号为J L M S 1-24.3,磨盘直径$2400m m ,转速33.5r /m i n ,设计能力210t /h 。
球磨规格$4.8mx9.5m ,双仓磨,磨机转速14.7r /m i n,生产能力180t /h c 自2010年投产 以后,水泥生产方面主要存在以下几个问题。
(1) 铁质杂物对粉磨系统造成的影响1) 由物料和机械磨损带人水泥系统中的金属造成立 磨振动频繁,严重时甚至使刮料板脱落,影响生产〇2)由于金属在水泥粉磨系统中的富集循环对立磨和球磨的研磨产生缓冲,研磨效果变差,加大立磨研磨压 力,又造成立磨液压系统漏油频繁。
(2)球磨机两仓中间隔仓板篦缝容易被铁屑和石子堵塞,系统通风不畅,球磨机磨头返料,造成环境污染, 被迫减料运行。
(3)由于立磨和球磨机产能不匹配,使立磨产能得 不到充分发挥,生产量不能满足旺季时的销售需求。
2改造方案2.1安装除铁器和金属探测仪消除铁质杂质对系统影响磨机系统铁杂质来源-种从原材料中带入:一是在 原材料进厂中做好管控,有异常及时处理;二是做好原材 料的除铁,在每种原材料下料点增加除铁器,降低除铁器 与料面间高度,增加除铁效果;三是安装金属探测仪,对 于除铁器不能除去的金属,报警时输送皮带停机,人工 捡出。
水泥粉磨及输送施工组织设计一、编制依据1.甲方提供的招标文件、施工图和有关说明。
2.国家现行的施工及验收规范。
3.《建筑施工安全检查标准》JGJ59—994. 《建筑工程施工质量验收统一标准》(GB50300-2001)5. 《混凝土结构工程施工质量验收规范》(GB50204-2002)6.河北四建《质量手册》及《程序文件》。
二、工程概况本工程为河南许昌禹州市灵威水泥熟料有限公司300万吨水泥粉磨站生产线工程。
结构类型主要为钢筋混凝土框架。
工程主要结构构件:柱,梁,板、及设备基础。
磨机基基础筑混凝土量较大,属于大体积混凝土浇筑范围。
三、施工准备1、组织准备1.1 组建项目经理部,建立职能部门,规范职责,完善生产、技术、质检、器材、核算体系的机构管理。
1.2 建立与业主、设计、监理相协调的工作机制,与地方相关行政管理部门加强联系,办理与施工有关的各种手续,保证顺利施工。
2、管理准备2.1 认真理解和熟悉合同,建立质量保证体系,划分管理责任,组织编制《项目质量计划》,推动项目部质量管理体系正常运行。
建立受控文件体系并实施。
2.2 把质量目标按分部分项层层分解,落实具体岗位。
利用统计技术和PDCA循环进行全面质量管理。
2.3 采用质量管理和质量保证模式,建立完善的质量保证体系,按管理要素实施系统控制,严格按质量文件组织施工。
2.4 依据公司内部资源要素,人、物、机、料的配备与使用执行内部合同管理。
依据《质量手册》、《程序文件》和《项目质量计划》组织,保证施工各环节的受控和有效运行。
3、技术准备3.1 建立与工程有关的受控技术文件清单。
3.2认真熟悉图纸,了解设计意图,掌握工程细部做法。
3.3 组织图纸预审,组织参加图纸会审,接受设计交底。
3.4 进行施工技术总交底,编制施工阶段《组织设计》和分项专题施工方案,设置质量控制点,制定控制措施。
3.5编制试验工作计划及见证取样计划,完成进场计量设备的鉴定和确认。
论水泥粉磨项目水泥磨的安装水泥磨是水泥建材行业在近几年内使用的新产品,是水泥粉磨项目的关键设备,水泥磨最大件:筒体:97T;最长件:筒体:?4.2*13m,本磨机为中心传动,两端采用滑履轴承(焊接式滑环)支撑,缩短了磨机的跨距‘受力良好,支撑稳定,筒体厚度大大减薄;本磨机为圈流磨,采用组合式隔仓板和出料篦板,一仓采用波形阶梯衬板,二仓采用双阶梯分级衬板,这样即能提高粉磨能力又能使物料在粉磨仓内的粉磨过程更合理;进料装置采用斜进风的百叶窗式结构,这样可以增大磨机的进风量,减少进风阻力,使进料更顺畅;标签:水泥磨;水泥粉磨;施工;安装一、水泥磨的安装工序设备基础验收A、基础竣工后,基础施工单位提供中间交工技术资料,由设备安装单位进行基础复测。
设备基础的位置、几何尺寸和质量要求,符合现行国家标准的规定。
B、按工艺图要求放出安装基准线(纵横中心线、水平标高线)。
a)、平面位置安装基准线与基础实际轴线的距离允许偏差±20mm。
b)、设备定位基准的面、线或点对安装基准线的平面位置和标高的允许偏差为:平面位置±10mm,基础标高:0—20mm。
基础上平面的水平度、垂直度最大不能超过10mm,预留地脚螺栓孔(相互位置±10mm,垂直度:5mm,预埋螺栓(中心位置:±10mm、顶端标高:+10mm);中心线间的距离:1mm。
C、作好作沉降观测检查并作记录,待沉降稳定后方可进行设备安装(设备安装前一次,设备安装过程中2次,设备安装完后一次)。
D、上述的检查经确认合格后,经建设单位确认,方可进行设备吊装和安装。
二、设备卸车、吊装及设备的验收a、参加吊装的施工人员必须持证上岗,必须掌握设备吊装的具体步骤、方法和操作要点。
吊装前,要明确各岗位人员的分工,吊装前由技术人员对所有施工人员进行技术交底。
b、吊装所用吊车、钢丝绳、索具必须有产品合格证,并能满足所卸设备起重量的要求,机、索具使用前须进行仔细检查其性能是否符合要求,严禁使用不合格的机、索具。
第1篇一、前言水泥混凝土机械施工是建筑工程中常见的施工方式之一,其质量直接影响到工程的整体质量和安全。
为确保水泥混凝土施工的质量,本文将详细介绍水泥混凝土机械施工方案,包括施工准备、施工工艺、质量控制、安全措施等方面。
二、施工准备1. 工程概况(1)工程名称:XX工程项目(2)工程地点:XX市XX区XX路(3)工程规模:建筑面积XX万平方米(4)施工周期:XX个月2. 施工组织(1)项目经理:XXX(2)施工队长:XXX(3)施工班组:混凝土施工班组、模板施工班组、钢筋施工班组等3. 材料准备(1)水泥:应符合国家标准,选用优质水泥,如32.5级普通硅酸盐水泥。
(2)砂:选用中粗砂,含泥量不大于3%。
(3)石子:选用碎石,粒径5-25mm,含泥量不大于1%。
(4)外加剂:选用符合国家标准的外加剂,如减水剂、缓凝剂等。
4. 施工设备(1)混凝土搅拌机:用于混凝土的搅拌。
(2)混凝土运输车:用于混凝土的运输。
(3)泵车:用于混凝土的泵送。
(4)振动棒:用于混凝土的振捣。
(5)模板:用于混凝土的成型。
三、施工工艺1. 混凝土搅拌(1)按照设计要求,计算混凝土配合比。
(2)将水泥、砂、石子、外加剂等材料按照配合比加入搅拌机。
(3)启动搅拌机,搅拌时间为2-3分钟,确保混凝土搅拌均匀。
2. 混凝土运输(1)将搅拌好的混凝土倒入混凝土运输车。
(2)运输过程中,注意防止混凝土离析,保持混凝土的均匀性。
(3)到达施工现场后,及时将混凝土倒入泵车。
3. 混凝土泵送(1)将混凝土泵车放置在合适的位置。
(2)连接泵车与混凝土输送管,确保连接牢固。
(3)启动泵车,将混凝土泵送至施工部位。
4. 混凝土振捣(1)将振动棒插入混凝土中,振动时间为30秒。
(2)振动棒应均匀移动,确保混凝土密实。
(3)振动棒移出混凝土后,立即用湿布擦拭,防止水泥浆污染。
5. 模板拆除(1)混凝土强度达到设计要求后,方可拆除模板。
(2)拆除模板时,注意保护混凝土表面,防止损坏。
水泥磨施工方案1、概述: φ4.2*13M型管磨机, 其主要结构为进料装置、主轴承、回转部分、出料装置以及润滑装置五个部分。
由于水泥磨是水泥厂的关键设备之一; 其设备安装质量好坏将直接关系到全线生产能否正常运行。
1.1磨机工作原理熟料和混合材从磨机进料装置喂入, 经过磨机中空轴进入回转部分第一仓, 即粗磨仓; 在粗磨仓内, 物料被平均直径较大的研磨体冲击粉碎到一定粒度后, 经双层隔仓板进入第二仓, 即细磨仓, 细磨仓内, 装有平均直径较小的研磨体, 经过一仓粉碎后物料, 在此仓继续研磨之后, 经出料篦板, 出料中空轴进入出料装置并被排出, 排出的物料经选粉机分选后一部分为合格的水泥产品, 而另一部分还需要再次回到磨机内进行粉磨, 即构成所谓的圈流粉磨系统。
1.2主要结构、技术参数⒈规格: φ4.2*13m⒉驱动方式: 中心传动磨3.生产能力: 150t/h4.磨机转速:15.6r/min5.主电机功率: 3550kw6.磨机支承方式: 双滑履7.主轴承润滑方式: 稀油集中润滑8.设备总重: 约300t2、施工程序2.1基础部分: 基础验收埋设中心板基础放线基础铲麻面砂浆制作2.2主轴承部分: 设备出库清洗底座、底板划线轴瓦试压主轴承刮研底座安装粗找地脚螺栓灌浆主轴承安装精找2.3磨体部分: 磨体检查磨体就位衬板、隔仓板安装进出料装置安装大型减速机安装传动接管安装辅传安装2.4传动部分:2.5附件: 稀油润滑及顶升装置安装、配管、油、水、气安装2.6试运转3、施工工艺3.1施工准备3.1.1熟悉图纸、安装说明书等技术资料。
3.1.2了解设备堆放位置, 设备安装现场等情况。
3.1.3施工电源、机具、设备及材料准备。
3.1.4施工图纸会审。
3.2基础验收及基础划线3.2.1汇同甲方、监理对设备基础进行验收。
3.2.2根据设备图和工艺图尺寸检查基础外形尺寸、标高、中心线和基础孔几何尺寸及相互位置, 并做好检查记录。
磨机施工方案1 概述:Φ3.2×13m磨机由进料部、出料部主轴承、筒体、中空轴、齿轮传动装臵、电机、减速机、慢驱装臵、润滑油站组成。
2 工艺流程:关键工序 G,施工质量的好坏直接影响设备的运转。
特殊工序 T,关系到下一工序的进行。
3 施工工艺及方法:3.1基础验收、复查:根据图纸尺寸与建设单位代表、监理一起对土建提供的基础进行验收。
基础外形尺寸、中心线、标高、地脚螺栓孔相互位臵尺寸,应符合施工图纸和验收规程的要求,其允许偏差如下:基础外形尺寸:±3mm 基础标高:±3mm中心线间的距离:±1mm 地脚孔中心位臵:±10mm地脚孔深度:±20mm 地脚孔垂直度:1/1000mm3.2划线、埋设标板:基础划线基础划线是磨机安装过程中很重量的一个工序,与整个磨机安装质量有着直接的影响,所以在划线过程中必须认真对待,充分领会经过与实物核对修改后的安装图和基础图纸所给各项技术要求。
对划线用的工具,如划线用的支用支架、钢琴弦、线重和经伟仪等进行严格检查,是否符合技术要求。
根据图纸在基础上划出磨出的纵横向中心线和基准点(或标高线)及传动装臵的纵横向中心线。
中心线确定后,应在中心标板上冲出直径不大于1mm的中心点,在中心点周围画出红色油漆以示醒目,便于保护和使用。
基础划线的质量要求如下:两主轴承基础上的横向中心线距离误差不得超过磨体热膨胀量的1/10,最大不得超过1mm;中心标板上所指示的纵向中心线与图纸上的纵向中心线的位移不得超过±3mm;对相邻基础必须测定对角线相等,以保证纵横向中心线呈90°。
在基础划线时还应根据安装情况,划出各基础点垫铁位臵,为下步放臵垫铁做准备。
标板埋设:每条主要中心线至少设两块中心标板,将中心线标示其上,并用红漆标出记录。
中心标板采用100×50×10钢板制作。
在每个基础标高1m处制作升降点。
资料内容仅供您学习参考,如有不当或者侵权,请联系改正或者删除。
水泥磨( 中心传动) 安装施工方案
1水泥磨安装施工工序和检验控制流程图
2基础部分
2.1基础验收
2.1.1基础外形尺寸、中心线、地脚螺栓孔以及相互位置实测尺寸与工艺图设计尺寸相对照, 应符合表1要求:
表1 未注明单位: mm
10mm的中心标板及基准标高点。
基准标高点要略高于基础平面, 表面要平整, 周围应采取措施保护好。
根据土建基准点和基准线, 用经纬仪一次放出磨机、减速机及电机的纵向中心线, 在中心标板上用样冲打上中心点, 然后根基工艺图设计尺寸, 划出磨机基础及传动的横向中心线。
2.3砂墩的布置及制作
2.3.1
主轴承处垫铁: 尺寸120×260×16mm, 共计40块;
主轴承处斜垫铁: 尺寸100×240×10~20mm, 共计80块;
2.3.2砂墩的制作
砂墩的制作技术要求见表2;
表2 未注明单位: mm
砂墩的制作必须使用专用模具。
砂墩材料配比: 525号硅酸盐水泥: 中砂: 水=1: 1: 适量;
砂墩制作前, 必须将基础表面铲麻, 并用水将表面冲洗干净。
砂墩必须捣实, 用水平仪、水准仪将砂墩的垫铁找正。
3支承部分
3.1轴承底座检查划线
将底座除锈、清理、去毛刺, 特别是加工面, 如有撞击伤疤一定要挫平。
以配合面为依据, 在底座上划出十字中心线, 并引至底座外侧, 用样冲打上标记。
3.2底座的吊装和粗找正
底座粗找正的技术要求见表3
表3 未注明单位: mm
3.3一次灌浆
3.3.1灌浆前, 应将地脚螺栓孔壁用水淋湿, 对设备进行初找正, 并对地脚螺栓的安装质量进行确认, 然后方可进行地脚螺栓孔灌浆。
3.3.2灌浆一般宜用细碎石混凝土( 碎石直径宜为10mm左右) , 其标号应比基础的混凝土标号高一级。
3.5底座的精找正
底座精找正的技术要求见表3, 精找正后地脚螺栓必须全部紧固。
表3 未注明单位: mm。