(万科技术标准)室外给排水管网工程
- 格式:doc
- 大小:50.00 KB
- 文档页数:10
室外给水管网技术标准本技术标准适用于本公司民用建筑群(小区)室外衬塑钢管给水安装工程和消防水泵接合器及室外消火栓安装工程。
编制依据:1.《建筑工程施工质量验收统一标准》GB50300-20132.《建筑给水排水设计规范》GB50015-20033.《室外给水设计规范》GB50013-20064.《建筑给水排水及采暖工程施工质量验收规范》GB50242-20025.《给水排水构筑物工程施工及验收规范》GB50141-20086.《给水排水管道施工及验收规范》GB50268-20087.《建筑地基基础工程施工质量验收规范》GB50202-2013一、管材质量要求1、管材的选择应按公司样品进行采购,并提供出厂合格证、检测报告、厂家相关信息等质量证明文件。
给水(衬塑钢管)进场必须有产品质量检验报告,合格证原件。
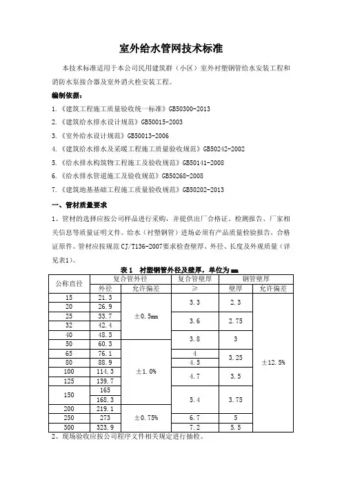
管材应按规范CJ/T136-2007要求检查壁厚、外径、长度及外观质量(详见表1)。
二、管沟1、管道的坐标、标高、坡度应符合设计要求。
2、管沟的沟底层应是原土层,或是夯实的回填土,沟底应平整,坡度应顺畅,不得有尖硬的物体、块石等;如沟基为岩石、不易清除的块石或为砾石层时,沟底应下挖100~200mm,填铺细砂或粒径不大于5mm 的细土,夯实到沟底标高后,方可进行管道敷设。
三、管道敷设1、管道连接应符合工艺要求,阀门、水表等安装位置应正确。
塑料给水管道上的水表、阀门等设施其重量或启闭装置的扭矩不得作用于管道上,当管径≥50mm 时必须设独立的支承装置。
2、给水管道与污水管道在不同标高平行敷设,其垂直间距在500mm 以内时,给水管管径小于或等于200mm 的,管壁水平间距不得小于 1.5m;管径大于200mm的,不得小于3m。
3、铸铁管承插捻口连接的对口间隙应不小于3mm,捻口用的油麻填料必须清洁,填塞后应捻实,其深度应占整个环型间隙深度的1/3;采用水泥捻口的给水铸铁管,在安装地点有侵蚀性的地下水时,应在接口处涂抹沥清防腐层。
成都龙湖晶蓝半岛II期施工作业指导书成都龙湖锦华置业有限公司晶蓝半岛项目部编制2006年4月11日给排水施工部分前言:给排水工程的基本要求是保证供水及排水顺畅的前提下防止渗漏,本指导书包括室外给水工程、室外排水工程、室内给水工程、室内排水工程及煤气工程的基本要求。
一、室内给水工程1.1室内出户管待土建回土夯实后敷设在砖墩上或直接用吊卡固定在底层的结构板(梁)上,禁止直接放在回填土上。
管材采用钢衬塑管(暂定)。
3.2立管管卡的设臵在符合规范要求的前提下应美观,立管及管卡应刷成外墙同一颜色;3.3室内给水支管采用PPR给水管材,暗埋敷设在楼板处时,应做在砼保护层内,施工过程中先预留槽,安装试压合格后立即用豆石砼封闭,为防止开裂,与地坪交接处钉钢丝网;3.4暗埋的室内给水支管竣工验收前,应在水管的位臵用油漆标示,冷水管用黑线,热水管用红线,要求精确范围为左右5 cm内。
3.5土建结构封顶及时弹出正确的500基准线并做出墙面粉刷塌饼后再行机器刨槽,后方可进行给水点的定位。
3.6冷热水管道安装应横平竖直,严格控制标高,不得穿越卧室、贮藏室、配电间电器的柜箱之上。
对非UPVC管,如铁管一律作防腐处理,并做好防堵保护处理。
3.7冷热水管的龙头(出水口)应平行安装,间距符合规范要求,高差≤5mm,管道上热下冷,龙头左热右冷。
3.8水总管及层面支管的试压,除用豆石砼封闭前试压外在土建贴完磁砖及竣工验收前与交与我司物业前及交给客户时共需进行四次试压记录,交与客户时为最终的验收记录。
3.9单元给水主管阀门应设在地坪上以便于检修及减少阀门井的设臵,阀门两端设活结,水表管径比相应立管管径小一号。
3.10室内给水台(柱)盆水龙头、洗衣机水龙头、淋浴花洒、座便三角阀、浴缸冷热水龙头等配水点的高度必须在各户型中统一。
四、室内排水工程4.1 室内卫生洁具及地漏等预留根据水施图定位配合土建预留孔洞(当水施图与建施图不符时必须以建施图为准)。
第五章建筑给水、排水工程1室外给排水1.1管材、检查井、井盖1.1.1室外给水管、埋地消防管统一采用PE给水管;1。
1。
2室外排水管管径大于或等于500的采用钢筋砼排水管;小于500的采用UPVC双壁波纹管。
1。
1。
3室外给排水井盖、雨水口优先采用复合井盖(配项目LOGO);雨水沟盖在对景观要求不是很严格的地方采用混凝土沟盖或铸铁井盖,在景观要求严格地方采用复合材料沟盖。
1.1.4井盖(雨水口)承重标准:绿化带区-—轻型;人行道区——普通型;消防通道区-—重型.1。
1.5涉及商业主要人行道区井盖拟采用双层井盖,面井盖采用装饰井盖,底井盖采用普通砼井盖或铸铁井盖。
1.2给水系统1。
2.1室外园建用水点配洒水复合井埋地处理,采用专门的园林绿化龙头。
1。
2。
2分期开发的工地,每期的室外给水主管需采用阀门隔断,便检修.1。
3排水系统1。
3.1检查井、雨水口采用灰砂砖砌筑,禁止使用红砖.1。
3.2工程施工中,检查井须采用现浇的砼临时井盖封堵.1.3.3阀门井排水设施:应设放空管或井底须采用大于200厚的中粗1砂石垫层,不允许采用砼垫层。
2 室内给排水2。
1给水系统2.1.1给水管选择:(1)室内暗装或管道井明装:采用PPR给水管,冷水管采用1。
6MPa,热水管采用2.0MPa,热熔连接.(2)外墙铺设:钢塑给水管2。
1.2毛坯房预留的给水管接口,必须凸出墙面10mm;并每户预装1个普通水龙头。
2.1。
3住宅预留的公共清洁取水龙头设置于水表井内,每三层至少设一个。
2.1。
4入户冷热给水管埋楼板铺设时:给水管离墙的垂直距离宜为200mm,不允许小于100mm;毛坯房交楼时,必须采用蓝色、红色线条分别标明冷热水暗埋管线在地面、墙面的走向,并沿线注明“热水管”、"冷水管“等字样标记,便业主装修时注意;装修房交楼时,要求采用粘贴塑料线形标记等类似方式标注隐蔽管线位。
2.2排水系统2。
2。
1室内排水管道和外墙排水管道选用普通U-PVC排水管。
第五章建筑给水、排水工程1室外给排水1.1管材、检查井、井盖1.1.1室外给水管、埋地消防管统一采用PE给水管;1.1.2室外排水管管径大于或等于500的采用钢筋砼排水管;小于500的采用UPVC双壁波纹管。
1.1.3室外给排水井盖、雨水口优先采用复合井盖(配项目LOGO);雨水沟盖在对景观要求不是很严格的地方采用混凝土沟盖或铸铁井盖,在景观要求严格地方采用复合材料沟盖。
1.1.4井盖(雨水口)承重标准:绿化带区——轻型;人行道区——普通型;消防通道区——重型。
1.1.5涉及商业主要人行道区井盖拟采用双层井盖,面井盖采用装饰井盖,底井盖采用普通砼井盖或铸铁井盖。
1.2给水系统1.2.1室外园建用水点配洒水复合井埋地处理,采用专门的园林绿化龙头。
1.2.2分期开发的工地,每期的室外给水主管需采用阀门隔断,便检修。
1.3排水系统1.3.1检查井、雨水口采用灰砂砖砌筑,禁止使用红砖。
1.3.2工程施工中,检查井须采用现浇的砼临时井盖封堵。
1.3.3阀门井排水设施:应设放空管或井底须采用大于200厚的中粗砂石垫层,不允许采用砼垫层。
2 室内给排水2.1给水系统2.1.1给水管选择:(1)室内暗装或管道井明装:采用PPR给水管,冷水管采用 1.6MPa,热水管采用 2.0MPa,热熔连接。
(2)外墙铺设:钢塑给水管2.1.2毛坯房预留的给水管接口,必须凸出墙面10mm;并每户预装1个普通水龙头。
2.1.3住宅预留的公共清洁取水龙头设置于水表井内,每三层至少设一个。
2.1.4入户冷热给水管埋楼板铺设时:给水管离墙的垂直距离宜为200mm,不允许小于100mm;毛坯房交楼时,必须采用蓝色、红色线条分别标明冷热水暗埋管线在地面、墙面的走向,并沿线注明“热水管”、”冷水管“等字样标记,便业主装修时注意;装修房交楼时,要求采用粘贴塑料线形标记等类似方式标注隐蔽管线位。
2.2排水系统2.2.1室内排水管道和外墙排水管道选用普通U-PVC排水管。
室外给、排水管网安装工程一、适用范围:本工艺标准适用于民用建筑群(住宅小区)及厂区的室外给水管网安装工程。
二、施工准备:1、材料检验:(1)给水铸铁管及管件规格品种应符合设计要求,管壁薄厚匀整,内外光滑整齐,不得有砂眼、裂纹、飞刺和疙瘩。
承插口的内外径及管件应造型规则,并有出厂合格证。
(2)镀锌碳素钢管及管件管壁内外镀锌匀整,无锈蚀,内壁无飞刺,管件无偏扣、乱扣、方扣、丝扣不全,角度不准等现象。
(3)阀门无裂纹,开关灵敏严密,铸造规则,手轮无损坏,并有出厂合格证。
(4)地下消火栓、地下闸阀、水表品种、规格应符合设计要求,并有出厂合格证。
(5)捻口水泥接受不小于425号的硅酸盐水泥和膨胀水泥(接受石膏矾土膨胀水泥或硅酸盐膨胀水泥)。
水泥必需有出厂合格证。
(6)其他条件:石棉绒、油麻绳、清铅、铅油、麻线、机油、螺栓、螺母、防锈漆等;2.机具准备:(1)机械:套丝机、砂轮切割机、砂轮锯、电焊机、电动试压泵等;(2)工具:套丝板、剁斧、大锤、倒链、管钳、压力案、钢锯、手锤、大绳、铁锹、铁镐、捻凿等;(3)其他:.水平尺、钢卷尺等。
3.作业条件:(1)管沟平直,管沟深度、宽度符合设计要求;阀门井、表井垫层,消火栓底座施工完毕。
(2)管沟沟底夯实,沟内无障碍物,且应有防塌方措施。
三、操作工艺:1.工艺流程:2.管道安装准备、就位:(1)依据施工图检查管沟坐标、深度、平直程度、沟底管基密实度是否符合要求。
(2)管道承口内部及插口外部飞刺、铸砂等应预先铲掉,沥青漆用喷灯或气焊烤掉,再用钢丝刷除去污物。
(3)把阀门、管件稳放在规定位置,作为基准点。
把铸铁管运到管沟沿线沟边,承口朝始终水方向。
.(4)依据铸铁管长度,确定管段工作坑位置,铺管前把工作坑挖好。
工作坑尺寸见下表:(5)用大绳把清扫口的铸铁管顺到沟底,清理承插口,然后对插安装管路,将承插口顺直定位。
(6)安装管件、阀门等应位置精确,阀杆要垂直向上。
(7)室外地下消火栓底座下设有预制好的混凝土垫块或现浇混凝土垫层,下面的土层要求夯实。
室外管网施工方案65224 万科蓝山花园一期一标室外管网施工方案一、前言二、项目概况三、施工组织设计四、施工工艺与措施五、安全生产措施六、环境保护措施七、质量保证措施八、施工进度计划九、施工机具设备及材料清单十、施工现场布置图十一、施工组织机构及人员安排十二、施工费用预算十三、施工风险及应对措施一、前言本文档是___为合肥万科蓝山花园一期一标室外管网施工方案编写的技术文件。
本方案旨在确保施工过程中的安全、质量、环境保护等方面的要求,保证工程顺利完成。
二、项目概况合肥万科蓝山花园一期一标室外管网工程位于合肥市包河区,总工程量为约米。
该工程为住宅小区的配套工程,主要包括给水管网、排水管网、雨水管网、消防管网等。
三、施工组织设计施工组织设计是保证工程施工顺利进行的重要保障。
本工程施工组织设计应考虑到施工进度、施工质量、施工安全、工程环境保护等方面的要求。
在施工过程中,应严格按照设计方案进行施工,确保施工质量达到设计要求。
四、施工工艺与措施本工程施工工艺应符合国家相关标准和规定。
在施工过程中,应按照设计方案进行施工,确保施工质量达到设计要求。
同时,应采取相应的措施,确保施工现场的安全、环保等方面的要求得到满足。
五、安全生产措施本工程施工过程中,应严格按照国家相关安全生产标准和规定进行施工。
同时,应制定相应的安全生产措施,确保施工现场的安全得到保障。
在施工过程中,应加强对施工人员的安全教育和培训,提高施工人员的安全意识。
六、环境保护措施本工程施工过程中,应严格按照国家相关环保标准和规定进行施工。
同时,应制定相应的环保措施,确保施工现场的环保要求得到满足。
在施工过程中,应加强对施工人员的环保教育和培训,提高施工人员的环保意识。
七、质量保证措施本工程施工过程中,应严格按照国家相关质量标准和规定进行施工。
同时,应制定相应的质量保证措施,确保施工质量得到保障。
在施工过程中,应加强对施工人员的质量教育和培训,提高施工人员的质量意识。
室外给排水管网工程1.适用范围本技术要求适用于万科地产成都区域所有室外给排水管网工程招投标及现场施工指导。
2.依据2.1.除另有注明外,本工程须符合设计、图纸和相关国家、地方及行业标准,主要包括但不限于:⏹《工程建设标准强制性条文》2002年版⏹《建筑工程施工质量验收统一标准》(GB50300-2001)⏹《建筑给水排水及采暖工程施工质量验收规范》(GB50242-2002)⏹《给水排水管道工程施工及验收规范》(GB50268-97)⏹室外硬聚氯乙烯给水管道工程施工及验收规程(CECS 10:90)⏹建筑给水聚乙烯类管道工程技术规程(CJJ/T98-2003)⏹埋地硬聚氯乙烯给水管道工程技术规程(CECS17:2000)⏹埋地硬聚氯乙烯排水管道工程技术规程(CECS122:2001)⏹国家建筑标准设计图集2.2.若承包商对以下要求有任何疑义,应立即向万科地产提出,由万科地产做最终决定,否则视为接受。
3.A:施工质量及技术要求室外给排水管道施工前,施工单位须详细的进行图纸审查,检查室外给排水管网位置、标高与现状或图纸上的燃气、电气等其它专业的管网(相关图纸由甲方提供)安全间距是否合理,核对管网与各单体建筑标高及室外环境标高的适宜性。
工程内容涉及与市政管网接驳的,应复核接驳处市政管网管径、标高的可行性。
如发现问题,施工单位须在图纸会审中及时提出解决。
B:管材和配件的性能要求与存放1.管材、配件的性能要求满足国家规范和标准,外观应光滑、清洁,没有划伤和其他缺陷,不允许有气泡、裂口及明显的凹陷、杂质、颜色不均、分解变色线等。
2.管材及配件在运输、装卸及堆放过程中应轻拿轻放,严禁抛扔或激烈碰撞。
管材应避免阳光暴晒,短期堆放应遮盖,若存放期较长,则应放置于棚库内,以免变形和老化。
3.1.沟槽开挖:3.1.1.沟槽开挖前,测量人员须根据设计图纸对管线位置进行准确的放线定位;施工单位应根据现场地下水的情况制定详细的排水措施并将排水设备准备到位。
室外给排水管网工程技术要求室外给排水管网工程技术要求一、工程概况本工程位于住宅小区内,本标段为3-15#楼及2-10#车库工程,弱电系统。
总建筑面积为212099m2。
二、招标范围本部为全部给排水管网工程,包括土建,挖土及运输工程量。
具体工程内容及范围详见室外给水管道总平面图、室外雨水及污水管道总平面图。
三、技术要求1、管材:室外给水管采用钢塑复合给水管(工作压力为1.6),室外排水管采用双壁排水塑料管。
管材建议采用雄塑、亚通、南塑、联塑等厂家的产品,阀门建议采用贵龙、冠龙、标一、大宇阀门,水表建议采用根据洛阳市有关部门备案的水表品牌。
2、给水管的管顶覆土0.800m,即管中距地面0.900m,环状管网的管径200。
阀门井做法详见国标S143、177页,阀门井内径1400。
消火栓井做法详见国标01S201、8页。
消火栓的型号为100/651.0钢筋混凝土水表井做法参见国标S145、1710页。
所有在车行道上的井盖、雨水篦子均采用高分子重型材质,井盖上应有给水、污水、雨水、水表等字样。
3、平坡段污水管的坡度为0.005,雨水管的坡度为0.004;坡道处的陡坡段,管道埋设按照图中所注标高即可,污水管管径均为200,雨水管的管径详见图中标注。
4、雨水收水井与雨水检查井之间的连接管,管径为200,坡度为0.010,起点管顶覆土0.600m。
管道基础采用20厚砂垫层基础,做法详见国标95S516、9页污水检查井做法详见国标02S515、21页雨水检查井做法详见国标02S515、12页雨水收水井做法详见国标02S5181、4页5、室外土方挖方与回填应符合以下要求1)沟槽挖方在挖土沟槽两侧应设路障等明显标志,夜间应设红灯,以防止行人或车辆造成事故,并保护好与沟槽相交的标桩及其它管道构筑物等设施。
2)土方开挖的边坡坡度控制,按土质的情况来制定,开挖前做好排水措施,以防止冲刷边坡造成塌方和破坏基土。
3)管沟开挖应确保沟底土层不被扰动,当无地下水时,挖至设计标高以上5一10可停挖,遇地下水时,可挖至设计标高以上15--20,约为沟深的10%左右:待到下管前用人工平整沟底,打好基础垫层,采用20厚砂垫层。
室外给排水管网工程技术要求一、工程概况本工程位于xxxxxxx住宅小区内,本标段为3-15#楼及2-10#车库工程,弱电系统。
总建筑面积为212099m²。
二、招标范围本部为xxxxxxxx全部给排水管网工程,包括土建,挖土及运输工程量。
具体工程内容及范围详见室外给水管道总平面图、室外雨水及污水管道总平面图。
三、技术要求1、管材:室外给水管采用钢塑复合给水管(工作压力为 1.6Mpa),室外排水管采用UPVC 双壁排水塑料管。
管材建议采用雄塑、亚通、南塑、联塑等厂家的产品,阀门建议采用贵龙、冠龙、标一、大宇阀门,水表建议采用根据洛阳市有关部门备案的水表品牌。
2、给水管的管顶覆土0.800m,即管中距地面0。
900m,环状管网的管径DN200。
阀门井做法详见国标S143、17--7页,阀门井内径1400mm。
消火栓井做法详见国标01S201、8页.消火栓的型号为SS100/65—-1.0钢筋混凝土水表井做法参见国标S145、17-—10页.所有在车行道上的井盖、雨水篦子均采用高分子重型材质,井盖上应有给水、污水、雨水、水表等字样。
3、平坡段污水管的坡度为0.005,雨水管的坡度为0。
004;坡道处的陡坡段,管道埋设按照图中所注标高即可,污水管管径均为DN200,雨水管的管径详见图中标注。
4、雨水收水井与雨水检查井之间的连接管,管径为DN200,坡度为0.010,起点管顶覆土0.600m。
管道基础采用20cm厚砂垫层基础,做法详见国标95S516、9页污水检查井做法详见国标02S515、21页雨水检查井做法详见国标02S515、12页雨水收水井做法详见国标02S518—-1、4页5、室外土方挖方与回填应符合以下要求1)沟槽挖方在挖土沟槽两侧应设路障等明显标志,夜间应设红灯,以防止行人或车辆造成事故,并保护好与沟槽相交的标桩及其它管道构筑物等设施。
2)土方开挖的边坡坡度控制,按土质的情况来制定,开挖前做好排水措施,以防止冲刷边坡造成塌方和破坏基土.3)管沟开挖应确保沟底土层不被扰动,当无地下水时,挖至设计标高以上5一10cm可停挖,遇地下水时,可挖至设计标高以上15—-20cm,约为沟深的10%左右:待到下管前用人工平整沟底,打好基础垫层,采用20cm厚砂垫层。
目录一、编制说明及编制依据................ 错误!未定义书签。
一)、编制依据--------------------- 错误!未定义书签。
二)、编制说明--------------------- 错误!未定义书签。
二、工程概况及特点.................... 错误!未定义书签。
一)、总述------------------------- 错误!未定义书签。
二)、现场概况--------------------- 错误!未定义书签。
三)、施工目标--------------------- 错误!未定义书签。
四)、工程概况--------------------- 错误!未定义书签。
五)、本工程的重点及难点----------- 错误!未定义书签。
三、项目组织管理机构.................. 错误!未定义书签。
一)、项目经理及主要管理人员简介--- 错误!未定义书签。
二)、管理机构职责划分------------- 错误!未定义书签。
四、总平面布置........................ 错误!未定义书签。
一)、施工现场总平面布置及说明----- 错误!未定义书签。
二)、施工临时用水、用电----------- 错误!未定义书签。
五、施工进度计划及劳动力安排.......... 错误!未定义书签。
一)、施工段划分及施工程序--------- 错误!未定义书签。
二)、总工期及进度计划安排--------- 错误!未定义书签。
三)、工期保证措施----------------- 错误!未定义书签。
四)、分包计划安排----------------- 错误!未定义书签。
五)、劳动力计划------------------- 错误!未定义书签。
六、施工机械设备...................... 错误!未定义书签。
七、工程施工方案及技术措施要求........ 错误!未定义书签。
室外给水、污水管网施工方案室外管网施工方案第一章编制依据及说明1.1编制说明我司通过认真学习和研究无锡市惠山区生活污水管网工程,根据上海原构设计咨询有限公司提供室外管网图纸,并实地踏勘了施工现场,在分析了各种影响施工因素及本工程施工特点后,结合我司以往施工实际经验,编制了本专项方案。
进行编制。
1.2编制依据1、根据上海原构设计咨询有限公司提供室外管网图纸。
2、国家有关现行设计规范、施工及验收规范、操作规程、标准图集和质量检验评定标准。
2.1建筑工程施工质量验收标准GB50300-2001,2.2建筑给水、排水管道工程施工及验收规范GB50242-2002,等国家现行有关标准、规范和施工验收规范(最新版)2.3 排入河道的雨水管道出说口均采用八字式管道出水口(混泥土)按06M201-9-5图集,雨水口及连接管按照国标05S518-92.4给水管径>DN100采用球墨铸铁管(橡胶接口)<DN100采用PPR管(热熔接口,过路加套管)2.5 建筑工程施工质量验收标准GB50300-20012.6 化粪池按照 12#钢筋混泥土化粪池03S702-113图集施工2.7窨井制作按照国家标准图集 02S5153、国家在施工安全、文明施工以及环境保护等方面的有关规定及技术标准。
4、根据上海原构设计咨询有限公司提供的室外管网管线图纸、及我司对该惠山区科技创业园C地快核心酒店区 SOHO办公楼内的现场勘查、了解。
调查所获得的有关资料。
5、我单位拥有的工法及科技成果和现有的管理水平、劳动力设备技术能力以及以前从事类似项目所积累的丰富的施工经验。
第二章工程概况一、工程简介本工程为无锡惠山科技创业园C地快核心酒店区SOHO办公楼(由上海原构设计咨询有限公司)设计室外管网工程。
本工程包括室外排水、室外给水工程(生活给水和消防给水)及室外电气的管网工程等。
由于该工程在惠山区科技创业园C地快核心酒店区 SOHO办公楼外施工,地下管线、电缆和障碍物较多,因此在施工之前必须查清所有管道的走向,不能盲目施工,同时在土方工程施工时,只能采取人工开挖基槽的方法。
室外给水、污水管网施工方案预览说明:预览图片所展示的格式为文档的源格式展示,下载源文件没有水印,内容可编辑和复制康馨苑室外排水工程.污水工程施工方案第一章编制依据1.2编制依据2.1、根据太原市精益市政工程设计有限公司提供室外污水工程图纸。
2.与本工程施工有关的图集和施工规范。
第二章工程概况一、工程简介本工程为外康馨苑室外排水工程.污水工程,建设单位山西省骅燕置业有限公司,设计单位太原市精益市政工程设计有限公司,监理单位山西省恒泰建设监理公司,该工程共分为A区和B区共分为24段,全长共2651.6米,其中A区为1303.1米,B区为1348.5米。
采用DN300HDPE双壁波纹管全长2651.1米,污水检查井1000×1000砖砌井800座,化粪池采用成品玻璃钢共8座。
施工准备施工前应逐级进行技术交底。
主要工序和关键部位的施工技术要求、地下隐蔽工程的位置和标高均应交底至直接操作人员,各种施工交底均应记录备查。
施工前必须详细熟悉设计文件及施工图纸,及时组织图纸交底,对施工现场进行详细查勘。
主要机械有反铲,搅拌机,力夯及其他工具。
第三章主要工程项目的施工方案、施工方法一、污水管道施工1.施工工序施工准备→测量放线→土石方开挖→沟槽清理(平整)→管道垫层→管道安装→管道连接→检查井砌筑→管道试验→土方回填夯实2.施工测量进入施工现场后,根据设计资料和建设单位交付的控制点,认真校核各控制点高程及坐标,若与现状不符,应及时与设计单位和甲方联系。
全面检查恢复道路中心桩及业主交付的水准点,发现问题及时查明原因,报告建设单位。
在不受施工影响的位置引测辅助基线,设平面控制桩,以备施工过程中及时补桩。
定出路边线及上下边坡线桩,核对占地和是否满足施工需要,施工范围内尚存的障碍应作明显标志。
测量人员应按中心桩位置复测原横断面,加桩处应补测横断面,并计算土方量。
施工过程中,测量人员对平面和水准测量应准确及时,并应及时向施工人员提供测量数据并现场交桩,测量标志应坚固稳定,施工人员对测量标志应认真保护。
室外给排水管网工程1.适用范围本技术要求适用于万科地产深圳区域所有室外给排水管网工程招投标及现场施工指导。
2.依据2.1.除另有注明外,本工程须符合设计、图纸和相关国家、地方及行业标准,主要包括但不限于:⏹《工程建设标准强制性条文》2002年版⏹《建筑工程施工质量验收统一标准》(GB50300-2001)⏹《建筑给水排水及采暖工程施工质量验收规范》(GB50242-2002)⏹《给水排水管道工程施工及验收规范》(GB50268-97)⏹室外硬聚氯乙烯给水管道工程施工及验收规程(CECS 10:90)⏹建筑给水聚乙烯类管道工程技术规程(CJJ/T98-2003)⏹埋地硬聚氯乙烯给水管道工程技术规程(CECS17:2000)⏹埋地硬聚氯乙烯排水管道工程技术规程(CECS122:2001)⏹国家建筑标准设计图集2.2.若承包商对以下要求有任何疑义,应立即向万科地产提出,由万科地产做最终决定,否则视为接受。
3.施工质量及技术要求室外给排水管道施工前,施工单位须详细的进行图纸审查,检查室外给排水管网位置、标高与现状或图纸上的燃气、电气等其它专业的管网(相关图纸由甲方提供)间距是否合理,核对管网与各单体建筑标高及室外环境标高的适宜性。
工程内容涉及与市政管网接驳的,应复核接驳处市政管网管径、标高的可行性。
如发现问题,施工单位须在图纸会审中及时提出解决。
3.1.沟槽开挖:3.1.1.沟槽开挖前,测量人员须根据设计图纸对管线位置进行准确的放线定位;施工单位应根据现场地下水的情况制定详细的排水措施并将排水设备准备到位。
3.1.2.沟槽开挖的边坡坡度由施工单位根据现场的实际情况决定,但放坡系数必须在施工方案中明确标注,并采取措施保证边坡稳定,确保施工期间边坡不坍塌。
3.1.3.一般土壤且地下水位低于沟底时,可开直形槽,但槽深不得超过下列规定:砂土和砂砾土不得超过1.0m;亚砂土和亚粘土不得超过1.25m。
当沟槽超过上述规定时,槽帮应放坡开挖,当槽沟深度超过2m时宜分层开挖。
3.1.4.开挖前应摸清地下障碍物和地面上架设高压线缆位置高度等情况,并采取严格的防护措施,确定挖土机在工作时的回转半径内有无障碍物。
开挖沟槽土方应置于距沟边0.8m以外处,高度不宜超过1.5m,须按要求放坡堆放,不得随意堆放,而影响到其它工程。
3.1.5.为使沟底的原土不被扰动,应保证留出比沟底设计标高高出300mm的原土层,采用人工清挖。
在开沟时测量人员应密切配合,严禁出现超挖现象。
开挖排水管道的土方时,沟底应按设计要求的坡度施工。
3.1.6.在软土地基、流沙、溶洞等不稳定地层内开槽时,须根据现场情况按规范要求设置沟槽支撑。
3.2.管道基础3.2.1.室外给水管1)、用天然地基时,沟底层应是原土层,或是夯实的回填土,沟底应平整,坡度应顺畅,不得有尖硬的物体、块石等;如沟基为岩石、不易清除的块石或为砾石层时,沟底应下挖100~200mm,填铺细砂或粒径不大于5mm的细土,夯实到沟底标高后,方可进行管道敷设。
2)、当天然地基受到扰动时,需采取以下措施进行处理:⏹当地基为干槽,其超挖深度在150mm以内时,可用原土回填压实,压实密度不低于原天然地基;当干槽超挖大于150mm、小于1m时,可用石灰土分层压实,相对密度不应低于95%。
⏹槽底有地下水或地基含水量较大时,可满槽填入大块石,块石间用级配砂填实,距沟底设计标高200m范围内须用细砂夯填。
⏹如槽底局部遇到回填的坑、穴、井或挖掉的局部坚硬地基(老房基、桥基等)可先将其挖除,然后用天然级配砂石、石灰土或可压实的砂粘土分层压实回填,压实度不应小于95%,处理深度不宜大于1m。
3.2.2.钢筋混凝土排水管⏹钢筋混凝土管道须做混凝土带形基础,基础垫层可铺设碎石层或原土夯实。
⏹覆土深度(H)0.7m≤(H)≤2.0m,应选用90°混凝土管基;⏹覆土深度(H)2.0m≤(H)≤3.5m,应选用120°混凝土管基;⏹覆土深度(H)4.0m≤(H) ,应选用180°混凝土管基;⏹基础和管道之间的管座必须用现浇混凝土填充密实,以减少对地基的压力和对管子的反力。
3.2.3.塑料排水管管道基础可采用砂石基础,对一般土质的地段,基础铺设一层厚为100mm的砂垫层。
对于软土地基,沟槽底又处在地下水位以下时,宜铺设砂石垫层,其厚度为200mm,且用黄砂找平。
3.3.管沟回填3.3.1.施工单位的回填土方案及实施须充分考虑对后续地上工程影响的风险且承担该风险责任。
3.3.2.给水管道水压试验前,除接口外,管道两侧及管顶以上回填高度不应小于500mm;水压试验合格后,应及时回填其余部分。
排水管道应在闭水试验合格后及时回填。
3.3.3.回填前管沟槽内砖、石、木块等杂物应清除干净;沟槽内不得有积水。
3.3.4.槽底至管顶以上500mm范围内,不得含有机物以及大于50mm的砖、石等硬块;在抹带接口处、防腐绝缘层或电缆周围,应采用细粒土回填。
3.3.5.沟槽回填土夯实应逐层进行,且不得损伤管道;管道两侧和管顶以上500mm范围内,应采用轻夯压实,管道两侧压实面的高差不应超过300mm。
3.3.6.分段回填压实时,相邻段的接茬应呈阶梯形,且不得漏夯;3.3.7.钢筋混凝土管道两侧回填土的压实度不应小于90%;塑料管两侧回填土的压实度不应小于95%。
3.3.8.回填土的每层虚铺厚度,应按采用的压实工具和要求的压实密度确定。
一般压实工具,铺土厚度按表3.3.8-1中的数值选用。
回填土每层虚铺厚度表3.3.8-13.4.管道安装管道安装敷设应在沟底标高和管道基础质量检查合格后进行。
3.4.1.室外给水管道⏹室外给水管道宜采用高密度聚乙烯(HDPE)管、孔网钢带骨架增强复合塑料管(DN50~DN200)、钢丝网骨架增强复合塑料管(DN100~DN400)或硬聚氯乙烯(PVC-U)管(具体以甲方针对该项目限定的管材品牌价格为准)。
从水泵房至各楼栋的埋地加压消防管道宜采用热镀锌钢管,管道外壁做加强级防腐。
⏹给水管道埋地敷设时,管顶的覆土厚度不得小于500mm,穿越道路部位的覆土厚度不得小于700mm。
⏹在室外道路和管网先于主体施工的情况下,穿路基给水管道为各单体建筑物予留的接口宜做出道路外2m,支管标高同接口处主干管标高,支管末端宜先做盲板封堵,该处地面上做100mm×100mm宽、800mm高水泥标志桩,然后以道路中永久保留的实物如检查井作为参照物,在图纸上标明过路管与相应参照物的距离,以便查找。
⏹市政给水管道阀门公称压力不得低于1.0Mpa,加压给水管道、消防管道阀门公称压力不得低于1.6Mpa。
⏹管道安装和铺设过程中,应随时清扫管中杂物。
暂时中断安装时,应用木塞或其他措施将管口封闭,防止杂物进入。
⏹复合管电热熔连接时应使用电热熔专用工具,应保持电热熔管件和管材的熔合部位不受潮,管材的连接端应切割垂直,并应用洁净棉布擦净管材和管件连接面上的污物,并标出插入深度,刮除其表皮,在熔合及冷却过程中,不得移动、转动电热熔管件和熔合的管道,不得在连接件上施加任何外力;孔网钢带骨架增强复合塑料管安装时,切断的端面须封相同材质的塑料封头环做防锈处理;复合管与阀门、室外消火栓等附件的连接,应采用法兰连接。
⏹室外阀门井内主管上宜设置合适口径的放空管,井底宜设置排水管,以防积水并供检修时使用。
阀门安装前必须逐个做强度和严密性试验。
阀门上应悬挂功能标识牌(须防水),管道上应标注水流走向。
消防管道阀门必须采用明杆闸阀。
⏹给水管道必须经过严格的水压试验后方可全部隐蔽。
3.4.2.室外排水管道⏹室外排水管道DN200~DN500宜采用聚氯乙烯双壁波纹管、聚氯乙烯环向(或螺旋)肋管、聚氯乙烯加筋管,DN≥600宜采用预应力钢筋混凝土管(具体以甲方针对该项目限定的管材品牌价格为准)。
预应力钢筋混凝土管车行道下应采用重型管道,其他地方应采用轻型管道。
⏹排水管道管顶最小覆土在车行道下不宜小于700mm;如无法满足,须加设防护钢套管等防受压破损的保护措施。
当管道不受外部荷载影响时,最小覆土厚度不宜小于300mm。
⏹排水管道交汇连接处、转弯、跌水、管径或坡度改变处以及直线管段上每隔40~50m处、材质变化处均应设检查井;检查井采用砖砌检查井,道路雨水口为砖砌筑;各类井室的井盖应符合设计要求,应有明显的文字标识,各种井盖不得混用。
设在通车路面下或小区道路下的各种井室,必须使用重型井圈和井盖,井盖上表面应与路面相平,允许偏差为±5mm。
绿化带上和不通车的地方可采用轻型井圈和井盖,井盖的上表面应高出地坪50mm,并在井口周围以2%的坡度向外做水泥砂浆护坡。
重型井圈,不得直接放在井室的砖墙上,砖墙上应做不少于80mm厚的细石混凝土垫层。
管道跌水水头为1~2m时,宜设跌水井跌水。
水头大于2.0m时,必须设跌水井。
⏹检查井抹面、勾缝、座浆、抹三角灰均用1∶2防水水泥砂浆,厚20mm,雨水检查井内壁抹面至管顶以上200mm,遇地下水时,井外壁抹面至地下水位以上500mm;污水井内外壁抹面至检查井向上开始收口的部位。
⏹雨水口至雨水检查井之间连接管管径选用如下:单箅雨水口选用DN200管道,双箅雨水口选用DN300管道,均以0.01坡度坡向雨水检查井,该连接管的起点管顶埋深不小于700mm。
⏹管道宜逐段施工逐段验收。
施工单位在完成上一待检点的施工后,应先自检合格并提前6小时通知监理工程师,经监理工程师验收合格并签字同意后方能进行下一工序的施工。
⏹如果在主体施工前,为了配合道路施工,室外永久雨、污水管道施工完毕,检查井宜先采用混凝土现浇的临时井盖(要求能抗20t载重汽车通行),待工程竣工验收移交时再换成正式井盖;雨、污水管道为各单体建筑物预留的接口支管做出道路外1m,所有预留接口须全部临时封堵,以防现场泥沙流入管道造成堵塞。
该处地面上做100mm ×100mm宽、800mm高水泥标志桩。
⏹室外排水管道坡度必须符合设计要求,严禁无坡或倒坡。
管道承插接口时,插口插入方向应与水流方向一致,由低点向高点依次安装。
⏹钢筋混凝土管如采用抹带接口,接口前应将管口的外壁凿毛、扫净;接口完毕后,抹带应进行保湿养护。
采用橡胶圈接口的塑料管,连接前,应先检查胶圈是否配套完好;接口作业时,应先将承口(或插口)的内(或外)工作面用棉纱清理干净,不得有泥土等杂物。
⏹污水管道上的检查井,井内流槽高度应为满管高。
用于雨水管道上的检查井,井内流槽高度应为半管高。
检查井应按给水排水标准图集设置标准井盖及爬梯。
⏹雨季施工应采取防止管材漂浮的措施;当管道施工完毕尚未回填而遭到水泡时,应进行管中心线和管底高程复测和外观检查,如出现位移、漂浮、拔口现象,应返工处理。