职业经理人-型号规格BDII系列多回转智能型电动执行器分为开关型、普通 精品
- 格式:doc
- 大小:121.50 KB
- 文档页数:3
执行器培训试题姓名成绩一、填空题。
1、执行器是自动控制系统中的执行机构和控制阀组合体。
它在自动控制系统中的作用是接受来自调节器发出的信号,以其在工艺管路的位置和特性,调节工艺介质的流量,从而将被控数控制在生产过程所要求的范围内。
2、按输入控制信号分类,执行器分为可以输入空气压力信号、直流电流信号、电接点通断信号、脉冲信号等几类。
3、执行器按所用驱动能源分为气动、电动和液压执行器三种。
4、电动执行器有五种类型,分别是:直行程电动执行器、角行程电动执行器、电动调节阀、PID电动调节执行器和电磁阀。
5、执行器由执行机构和调节机构两个部分组成。
6、对于执机构最广泛的定义是:一种能提供直线或旋转运动的驱动装置,它利用某种驱动能源并在某种控制信号作用下工作。
执行机构使用液体、气体、电力或其他能源并通过电机、气缸或其他装置将其转化为驱动作用。
7、按动作规律,执行器可分为开关型、积分型和比例型三类。
8、直行程与角行程电动执行器的作用是接收调节器或其它仪表送来的0~10,4~20毫安或1~5伏电压的标准值流电信号,经执行器后变成位移推力或转角力矩,以操作开关、阀门等,完成自动调节的任务二、判断题。
1、按动作规律,执行器可分为开关型、积分型和比例型三类。
(T )2、执行机构使用电力能源通过电机、气缸或其它装置将其转化成驱动作用。
(T )3、阀门启闭所需的扭力决定着电动执行器选择多大的输出扭力。
(T)4、按输出位移的形式,执行器有非线型和线型两种。
(F )5、电动执行器适用与防火防爆的场合。
(F )6、电机的启动电容损坏无法接收执行器信号。
(F )7、电动执行器的控制模式一般分为开关型(开环控制)和调节型(闭环控制)两大类。
(T )8、直行程电动执行器、角行程电动执行器、电动调节阀、PID电动调节执行器都是DDZ型。
(T )三、简答题。
1、执行器的定义。
执行器是自动控制系统中的执行机构和控制阀组合体。
它在自动控制系统中的作用是接受来自调节器发出的信号,以其在工艺管路的位置和特性,调节工艺介质的流量,从而将被控数控制在生产过程所要求的范围内。
苏州博睿测控设备有限公司培训教程之智能型电动执行器选型电动执行器与工况的关系⏹电动执行器是过程控制中非常重要的现场控制设备。
⏹随着现代工业自动化要求的不断提高,电动执行器(尤其是智能型电动执行器)广泛进入了各个行业和领域。
⏹电动执行器可输出不同行程的转角和直线位移,控制阀门、风门等设备,对管线内流体的流量、压力等过程参数进行控制。
⏹不夸张地说,现代工业现场中有管线的地方就有电动执行器的身影。
⏹因此,工业现场过程控制需要电动执行器,电动执行器的选型也必须从现场工况出发!电动执行器选型的基础信息必须从实际工况中获得!只有这样,产品才能最好的为工业现场服务!电动执行器选型的基础信息⏹工况配置的是什么形式的阀门?⏹工况配置的阀门所需转矩或推力是多少?⏹工况配置的阀门与电动执行器采用何种方式连接,连接尺寸是多少?⏹工况要求阀门全行程(从开到关)动作所需的时间是多少?⏹工况能够提供什么标准的动力电源?⏹工况要求电动执行器达到什么样的防护标准?⏹工况要求电动执行器采用什么方式控制?有哪些控制和保护的要求?⏹工况或用户的其它要求?电动执行器选型的基础信息 工况配置的是什么形式的阀门?闸阀、截止阀等由阀杆带动启闭件沿阀座密封面做升降运动的阀门一般采用多回转输出的推力型电动执行器。
球阀、蝶阀等启闭件绕垂直于通路的固定轴旋转的阀门一般选用部分回转输出的转矩型电动执行器。
阀门的形式决定电动执行器输出的形式调节阀等靠垂直推拉阀杆改变流体通道面积,以改变流体流量的阀门一般用直行程输出的频繁调节型电动执行器。
电动执行器选型的基础信息工况配置的是什么形式的阀门?阀门的形式决定电动执行器输出的形式闸阀、截止阀等启闭件由阀杆带动沿阀座密封面做升降运动的阀门一般采用多回转输出的电动执行器。
一般多回转和部分回转电动执行器输出转矩都不大于几千N.m。
转矩型多回转电动执行器通过选配各种减速器可达到数十万N.m的输出转矩,同时转换为部分回转型、多回转推力型电动执行器,以满足工况下的大转矩需求。
电动执行器有五种类型:直行程电动执行器、角行程电动执行器、电动调节阀、PID电动调节执行器和电磁阀。
前四种属于DDZ型。
下面简要介绍一下直行程电动执行器(DKJ)和角行程电动执行器(DKZ)。
直行程与角行程电动执行器的作用是接收调节器或其它仪表送来的0~10,4~20毫安或1~5伏电压的标准值流电信号,经执行器后变成位移推力或转角力矩,以操作开关、阀门等,完成自动调节的任务。
这两种执行器以前都是由伺服放大器与执行机构两大部分组成的。
现在有机电一体智能化的结构,它们的结构、工作原理和使用方法都是相似的,区别仅在于,一个输出位移(推力),一个输出转角(力矩)。
电动执行器选型考虑要点一、根据阀门类型选择电动执行器阀门的种类相当多,工作原理也不太一样,一般以转动阀板角度、升降阀板等方式来实现启闭控制,当与电动执行器配套时首先应根据阀门的类型选择电动执行器。
1.角行程电动执行器(转角<360度)电动执行器输出轴的转动小于一周,即小于360度,通常为90度就实现阀门的启闭过程控制。
此类电动执行器根据安装接口方式的不同又分为直连式、底座曲柄式两种。
a)直连式:是指电动执行器输出轴与阀杆直连安装的形式。
b)底座曲柄式:是指输出轴通过曲柄与阀杆连接的形式。
此类电动执行器适用于蝶阀、球阀、旋塞阀等。
2.多回转电动执行器(转角>360度)电动执行器输出轴的转动大于一周,即大于360度,一般需多圈才能实现阀门的启闭过程控制。
此类电动执行器适用于闸阀、截止阀等。
3.直行程(直线运动)电动执行器输出轴的运动为直线运动式,不是转动形式。
此类电动执行器适用于单座调节阀、双座调节阀等。
二、根据生产工艺控制要求确定电动执行器的控制模式电动执行器的控制模式一般分为开关型(开环控制)和调节型(闭环控制)两大类。
1.开关型(开环控制)开关型电动执行器一般实现对阀门的开或关控制,阀门要么处于全开位置,要么处于全关位置,此类阀门不需对介质流量进行精确控制。
电动执行器是一类以电能作为能源的执行器。
按结构可分为电动控制阀、电磁阀、电动调速泵和电动功率调整器及附件等。
①电动执行机构电动执行机构是采用电动机和减速装置来控制阀门的执行机构。
通常,电动执行机构的输人信号是标准电流或电压信号,其输出信号是电动机的正、反转或停止的三位式开关信号。
电动执行机构按位移分为直行程、角行程和多转式三类;按输入信号与输出信号的关系分为比例式、积分式两类。
②电动调速泵电动调速泵指用交流调速技术对交流电动机进行调速,实现流量控制的电动执行器。
交流电动机调速方法有调频调速、调极对数调速和调转差率调速三种,同步交流电动机因不受转差率影响,只有调频调速、调极对数调速两种调速方法。
变频调速是改变电源频率/i来改变电动机的同步转速。
异步电动机采用变频器调速时,为防止电动机磁饱和,要控制电动机的磁通,抑制启动电流。
因此,需根据电动机特性对供电电压、电流、频率进行合适控制,使电动机获得所需转矩。
a.电压/频率控制。
电压/频率控制是改变频率的同时控制变频器输出电压,使电动机磁通保持不变,在调速范围较广时,使电动机功率和效率不下降,即控制电压与频率之比。
常用下列控制方式。
•线性V/F控制。
变频器输出电压与频率的关系为线性,用于恒定转矩负载。
•带磁通电流控制(FCC)的线性V/F控制。
根据电动机特性实时计算所需输出电压,用于保持电动机磁通在最佳状态,该方式可提高电动机效率和改善电动机动态响应特性。
•平方V/F控制。
变频器输出电压的平方与频率成正比,用于变转矩负载,例如风机、泵等设备的控制。
•特性曲线可编程V/F控制。
变频器输出电压与频率之间用分段线性关系描述,用于特定频率下为电动机提供特定转矩。
•带能量优化控制(ECO)的线性V/F控制。
变频器自动增减电动机电压,使电动机在损耗最小的工作点运行。
b.矢量控制。
矢量控制是将供给异步电动机定子电流从理论上分为两部分,即产生磁场的电流分量(磁场电流)和与磁场相垂直的,用于产生转矩的电流分量(转矩电流)。
电动执行器的分类电动执行器的类型繁多,它是在不同行业领域的称谓,在工业管道阀门行业称之为阀门电动装置,在仪表行业称之为电动执行器,但现在业内已没有很明确的区分。
角行程、直行程和多转式执行器是指按照运动方式分类。
它是一种能提供直线或旋转运动的驱动装置,它利用某种驱动能源并在某种控制信号作用下工作,不管哪种分类都有其自身的特性。
角行程、直行程和多转式角行程角行程和直行程执行器大部分是在多转式的基础之上改造而来的:以多转式为基础,配以蜗轮蜗杆二级减速箱组成0~90°角行程电动执行机构;配以丝杆部件组成直行程电动执行机构。
角行程:0~90°角行程,用于控制球阀、旋塞阀、蝶阀和百叶阀之类的角行程阀门;多回转电动执行器多转式:需要运行超过360°才能实现阀门的启闭,主要用于截止阀、管夹阀和隔膜阀;直行程:输出的是力,产生的是位移,主要用于闸阀和滑板阀。
常用于配套各种阀门构成电动阀门或者电动调节阀(例如:闸阀、调节阀、单座阀等直线运动的阀门) 以AC交流电或DC直流电为驱动能源;根据动作方式分为两大类(电动开关型和电动调节型)优点是能源取用方便,信号传输速度快,传输距离远,便于集中控制,灵敏度和精度较高,与电动调节仪表配合方便,安装接线简单。
缺点是结构复杂,平均故障率高于气动执行机构,适用于防爆要求不高,气源缺乏的场所。
永嘉县神舟电力设备有限公司已有11年专业制造阀门电动执行器的历史。
公司生产的DZW系列多回转阀门电动执行器、DQW系列QB系列部分转阀门电动执行器、GT系列部分回转角为90°阀门气动装置,采用先进的超大规模的数字集成芯片,专业的数字力矩传感器和数字位移传感器、全中文菜单操作和显示、机电一体化的结构设计,造就了其完美的功能、优异的性能、轻巧美观、调试简单、操作方便。
可与多种阀门相配套,实现现场操作,也可实现电动、气动的远方控制,集中控制和自动控制。
广泛应用于电站、石油、钢铁、化工、输油管道、污水处理等自动控制系统中,既能满足频繁调节控制,又能满足断续控制的要求。
电动执行器有五种类型一、直线执行器直线执行器是指通过电机驱动来实现直线运动的设备。
其结构通常包括电动机、减速机构和导轨组成。
直线执行器可分为螺杆型和滑动型两种。
螺杆型直线执行器通过螺杆和螺母的配合实现直线运动,适用于要求精度较高的场合;滑动型直线执行器通过滑块和导轨的摩擦运动来实现直线位移,适用于速度较快、负载较大的场合。
直线执行器广泛应用于自动化生产线、机械装配和仓储系统等领域。
二、旋转执行器旋转执行器是指通过电机驱动来实现旋转运动的设备。
其结构通常包括电机、减速机构和输出轴组成。
旋转执行器分为直接驱动式和间接驱动式两种。
直接驱动式旋转执行器将电机与输出轴直接相连,能够实现高精度和高转速的运动;间接驱动式旋转执行器则采用齿轮传动或皮带传动的方式来实现旋转运动,适用于转矩大的场合。
旋转执行器广泛应用于自动化机械臂、起重设备和控制阀门等领域。
三、角度执行器角度执行器是指通过电机驱动来实现角度运动的设备。
其结构通常包括电机、减速机构和转角传感器组成。
角度执行器可以根据需求实现不同的运动方式,如单向旋转、双向旋转和多轴旋转等。
角度执行器广泛应用于门窗自动开关、太阳能跟踪系统和舞台灯光控制等领域。
四、多轴执行器多轴执行器是指可以同时或独立控制多个轴运动的设备。
其结构通常包括多个电机、减速机构和控制器组成。
多轴执行器可以实现多种复杂运动模式,如多轴插补、同步运动和快速定位等。
多轴执行器广泛应用于数控机床、印刷设备和电子制造等领域。
五、伺服执行器伺服执行器是指通过伺服系统来实现精确控制的设备。
其结构通常包括伺服电机、编码器、控制器和驱动器组成。
伺服执行器能够实现高精度、高稳定性和高动态响应的运动控制,适用于对运动精度和速度要求较高的场合。
伺服执行器广泛应用于自动化机床、数控机器人和印刷设备等领域。
综上所述,电动执行器的五种类型分别是直线执行器、旋转执行器、角度执行器、多轴执行器和伺服执行器。
每种类型的执行器都有其特定的应用领域和优势,可以根据需求选择适合的类型来完成自动化控制任务。
电动执行器一般按照控制类型分为普通型、调节型,运行特性分角行程、角行程,直行程,多回转型,防护功能分户外型和防爆型。
整体型是指控制方式与机械结构整合到一起的执行机构,智能开关一体化电动执行器具备以下特点:1、智能型电动执行器选用大规模的数字集成芯片,功用强大,精度等级高。
内嵌微处理器的控制单元,通过人机交互界面(屏幕显示开度、故障信息、参数组态),利用显示或者使用遥控器对行程和力矩进行设定;2、具备防堵转功能,具有故障自诊断和保护功能(在运行过程中出现的异常情况如阀门卡滞、电源缺相等自行诊断并进行报警和保护)。
机电一体化规划,体积小,分量轻。
选用专业的压力传感器丈量输出轴的力矩值,因而提高了力矩丈量值的准确度,差错率≤5%并可动态监督、显示过力矩、堵转可报警。
3、具备远方和就地控制可切换;4、具备免开盖调试功能5、具备就地手动、遥控的控制与设定功能;6、具备紧急操作功能,紧急位置可设定。
7、需要时具有总线通讯功能。
8、智能电装的防护等级要求为IP67。
普通开关型电动执行器的特点:开关型电动执行器因结构形式的不同还可分为分体结构和一体化结构。
1、一体化结构(通常称为整体型):控制单元与电动执行器一体化,无需外配控制单元即可现实就地操作,远程只需输出相关控制信息就可对其进行操作。
同时具备远程现场切换操作、过流过载停机保护功能。
相对智能型电动执行器此结构的缺点是:A 需要开盖调试,需要专业人员。
B 行程机械计数,而智能型电子编码没有机械间隙,控制精度较高。
C 电器元器件多,稳定性相对差,有一定故障率,而智能型是集成化,D 没有屏显故障查找排除麻烦。
2、分体结构(通常称为普通型):控制单元与电动执行器分离,电动执行器不能单独实现对阀门的控制,必需外加控制单元才能实现控制,一般外部采用控制器或控制柜形式进行配套。
此结构的缺点是不便于系统整体安装,增加接线及安装费用,且容易出现故障,当故障发生时不便于诊断和维修,性价比不理想。
第一章绪论1.1 执行机构结构执行机构使用液体、气体、电力或其它能源并通过电机、气缸或其它装置将其转化成驱动作用。
基本的执行机构用于把阀门驱动至全开或全关的位置。
用与控制阀的执行机构能够精确的使阀门走到任何位置。
尽管大部分执行机构都是用于开关阀门,但是如今的执行机构的设计远远超出了简单的开关功能,它们包含了位置感应装置,力矩感应装置,电极保护装置,逻辑控制装置,数字通讯模块及PID控制模块等,而这些装置全部安装在一个紧凑的外壳内。
电动执行器的执行机构和调节机构是分开的两部分,其执行机构分角行程和直行程两种,都是以两相交流电机为动力的位置伺服机构,作用是将输入的直流电流信号线性的转换为位移量电动执行机构安全防爆性差,电机动作不够迅速,且在行程受阻或阀杆被扎住时电机容易受损。
但是由于执行器本身具有伺服功能,无须外接伺服放大器;可以带过载保护单元;任意选择正反动作;断电后阀门自锁;电动机内部有温度保护开关从而保护电机不被烧毁的等特点。
电动执行器在不断改进有扩大应用的趋势。
随着自动化,电子和计算机技术的发展,现在越来越多的执行机构已经向智能化发展,很多执行机构已经带有通讯和智能控制的功能,比如很多厂家的厂品都带现场总线接口。
我们相信今后执行器和其他自动化仪表一样会越来越智能化,这是大势所驱。
1.早期的工业领域,有许多的控制是手动和半自动的,在操作中人体直接接触工业设备的危险部位和危险介质(固、液、气三态的多种化学物质和辐射物质),极易造成对人的伤害,很不安全;2.设备寿命短、易损坏、维修量大;3.采用半自动特别是手动控制的控制效率很低、误差大,生产效率低下。
基于以上原因,执行机构逐渐产生并应用于工业和其它控制领域,减少和避免了人身伤害和设备损坏,极大的提高了控制精确度和效率,同时也极大提高了生产效率。
今年来随着电子元器件技术、计算机技术和控制理论的飞速发展,国内外的执行机构都已跨入智能控制的时代。
1.2 执行机构的应用领域执行机构主要应用以下三大领域1.2.1 发电厂典型应用有:①火电行业应用送风机风门挡板一次进风风门挡板空气预热风门挡板烟气再循环旁路风门挡板二次进风风门挡板主风箱风门挡板燃烧器调节杆燃烧器摇摆驱动器液压推杆驱动器叶轮机调速烟气调节阀蒸气调节阀球阀和蝶阀控制滑动门闸门②其它电力行业的阀门执行器应用球阀除尘控制喷水叶轮机转速控制控制大型液压阀燃气控制阀燃烧器点火启动蒸气控制阀冷凝水再循环, 脱氧机,锅炉给水,过热控制器,再加热恒温控制器,及其它相关阀门应用1.2.2 过程控制用于化工、石化、模具、食品、医药、包装等行业的生产过程控制,按照既定的逻辑指令或电脑程序对阀门、刀具、管道、挡板、滑槽、平台等进行精确的定位、起停、开合、回转,利用系统检测出的温度、压力、流量、尺寸、辐射、亮度、色度、粗糙度、密度等实时参数对系统进行调整,从而实现间歇、连续和循环的加工过程的控制。
2.3方式旋钮(红钮)旋到现场位置,手动电动切换手柄切换到手动,用手轮将阀门转到全关位置(关到手轮转不动后退上一圈),用红外设定器进入菜单:“基本设置”,用上移或下移键选择“关位设置”,按下“确认键”,保存关位值。
再用手动方式将阀门开到全开位置(开到手轮转不动后退上一圈),进入菜单:“基本设置”,选择“开位设置”,按一下“确认键”,保存开位值,退出菜单。
用电动方式操作执行器全开全关,检查阀门开关是否都刚好到位,如果没有须按上述步骤重新设置限位。
3远方操作快速测试3.1远方开关量测试方式旋钮(红钮)旋到远方位置,显示屏显示“远方手动”。
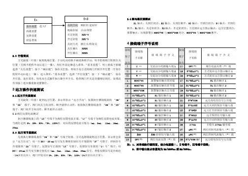
短接执行器接线盘的“26”和“22”端子,阀门向关方向动作,断开就停止动作;短接执行器接线盘的“26”和“23”端子,阀门向开方向动作,断开就停止动作。
3.2阀位反馈电流测试执行器接线盘上的“13”号端子为阀位反馈电流正端,“14”号端子为阀位反馈电流负端。
当阀位走到0%、25%、50%、75%、100%时,对应的反馈电流分别为4mA、8mA、 12mA、16mA、20mA.3.3 远方调节量测试先将执行器接线盘的“26”和“25”号端子短接,方式选择钮旋到远方位置,显示屏会显示“远方自动”,用一台DC4~20 mA信号发生器将控制信号正端接到“27”号端子、控制信号负端接到“28”号端子、反馈信号正接到“13”号端子、反馈信号负接到“14号”端子,用DC4~20 mA信号发生器分别发出4mA、8mA、 12mA、16mA、20mA信号,查看反馈信号是否相近(1%误差以内),阀门开度对应0%、25%、50%、75%、100%(1%误差以内正常)。
3.4继电器反馈测试S1触点:关到位闭合;S2触点:关到位断开;S3触点:开到位闭合;S4触点:开到位断开;R1触点:关过矩闭合;R2触点:开过矩闭合;方式钮在远方指示触点:远方位置闭合;报警触点:出现报警后MONI-NC与MONI-COM闭合,MONI-NO与MONI-COM断开。
电动执行器又称阀门电动装置,它是在不同行业领域的称谓,在工业管道阀门行业称之为阀门电动装置,在仪表行业称之为电动执行器,但现在业内已没有很明确的区分,本文所涉及到的关于称谓问题将统一称之为电动执行器。
阀门在工业管路控制中是经常使用的重要设备,电动阀门随着工业自动化的发展,因其动力源容易取得,且一般情况下无需维护的优点,比起气动、液动等不同驱动方式的设备使用更为普遍。
在工业场合电动阀门必需具有更高的可靠性和安全性,当阀门能保证性能和寿命的情况下,电动阀门的安全性与可靠性取决于电动执行器,因此电动执行器的性能、控制水平是电动阀门整机技术水平的综合表现。
所以在电动执行器选型时除必需考虑的一些基本要素外,对其提出合理的技术要求才能使电动阀门价值实现最大化。
电动执行器的类型很多,不同类型和功能的电动执行器与阀门配套后都可称之为电动阀门,但往往在设计、选型的过程中只重视阀门的参数忽略或没有明确电动执行器的相关要求,这样不仅使电动阀门发挥不出最佳的性能,而且在安装、调试、使用过程中也会带来不必要的麻烦,甚至给生产造成严重的后果。
本文将针对电动执行器选型考虑的要点进行说明,并对目前智能电动执行器的相关功能做简单介绍,它将是当今乃至将来工业自动化控制发展所需的主流产品。
本帖交易内容(一)电动执行器选型考虑要点一、根据阀门类型选择电动执行器阀门的种类相当多,工作原理也不太一样,一般以转动阀板角度、升降阀板等方式来实现启闭控制,当与电动执行器配套时首先应根据阀门的类型选择电动执行器。
1.角行程电动执行器(转角<360度)电动执行器输出轴的转动小于一周,即小于360度,通常为90度就实现阀门的启闭过程控制。
此类电动执行器根据安装接口方式的不同又分为直连式、底座曲柄式两种。
a)直连式:是指电动执行器输出轴与阀杆直连安装的形式。
b)底座曲柄式:是指输出轴通过曲柄与阀杆连接的形式。
此类电动执行器适用于蝶阀、球阀、旋塞阀等。
电动执行器说明 Document number:PBGCG-0857-BTDO-0089-PTT1998电动执行器又称阀门电动装置,它是在不同行业领域的称谓,在工业管道阀门行业称之为阀门电动装置,在仪表行业称之为电动执行器,但现在业内已没有很明确的区分,本文所涉及到的关于称谓问题将统一称之为电动执行器。
阀门在工业管路控制中是经常使用的重要设备,电动阀门随着工业自动化的发展,因其动力源容易取得,且一般情况下无需维护的优点,比起气动、液动等不同驱动方式的设备使用更为普遍。
在工业场合电动阀门必需具有更高的可靠性和安全性,当阀门能保证性能和寿命的情况下,电动阀门的安全性与可靠性取决于电动执行器,因此电动执行器的性能、控制水平是电动阀门整机技术水平的综合表现。
所以在电动执行器选型时除必需考虑的一些基本要素外,对其提出合理的技术要求才能使电动阀门价值实现最大化。
电动执行器的类型很多,不同类型和功能的电动执行器与阀门配套后都可称之为电动阀门,但往往在设计、选型的过程中只重视阀门的参数忽略或没有明确电动执行器的相关要求,这样不仅使电动阀门发挥不出最佳的性能,而且在安装、调试、使用过程中也会带来不必要的麻烦,甚至给生产造成严重的后果。
本文将针对电动执行器选型考虑的要点进行说明,并对目前智能电动执行器的相关功能做简单介绍,它将是当今乃至将来工业自动化控制发展所需的主流产品。
本帖交易内容(一)电动执行器选型考虑要点一、根据阀门类型选择电动执行器阀门的种类相当多,工作原理也不太一样,一般以转动阀板角度、升降阀板等方式来实现启闭控制,当与电动执行器配套时首先应根据阀门的类型选择电动执行器。
1.角行程电动执行器(转角<360度)电动执行器输出轴的转动小于一周,即小于360度,通常为90度就实现阀门的启闭过程控制。
此类电动执行器根据安装接口方式的不同又分为直连式、底座曲柄式两种。
a)直连式:是指电动执行器输出轴与阀杆直连安装的形式。
多种多样的执行器执行器是指能够完成特定任务的设备或组件。
在不同领域的应用中,我们可以见到各种各样的执行器。
本文将介绍一些常见的执行器以及它们的特点和应用。
1. 电动执行器电动执行器是一种通过电动机驱动的执行器。
它们通常具有高效率、精确度高、响应速度快等特点。
电动执行器可分为直流电动执行器和交流电动执行器。
直流电动执行器通常用于需要稳定性和可控性的应用,而交流电动执行器则广泛应用于工业自动化和机器人等领域。
2. 液压执行器液压执行器利用液压力来完成工作。
它们通常由液压泵、活塞、阀门等组成。
液压执行器具有高承载能力、稳定性好、可靠性高的特点,因此在重型机械和工业设备中广泛应用。
例如,液压缸常用于挖掘机、起重机和冲床等设备中,能够提供强大的推力和承载能力。
3. 气动执行器气动执行器利用气体动力来完成工作。
它们通常由压缩空气或惰性气体驱动。
气动执行器具有响应速度快、可承载力高、使用成本低等特点,因此在生产线、装配线等高速应用场景中较为常见。
例如,气缸常用于包装机械、自动化装配线和切割机械等设备中,能够提供快速且稳定的运动。
4. 电磁执行器电磁执行器利用电磁力来完成工作。
它们通常由电磁铁、线圈、磁芯等组成。
电磁执行器具有结构简单、动作可靠、成本低等特点,因此在自动门、电磁阀等设备中广泛应用。
例如,电磁阀常用于液压系统和气动系统中,能够实现远程控制和自动化操作。
5. 步进执行器步进执行器是一种将电子脉冲转换为机械运动的执行器。
它们通常由电动机和控制器等组件组成。
步进执行器具有定位精度高、运动平稳、机械振动小等特点,因此在精密仪器、机床和3D打印机等领域中得到广泛应用。
例如,步进电机常用于机械臂、光纤激光切割机和CNC加工中心等设备中,能够实现高精度的定位和控制。
6. 伺服执行器伺服执行器是一种具有闭环控制系统的执行器。
它们通常由伺服电机、编码器、控制器等组成。
伺服执行器具有响应速度快、定位精度高、动态性能好等特点,因此在自动化设备和机械加工中得到广泛应用。
多转式电动执行器多转式电动执行器是一种常见的工业自动化控制器,用于实现机械运动的电动驱动和自动控制。
其最大的特点是可以通过电动方式通过不同的转角来实现不同的操作需求,此外,多转式电动执行器还具有精密度高,承载能力大,耐用性好等特点,被广泛应用于工业领域的自动化流程中。
多转式电动执行器的特点可靠性高多转式电动执行器具有高质量的铸造外壳,通常采用铝合金或钢材制作,通过高质量的防护措施,可以有效避免外界对设备的损坏。
此外,多转式电动执行器内部采用先进的电机传动控制方式,使得设备的启动、运行和停止非常可靠,并且具有极强的抗干扰能力,可以在工业生产制造过程中稳定地运行。
精度高多转式电动执行器内部的精密传动机构可以实现设备的精准调节,马达具有非常高精度的控制性能,可以在毫秒级响应,使设备响应和执行效率非常高。
此外,机构设计简单,易于维护,保持设备的稳定性和性能。
承载能力强由于多转式电动执行器内部构造合理,通过使用优质材料,设备具有非常高的承载能力和耐久性。
使用过程中,可以有效承受大量压力和力矩,并且可以长期运行而不损坏。
多角度控制多转式电动执行器可以通过电子控制器控制,实现不同角度的运动。
设备可以进行连续的旋转,也可以进行到达指定角度的位置控制。
通过多种不同的控制方式,可以实现非常复杂的自动化生产流程。
维护简单多转式电动执行器采用模块化设计结构,方便更换或维修整个电动执行器或其中的部分组件。
此外,在设备运行过程中,具有自动故障检测和自故障排除功能,可以快速响应并解决故障,减少停机时间。
多转式电动执行器的应用领域多转式电动执行器广泛应用于工业自动化控制领域,主要用于以下场合:工业制造流水线在工业制造流水线中,多转式电动执行器被广泛应用于自动化生产设备的控制,主要用于平移或旋转式机械臂的调整和操作。
化工实验室在化工实验室中,多转式电动执行器通常用于控制倾斜角度和转动角度,可以实现自动取样和实验设备调节。
医疗设备多转式电动执行器在医疗设备领域是一种重要的控制元件,主要应用于机械手臂和电动手术床的角度调整控制。
型号规格
BDII系列多回转智能型电动执行器分为开关型、普通调节型和频繁调节型。
BDII开关型执行器无比例控制功能,适用于工作频率不超过60次/小时,连续工作时间不超过10分钟,且工作时间占空比不超过33.3%的场合。
BDII普通调节型执行器有比例控制功能,适用于工作频率不超过60次/小时(短时工作频率可达600次/小时),连续工作时间不超过10分钟,工作时间占空比可达到50%。
BDII频繁调节型执行器对电机的控制采用了无开关触点的固态继电器和可频繁动作的电机,在额定调节转矩下可达到1200次/小时(单相除外)的工作频度,工作时间占空比也可达到50%。
BDII普通调节型和频繁调节型执行器比BDII开关型执行器有更高的定位精度。
能很好地满足绝大多数工业领域对闭环自控回路执行单元的要求。
注:1.电机的启动电流约为额定电流的2倍。
2.频繁调节型执行器选型时参照加“*”项选择调节转矩值。
2.频繁调节型执行器选型时参照加“*”项选择调节转矩值。