施工现场安全质量标准化达标验收表
- 格式:docx
- 大小:53.58 KB
- 文档页数:20
工程施工现场验收记录表一、项目基本信息项目名称:[填写项目名称]施工单位:[填写施工单位名称]业主单位:[填写业主单位名称]监理单位:[填写监理单位名称]验收日期:[填写验收日期]二、施工现场情况1. 工程概况[填写工程概况,包括工程规模、主要施工内容等]2. 施工人员[填写施工人员数量及职责分工]3. 现场安全[描述现场安全情况,包括施工期间是否有安全事故、安全管理措施是否到位等]4. 环境保护[描述环境保护情况,包括施工期间是否存在环境污染问题、是否采取了相应的环保措施等]三、验收内容1. 安全生产[对施工现场的安全生产进行验收,包括是否按照相关法律法规进行安全管理、是否存在违规操作等]2. 施工质量[对施工质量进行验收,包括施工过程中是否按照设计要求进行操作、施工质量是否达到规定标准等]3. 环境保护[对环境保护情况进行验收,包括施工现场是否有环境污染、是否采取了相应的环境保护措施等]4. 工程进度[对工程进度进行验收,包括工程进度是否按照计划进行、是否存在延期等情况][对现场施工文明程度进行验收,包括施工现场是否整洁、是否存在乱堆乱放现象等]四、验收结果1. 安全生产[填写安全生产验收结果,包括是否合格、存在的问题及整改措施等]2. 施工质量[填写施工质量验收结果,包括验收结论、存在的问题及整改措施等]3. 环境保护[填写环境保护验收结果,包括验收结论、存在的问题及整改措施等]4. 工程进度[填写工程进度验收结果,包括验收结论、存在的问题及整改措施等][填写文明施工验收结果,包括验收结论、存在的问题及整改措施等]五、其他事项[填写其他需要记录的事项,如工程现场照明、供水、通风等情况]六、结论与备案本次工程施工现场验收结果合格,并备案存档。
验收单位:[填写验收单位名称]验收人:[填写验收人姓名]日期:[填写验收日期]。
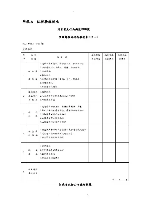
附录A 达标验收标准河北省太行山高速邯郸段项目部驻地达标验收表附录A-1 施工单位:合同段:监理单位:河北省太行山高速邯郸段监理驻地达标验收表附录A-2监理单位:合同段:河北省太行山高速邯郸段试验室达标验收表附录A-3 施工单位:合同段:监理单位:河北省太行山高速邯郸段试验室标准化日常检查表附录A-4施工单位:合同段:监理单位:施工单位:总监办:日期:河北省太行山高速邯郸段拌和站达标验收表附录A-5 施工单位:合同段:河北省太行山高速邯郸段预制场达标验收表附录A-6 施工单位:合同段:河北省太行山高速邯郸段料场达标验收表附录A-7 施工单位:合同号:河北省太行山高速邯郸段库房达标验收表附录A-8施工单位:_______________________ 合同号:________________________监理单位:_______________________ _________________________河北省太行山高速邯郸段钢筋加工场达标验收表附录A-9施工单位:合同段:监理单位:河北省太行山高速邯郸段路基工程施工工点标准化日常检查表附录A-10 施工单位:合同段:监理单位:施工单位:总监办:日期:河北省太行山高速邯郸段路面工程施工工点标准化日常检查表附录A-11施工单位:合同段:监理单位:工点名称:劳务队:施工单位:总监办:日期:河北省太行山高速邯郸段桥涵工程施工工点标准化日常检查表附录A-12施工单位:合同段:监理单位:施工单位:总监办:日期:河北省太行山高速邯郸段便道、便桥达标验收表附表A-14施工单位:合同号:监理单位:编号:。
工程名称:______________________ 工程地点:______________________ 业主单位:______________________ 监理单位:______________________ 施工单位:______________________ 验收日期:______________________一、基本情况1. 工程项目简介:1.1 工程名称:1.2 工程地点:1.3 工程类型:1.4 施工单位:1.5 监理单位:1.6 项目负责人:2. 工程施工内容:2.1 土建工程:2.2 结构工程:2.3 安装工程:2.4 装饰装修工程:3. 工程验收标准:3.1 施工图纸要求:3.2 施工质量要求:3.3 安全生产要求:3.4 环保要求:1. 施工准备:1.1 施工前临时施工文件审查: 1.2 施工现场平整程度:1.3 施工仓库及设备准备情况:2. 土建工程:2.1 基础工程施工过程检查:2.2 主体结构施工过程检查:2.3 外墙及屋面施工过程检查:3. 结构工程:3.1 钢结构施工过程检查:3.2 混凝土结构施工过程检查:3.3 预应力构件施工过程检查:4. 安装工程:4.1 电气安装过程检查:4.2 暖通空调安装过程检查:4.3 给排水安装过程检查:5. 装饰装修工程:5.1 室内装修工程过程检查:5.2 室外装修工程过程检查:5.3 建筑装饰装修工程过程检查:三、竣工验收1. 工程材料:1.1 砂石水泥等原材料验收记录: 1.2 各种构件板材验收记录:2.2.1 土建工程验收记录:2.2 结构工程验收记录:2.3 安装工程验收记录:2.4 装饰装修工程验收记录:3. 工程安全:3.1 安全生产验收记录:3.2 安全防护设施验收记录:3.3 作业人员安全培训记录:4. 环保验收:4.1 工地环境保护验收记录:4.2 垃圾处理及回收验收记录:四、责任分工1. 业主单位:1.1 验收结果评审:1.2 签订竣工验收意见书:2. 监理单位:2.1 监督施工合规验收:2.2 签订竣工验收意见书:3. 施工单位:3.1 提供竣工验收资料:3.2 接受业主监理单位验收结论:五、其他1. 其他相关事项:2. 备注:日后查阅。
单位工程施工现场安全质量标准化阶段验收评定申报表申报单位:申报时间:年月日注:本表1式2份,施工企业、监督机构(进入监督档案)各留存1份。
项目部每周安全质量自查整改记录.单位工程安全质量标准化验收阶段月验收评分汇总表3 / 22施工现场安全质量管理验收表单位工程名称:验收月:年月文明施工验收表单位工程名称:验收月:年月基坑开挖与支护验收表单位工程名称:验收月:年月落地式扣件钢管脚手架验收表单位工程名称:验收月:年月悬挑式脚手架验收表单位工程名称:验收月:年月门式脚手架验收表单位工程名称:验收月:年月悬挑式卸料平台验收表单位工程名称:验收月:年月“三宝”“四口”“五临边”验收记录表单位工程名称:验收月:年月模板支撑系统验收表单位工程名称:验收月:年月塔式起重机验收表单位工程名称:验收月:年月人货两用施工升降机验收表单位工程名称:验收月:年月物料提升机验收表单位工程名称:验收月:年月起重吊装安全验收表单位工程名称:验收月:年月施工现场临时用电验收表单位工程名称:验收月:年月施工现场施工机具验收表单位工程名称:验收月:年月单位工程施工现场达标考核评分方法1、每一单位工程满分为100分,各分项计分见评分汇总表。
2、在检查中遇有多个或多次分项检查,如脚手架检查当月开展几次,起重设备有多台、多次检查等,则该项得分应为当月各次检查表的算术平均值分。
3、检查得分不得采用负分,各检查项目扣分不得超过该项分值。
4、检查评分中当有否决项,或保证项目有一项不得分,或保证项目小记得分不足40分时,此次检查此项评分为0分,任何一次验收必须例入该项目考核算术平均计分。
5、在月度汇总表中各分项实得分应按下式计算:汇总表中该分项应得满分×检查该分项平均实得分分项实得分= -------------------------------------------------------------------1006、检查表中遇有缺项时,汇总表总得分应按下式计算:遇有缺项时实查项目在汇总表中按各对应的实得分值之和汇总表总得分= ------------------------------------------------------× 100实查项目在汇总表中应得满分的分值之和7、单位工程阶段性安全质量验收评价,应以该阶段汇总表的总得分与保证项目达标与否,作为对单位工程施工现场该阶段安全质量标准化评定的依据,分为优良、合格、不合格三等级。
表3标准化工地达标临建验收检查表序号验收条件内容验收要点验收情况1主控项目生活区、办公区设置临建房屋采用A级阻燃材料搭建;每间隔墙必须从地面封闭到顶部;搭设间距满足消防要求;楼层隔板采取有效防火措施。
2 作业人员宿舍管理宿舍采用36V低压照明,采用瓷质灯头;临电线路、空调插座设置于室外,室内无插座;宿舍内安装空调,设置消防水桶等;设置独立手机充电间。
3 现场围挡施工现场及生活区大门、围挡范围、型式、高度符合要求。
4 食堂符合卫生标准,有卫生许可证,炊事人员有健康证、卫生知识培训证。
5一般项目生活垃圾生活垃圾存放符合标准;生活区内无污水、污物,垃圾及时清理。
6标牌标识大门口处图、板设置齐全;7 现场安全警示标志设置规范齐全。
8生活区设置宿舍内整洁,室内被、床罩统一配置,必须配备鞋架、储物柜、有工人宿舍管理制度及人员表/卡。
9 为施工人员提供卫生饮水。
10 炊事人员上岗穿戴工作服、帽,保持个人卫生,食品及炊具、用具等存放符合标准。
11 厕所符合标准,专人定期保洁。
本项验收情况□达标□不达标验收人注:验收情况填写合格或不合格,主控条件合格率100%,一般条件根据合格数量折算合格率,合格率需达到一般条件70%以上才能通过。
表4 标准化工地达标绿色施工验收检查表序号验收条件内容验收要点验收情况1主控项目扬尘控制土方集中存放并进行有效覆盖,细颗粒材料密闭存放。
2 对施工现场裸露土地或土方,采用防尘网覆盖或绿化,3 施工区域内道路硬化并有排水措施。
4渣土运输运输渣土车辆符合规定的“四统一”标准:①车辆为绿标车并加装软质机械式全封闭装置,保证不扬尘、不遗撒;②车辆后箱板喷涂反光、放大车号;③车辆驾驶室两侧车门喷涂运输企业(个体)名称;④车辆驾驶室上方安装印有“渣土运输”字样三棱体顶灯。
5 现场设有洗车槽、沉淀池,洗车设施、设备完好。
6 渣土运输企业资质符合要求,渣土作业单位在主管部门名录中,运输车辆进行备案。
7一般项目扬尘控制建筑物内外零散物料和垃圾渣土及时清理;现场临时道路定时洒水降尘,8 洗车槽日常清理情况;现场设有专人清理。
施工现场安全质量标准化达标验收表
验收时间:年月日
单位工程名称:
施工单位(企业安技科章):
监理单位(监理部章):
本次验收评分汇总表
验收组成员签字:
监督站核查确认意见:责任人签字:
安全管理检查评分表
检查责任人:
文明施工检查评分表
检查责任人:
落地式外脚手架检查评分表
检查责任人:
悬挑式脚手架检查评分表
检查责任人:
挂脚手架检查评分表
检查责任人:
门型脚手架检查评分表
检查责任人:
吊篮脚手架检查评分表
检查责任人:
附着式升降脚手架(整体提升架或爬架)检查评分表
检查责任人:
基坑支护安全检查评分表
检查责任人:
模板工程安全检查评分表
检查责任人:
检查责任人:
施工用电检查评分表
检查责任人:
外用电梯(人货两用电梯)检查评分表
检查责任人:
物料提升机(龙门架、井字架)检查评分表
检查责任人:
塔吊检查评分表
检查责任人:
起重吊装安全检查评分表
检查责任人:
施工机具检查评分表
检查责任人:。
附录A 达标验收标准省太行山高速段项目部驻地达标验收表附录A-1 施工单位:合同段:监理单位:编号:省太行山高速段监理驻地达标验收表附录A-2监理单位:合同段:编号:省太行山高速段试验室达标验收表附录A-3 施工单位:合同段:监理单位:编号:省太行山高速段试验室标准化日常检查表附录A-4 施工单位:合同段:监理单位:编号:施工单位:总监办:日期:省太行山高速段拌和站达标验收表附录A-5 施工单位:合同段:监理单位:编号:省太行山高速段预制场达标验收表附录A-6 施工单位:合同段:监理单位:编号:省太行山高速段料场达标验收表附录A-7 施工单位:合同号:监理单位:编号:省太行山高速段库房达标验收表附录A-8施工单位:_______________________ 合同号:________________________监理单位:_______________________ 编号:_________________________省太行山高速段钢筋加工场达标验收表附录A-9 施工单位:合同段:监理单位:编号:省太行山高速段路基工程施工工点标准化日常检查表附录A-10施工单位:合同段:监理单位:编号:施工单位:总监办:日期:省太行山高速段路面工程施工工点标准化日常检查表附录A-11施工单位:合同段:监理单位:编号:工点名称:劳务队:施工单位:总监办:日期:省太行山高速段桥涵工程施工工点标准化日常检查表附录A-12施工单位:合同段:监理单位:编号:施工单位:总监办:日期:省太行山高速段便道、便桥达标验收表附表A-14施工单位:合同号:监理单位:编号:。
施工现场平安质量标准化达标验收表
验收时间:年月日
单位工程名称:
施工单位〔企业安技科章〕:
监理单位〔监理部章〕:
本次验收评分汇总表
验收组成员签字:
监督站核查确认意见:责任人签字:
平安管理检查评分表
文明施工检查评分表
扣件式钢管脚手架检查评分表
检查责任人:
检查责任人:
悬挑式脚手架检查评分表
检查责任人:
检查责任人:
施工用电检查评分表
检查责任人
物料提升机检查评分表
检查责任人:
塔式起重机检查评分表
检查责任人:
施工机具检查评分表
门式钢管脚手架检查评分表
检查责任人:
碗扣式钢管脚手架检查评分表
检查责任人:
承插型盘扣式钢管脚手架检查评分表
检查责任人:
满堂脚手架检查评分表
检查责任人:
起重吊装检查评分表
附着式升降脚手架检查评分表
高处作业吊篮检查评分表
检查责任人:。
施工现场安全质量标准化达标验收表
验收时间:年月日
单位工程名称:
施工单位(企业安技科章):
监理单位(监理部章):
本次验收评分汇总表
验收组成员签字:
监督站核查确认意见:责任人签字:
安全管理检查评分表
检查责任人:
文明施工检查评分表
检查责任人:
落地式外脚手架检查评分表
检查责任人:
悬挑式脚手架检查评分表
检查责任人:
挂脚手架检查评分表
检查责任人:
门型脚手架检查评分表
检查责任人:
吊篮脚手架检查评分表
检查责任人:
附着式升降脚手架(整体提升架或爬架)检查评分表
检查责任人:
基坑支护安全检查评分表
检查责任人:
模板工程安全检查评分表
检查责任人:
检查责任人:
施工用电检查评分表
检查责任人:
外用电梯(人货两用电梯)检查评分表
物料提升机(龙门架、井字架)检查评分表
检查责任人:
塔吊检查评分表
检查责任人:
起重吊装安全检查评分表
检查责任人:
施工机具检查评分表
检查责任人:。
施工现场质量管理检查记录表A.0.1 开工日期:甘肃省工程质量监督总站编制001分项工程质量验收记录表E.0.1甘肃省工程质量监督总站编制(版权所有不准翻印)002分部(子分部)工程验收记录表F.0.1甘肃省工程质量监督总站编制(版权所有不准翻印)003单位(子单位)工程质量竣工验收记录表G.0.1—1甘肃省工程质量监督总站编制004单位(子单位)工程质量控制资料核查记录表G.0.1—2 共2页甘肃省工程质量监督总站编制(版权所有不准翻印)005-1续表甘肃省工程质量监督总站编制(版权所有不准翻印)005-2单位(子单位)工程安全和功能检验资料核查及主要功能抽查记录表G.0.1—3甘肃省工程质量监督总站编制(版权所有不准翻印)006单位(子单位)工程观感质量检查记录表G.0.1—4注:质量评价为差的项目,应进行返修。
甘肃省工程质量监督总站编制007土方开挖工程检验批质量验收记录表GB50202—2002010101□□甘肃省工程质量监督总站编制(版权所有不准翻印)008土方回填工程检验批质量验收记录表GB50202—2002010102□□甘肃省工程质量监督总站编制(版权所有不准翻印)009排桩墙支护工程检验批质量验收记录表(重复使用钢板桩)GB50202—2002(Ⅰ)010201□□甘肃省工程质量监督总站编制(版权所有 不准翻印)010排桩墙支护工程检验批质量验收记录表(混凝土板桩)GB50202——2002(Ⅱ)010201□□甘肃省工程质量监督总站编制(版权所有不准翻印)011降水与排水工程检验批质量验收记录表GB50202—2002010202□□甘肃省工程质量监督总站编制(版权所有不准翻印)012地下连续墙工程检验批质量验收记录表GB50202—2002010203□□甘肃省工程质量监督总站编制013锚杆及土钉墙支护工程检验批质量验收记录表GB50202—2002010204□□甘肃省工程质量监督总站编制014沉井与沉箱工程检验批质量验收记录表GB50202—2002010206□□甘肃省工程质量监督总站编制015灰土地基工程检验批质量验收记录表GB50202—2002010301□□甘肃省工程质量监督总站编制016砂和砂石地基工程检验批质量验收记录表GB50202—2002010302□□甘肃省工程质量监督总站编制017粉煤灰地基工程检验批质量验收记录表GB50202——2002010304□□甘肃省工程质量监督总站编制(版权所有不准翻印)018强夯地基工程检验批质量验收记录表GB50202—2002010305□□甘肃省工程质量监督总站编制019振冲地基工程检验批质量验收记录表GB50202-2002010306□□甘肃省工程质量监督总站编制020砂桩地基工程检验批质量验收记录表GB50202—2002010307□□甘肃省工程质量监督总站编制021高压喷射注浆地基工程检验批质量验收记录表GB50202-2002010309□□甘肃省工程质量监督总站编制022土和灰土挤密桩复合地基工程检验批质量验收记录表GB50202—2002010310□□甘肃省工程质量监督总站编制023混凝土预制桩(钢筋骨架)工程检验批质量验收记录表GB50202——2002(Ⅰ)010403□□甘肃省工程质量监督总站编制(版权所有不准翻印)024混凝土预制桩工程检验批质量验收记录表GB50202—2002(共2页)(Ⅱ)010403□□甘肃省工程质量监督总站编制025-1续表甘肃省工程质量监督总站编制025-2混凝土灌注桩(钢筋笼)工程检验批质量验收记录表GB50202—2002(Ⅰ)□□010405□□010203甘肃省工程质量监督总站编制026混凝土灌注桩工程检验批质量验收记录表GB50202—2002(Ⅱ)010405□□甘肃省工程质量监督总站编制(版权所有不准翻印)027防水混凝土工程检验批质量验收记录表GB50208—2002010501□□甘肃省工程质量监督总站编制028水泥砂浆防水层工程检验批质量验收记录表GB50208—2002010502□□甘肃省工程质量监督总站编制029卷材防水层工程检验批质量验收记录表GB50208—2002010503□□甘肃省工程质量监督总站编制030涂料防水层工程检验批质量验收记录表GB50208—2002010504□□甘肃省工程质量监督总站编制031细部构造检验批质量验收记录表GB50208—2002010507□□甘肃省工程质量监督总站编制032锚喷支护工程检验批质量验收记录表GB50208-2002010508□□甘肃省工程质量监督总站编制033复合式衬砌工程检验批质量验收记录表GB50208—2002010509□□甘肃省工程质量监督总站编制(版权所有不准翻印)034渗排水、盲沟排水工程检验批质量验收记录表GB50208—2002010512□□甘肃省工程质量监督总站编制(版权所有不准翻印) 035隧道、坑道排水工程检验批质量验收记录表GB50208—2002010513□□甘肃省工程质量监督总站编制。
精品资料
施工现场安全质量标准化达标验收表
验收时间: ___________ 年月日
单位工程名称:__________________________
施工单位(企业安技科章):___________
监理单位(监理部章): _______________
本次验收评分汇总表
验收组成员签字: 监督站核查确认意见:
责任人签字: 检查责任人:
检查责任人:
检查责任人:
扣件式钢管脚手架检查评分表
检查责任人:
检查责任人:
检查责任人:
精品资料
检查责任人:悬挑式脚手架检查评分表
精品资料
检查责任人:
高处作业检查评分表
检查责任人:
精品资料
检查责任人:
施工升降机检查评分表
塔式起重机检查评分表
序号检查项目扣分标准
检查责任人:
施工机具检查评分表
检查责任人:
门式钢管脚手架检查评分表
碗扣式钢管脚手架检查评分表
承插型盘扣式钢管脚手架检查评分表
满堂脚手架检查评分表
起重吊装检查评分表
检查责任人:
附着式升降脚手架检查评分表
检查责任人:
高处作业吊篮检查评分表。
《建筑工程施工质量验收统一标准》GB50300-2013统一表格Word版本附录A 施工现场质量管理检查记录A.0.1施工现场质量管理检查记录应由施工单位按表A.0.1填写,总监理工程师进行检查,并做出检查结论。
附录B 建筑工程的分部工程、分项工程划分续表B 建筑工程的分部工程、分项工程划分附录B 建筑工程的分部工程、分项工程划分附录B 建筑工程的分部工程、分项工程划分附录B 建筑工程的分部工程、分项工程划分附录B 建筑工程的分部工程、分项工程划分附录B 建筑工程的分部工程、分项工程划分附录B 建筑工程的分部工程、分项工程划分附录B 建筑工程的分部工程、分项工程划分附录C 室外工程的划分附录D一般项目正常检验一次、二次抽样判定D.0.1对于计数抽样的一般项目,正常检验一次抽样可按表D.0.1-1判定,正常检验二次抽样可按表D.0.1-2判定,抽样方案应在抽样前确定。
D.0.2样本容量在表D.0.1-1或表D.0.1-2给出的数值之间时,合格判定数可通过插值并四舍五入取整确定。
表D.0.1-1 一般项目正常检验一次抽样判定表D.0.1-2 一般项目正常检验二次抽样判定表H.0.1-1 单位工程质量竣工验收记录表H.0.1-2 单位工程质量控制资料核查记录表H.0.1-3 单位工程安全和功能检验资料核查及主要功能抽查记录续表H.0.1-3注:抽查项目由验收组协商确定。
表H.0.1-4 单位工程观感质量检查记录续表H.0.1-42、观感质量现场检查原始记录应作为本表附表。
2、主体结构、节能分部工程的验收应由施工、设计单位项目负责人和总监理工程师参加并签字。
施工现场安全质量标准化达标验收表
验收时间:__________ 年月日
单位工程名称:_________________________
施工单位(企业安技科章):___________
监理单位(监理部章):_______________
本次验收评分汇总表
验收组成员签字:
监督站核查确认意见:
责任人签字:
安全管理检查评分表
检查责任人:
文明施工检查评分表
检查责任人:
落地式外脚手架检查评分表
检查责任人:
悬挑式脚手架检查评分表
挂脚手架检查评分表
检查责任人:
门型脚手架检查评分表
吊篮脚手架检查评分表
附着式升降脚手架(整体提升架或爬架)检查评分表
检查责任人:
基坑支护安全检查评分表
检查责任人:
模板工程安全检查评分表
三宝”、“四口”防护检查评分表
施工用电检查评分表
检查责任人:
外用电梯(人货两用电梯)检查评分表
物料提升机(龙门架、井字架)检查评分表
塔吊检查评分表
起重吊装安全检查评分表
检查责任人:
施工机具检查评分表
检查责任人:。