项目质量保证体系样本
- 格式:doc
- 大小:63.00 KB
- 文档页数:16
项目部质量保证体系及组织机构图质量保证体系职责图负责人:作为协助项目经理的技术管理人员,负责贯彻执行国家法令、法规及各项规章制度。
组织和监督项目质量体系的正常运行,审批项目施工组织设计和项目质量计划,推广新工艺、新材料。
同时,定期召开技术研究会,深入施工现场,攻克技术难关,解决施工中出现的技术问题。
负责质量预防措施和质量纠正措施的编制,不断改善和加强项目技术管理。
项目经理:作为项目部质量管理的负责人,贯彻执行国家法令、法规及各项规章制度。
完善项目部组织机构并落实项目部人员的责任制,审批质量职责,并对其工作质量进行全面监督和管理。
掌握进度,确保安全生产,使工程质量在施工过程中处于受控状态。
定期主持召开项目质量管理评审会议,采取纠正和预防措施,不断改善和加强项目质量管理。
项目副经理:协助项目经理主抓生产管理工作,贯彻执行国家法令、法规及各项规章制度。
组织落实项目质量体系的正常运行,并对其主管部门的工作质量进行全面监督和管理。
参加项目施工组织设计和项目质量计划,支持落实新工艺、新材料。
定期召开生产调度会,检查项目中人、财、物等资源的管理,及时解决施工中出现的问题。
掌握施工进度,确保安全生产,使工程质量在施工过程中处于受控状态。
协调各承包商之间的关系,采取纠正和预防措施,不断改善和加强项目管理。
质保工程师:作为控制体系的关键人员,负责协助项目总工程师抓好质量管理工作,认真执行国家规范、规定及设计要求,按质量标准逐项检查操作和中间产品质量。
组织落实质量部门主控的程序文件,搞好各自的本职工作,使项目质量体系正常运行。
收集并整理质评记录,做好质评资料归档工程和竣工资料管理。
工段长:协助总工程师抓好质量管理工作,认真执行国家规范、规定及设计要求,按质量标准逐项检查操作和中间产品质量。
组织落实质量部门主控的程序文件,搞好各自的本职工作,使项目质量体系正常运行。
协助总工程师和监理对分部、分项工程进行验收检查,使其符合图纸和规范要求。
第五章、质量保证体系及质量保证措施一、质量管理体系本项目在质量管理方面实行“项目质量管理和公司专检”相结合的模式。
按照公司实行的“谁主管、谁负责”和“工程质量终身负责制”的质量责任原则,项目部承担该工程项目的质量管理职责,项目经理为该项目的第一质量责任人,并在工程开工前签订“工程项目质量终身责任书”。
项目经理领导项目部全体管理人员认真执行公司质量管理体系的程序文件和工程质量管理办法等。
质量保证体系见下图。
质量目标定期质量保修、回访制竣工交接质量报告制检验质量报告制自检、自验制质量鉴定评审领导机构质量、目标、计划群 众 活 动小 组工程质量检查员成果发布分级岗位责任制质量事故报告处理制定期质量检查评定制验工计价质量签证制分项工程质量评定制隐蔽工程检查签证制自检、互检、交接检制分阶段技术交底制开工报告审核制工艺细则、技术措施编制施工组织分组审核制材料出厂检验制测 量 双 检 制设 计 文 件 审 核 制质量保证体系管 理 制 度监 察 手 段开工前检查施工中检查竣工检查质量管理体系是通过质量控制来达到目的的,对施工过程中各阶段采取严密的质量控制是质量管理体系中最关键的一环,我司如能承担本工程的施工任务,将从以下三方面(阶段)对本工程进行有效的质量控制: 1.事前控制阶段事前控制是在正式施工活动开始前进行的质量控制,事前控制是先导。
事前控制主要是建立完善的质量保证体系与质量信息反馈体系,严格按体系中规定的要求执行,对材料质量进行控制与监督,对材料质量明确责任,实行奖罚,促进质量的提高。
建立QC小组,开展QC活动,从而解决材料质量问题。
质量管理体系,制定现场的各种管理制度,完善计量及质量检测技术和手段。
对工程项目施工所需的原材料、半成品、构配件进行质量检查和控制,并编制相应的检验计划。
、2.事中控制阶段事中控制是指在施工过程中进行的质量控制,主要有:(1)完善材料质量控制,把影响材料质量的因素都纳入管理范围。
质量保证体系样本1质量保证体系1、总则:为全面贯彻执行国务院《建设工程质量管理条例》, 建立健全工程质量责任制, 责任落实到人, 提高高速公路建设质量水平, 依据《合同通用条款》、交通部颁发的《公路工程施工监理规范》、《公路工程质量管理办法》的有关规定, 结合本合同段实际, 特制定思剑高速公路第二合同段中铁二局项目经理部质量保证体系。
”百年大计, 质量第一”为切实做好本合同段的质量管理, 争创国内一流的工程质量, 实现全段创优质工程。
本项目部特成立安全质量监察部。
由一批懂技术、业务精通, 富有施工经验与多年质量管理的技术人员, 从事质量管理工作, 实行”定人定岗, 明确职责, 分工职责, 分工合作, 层层把关”的管理机制, 同时设置项目经理部质保体系管理机构。
(<<项目经理部质保体系管理机构框图>>附后) 2、质量方针及质量目标2.1质量方针: 科技先行、强化管理、守约重誉、质量兴业。
2.2质量目标: 确保全部工程达到国家、交通部现行工程质量验收标准及贵州省高速公路验收及质量评定标准, 监理一次验收合格率达到90%, 优良率达95%以上, 全段争创优质工程。
3、质量保证措施3.1 质量制度保证3.1 施工测量: 实行测量复核签名制, 测量记录真实、整洁、标准, 测量按规范进行。
3.2 原材料采购制度: 按贵州省高速公路建设材料采购的有关规定执行, 在采购对象的产品中取样试验, 试验合格后, 进行比较, 从中选择最优厂家作为采购对象, 建立供货关系。
3.3 施工过程中的质量记录制度: 每道工序、分项、分部工程及单位工程用质量检验表记录。
3.4 施工过程中严格执行ISO9002( GBT9002) 系列标准, 并根据本工程的技术规范, 补充完善内部质量保证体系, 保证工程质量优良率达95%以上, 确保创精品工程。
3.5 推行全面质量管理, 提高职工的质量意识, 用全员工作质量来保证工程质量。
一、质量管理目标项目质量目标:主控检查验收项目合格率达到100%,一般检查项目合格率达到70%以上,重大工程质量责任事故0次,单位工程交工验收合格率100%,单位工程竣工验收达到合格标准.二、质量保证体系工程项目质量是决定工程建设成败的关键,对国民经济起着重要的作用。
本单位坚持把“百年大计、质量第一"的宣传教育贯彻在施工全过程中,为保证辉南县饮用水工程的质量,提高全面质量管理水平,结合本工程施工特点,特制定了该项工程质量控制和质量保证的一系列措施计划。
质量管理保证体系及流程见下图质量保证体系框图质量保证体系流程图组织机构图三、建立健全质量管理制度。
1、组织机构及检查制度(1)根据本工程项目具体情况,按照我质量管理体系质量手册、程序文件、作业文件的标准化规定,以“PDCA循环(策划—实施-检查—改进)"为原则进行工程的施工过程控制。
经理部严格按质量体系运行,成立质量体系运行领导小组。
组长由项目经理担任,副组长由技术负责人担任,组员由工程技术部、质量管理部、经营部、财务部、机械物资部、安全保卫部人员组成。
(2)工地项目经理部成立质量管理部,设专职质量检查员2名,在项目技术负责人的领导下负责质量检查、工程质量等级评定、工程签证验收、材料试验及取料试验等工作。
(3)加强质量教育,实行“质量奖惩制度",使全体参建人员自觉关心,严格执行,热心参与质量管理活动。
(4)施工质量检查的依据为:国家和部颁发的有关标准、规程、规范,标书文件、设计图纸、合同文件、施工技术规范、试验规程、操作规程、监理工程师批准的施工组织设计。
1)该工程执行的技术标准、规程、规范主要有:《水利工程设计概(估)算编制规定》(水总[2002]10号文);《给排水设计手册》;《农村饮水安全工程可研究报告编制需要统一的标准》;《地基与基础工程施工及验收规范》GBJ202-83;《碾压式土石坝施工技术规范》SDJ213—83;《水利水电工程施工测量规范》SL52—93;《水利水电建设工程验收规程》SDJ223-1999;《水利水电基本建设单元工程质量等级评定标准》SDJ249-88;《混凝土结构工程施工及验收规范》GB50204-2002;《混凝土质量控制标准》GB50164-92;《水利水电工程模板施工规范》DL/T5110-2000;《混凝土质量控制标准》GB50164-92;《混凝土拌和用水标准》GBJ63-89;《水工混凝土外加剂技术规程》DL/T5100—1999;《水工混凝土试验规程》DL/T5150—2001;《水利水电工程施工测量规范》(SL52-93);《国家三角测量规范》GB/T17942-2000;《国家一、二等水准测量规范》(GB/T12897—2006);《国家三、四等水准测量规范》(GB/T12898—2009);2)为了保证施工质量而施工制定的施工技术措施,施工细则,操作规程;3)设计说明,图纸,变更通知等有关技术要求;4)建设单位技术总负责人主持的技术会议和上级有关会议对施工质量的正式决议.5)主管部门颁发的有关质量检查与管理的有关规定.(5)试验员必须做好材料试验、取料试验等工作。
项目质量保证体系
项目质量保证体系报验申请表
工程名称: 曲麻莱县移民区配套设施建设项目编号:
本表一式三份,由承包单位填写,经监理审批后,建设单位、承包单位、监理单位各存一份。
曲麻莱县移民区配套设施建设项目
项
目
质
量
保
证
体
系
陕西安大建设工程有限公司
质量保证体系
一、组织机构:
依据公司ISO9001质量管理和质量保证体系,建立以项目负责人为首的质量管理组织,全面控制项目施工过程中的工序施工质量。
充分发挥质量管理组织机构的作用,协调项目经理部各部门与各专业施工班组的关
系,成立项目经理、项目技术负责人、项目专职质检员和各专业班组有关人员参加的施工质量管理组织机构,参与项目质量的控制。
保证工程质量达到本工程施工合同和投标文件承诺的质量目标。
二、质量体系运行图。
质量保证体系1、工程质量保证体系〔附质量保证体系框图〕在施工中,实施IS09001质量体系规范,构成以组织保证体系、施工保证体系、制度保证体系为基础的质量保证体系,使施工消费的全进程在有效的监视与控制中停止,为工程质量目的的完成提供有力的质量体系保证。
将IS09001质量保证体系各项职能做出明白分工,使施工技术组各部门都能依照质量体系的要求,保证施工质量。
2、质量保证制度〔1〕选拔具有高度责任感、掌握一定专业知识的人员担任检验任务,并停止培训考核持证上岗。
〔2〕所置的检验设备仪器坚持一流水平、精度必需满足要求,严厉按着检定周期停止检定,运用前必需停止标定或审定。
〔3〕严厉遵守国度颁发的有关修建工程法规、技术规范和实验、检测方法停止检测与实验。
〔4〕一切检测与实验任务,不受任何搅扰,一切用数听说话,坚持迷信态度、实事求是、严肃仔细、一丝不苟。
〔5〕检测中读取数据采用二人复核制,实验任务采取二次平行制,检测报告采取三级复核制。
3、保证质量的技术组织措施3.1、组织措施〔1〕树立质量指导小组,对工程施工停止全进程、全方位的质量管理与控制,用任务的高质量,保证工程的高质量。
〔2〕强化以项目部项目经理为中心的质量自控体系,完善外部反省制度,严厉执行〝三检〞制,施工行停止质量规范交底并跟踪反省,责任落实到人,把〝一次反省合格率、优秀率〞作为考核目的,严厉考核,加大奖罚,坚持实行质量一票否决权,将质量第一的方针贯串施工消费的全进程。
质量保证体系框图进程控制流程确保用于本项目树立的设备和资料物资的质量完全契合设计要求。
强迫性规范和本合同的商定,在本项目施工时期不得私自改用设备资料,特殊状况需首先报驻甲方审核,特别触及主要设备、资料的变卦必需报甲方审批。
3.2、针对能够出现质量效果的事前、事中、预先控制的处置措施1〕事前质量控制指在正式施工行停止的质量控制。
主要包括以下内容:施工预备阶段的质量控制。
依据施工预备任务的内容严厉停止质量控制区,详细有:技术预备中施工组织设计的质量、技术交底的质量等的控制,现场施工预备任务质量、作业条件预备任务的质量等的控制,组织物资供应预备任务的质量以及人员进场、后勤预备任务的质量控制等。
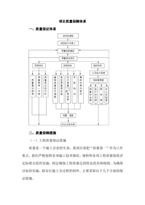
项目质量保障体系一、质量保证体系二、质量保障措施(一)工程质量保证措施质量是一个施工企业的生命,我项目部把“质量第一”作为工作重点,我们严格按照各项施工技术规范、规程和各项工程质量验收评定标准去组织实施,制定确保工程质量达到优良的具体细则,为确保目标的实施,除实行施工全过程控制外,主要采取以下几个方面的保证措施。
1.组织保证措施(1)调集身体素质好、意志力强、政治思想素质高的干部职工,选派优秀项目经理,组成精干高效的领导班子和专业化施工队伍。
(2)成立专门的质量管理机构。
专职人员,层层把关,逐级负责,从项目经理部、施工队到工班实行三级质保责任制。
运用系统管理手段,建立完善和严密的质量保证体系。
2.思想保证措施(1)密切配合,大力宣传建设黄鄂团风段的重要意义,强化建设者的责任感、荣誉感和使命感。
(2)科学认识工程自然环境和工期特点,掌握安全、健康的生活和工作方法,消除人为的厌战心理。
(3)切实搞好医疗保健和劳动保护,树立科学施工、以人为本的思想和生产原则。
(4)试验先行,样板引路。
实行标准化施工,创建样板路,以点代面,全面推广。
(5)实行动态管理、及时向甲方和设计单位汇报情况、信息化施工,注意施工安全。
加强施工调度和信息联络,及时掌握施工动态,服务施工现场。
3.技术保证措施(1)深入调查,吃透设计文件,将现场实际情况同设计文件标准有机统一起来。
(2)组织管理与技术人员编制详尽的实施性施工组织设计及作业指导书,作为施工作业的重要依据。
4.管理和制度保证措施(1)遵循招标文件明确的施工规范、规程和验收评定标准,严格执行甲方在工程管理方面的有关规定。
制定严格的管理制度,执行严密的控制程序,按规章办事。
(2)编写可操作性强的《质量实施细则》手册。
(二)建立开工前的技术交底制度开工前,必须首先同设计单位进行现场控制桩交接。
工程师向施工人员进行交底。
主管技术人员向全体施工人员讲述该项工程的设计要求、技术标准、定位方法、几何尺寸、功能作用、施工方法、环保措施、注意事项及与其他工程的关系等,使全体作业人员在彻底明了施工对象的情况下投入施工。
质量保证体系文件1.1质量目标本工程达到《水利水电工程施工质量检验与评定规程》(SL176-2007)合格标准,其他部分达到国家相关质量验收合格标准。
本工程中,为确保质量体系持续有效运行,实现工程质量创优目标,项目经理部成立质量领导小组,项目经理及技术负责人任正、副组长,成员由质量、施工、技术、物资、计划、财务等部门负责人及各作业班长组成,组织创优管理工作。
其中:项目经理对本工程质量承担主要责任,严格实行工程质量终身负责制。
定期质量检查,召开质量分析会议,分析质量保证计划的执行情况,及时发现问题,研究改进措施,积极推动项目经理部全面质量管理工作的深入开展。
质量保证体系见图1.1.2质量检查组织机构项目经理部设质量安全质量部,在施工过程中按照“跟踪检查、复检、抽检”三个检测等级实施检测任务。
在严格内部“班组自检、施工队复检、质检科终检”的“三检"制度的基础上,认真接受建设单位质量监督和监理单位的监理,接受水利质量监督部门的监督,并自始至终密切配合,严格服从。
质量检查工程师直接对项目经理和技术负责人负责,行使监督权、检查权和质量检查否决权。
质量检查组织机构见图2、质量管理机构见图3。
图2 质量检查组织机构图图1 质量保证体系`图3 质量管理组织机构图1.3 质量控制程序工程施工项目的质量控制必须从工程招投标阶段到单元工程质量、分部工程质量、单位工程质量等进行系统控制,本标段项目质量控制程序见图4 。
1.4 质量职责1.4.1项目经理质量职责1、贯彻实施公司质量方针和质量目标,建立项目质量保证体系,组织编制《项目质量计划》,按照业主的总体质量目标和质量要求,明确质量职能分工,保证质量目标的实现,对工程质量优劣负全面责任;2、严格执行公司质量体系文件和各项管理制度,定期组织项目质量检查、评比和改进,行使质量否决权;3、认真履行工程承包合同,同时强化项目管理“四控制”、“三管理”、“一协调”,保证兑现合同承诺;4、对进入项目的人力、资金、材料、施工机械等资源按时段进行优化配置,合理安排工程科综合办公室项目经理技术负责人项目经理部 (质量管理) 项目经理测量组试验室其它项目质检员施工组技术组监测组物资科质检科 安全科 桥质检员闸质检员翼墙质检员施工进度,保证均衡生产,做到文明施工;图4项目质量控制程序图5、组织项目质量成本预测、控制、分析和考核,用好项目资金,节约开支,降低成本消耗,提高效益;6、及时组织项目质量分析会,对质量问题不合格品按“四不放过”的原则进行分析,并向公司职能部门反馈各种质量信息;7、组织动员项目全体人员积极配合内外质量审核,对审核发现的不合格项,制定切实可行的纠正措施,限期整改,避免或减少不合格项的重复出现;8、负责工程管理和审核批准购买符合质量要求的原材料和半成品;9、组织制定、实施具有质量否决权的经济责任制,监督检查本项目岗位技能和质量意识教育培训,并考核和评价其工作。
质量保证体系及质量预控办法一、质量目的按设计规定和国家现行施工验收规范, 精心组织施工, 执行国家现行建筑工程质量检查原则, 工程竣工验收时, 质量达到下述目的:⑴按照国家建筑工程质量检查原则达到“合格”质量原则。
⑵合同范畴内所有工程所有功能符合设计规定。
⑶为达到上述质量目的, 在施工全过程中, 一方面应组建工程创优领导小组, 并编制工程创优筹划书。
另一方面, 要严格按ISO9001: 质量原则建立公司关于程序文献运作, 通过质量体系有效运营, 提高质量管理水平, 达到有效工程质量控制。
⑷质量目的分解见下图⑸质量目的控制质量目的全过程控制图⑹质量评估工程质量检查级别评估项目部做为公司质量保证体系执行层, 一方面应严格执行我司《管理手册》、《程序文献》、《作业指引书》规定。
另一方面针对工程特点, 按ISO9001: 质量原则规定19个质量要素及公有关质量文献规定, 建立项目部质量保证体系。
详细如下:2.1组织机构见质量保证体系框图6-12.2管理职责㈠项目经理部按照公司规定履行如下职责本工程实行项目法施工, 项目部质量保证体系中组织机构:⑴认真履行合同, 对项目实行全面管理。
⑵认真贯彻公司质量方针, 健全项目质量保证体系, 合理配备人、财、物等资源, 满足施工生产需要。
⑶组织施工人员熟悉图纸、学习规范、作业指引书及关于技术质量原则, 贯彻项目质量筹划与施工组织设计中各项办法, 对施工全过程进行有效控制, 保证公司下达生产经营筹划中各项指标完毕。
⑷搞好现场管理和安全生产, 争创文明工地, 制定各项必要现场管理制度。
⑸ 认真搞好预决算、成本核算、现场签证及记录报量工作, 及时回收工程款。
㈡ 项目经理及关于人员职责 附图6-1质量保证体图⑴项目经理是工程第一负责人, 负责贯彻执行公司质量方针, 对本工程项目质量目的全面负责。
b. 负责项目质量筹划实行。
c. 负责项目经理部质量指标分解, 并贯彻到责任部门和负责人, 保证质量指标全面完毕。
项目部质量保证体系针对本工程的质量保证措施及创优规划,建立健全行之有效的质量保证体系。
详见后《质量管理保证体系框图》。
1、设立专职的管理机构①、组织机构项目部成立质量管理小组,以项目主任期目标制为组长,项目技术负责人为副组长,项目部质量检查部和中心试验室为职能部门,其科室成员及有关职能部门负责人和工地质检员为组员,质量管理小组机构见《质量管理小组机构图》。
②、人员配置设置质量检查部和中心试验室人员,质检部配备1名高级质检工程师担任质检负责人;质检部下设2个质检组,每组配置3人,共计7人;中心试验室配备1名质检工程师担任试验负责人,下设2个工地试验组,每组配备2人,共计5人。
③、配备先进的设备、仪器砼采用拌和站集中生产,砼运输车运输,泵送入模。
测量队配备GPS、电脑全站仪、精密水准仪、对讲机等先进测量仪器和设备。
中心试验室配备万能材料试验机。
2、建立自检体系建立由项目主任期目标制负责、项目技术负责人专门主持的质量自检体系。
以“横向到边,纵向到底,控制有效”为原则,严格执行“三检”(自检、互检、交接检)制度。
3、健全保证制度①、建立以施工员自检、班组互检、工序交接检结合的质量“三检”制度和工前试验、工中检查、工后检验的试验工作制度。
在三检制度的基础上,严格报审制度,作到先自检合格后再上报上级主管部门审批,上级主管部门签字后方可进行下一步施工。
②、建立接受质量监督制度③、贯彻ISO9001国际标准,质量管理走向国际标准化。
将企业的质量管理纳入标准化、规范化,做到施工过程中每个环节都处于受控状态,实现施工全过程可追溯性,以推进和改进质量管理工作。
④、推行全面质量管理,开展群众性的QC小组活动在施工过程中制定全面质量管理工作计划,超前探索和解决施工中的关键质量问题,消除质量通病,强化全员质量意识。
用工作质量保证工序质量,以工序质量保证工程质量。
在施工中既要作到时候检验,又要作到事前预防,把全面质量管理的方法切实应用到施工生产的全员全过程中去。
项目质量保证体系(总31页) -CAL-FENGHAI.-(YICAI)-Company One1-CAL-本页仅作为文档封面,使用请直接删除2012年度黄浦江上游堤防专项维修工程1标(干流段1)质量保证计划一、工程概况1、工程概况工程名称:2012年度黄浦江上游堤防专项维修工程1标(干流段1)工程地址:上海市松江区黄浦江左岸建设单位:上海市堤防(泵闸)设施管理处设计单位:上海市政工程设计研究总院(集团)有限公司监理单位:上海宏波工程咨询管理有限公司投资监理:上海子亚工程造价咨询有限公司施工单位:河南省水利第一工程局设计单位:上海市政工程设计研究总院(集团)有限公司工程设计范围2012年度黄浦江上游堤防专项维修工程1标位于黄浦江左岸北泖泾至油墩港段范围(桩号K0+000~K9+260),全长9260m。
工程实施内容主要工程施工内容为:沥青砼老路面翻挖46913m2,翻挖侧石17312m,新建防汛道路44316m2,新建路缘石、侧平石,新建信息管线9260m。
设计标准和主要技术参数①防汛道路,平、纵线形参照四级公路标准设计。
②设计速度为20km/h,局部限速5km/h。
③路面设计结构荷载:BZZ-100KN。
④沥青路面结构设计年限为15年。
二、质量方针以人为本,确保健康发展、诚信守法,持续改进绩效预防为主,构筑绿色工程、过程控制,打造精品工程三、质量目标我局是GB/T19001—2000 idt ISO9001:2000质量管理体系认证企业,具有完备的质量管理体系,在工程施工过程中始终贯彻质量管理体系程序,坚持“严格按照施工设计图纸施工”的质量标准;全方位接受监理、设计、质监和业主等对工程施工质量的检查、监督和指导;以“横向到边、纵向到底”全方位、全过程的质量保证体系和质量保证措施,实现我局对该工程的质量承诺:工程质量等级为“优良”。
四、质量保证体系质量保证机构本标段在项目经理的领导下,组建质量保证体系机构。
项目质量保证体系报验申请表
工程名称: 曲麻莱县移民区配套设施建设项目编号:
本表一式三份, 由承包单位填写, 经监理审批后, 建设单位、承包单位、监理单位各存一份。
曲麻莱县移民区配套设施建设项目
项
目
质
量
保
证
体
系
陕西安大建设工程有限公司
质量保证体系
一、组织机构:
依据公司ISO9001质量管理和质量保证体系, 建立以项目负责人为首的质量管理组织, 全面控制项目施工过程中的工序施工质量。
充分发挥质量管理组织机构的作用, 协调项目经理部各部门与各专业施工班组的关系, 成立项目经理、项目技术负责人、项目专职质检员和各专业班组有关人员参加的施工质量管理组织机构, 参与项目质量的控制。
保证工程质量达到本工程施工合同和投标文件承诺的质量目标。
二、质量体系运行图
三、项目工程质量管理工作流程图
四、施工材料质量控制措施
1、工程材料和辅助材料( 包括构件、半成品) , 都是构成建筑工程的实体, 保证工程材料按质、按量、按时的供应是提高和保证工程质量的前。