棒磨机维护检修规程
- 格式:docx
- 大小:20.16 KB
- 文档页数:8
棒磨机维护检修规程范文第一章总则为了保证棒磨机的正常运行和延长其使用寿命,根据棒磨机的特点和维护检修的需要,制定本规程。
第二章维护保养2.1 检查机器的润滑系统,确保油量充足,油品清洁,并定期更换润滑油和滤芯。
2.2 定期清理机器外壳和工作区域的灰尘和杂物,保持机器的通风畅通。
2.3 检查机器的电气系统,确保电缆和连接器完好无损,定期检查电气元件的工作状态,及时更换损坏的零部件。
2.4 定期清理机器内部的铁屑和粉尘,避免对机器的损坏和故障。
2.5 定期检查机器的传动系统,包括皮带、链条和齿轮的松紧程度和磨损情况,及时更换需要更换的部件。
2.6 定期检查机器的冷却系统,确保冷却水的流量和温度适当,及时清洗冷却系统中的水垢和杂质。
2.7 定期检查机器的刀具,包括修整磨损的刀具和更换需要更换的刀具。
第三章检修维修3.1 定期进行棒磨机的大修,包括拆卸机器的各个部件进行清洗和更换必要的零部件。
3.2 定期检查机器的主轴和轴承,确保其正常运转,及时更换磨损严重的轴承。
3.3 定期检查机器的电机和电动机,检查其绝缘性能和工作状态,及时更换老化严重的电机。
3.4 定期检查机器的冷却系统,包括冷却水管道、冷却水泵和冷却水箱,确保其正常工作。
3.5 定期检查机器的传动系统,包括皮带、链条和齿轮,检查其松紧程度和磨损情况,及时更换需要更换的部件。
3.6 定期检查机器的控制系统,包括控制面板、电气元件和传感器,确保其正常工作。
第四章安全操作4.1 检查机器的安全装置,包括安全门、限位开关和紧急停止开关,确保其正常工作。
4.2 检查机器的电气系统,包括电源线和电气元件,确保其正常工作和绝缘状态。
4.3 使用机器时必须按照操作规程进行操作,严禁进行超负荷或超时操作,以免对机器造成损害。
4.4 检查机器的磨料,确保其质量和颗粒大小适合使用,避免对机器和工件造成损害。
4.5 使用机器时必须佩戴必要的个人防护装备,包括安全眼镜、耳塞和保护手套等。
棒磨机维护检修规程编制:批准:时间:目录1 总则 (3)2 检修周期与内容 (6)3 检修与质量标准 (8)4 试验与验收 (9)5 维护与故障处理 (10)1 总则本规程只适用于φ3.6×5.8m湿式溢流型棒磨机检修。
1.1用途本棒磨机主要用于煤的湿法粉磨,可在较大的入料湿度和入料量变化范围内,获得具有合适的粒度分布的水煤浆产品满足西北化工研究院水煤浆气化工艺的要求。
1.2 主要结构简述本棒磨机主要由给料管、筒体、主轴承、大小齿轮装置、减速器、主电机、慢速驱动装置、顶起装置、排料装置及润滑、电控装置组成。
驱动系统由驱动电机、齿轮减速器、气动离合器、大小齿轮传动装置组成。
慢速驱动装置由电机、行星减速器、润滑油泵等组成,用于磨机检修及更换衬板用。
在启动慢驱装置时,主电机不能接合,主电机工作时,慢驱装置不得结合。
润滑系统由主轴承高低压油润滑系统、减速器稀油润滑系统、干油喷射系统组成,干油喷射系统用于大齿轮的润滑。
1.3 主要结构本机主要由给料部,主轴承,大小齿轮装置,主电机驱动装置,顶起装置,出料部及润滑,电控等部分组成。
1.3.1 筒体筒体是磨机的主要部件,由两端的端盖和圆筒组成,在筒体内部衬有衬板,衬板为铸钢衬板。
桶体内装填钢棒作为研磨体,钢棒直径和装载量根据使用情况需要选配在最大装棒量的50—100%范围内调整。
1.3.2 主轴承本磨机选用一对动静压主轴承,该轴承球面瓦瓦衬采用锡基轴承合金,注油橡胶密封圈,腰鼓形线接触调心结构,轴瓦内埋有蛇形冷却水管,轴承内部装有两件测温热电阻紧贴在轴颈表面,以测量轴颈表面温度。
在磨机启动之前及停磨时,向轴承供高压油,磨机正常运转15分钟后,自动停止供高压油。
磨机启动前高压油将磨机浮起约0.1~0.3mm,以延长轴瓦及轴承的使用寿命。
主轴承与中空轴的包角呈120°磨擦面上铸有轴承合金,轴瓦内埋有蛇形冷却水管,冷却轴瓦。
主轴承与轴承座之间为腰鼓形线接触,以便当磨机回转时可以自动调心。
棒磨机维护检修规程1. 维护计划制定1.1 确定维护频率根据棒磨机的使用情况以及生产线的生产计划确定维护频率。
一般情况下,对于常规使用的磨机,每年至少进行一次大修,每月进行一次小修。
对于高频使用的磨机,需要加大维护频率。
1.2 制定维护计划根据维护频率制定维护计划,其中内容包括:•维护时间表:确定维护时间和维护周期。
•维护内容:包括点巡检、润滑、更换易损件等。
•维护人员:确定负责维护的人员及其分工,确保维护责任明确。
2. 日常维护2.1 点巡检每班维修人员应对棒磨机进行点巡检,包括但不限于以下内容:•检查每个部件的运行情况,发现故障要及时记录,并报告技术人员。
•检查机器是否能够正常启动或停止。
•检查密封件、管路及连接处,是否存在泄漏情况。
•检查电气元件、接口是否处于正常位置,是否有损坏或杂质等。
•检查润滑情况、加油点等。
2.2 润滑在规定的时间内,对磨机进行润滑,包括但不限于以下内容:•对所有轴承、齿轮、传动链等零部件进行清洗和充油。
•检查并调整轮毂和轴承的装配间隙,确保轮毂与轴承的配合良好。
•检查液压油的量,确保油温、油压等各项指标正常。
2.3 更换易损件在规定的时间内,对易损件进行检查和更换,包括但不限于以下内容:•砂轮:定期更换砂轮,避免因砂轮损坏引起的故障。
•皮带:定期更换皮带,确保皮带的正常使用。
•磨头:定期更换磨头,确保磨头的磨损程度符合要求。
3. 安全维护3.1 安装维护•在安装磨机前,应仔细阅读磨机的安装手册,确保设备放置、安装正确无误。
•安装前需检查电源电压是否相符,交流电源的相序是否正确。
•检查设备所有紧固件、管路、管件、气动元件等是否配合良好、紧固可靠。
•将设备接地、密封好、防护罩装齐、接线正确、安全可靠。
3.2 运行维护•在使用棒磨机的过程中,操作人员应着合适的工作服及工作鞋。
•在进行调试、保养、维修、清洗、检查设备时,必须停机且切断电源。
•在使用设备时,遇到轴承噪音、传动部件间隙过大、电器元件异常、油温过高等异常情况时,应及时关闭设备并进行维修,不能强行使用。
棒磨机维护检修规程棒磨机是一种常见的机械设备,广泛应用于矿山、冶金、建筑材料、化工等行业中,用于将物料研磨成所需颗粒大小的产品。
为确保棒磨机的正常运行和延长设备的使用寿命,需要进行定期的维护检修。
下面将介绍棒磨机的维护检修规程。
一、日常维护1.每班操作前,应检查各部件是否正常,特别是传动部分是否有异常音和过热现象,地脚螺栓是否松动。
2.每班操作结束后,应对棒磨机进行清洁,清除机器各部位的积尘和杂物。
3.定期检查润滑部位的润滑油是否充足,并及时添加。
4.定期检查电气控制系统的线路是否正常,有无破损和漏电现象,并及时处理。
二、定期维护1.每月对棒磨机进行一次全面的检查。
包括设备的传动部分、轴承部分、电气部分和润滑部分的检查,有异常的地方及时进行维修或更换。
2.每季度对棒磨机进行彻底的清洗和检查,清除设备内部的积尘和杂物,并进行零部件的清洗和润滑。
3.半年更换一次润滑油,并清理润滑部位和润滑系统,确保润滑油的质量和润滑系统的正常工作。
4.每年对棒磨机进行一次大修,包括对设备的内部零部件进行更换和维修,清洗设备内部,并进行润滑检查和调整。
三、故障维修1.设备运行中如果发生故障,应立即停机排除故障,避免发生更大的损失。
2.故障维修过程中,要确保设备的停电和断电,确保操作人员的安全。
3.排除故障后,要对设备进行试运行,确保故障完全解除和设备正常运行。
四、注意事项1.操作人员应经过专门的培训,掌握设备的操作规程和维护检修知识,严禁未经培训的人员操作设备。
2.设备运行中要注意观察和听取设备的工作声音,如有异常要及时处理。
3.设备运行中要注意检查传动部分、轴承部分和润滑系统的温度,如发现过热要立即停机检修。
4.设备操作时应保持设备周围的清洁和整齐,杜绝杂物进入设备内部。
维护检修规程是确保棒磨机安全运行和延长设备使用寿命的关键。
只有定期进行维护检修,及时发现和处理问题,保持设备的良好状态,才能确保设备的高效运行和生产效益的提高。
2023年棒磨机维护检修规程1. 前言棒磨机是一种常用于金属材料的精密加工设备,其稳定性和性能对于加工质量和工作效率起着至关重要的作用。
为了保证棒磨机的正常运行和延长其使用寿命,制定本规程对棒磨机的维护和检修进行详细说明。
2. 日常维护2.1 清洁保养每天开机前和关机后,操作人员应进行清洁保养,包括清除机器表面的杂物和灰尘、清洗滚筒等关键部位。
去除工作台面上的废料和切屑,确保机器的运行环境整洁。
2.2 润滑保养根据设备操作手册的要求,定期对棒磨机的润滑部位进行润滑维护。
检查润滑油的量和质量,并及时进行更换。
注意润滑脂的种类和使用方法,在必要时进行加注和更换。
2.3 系统检查每隔一段时间,对棒磨机的各个系统进行检查,包括电气系统、液压系统、冷却系统等。
检查电气接线是否松动、液压管路是否有漏油现象、冷却系统是否正常运行等。
3. 定期维护3.1 清洁滚筒每隔一段时间,取下滚筒进行清洗和检查。
清洁滚筒内部的油污和切削屑,检查滚筒表面是否有磨损和裂纹。
如果有明显的磨损和裂纹,应及时更换。
3.2 校准测量定期校准棒磨机的测量系统,确保其准确度。
对于检测仪器的校准,应根据规程进行操作,标定校准并记录校准结果。
如发现测量系统不准确,应及时进行调整或更换。
3.3 替换易损件定期检查棒磨机的易损件,如棒材夹具、皮带、轴承等。
如果发现有磨损或断裂的情况,应及时进行更换。
对于部分易损件,也可以采取预防性维护,提前更换以避免故障的发生。
3.4 检查冷却系统定期检查冷却系统的工作状态,包括冷却液的循环是否正常、冷却液的浓度和温度是否符合要求。
如果发现冷却系统有异常情况,应及时进行处理和修复。
4. 故障排除与维修4.1 故障排查当棒磨机出现异常情况时,操作人员应首先查找可能的故障原因。
可以参考操作手册和维修手册,结合故障现象进行排查。
找出故障点后,可以采取修复或更换零部件的方式进行维修。
4.2 维修记录对于棒磨机的维修过程,应进行详细的记录。
棒磨机维护检修规程前言棒磨机是常用的一种设备,它广泛应用于钢铁、有色金属、建材、化工、电力等行业的生产线。
为确保棒磨机设备能够长时间稳定工作,减少设备损坏与故障,需要定期进行维护检修。
本文将介绍棒磨机的维护检修规程。
检查清洁1.棒磨机设备使用前,首先应检查清洁度。
检查清洁度包括以下几个方面:–检查设备周围是否还有杂物,如较大的木屑、碎片、布料等物;–检查设备的内部空间是否存在异物,如锉屑、铁屑等;–检查润滑油是否污浊,如果油污,则应及时更换。
2.如果在检查清洁中发现设备存在异物,应立即清除。
视觉检查1.检查棒磨机运行时,设备是否有异响或者其他异常声音。
2.检查棒磨机各个零部件是否有磨损现象,如果存在磨损,则应及时更换零部件。
润滑检查1.棒磨机运行过程中,需要进行润滑检查。
润滑检查应包括以下几个方面:–润滑油位是否正常;–润滑油是否污浊;–润滑油是否满足设备使用要求;–润滑油是否流畅。
2.如果润滑油不再清洁状态,或者油位不足,则应进行更换或加油操作。
3.润滑需要注意避免过分浪费,但同时也要保证设备可以得到足够的润滑。
电气检查1.进行电气检查时,应注意检查设备电源是否正常。
2.检查电气设备连接是否牢固,接触是否良好。
保养计划1.对于棒磨机设备,需要制定保养计划。
保养计划应包括以下内容:–设备的保养周期;–设备保养项目及保养方法;–设备故障排除方法。
2.设备保养计划的执行情况,应及时记录并进行汇总。
总结对于棒磨机的维护检修而言,确保设备的运行稳定性和可靠性是极为重要的。
在进行维护时,需要注意设备的清洁、润滑、视觉和电气检查,并对设备进行保养计划的制定和执行。
只有这样,才可以确保设备在长时间使用中具有良好的性能和稳定的运行状态。
棒磨机维护检修规程一、维护检修的目的和意义棒磨机作为一种常用的机械设备,用于对金属棒材进行修整和抛光。
定期进行维护检修,可以确保机器的正常运行,延长使用寿命,提高工作效率,减少故障发生,保证工作安全,提高产品质量。
二、维护检修的时间安排1. 维护检修应根据实际情况制定一个固定的时间表,确保维护检修工作及时进行。
2. 一般可按以下时间安排进行:a. 日常维护:每天开机前、关机后进行日常巡检和清洁工作;b. 定期维护:每周对关键部件进行检查和保养,并进行润滑;c. 季度维护:每季度对整机进行全面检查、调整和保养;d. 年度维护:每年一次对棒磨机进行大修和全面检修。
三、维护检修的具体内容1. 日常维护:a. 每天开机前,首先进行外观检查,查看各个部位是否有松动、变形等异常情况;b. 清除机器表面的灰尘和铁屑,并进行润滑,保证机器的顺畅运转;c. 检查电器控制系统的运行情况,确保其正常工作;d. 检查液压系统的油位和油压,及时更换老化的液压油,并清洗液压滤芯;e. 定期清理机器的废油收集箱,防止油渣积聚,影响机器正常使用。
2. 定期维护:a. 对机器的传动系统进行检查和调整,包括皮带的松紧度、传动齿轮的润滑等;b. 清理和更换机器的过滤网和过滤器,防止杂质进入机器;c. 检查机器的电缆和电线连接是否松动,做好接线端子的防护;d. 逐个检查机器的关键部件,如主轴、导轨、磨削头等,确保其正常运行;e. 清洗和更换机器的冷却液,保证冷却系统的良好运行。
3. 季度维护:a. 对机器进行全面检查,包括各个部位的紧固件、密封件、润滑件等的检查和更换;b. 检查机器的电气系统,如开关、保险丝、接线端子等,确保其正常工作;c. 进行机器的润滑和清洁工作,包括润滑油的更换、擦拭机器表面等;d. 对机器的稳定性进行检查,如底座的紧固度、机器的水平度等。
4. 年度维护:a. 拆卸并清洗机器的主要部件,如主轴、导轨、磨削头等,进行全面检查和保养;b. 更换机器的耐磨件,如磨削头、磨料轮等,确保其工作效果;c. 检查机器的电气系统和液压系统的老化部件,进行更换和维修;d. 检查机器的整体性能和机械传动系统,进行调整和保养;e. 对机器的底座和机器的连接螺栓等进行紧固,确保机器的稳定性。
磨机检修安全操作规程磨机是一种常见的工业设备,用于将物体表面加工至特定形状和尺寸。
在使用磨机进行工作时,操作人员必须严格遵守安全操作规程,以确保其个人安全和设备正常运行。
以下是磨机检修的安全操作规程,以供参考。
一、操作前准备1. 检查磨机及相关装置是否处于正常工作状态,并确认无任何杂物或工具残留在工作台上;2. 确保磨机所需的电源接地和线路连接正常,电源插头必须与电源插座相匹配;3. 检查磨机刀具和磨轮是否严密安装,如有松动或损坏应及时进行维护和更换;4. 检查磨机冷却系统是否正常工作,确保冷却液充足;5. 磨机使用的润滑油和冷却液必须符合要求,如有必要,应更换或补充;二、操作时注意事项1. 在操作过程中,操作者必须穿戴好安全装备,包括防护眼镜、面罩、手套、防护鞋等;2. 磨机操作时,操作人员应站在稳定的位置上,并保持平衡,不得做出不稳定的姿势;3. 在磨机操作过程中,禁止戴着松散的衣物和饰品,以防止被卷入磨轮中;4. 在操作磨机之前,必须调整好工作台和刀具的位置,确保能够安全地进入工件;5. 磨削过程中,不得同时进行其他操作,避免分散注意力造成意外伤害;6. 切勿使用损坏的或过磨损的磨轮,以免产生危险;7. 操作时要注意切割物体的方向和速度,不得超过磨机的承载能力和工作范围;8. 使用磨机切割时,要保持适当的切割力度,不可用过大的力量使刀具过度磨损;9. 在操作过程中,不得将手指或其他身体部位靠近刀具或磨轮,以确保个人安全;10. 在切割结束后,应先停止磨机运行,等待磨轮停止转动后再进行其他操作;三、关机和维护1. 操作结束后,应先关闭磨机电源,确保磨机停止运行;2. 清理工作台及周围的杂物和切削残渣,保持工作环境整洁;3. 定期检查磨机及刀具的磨损程度,如有需要及时更换或维护;4. 定期清洁磨机的冷却系统,并更换清洗液,以保证冷却效果;5. 在使用过程中,如发现磨机存在异常声音、振动或热量过大等问题,应立即停止使用,并通知维修人员进行检查和处理;6. 磨机设备的定期保养和维修应按照厂家的标准和规定进行,不得擅自拆卸或改动设备。
棒磨机维护检修规程棒磨机是一种常用的粉碎设备,重要用于制造硬质材料比如石料、水泥等加工。
作为一种高强度的设备,棒磨机使用后需要定期进行维护和检修以保证其正常运转。
下面,我们将认真介绍一下棒磨机的维护检修规程,希望对大家有所帮忙。
一、日常维护1. 在设备使用过程中,需要严格依照产品的安全操作规程进行操作。
特别是在启动和停机时,需要先开关主机,然后再开关辅佑襄助机器。
2. 在操作前,需要将棒磨机中的各个部位进行清理,包括料斗、料仓、输送带、振动给料机等。
3. 尽量削减设备运行过程中的细小冲击,以避开过度磨损。
4. 在设备运行过程中,需要适时检查设备的情形,包括设备的温度、功率、振动等参数是否正常,同时注意查看机器磨损情况,如有明显磨损,需要适时更换。
5. 在操作结束后,需要对设备进行清洁,包括清洗架空和传动部件。
二、定期检修1. 对于已经运行了 100 小时的设备,需要进行一次基础检查,包括检查机底座的水平和垂直度。
假如水平度偏差较大,需要适时调整。
2. 进行各根传动链轮的检查,尤其是对于重载设备的传动链轮,需要保持良好的润滑状态。
3. 对于棒磨机中的轮轴系统进行检查,以确保轴承的正常工作。
4. 检查适当的零部件,重要包括传动轴、发动机、印刷机、刹车机、液压系统、电气系统、安全设备等。
5. 检查设备的背景,包括棒磨机及周边环境对生产的影响,确定是否有必要对设备进行重新布局和改进设施。
6. 进行必要的润滑和保养,好保证设备的稳定性和寿命。
对于润滑油品和保养周期需依照说明书进行处理。
同时还要注意设备的防尘和防水。
三、季度检修1. 在季节交替的时间内进行季节性检查。
2. 更换有必要更换的消耗性零部件,如磨片、排渣板、过滤器等。
3. 对设备的性能进行评估,以确保设备的效率和产量符合预期。
并清理设备内部的积垢和其他残留物。
4. 对运动部件的滑动轻涂油,更换单向阀、手动阀等。
5. 假如发觉设备显现较大问题,必要时可以联系制造商或专业维护和修理机构对设备进行全面维护和修理。
客户数量提高方案在当今快速发展的商业环境下,获得新客户是企业稳步增长的关键因素之一。
虽然在互联网时代,市场竞争变得更加激烈,但通过不同的营销策略和方法,你仍然可以吸引更多的新客户。
下面是一些有效的客户数量提高方案。
1. 制定用户画像制定准确的用户画像是在营销战略中提高客户数量的基础。
用户画像是一个既定的、客观的、广泛认可的观点,它描述了特定品牌的受众,并促使企业更好地了解目标人群的行为和需求。
为了制定用户画像,企业必须考虑以下因素:年龄、性别、地理位置、职业、兴趣爱好、家庭状况等等。
这些基本数据将有助于企业确定最佳的目标受众,并了解他们的需求和行为。
这样企业就可以制定更针对性的营销策略。
2. 借势社交媒体平台社交媒体平台是本世纪最成功的营销渠道之一,因为它们可以吸引更多的流量并与潜在客户互动。
社交媒体巨头如Facebook、Twitter、Instagram等平台已成为企业推广的热点。
企业可以通过发布吸引人的内容来借势社交媒体平台。
这些内容可以包括有趣的文章、图片、视频、调查和与客户互动的活动等。
如果企业能够制定更具创意和个性化的推广策略,那么它们就可以大规模吸引受众、增加粉丝数目并获得更多潜在客户。
同时,这些客户也可能转变为实际购买者。
3. 采用SEO优化技术SEO(搜索引擎优化)是使企业在搜索引擎结果页面中排名更高的一种技术。
搜索引擎使用算法来确定网站的排名,因此企业确保网站内容优质、关键词匹配度高和网站页面优化至关重要。
企业可以使用SEO技术尽可能多地获得搜索引擎中的曝光率。
这将帮助企业获得更多的流量,从而提高潜在客户的数量。
4. 参加活动或举办活动企业可以参加与其产品或服务相关的展览或者举办自己的活动。
通过活动可以实时与潜在客户互动,寻求反馈和建立人际关系。
例如,透过参加行业展览,企业可以与其他公司、专业从业者和消费者互动,交换信息和建立联系。
同时,企业可以为潜在客户提供免费的产品或者优惠券等来吸引他们的注意,从而换取对万一企业熟悉程度越来越高。
磨机检修安全操作规程范文一、检修前的准备工作1. 掌握磨机的结构、原理和主要技术参数,了解其工作流程和注意事项。
2. 清理现场,确保磨机周围无杂物,确保操作区域宽敞、明亮。
3. 穿戴个人防护装备,包括安全帽、防护眼镜、耳塞、防护面具、防护手套等,并检查其是否完好。
4. 检查磨机的电源、刹车器、润滑系统等是否正常运行,如有故障应及时修理。
二、操作规程1. 断电操作(1) 在开始检修前,务必将磨机的总电源关闭,并在操作部位张贴明显的停电标志,以免发生电器触电事故。
(2) 在检修期间,严禁将电源重新开启,必须等到完成检修项目并确认设备安全后才能重新接通电源。
2. 机械操作(1) 在操作磨机前,首先要确保磨机与其他设备的电气隔离,并将电闸拔下。
(2) 在拆卸零部件时,应使用经过合格培训的专职人员,并佩戴合适的劳保用品。
(3) 在操作磨机时,应确保磨机平稳运行,不得进行超负荷或意外负载操作。
3. 液压系统操作(1) 在操作液压系统前,应确保液压油箱内液位充足,油压正常。
(2) 检查液压系统的连接件、液压管路及其他部件是否有松动、渗漏等问题,如有问题需要及时修理。
(3) 液压系统的操作工作必须由熟悉液压原理和操作规程的专业人士进行,以确保操作的安全性和有效性。
4. 安全防护操作(1) 在操作磨机时,应确保操作区域没有其他人员,以免发生伤害事故。
(2) 在操作磨机时,应保持清醒状态,严禁酒后操作,以免发生事故。
(3) 在拆卸零部件时,要先松开紧固件,再逐个进行拆卸,以免发生夹伤等事故。
(4) 在使用刀具和磨料时,应佩戴合适的劳保用品,避免眼睛、皮肤和呼吸道受到损伤。
5. 检修项目的记录(1) 在进行磨机检修时,需要编写详细的检修记录,包括检修项目、检修时间、人员、检修结果等。
(2) 检修记录应妥善保存,以备将来参考和查询。
6. 检修后的清理工作(1) 检修结束后,应将检修过程中所产生的垃圾、废弃物清理干净,放置到指定的地点。
棒磨机维护检修规程范文一、前言本规程为棒磨机维护检修工作制定,旨在保障棒磨机正常运行,延长设备使用寿命,提高生产效率。
所有维护检修工作人员应严格按照本规程的要求进行操作。
二、安全注意事项1. 维护检修工作前必须对棒磨机进行停机并切断电源,确保操作人员安全。
2. 在维护检修过程中,严禁穿戴松散的衣物,以防被卷入设备部件内。
3. 维护检修人员应配备个人防护装备,包括安全帽、安全鞋、防护眼镜等。
4. 在维护检修过程中,不得抽烟、喧哗或做其他与工作无关的事情。
5. 维护检修工作完成后,应将设备彻底清理干净,并进行安全保护措施。
三、日常维护工作1. 定期清理设备:每周对棒磨机进行一次清理工作,包括清理设备表面的尘土和杂物,并及时将清理出的杂物进行处理。
2. 注油润滑:每月对棒磨机的各个摩擦部位进行注油润滑,确保设备的运行畅顺。
注油润滑时要注意注油量的控制,不得过多或过少。
3. 检查电气部分:每季度对棒磨机的电气部分进行一次全面的检查,包括电源线路、接线端子、开关和保险丝等,确保电气系统的正常运行。
4. 检查传动部分:每半年对棒磨机的传动部分进行一次检查,包括皮带、链条、齿轮等,确保传动系统的正常工作,并进行必要的修复或更换。
5. 检查冷却系统:每年对棒磨机的冷却系统进行一次检查,包括检查冷却液的质量和液位,清洁冷却器,并及时更换老化的冷却液。
6. 维护记录:每次维护检修完成后,应填写相应的维护记录表,并保存至档案中。
四、故障排除1. 电源故障:如设备无法启动或断电,首先检查电源线路是否正常连接,然后检查保险丝是否烧断,如有必要,更换保险丝并重新启动设备。
2. 轴承故障:如设备运行时发出异常声音或有振动,可能是轴承损坏,应立即停机并进行检查。
如发现轴承故障,及时更换新的轴承。
3. 皮带故障:如设备启动时皮带打滑或断裂,应先检查皮带张紧程度是否合适,如不合适,进行相应的调整。
如皮带已老化或磨损严重,应更换新的皮带。
棒磨机维护检修规程范本一、引言本规程旨在规范棒磨机的维护检修工作,保障设备正常运行,提高生产效率,确保操作人员的人身安全。
操作人员在进行维护检修工作时,必须严格按照规程的要求执行,确保工作的顺利进行。
二、维护检修责任及权限1. 设备管理员负责指导和监督本设备的维护检修工作。
2. 棒磨机操作人员负责日常的维护保养工作,并及时上报异常情况。
3. 维修人员负责设备的维修和更换关键零部件工作。
三、维护检修工作内容1. 日常保养棒磨机每天开始运行前,必须进行日常保养工作,包括清洁设备表面、清除油污和杂物,检查设备油液是否正常,有无漏油现象,并及时添加或更换润滑油。
2. 定期检查定期检查包括对设备的各个部位进行细致的检查,排查纠正潜在问题。
主要包括:(1)检查设备上的紧固螺丝是否松动,如有松动及时紧固。
(2)检查设备传动部分是否有异响或异常震动,如有需要及时更换或调整。
(3)检查设备的防护装置是否完好,如有损坏或丢失,需要及时修复或更换。
(4)检查设备电气部分是否正常工作,如有故障及时维修处理。
3. 故障排除在设备运行过程中,如果发现故障,操作人员需要及时进行排查和处理。
故障排查包括以下步骤:(1)根据设备的运行情况分析故障原因,并进行初步排查。
(2)如果初步排查未能解决问题,需及时向设备管理员报告,并请维修人员进行进一步的检修工作。
(3)在维修过程中,操作人员要配合维修人员的工作,提供必要的辅助。
四、维护检修工作流程1. 日常保养(1)清洁设备表面和紧固螺丝。
(2)检查润滑油,并及时添加或更换。
(3)清除设备上的油污和杂物。
(4)检查设备防护装置是否完好。
(5)检查设备电气部分是否正常工作。
2. 定期检查(1)检查设备传动部分是否正常工作。
(2)检查设备电气部分是否正常工作。
(3)检查设备防护装置是否完好。
(4)检查设备各处紧固螺丝是否松动。
3. 故障排除流程(1)分析故障原因,进行初步排查。
(2)报告设备管理员,寻求维修人员的配合。
磨机检修安全操作规程磨机检修安全操作规程第一章总则为了保障检修作业的安全,根据国家相关法律法规、规章制度及公司内部安全管理制度的要求,制定本操作规程。
第二章操作规程1. 磨机检修前的准备工作1.1 确认磨机的电源已经全部关闭,并且设备已经停止运行。
1.2 将主机接口与磨片接口处的管路断开,并将磨壳与磨架分离,将磨片取出。
1.3 对磨机进行彻底清洗,防止油污、尘土等脏物对检修过程的影响。
1.4 检查磨机的各种部件以及配件是否完好无损,确认没有松动、缺失、磨损、变形等情况。
2. 磨机检修时的安全措施2.1 检修人员必须穿戴好劳动防护用品,如安全鞋、防护眼镜、口罩等,确保人身安全。
2.2 检修过程中必须使用合适的工具和专用器材,禁止任何人手动拆装设备和任意调整设备参数。
2.3 安全操作时,应将磨机的电源切断,以防止误操作造成的危险。
2.4 进行磨机检修时,必须检查检修区域是否干燥,无易燃材料、易爆物品等危险因素存在。
2.5 检修人员在检修过程中发现设备存在异常情况时,必须立即停止检修并通知有关部门进行处理。
3. 磨机检修后的安全措施3.1 完成检修后,必须彻底清理检修区域,并对设备进行全面的检测、调试和试运转,确认设备运行正常。
3.2 在磨机检修完成后,要及时将设备的电源与线路接通,并进行必要的开机测试和观察。
3.3 检查磨机运行是否平稳,无不正常振动、噪音等情况,保证设备能够正常运行。
3.4 对检修过的磨机,必须制定检修记录清单,并向设备管理部门递交以便及时掌握设备运行情况。
第三章注意事项1. 磨机检修过程中,必须严格遵守操作规程。
禁止进行任何违禁操作,禁止擅自开展作业。
2. 检修人员的技术水平必须达到操作规程所要求的级别,并持有相关的操作证书。
3. 为保障检修的安全和设备的正常运行,必须对磨机定期维护,对设备运行过程中出现的问题,必须及时进行维修和修理。
4. 检修完毕后,必须做好设备的保护工作,保证设备不会受到任何影响。
棒磨机维护检修规程模版第一章总则第一条为了保证棒磨机设备的正常运转,延长其使用寿命,确保生产安全,特制定本棒磨机维护检修规程。
第二条本规程适用于所有棒磨机设备的维护检修工作。
第三条棒磨机设备维护检修工作必须按照国家相关法律法规和技术标准执行,确保人、机、料、法、环协调统一。
第四条所有对棒磨机设备进行维护检修的人员必须经过专门培训和资质考核,持证上岗,严禁无资质人员进行维修作业。
第五条维护检修作业人员在操作过程中必须严格遵循操作规程,保证自己和他人的人身安全。
第二章维护检修措施第六条棒磨机设备的维护检修应按照计划进行,以减少对生产的影响。
第七条棒磨机设备的维护检修应进行全面检查,包括但不限于以下方面:1. 机械部件的运转情况,是否有松动、异物等;2. 电气系统的正常运转情况,是否有老化、短路等;3. 润滑系统的工作状态,是否需要添加润滑油;4. 安全保护装置的有效性,是否需要修复或更换;5. 仪表显示的准确性,是否需要校正;6. 网罩和防护设施的完整性,是否需要修复或更换。
第八条棒磨机设备的维护检修应按照下列要求进行:1. 每日维护:包括对设备进行表面清洁、润滑油检查、电气接线的紧固等;2. 每周维护:包括对设备的运转部件进行检查和润滑,更换润滑油;3. 每月维护:包括对设备的整体检查和清洁,对电气系统进行检查,校准仪表;4. 每季度维护:包括对设备的更换易损件、检查设备的运转性能,对安全保护装置进行检查和校验等;5. 年度维护:包括对设备的全面检查、清洁和维护,对控制系统进行检查和校准。
第九条棒磨机设备的维护检修过程中,应注意以下事项:1. 检修人员必须严格按照操作规程进行操作,禁止擅自改动设备;2. 检修过程中必须正确使用检修工具和设备,严禁使用损坏或未检修的工具;3. 检修过程中对液压、气动和电器系统的操作应由有资质的人员进行,不得私自操作;4. 在维护检修过程中发现设备故障或安全隐患,应及时报告,并采取措施进行处理;5. 维护检修结束后,必须清理现场,归位设备,确保安全。
棒磨机检修1、总则本规则适用于棒磨机H3101A/B的维护和检修。
1、1 主要用途本设备用于煤气化工序3100单元,把煤仓(V3102A/B)的原料研磨至符合工艺要求输送至煤浆槽(V3103A/B)。
1、2 主要结构本设备主要由鼓型给料器、主轴承部、大小齿轮传动装置、主电机、主减速器、慢速驱动装置、顶起装置、出料装置、气动离合器、润滑系统、电控等部分组成。
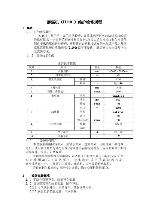
1、3 技术参数主要技术参数见表一。
表一2、设备完好标准2、1 零部件2、1、1 所有零部件符合技术要求,完整齐全。
2、1、2 仪表、电器、信号联锁和各安全装置,自动调节装置齐全完整、灵敏、准确。
2、1、3 基础、机座稳固可靠,地脚螺栓坚固、整齐、符合技术要求。
2、1、4 管道、管件、阀门、支架安装合理、牢固、完整、符合技术要求。
2、1、5 防腐、保温应完整有效,颜色标志分明,符合技术要求。
2、2 设备性能2、2、1 设备润滑良好,油质符合要求。
2、2、2 设备无不正常振动,杂音等现象。
2、2、3 流量、电流等参数符合技术要求。
2、2、4 生产能力达到铭牌出力或查定能力。
2、3 技术资料2、3、1 设备档案准确齐全,档案包括:a、安装使用说明书,设备制造合格证及调试记录。
b、设备图纸齐全。
c、设备运行累计时间记录。
d、历年设备缺陷及事故情况记录。
e、设备检修、试验与技术鉴定记录。
f、设备评级记录。
g、设备润滑记录。
2、3、2 设备操作规程、维护检修规程齐全。
2、4 设备环境2、4、1 设备上、下环境整齐、清洁、照明良。
2、4、2 设备及管道静密封无泄漏,动密封泄漏达到动密封检修标准。
3、设备的维护3、1 日常维护3、1、1 执行操作规程,控制各项工艺指标,按规定路线定时,定点进行巡回检查。
a、机组各部件有无漏油、漏水、异常噪音等现象并观察油面液位。
b、检查吸入滤网的压差。
c、检查密封压盖处有无渗漏。
d、检查各测量仪表的指示情况。
3、1、2 认真执行设备润滑管理制度。
1总则本规程只适用于0 3.6X 5.8m湿式溢流型棒磨机检修。
1.1用途:本棒磨机主要用于煤的湿法粉磨,可在较大的入料湿度和入料量变化范围内,获得具有合适的粒度分布的水煤浆产品满足西北化工研究院水煤浆气化工艺的要求。
1.2主要结构简述:本棒磨机主要由给料管、筒体、主轴承、大小齿轮装置、减速器、主电机、慢速驱动装置、顶起装置、排料装置及润滑、电控装置组成。
驱动系统由驱动电机、齿轮减速器、气动离合器、大小齿轮传动装置组成。
慢速驱动装置由电机、行星减速器、润滑油泵等组成,用于磨机检修及更换衬板用。
在启动慢驱装置时,主电机不能接合,主电机工作时,慢驱装置不得结合。
润滑系统由主轴承高低压油润滑系统、减速器稀油润滑系统、干油喷射系统组成,干油喷射系统用于大齿轮的润滑。
1.3主要结构:本机主要由给料部,主轴承,大小齿轮装置,主电机驱动装置,顶起装置,出料部及润滑,电控等部分组成。
1.3.1筒体:筒体是磨机的主要部件,由两端的端盖和圆筒组成,在筒体内部衬有衬板,衬板为铸钢衬板。
桶体内装填钢棒作为研磨体,钢棒直径和装载量根据使用情况需要选配在最大装棒量的50—100%范围内调整。
1.3.2主轴承:本磨机选用一对动静压主轴承,该轴承球面瓦瓦衬采用锡基轴承合金,注油橡胶密封圈,腰鼓形线接触调心结构,轴瓦内埋有蛇形冷却水管,轴承内部装有两件测温热电阻紧贴在轴颈表面,以测量轴颈表面温度。
在磨机启动之前及停磨时,向轴承供高压油,磨机正常运转15分钟后,自动停止供高压油。
磨机启动前高压油将磨机浮起约0.1~0.3mm,以延长轴瓦及轴承的使用寿命。
主轴承与中空轴的包角呈120 °磨擦面上铸有轴承合金,轴瓦内埋有蛇形冷却水管,冷却轴瓦。
主轴承与轴承座之间为腰鼓形线接触,以便当磨机回转时可以自动调心。
1.3.3大小齿轮装置:本磨机大小齿轮均采用合金钢制造,采用干油喷射装置对大小齿轮进行润滑,可在齿轮表面形成0.5mm厚度的油膜。
1.3.4慢速驱动装置:慢速驱动装置由电机、减速器等组成,该装置用于磨机安装、检修及更换衬板。
当停车达4小时以上时,用慢速驱动装置盘车,防止物料凝结。
在启动慢速驱动装置之间,必须先开启高压润滑油泵将中空轴顶起,防止擦伤轴瓦。
1.4工作原理:本磨机为单仓中心排料湿式溢流型棒磨机,物料通过给料管由给料端盖中心进入筒体,电机经联轴器、减速器、气动离合器、大小齿轮装置带动装有介质(棒)的筒体旋转,物料受到介质棒的撞击以及棒之间和棒与筒体衬板之间的研磨,达到合格粒度的物料经排料端盖中心孔排出磨机,完成研磨过程。
1.5技术性能:1.5.1 筒体内径3600mm1.5.2 筒体工作长度:5800mm1.5.3 筒体有效容积:54m31.5.4钢棒最大装载量118t1.5.5 入料粒度:< 10mm1.5.6 筒体工作转速:14.45r/min1.5.7 电动机型号:YKK630-8功率:1000KW转速:742r/min电压:10000V1.5.8慢速驱动装置电机型号:Y225S-8输入转速:745r/mi n功率:18.5KW速比:90输出转速:0.16r/min1.5.9气动离合器型号:QL1000-300X1额定工作压力:0.65MPa最大工作压力:0.8Mpa1.5.10 高低压稀油润滑装置型号:GNY125油箱容积:3200升高压系统压力:31.5Mpa流量 2.5L/min低压系统压力:0.63Mpa流量125L/min电加热器总功率:24KW(6只)过滤精度:0.08mm过滤器允许压差:0.15Mpa推荐使用润滑油:N320以下1.5.11干油喷射润滑装置润滑油牌号:美孚325充填量:0.8m32检修周期与内容2.2检修内容2.2.1 小修2.2.1.1对油泵滤油器和润滑管路进行检查,必要时进行清洗和更换润滑油固件。
2.2.1.2检查各部连接螺栓,更换有缺陷的紧。
2.2.1.3清洗和检查小齿轮有无裂纹等缺陷,同时检查啮合情况,并记录其磨损深度检查大齿轮的对螺栓是否有松动现象。
221.4检查减速器并记录检查联轴器并更换易损件。
221.5检查修理进出料装置的易磨损部分。
2.2.1.6检查冷却水系统,管道是否堵塞或渗漏,更换老化的耐油胶管(主轴承内腔中)2.2.1.7检查小齿轮轴承及轴封,加注润滑油脂。
2.2.1.8检查修理防护罩,滚筒筛漏斗及护栏等。
2.2.19处理局部漏水,漏油、漏煤浆。
2.2.10 拣出筒体内的断棒和直径小于20—25mm的钢棒。
2.2.2 中修2.2.2.1 包括小修项目2.2.2.2检查更换衬板、压条等。
2.2.2.3 检查或更换进出料口。
2.2.2.4 检查修复或更换小齿轮轴承。
2.2.2.5检查和调整筒体的水平位置,检查传动轴减速器和电动机的同轴度。
2.2.2.6清理大齿轮罩和集油池内油泥。
2.2.2.7检查主轴承合金的厚度,调整主轴承和油封的装配情况,并对损坏部位修复。
2.2.2.8 检查钢棒使用情况,对钢棒重新配比。
2.2.2.9检修理滚筒筛,视情况更换。
2.2.2.10检修稀油站及干油喷射装置,并校验安全阀。
2.2.2.11检查校定各处仪器仪表。
2.2.2.12 电气配合中修。
2.2.3 大修2.2.3.1包括小修和中修项目。
2.2.3.2 检查修理或更换主轴瓦和大小齿轮。
2.2.3.3对筒体进行检查,修理或更换。
2.2.3.4 修复或更换磨机的进出料端盖和空心轴。
2.2.3.5修理或更换主轴承座。
2.2.3.6检查基础,重新找正和进行二次浇注。
2.2.3.7 电气配合大修。
2.3安全检修注意事项2.3.1磨机停车检修时,应按规定做停电处理,操作柜上挂禁动牌。
2.3.2进入磨机内检修时,应办理票证,并有专人监护。
2.3.3进磨机前应确认上方无可能落下物体,并采取可靠措施,防止筒体因偏重而旋转。
2.3.4更换对开大齿轮时,必须把半圈转到上方取得平衡,并用吊具固定,方可拆卸螺栓。
2.3.5用千斤顶起落筒体时,应保证均衡起落,并用枕木或框架支住,以防滑落。
2.3.6检修结束后,必须将吊具及废旧物料清理干净,方可进行试车。
3检修与质量标准:3.1两主轴承底座的相对标高允差度为0.5mm,并应保证进料端高于出料端。
3.2两主轴承座底板纵向中心线不重合度w 0.5,横向中心线不平行度 < 0.5/1000,两底板中心线间距偏差v 1.5mm。
3.3主轴承座底板不平行度w 0.1/1000。
3.4轴承座与轴承底座的接触面沿其四周应均匀接触局部间隙不得大于0.1mm,累积总长度不超过四周总长的1/4。
3.5主轴瓦背与轴承座的球形面应接触度120,接触点在50 X 50平方毫米面积内不应小于4点,球形面边缘四周应均匀间隙在0.2 — 1.0mm,其深度在30—50mm,球形面不对称度不大于1.5mm。
3.6主轴瓦和中空轴接触角在120°,接触点每平方厘米不少于1点,侧间隙在1.0~1.8mm。
3.7轴瓦和轴瓦压板之间应有3—4mm间隙。
3.8轴瓦密封架应根据应随轴瓦磨损情况调整,以保证密封圈与中空轴的良好接触。
3.9进料端轴颈各轴瓦在轴间尺寸相差28mm,允许轴颈在轴瓦上轴向窜动。
3.10中空轴的端面跳动允差1mm3.11大齿轮的法兰端面与筒体端面应贴合紧密,如有间隙不应大于0.15mm3.12对合大齿轮在对接法兰处的间隙不应大于0.1mm。
3.13大齿轮装在筒体上时,大齿轮端面跳不大于0.35mm/每米,大齿轮径向跳不大于0.25mm/m节园直径。
3.14 传动轴与筒体中心线的不平行度w 0.15/1000。
3.15 装配后大小齿轮的齿侧间隙应在 1.4~1.8mm。
3.16大小齿轮啮合的接触斑点,沿齿高不应小于40%,沿齿长方向接触斑点小于50%。
3.17大小齿轮装配的顶间隙为0.25~0.30mm。
3.18各连接的传动轴同轴度误差不得大于0.2mm,弹性联轴器之间留5mm间隙,两端面四周间隙差不得大于0.2mm。
3.19进料端鼓形给料器与筒体同轴度误差为1mm。
3.20轴瓦安装后,应对轴瓦进行压力试验,其值应高于高压油泵额定工作压力,时间为30min。
3.21在安装上盖前,应对主轴承进行水压试验,试验压力为0.6MPa,试验时间为30min。
3.22润滑系统检修后,其运行参数应达到铭牌规定,润滑系统投用前应进行水压试漏。
润滑系统耐压试验压力为:冷却水道试验压为小于0.45MPa,高压管路试验压力不低于高压泵额定压力试压时间为30min。
润滑系统检修后其运行参数应达到铭牌规定要求。
4试验与验收:4.1 试车前准备4.1.1检查各部件质量符合要求各部螺栓已牢固,拧紧。
4.1.2试车前必须清理现场,一时无法清理的以不防碍操作安全为准。
4.1.3各润滑和冷却系统应符合要求,油、气、水流量和压力应达到规定值。
如在冬季应将各部润滑油加热至20~25 C。
4.1.4各处的安全联锁信号和安全保护装置应灵活可靠,显表显示准确,并做空投试验。
4.1.5各附属设备应安装完毕,磨机起动后物料畅通无阻。
4.1.6慢速装置操作应灵活可靠,不用时离合器应处于脱开位置。
4.2试车4.2.1试车前应盘车检查,确定无异常情况。
4.2.2磨机大修后空负荷试车(不加钢棒和物料),应连续运转24小时。
4.2.3磨机第一次负荷试车应加入20t钢棒带煤连续运转48小时,再加入10t钢棒应带煤连续运转48小时,如煤浆粒度不合格则逐步加棒调整。
424磨机空负荷试车和正常运行时,不允许不加物料连续运转超过半小时。
4.3验收4.3.1小修由车间组织验收。
4.3.2中修和大修由设备部及各相关单位技术人员参加验收。
4.3.3检修质量应符合规程要求,检修试车记录齐全准确。
4.3.4空载试车主轴承温度不超过50 C,负荷试车主轴承温度低于65 C,回油温度应低于50 C。
4.3.5工作状态应平稳无异常振动和响声,各部件运转正常。
4.3.6电气仪表设备运行正常,主电机电流无异常波动。
4.3.7各主要操作指标,达到额定能力可办理验收手续正式移交生产。
4.4设备完好标准4.4.1设备零件4.4.1.1主、辅件零部机齐全完整,质量符合要求。
4.4.1.2仪表、信号联锁和各种安全装置,自动调节装置齐全完整、灵敏、准确。
4.4.1.3基础、机座稳固可靠,地脚螺栓连接齐全紧固,衬板螺栓部位无漏浆现象。
4.4.1.4管线、阀门、支架等安装合理,牢固完整,标志分明符合要求。
4.4.1.5防腐、保温、防冻设施完整,标志分明。
4.4.2运行性能4.4.2.1设备润滑良好,润滑系统畅通,油质符合要求。
4.4.2.2各零部件,基础和管道支架等无异常响声和振动。
4.4.2.3各部温度、压力、电流、流量等运行参数符合要求。