15J01 《改性发泡水泥保温板建筑保温系统建筑构造》
- 格式:pdf
- 大小:7.34 MB
- 文档页数:50
发泡水泥板外墙保温技术交底1. 引言外墙保温是指对建筑的外墙进行保温处理,以降低建筑内部能量的消耗,提高节能效果的一种建筑节能措施。
随着社会经济水平的提高和人们对舒适生活的需求不断升高,外墙保温技术得到了越来越广泛的应用。
其中,发泡水泥板外墙保温技术因其优异的保温性能和较低的成本,逐渐成为了外墙保温的首选材料。
本文将对发泡水泥板外墙保温技术进行详细的介绍和交底,旨在帮助更多人了解这一技术,提高外墙保温效果。
2. 发泡水泥板简介2.1 发泡水泥板的定义发泡水泥板是一种由水泥、石膏、硅酸盐和其他辅料制成的轻质复合材料。
它具有质轻、强度高、保温隔热性能好、防火、防腐蚀等特点,可用于工业建筑、民用建筑等各类建筑物的墙体保温。
2.2 发泡水泥板的分类根据材料不同,发泡水泥板可分为硅酸盐发泡水泥板、石膏发泡水泥板、珍珠岩发泡水泥板、岩棉锯末板、聚苯板、挤塑板等。
2.3 发泡水泥板的优势发泡水泥板具有以下优势:1.高强度:发泡水泥板的压缩强度和抗弯强度均高于普通混凝土;2.保温性能好:发泡水泥板内部的气孔能够隔绝热量的传递,从而具有良好的保温性能;3.防火性能好:发泡水泥板是一种优异的防火材料,能够有效地抵御火灾的产生和传播,保障建筑物和人员的安全;4.质轻:相比于传统的墙体材料,发泡水泥板更轻盈,能够降低建筑物整体的重量;5.施工简单:发泡水泥板的施工非常简单,无需复杂的施工工艺和设备,能够大大缩短施工周期和降低施工难度。
3. 外墙保温技术3.1 外墙保温的作用房屋外墙保温是指将保温材料(如发泡水泥板)覆盖在建筑的外墙表面,以避免室内热量向外传递和室外冷空气向室内渗透,从而达到保温的目的。
外墙保温的主要作用包括:1.降低室内温度波动,提高室内舒适度;2.降低能耗,提高建筑物能效;3.改善建筑物的隔音性能;4.延长建筑物的使用寿命。
3.2 发泡水泥板的外墙保温方式发泡水泥板的外墙保温方式主要包括:1.干挂式外保温系统:在建筑物的原有墙体表面预埋钉柄,然后将发泡水泥板钉住在钉柄上,并进行密封材料处理;2.扣板式外保温系统:首先在原有墙面上固定挂钩,然后将发泡水泥板嵌入扣板槽中,并进行密封;3.常规涂料式外保温系统:首先在原有墙面上涂刷粘结剂,再将发泡水泥板粘贴上去,最后在发泡水泥板表面涂刷保护层。
合肥市复合发泡水泥板外墙外保温系统应用技术导则Hefei Technical guide for external thermal insulation systems ofcomposite foam cement panel发布日期:2011年-月-日有效截止日期:2014年-月-日-------------------------------- 审定发布前言为推进复合发泡水泥板外墙外保温系统在建筑节能工程中的应用,提高建筑节能外保温工程的防火性能和耐久性,规范复合发泡水泥板外墙外保温系统的应用技术,导则编制组在广泛调查研究,试验和认真总结实践经验的基础上,根据国家和合肥市有关标准、规程和规范编制了本导则。
本导则的主要技术内容有:1.总则、2.术语、3.基本规定、4.材料、5.设计、6.施工、7.工程验收。
为该系统在建筑墙体节能保温工程的设计、施工与验收提供了技术依据。
本规程由-----------------负责管理和解释。
鉴于复合发泡水泥板外墙外保温系统应用于建筑外墙外保温工程尚处于初始阶段,在执行过程中如发现需要修改和补充之处,请将意见和有关资料寄送---------------------(地址:--------------,邮政编码:-----------)本规程主编单位、参编单位、主要起草人和审查人员:主编单位:参编单位:主要起草人:审查人员:目次1 总则2 术语3 基本规定4 材料4.1 系统性能4.2 材料性能5 设计5.1 系统构造5.2 热工设计6 施工6.1 施工机具6.2 施工条件6.3 施工工艺6.4 施工要点7 工程验收7.1 一般规定7.2 主控项目7.3 一般项目附录A附录B本规程用词说明条文说明1 总则1.0.1为规范复合发泡水泥板外墙外保温工程技术要求,保证工程质量,做到技术先进、安全可靠、经济合理,制定本导则。
1.0.2本规程适用于新建、扩建、改建的居住建筑、公共建筑和工业建筑的节能保温工程的设计、施工和验收。
重庆市工程建设标准增强型改性发泡水泥保温板建筑保温系统应用技术标准Technical specification for application of reinforced modified foamcementinsulation board thermal insulation system on buildingDBJ50/T-185-201x主编单位:中煤科工集团重庆设计研究院有限公司重庆思贝肯节能技术开发有限公司批准部门:重庆市住房和城乡建设委员会施行日期:201X 年XX 月XX 日201x 重庆前言依据重庆市城乡建设委员会《关于下达2013 年绿色建筑与建筑节能标准编制计划的通知》渝建发[2013]313 号的要求,中煤科工集团重庆设计研究院有限公司会同有关单位编制本标准。
依据重庆市城乡建设委员会《关于下达2018 年度重庆市工程建设标准制定修订项目计划(第一批)的通知》渝建[2018]447 号的要求,中煤科工集团重庆设计研究院有限公司会同有关单位修订本标准。
本标准主要内容包括:总则、术语、基本规定、性能要求、设计、施工和验收等。
本次修订主要内容包括:1将改性发泡水泥保温板升级为增强型改性发泡水泥保温板;2增加了干密度等级≤180kg/m的3 增强型改性发泡水泥保温板;3调整了改性发泡水泥保温板的技术性能指标;4完善了改性发泡水泥保温板设计、施工与验收章节的相关条文。
本标准由重庆市住房和城乡建设委员会负责管理,由中煤科工集团重庆设计研究院有限公司负责具体内容的解释。
请各有关单位在执行本标准过程中,注意收集资料,总结经验,并将需要修改、补充的意见和建议反馈给中煤科工集团重庆设计研究院有限公司(地址:重庆市渝中区长江二路179号,邮编:400016,电话:************,传真:************),以供修编时参考。
本标准主编单位:中煤科工集团重庆设计研究院有限公司重庆思贝肯节能技术开发有限公司本标准参编单位:本标准主要起草人:本标准审查人员:(按姓氏笔画排列)目次1总则 ............................................................................................................................................................. 1 .. 2术语 ............................................................................................................................................................. 2 .. 3基本规定.................................................................................................................................................... 5 .. 4性能要求.................................................................................................................................................... 6 ..4.1系统性能........................................................................................................................................ 6...4.2材料性能........................................................................................................................................ 7... 5设计 ............................................................................................................................................................ 1..4..5.1一般规定........................................................................................................................................ 1..4.5.2构造设计........................................................................................................................................ 1..4.5.3热工设计........................................................................................................................................ 2..4. 6施工 ............................................................................................................................................................ 2..5..6.1一般规定........................................................................................................................................ 2..5.6.2外墙保温工程............................................................................................................................. 2..6.6.3屋面保温工程............................................................................................................................. 3..2.6.4地面保温工程............................................................................................................................. 3..6. 7验收 ............................................................................................................................................................ 3..8..7.1一般规定........................................................................................................................................ 3..8.7.2外墙保温工程............................................................................................................................. 3..9.7.3屋面保温工程............................................................................................................................. 4..3.7.4地面保温工程............................................................................................................................. 4..5. 附录A (规范性附录)增强型改性发泡水泥保温板单位面积质量试验方法.............. 4 8 引用标准目录.............................................................................................................................................. 4..9.. 本标准用词说明......................................................................................................................................... 5..0.. 条文说明........................................................................................................................................................ 5..1..Contents1General provisions ................................................................................................................... 1 ...2Terms ............................................................................................................................................ 2 ... 3Basic requirements ................................................................................................................... 5... 4Performance requirements .................................................................................................. 6 ...4.1System performance ..................................................................................................... 6...4.2Materials performance ............................................................................................... 7 ... 5Design1..4..5.1General requirements ................................................................................................ 1..4.5.2Structure design ........................................................................................................... 1..4..5.3Thermal engineering design .................................................................................... 2..4 6Construction ............................................................................................................................. 2..5..6.1General requirements ................................................................................................ 2..5.6.2External wall thermal insulation engineering .................................................... 2..6.6.3Roofthermal insulation engineering ......................................................................... 3..26.4Ground thermal insulation engineering .................................................................. 3..6. 7Acceptance ................................................................................................................................. 3..8..7.1General requirements ................................................................................................ 3..8.7.2External wall thermal insulation engineering .................................................. 3..97.3Roof thermal insulation engineering ........................................................................ 4..37.4Ground thermal insulation engineering .................................................................. 4..5. Appendix A Test method for reinforced modified foam cement insulation board ofmassperunitarea .................................................................................................................................................................... 4..8.. .List of quoted standards ............................................................................................................ 4..9. Explanation of wording in this specification ....................................................................... 5..0Explanation of provisions .............................................................................................................. 5..1.1总则1.0.1 为规范增强型改性发泡水泥保温板建筑保温系统及防火隔离带的工程应用,保证工程质量,做到技术先进、安全可靠、经济合理,制定本标准。
改性发泡水泥保温板外墙保温施工方案工程名XXXXXX改性发泡水泥保温板外墙外保温施工单位XXXXXX6月10日审批表施工单位:目录一、编制依据二、工程设计概况三、施工部署四、施工工法五、质量标准六、质量保证措施七、成品保护措施八、安全及文明施工措施一、编制依据1. 本工程外墙外保温工程设计图纸及相关设计文件2.《中华人民共和国建筑法》、《建筑工程施工安全生产管理条例》及《重庆市关于墙体节能有限规定》3.《夏热冬冷地区居住建筑节能设计标准》JGJ134-4.《重庆市公共建筑节能(绿色建筑)设计标准》DBJ50-052-5.《外墙外保温工程技术规范》DBJ50-052-6.《重庆外墙保温隔热建筑构造图集》DJBT-013、04J006图集7.《重庆市居住建筑节能50%设计标准》(DHJ50-102- )8.《民用建筑热工设计规范》(GB 50176-93)9.《外墙外保温建筑构造》10J12110.《建筑节能工程施工质量验收规范》(GB 50411- )11.《改性发泡水泥保温板建筑保温系统应用技术规程》DBJ50/T-185-12.《改性发泡水泥保温板建筑保温系统建筑构造》15J0113.《建筑节能工程施工质量验收规范》GB50411-14.《建筑装饰装修工程质量验收规范》GB50210-15.《建筑施工高处作业安全技术规范》JGJ80-二、工程设计概况2.1工程名称:XXXXXX2.2工程地址:XXXXXX2.3建设单位:XXXXXX2.4施工单位:XXXXXX2.5监理单位:XXXXXX2.6设计单位:XXXXXX2.5保温层厚度:25mm2.6保温层类型:改性发泡水泥保温板薄抹灰外墙外保温系统2.7外墙外保温工程简介:本工程外墙外保温系统是以钢筋混凝土墙体为基层,以改性发泡水泥保温板为保湿材料,采用粘锚结合方式固定在基层墙体上,以玻纤网、抹面胶浆(抗裂砂浆)为保护层的外墙外保温系统。
该保温系统的基本构造如下:三、施工布置3.1技术准备3.1.1项目部技术负责人提前组织项目技术人员熟悉图纸及业主的要求,对图纸中可能出现的不明、疑问、疏漏等情况预先掌握并及时纠正。
外墙保温施工方案编制:审核:审批:中江国际经济技术合作集团有限公司2017年05月3日目录第一章编制依据 (1)1、合同要求、设计要求、施工图纸、施工组织设计 (1)2、国家规范标准(GB、GB/T、GBJ) (1)3、建筑工程行业标准(JGJ、JGJ/T) (1)4、国家产品标准 (2)5、地方标准............................ 错误!未定义书签。
6、主要图集 (2)第二章工程概况 (3)1、工程现场概况 (3)2、工程设计概况 (3)2、施工重点及难点 (5)第三章施工部署及任务安排 (6)1、施工组织机构 (6)2、工程目标 (7)3、任务安排 (8)4、主要施工方法 (8)第四章施工准备 (8)1、技术准备 (8)2、现场准备 (9)3、人员准备 (9)4、材料准备 (10)5、机具准备 (11)6、作业条件 (11)第五章施工工艺流程及施工工艺 (12)1、外墙保温施工 (12)第六章质量标准及质量保证措施 (21)1、质量标准 (21)2、质量保证措施 (22)第七章环保及安全文明施工 (25)1、安全文明施工 (25)2、环保、消防措施 (29)第八章成品保护措施 (30)1、成品保护要求 (31)2、要求下道工序对成品的保护要求 (31)第一章编制依据1、合同要求、设计要求、施工图纸、施工组织设计2、国家规范标准(GB、GB/T、GBJ)3、建筑工程行业标准(JGJ、JGJ/T)4、国家产品标准5、主要图集第二章工程概况1、工程现场概况2.1总体简介2.1.1工程概况2、工程设计概况1.1、建筑设计概况2、施工重点及难点序号项目内容1 施工重点1、执行标准和施工要求要明确一致。
2、所有材料必须检验(复试)合格后方可使用。
3、细部节点构造做法2 施工难点1、外窗及空调板的保温施工。
(上下两层;注意墙面保温板的平整度、保温钉的数量和网格布的层数,按规定施工员做好旁站工作,做好记录,留好相应影像资料)。
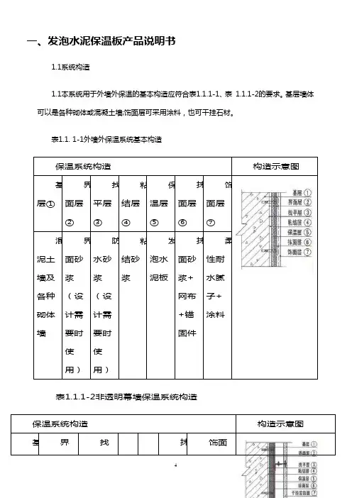
一、发泡水泥保温板产品说明书1.1系统构造1.1本系统用于外墙外保温的基本构造应符合表1.1.1-1、表 1.1.1-2的要求。
基层墙体可以是各种砌体或混凝土墙;饰面层可采用涂料,也可干挂石材。
表1.1. 1-1外墙外保温系统基本构造饰柔表1.1.1-2非透明幕墙保温系统构造1.1.2基层墙体的处理应符合下列要求:1基层墙体为淤泥烧结砖、烧结尾矿砖等砌体时,墙体可不做界面处理。
外侧应设臵防水砂浆找平层,其平整度应满足有关要求。
2当基层墙体为混凝土时,墙面应涂刷界面砂浆,然后粉刷水泥砂浆找平层;当基层墙体为加气混凝土砌块或外墙板时,其表面应涂刷界面砂浆,然后粉刷专用抹面砂浆。
1.1.3复合发泡水泥板外墙外保温系统的构造应符合下列要求:1 发泡水泥板与基层墙面的连接应采用满铺粘结砂浆粘结,并辅以机械固定。
2 抹面层中应压人耐碱玻纤网布。
建筑物首层应由一层标准型网布和一层加强型网布组成,二层以上墙面可采用一层标准型网布。
抹面层的厚度宜为5 -7 mm。
3 用于辅助机械固定的锚固件应设臵在网布外侧。
对于首层及加强部位应设臵在两层网布之间,锚固件性能指标应符合表 4.2.8的要求。
用于空心砌块砌体时,应采用回拧打结型锚固件。
1.1. 4外墙阳角和门窗外侧洞口周边及四角部位应按下列要求实施增强:1 在建筑物首层外墙阳角部位的抹面层中设臵专用护角线条增强,网布位于护角线条的外侧。
2 二层以上外墙阳角以及门窗外侧周边部位的抹面层中采用附加网布增强,附加网布搭接宽度不应小于200 mm。
3 门窗外侧洞口四周应在45°方向加贴300 mm x 400 mm的标准型网布增强,其构造如图1.1.4所示。
图1.1.4 门窗洞口部位构造示意图1.1.5外墙勒脚部位外保温构造按照图5.1.5的做法,其底部应设臵铝合金底座托架。
托架离散水坡高度应适应建筑结构沉降而不导致外墙外保温系统损坏。
图1.1.5外墙勒脚部位构造示意图1.1. 6女儿墙部位保温采用该系统时应按照图5.1.6实施。
发泡水泥板屋面保温系统施工方案一、方案特点目前的一些屋面保温材料因强度较低而不能直接用于上人屋面,故上人屋面通常需增设刚性加强层,即屋面的一般基本构造为:结构层――保温层――找平层――防水层――配筋细石混凝土加强层(一般40-60mm 厚)――饰面层。
这种做法虽满足了上人屋面的要求,但是却增加了屋面的总质量和总造价。
因此采用具有高强度的发泡水泥作为保温层,可直接承受上人屋面的荷载,即可以取消上述的混凝土加强层。
二、适用范围本方案适用于新建,扩建和改建的各类民用和工业建筑外墙、钢结构和屋面。
三、施工工艺流程及操作要点3.1 系统结构图:本工程屋面做法分别如下:3.2 屋面找平层3.2.1 工艺流程:基层清理:将结构层、保温层上表面的松散杂物散杂物清扫干净,凸出基层表面的灰渣等粘结杂物要铲平,不影响找平层的有效厚度。
管根封堵:做找平层前,先将出屋面的管根、变形缝、墙根部处理好。
3.2.2 抹水泥砂浆找平层洒水湿润:抹找平水泥砂浆前,应适当洒水湿润基层表面,主要是利于基层与找平层的结合,但不可洒水过量,以免影响找平层表面的干燥,防水层施工后窝住水气,使防水层产生空鼓。
洒水达到以基层和找平层能牢固结合为度。
贴点标高、冲筋:本工程屋面铺抹找平砂浆时,先按流水方向以间距1~2m 冲筋。
铺装水泥砂浆:按冲筋标高装灰、铺平,用刮扛靠冲筋条刮平,找坡后用木抹子搓平,铁抹子压光。
待浮水消失后,人踏上去有脚印但不下陷为度,再用铁抹子压第二遍即可交活。
找平层水泥砂浆配合比为1∶3,拌合稠度控制在7cm。
基层与突出屋面结构(女儿墙、山墙壁出屋面烟道)的交接处和基层的转角处,找平层应做成圆弧半径,半径R=50。
分格缝:待砂浆强度大于1.2Mpa,在找平层上按3m5m弹线,找平层分格缝宽度为20mm,采用切割机切割分格缝,分格缝建议用沥青填充。
养护:找平层抹平、压实以后24h 可浇水养护,一般养护期为7d,经干燥后铺设防水层。
复合发泡水泥板外墙外保温系统应用技术规程复合发泡水泥板外墙外保温系统应用技术规程一、概述复合发泡水泥板外墙外保温系统是一种常用的外墙保温和装饰材料,具有良好的保温隔热性能和较高的施工效率。
为了确保系统的正常使用和施工质量,制定本技术规程。
二、材料要求1. 复合发泡水泥板:外墙外保温系统采用的复合发泡水泥板应符合国家相关标准,具有一定的强度和保温性能。
2. 粘结剂:采用耐候性、耐碱性、耐老化性好的聚合物粘结剂,粘结剂的性质应符合国家相关标准。
3. 防火隔热保温材料:采用不燃材料,如岩棉、聚苯板等,其导热系数应符合国家相关标准。
4. 现场配套材料:胶水、网格布、玻璃纤维网格布、导线、膨胀螺钉等应符合国家相关标准,并配合施工要求使用。
三、施工前准备1. 工程准备:清理外墙表面,确保其干燥、平整和无积水。
2. 材料准备:将所需的材料按照比例配好,并分类摆放,保持材料的存放环境干燥、通风。
3. 设备准备:安排好所需的施工设备,如搅拌机、刮刀、抹灰机等,确保设备完好并易于操作。
四、施工步骤1. 基层处理:清除外墙表面浮尘、油污等杂物,然后涂刷聚合物粘结剂,增强基层的附着力。
2. 外保温材料安装:将防火隔热保温材料按照预定位置固定在基层上,可采用胶水或密封胶做固定。
3. 网格布安装:在外保温材料上涂刷粘结剂,然后将玻璃纤维网格布粘贴在保温材料上,确保网格布牢固无松动。
4. 涂抹保温层:将聚合物粘结剂与干砂按照比例混合搅拌均匀,然后用刮刀将该混合物涂抹在玻璃纤维网格布上,厚度控制在5-6mm。
5. 复合发泡水泥板安装:将复合发泡水泥板按照设计要求定位并用膨胀螺钉固定在保温层上,固定点间距需符合规范要求。
6. 预留构造缝:对于未预设构造缝的部位,应根据设计要求进行预留,尤其是在墙体与柱、板结合处和分层缝处。
7. 砂浆抹面:按照墙体设计要求,将水泥、砂浆和适量的聚合物粘结剂搅拌均匀,然后用刮刀将该砂浆涂抹在复合发泡水泥板上,厚度控制在2-3mm。
纤维增强改性发泡水泥保温板在建筑外墙保温中的应用摘要:近年来,为贯彻落实国家节约能源和保护环境的基本国策,进一步加强和推进建筑节能和绿色建筑工作,改善公共建筑的室内热环境,提高能源利用效率和资源综合利用水平,降低建筑能耗,建筑保温行业、施工企业、高等院校和科研院所等积极响应号召,大力研发、推广应用性能更优的改性发泡水泥保温隔热板材,改善传统料浆类保温材料及普通硅酸盐水泥的诸多缺点,现已在外墙保温工程中得到广泛应用。
关键词:绿色建筑;纤维增强改性发泡水泥保温板;外墙保温引言一、纤维增强改性发泡水泥保温板简介发泡水泥板属不燃材料,无毒、环保、低碳,与塑料泡沫等保温材料比抗压强度高,防火性能达到A级,与混凝土粘接牢固、膨胀系数一致,使用年限与建筑物一致,是国家大力提倡的一种新型材料。
而纤维增强改性发泡水泥保温板是在发泡水泥板基础上进行改良的性能更优的产品,它主要以硅酸盐水泥为胶凝材料,主要原材料组份有掺合料、轻集料、外加剂、改性剂和水制成的浆料,通过混合搅拌、浇筑成型、化学发泡、自然养护等工序,在上下表面铺贴玻璃纤维网格布,并用喷涂、辊涂、浸浆或者刮浆的方式在上下表面涂刷聚合物胶浆增强层而制成的一种增强型改性发泡水泥保温板,也称增强型发泡水泥保温板。
二、纤维增强改性发泡水泥保温板的主要用途纤维增强改性发泡水泥保温板主要用于新建、扩建、改建民用建筑的屋面、楼地面、内外墙保温工程和防火隔离带工程,粘接砂浆直接用水泥砂浆粘接,作外墙保温板涂料面,可直接用防水抗裂砂浆和玻纤网格布做保护层即可;粘贴瓷砖时,可挂钢丝网格可打塑料锚栓,外抹抗裂砂浆粘贴瓷砖。
三、纤维增强改性发泡水泥保温板优势(一)节能环保由于使用的主要原材为硅酸盐水泥、水泥灰、硅积灰等,生产时无需烧制、无需蒸压养护,在常温常压条件下生产,原材料利废物,没有废水、废渣、废气排放,生产能耗低,对环境友好。
(二)防火性能好以硅酸盐水泥为主要原材,属于完全不燃的无机材料,防火等级高。
工程名XXXXXX改性发泡水泥保温板外墙外保温施工单位XXXXXX2017年6月10日审批表施工单位:目录一、编制依据二、工程设计概况三、施工部署四、施工工法五、质量标准六、质量保证措施七、成品保护措施八、安全及文明施工措施一、编制依据1. 本工程外墙外保温工程设计图纸及相关设计文件2.《中华人民共和国建筑法》、《建筑工程施工安全生产管理条例》及《重庆市关于墙体节能有限规定》3.《夏热冬冷地区居住建筑节能设计标准》JGJ134-20104.《重庆市公共建筑节能(绿色建筑)设计标准》DBJ50-052-20135.《外墙外保温工程技术规范》DBJ50-052-20136.《重庆外墙保温隔热建筑构造图集》DJBT-013、04J006图集7.《重庆市居住建筑节能50%设计标准》(DHJ50-102-2010)8.《民用建筑热工设计规范》(GB 50176-93)9.《外墙外保温建筑构造》10J12110.《建筑节能工程施工质量验收规范》(GB 50411-2007)11.《改性发泡水泥保温板建筑保温系统应用技术规程》DBJ50/T-185-201412.《改性发泡水泥保温板建筑保温系统建筑构造》15J0113.《建筑节能工程施工质量验收规范》GB50411-200714.《建筑装饰装修工程质量验收规范》GB50210-201115.《建筑施工高处作业安全技术规范》JGJ80-2016二、工程设计概况2.1工程名称:XXXXXX2.2工程地址:XXXXXX2.3建设单位:XXXXXX2.4施工单位:XXXXXX2.5监理单位:XXXXXX2.6设计单位:XXXXXX2.5保温层厚度:25mm2.6保温层类型:改性发泡水泥保温板薄抹灰外墙外保温系统2.7外墙外保温工程简介:本工程外墙外保温系统是以钢筋混凝土墙体为基层,以改性发泡水泥保温板为保湿材料,采用粘锚结合方式固定在基层墙体上,以玻纤网、抹面胶浆(抗裂砂浆)为保护层的外墙外保温系统。