九年级物理电路图及实物图及答案
- 格式:doc
- 大小:1.79 MB
- 文档页数:25
九年级上册物理《电学作图》专题训练(附答案)1.请根据图所示的实物图,画出对应的电路图。
2.在探究通过导体的电流与导体两端电压的关系实验中,(1)根据实验要求,在如图所示的虚线框内画出实验所需的电路图(其中部分电路已画出);(2)根据所画的电路图,用笔画线代替导线将实物图连接起来,使之成为符合实验要求的电路,要求滑动变阻器的滑片P向左滑动时滑动变阻器的阻值变小(其中部分导线已连好)。
3.在“探究通过导体的电流与电阻的关系”的实验中,采用了如图甲所示的电路图。
请按照电路图,用笔画线表示导线,将图乙中的实物图连接完整。
4.如图所示的电路中,请用笔画线代替导线使电路完整。
要求:①电压表测小灯泡两端电压;②闭合开关S,向左移动滑动变阻器的滑片P时,小灯变亮。
5.在探究通过导体的电流与导体两端电压的关系实验中,在下图中画出实验所需的电路图(其中部分电路已画出,电源为两个干电池,定值电阻约为10Ω),要求滑动变阻器的滑片P向右滑动时滑动变阻器的阻值变小。
6.(1)画出图所示电路的电路图(左侧电流表为A1,右侧电流表为A2);(2)在图中,有两根导线尚未连接,请以笔画线代替导线补上,补上后要求:①电压表测小灯泡两端的电压;②闭合电键,当变阻器的滑片向右移动时,电压表的示数变大。
7.某同学利用伏安法测量定值电阻的阻值,请你用笔画线代替导线,将图所示的实物图连接完整,要求滑动变阻器滑片向右移动时电流表示数减小。
8.请将下图中的器材连接组成电路,测量小灯泡的电阻,并根据你连接的电路,说明要使灯泡两端的电压减小,滑动变阻器的滑片应怎样移动。
9.如图所示的实物电路中,有两根导线尚未连接,请用笔画线代替导线将电路连接完整。
要求:①电流表只测量L1的电流;②闭合开关,向右移动滑动变阻器的滑片,L1的亮度不变,L2的亮度变暗。
(不考虑电流表的量程选择)10.请按要求正确连接实物图要求:定值电阻R与滑动变阻器串联,闭合开关S,将滑动变阻器的滑片向左移动,电压表和电流表的示数都变小,连线不能交叉。
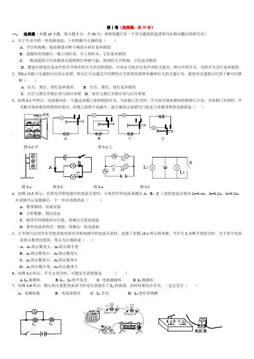
第Ⅰ卷(选择题,共30分)一、选择题(本题10小题.每小题3分,共30分;请将每题只有一个符合题意的选项填写在相应题后的括号内)1.关于生活中的一些电路连接,下列判断不正确的是()A.节日的夜晚,装扮秦淮河畔小树的小彩灯是串联的B.道路两旁的路灯,晚上同时亮,早上同时灭,它们是串联的C.一般家庭的卫生间都要安装照明灯和换气扇,使用时互不影响,它们是并联的D.楼道中的电灯是由声控开关和光控开关共同控制的,只有在天暗并且有声音时才能亮,所以声控开关、光控开关及灯是串联的2.图3-1为路口交通指示灯的示意图。
指示灯可以通过不同颜色灯光的变化指挥车辆和行人的交通行为。
据你对交通指示灯的了解可以推断()A.红灯、黄灯、绿灯是串联的B.红灯、黄灯、绿灯是并联的C.红灯与黄灯并联后再与绿灯串联D.绿灯与黄灯并联后再与红灯串联3.如图3-2甲所示,电冰箱内有一个通过冰箱门来控制的开关,当冰箱门打开时,开关闭合使冰箱内的照明灯点亮;当冰箱门关闭时,开关断开使冰箱内的照明灯熄灭. 在图乙的四个电路中,能正确表示冰箱开门状态下冰箱内照明电路的是()。
图3-2甲图3-2乙图3-1 图3-3 图3-4 图3-54.如图13-3所示,在探究并联电路中的电流关系时,小明同学用电流表测出A、B、C三处的电流分别为I A=0.4A、I B=0.2A、I C=0.2A,在表格中记录数据后,下一步应该做的是()A.整理器材,结束实验B.分析数据,得出结论C.换用不同规格的小灯泡,再测出几组电流值D.换用电流表的另一量程,再测出一组电流值5.小华和几位同学在学校实验室探究并联电路中的电流关系时,连接了如图13-4所示的电路。
当开关S由断开到闭合时,关于两个电流表的示数变化情况,你认为正确的是()A、A1的示数变大,A2的示数不变B、A1的示数变小,A2的示数变大C、A1的示数变大,A2的示数变小D、A1的示数不变,A2的示数变大6.如图3-5所示,开关S闭合时,可能发生的现象是()A. L1被烧坏B. L1、L2均不发光C. 电池被烧坏D. L2被烧坏7.如图3-6所示,粗心的小强把电流表当作电压表接在了L1的两端。
根据实物图画电路图一、知识点回忆一、根据实物图画电路图〔1〕看实物画电路图,关键是在看图,图看不明白,就无法作好图.实物图实际上只有两种电路,一种串联,另一种是并联,〔2〕串联电路非常容易识别,先找电源正极,用铅笔尖沿电流方向顺序前进直到电源负极为止.明确每个元件的位置,然后作图.顺序是:先画电池组,按元件排列顺序标准作图,横平竖直,转弯处不得有元件假设有电压表要准确判断它测的是哪能一段电路的电压,在检查电路无误的情况下,将电压表并在被测电路两端.〔3〕对并联电路,判断方法如下,从电源正极出发,沿电流方向找到分叉点,并标出中文“分〞字,〔遇到电压表不理它,当断开没有处理〕用两支铅笔从分点开场沿电流方向前进,直至两支笔尖集合,这个点就是集合点.并标出中文“合〞字.首先要清楚有几条支路,每条支路中有几个元件,分别是什么.特别要注意分点到电源正极之间为干路,分点到电源负极之间也是干路,看一看干路中分别有哪些元件,在都明确的根底上开场作电路图,〔5〕详细步骤如下:先画电池组,分别画出两段干路,干路中有什么画什么.在分点和合点之间分别画支路,有几条画几条〔多数情况下只有两条支路〕,并准确将每条支路中的元件按顺序画标准,作图要求横平竖直,铅笔作图检查无误后,将电压表画到被测电路的两端.二、画好电路图的方法:①应完好地反映电路的组成,即有电源、用电器、开关和导线:②标准地使用电路元件符号,不能自选符号:③穿插相连的点要画粗黑圆点;④合理地安排电路元件符号的位置,尽可能让这些元件符号均匀地分布在电路中,使电路图清楚美观,并注意元件符号绝不能画在拐角处;⑤导线要横平竖直,转弯画成直角,电路图一般呈长方形;⑥最好从电源的正极开场,沿着电流的方向依次画电路元件,且知道在电路图中导线无长短之分的原那么.二、例题讲解根据实物图画电路图是中考考察的热点,主要以选择题和作图题为主.例1:如下图实验电路相对应的电路图是图中的〔〕A. B.C. D.分析:从实物图可以判断出是并联电路,且S1控制L1,S2控制整个电路,故可以选择出正确的答案.解:A、从该电路图中可以看出,两灯泡并联,并且两开关分别控制两条支路,故A不合题意;B、从该电路图中可以看出,两灯泡串联,两个开关同时控制串联电路;故B不合题意;C、从该电路图中可以看出,两灯泡并联,两个开关都在干路中同时控制并联电路;故C不合题意;D、从电路图中可以看出,两灯泡并联,S1控制L1,S2控制整个电路,故D符合题意.应选:D.点评:此题考察了电路的识别才能,应首先判断连接方式及开关的位置.例2:根据图1所示的实物连接图,在图2的框中画出电路图.分析:〔1〕由实物图画电路图的方法:从电源的正极开场,依次画出各元件,直到电源的负极.〔2〕电压表并联在用电器两端.解:从电源正极开场依次串联灯泡L2、开关、灯泡L1以及电流表,然后回到电源负极,电压表与灯泡L1和电流表的两端;如下图:点评:根据实物图画电路图时,先分析电路,看干路和支路各有什么元件,然后根据电路图的要求画出电路图.三、稳固练习一.选择题〔共6小题〕1.如图为一实物电路连接图,某同学所画出的与如图对应的电路图,其中正确的选项是〔〕A.B.C.D.2.以下电路图中,与实物电路对应的是〔〕A.B.C.D.3.在如下图的四个电路中,与实物图对应的是〔〕A.B.C.D.4.某同学按照图所示的实物图画出电路图,那么图中所画电路图正确的选项是〔〕A.B.C.D.5.在以下四幅电路图中,与如下图实物图对应的是〔〕A.B.C.D.6.如图是小明连接的实验电路,他连接这个电路是根据电路图中的〔〕A.B.C. D.二.作图题〔共4小题〕7.根据左侧电路实物图,在右侧方框内画出对应的电路图。
第十六章专题训练画电路图连接实物电路1.如图所示,根据实物连接图画出相应的电路图。
(要求作图规范)2.根据图实物图画出电路图(画在右侧方框内)。
3.按照图所示的实物电路,请在右侧方框内画出对应的电路图。
4.如图所示的电路实物图,请根据实物图在方框内画出相应的电路图。
5.根据图实物图的连接方式,在图2虚线框中画出相应的电路图。
6.如图所示是电位器示意图,请在A、B、C三个接线柱中选择两个连入电路,要求顺时针旋转滑片时灯泡变亮。
7.如图,在探究“并联电路电压的关系”时,小明想把两个灯泡并联起来,用电压表测量并联电路的总电压,请你用笔帮他画出连接的电路。
8.按照甲图所示的电路图,将图乙中的实物元件连接起来。
9.如图甲,电源电压为6V,请根据电路图将图乙的实物图连接完整。
10.将图中的器材连接起来,要求:灯泡L1和L2串联,用电压表V1测L1的电压,用电压表V2测L1和L2串联后的总电压。
11.如图是用滑动变阻器改变电流大小的电路图及有关元件示意图,用笔画线代替导线,按电路图连接对应的实物图。
要求滑动变阻器的滑片向左移灯变亮。
12.如图所示,通过灯泡的电流为0.8A,请你用笔画线代替导线,按照图甲所示电路图,将图乙中的实物电路图连接完整。
13.如图的电路,有两根导线尚未连接,请用笔画线代替导线补上,要求电压表能测量灯泡两端的电压,滑动变阻器向左移动灯泡变亮度。
14.如图,现有两个小灯泡、一个开关、一个滑动变阻器,6V的电源,导线若干,将这些元件连接成电路,要求:(1)开关控制两只小灯泡;(2)滑动变阻器的滑片向右滑动时,小灯泡L1亮度变亮,L2的亮度不变。
15.根据电路图连接实物电路。
16.在图中的里填上适当的电表符号,使之成为正确的电路图。
17.请按如图中的电流方向,在虚线框内填入电池和电压表的符号,使电路成为正确的串联电路。
参考答案1.2.3.4.5.6.7.8.9.10.11.12.13.14.15.16.17.。
有道精品课初中物理电路图和实物图转化专训参考答案与试题解析一.选择题(共2 小题)1.如图所示实物图,与其一致的电路图是()A.B.C. D.【分析】根据实物电路分析电路的连接情况,再结合各选项即可选出正确电路图。
【解答】解:由实物图可知,开关、电流表、L1、L2依次串联在电源两极上,电压表并联在L1和电流表的两端,故 B 选项图与实物图一致;A 选项图中,两灯串联,但电压表测L2两端电压,与实物图不一致;C 选项图中,两灯并联,与实物图不一致;D 选项图中,电压表测电源电压,与实物图不一致。
故选:B。
【点评】本题考查根据实物图画电路图,关键是正确分析电路的连接方式和电表的作用。
2.下列电路图中,与实物图对应的是()A.B.C. D.【分析】由实物图分析两灯连接方式和开关的位置,分析各选项电路图,找出与实物图对应的电路图。
【解答】解:由实物图知,两灯并联,S1在L1支路上,S2在L2支路上。
A、图中两灯并联,但开关S2在干路上,与实物图不相符;B、图中两灯并联,两开关都在干路上,与实物图不相符;C、图中两灯并联,S1在L1支路上,S2在L2支路上,与实物图相符;D、图中开关S2将灯泡与S1短路,与实物图不相符。
故选:C。
【点评】本题考查根据实物图画电路图,关键是明白电路中各个用电器的连接情况和开关位置的判断。
二.多选题(共1 小题)3.如图所示,关于甲、乙电路的说法正确的是()A.甲是串联电路,乙是并联电路B.甲是并联电路,乙是串联电路C.V2测L1和L2电压之和,A2测L1和L2的电流之和D.V1测L2和L3电压之和,A1测L1和L2的电流之和【分析】串联电路中电流只有一条路径,各元件首尾相连;并联电路中电流有两条或两条以上的路径,各用电器并列连接。
根据电流表与被测用电器串联;电压表与被测用电器并联,据此分析判断。
【解答】解:(1)利用电流流向法分析可知:图甲三只灯泡是并列连接的,电流有三条路径,开关连接在干路中,故属于并联电路;图乙中电流依次流经三只灯泡,再过开关,回到电源的负极,只有一条路径,故属于串联电路;故A 错误,B 正确;(2)甲图中,A1串联在L1和L2的并联之后的干路上,则测量的是L1和L2电流之和,A2测串联在L2和L3的并联之后的干路上,则测量的是L2和L3电流之和,故C 错误;乙图中,V1并联在L1和L2的两端,则测量的是L1和L2电压之和,V2测并联在L2和L3的两端,则测量的是L2和L3电压之和,故D 正确;故选:BD。
图2 课堂作图练习(1)—电路和电路图 班级: 姓名:1、在虚线框内画出图1、图2、图3、图4的电路图。
2、在虚线框内画出图5、图6、图7中,根据电路图甲,用笔画线代替导线连接图乙中的实物电路。
图1 图3 图4课堂作图练习(2)—串联电路和并联电路1、画出图1、图2、图3、图4中的电路图。
图4图 1图 2 图32、根据图5、图6、图7、图8中的电路图连接实物电路。
甲图7 图5 图6课堂作图练习(3)—电流的测量1、画出图1、图2、图3中的电路图。
课堂作图练习(4)—串、并联电路电流的规律1、根据电路图连接实物电路。
通过L 1和L 2的电流分别为0.26A 和0.32A 。
2、根据电路图连接实物图。
通过L 1和L 2的电流分别为0.3A 和0.4A 。
图2 图 1图31、图出图1、图2、图3中的电路图。
2、根据图4、图5中的电路图连接实物电路。
图1 图2 图4图31、画出图1、图2、图3中的电路图。
2、在图4中根据电路图连接电路。
课堂作图练习(7)—电流与电压、电阻的关系根据电路图连接实物电路图1 图2 图4课堂作图练习(8)—电阻的测量根据电路图连接实物电路课堂作图练习(9)—家庭电路1、将图1和图2中的电灯、开关和插座正确地连入电路中。
2、将图3中的电灯、开关、插座和保险丝正确地连入电路中。
3、图4甲所示是一个常用插线板,在开关闭合时, 指示灯发光,插孔可以提供工作电压;如果指图1图2图3课堂作图练习(10)—电和磁图1 图2图3图4图5 图6 图7图8图9 图10图11作图题作业(1)—电路和电路图班级:姓名:根据以下左边的电路图,连接右边的实物图。
(1)(2)(3)作图题作业(2)—电路和电路图1.根据以下左边的电路图,连接右边的实物图。
(1)(2)作图题作业(3)—根据实物图画出电路图1.根据实物电路在虚线框中画出电路图。
图1 图21、S闭合后,电路的电流为0.24A。
2、S闭合后,L1中的电流为0.52A,L2中的电流为0.48A。
第Ⅰ卷(选择题,共30分)一、选择题(本题10小题.每小题3分,共30分;请将每题只有一个符合题意的选项填写在相应题后的括号内)1.关于生活中的一些电路连接,下列判断不正确的是()A.节日的夜晚,装扮秦淮河畔小树的小彩灯是串联的B.道路两旁的路灯,晚上同时亮,早上同时灭,它们是串联的C.一般家庭的卫生间都要安装照明灯和换气扇,使用时互不影响,它们是并联的D.楼道中的电灯是由声控开关和光控开关共同控制的,只有在天暗并且有声音时才能亮,所以声控开关、光控开关及灯是串联的2.图3-1为路口交通指示灯的示意图。
指示灯可以通过不同颜色灯光的变化指挥车辆和行人的交通行为。
据你对交通指示灯的了解可以推断();A.红灯、黄灯、绿灯是串联的B.红灯、黄灯、绿灯是并联的C.红灯与黄灯并联后再与绿灯串联D.绿灯与黄灯并联后再与红灯串联3.如图3-2甲所示,电冰箱内有一个通过冰箱门来控制的开关,当冰箱门打开时,开关闭合使冰箱内的照明灯点亮;当冰箱门关闭时,开关断开使冰箱内的照明灯熄灭. 在图乙的四个电路中,能正确表示冰箱开门状态下冰箱内照明电路的是()。
-图3-2甲图3-2乙图3-1 图3-3 图3-4 图3-54.如图13-3所示,在探究并联电路中的电流关系时,小明同学用电流表测出A、B、C三处的电流分别为I A=、I B=、I C=,在表格中记录数据后,下一步应该做的是()~A.整理器材,结束实验B.分析数据,得出结论C.换用不同规格的小灯泡,再测出几组电流值D.换用电流表的另一量程,再测出一组电流值5.小华和几位同学在学校实验室探究并联电路中的电流关系时,连接了如图13-4所示的电路。
当开关S由断开到闭合时,关于两个电流表的示数变化情况,你认为正确的是()A、A1的示数变大,A2的示数不变B、A1的示数变小,A2的示数变大C、A1的示数变大,A2的示数变小…D、A1的示数不变,A2的示数变大6.如图3-5所示,开关S闭合时,可能发生的现象是()A. L1被烧坏B. L1、L2均不发光C. 电池被烧坏D. L2被烧坏7.如图3-6所示,粗心的小强把电流表当作电压表接在了L1的两端。
第Ⅰ卷(选择题,共30分)一、选择题(本题10小题.每小题3分,共30分;请将每题只有一个符合题意的选项填写在相应题后的括号内)1.关于生活中的一些电路连接,下列判断不正确的是()A.节日的夜晚,装扮秦淮河畔小树的小彩灯是串联的B.道路两旁的路灯,晚上同时亮,早上同时灭,它们是串联的C.一般家庭的卫生间都要安装照明灯和换气扇,使用时互不影响,它们是并联的D.楼道中的电灯是由声控开关和光控开关共同控制的,只有在天暗并且有声音时才能亮,所以声控开关、光控开关及灯是串联的2.图3-1为路口交通指示灯的示意图。
指示灯可以通过不同颜色灯光的变化指挥车辆和行人的交通行为。
据你对交通指示灯的了解可以推断()A.红灯、黄灯、绿灯是串联的B.红灯、黄灯、绿灯是并联的C.红灯与黄灯并联后再与绿灯串联D.绿灯与黄灯并联后再与红灯串联3.如图3-2甲所示,电冰箱内有一个通过冰箱门来控制的开关,当冰箱门打开时,开关闭合使冰箱内的照明灯点亮;当冰箱门关闭时,开关断开使冰箱内的照明灯熄灭. 在图乙的四个电路中,能正确表示冰箱开门状态下冰箱内照明电路的是()。
图3-2甲图3-2乙图3-1 图3-3 图3-4 图3-54.如图13-3所示,在探究并联电路中的电流关系时,小明同学用电流表测出A、B、C三处的电流分别为I A=0.4A、I B=0.2A、I C=0.2A,在表格中记录数据后,下一步应该做的是()A.整理器材,结束实验B.分析数据,得出结论C.换用不同规格的小灯泡,再测出几组电流值D.换用电流表的另一量程,再测出一组电流值5.小华和几位同学在学校实验室探究并联电路中的电流关系时,连接了如图13-4所示的电路。
当开关S由断开到闭合时,关于两个电流表的示数变化情况,你认为正确的是()A、A1的示数变大,A2的示数不变B、A1的示数变小,A2的示数变大C、A1的示数变大,A2的示数变小D、A1的示数不变,A2的示数变大6.如图3-5所示,开关S闭合时,可能发生的现象是()A. L1被烧坏B. L1、L2均不发光C. 电池被烧坏D. L2被烧坏7.如图3-6所示,粗心的小强把电流表当作电压表接在了L1的两端。
专题训练[电路图和实物图的互画及简单电路的设计]专题概述电路的连接是中考考查的重点,是电学的基础,关于电路的连接中考考查的形式主要有三种.具体的形式如下:1.根据实物图画电路图.(1)首先识别实物图,确定有几条路径;(2)按照一定的顺序画电路图,一般从电源的正极开始,按电流经过的路径顺序逐个将电路元件用相应的电路符号画在草稿纸上,最后接到电源的负极,也可以从电源的负极开始,以相反的次序连接;(3)最后将草图整理,注意电路图最好是长方形,横平竖直,符号规范,元件不要画在拐角处.2.根据电路图连接实物图.根据电路图连接实物图的一般方法:(1)按照电路图把元件一一地放在对应的位置;(2)把所有的开关都断开;(3)按照一定的顺序连接各电路元件,一般从电源的正极开始,按照电流经过的路径顺序逐个连接,最后接到电源的负极,也可以从电源的负极开始,以相反的次序连接,最后回到正极,注意一般导线不要交叉.3.设计电路的基本步骤:(1)根据设计要求,确定用电器、开关和电源的连接方式;(2)画出草图后,根据设计要求进行验证;(3)确定符合题意要求后,再画出规范的电路图,并依据电路图连接实物图.►类型一根据实物图画电路图1.请根据如图2-ZT-1所示的实物图,在虚框内画出对应的电路图.图2-ZT-12.按照图2-ZT-2中的实物图在虚线框中画出对应的电路图.图2-ZT-23.根据图2-ZT-3中的实物图,在虚线框内画出对应的电路图.图2-ZT-34.请按照如图2-ZT-4所示的实物图,在虚线框内画出对应的电路图.图2-ZT-45.按照图2-ZT-5中的实物图,在虚线框内画出对应的电路图.图2-ZT-56.如图2-ZT-6所示是我们日常生活中,拿在手上的随身电风扇的模拟实物图.它是由一个基本电路、外壳及辅助材料组成的,请在虚线框内画出它基本电路的电路图.图2-ZT-6►类型二根据电路图连接实物图7.如图2-ZT-7所示,图甲是玩具电风扇的电路图,请在图乙中连接它的实物电路.图2-ZT-78.按照如图2-ZT-8甲所示的电路图,将图乙中各个元件连接起来.(用笔画线表示导线)图2-ZT-89.请根据如图2-ZT-9所示的电路图,用笔画线代替导线将实物图连接完整.(连线不得交叉)图2-ZT-910.按照图2-ZT-10中的电路图,将实物图连接起来,连线不能交叉.图2-ZT-1011.如图2-ZT-11所示,根据电路图,将电路元件一一对应地连接起来.图2-ZT-11►类型三简单电路的设计12.2017·阜新交通路口安装着过斑马线的红、绿信号灯,图2-ZT-12中符合红、绿信号灯工作情况的电路图是( )图2-ZT-1213.用一个开关同时控制两个电灯,请先在虚线框中画出电路图再连接图2-ZT-13中的实物图.图2-ZT-1314.要求:L1、L2并联,S1控制L1,S2控制L2,S3在干路,连线不要交叉,请将图2-ZT-14中元件连成电路.图2-ZT-1415.如图2-ZT-15所示,请用笔画线代替导线完成实物图.要求:(1)开关S1断开时,电铃不响、电动机不转.(2)只闭合开关S1时,电铃不响、电动机转动.(3)开关S1、S2都闭合时,电铃响、电动机转动.图2-ZT-1516.某品牌手持式电动螺丝刀如图2-ZT-16所示,它有两个开关,其中开关S控制照明灯和电动机,开关S1只控制照明灯,请在虚框内画出它的电路图.图2-ZT-1617.为节省电能,楼道中的照明灯只有同时满足“天黑和有人路过楼道”时,会自动发光.为满足用户要求,小强设计出了楼道照明灯的“智能控制电路”,控制电路由“光控开关”和“声控开关”组成,在图2-ZT-17中完成电路的连接.图2-ZT-17详解详析1.如图所示2.如图所示3.如图所示4.如图所示5.如图所示6.如图所示7.如图所示8.如图所示9.如图所示10. 如图所示11.如图所示12.C [解析] 图A中,两开关均闭合时,红、绿交通信号灯同时发光,断开任意开关时,均不发光,不符合实际.图B中,当只闭合开关S2时,电源短路;只闭合开关S1时,两灯泡都发光,不符合实际.图C中,只闭合开关S1时,绿灯亮;只闭合开关S2时,红灯亮,符合实际.图D中,当只闭合开关S2或两开关都闭合时,绿灯亮;只闭合开关S1时,红、绿灯都发光,不符合实际.13.如图所示或14.如图所示15.如图所示16.如图所示17.如图所示。
串联和并联专题一:电路图和实物图互画)一.根据电路图连接实物图1.根据图甲所示的电路图,以笔画线代替导线连接图乙的实物图.2.根据图甲所示的电路图,以笔画线代替导线连接图乙的实物图.3.根据电路图,用笔画线代替导线,连接好实物图.4.用笔划线代替导线根据电路图连接实物图5.根据图甲所示的电路图,用笔画线代替导线,连接实物电路(要求导线不能交叉).6.按图甲中的电路图,用笔画线代替导线,把图乙中的实物连接起来,连线不要交叉二.根据实物图画电路图7.手电筒是生活中常用的照明工具,如图所示,是手电筒的实物图.请在虚线框内画出手电筒的电路图.8.在虚框内画出如图所示实物电路的电路图9.根据如图所示的实物连线图,画出对应的电路图.(要求连线要横平竖直,尽量使电路图简洁美观)10.小明连接了如图所示电路,请在方框内画出它的电路图11.请按照下面的实物电路,在方框中画出正确的电路图.12.请在虚线框内画出如图电路的电路图13.按实物图画出相应的电路图14.根据实物图在右框画出它的电路图.15.在下面(2)图指定方框内,按照(1)图所示实物连线图画出电路图参考答案一.根据电路图连接实物图1.分析:根据电路图连接实物图,可采用“电流流向法”,从电源的正极出发,按照电流的流向依次连接即可.解答:解:按电流流向法连接实物图:从电源的正极出发,依次串联开关、灯泡L2、灯泡L1,回到电源的负极;如下图所示.点评:本题考查了根据电路图连接实物图的方法,连接时一般采用电流流向法进行连接,要注意电路图和实物图的一一对应性2.分析:根据电路图连接实物图,可以根据电流流向法,从电源的正极出发,按一条支路依次串联,然后把并联的部分并联到相应的位置即可.解答:解:根据电路图连接实物图,可以根据电流流向法,从电源的正极经过开关进行分支,一支经过灯泡L1,另一支经过灯泡L2,然后共同回到电源负极.如下图所示:点评:本题考查了实物图的连接以及电路的识别,这些知识都是电学知识的基本的技能,也是中考常考的内容.3.分析:根据图甲所示电路图,分析电路结构,明确各电路元件的连接方式,然后根据各电路元件的连接方式,连接实物电路图.解答:解:由图甲所示电路图可知,灯泡与电铃并联,其中一个开关控制干路,另一个开关与电铃串联,控制电铃所在的支路;从电源正极出发,把开关、电铃、开关串联起来,回到电源负极,然后再把灯泡并联到电铃与开关串联电路的两端,实物电路图如图所示.故答案为:实物电路图如图所示.点评:本题考查了连接实物电路图,分析清楚电路结构、明确各电路元件的连接方式是正确连接实物电路图的关键.4.分析:先确定电路的连接方式,然后根据电路图连接好实物图,即从电源的正极出发,最后到电源负极.解答:解:两灯泡并联,开关S2控制灯泡L2,S1为总开关,电路图如图所示:点评:会识别串并联电路,知道开关在电路中的作用,会根据电路图连接实物图.5.分析:(1)根据电路图连接实物图,可采用“电流流向法”,从电源的正极出发,按照电流的流向,先串电路元件最多的电路,再将相应并联的部分接入电路即可.解答:采用“电流流向法”,电流从电源正极出发,依次串联开关S1、开关S2、灯泡L1串联起来,再将灯泡L2分别并联在开关S1的左侧和电源的负极即可,如下图所示:6.分析:两灯泡并联,两个开关分别控制干路和支路,根据电路图完成实物电路的连接.解答:解:先将干电池串联起来,然后从电源正极或负极开始,使S2控制整个电路,L1和L2并联,开关S1控制L2,最后回到电源负极或正极,根据要求完成实物电路的连接.如图所示:点评:会识别串并联电路,并且会根据电路图连接实物电路.二.根据实物图画电路图7.分析:手电筒中,按钮向上推,灯泡发光,向下推,灯泡熄灭,相当于一个开关,干电池做电源,灯泡作为用电器,由金属外壳和弹簧连接起来.解答:解:在手电筒中,按钮相当于开关,灯泡相当于用电器,干电池相当于电源,金属外壳和弹簧相当于导线,电路图如图:点评:牢记手电筒的电路是基本电路,并且会根据实物图画出电路图.8.分析:由实物图可知,两灯泡串联,根据电流流向法从电源的正极依次画出串联的电路元件即可,.解答:解:先画出电源,然后从电源的正极出发依次画出两灯泡、电源和开关即可;如下图所示:点评:由实物图画电路图和由电路图连接实物图,一般都是采用电流流向法,即从电源的正极开始依次串联各电路原件或画出电路符号,若是并联再把并联的部分并到相应的位置即可.9.分析:先分析各元件的连接方式,然后用导线将各元件依次连接起来,根据实物图完成电路图即可.解答:解:根据实物图可知,从正极出发分两条支路,一支路经开关S2、灯泡L2;另一支路经灯泡L1;然后两路汇合共同经过开关S1回到电源负极;如下图所示:点评:本题考查根据实物图画电路图,关键是会判断两灯泡的连接方式和开关的位置.10.分析:两灯泡并联,开关S1控制整个电路,S2控制L2,根据实物图完成电路图即可.解答:解:由图知:电流从电源的正极流出,经开关S1后分成两支:①灯L1,②开关S2和灯L2;然后再汇合到一起回到电源的负极.如图所示点评:根据实物图画电路图,首先要弄清电路的连接方式,而判别电路连接方式最常用的就是电流流向法,因此要熟练掌握.11.分析:由图可知,灯泡与电铃并联,开关S1控制整个电路,在干路上;S2控制电铃,再根据实物图画出电路图即可.解答:解:先画出电源符号,从电源的正极出发,经开关S1分支,一路经灯泡,另一路经开关S2、电铃,两支电流汇合后回到负极,如下图所示:点评:本题考查了根据实物画出电路图,一般采用电流流向法,即从电源的一极出发依次画出各电路原件.会正确识别电路的连接方式以及开关和仪表的作用,会根据实物图画出正确的电路图.12.分析:从电路图中可以看出,两只灯泡并联,开关S1控制整个电路,开关S2控制灯泡L1.解答:解:从正极开始分支,一支路经开关S2、灯泡L1;另一支路经灯泡L2,然后两路汇合共同进入开关S1,再回到负极;如下图所示点评:本题考查实物图的连接和电路图的画法,关键是明白电路中各个用电器的连接方式,会按要求设计串并联电路,会根据实物图画出正确电路图.13.分析:根据实物图画出正确的电路图,即两个灯泡并联,开关S1控制干路,S2控制L2.解答:解:如图所示点评:会根据实物图画出正确的电路图.14.分析:先分析电路的连接方式,然后根据实物图画出正确的电路图.解答:解:两个灯泡并联连接,三个开关分别控制干路和两条支路.如图所示:点评:本题考查识别电路的能力和根据实物图画电路图的能力.15.分析:电路的基本连接方法有两种:①串联电路:各电路元件之间首尾相连,电路中的电流只有一条通道;②并联电路:各用电器之间首首相连、尾尾相连,电路中的电流有多条通道.那么根据上述方法先判断出两个实物图的连接方式,然后再画出对应的电路图.解答:解:灯L1、S2首尾相连,两者是串联关系;而S3、灯L2首尾相连,两者是串联关系;而灯L1、S2与S3、灯L2是并联关系;它们并联后都与开关S1串联,相应的电路图如下:点评:会识别电路,会根据是实物图按照电流的流向准确地画出电路图,注意电流从正极流出,最后回到负极.。
. . . .九年级物理电路图与实物图一.选择题(共3小题)1.(2014•宝坻区一模)图为一实物电路连接图,图中是某同学所画出其对应的电路图,正确的是()A.B.C.D.2.(2013•)与所示实物图相对应的电路图是下图中的()A.B.C.D.3.(2013•)在图中的四幅电路图中,与如图所示实物图对应的是()A.B.C.D.二.解答题(共27小题)4.(2014•)根据图1所示的实物连接图,在图2的框中画出电路图.5.(2014•)用笔画代替导线完成图中电路的实物连接.要求:两灯并联,开关控制整个电路,电流表测量通过L1、L2的总电流,导线不能交叉.6.(2014•徐汇区一模)在图中所示的电路中,有两根导线尚未连接,请用笔线代替导线连接电路,要求:L1和L2并联,电键S控制L1,电流表测L2的电流.并请标出电源的“+”、“﹣”.7.(2014•金山区二模)在图中的〇里填上适当的电表符号,当电键闭合时电路能正常工作.8.(2014•江津区模拟)根据图1的电路在图2的方框画出电路图.9.(2014•甘谷县模拟)根据实物图画出电路图10.(2014•临清市二模)如图1所示,是“滑动变阻器改变电路中的电流”的实物图,请您在图2虚线方框画出与实物图相对应的电路图.11.(2014•资阳模拟)根据实物图,画出相应的电路图.12.(2014•海城市模拟)画出如图对应的电路图.13.(2014•澄海区模拟)根据如图所示的实物连线图,在右边虚线框画出对应的电路图.(要求连线要横平竖直,尽量使电路图简洁美观)14.(2014•番禺区一模)在如图所示的电路中,尚有几根导线未连接,请用笔画线代替导线补上.补上后要求:闭合电键S后,灯L1和L2都能发光,且电流表测量通过灯L2的电流.15.(2014•静安区一模)在如图所示的电路中,请用笔线代替导线在图中连接,使灯L1和灯L2并联,电流表只测量灯L1的电流.16.(2014•黄浦区三模)在如图所示的电路中,有两根导线尚未连接,请用笔画线代替导线补上.补上后要求:闭合电键S后,灯L1和L2都能发光,且电流表只测量通过灯L2的电流.17.(2013•)将如图中的各电路元件连接起来.要求R1与R2并联,开关S1控制R1和R2,开关S2只控制R2.18.(2013•模拟)如图所示为一个电学实验的实物连线图,请在右边的方框中画出其对应的电路图(要求标明电流表的正、负接线柱).19.(2013•南沙区一模)如图甲所示的电路,请在图甲中添加一条导线,使L1、L2并联,电流表只测量灯L1的电流,并在乙虚线方框画出对应的电路图.20.(2013•济阳县模拟)请在图中用笔画线代替导线,按要求连接电路.要求:开关同时控制两盏电灯;电灯L1、L2并联;电流表测通过L1的电流(通过L1的电流小于0.6A).21.(2013•宿迁二模)在下图中请你以笔代线将根据甲图中的电路图连接好电路.(其中A1的量程为0~0.6A,A2的量程为0~3A)22.(2012•永州)请依据图1所示电路图,用笔画线代替导线将答题卡图2所示的实物图补充连接成完整电路.23.(2012•花都区一模)请根据图甲的实物连接图,在图乙的虚线方框画出对应的电路图.24.(2012•南海区模拟)根据甲所示的电路图,将图乙中的实物,用笔画线表示导线,将它们连接起来(导线不能有交叉).已知电流表A1的示数为2.5A,通过L1的电流是1.1A.25.(2011•)按照图甲的电路图,把图乙中所示的实物连接起来.26.(2011•龙湖区模拟)小明连接了如图所示电路,请在方框画出它的电路图.27.(2011•天河区一模)连接实物图,使灯泡L1和L2并联,电流表测L1电流,开关控制总电路.28.(2011•苍溪县模拟)在图①②中两图均为L1、L2组成的并联电路,请在图中错误处打“×”,并加以改正.29.(2010•黔东南州)根据如图所示的实物图,在虚线框画出对应的电路图.30.(2010•)如图所示为一实物电路,请画出所对应的电路图.九年级物理电路图与实物图参考答案与试题解析一.选择题(共3小题)1.(2014•宝坻区一模)图为一实物电路连接图,图中是某同学所画出其对应的电路图,正确的是()A.B.C.D.考点:根据实物图画电路图.专题:电流和电路.分析:分析实物图的结构,明确电路元件的连接方式、开关所处的位置以及控制的灯,据此选择正确的选项.解答:解:由实物电路图可知,灯L1与L2并联,其中S控制L1所在的支路,因为A图是两灯串联、B图S在干路上、D图S控制L2,所以ABD错,C图正确.故选C.点评:本题考查了根据实物连接图确定相应的电路图,分析电路结构、明确各电路元件的连接方式是正确解题的关键.2.(2013•)与所示实物图相对应的电路图是下图中的()A.B.C.D.考点:根据实物图画电路图.专题:电流和电路.分析:根据电流流向法先判断出两个灯泡的连接方式,再看开关的位置后,即可得出哪个图是正确的.解答:解:电流从电源的正极出发,依次经过两个灯泡、开关回到负极;故A电路图与实物连接对应.故选A.点评:会判断出串并联电路,会根据实物图判断正确的电路图,注意电流从正极流出,最后回到负极.3.(2013•)在图中的四幅电路图中,与如图所示实物图对应的是()A.B.C.D.考点:根据实物图画电路图.专题:图像综合题.分析:根据电流流向法先判断出两个灯泡的连接方式,再看开关的位置后,即可得出哪个图是正确的.解答:解:由实物电路图可知,电流从电源正极出发后,先通过开关,然后分成两个支路,一条流通过电流表A、灯L1回到电源负极,另一条流经灯L2再回到电源负极,故电路图A与实物电路图相符;故选A.点评:本题考查根据实物图画电路图,关键是明白电路中各个用电器的连接情况,根据实物图画电路图是整个初中物理的难点,也是中考的必考容.二.解答题(共27小题)4.(2014•)根据图1所示的实物连接图,在图2的框中画出电路图.考点:根据实物图画电路图.专题:作图题;电流和电路.分析:(1)由实物图画电路图的方法:从电源的正极开始,依次画出各元件,直到电源的负极.(2)电压表并联在用电器两端.解答:解:从电源正极开始依次串联灯泡L2、开关、灯泡L1以及电流表,然后回到电源负极,电压表与灯泡L1和电流表的两端;如图所示:点评:根据实物图画电路图时,先分析电路,看干路和支路各有什么元件,然后根据电路图的要求画出电路图.5.(2014•)用笔画代替导线完成图中电路的实物连接.要求:两灯并联,开关控制整个电路,电流表测量通过L1、L2的总电流,导线不能交叉.考点:实物的电路连接.专题:作图题;电流和电路.分析:由题意可知,两灯泡并联,开关控制整个电路、电流表测通过两灯的总电流说明开关和电流表位于干路.解答:解:两灯泡并联,电流表位于干路,然后与开关和电源组成电路,如下图所示:点评:本题考查了正确连接电路的能力:先要判断电路的连接形式,再从电源的一极开始连起,先串后并,且在连接时开关的状态是断开的.6.(2014•徐汇区一模)在图中所示的电路中,有两根导线尚未连接,请用笔线代替导线连接电路,要求:L1和L2并联,电键S控制L1,电流表测L2的电流.并请标出电源的“+”、“﹣”.考点:电路的组成.专题:图像综合题.分析:灯L1和灯L2并联时,首首相联、尾尾相连接到电流表的负接线柱上即可;电流表与被测电路串联,开关与被控制的电路串联.解答:解:使电源正极与L2的右接线柱相连,开关与电源的负极相连,如下图所示:点评:本题考查了根据题意连接实物图和,属于基础知识,也是我们要掌握的基本技能.7.(2014•金山区二模)在图中的〇里填上适当的电表符号,当电键闭合时电路能正常工作.考点:电路图及元件符号.专题:图像综合题.分析:电流表要串联在电路中使用,而电压表要与被测用电器并联;首先判断图中各圆圈的位置,以及和用电器的连接方式,再结合仪表的使用方法进行分析.解答:解:由电路图可知,上面电表应为电流表,如果是电压表,则L2断路,灯泡不能正常发光,下面电表应为电压表;如果为电流表,则L2短路,灯泡不能正常发光;电路图如图所示.点评:本题考查了电流表和电压表的使用方法.解题的关键是明白电压表是并联使用,电流表是串联使用.8.(2014•江津区模拟)根据图1的电路在图2的方框画出电路图.考点:根据实物图画电路图.专题:电流和电路.分析:分析电路结构,明确电路元件的连接方式,然后根据实物电路图作出电路图.解答:解:由实物电路图可知,灯L1与L2并联,开关S1控制L1,S2控制L2,电路图如下图所示.点评:本题考查了根据实物电路图作电路图,分析电路结构,明确各电路元件的连接方式是正确作图的前提与关键.9.(2014•甘谷县模拟)根据实物图画出电路图考点:根据实物图画电路图.专题:作图题.分析:从实物图可以看出,两个灯泡并联,开关S控制整个电路,S2控制L2的支路,根据要求画出电路图即可.解答:解:如图所示点评:会识别串并联电路,会根据实物图画出正确的电路图.10.(2014•临清市二模)如图1所示,是“滑动变阻器改变电路中的电流”的实物图,请您在图2虚线方框画出与实物图相对应的电路图.考点:根据实物图画电路图.专题:电流和电路.分析:先分析电路连接情况,按照画电路图的要求表示出电路连接即可.解答:解:从电源正极出发,依次连接开关、滑动变阻器、电流表、灯泡到负极,组成串联电路,故电路图如图:点评:本题考查根据实物图画电路图,关键是会判断各元件的连接方式.11.(2014•资阳模拟)根据实物图,画出相应的电路图.考点:根据实物图画电路图.专题:图像综合题.分析:先分析各元件的连接方式,然后用导线将各元件依次连接起来,电压表测量用电器两端的电压,是电流表串联在电路中测量电流,根据实物图完成电路图.解答:解:该电路为灯泡的基本电路,开关控制整个电路,电压表并联在灯泡两端,流表串联在电路中,测电路中的电流;因此从电源正极依次串联灯泡、电流表以及开关回到电源负极,最后将电压表并联在灯泡两端;如下图所示:点评:本题考查根据实物图画电路图,关键是明白实物图中各个用电器的连接方式,根据实物图画电路图是整个初中物理的难点也是中考必考的容.12.(2014•海城市模拟)画出如图对应的电路图.考点:根据实物图画电路图.专题:图像综合题.分析:根据实物图图可知,两灯泡并联,开关控制干路,电流表A1测量灯泡L1支路电流,电流表A2测量干路上的电流.解答:解:由图知:电流从电源的正极流出,分成两支:①一支经电流表A1灯泡L1;②灯L2;然后再汇合到一起经电流表A2回到电源的负极.电压表并联在L2两端,根据实物图完成电路图即可.如图所示:点评:本题考查根据实物图画电路图,关键是分析实物图中电路的连接,本题的难点是分析出两灯泡和电压表的连接情况.13.(2014•澄海区模拟)根据如图所示的实物连线图,在右边虚线框画出对应的电路图.(要求连线要横平竖直,尽量使电路图简洁美观)考点:根据实物图画电路图.专题:电流和电路.分析:从实物图中可以看出,电流从正极流出,经过开关,分别流入灯泡L2、电流表和L1,最后回到电源负极.所以两只灯泡并联,开关控制整个电路,电流表测量通过灯泡L1的电流.解答:解:从正极开始连接,经开关S后分支,一支经灯泡L2回到电源负极;另一支经电流表、L1回到电源负极;如图所示:点评:本题考查根据实物图画电路图,关键是明白实物图中各个用电器的连接方式,根据实物图画电路图是整个初中物理的难点也是中考必考的容.14.(2014•番禺区一模)在如图所示的电路中,尚有几根导线未连接,请用笔画线代替导线补上.补上后要求:闭合电键S后,灯L1和L2都能发光,且电流表测量通过灯L2的电流.考点:实物的电路连接.专题:作图题;压轴题.分析:L1与L2并联,电流表测量L2中的电流,按要求完成实物图即可.解答:解:如图所示点评:会根据条件判断电路的连接,会正确画出实物图.15.(2014•静安区一模)在如图所示的电路中,请用笔线代替导线在图中连接,使灯L1和灯L2并联,电流表只测量灯L1的电流.考点:实物的电路连接.专题:图像综合题.分析:根据要求灯L1和灯L2并联,电流表测通过L1中的电流,电流表与L1串联,按要求连接电路即可.解答:解:根据实物电路连接要求,本题的开关应是干路开关,灯L1和灯L2并联,电流表与L1串联.如图:点评:本题考查电路的连接,会根据要求设计串并联电路,会正确使用电流表.16.(2014•黄浦区三模)在如图所示的电路中,有两根导线尚未连接,请用笔画线代替导线补上.补上后要求:闭合电键S后,灯L1和L2都能发光,且电流表只测量通过灯L2的电流.考点:实物的电路连接.专题:图像综合题.分析:根据题意,确定两只灯泡的连接方式为并联,再根据电流表只测量通过灯L2的电流,确定电流表的位置,据此确定连接导体的位置.解答:解:两只灯泡的连接方式为并联,电流表只测量通过灯L2的电流,故应将灯泡L1右侧的接线柱与电流表的“0.6”接线柱相连接.如图所示.点评:根据题目的要求,先确定电路的串并联性质,再明确电流表的测量对象,最后确定导线的位置,是连接的基本思路.17.(2013•)将如图中的各电路元件连接起来.要求R1与R2并联,开关S1控制R1和R2,开关S2只控制R2.考点:实物的电路连接.专题:压轴题;电流和电路.分析:R1与R2并联,开关S1控制R1和R2,说明开关S1在干路上,开关S2只控制R2,说明开关S2在R2所在的支路上;根据题意依次连接.解答:解:从正极开始连接,经开关S1后分支,一支经灯泡R1回到负极,另一支经开关S2、灯R2回到负极,如图:点评:本题考查根据题意连接实物图和根据实物图画出电路图,关键是明白各个用电器的连接情况以及开关的控制情况,连接实物图是初中物理的难点也是重点.18.(2013•模拟)如图所示为一个电学实验的实物连线图,请在右边的方框中画出其对应的电路图(要求标明电流表的正、负接线柱).考点:根据实物图画电路图.专题:作图题.分析:(1)由实物图画电路图的方法:从电源的正极开始,依次画出各元件,直到电源的负极.(2)电路图要画的方正,元件不要画在拐弯处,元件要分散.(3)注意此电路中有串联又有并联,因此画电路图时,要从电源正极出发,顺着导线逐个连接,不要出现短路.解答:解:从电源的正极开始,依次画出电流表,再到电源的负极.注意:①电流表的正负极接线柱标明要正确;②灯泡和开关S1串联;③开关S2和电动机串联④不要出现短路故答案如图:点评:(1)掌握物理电学中各元件的符号.(2)一般从电源的正极开始,按照电流的方向画出各个元件.(3)此电路中有串联又有并联,因此画电路图时,要从电源正极出发,顺着导线逐个连接,不要出现短路.19.(2013•南沙区一模)如图甲所示的电路,请在图甲中添加一条导线,使L1、L2并联,电流表只测量灯L1的电流,并在乙虚线方框画出对应的电路图.考点:实物的电路连接;根据实物图画电路图.专题:作图题.分析:连接实物图时需注意,电流表要与L1串联,两灯泡并联,开关控制干路;并画出相应的电路图.解答:解:从正极开始连接开关,然后分支,一支经电流表、L1回到负极;另一支经灯泡L2回到负极,如图所示:点评:本题考查电路图的画法,关键是明白实物图中各个用电器的连接情况,根据实物图画电路图是整个初中物理的难点,也是中考必考的容.20.(2013•济阳县模拟)请在图中用笔画线代替导线,按要求连接电路.要求:开关同时控制两盏电灯;电灯L1、L2并联;电流表测通过L1的电流(通过L1的电流小于0.6A).考点:实物的电路连接.专题:图像综合题.分析:由题意可知,电灯L1、L2并联,开关同时控制两盏电灯说明开关位于干路,电流表测通过L1的电流说明电流表与L1串联,据此连接电路图.解答:解:根据题意可知,电灯L1、L2并联,开关位于干路,电流表与L1串联,然后与电源组成电路,实物图连接如下图所示:点评:本题考查了根据题意连接实物电路图,根据题意得出各电路元件的连接方式是画图的关键.21.(2013•宿迁二模)在下图中请你以笔代线将根据甲图中的电路图连接好电路.(其中A1的量程为0~0.6A,A2的量程为0~3A)考点:实物的电路连接.专题:作图题.分析:本题抓住根据电路图连接实物电路,并联电路的连接特点.解答:解:两灯并联,电流表1测L1电流,电流表2测L2电流,如图.点评:本题考查了根据电路图连接实物电路,并联电路的连接方式.22.(2012•永州)请依据图1所示电路图,用笔画线代替导线将答题卡图2所示的实物图补充连接成完整电路.考点:实物的电路连接.专题:作图题;电流和电路.分析:根据电路图连接实物图,可采用“电流流向法”,从电源的正极出发,按照电流的流向,先串电路元件最多的电路,再将相应并联的部分接入电路即可.解答:解:采用“电流流向法”,电流从电源正极出发,依次串联开关S、电流表、电阻R1串联起来,再将电阻R2分别并联在电阻R1的左侧和电流表的负接线柱上即可,如下图所示:点评:本题考查了实物图的连接,关键是能根据电路图确定电路元件的连接方式,利用先串联最复杂的电路、再把并联的部分接到相应的位置.23.(2012•花都区一模)请根据图甲的实物连接图,在图乙的虚线方框画出对应的电路图.考点:根据实物图画电路图.专题:作图题.分析:从实物图中可以看出,两只灯泡并联,电流表测量通过灯泡L1的电流.解答:解:从正极开始连接,经开关后分支,一支经电流表、灯泡L1回到负极;另一支经灯泡L2回到负极;如图:点评:本题考查根据实物图画电路图,关键是明白实物图中各个用电器的连接方式,根据实物图画电路图是整个初中物理的难点也是中考必考的容.24.(2012•南海区模拟)根据甲所示的电路图,将图乙中的实物,用笔画线表示导线,将它们连接起来(导线不能有交叉).已知电流表A1的示数为2.5A,通过L1的电流是1.1A.考点:实物的电路连接.专题:作图题.分析:从电路图中可以看出,两只灯泡并联,电流表A1测量总电流;电流表A2测量通过灯泡L2的电流;解答:解:从正极开始连接,经过开关、电流表A1后分支,一支经灯泡L1回到负极;另一支经电流表A1和L1回到负极;两个电流表量程全部选择0~3A;如图:点评:本题考查根据电路图连接实物图,关键是明白电路中各个用电器的连接方式,还要知道电流表的量程,根据电路图连接实物图是整个初中物理的难点也是重点.25.(2011•)按照图甲的电路图,把图乙中所示的实物连接起来.考点:实物的电路连接.专题:作图题;压轴题;电流和电路.分析:根据电路图连接实物图时,可以根据电流流向法进行连接,先从电源的正极出发依次串联电路元件最多的支路,再把并联的部分串联到相应的位置即可.解答:解:根据电流流向法,先从正极出发依次串联开关S1、开关S2、灯泡L2回到负极,然后把灯泡L1并联灯泡L2的左端和开关L2的右端即可,如下图所示:点评:本题考查了根据电路图连接实物图以及根据要求连接实物图,实物连接图的关键在于看懂电路图,在连接过程中,注意各元件的次序,导线不能交叉.26.(2011•龙湖区模拟)小明连接了如图所示电路,请在方框画出它的电路图.考点:根据实物图画电路图.专题:作图题;压轴题.分析:两灯泡并联,开关S1控制整个电路,S2控制L2,根据实物图完成电路图即可.解答:解:由图知:电流从电源的正极流出,经开关S1后分成两支:①灯L1,②开关S2和灯L2;然后再汇合到一起回到电源的负极.如图所示点评:根据实物图画电路图,首先要弄清电路的连接方式,而判别电路连接方式最常用的就是电流流向法,因此要熟练掌握.27.(2011•天河区一模)连接实物图,使灯泡L1和L2并联,电流表测L1电流,开关控制总电路.考点:实物的电路连接.专题:作图题;压轴题.分析:连接实物图时需注意,电流表要与L1串联,两灯泡并联,开关控制干路.解答:解:从正极开始连接开关,然后分支,一支经电流表、L1回到负极;另一支经灯泡L2回到负极,如图:点评:本题考查根据题意连接实物图,关键是明白各个用电器的连接方式,根据题意连接实物图是整个初中物理的难点也是重点.28.(2011•苍溪县模拟)在图①②中两图均为L1、L2组成的并联电路,请在图中错误处打“×”,并加以改正.考点:实物的电路连接.专题:作图题;图析法;电流和电路.分析:电路元件首首相连、尾尾相连的连接方式是并联,并联电路有多条电流路径,据此分析电路图,找出电路连接错误,并改正.解答:解:(1)由图①可知,两灯泡左端导线把两灯泡短路,两灯泡不是并联,修改后电路如图①所示.(2)由图②可知,电源连接错误,灯L1与L2间的连线连接错误,修改后的正确电路连接如图②所示.故答案为:电路图如图所示.点评:本题考查了修改电路图,知道并联的概念、分析清楚电路结构,找出电路连接错误,并改正即可.29.(2010•黔东南州)根据如图所示的实物图,在虚线框画出对应的电路图.考点:根据实物图画电路图.专题:作图题.分析:先分析电路的连接方式,然后根据实物图画出对应的电路图.解答:解:两灯泡并联,开关控制整个电路,电流表测量干路中的电流,按要求画出电路图即可.如右图所示:点评:会识别电路的连接方式,会根据实物图画出正确的电路图.30.(2010•)如图所示为一实物电路,请画出所对应的电路图.考点:根据实物图画电路图.专题:作图题.分析:由实物图可知,两只灯泡并联,开关S1控制灯泡L1,开关S2控制灯泡L2,开关S控制干路,电流表测量干路电流.解答:解:L1L2并联,开关S1与灯泡L1串联在一个支路中,开关S2与灯泡L2串联在另一支路中,开关S控制整个电路,电流表串联在干路中,电路图如图:点评:本题考查根据实物图画电路图,关键是分析出实物图中各个用电器的连接情况,这是本题的重点也是难点.。