燃气蒸汽锅炉安装施工方案(DOC)(新)
- 格式:doc
- 大小:77.00 KB
- 文档页数:9
一、工程概况本项目为一燃煤锅炉的改造维修工程,原锅炉为DZL型锅炉,单锅筒纵置式水火管蒸汽锅炉。
锅炉本体由一个纵置锅筒、两个下置集箱及水冷壁管、锅筒内烟管组成,燃烧设备系链条炉排,并配有机械除渣机、上煤机。
炉墙为轻型炉墙,水处理为钠离子软化水设备。
改造后,锅炉的额定蒸发量为4T/h,额定工作压力为1.MPa,适用燃料为烟煤。
二、施工方案1. 施工准备(1)组织施工队伍,明确各施工人员的职责。
(2)备齐所需材料、设备,确保施工过程中所需。
(3)做好施工场地布置,确保施工安全。
2. 施工步骤(1)拆除原锅炉炉拱,进行重新砌筑。
(2)焊接冷确盘管、二次风管,焊接水箱。
(3)固定二次风机、循环水泵。
(4)加装控制箱。
(5)对锅炉本体进行防腐处理。
(6)进行锅炉调试,确保各项参数达到设计要求。
3. 施工技术要点(1)拆除原锅炉炉拱时,注意保护炉膛、炉墙等设备。
(2)重新砌筑炉拱时,确保炉拱结构合理,耐火材料选用合格。
(3)焊接冷确盘管、二次风管、水箱等部件时,确保焊接质量。
(4)固定二次风机、循环水泵时,确保安装牢固,运行平稳。
(5)防腐处理时,选用合格的防腐材料,确保防腐效果。
(6)调试锅炉时,注意观察各项参数,确保锅炉正常运行。
4. 施工进度安排(1)拆除原锅炉炉拱:2天(2)重新砌筑炉拱:3天(3)焊接冷确盘管、二次风管、水箱:3天(4)固定二次风机、循环水泵:2天(5)加装控制箱:1天(6)防腐处理:2天(7)调试锅炉:1天总计:14天三、施工安全管理1. 施工现场应设置明显的安全警示标志,施工人员应佩戴安全帽、安全带等防护用品。
2. 施工过程中,严格执行操作规程,确保施工安全。
3. 定期对施工人员进行安全教育培训,提高安全意识。
4. 施工现场应配备必要的安全防护设施,如安全网、防护栏等。
四、施工质量控制1. 严格按设计要求和质量标准进行施工,确保工程质量。
2. 施工过程中,对关键工序进行检验,确保施工质量。
锅炉安装施工方案
一、前言
在工业生产中,锅炉是非常重要的设备,它能够提供蒸汽、热水等能源,为生产提供必要的热能。
为了确保锅炉的正常运行,保证生产的持续进行,必须合理进行锅炉安装施工。
二、施工前准备
1.安装地点的选择:选择合适的场地进行安装,并确保地基平整、承重
能力强。
2.材料准备:准备好所需的锅炉设备、管道、配件等材料。
3.施工人员:安排经验丰富的施工人员参与施工,保障施工质量。
4.安全措施:提前制定安全方案,确保施工安全。
三、施工流程
1.地基施工:根据锅炉的尺寸要求,在地基上进行基础施工。
2.锅炉设备安装:按照安装图纸要求,将锅炉设备安装到预定位置。
3.管道连接:连接好进水管道、出水管道等管道。
4.电气连接:连接好锅炉的电气设备,确保电气线路的安全。
5.调试检测:完成安装后,进行调试检测,确保锅炉正常运行。
四、注意事项
1.施工过程中要注意安全,严格按照操作规程进行。
2.设备安装要牢固可靠,避免因安装不当导致设备损坏。
3.在施工过程中如遇到问题,及时沟通解决,确保施工进度不受影响。
五、结束语
锅炉安装施工是一项复杂的工程,需要谨慎对待。
只有在严格按照规范操作的情况下,才能确保锅炉设备安装完成后能正常运行,为生产提供持续的能源支持。
希望本文提供的施工方案能对您有所帮助。
燃气蒸汽锅炉安装施工方案一、前期准备工作在进行燃气蒸汽锅炉的安装之前,需要做好以下前期准备工作:1.选址:选择合适的位置进行燃气蒸汽锅炉的安装,并确保通风良好、排烟畅通。
2.布局设计:根据实际情况设计燃气蒸汽锅炉的布局,确保安全可靠。
3.设备采购:采购符合要求的燃气蒸汽锅炉及相关安装材料。
4.人员组织:安排合格的技术人员进行安装工作,确保施工质量。
二、安装工作流程1. 安装准备•搬运设备:使用起重设备将燃气蒸汽锅炉等设备搬运至安装位置。
•搭建架子:根据设计要求搭建支架和安装架。
2. 安装管道•连接管道:安装燃气管道、蒸汽管道和排污管道,保证管道连接紧密、无漏气。
•安装阀门:安装各种阀门,确保管道正常使用。
3. 安装设备•安装锅炉:将燃气蒸汽锅炉安装在支架上,并连接好管道。
•安装附件:安装燃气调压器、安全阀等附件,保证锅炉安全运行。
4. 调试验收•检查设备:检查安装是否符合要求,确认各部件安装正确无误。
•排放试验:进行燃气蒸汽锅炉的排放试验,确保锅炉正常工作。
•调试运行:进行燃气蒸汽锅炉的调试运行,检查其运行情况,保证安全、稳定。
三、安装质量保证对于燃气蒸汽锅炉的安装质量,需要进行严格把控,确保安全可靠:1.设备质量:选择优质燃气蒸汽锅炉及相关配件,确保设备质量。
2.详细记录:对安装过程进行详细记录,包括布局设计、管道连接等。
3.专业施工:由具备相关资质和经验的专业人员进行安装施工。
4.安全检查:在安装完成后进行安全检查,确保设备符合要求。
四、总结燃气蒸汽锅炉的安装施工方案需要经过严格的前期准备、安装工作流程、调试验收和安装质量保证等步骤。
只有做好每一个环节的工作,才能保证燃气蒸汽锅炉的安装质量,确保设备安全运行。
蒸汽锅炉安装施工方案
施工程序及次序:
针对工程特点,
工程施工工序如下。
施工次序:
施工措施:
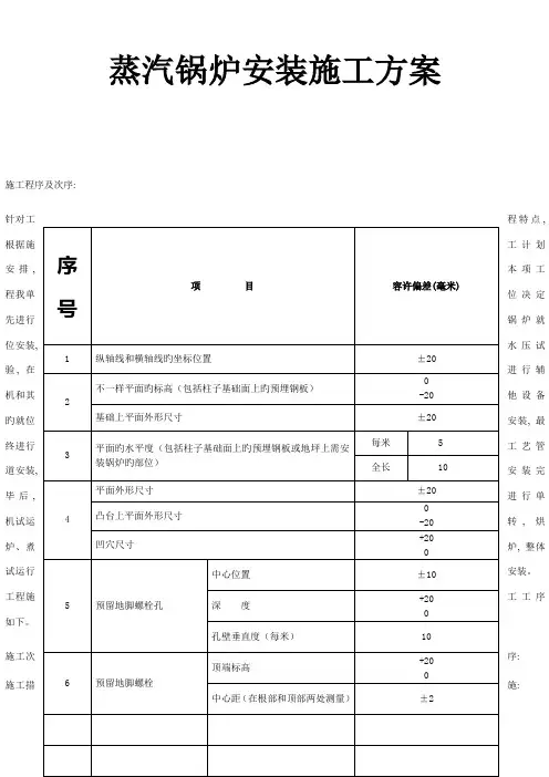
1 基础验收
1.1 建设单位会同土建、安装三方共同进行。
1.2 锅炉设备各基础应符合下列规定。
1.2.1 锅炉本体下部旳条型基础,左右横向截面水平度0~10mm。
1.2.2 液压传动装置或蜗轮减速器基础,应有预埋钢板或预留孔。
1.2.3 鼓风机基础应有预埋地脚螺栓或预留孔。
1.2.4 刮板式出渣机或螺旋式出渣器要有渣坑。
1.2.5 省煤器基础要有预留孔或预埋钢板。
1.2.6 引风机及电动机基础要有预留孔。
1.2.7 除尘器基础要有预埋地脚螺栓或预留孔。
1.2.8 烟囱基础要有地脚螺栓或预留孔。
1.2.9 水处理钠离子互换器及水泵基础要有地脚螺栓或预留孔。
1.3 基础表面应无裂纹、空洞、露筋、剥落和掉角旳现象。
1.4 提交安装旳混凝土基础,强度应到达75%,才能进行设备就位安装。
可口可乐饮料有限公司全自动燃油(气)蒸汽锅炉施工方案编制:审核:批准:WNS6-1.25-QT全自动燃油(气)蒸汽锅炉安装工程施工方案锅炉资料:壹台全自动燃油(气)蒸汽锅炉产品名称:全自动燃油(气)蒸汽锅炉制造厂:江苏双良锅炉有限公司1、产品型号:WNS6-1.25-QT锅炉蒸发量:6.0t/h产品编号:WNL120007额定蒸汽压力:1.25 Mpa 锅炉给水温度:104C°设计热效率:100.7%适用燃料:天然气燃烧设备:燃烧器锅炉本体水压试验压力:1.65 Mpa制造日期2011.07 额定蒸汽温度:194℃锅炉房至分气缸、除氧器管道规格及数量:1、管道材质:GB3087-2008低中压锅炉用无缝钢管;2、¢133*5.03、¢45*3.5工业锅炉安装质量的优劣,关系到人民的生命和财产的安全,同时也直接影响锅炉的使用寿命和用户的经济效益。
为确保锅炉的安装质量,使安装工作有计划、有步骤的顺利进行,特制定以下施工方案。
一、施工方案的编制依据1、《蒸汽锅炉安全技术监察规程》;2、《热水锅炉安全技术监察规程》;3、《压力管道安全管理与监察规定》;4、JB/T10094《工业锅炉通用技术条件》;5、GB50235-97《工业金属管道工程施工及验收规范》;6、GB50236-98《现场设备工业管道焊接工程施工及验收规范》;7、GB50275-98《压缩机、风机、泵安装工程及验收规范》;8、锅炉制造厂《安装使用说明书》及其它随机技术资料,包括:⑴锅炉总图(盖上有效“省级锅炉设计审查批准专用章” );⑵锅炉质量证明书;⑶蒸汽锅炉强度计算书;9、本公司的安装施工图;10、对接接头的射线探伤应按GB3323-87《钢熔化焊对接接头射线照相和质量分级》的规定执行;11、粤劳锅炉函[1997]393号文件要求;12、工程安装合同书。
二、施工程序及监检1、安装前锅炉安装工艺责任人向施工队长及队质检员进行工程项目交底,并移交图纸、技术性文件和现场施工方案、记录表格、安装标准、规范要求等,做好技术移交登记。
随着我国环保政策的不断加强,燃煤锅炉改造已成为当前节能减排、改善空气质量的重要举措。
为满足日益严格的环保要求,提高能源利用效率,本项目将对现有的燃煤蒸汽锅炉进行安装改造。
二、工程概况1. 锅炉型号:DZL型单锅筒纵置式水火管蒸汽锅炉2. 锅炉容量:4T/h3. 工作压力:1.MPa4. 适用燃料:烟煤5. 改造内容:拆除旧锅炉炉拱,重新砌筑新炉拱;焊接冷却盘管、二次风管;焊接水箱;固定二次风机、循环水泵;加装控制箱。
三、施工方案1. 施工准备(1)组织施工人员学习施工图纸,明确施工要求、施工工艺和施工质量标准。
(2)对施工人员进行技术交底,确保每位施工人员熟悉施工内容、操作规程和质量要求。
(3)对施工场地进行清理,确保施工环境整洁、安全。
(4)准备好施工所需材料、设备,如电锤、振动棒、瓦刀、电焊机、氧气、乙炔、砂轮机、磨光机、电木锯、手枪钻等。
2. 施工步骤(1)拆除旧锅炉炉拱:使用电锤、振动棒等工具将旧炉拱拆除,注意保护炉膛内壁,避免损坏。
(2)砌筑新炉拱:按照设计要求,使用耐火材料和耐火泥重新砌筑新炉拱,确保结构稳定、密封性良好。
(3)焊接冷却盘管、二次风管:使用电焊机进行焊接,确保焊接质量符合规范要求。
(4)焊接水箱:按照设计要求,使用电焊机将水箱与锅炉本体进行焊接,确保焊接质量。
(5)固定二次风机、循环水泵:按照设计要求,将二次风机、循环水泵固定在指定位置,确保设备运行稳定。
(6)加装控制箱:按照设计要求,将控制箱安装到指定位置,确保控制箱功能正常。
3. 质量控制(1)严格按照施工图纸和规范要求进行施工,确保施工质量。
(2)对施工过程中发现的问题及时进行整改,确保施工质量。
(3)对施工过程中的焊接、安装等关键工序进行严格检查,确保施工质量。
4. 安全措施(1)施工前进行安全教育,提高施工人员的安全意识。
(2)施工现场设置安全警示标志,确保施工安全。
(3)施工过程中严格执行操作规程,防止事故发生。
燃气锅炉蒸汽管道施工方案一、前言针对燃气锅炉蒸汽管道的施工,本文提供了详细的施工方案,以确保施工质量和安全。
二、施工准备1.确认施工图纸和技术要求。
2.获得必要的施工许可和批文。
3.调查现场情况,清除障碍物。
三、施工步骤1. 收放管道材料•将所需的管道材料运送至施工现场。
•检查管道材料的质量和规格,确保符合要求。
2. 定位和测量•根据施工图纸的要求,在地面进行管道的定位标记。
•使用测量工具对管道位置进行精确定位和测量,确保准确性。
3. 切割和连接管道•根据测量结果进行管道的切割。
•使用合适的工具将管道连接起来,确保连接牢固。
4. 焊接•对管道进行焊接处理,确保焊接质量符合要求。
•进行非破坏性检测,确保焊缝质量。
5. 阀门、附件安装•安装必要的阀门、附件等管道配件。
•调试阀门和附件,确保正常使用。
6. 保温隔热处理•对管道进行保温隔热处理,提高能源利用率。
•使用符合规范的保温材料,确保保温效果。
7. 系统测试•对管道系统进行压力测试,确保系统安全性。
•进行系统调试,检查管道系统运行是否正常。
四、施工质量控制1.严格按照相关规范和要求进行施工。
2.对关键环节进行质量检查和验收。
3.做好施工过程的记录,确保施工质量可追溯。
五、施工安全防护1.施工现场设置必要的安全防护设施。
2.施工人员必须佩戴符合要求的安全防护用具。
3.定期进行安全教育和培训,提高安全意识。
六、施工总结以上为燃气锅炉蒸汽管道施工方案的详细内容,希望能够对施工工作提供有效指导,确保施工质量和施工安全。
燃煤蒸汽锅炉施工方案1.设计方案:在施工前,需要进行详细的设计方案,包括锅炉的选型、布置、配管等。
根据需求,确定锅炉的蒸汽产量、压力和温度等参数,选择合适的型号。
2.材料采购:根据设计方案,采购相应的材料,包括锅炉本体、燃烧设备、配管、阀门等。
在采购过程中,需要注意选择质量好、性能稳定的产品。
3.场地准备:施工前需要对锅炉的安装位置进行准备,确保场地平整、清洁,并根据设计要求设置好相应的基础和支撑结构。
4.安装:根据设计方案进行锅炉的安装。
先进行基础安装,然后安装锅炉本体和其它相应设备,如燃烧设备、配管等。
5.系统调试:完成锅炉的安装后,需要进行系统调试。
包括对锅炉的各项设备进行检查和调试,确保其正常运行并达到设计要求。
6.安全设施:在锅炉施工过程中,需要设置相应的安全设施,如安全阀、水位控制器、燃烧安全保护装置等,确保锅炉的安全运行。
7.防腐保温:对锅炉进行防腐和保温处理,以减少能量损失和延长锅炉的使用寿命。
可以采用不同的防腐、保温材料和方法,如涂料、保温棉等。
8.运行监测:完成施工后,需要进行运行监测,对锅炉的各项指标和参数进行实时监测和记录,保证锅炉的正常运行。
9.培训和交接:对锅炉的操作人员进行培训,确保他们掌握锅炉的操作和维护技术。
在施工结束后,与用户进行交接,完成相关手续和文件。
总结以上几点,燃煤蒸汽锅炉的施工方案包括设计方案、材料采购、场地准备、安装、系统调试、安全设施设置、防腐保温、运行监测、培训和交接等。
在施工过程中,需要注意选择合适的设备和材料、确保施工质量和安全、并进行相关的监测和培训工作。
只有做好这些方面的工作,才能保证燃煤蒸汽锅炉的正常运行和使用。
燃气蒸汽锅炉安装施工方案XXX(Q)施工方案XXX全自动燃油(气)蒸汽锅炉安装工程施工方案锅炉资料:XXX全自动燃油(气)蒸汽锅炉,产品名称为WNS6-1.25-QT,制造厂为XXX。
该锅炉的设计热效率为100.7%,适用燃料为天然气,燃烧设备为燃烧器。
锅炉本体水压试验压力为1.65 Mpa,制造日期为2011.07.额定蒸汽压力为1.25 Mpa,给水温度为104℃,额定蒸汽温度为194℃。
锅炉蒸发量为XXX。
为确保XXX(Q)全自动燃油(气)蒸汽锅炉的安装质量,特制定以下施工方案。
该方案的编制依据包括《蒸汽锅炉安全技术监察规程》、《热水锅炉安全技术监察规程》、《压力管道安全管理与监察规定》、XXX《工业锅炉通用技术条件》、GB-97《工业金属管道工程施工及验收规范》、GB-98《现场设备工业管道焊接工程施工及验收规范》、GB-98《压缩机、风机、泵安装工程及验收规范》、锅炉制造厂《安装使用说明书》及其它随机技术资料。
同时,对接接头的射线探伤应按照GB3323-87《钢熔化焊对接接头射线照相和质量分级》的规定执行,遵循粤劳锅炉函[1997]393号文件要求,以及工程安装合同书。
安装前,锅炉安装工艺责任人应向施工队长及队质检员进行工程项目交底,并移交图纸、技术性文件和现场施工方案、记录表格、安装标准、规范要求等,做好技术移交登记。
施工程序及监检应按照以上规定执行。
2、在安装之前,安装队长和队质检员需要组织全体施工人员熟悉图纸资料、安装工艺流程以及施工方案等。
3、在安装之前,安装队长需要组织现场施工人员对使用单位提供的设备进行全面清点。
对锅炉本体及部件进行详细检查,并做好记录。
队质检员参加监督检查,如发现缺陷应做好现场记录并及时报告甲方。
并与有关单位商讨处理方法,确保安装工作的质量。
4、根据设备平面布置图、建设单位提供土建的基础施工图及锅炉、附机土建基础验收合格报告等对土建施工质量进行全面的实地测量、复检,做好记录。
锅炉房锅炉安装施工方案北京京城起重吊装搬运公司2012年5月28日WNS6-1.25-QT全自动燃油(气)蒸汽锅炉安装工程施工方案锅炉资料:一台全自动燃油(气)蒸汽锅炉产品名称:燃气、蒸汽锅炉制造厂:富尔顿热能设备有限公司产品型号:RB-1850C WNS3.0-1.25-YQ 锅炉蒸发量:3.0t/h 产品编号:F203450 额定蒸汽压力:1.25 Mpa适用燃料:天然气燃烧设备:燃烧器锅炉本体水压试验压力:1.65 Mpa制造日期2010.08 额定蒸汽温度:194℃一、工程概况:公司站改搬迁洗衣厂,利用原采购站锅炉房安装一台3T燃气蒸汽锅炉,主要供给洗衣厂所需蒸汽及冬季采暖使用。
安装设备主要有:1、蒸汽锅炉:RB1850 1台2、锅炉给水泵:Q=50m³/h 1台3、热水循环泵:KQR40/200 2台4、蒸汽往复泵:2QS-4.8/17 Q=8m³/h H=150mm 2台5、板式换热器:NP-ESP-1000 1台6、软水箱:V=10m³1台7、分气缸:DN300 P=1.25 1台8、落地膨胀水箱:DN800 1台9、钠离子交换器:Q=8m³1套10、轴流风机:T35-11N06.3 1个11、锅炉控制柜:1台二、施工方案的编制依据1、《蒸汽锅炉安全技术监察规程》;2、《热水锅炉安全技术监察规程》;3、《压力管道安全管理与监察规定》;4、JB/T10094《工业锅炉通用技术条件》;5、GB50235-97《工业金属管道工程施工及验收规范》;6、GB50236-98《现场设备工业管道焊接工程施工及验收规范》;7、GB50275-98《压缩机、风机、泵安装工程及验收规范》;8、锅炉制造厂《安装使用说明书》及其它随机技术资料,包括:⑴锅炉总图(盖上有效“省级锅炉设计审查批准专用章”);⑵锅炉质量证明书;⑶蒸汽锅炉强度计算书;9、本公司的安装施工图;10、对接接头的射线探伤应按《钢熔化焊对接接头射线照相和质量分级》的规定执行;三、施工准备1、锅炉及附属设备检查验收(1)对于锅炉本体主要进行外观检查有无损伤,与设计要求是否相符,炉膛内砌筑的耐火材料有无脱落及炉排是否完整,有无断裂现象。
一、工程概况本工程为某单位新建的燃气蒸汽锅炉房,锅炉型号为WNS-1.25-Q(Y)燃油(气)蒸汽锅炉,蒸发量为4 t/h,额定蒸汽压力为1.25 Mpa,设计热效率为%。
锅炉采用天然气作为燃料,燃烧设备为燃烧器。
锅炉本体水压试验压力为1.65 Mpa。
二、施工依据1. 《蒸汽锅炉安全技术监察规程》2. 《热水锅炉安全技术监察规程》3. 《压力管道安全管理与监察规定》4. JB/T10094《工业锅炉通用技术条件》5. GB50235-97《工业金属管道工程施工及验收规范》6. GB50236-98《现场设备工业管道焊接工程施工及验收规范》7. GB50275-98《压缩机、风机、泵安装工程及验收规范》三、施工内容1. 锅炉本体安装2. 燃料管道安装3. 蒸气管路系统安装4. 控制系统安装5. 电气系统安装6. 水处理系统安装四、施工步骤1. 施工准备(1)施工图纸及技术资料准备;(2)施工组织设计;(3)人员、设备、材料准备;(4)施工现场平面布置。
2. 锅炉本体安装(1)基础处理:根据设计图纸要求,对锅炉基础进行处理,确保平整、坚实;(2)设备进场:核对设备型号、数量、质量,确保符合要求;(3)设备就位:将锅炉本体平稳放置于基础上,调整水平;(4)设备固定:根据设计图纸要求,对锅炉本体进行固定;(5)水压试验:按照相关规范进行水压试验,确保锅炉本体质量。
3. 燃料管道安装(1)管道材料选择:根据设计图纸要求,选用符合规范要求的管道材料;(2)管道连接:采用螺纹丝口式连接或焊接连接,确保管道连接牢固;(3)管道固定:按照规范要求,对管道进行固定,防止振动;(4)试压验收:按照《工业金属管道工程施工及验收规范》进行试压验收。
4. 蒸气管路系统安装(1)管道材料选择:选用符合规范要求的管道材料;(2)管道连接:采用螺纹丝口式连接或焊接连接,确保管道连接牢固;(3)管道固定:按照规范要求,对管道进行固定,防止振动;(4)试压验收:按照《工业金属管道工程施工及验收规范》进行试压验收。
燃气蒸气锅炉安装工程施工组织设计方案目录第一章工程概况 (1)第二章施工具体安排一、现场施工组织机构 (2)二、计划使用专业技术工种人员安排表 (3)三、安装机具 (3)四、锅炉主要技术参数 (4)第三章施工方案编制依据 (5)第四章施工管理措施一、施工场地管理 (5)二、施工过程管理 (6)三、施工安全管理 (7)四、消防安全措施 (8)第五章施工前期准备一、技术资料准备 (9)二、编制施工预算 (9)三、焊接施工组织设计 (9)四、吊装方案 (14)第六章施工方案一、施工工序 (16)二、材料验收 (17)三、锅炉基础检查、验收、划线 (17)四、钢架与平台安装 (18)五、锅筒、集箱安装 (19)六、受热面管子安装焊接 (21)七、过热器、省煤器、空气预热器安装 (21)八、刚性梁及外护板的安装 (22)九、水压试验 (23)十、燃烧器,鼓、引风机安装 (24)十一、炉墙砌筑 (25)十二、锅炉附件及仪表阀门安装 (28)十三、电缆桥架、导压管安装 (29)十四、热工仪表、保护装置、吹灰器安装 (30)十五、烟风道配制安装、油漆、保温 (32)十六、烘炉、煮炉、严密性试验 (32)十七、72小时试运行和总体验收 (33)第七章工程质量保证措施一、施工质量目标、质量方针与质量保证体系 (34)二、施工质量管理措施 (36)三、工程质量承诺 (36)第八章施工进度计划保证措施 (36)第九章环保方案、文明施工、控制扬尘措施 (37)第一章工程概况一、本工程为**能源投资管理有限公司**分公司在**内新装燃气蒸汽锅炉1台,制造厂家为**锅炉设备有限公司,型号为:SHS35-2.0/400-Q燃气蒸汽锅炉,露天布置。
二、工程名称:三、工程地点:四、工程质量监督检验:以《特种设备安装安全监督条例》为依据,由本公司的质检部和喀什地区质量技术监督局锅检所锅炉检验员,负责对安装工程过程的质量检验。
经总体验收合格后,该锅炉方可投入运行使用。
燃气蒸汽锅炉安装施工方案设计
一、前言
随着我国能源发展的不断进步,燃气蒸汽锅炉作为一种高效、环保的供热设备,受到越来越多用户的青睐。
为了保证燃气蒸汽锅炉在安装施工过程中达到最佳效果,本文将详细介绍燃气蒸汽锅炉安装施工方案设计。
二、工程概况
本工程为某燃气蒸汽锅炉安装项目,包括锅炉本体安装、管道连接、电气设备
安装、系统调试等一系列工作。
三、安装施工方案设计
1. 锅炉选型
选用适合工程需求的燃气蒸汽锅炉,考虑到工程所在地气候条件、供热面积等
因素,确保选型合适。
2. 安装位置选择
根据工程现场实际情况选择合适的安装位置,确保通风良好、安全可靠。
3. 基础施工
进行锅炉基础的浇筑和加固,保证其平整、牢固。
4. 管道连接
进行锅炉与热水系统、冷却系统等管道的连接,确保连接牢固、无渗漏。
5. 电气设备安装
安装锅炉所需的电气设备,如控制柜、传感器等,确保操作方便、稳定。
6. 系统调试
完成安装后对系统进行调试,确保各项功能正常、运行稳定。
四、安装注意事项
•安装过程中需严格按照设计要求施工,不得擅自更改。
•在安装过程中注意安全防护措施,避免发生意外事故。
•对于特殊情况或问题,应及时与相关专业人员沟通解决。
五、总结
燃气蒸汽锅炉安装施工方案设计是一个系统工程,需要综合考虑各种因素,保证施工过程顺利进行,最终实现项目的成功落成。
希望通过本文的介绍,读者能够对燃气蒸汽锅炉安装施工有更深入的了解,从而在实际操作中做好相关工作。
以上为燃气蒸汽锅炉安装施工方案设计相关内容。
燃气锅炉施工方案
一、前言
燃气锅炉是一种重要的供热设备,施工过程需要严格按照标准操作,以确保安全可靠。
本文将介绍燃气锅炉的施工方案,包括前期准备、施工流程、安装注意事项等内容。
二、前期准备
1. 施工人员准备
施工人员需要具备相关的从业资格和技术证书,了解燃气锅炉的基本原理和安装要求。
施工人员应穿着符合安全标准的工作服和防护装备。
2. 施工材料准备
准备好所需的施工工具和材料,包括各种规格的管道、阀门、连接件等,确保材料质量符合标准要求。
三、施工流程
1. 定位安装位置
根据设计要求和现场情况,确定燃气锅炉的安装位置,保证通风良好、安全可靠。
2. 接通燃气管道
将燃气管道连接至燃气锅炉,确保管道连接牢固,无泄漏。
3. 安装水管和排水管
连接水管和排水管至燃气锅炉,根据标准要求进行固定和密封。
4. 安装电气设备
连接燃气锅炉的电源线,确保电气设备接线正确、牢固可靠。
四、安装注意事项
1. 安装环境要求
燃气锅炉应安装在通风良好的位置,远离易燃易爆材料,确保周围环境安全。
2. 施工质量要求
施工人员应按照标准要求操作,严格遵守安全操作规程,保证施工质量。
3. 安全检查
安装完成后应进行安全检查,检查管道连接、电气设备等是否正常,排除安全隐患。
五、总结
燃气锅炉的施工是一项复杂的操作,需要施工人员具备相关技术知识和经验。
在施工过程中,要严格按照标准操作,确保燃气锅炉的安装质量和安全可靠性。
希望本文介绍的燃气锅炉施工方案能对施工人员有所帮助。
燃气锅炉安装方案一、安装前的准备工作锅炉运到现场后,为了迅速投入运行,安装前必须做好下列工作:1、本锅炉的安装应按劳动部《热水锅炉安全技术监察规程》(九七修订颁)和GB50273-2009《锅炉安装工程施工及验收规范》的要求。
2、锅炉的专业安装单位,应经省级质量技术检督部门审查批准,锅炉安装前必须将锅炉房的平面布置及标明有关建筑距离的图纸送交当地锅炉压力容器安全监察机构审查同意,否则不准开工。
3、锅炉安装前和安装过程中,若发现受压元件有变形损坏时,应停止安装并报告当地质检部门。
4、锅炉安装时,安装单位必须组织有关人员,遵照国家有关法规熟悉锅炉图纸,安装单位书等技术文件,编好安装施工方案后,方可进行安装。
5、基础设备锅炉大件安装基准线为:(1)纵向基础中心线——由炉前至炉后沿锅筒中心线。
(2)横向基础中心线——锅炉出水管座中心线。
基础深度由土建设计部门根据基础荷重和当地的土质情况而定,待基础凝固后,方可安装锅炉就位。
6、锅炉大件在卸车时,可在底座两侧槽钢下,放置管子;用钢丝绳拉动,让锅炉大件的管子上缓缓移动,注意不要损坏锅炉大件的任何部分。
也可用起重能力满足要求的起重设备,可用炉顶上的吊耳进行起吊。
二、锅炉大件的安装锅炉大件安放在基础上时,应保持水平。
锅炉就位后,锅炉的支座也应保持水平,允许倾斜不大于5毫米,否则应将低的一面用垫铁垫高,左右两侧的水位标高偏差不大于2毫米。
三、燃烧器的安装燃烧器的固定:将燃烧器主机对准在轴线上,中心线偏差夹角不大于2°,调正燃烧器方向,将燃烧器上固定板紧贴锅炉前部燃烧器固定板,二者之间应有密封垫,否则会冒火烧坏固定板,最后用螺栓将燃烧器紧固在锅炉上。
燃烧器与耐火层之间的间隙用石棉绳填充(用料用户自备)。
具体安装步骤见燃烧器厂家提供的相关资料。
连接燃烧器气管路应保证严密不漏。
四、烟道、烟囱的安装省煤器之前的烟道必须按照我厂提供的图纸进行安装,省煤器之后的烟道、烟囱由用户根据实际情况自行布置,但要保证烟囱能够伸出锅炉房顶或将烟囱置于锅炉房外。
蒸汽锅炉安装组织施工方案青岛冠发发制品有限公司锅炉安装安全、施工组织施工方案一、工程概况本工程主要安装项目为1台0.5吨,1台0.2吨燃气蒸汽锅炉设备的吊装就位、安装调试和试运行。
负责锅炉房内设备的保温和控制线路铺设、设备的水压试验。
负责办理锅炉安装告知、验收等全部手续。
买方除提供安装所需的水电接口、设备存放场地以外,设备制造、进口、运输、装卸、吊装、就位安装、施工水电、调试验收及施工人员食宿、交通等均由安装方承担。
1、工程内容:依照招标人提供的招标文件内容,完成:①燃气蒸汽锅炉本体基础土建验收;②锅炉房内相关设备材料的采购和安装;③锅炉本体及配套辅机安装和调试;④依据设计图纸,结合施工现场实际情况,进行管线布置、设备安装、锅炉及辅机动力连线,以及与外部管网、排污口碰口连接;⑤锅炉房内管道的无损探伤、水压试验以及冲洗、油漆、保温;⑥锅炉及辅机控制电缆的采购、穿管、安装;⑦负责施工现场的设备搬运吊装、人身与设备安全;⑧锅炉房安装及使用相关相关手续的办理;⑨设备试运行,并经质检和业主验收合格后交付业主使用。
2、质量保证:我公司严格按照锅炉房设计图纸的设计要求,按照国家有关施工规范施工,确保工程质量优良,一次性验收交接。
选用的设备、材料均为国内外的优质产品。
①采购设备和产品,应按照图纸要求,所有产品均有生产许可证,质量可靠。
并经我公司多次采用认为该公司产品的性能可靠,质量优良,信誉可靠。
②管材必须符合设计图纸要求,并附有材质证明书。
③对各类管材、板材、阀门等部件,应按规定进行检验、试验。
选用省(部)优产品,绝不允许假冒伪劣产品进入工地。
④认真按技术监督局统一表格填写记录,并由建设单位代表、各监理单位在场验收签字,特别隐蔽工程应验收,合格后方可埋填。
⑤应遵守建设单位及监理单位的意见,在施工过程中对技术有争议时,双方应达到意见一致,保证施工顺利进行。
⑥锅炉安装调试完毕,经质检部门检测合格作为锅炉最终的质量验收依据;验收以双方签订的经济合同、国家有关标准和验收规范以及招标文件、合同、技术协议规定的验收内容为验收标准。
燃气蒸汽锅炉安装施工方案(改好版)
一、安装前准备工作
1.施工前准备: 确保安装场地清洁整洁,清理杂物和残渣,确保工作环
境安全。
2.材料准备: 准备好安装所需的各类材料和工具,确保数量充足。
3.人员安排: 安排专业技术人员进行安装,并确保施工人员具备相关安
全资质和技能。
二、安装过程
1.现场测量: 根据安装图纸,进行现场测量,确定安装位置和布局。
2.基础施工: 进行基础的施工工作,确保安装基座平整稳固。
3.管道连接: 安装主要管道和配管,连接至燃气和水源。
4.设备安装: 将蒸汽锅炉设备吊装至指定位置,并进行固定。
5.电气连接: 连接电气设备,确保正常运转。
6.检查调试: 对安装完成的蒸汽锅炉进行检查和调试,确保运行正常。
三、安装后工作
1.安装检验: 进行安装验收,确认工程质量符合相关标准。
2.操作培训: 对用户进行蒸汽锅炉的操作和维护培训,确保安全使用。
3.资料整理: 整理安装过程中的相关图纸、资料,归档保存。
4.售后服务: 提供售后服务,跟踪设备运行情况,及时解决问题。
结语
燃气蒸汽锅炉的安装施工是一个复杂的工程,需要严格按照相关标准和施工方
案进行操作。
只有确保安全可靠,设备才能正常运行,为用户提供舒适的使用体验。
希望本安装施工方案能够为相关工作人员提供参考,确保安装顺利进行,达到预期效果。
燃油(气)蒸汽锅炉施工方案编制:审核:批准:河北华信锅炉集团有限公司WNS4-1.25-Q(Y)燃油(气)蒸汽锅炉安装工程施工方案锅炉资料:燃油(气)蒸汽锅炉产品名称:燃油(气)蒸汽锅炉制造厂:1、产品型号:WNS-1.25-Q(Y) 锅炉蒸发量: 4 t/h产品编号:额定蒸汽压力: 1.25 Mpa 锅炉给水温度: C°设计热效率: %适用燃料:天然气燃烧设备:燃烧器锅炉本体水压试验压力:1.65 Mpa制造日期额定蒸汽温度:℃锅炉房至分气缸、除氧器管道规格及数量:1.管道材质:GB3087-2008低中压锅炉用无缝钢管;2.¢133*5.03.¢45*3.5工业锅炉安装质量的优劣,关系到人民的生命和财产的安全,同时也直接影响锅炉的使用寿命和用户的经济效益。
为确保锅炉的安装质量,使安装工作有计划、有步骤的顺利进行,特制定以下施工方案。
一、施工方案的编制依据1、《蒸汽锅炉安全技术监察规程》;2、《热水锅炉安全技术监察规程》;3、《压力管道安全管理与监察规定》;4、JB/T10094《工业锅炉通用技术条件》;5、GB50235-97《工业金属管道工程施工及验收规范》;6、GB50236-98《现场设备工业管道焊接工程施工及验收规范》;7、GB50275-98《压缩机、风机、泵安装工程及验收规范》;8、锅炉制造厂《安装使用说明书》及其它随机技术资料,包括:⑴锅炉总图(盖上有效“省级锅炉设计审查批准专用章”);⑵锅炉质量证明书;⑶蒸汽锅炉强度计算书;9、本公司的安装施工图;10、对接接头的射线探伤应按GB3323-87《钢熔化焊对接接头射线照相和质量分级》的规定执行;11、冀劳锅炉函[1997]393号文件要求;12、工程安装合同书。
二、施工程序及监检1、安装前锅炉安装工艺责任人向施工队长及队质检员进行工程项目交底,并移交图纸、技术性文件和现场施工方案、记录表格、安装标准、规范要求等,做好技术移交登记。
2、安装队长及队质检员组织全体施工人员熟悉图纸资料、安装工艺流程、施工方案等。
3、安装前安装队长应组织现场施工人员对使用单位提供的设备进行全面清点,锅炉本体及部件规格、数量应准确、齐全;对锅炉本体及部件作详细的检查,并做好记录;队质检员参加监督检查,如发现缺陷应做好现场记录并及时报告甲方(必要时上报技术监督局监察机构),并与有关单位商讨处理方法,确保安装工作的质量。
4、根据设备平面布置图、建设单位提供土建的基础施工图及锅炉、附机土建基础验收合格报告等对土建施工质量进行全面的实地测量、复检,做好记录,发现问题及时向使用单位提出,共同协商处理,使设备基础符合安装要求。
5、队质检员对基础设施的验收、安装工作的步骤、安装工作的技术参数及时认真地做好现场记录,填写有关的登记表,有些应有用户及有关单位代表签名认可的表格,必须由用户及有关单位代表签名认可。
三、施工的安全措施1、安装队长对施工的安全全面负责。
2、安装施工全过程中必须贯彻执行公司制定的锅炉安装现场安全管理制度,确保安装现场无事故,保证安装工作的顺利进行。
四、锅炉的装卸、安装及一般注意事项1、锅炉的装卸及搬运过程中需注意以下事项:起吊设备的起吊能力应与提吊的锅炉重量相匹配。
锅炉上带有不能用于起吊标示的吊耳不能用作起吊用应合理选择钢丝绳的长度,避免因钢丝绳长度不合适,导致炉体划伤。
在装卸及搬运过程中必须确保锅炉不受任何损伤。
2、维护空间的预留安装锅炉时,需确保在锅炉四周留有足够的维护空间。
3、锅炉基础、底座的设置及注意事项锅炉本体须安装在高于锅炉房地坪100-150mm的基础上、须事先同锅炉制造公司技术人员进行确认,按照基础图纸进行施工。
基础上须留出地脚螺栓预埋孔。
基础须能承受锅炉及所保有水量的最大重量。
安装底座时,须先进行定位。
定位后调整到底座两对角线的长度相同,然后在拧紧全部固定螺栓。
底座的安装参照基准线标示进行。
4、一般注意事项注意不要将锅炉以及附属品过于倾斜和加以冲击。
锅炉周边不可放置可燃物。
不要用油和水等弄脏锅炉锅炉一般应装在单独的锅炉房内,新建的锅炉房不应与住宅相连。
锅炉房不得与甲、乙类及使用可燃液的丙类火灾危险性房间相连。
若与其它生产厂房相连接时,应用防火墙隔开。
锅炉房建筑的耐火等级和防火要求应符合《建筑设计防火规范》及《高层民用建筑设计防火规范》的要求。
锅炉房的地面应平整、不易燃、无积水、地基承重应满足要求。
锅炉房电源电压应稳定、以免引起电器元件烧坏。
如电压不稳、建议安装稳压器。
锅炉室内要设置换气设备,锅炉室温要保持在50°以下。
五、给水系统1、给水配管原水的流量应大于所配锅炉总的额定蒸发量。
原水的压力需满足1.8kgf/c㎡-5.0kgf/c㎡的范围,如不能满足以上范围须配用增压泵或减压阀。
原水温度需要控制在4-35°C范围内,如果不在此范围内会造成能力低下,组件易破损等。
从原水经软化水箱到给水泵之间的给水配管可使用GB/T3091低压液体输送用镀锌焊接钢管或日本的SGP管。
给水阀门的品牌需经建设单位确认。
在冬季水结冰的地区需设置排水旋塞,并装在配管的最下部。
2、软水器和软水箱软水器及配套附件的安装请详细阅读软水器附带的安装配管说明书。
软水器及盐水筒须单独配上排放管和溢流管,以便软水器反洗时盐水及清洗水的排放。
软水器的水容量一般须大于所配锅炉蒸发量的三倍以上。
(因软水器反洗时三小时左右不能正常供应软水)。
同时还需要根据用户锅炉台数、蒸发量及每天运行时间综合考虑后决定软水箱的大小和数量。
软水箱须进行防锈处理,配浮球阀、底阀、人孔、水位显示装置及盖板。
软水箱软水出口应高于锅炉给水泵的给水入口。
六、燃烧系统1、燃料配管遵照当地消防法规要求进行施工(锅炉房原有燃气管道已经安装完毕)。
配管可用螺纹丝口式连接,如当地消防部门提出必须采用焊接连接的方式施工时,则因遵照消防部门的指示进行施工。
主配管和锅炉之间的配管使用扰性管。
(消防法规上的要求)燃料配管须结实固定,以防振动。
并要严格检查以防燃料泄漏。
燃气锅炉要设置漏气报警器。
七、蒸汽管路系统安装1、蒸气管路同锅炉蒸气出口至分汽缸至用热用户的蒸气管道组成。
2、蒸汽管道安装时应有0.002的坡度。
3、逆止阀必须水平安装。
4、蒸汽管路布置时应充分考虑管道热膨胀和管道保温。
5、管道及阀门附件材质、规格、型号、质量应符合设计文件的规定,按国家标准进行外观检查,不合格者不能使用。
6、各类受压阀门安装前必须进行壳体耐压试验,其试验压力不得少于公称压力的1.5倍。
严密性试验其试验压力为公称压力的1.25倍,试验介质为清洁水,时间不少于5分钟,壳体及填料无渗漏为合格,并做好记录。
7、主管应按平面布置就位,按工艺流程设计图施工。
主管弯头最小弯曲半径应在1.5DW以上,本体出入口直管段应不少于500mm。
8、管路主材采用20#(GB3087)无缝钢管,并有相应的材质证明书;管线应采用焊接连接,不允许使用螺纹连接;受压元件必需用PN1.6Mpa的平面平焊钢法兰焊接,密封垫采用PN1.6Mpa金属缠绕石墨垫片。
压力表应在校验合格后,方进行就位安装。
排污管必须加以固定,并引至室外安全处或排污池。
管路布置应合理,走向美观,阀门和仪表的操作、拆卸必须方便;管路的最低点必须安装排污阀。
9、锅炉安全附件:装设温度表、液位计、压力表时,应使刻度盘面垂直;垂面上最好画出最高许可工作压力和最高使用温度红线(压力表考虑旋转灵活,不得漏油,输油应畅通);压力表管不得保温。
安装完毕进行检查,做好记录。
八、分汽缸(原有)锅炉房内应设置蒸汽分配缸,从锅炉主蒸汽出口的蒸汽先进入蒸汽分配缸,然后由蒸汽分配缸上各蒸汽管道输送到各使用场所。
九、安全阀管路1、如果出气管需伸出到室外,要考虑更换安全阀,在安全阀出气口附近必须使用活管节或法兰。
并要防止雨水等其他液体倒灌进入出气管。
2、安全阀的出气管禁止中途缩管和安装阀门。
3、管道的固定可根据实际情况采取顶棚吊装、侧壁的支持、U 形管箍等多种方式。
4、出气管的末端请朝向没有危险的地方。
十、排放管路1、和主排放配管的连接部分,为了吸收由排放时的热膨胀而导致的配管伸缩,要先和主排放配管一起沿相同方向折弯,然后在将调试好的配管和主排放配管连接。
2、配管朝地沟的方向要形成一定角度。
3、伸到地沟里的主排放管的端部由于排放时产生的反作用力有时会弹起,所以请将主排放管固定在地沟附近。
4、更换排放管的可能性较高,所以要将交换性好的放在最外侧。
5、主排放管的端部请不要伸到地沟内水面以下,另外请在施工时采取措施,以防止排放水向四周飞溅。
十一、烟囱(原有)1、烟囱的高度应按中国批准的环境报告书要求确定,但不得低于8米。
如烟囱过高须安装风量调节阀门。
2、烟囱须有固定的承重架,避免重量直接加在锅炉本体上。
3、烟囱的安装应尽量减少弯头并避免水平烟道。
4、烟囱的顶端须安装防雨帽,如烟囱垂直穿过屋顶,须安装接雨槽以防止雨水沿烟囱流入锅炉。
5、房内的烟囱部分须用保温材料包覆。
6、使用集合烟道时,尤其要注意通风、额定载重等问题。
7、排气筒的周边不要放置可燃物。
十二、药注装置1、药注装置要求布置在每台锅炉给水泵附近。
2、药注装置电源与锅炉给水泵电源并联。
3、药注装置的给药管为随机配套的塑料软管,将软管连接至锅炉给水泵的进口或出口。
十三、锅炉安装公差锅炉安装过程中,在各个尺寸上会产生公差。
各个差应控制在以下的范围之内,在制作、安装过程中要在各个阶段经常进行确认。
尺寸公差配管等接合位置……………………………………………………图纸±30MM 排气筒出口位置……………………………………………………图纸±30MM 锅炉本体按设计布置准确就位后,左右均应保持水平,左右高差≤2mm,本体前后可选定相应的基准点进行水平校正,并将炉体支架垫实固定,并做好现场记录。
十四、焊接施工工艺:1、焊接材料:l 焊条:E4303,规格:Ф3.2mm、Ф2.5 mm;焊条烘干温度105℃±10℃、时间2小时,烘干后保温使用,并做好烘干保温记录。
l 管材:20 (GB 3087)φ133×5.0mm φ45×3.5mm2、砂轮机把管子端口加工成“V”型坡口,角度70±5°,钝边1mm,如右图所示。
3、焊接方法:氩电联焊;采用交流焊机焊接;电流80~140A,电压32~38V。
4、焊件在焊接前,应将焊口表面及内壁10mm的油污、铁锈清理干净,并检查有无裂纹、夹层与缺陷;5、焊接场所,应采取防风、防雨、防雷等措施。
6、焊件对口应做到内壁平齐,错口单面焊不应超过壁厚的10%,对接管口端面应与管子中心线垂直,端面倾斜偏差不应大于管子外径的1%。