某机械厂降压变电所的电气设计-参考模板
- 格式:doc
- 大小:1.70 MB
- 文档页数:27
毕业设计成果Graduation practiceachievement说明书题目某机械厂10KV降压变电所电气设计助学单位:专业:班级:准考证号:设计人:指导教师:毕业设计<论文)任务书注:此表与该生毕业设计<论文)一起装订。
电力工程系编AbstractPower of modern industrial production of major energy and power. With the developmentof modern civilization and progress of social production and life of the power supply, quality and management of the increasingly high demand. Factory power supply system is the core part of the substation. Therefore, the design and construction of a safe and economical substation, it is extremely important. The power plant design include: the calculation of load and reactive power compensation。
substation main transformer station number and capacity, determine the types。
Substation Main Wiring choice。
into the outlet of choice。
short-circuit calculations and switching equipment choice。
某机械厂降压变电所电气设计一、设计要求:1.变电所的功率6000KVA,负荷主要为机械厂的设备;2.变电所的主要电气设备包括主变压器、低压开关柜、配电室等;3.变电所应具备稳定可靠的供电能力,满足机械厂的用电需求;4.设计应符合相关电气安全规范和标准。
二、设计方案:1.主变压器:根据题设条件,主变压器的额定功率为6000KVA。
选用三相油浸式变压器,额定电压为10kV/0.4kV。
变压器的绕组应选用C级绝缘材料,以保证变压器的可靠性和耐久性。
变压器还应配备绝缘油温控制装置、油温表、避雷器等保护设备,以确保变压器的安全运行。
2.低压开关柜:低压开关柜是变电所的重要组成部分,主要用于供电和配电控制。
选用三相交流380V低压开关柜,额定电流根据机械厂的负荷需求确定。
低压开关柜的主要配电设备包括断路器、接触器、过载保护器等。
开关柜还应配备漏电保护器、短路保护装置等安全设备,以确保供电过程中的安全性。
3.配电室:配电室是变电所的重要组成部分,主要用于对电力进行配电控制。
配电室的主要设备包括配电柜、电流互感器、电能仪表等。
配电室的电缆布线应合理,防火性能要符合相关标准要求,以确保供电过程中的安全性。
配电室还应配备消防器材,以确保供电过程中的安全性。
4.接地系统:接地系统是变电所电气设计的重要组成部分,用于确保供电过程中的安全性。
设计中应设置地网以确保设备和人员的安全。
地网的设计应根据地质条件和相关规范确定,地网的接地电阻要符合相关标准要求。
地网还应与设备的金属外壳、框架等导电部分连接,以确保设备的安全运行。
5.照明系统:变电所的照明系统是为了提供工作环境的照明,确保工作人员的安全。
设计中应选用高效节能的照明设备,并合理设置灯具位置,保证照明光线的均匀性和良好的照明效果。
照明系统还应具备防爆、防水等安全特性,以确保供电过程中的安全性。
三、安全措施:为确保供电过程中的安全,设计中应采取以下安全措施:1.设备选择应符合相关国家标准和规范;2.电气设备布局合理,各设备之间保持安全距离;3.设备的维护保养应定期进行,确保设备的正常运行;4.设置明显的安全警示标志,提醒人员注意安全;5.加强人员的电气安全培训,提高人员的安全意识。
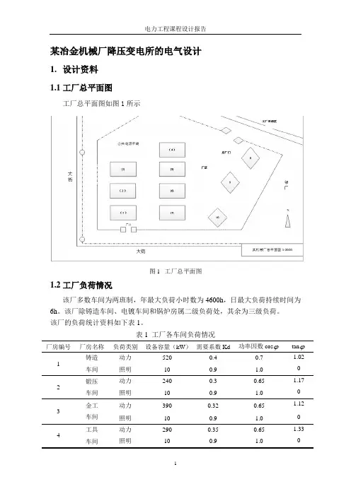
某冶金机械厂降压变电所的电气设计1.设计资料1.1工厂总平面图工厂总平面图如图1所示图1 工厂总平面图1.2工厂负荷情况该厂多数车间为两班制,年最大负荷小时数为4600h,日最大负荷持续时间为6h。
该厂除铸造车间、电镀车间和锅炉房属二级负荷处,其余为三级负荷。
该厂的负荷统计资料如下表1。
表1 工厂各车间负荷情况厂房编号厂房名称负荷类别设备容量(kW)需要系数Kd功率因数cosϕtanϕ1 铸造车间动力520 0.4 0.7 1.02照明10 0.9 1.0 02 锻压车间动力240 0.3 0.65 1.17照明10 0.9 1.0 03 金工车间动力390 0.32 0.65 1.12照明10 0.9 1.0 04 工具车间动力290 0.35 0.65 1.33照明10 0.9 1.0 0续表1厂房编号厂房名称负荷类别设备容量(kW)需要系数Kd 功率因数cosϕtanϕ5 电镀车间动力450 0.6 0.80 0.75照明10 0.9 1.0 06 热处理车间动力260 0.62 0.82 0.82照明10 0.9 1.0 07 装配车间动力170 0.4 0.75 1.02照明10 0.9 1.0 08 机修车间动力100 0.3 0.7 1.17照明 5 0.9 1.09锅炉车间动力115 0.8 0.8 1.05 照明 3 0.9 1.0 010仓库动力50 0.4 0.9 0.75照明 2 0.9 1.0 0 11生活区照明400 0.8 1.0 0.481.3供电电源情况按照工厂与当地供电部门登定的供用电协议规定,本厂可由附近一条10kV的公用电源干线取得工作电源。
该干线的走向参看工厂总平面图。
该干线的导线牌号为LGT-150(0.36 Ω/km),干线首端距离本厂约8km。
干线首端所装设的高压断路器断流容量为500MV A。
为满足工厂二级负荷的要求,可采用高压联络线由邻近的单位取得备用电源。
毕业设计(论文)说明书题目某机械厂10KV降压变电所电气设计助学单位:专业:班级:准考证号:设计人:指导教师:毕业设计(论文)任务书注:此表与该生毕业设计(论文)一路装订。
某机械厂10KV降压变电所电气设计摘要按照我国能源利用情形,供电设计的原则要求,依照设计任务书的详细要求,对该厂进行整体分析,然后着手对该机械厂高压供配电系统进行设计。
在指导老师的悉心指导下、在同组成员尽心帮忙下,同时借助参考文献,完成该次设计。
第一,对全厂的负荷进行系统计算,为肯定供电系统的电力变压器、各类开关电器的容量、电力线路的截面和变电所的所址等提供依据。
而且对其进行无功补偿,以减少变压器、电力线路、开关设备的功率损耗,从而减少电器元件的规格,降低它的功率损耗和电压损耗,减少投资。
第二,按照本厂的实际情形和经济技术比较电力变压器,肯定变电所的地址、类型和其主接线方案,其中包括变压器容量和台数的肯定,全厂配电系统的设计。
然后,按负荷情形系统地对厂区进行设计,为了校验一次设备的短路稳固度,开关电器的断流能力及电流保护装置的灵敏度,整定电流速断保护装置的动作电流,进行短路电流的计算,进而选择了电力线路和高低压电气设备。
最后,肯定全厂配电系统的防雷接地系统设计。
关键词:电力变压器、无功补偿、负荷计算、电缆敷设、接地与防雷。
AbstractAccording to China's energy utilization, power supply in accordance with the principle of design, the design plan descriptions of the factory, the detailed requirements for overall analysis of the factory, and then set high power supply system design. In the guidance, take in your group members, and help with many references to finish the design.First of all, the load calculation system, to determine the power supply system of switch power transformer, electric capacity, power lines and the substation of address, etc. And on the reactive power compensation, to reduce the transformer, electric circuit, the power switch equipment, thereby reducing the loss of electrical components, reduce its specification and voltage loss of power consumption, reducing investment.Secondly, according to the actual situation of our economy and technology power transformer substation, and determine the address, types and its main connection scheme, including transformer capacity and the number of plant distribution system, the design.Then, according to the situation of factory with systematic design, in order to check the equipment, switch short-circuit stability of electric current flow capacity and the sensitivity of protection device, the velocity of electric current protection device, the calculation of short-circuit current, and then choose the power line and high-low voltage electrical equipment.Finally, make sure all distribution system of lightning proof grounding system design.Keywords:Power transformer, reactive power compensation, load calculation, and lightning protection and grounding cables.目录摘要 (I)ABSTRACT (II)第1章绪言 (1)原始资料 (2)设计内容及要求 (4)设计任务 (4)第2章负荷计算及无功功率补偿计算 (5)负荷计算 (5)无功功率补偿计算 (10)第3章变电所主接线及变压器的选择 (12)变电所位置和形式选择 (12)主接线选择 (12)变电所主变压器台数和容量 (14)第4章短路电流的计算 (15)第5章变电所一次设备的选择和与校验 (17)变电所高压一次设备的选择 (17)变电所高压一次设备的校验 (17)第6章变电所高低压电路设计 (21)高压线路导线的选择 (21)低压线路导线的选择 (22)第7章变电所二次回路设计及继电保护的整定 (25)二次回路方案选择 (25)继电保护的大体要求 (25)继电保护的整定 (26)第8章防雷和接地装置的肯定 (30)总结 (31)参考文献 (32)附录 (33)谢辞 (36)第1章绪言电能是现代人们生产和生活的重要能源。
110KV/0.4KV降压变电所设计1基础资料1.1负荷情况本变电所为某机加企业10/0.4kV变电所电气一次部分,有4回路0.4KV出线,每回路负荷按 KW考虑,cos¢=0.8,T max=4500h,一、二级负荷各占50%。
1.2系统情况本变电所有两回路10KV进线,长度为2km,系统阻抗0.5(Sb=100MVA Ub=37kv)。
本变电所与系统的连接情况如图附1-1所示。
最大运行方式下,两台变压器均投入运行;最小运行方式下,只投入一台发电机。
1.3自然条件本变电所所在地最高温度41.7℃,最热月平均最高温度32.5,最低温度-18.6,最热月地面下0.8米处土壤平均温度25.3;。
1.4设计任务本设计只作电气初步设计,不做施工设计。
设计内容包括:(1)主变压器选择;(2)确定电气主接线方案;(3)短路电流计算;(4)主要电气设备及导线选择和校验;2,电气部分设计说明2.1主变压器的选择本变电所由两回路供电,两个电压等级,只有少量一、二级负荷,所以装设两台两相变压器即可。
0.4KV侧总负荷为P30 = ,即总负荷S30 = ;每台主变压器容量应该满足全部负荷70%的需要,并能满足全部一、二级负荷的需要,即S NT≥0.7 S30 =且故主变压器容量选为 MVA,查表,选用变压器。
2.2 电气主接线本变电所10KV有两回路进线,可采用单母线分段接线,当一段母线发生故障时,分段断路器自动切除故障段,保证正常母线不间断供电。
0.4KV出线供电如果出现故障,轻则工件损坏,重则加工机床报废,所以均采用单母线分段接线方式,主变压器10KV侧中性点经过隔离开关接地,并装设避雷器进行防雷保护。
本所设两台所用变压器,分别接在0.4KV分段母线上。
电气主接线如附图1-2所示。
2.3短路电流计算2.3.1 绘制短路等效电路图根据系统接线图,绘制短路等效电路图如图附1-3所示。
取基准容量Sb=100MVA ,基准电压Ub=37kv。
某机械厂降压变电所电气设计1. 引言本文档是关于某机械厂降压变电所电气设计的详细说明。
降压变电所是机械厂电力系统的重要组成部分,负责将高压电流转换为适用于机械设备使用的低压电流。
本文档将介绍降压变电所的电气设计要求、设计流程、主要设备及其选型等内容。
2. 设计要求2.1 电源接入方式降压变电所的电源接入方式一般分为两种:直接接入变电站和通过配电变压器接入变电站。
根据某机械厂的实际情况,选择适合的电源接入方式,确保供电的可靠性和稳定性。
2.2 降压变电设备容量根据某机械厂的用电负荷需求,确定降压变电所的设备容量。
考虑到未来的扩展需求,建议留有一定的余量,以便后续增加负荷时不需更换或增加设备。
2.3 电气设备安装布局根据厂区的实际布局和安全要求,确定降压变电所的电气设备的安装布局。
保证设备之间的合理距离,便于运行和维护。
3. 设计流程3.1 方案设计根据电源接入方式和设备容量要求,设计降压变电所的初步方案。
考虑到降压变电所的安全性和可靠性,建议采用双路供电方案,以确保在一路电源故障时仍能正常供电。
3.2 设备选型根据初步方案确定的设备容量,选择合适的降压变电设备。
要考虑设备的质量和性能,确保其稳定运行和长寿命。
3.3 系统设计根据设备选型结果,进行降压变电所的系统设计。
设计系统的电缆和配电线路,确保其满足负荷需求,并且具备合适的安全保护机制。
3.4 施工图纸根据系统设计结果,绘制降压变电所的施工图纸。
图纸应包括设备布局、电缆线路、接地系统等详细信息,以便施工人员进行准确的安装和调试。
4. 主要设备及其选型4.1 变压器降压变电所的核心设备为变压器,用于将高压电流降压为适用于机械设备使用的低压电流。
变压器的选型应考虑负载容量、绝缘等级、效率等因素。
4.2 开关柜开关柜用于控制和保护降压变电所的电路。
根据需求选择合适的开关柜,应考虑其负载容量、保护功能、操作方式等因素。
4.3 电缆和配电线路电缆和配电线路是降压变电所的输电通道,负责将电能传输到各个用电设备。
电气工程及其自动化专业毕业论文某机械厂降压变电所电气设计一、绪论随着工业技术的不断进步与发展,电气工程及其自动化专业在各个领域的应用越来越广泛。
特别是在机械制造业中,电气系统的设计与优化对于提高生产效率、保障设备安全运行具有重要意义。
降压变电所作为机械厂电气系统的重要组成部分,其电气设计的质量直接关系到整个机械厂的运行效率和安全性。
本研究旨在深入探讨某机械厂降压变电所的电气设计,为相关领域提供有益的参考与借鉴。
本研究背景基于当前机械厂电气设备升级与改造的需求,通过对某机械厂降压变电所电气设计的探讨,为机械厂提供科学、合理、高效的电气设计方案。
研究的意义在于,不仅能够提高机械厂电气系统的运行效率,而且有助于保障设备的安全运行,减少因电气故障导致的生产事故。
本研究还可为类似机械厂的电气设计提供借鉴,推动电气工程及其自动化专业的发展。
在文献综述方面,本研究通过对前人关于降压变电所电气设计的研究进行梳理与分析,发现目前研究主要集中在电气主接线设计、电气设备选择、防雷保护措施等方面。
针对特定机械厂降压变电所的电气设计研究相对较少。
本研究旨在填补这一空白,为某机械厂降压变电所的电气设计提供具体的解决方案。
本研究将详细介绍某机械厂降压变电所的电气设计过程,包括设计原则、设计方案、关键技术等。
通过实证分析,验证设计的可行性与有效性。
研究方法主要包括文献调研、现场勘查、设计实践等。
研究的预期成果将为某机械厂降压变电所的电气设计提供科学依据,为类似项目的电气设计提供借鉴。
本研究旨在深入探讨某机械厂降压变电所的电气设计,为提高机械厂运行效率和保障设备安全运行提供科学依据。
研究的开展具有重要的理论意义与实际应用价值。
1. 背景介绍:简要阐述电气工程的重要性和在某机械厂的应用场景。
电气工程作为现代工业发展的重要支柱,在现代社会科技进步和工业升级的大背景下具有举足轻重的地位。
其重要性不仅体现在为社会经济发展提供持续稳定的电力供应上,更表现在优化能源结构、提升能源利用效率、推动技术创新等多个方面。
工厂供电课程设计报告题目:某机械厂降压变电所的电气设计姓名:学号:班级:导师:时间:某机械厂降压变电所的电气设计前言在工厂里,电能虽然是工业生产的主要能和动力,但是它在产品成本中所占的比重很小(除电化工业外)。
电能在工业生产中的重要性,并不在于它在产品成本中或投资总额所占的比重多少,而在于工业生产实现电气以后可以大大增加产量,提高产品质量,提劳动生产率,降低生产成本,减轻工人的劳动强度,改善工人的劳动条件,有利于实现生过程自动化。
从另一方面来说,如果工厂的能供应突然中断,则对工业生产可能造成严的后果。
因此,做好工厂供电工作对于发展工业生,实现工业现代化,具有十分重要的意义。
能源节约是工厂供电工作的一个重要方面,能源节约对于国家经济建设具有十分重要战略意义,因此做好工厂供电工作,对于节约能源、支援国家经济建设,也具有重大的作用。
课程设计是检验我们这学期学习情况的一项综合测试,它要求我们把所学的知识全部适用,融会贯通的一项训练,是对我们能力的一项综合评定,它要求我们充分发掘自身的潜力,开拓思路设计出合理适用的供配电系统。
众所周知,电能是现代工业生产的主要能源。
电能即易于由其他形式的能量转换而来,又易于转换为其他形式的能量以供应用。
电能的输送和分配既简单经济,又便于控制、调节、测量。
有利于实现生产过程自动化。
而工厂供电就是指工厂所需要电能的供应和分配。
工厂供电设计要达到为工业生产服务,保障工厂生产和生活用电的需要,并做好节能工作,就必须做到:安全、可靠、优质、经济。
同时课程设计也是教学过程中的一个重要环节,通过设计可以巩固各课程理论知识,了解工厂供电设计的基本方法,了解工厂供电电能分配等各种实际问题,培养独立分析和解决实际工程技术问题的能力,同时对电力工业的有关政策、方针、技术规程有一定的了解,在计算绘图、编号、设计说明书等方面得到训练,为以后工作奠定基础。
目录第一章设计任务书 (1)1.1 设计题目 (1)1.2 设计要求 (1)1.3 设计依据 (1)1.3.1 工厂总平面图 (1)1.3.2 工厂负荷情况 (1)1.3.3 供电电源情况 (2)1.3.4 气象资料 (3)1.3.5 地质水文资料 (3)1.3.6 电费制度 (3)第二章负荷计算和无功功率补偿 (4)2.1负荷计算 (4)2.1.1单组用电设备计算负荷的计算公式 (4)2.1.2多组用电设备计算负荷的计算公式 (4)2.2无功功率补偿 (6)2.2.1有关功率的名词解释 (6)2.2.2提高功率因数的意义 (7)2.2.3提高功率因数方法 (7)2.2.4电容器的选择、补偿方式和联接方式 (8)2.2.4无功补偿的计算 (11)第三章变电所位置和型式选择 (13)3.1变配电所所址选择的一般原则 (13)3.2型式与布置 (14)3.3负荷中心的确定方法 (14)3.2.1负荷指示图 (14)3.2.2负荷电能矩 (14)3.2.3负荷功率矩 (14)第四章变电所主变压器台数和容量、类型的选择 (17)4.1台数 (17)4.2容量 (17)4.3台数、容量、类型的选择 (17)第五章变电所主接线方案的设计 (18)5.1装设一台主变压器的主接线方案: (18)5.2装设两台主变压器的主接线方案 (19)5.3主接线方案的技术经济比较 (20)第六章短路电流的计算 (21)6.1绘制计算电路 (21)6.2确定短路计算基准值 (21)6.3计算短路电路中个元件的电抗标幺值 (21)6.4 k-1点(10.5kV侧)的相关计算 (22)6.5 k-2点(0.4kV侧)的相关计算 (22)第七章变电所一次设备的选择和校验 (23)7.1 10kV侧一次设备的选择校验 (24)7.1.1按工作电压选择 (24)7.1.2 隔离开关、负荷开关和断路器的短路稳定度校验 (25)7.2 380V侧一次设备的选择校验 (26)7.3 高低压母线的选择 (27)第八章变电所进出线的选择和校验 (28)8.1 10kV高压进线和引入电缆的选择 (28)8.1.1 10kV高压进线的选择校验 (28)8.1.2 高压配电室至主变的一段引入电缆的选择校验 (28)8.2 380低压出线的选择 (29)8.2.1铸造车间 (29)8.2.2锻压车间 (30)8.2.3金工车间 (30)8.2.4 热处理车间 (31)8.2.5 电镀车间 (32)8.2.6 仓库 (32)8.2.7装配车间 (33)8.2.8机修车间 (33)8.2.9锅炉房 (34)8.2.10工具车间 (35)8.2.11 生活区 (35)8.3 作为备用电源的高压联络线的选择校验 (36)8.3.1按发热条件选择 (36)8.3.2校验电压损耗 (36)8.3.3短路热稳定校验 (37)第九章变电所二次回路方案的选择及继电保护的整定 (38)9.1变电所二次回路方案的选择 (38)9.2 变电所的保护装置 (38)9.2.1主变压器的继电保护装置 (38)9.2.2装设电流速断保护 (39)9.3作为备用电源的高压联络线的继电保护装置 (40)9.4变电所低压侧的保护装置 (40)第十章防雷保护与接地装置的设计 (41)10.1变电所的防雷保护 (41)10.1.1 直接防雷保护 (41)10.1.2 雷电侵入波的防护 (41)10.2变电所公共接地装置的设计 (41)10.2.1接地电阻的要求 (41)10.2.2接地装置的设计 (42)参考文献 (43)附录 (44)第一章设计任务书1.1 设计题目某机械厂降压变电所的电气设计1.2 设计要求要求根据本厂所能取得的电源及本厂用电负荷的实际情况,并适当考虑到工厂生产的发展,按照安全可靠、技术先进、经济合理的要求,确定变电所的位置与型式,确定变电所主变压器的台数与容量、类型,选择变电所主接线方案及高低压设备和进出线,确定二次回路方案,选择整定继电保护装置,确定防雷和接地装置,最后按要求写出设计说明书,绘出设计图纸。
某机械厂降压变电所的电气设计课程设计某机械厂的降压变电所电气设计课程设计,真是个挺有意思的课题。
说实话,一开始我也没太弄明白降压变电所是个啥东西。
听名字就觉得有点专业又神秘,像是什么高深莫测的魔法阵一样。
可越往里一钻,哎呀,倒是没想象中的那么复杂,反倒是有点像我们家里那些电器插头、插座,背后其实都是有着严密的设计和安排的。
就是要给那些大功率的设备降压,让电流变得温柔一些,别一开始就直接把机器给电得吓一跳,得循序渐进嘛。
你看看,现在这个机械厂里面,大大小小的机器,整天不停地运转,消耗着海量的电能。
可这些机器可不是随便哪个电压就能适应的。
特别是咱们这种高负荷、大功率的设备,一旦电压过高,那机器就得“受不了了”,干脆就“罢工”了。
所以,降压变电所就成了厂里的“心脏”,它的任务就是在从电力系统引进的高电压中“找点水分”,把电压降低到合适的范围,让这些机器能安安稳稳地干活,既不“烧坏”又不“撑坏”,你说它重要不重要?这可是整厂运转的基础!总不能电压一高,机器就打个喷嚏,停工了,那可真是太让人头疼了。
再来说说这电气设计,听起来是不是就有点专业了?其实呢,背后大多是一些非常简单的道理。
就拿电气设备来说,得保证它们能在合适的电压范围内工作,这样机器才能发挥出最佳效果。
为了保证电力系统的安全,设计时得考虑到每一根电线、每一个开关、每一个保护装置都要做到位。
这就像咱们装修房子一样,电路走线得合理,不然一不小心就可能发生什么短路、火灾什么的,谁也不想在自己的“家”里看见火苗跳舞。
对于变电所来说,这点儿安全可得放在心头上,不能掉以轻心。
设计的时候,不仅要有电压的控制,还得考虑到过载保护、短路保护、甚至电气设备的故障诊断。
要是这些方面设计不到位,出了问题,电压不稳,设备损坏,厂里的生产就得停摆,损失可就大了去了。
有的人说,设计电气系统就是让电流顺利“上路”,让它们按部就班地流动。
这个说法还挺形象。
电气设计师就像是给电流指路的“交通警察”,在繁忙的“电流高速公路”上指引它们走哪条路,什么时候该停,什么时候可以加速,谁也不希望电流开个“违章”搞得乱七八糟。
「某机械厂降压变电所的电气设计」机械厂的降压变电所是该厂电力系统的重要组成部分,其电气设计需要满足工艺流程需求和相关电力设备的要求。
本文将对该降压变电所的电气设计进行详细介绍。
首先,根据工艺流程及设备要求,确定了变电所的容量和电压等级。
经过综合考虑,确定了该工地的降压变电所的容量为1000KVA,中压侧额定电压为10KV,低压侧额定电压为0.4KV。
根据变电所的负荷需求及工艺流程,设计了变电所的主要电气系统和设备,包括高压侧进线柜、10KV主变压器、低压配电柜等。
其中,高压侧进线柜采用了固定式进线柜,能够对10KV进线的电能进行安全的接入和切断。
主变压器选择了适当容量的变压器,可以进行中压侧到低压侧的电能变压。
低压配电柜则用于对变压器输出的低压电能进行分配和控制。
根据电气安装规范和设备使用要求,进行了降压变电所的布置设计。
根据设备的尺寸和安全距离要求,合理安排了高低压设备的布置位置,并保证了设备之间的安全间距。
此外,在设备的周围还设置了足够的通道和未来的扩容空间。
为了保证降压变电所的安全可靠运行,进行了相应的电气保护和接地设计。
电气保护方面,采用了过电流保护、短路保护、过载保护等安全措施,能够对系统的异常情况进行及时切断和保护。
接地设计方面,根据电气设备的接地要求,设计了合适规模的接地装置,确保电气设备和工人的安全。
此外,还进行了低压配电系统的设计。
根据工艺流程和设备需求,设计了适当容量的低压配电柜,并设置了合适的断路器、接触器和保护装置,以实现对电能的分配和控制。
同时,根据设备的耗电量、负载需求等因素,合理划分了不同区域的配电线路和断路器。
最后,对降压变电所的接线和布线进行了详细设计。
根据设备的电气连接要求,进行了线缆的选择和敷设方案的设计。
在敷设时,考虑了线缆长度、散热、敷设通道等因素,避免了电缆拥挤、短路等问题。
总之,机械厂降压变电所的电气设计充分考虑了工艺流程需求和设备要求,通过合理选择设备、布置设计、保护装置和接线布线等措施,确保了系统的安全可靠运行。
某机械厂降压变电所电气设计说明书目录摘要 (1)第1章绪论 (2)1.1 (2)1.2 工厂总平面图 (2)1.3 工厂内部和周边情况 (2)第2章负荷计算和无功功率补偿 (4)2.1 负荷计算 (4)2.1.1 单组用电设备计算负荷的计算公式 (4)2.1.2 多组用电设备计算负荷的计算公式 (4)2.2 无功功率补偿 (5)第3章变电所位置和接线方案的选择 (8)3.1 变配电所的位置选择 (8)3.2 变电所主接线方案 (9)3.3变压器型号的选择 (10)3.4变电所进出线与临近单位联络线的选择 (13)第4章短路电流的计算 (14)4.1 短路电流 (14)4.2 绘制计算电路 (15)4.3 确定短路计算基准值 (15)4.4 计算短路电路中各个元件的电抗标幺值 (16)第5章降压变电所防雷与接地装置的设计 (17)5.1 变电所的防雷保护 (17)5.1.1 直接防雷保护 (17)5.1.2 雷电侵入波的防护 (17)5.2 变电所公共接地装置的设计 (17)5.2.1 接地电阻的要求 (17)5.2.2 接地装置的设计 (18)结论 (19)参考文献 (21)致谢 (20)摘要为保障工业生产安全进行,保证电能合理分配、输送,灵活改变运行方式。
特进行本次设计。
本设计主要阐述了对机械厂总降压变电所的电气设计方案。
在设计中进行了对工厂负荷的统计计算;变电所位置与型式的选择;变电所主变压器及主接线方案的选择;短路电流的计算;变电所进出线与邻近单位联络线的选择;降压变电所防雷与接地装置的设计等。
本机械厂降压变电所电气设计为毕业设计,其目的是通过设计实践,综合运用所学知识,理论联系实际,锻炼独立分析和解决建筑电气设计问题的能力,为未来的工作奠定坚实的基础。
关键词:工厂供电,变电所,无功功率补偿,变压器,短路电流计算,一次设备,避雷器。
第一章 前言 1.1 设计背景本次设计要求根据本厂所能取得的电源及本厂用电负荷情况,并适当考虑工厂生产的发展,按照安全可靠、技术先进、经济合理的要求,确定变电所的位置和型式,确定变电所主变压器的台数、容量与类型,选择变电所主接线方案、一次设备的选择、高低压设备和进出线,确定防雷和接地装置。
某机械厂降压变电所的电气设计1. 引言本文档旨在对某机械厂降压变电所的电气设计进行详细介绍和说明。
该变电所是为了满足机械厂正常运营所需的电能供应而建设的。
电气设计是变电所建设的关键环节,包括供电系统、变压器选型、保护设备等方面的设计。
2. 变电所概述2.1 变电所位置和规模该变电所位于某机械厂占地面积内,距离主生产区较近,方便供电。
变电所设计容量为XXX kW,以满足全厂的电能需求。
2.2 变电所布置图变电所布置图如下所示:变电所布置图变电所布置图3. 供电系统设计供电系统设计是变电所电气设计的核心之一,包括主要设备的选型和系统的配置。
3.1 主变压器选型根据机械厂的电能需求以及电网情况,我们选择了一台XXX kVA的主变压器作为供电系统的核心设备。
主变压器的选型需要考虑负载容量、变比、温升等因素,以确保电能的稳定供应。
3.2 主开关柜设计主开关柜作为供电系统的控制中心,选用合适的开关设备和保护装置非常重要。
我们选择了XXX型号的主开关柜,配备了过电流保护装置、欠压保护装置等功能,以保证供电系统的可靠性和安全性。
3.3 配电柜设计变电所配电柜的设计需要考虑供电负荷的分配和系统的可靠性。
根据实际需求,我们设计了多台配电柜,分别连接到不同的设备和区域。
配电柜配备了相应的断路器、接触器、电能表等设备,以实现对不同电路的控制和计量。
4. 保护系统设计为了确保供电系统的安全运行,我们设计了完善的保护系统,包括过电流保护、短路保护、接地保护等。
4.1 过电流保护过电流保护是变电所保护系统的重要组成部分。
我们选用了电流互感器配合继电器,实现对供电系统中过电流的及时检测和保护。
4.2 短路保护短路保护是变电所保护系统的另一个关键方面。
我们选择了短路保护器件,实现对供电系统中短路故障的迅速切断和保护,以避免设备损坏和人员安全事故的发生。
4.3 接地保护为确保供电系统的安全接地,我们设计了接地系统。
接地系统包括接地装置和接地线,通过对设备和设施的接地,降低了电气设备的绝缘电阻,减少了触电危险。
一、设计任务书(一)设计题目某机械厂降压变电所电气一次设计(二)设计要求要求根据本厂所能取得的电源及本厂用电负荷的实际情况,并考虑到工厂生产的发展,按照安全可靠、技术先进、经济合理的要求,确定变电所的位置与型式,确定变电所主变压器的台数与容量、类型,选择变电所主结线及高低压设备和进出线,最后按要求写出设计说明书,绘出设计图样。
(三)设计依据1.工厂总平面图2.工厂负荷情况:本厂多数车间为两班制,年最大负荷利用小时为5000h,日最大负荷持续时间为8h。
该厂筹造车间、电镀车间和锅炉房属二级负荷外,其余均属三级负荷。
低压动力设备均为三相,额定电压为380V。
电气照明及家用电器均为单相,额定电压为220V。
3.供电电源情况:按照工厂与当地供电部门签订的供用电协议规定,本厂可由附近一条10的公用电源干线取得工作电源。
该干线的走向参看工厂总平面图(附图1-4)。
该干线的导线品牌号为185,导线为等边三角形排列,线距为 2.0m。
干线首端(即电力系统的馈电变电站)距离本厂约10.干线首端所装设的高压断路器断流容量为500,此断路器配备有定时限过电流保护和电流速断保护,定时限过电流保护整定的动作时间为1.2s。
为满足工厂二级负荷的要求,可采用高压联络线由邻近的单位取得备用电源。
已知与本厂高压侧有电气联系的架空线路总长度为100,电缆线路长度为25。
表1 工厂负荷统计资料厂房编号厂房名称负荷类别设备容量需用系数功率因数1 铸造车间动力400 0.4 0.70照明10 0.8 1.002 锻造车间动力300 0.2 0.65照明10 0.8 1.003 金工车间动力350 0.2 0.65照明10 0.7 1.004 工具车间动力380 0.2 0.60照明10 0.8 1.005 电镀车间动力260 0.5 0.80照明7 0.7 1.006 热处理室动力200 0.5 0.75照明8 0.7 1.007 装配车间动力150 0.4 0.70照明 5 0.8 1.008 机修车间动力150 0.3 0.60照明 4 0.7 1.009 锅炉房动力80 0.7 0.8照明 1 0.9 1.0010 仓库动力25 0.4 0.80 照明 1 0.9 1.0011 生活区动力300 0.8 1.004.气象条件:本厂所在地区的年最高气温为38℃,年平均气温为23℃,年最低气温为-8℃,年最热月平均最高气温为33℃,年最热月平均气温为26℃,年最热月地下0.8m处的平均温度为25℃。
山东理工大学供配电实用技术课程设计任务书设计题目:某机械厂降压变电所的电气设计电气与电子工程学院2011.11.1一、设计题目某机械厂降压变电所的电气设计二、设计要求要求根据本厂所取得的电源及本厂用电负荷的实际情况,并适当考虑到工厂生产的发展,按照安全可靠、技术先进、经济合理的要求,确定变电所的位置与型式,确定变电所主变压器的台数与容量,选择变电所主接线方案及高低压设备与进出线,确定二次回路方案,选择整定继电保护装置,确定防雷和接地装置。
最后按要求写出设计说明书,绘制设计图纸。
三、设计依据1)工厂负荷情况:本厂多数车间为两班制,年最大负荷利用时数为4000h,日最大负荷持续时间为4h。
该厂除铸造车间、电镀车间和锅炉房属于二级负荷外,其余为三级负荷。
低压动力设备均为三相,额定电压为380V。
照明及家用电器均为单相,额定电压为220V。
本厂的负荷统计资料如图所示。
2)供电电源情况:按照工厂与当地供电部门签订的供用协议规定,本厂可由附近一条10kV的公用电源干线取得工作电源。
该干线的走向参考工厂总平面图。
该干线的导线型号为LGJ-95,导线为等边三角形排列,线距为1m,干线首端距本厂8km,该干线首端所装高压断路器的断流容量为500MV A,此断路器配备有定时限过电流保护和电流速断保护,其定时限过电流保护整定的动作时间为 1.5s。
为满足工厂二级负荷的要求,可采用高压或低压联络线由邻近的单位取得备用电源。
已知与本厂高压侧有电气联系的架空线路总长度达150km,电缆线路总长度25km。
3)气象资料:本厂所在地区的年最高气温为38℃,年平均气温为23℃,年最低气温为15℃,年最热月平均最高气温为32℃,年最热月平均气温为28℃,年最热月地下0.8m处平均气温为21℃。
年主导风向为东北风,年雷暴日数为12。
4)地质水文资料:本厂所在地区平均海拔120m,地层为沙粘土为主,地下水位为3m。
5)电费制度:本厂与当地供电部门达成协议,在工厂变电所高压侧计量电能,设专用计量柜,按照两部电费制度缴纳电费。
每月基本电费按主变压器容量为4元/kVA,动力电费为0.6元/kWh,照明电费为0.55元/kWh。
本厂最大负荷时的功率因数不得低于0.9。
6)工厂总平面图见下图:工厂负荷统计资料表:11 宿舍200 0.6~0.8 1.0总平面图四、设计任务要求在规定的时间内完成下列工作量:1、设计说明书包含:1)目录2)前言3)负荷计算和无功功率补偿4)变电所位置和型式的选择5)变电所主变压器台数和容量及主接线方案的确定6)短路电流计算7)变电所一次设备的选择与校验8)变电所所址选择及平面布置图(不画剖面图)9)专题:变压器继电保护整定计算(或防雷选择与计算)10)参考文献2、设计图纸变电所主接线图一张A3,五、设计时间2011年11月1日至2011年12月9日六、考核方法成绩按五级考核,分为优、良、中、及格和不及格。
成绩包括:设计说明书---------------------------------------------------50分图纸------------------------------------------------------------20分答辩------------------------------------------------------------30分其他没有说明的事情可根据具体情况处理。
指导教师:邓洪伟2011年11月1日前言为使工厂供电工作很好地为工业生产服务,切实保证工厂生产和生活用电的需要,并做好节能工作,本设计在大量收集资料,并对原始资料进行分析后,做出35kV变电所及变电系统电气部分的选择和设计,使其达到以下基本要求:1、安全在电能的供应、分配和使用中,不发生人身事故和设备事故。
2、可靠满足电能用户对供电可靠性的要求。
3、优质满足电能用户对电压和频率等质量的要求4、经济供电系统的投资少,运行费用低,并尽可能地节约电能和减少有色金属的消耗量。
此外,在供电工作中,又合理地处理局部和全局、当前和长远等关系,既照顾局部的当前的利益,又要有全局观点,顾全大局,适应发展。
按照国家标准GB50052-95 《供配电系统设计规范》、GB50059-92 《35~110kV变电所设计规范》、GB50054-95 《低压配电设计规范》等的规定,工厂供电设计遵循以下原则:1、遵守规程、执行政策;遵守国家的有关规定及标准,执行国家的有关方针政策,包括节约能源,节约有色金属等技术经济政策。
2、安全可靠、先进合理;做到保障人身和设备的安全,供电可靠,电能质量合格,技术先进和经济合理,采用效率高、能耗低和性能先进电气产品。
3、近期为主、考虑发展;根据工作特点、规模和发展规划,正确处理近期建设与远期发展的关系,做到远近结合,适当考虑扩建的可能性。
4、全局出发、统筹兼顾。
按负荷性质、用电容量、工程特点和地区供电条件等,合理确定设计方案。
工厂供电设计是整个工厂设计中的重要组成部分。
工厂供电设计的质量直接影响到工厂的生产及发展。
目录一、负荷计算和无功功率补偿 (7)1.负荷计算 (7)2.无功功率补偿 (8)二、变电所主变压器和主结线方案的选择 (8)1.变电所主变压器选择 (8)2.变压器主结线方案的选择 (8)3.两种主结线方案的技术经济比较 (9)三、变电所短路电流的计算 (10)1.绘制计算电路 (10)2.确定基准值 (10)3.短路电路中各元件的电抗标么值 (10)4.10.5KV侧k-1点的短路电路总电抗及三相短路电流和短路容量 (11)5.0.4KV侧k-2点的短路电路总电抗及三相短路电流和短路容量 (11)四、变电所一次设备的选择校验 (12)1.10KV侧一次设备的选择校验 (12)2.380V侧一次设备的选择校验 (12)五、变电所二次回路的选择及继电保护的整定 (13)1.二次回路选择 (13)2.继电保护的整定 (13)附录:参考文献 (15)附录:变电所主接线图图纸 (16)一、 负荷计算和无功功率补偿 1. 负荷计算负荷计算在负荷计算时,采用需要系数法对各个车间进行计算,并将照明和动力部分分开计算,照明部分最后和宿舍区照明一起计算。
单组用电设备计算负荷的计算式:有功计算负荷d e K P P *= 无功计算负荷Φ*=tan P Q 视在计算负荷Φ=cos PS 计算电流N U S I 3=22Qj Pj Sj +=运用公式对各车间进行负荷计算如下表。
表1工厂负荷计算表说明:考虑到发展性原则以及安全性原则,本表中所有需要系数均取最大值,所有功率因数均取最小值。
变压器损耗估算ΔPb=1%S30=0.01×1111=11.11kwΔQb=5%I30=0.05×1688=84.4kvar2无功功率补偿由表1可知,该厂380V侧最大负荷是的功率因数只有0.728.而供电部门要求该厂10KV进线侧最大负荷是功率因数不应该低于0.90。
考虑到变压器的无功功率损耗ΔQb,远远大于有功功率损耗ΔPb,因此,在变压器的10kV侧进行无功功率补偿时,其补偿后的功率因素应稍大于0.9,现设cosφ=0.97,则10kV 侧在补偿前的功率因素为: 3030/S P 1cos =Φ =809/1111=0.728因此,所需要的补偿容量为:)21(30Φ-Φ=tg tg P Qc)97.0arccos 728.0arccos (809tg tg -⨯=var 559k =选取var 410k Qc =选并联电容器为BCMJ0.4—14—3型,总共容量14kvar ⨯40=560kvar 。
10kV 侧在补偿后的负荷及功率因素计算:kW Pb P Pjg 11.82011.1180930=+=∆+=var 4.2865604.8476230k Qc Qb Q Qjg =-+=-∆+=Kva Qjg Pjg Sjg 7.8684.28611.8202222=+=+=Pjg/Sjg 2cos =Φ=820.11/868.7 =0.94因此无功功率补偿后工厂380V 侧和10V 侧的负荷计算如表2。
表2 无功功率补偿后工厂的计算负荷项目 cos φ 计算负荷P30/kw Q30/kvar S30/kva I30/A380V侧补偿前负荷0.72880976211111688380V侧无功补偿容量-560380V侧补偿后负荷0.978092028341267主变压器功率损耗11.11 84.410KV侧负荷总计0.94820.11286.4868.750.2二、变电所位置和型式的选择本处虽然老师给出了负荷中心的位置,但是由于负荷中心与工厂的所有车间都隔着一条大街,而且,变电所属于易燃易爆场所,应该远离宿舍区域。
最后,变电所在厂区外不便于管理,故我选择靠近负荷中心的位置车间1与车间4 车间5之间的位置,大致符合变电所选址标准:(1)尽量靠近负荷中心。
(2)进出线方便(靠近工厂外围)。
(3)接近电源侧。
(4)设备运输方便(靠近工厂大门)。
(5)工厂厂区常年东北风。
变电所选取在东北方位,处于上风头,不会有太多的杂质积聚。
(6)不靠近厕所浴室。
变电所位置如下图图一图一三、 变电所主变压器和主结线方案的选择 1. 变电所主变压器选择根据工厂的负荷性质和电源情况,工厂变电所的主变压器可有下列两种方案: (1)装设一台主变压器型式采用S9系列的,选SN.T=100KV A>S30=868.7KV A ,即选一台S9—100/10(6)型低损耗配电变压器。
至于工厂二级负荷的备用电源,由与邻近单位相联的低压联络线来承担。
(2)装设两台主变压器型号采用S9系列的变压器,而每台容量为:kar kar S T N 4.336)4.44160132(S 608:520kva 7.868)7.0:6.0(S )(30.N.T =++=≥=⨯≈∏+I )( 因此 选每台台变压器的容量为630kar因此选两台S9—630/10型低损耗配电变压器。
工厂二级负荷的备用电源由与邻近单位相联的低压联络线承担。
主变压器的联结组别均采用,0Y yn 。
2. 变压器主结线方案的选择按上面考虑的两种主变压器的方案可设计下列两种主结线方案: (1) 装设一台主变压器的主结线方案 如图1 (2) 装设两台主变压器的主结线方案 如图2装设一台主变的主结线方案装设两台主变的主结线方案变压所主接线图如下图:QF5高低压侧均为单母线分段的变电所主接线图变配电所总体布置如下:室内型,两台变压器(3)两种主结线方案的技术经济比较表3 两种主结线方案的技术经济比较从上表可以看出,装设两台主变的主结线方案略优于装设一台主变的主结线方案,装设一台主变的方案不能满足发展的需要,因此决定采用装设两台主变的方案。