蒂森LMS1称重调试资料
- 格式:pdf
- 大小:463.98 KB
- 文档页数:7
目录页码1 注意 42 总述 4 2.1 软件版本 4 2.2 同步/异步电机及现代化操作之版本 4 2.3 运行模式4 2.4 参数 4 2.5 连接参数输入面板 52.6 上电 53 运行 5 3.1 参数的选择和变更 5参数列表 6显示屏参数 6功能参数 6 3.2 在EEPROM中保存变更7 3.3 恢复所有参数到工厂设置73.4 恢复个别参数到工厂设置74 错误堆栈8 4.1 显示错误堆栈8 4.2 删除堆栈显示8 4.3 结束堆栈显示84.4 错误描述85 参数描述10 5.1 可变参数10P0:启动延迟参考值t STS10P1:抱闸作用时间t BE10P3…P6:速度控制10P3:转动方向10P4:控制方向(仅对异步电机)10P5:速度控制器P增量10P6:速度控制器I增量11P7:语言选择11P10…P11:模拟输出MP42…MP43 TMC板11P13…P17: 减速比率12P13:齿轮比率121.注意根据设备构成,仅一定(合理的)参数会显示。
例:当选择带有外部运行特征计算机的运行方式时,则不能对内部运行特征计算机的任何参数进行编缉。
2.总述2.1 软件版本此描述包含的软件版本为V2.1,V11.1, V20.4/MO(TMC-板)和V5.1(TMI-板)。
随着产品的进一步研发和改进,我们不定期地对新软件进行更新,界时可能会与此处描述有出入。
软件更新的具体说明请参见SAP中相关技术说明。
我们将以后版本命名如下:对于TMC-板:V2.2, V2.3…或V11.2, V11.3或V20.5/MO, V20.6/MO。
对于TMI-板:V5.2, V5.3。
2.2 同步/异步电机和现代化操作之版本现有4种不同的CPI软件版本,其区别在于不同用途上。
V2.X TMC和V5.X TMI用在同步电机上。
V11.X TMC用在带增量解码器的异步电机上,V20.X/MO TMC用在带或不带增量解码器的第三方电机上。
CPIK 变频器 操作手册非热动式 11M 15M 32M 48M 60 105热动式15RM 32RM 48RM25R 33R 50R 100R 150R德国蒂森克虏伯电梯(韩国公司)操作手册印记保留所有权利©版权: 德国蒂森克虏伯电梯 (韩国公司)55-30号, 区鱼洞, Kuro区, 首尔市韩国印制, 2006年9月德国蒂森克虏伯电梯 (韩国公司) 对此说明书有转印,书写以及发行的权力。
在没有德国蒂森克虏伯电梯 (韩国公司)的许可的情况下复印,或是以任何形式修改本说明书作为发行或是商业行为,被视为侵犯著作权的行为,将被起诉。
对培训课程内容的适当性的责任在于雇主.:德国蒂森克虏伯电梯 (韩国公司)前言我们很高兴你决定购买一个德国蒂森克虏伯电梯 (韩国公司)的高质量的产品,这操作手册能帮助你熟悉变频器及其预期的使用方法。
关于安全和危险的重要信息,有助于您安全地使用变频器并改造。
德国蒂森克虏伯电梯 (韩国公司)目录1。
安全................................................................................................................................................使用的符号.........................................................................................1.1解释1.2一般安全信息............................................................................................2。
产品说明和安装说明...................................................2.1表示变频器CPIK .......................................................................2.2说明变频器CPIK ............................................................................2.2.1警告..............................................................................................................2.2.2安装说明.............................................................................................2.2.3技术数据......................................................................................................2.2.3.1一般数据...................................................................................................2.2.3.2型规范...........................................................................................2.2.3.3外部模块............................................................................................2.2.3.4降额........................................................................................................2.2.4一般说明...............................................................................................2.2.4.1电源电压.................................................................................................2.2.4.2系统配置.......................................................................................2.2.4.3电源连接...........................................................................................2.2.4.4隔离变频器...........................................................................2.2.4.5漏电流..............................................................................................2.2.4.6故障电流...................................................................................................2.2.4.7直流环节电容放电时间..................................................................2.2.4.8电子地............................................................................................2.2.4.9运行接触器.................................................................................................2.2.4.10内部风扇..................................................................................................2.3接口.....................................................................................................................2.3.1连接图...............................................................................................2.3.2变频器的输入和输出端子(非热动)...............................2.3.2.1电源............................................................................................................2.3.2.2电机和电缆...........................................................................................2.3.2.3制动电阻..............................................................................................2.3.2.4内部电压...............................................................................................2.3.2.5分别驱动风扇电机.............................................................................2.3.2.6电机PTC热敏电阻连接.......................................................................2.3.2变频器的输入和输出端子(热动).....................................德国蒂森克虏伯电梯 (韩国公司)目录2.3.2.1电源............................................................................................................2.3.2.2电机和电缆...........................................................................................2.3.4编码器连接和通信............................................................2.3.4.1编码器连接.........................................................................................2.3.4.2编码器信号和CAN通信控制.............................................2.3.4.3采用CAN接口连接(或tac50k)控制系统..............2.3.4.4切换序列图与控制........................................................2.3.4.5切换序列图tac50k控制...................................................2.3.5电梯控制接口.......................................................................................2.3.5.1准备信息.............................................................................................2.3.5.2输入和输出..........................................................................................2.3.5.3切换序列图.................................................................................2.4系统的扰动,EMC ...........................................................................................2.4.1一般................................................................................................................2.4.2安装说明.............................................................................................2.4.3线路扼流............................................................................................................2.4.4线滤波器..............................................................................................................2.4.5安装其他电缆......................................................................................2.5.尺寸对照表..........................................................................................................2.5.1 CPIK系列尺寸2.5.2外部模块...................................................................................................2.5.2.1直流电抗器..................................................................................................2.5.2.2线滤波器(标准)2.5.2.3线路阻流.....................................................................................................3。
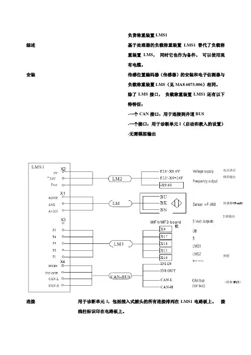
负责称重装置LMS1综述基于处理器的负载称重装置LMS1替代了负载称重装置LMS,同时它也作为备件。
可以使用现有电缆。
安装传感位置编码器(传感器)的安装和电子估测器与负载称重装置LMS(见MA8 6075.006)相同。
除了LMS接口,负载称重装置LMS1还有以下特特征:-一个CAN接口:用于连接到井道BUS-一个接口:用于诊断单元I(启动和教入的设置)-无需模拟输出电压供应频率输出传感器+F-A685级输出预留(轿厢BUS)连接用于诊断单元I,包括插入式插头的所有连接排列在LMS1电路板上。
接线柱标识印在电路板上。
跳线三个跳线位于LMS1上:J1:必须总是要插入,以便传感器信号可以被评估。
J2:空闲,备用。
J3:将被插入,若配合电阻的120Ω必须同被启动(例:若LMS1板是最后一个数据站)。
发光二极管LED+5V 有电压+5V DC时,发亮。
LED RST 复位状态下,发亮约1秒。
测量MP1:指示作用在A/D变压器上的电压GND:框架(测量点可装上一个数字式万用表)诊断单元I 功能0000 - 1100功能按下键(教入)后,功能1500 会出现。
功能1200 (从V2.0起)功能1200显示自动传感器校准次数。
再次按下键,会出现自动传感器校准成功的字样。
按下这个键,保持这个功能。
切换ON/OFF,两个值都会被删除。
功能1300 级别输出显示在功能1300中。
级别输出诊断单元上的LED 1-5 被分配到级别输出P1-P5。
比如:LED1在诊断单元上点亮,级别输出P1将被连接到GND。
LED16在功能1300上持续点亮,为了显示诊断单元的正确功能,即使其它LED都熄灭,比如在无负载情况下。
按下键,保持这个功能。
功能1400 轿厢负载当前轿厢负载在功能1400上显示。
根据教入功能bF04的设置,以kg或额定负载的%表示。
若没有进行教入,功能0000将显示。
若额定负载未输入,而且若要读出当前测量值(单位:kg), 就会出现一个相关错误码。
LMS1负责称重装置替代了负LMS1综述基于处理器的负载称重装置可以同时它也作为备件。
LMS,载称重装置使用现有电缆。
传感位置编码器(传感器)的安装和电子估安装(见测器与负载称重装置LMS MA86075.006)相同。
还有接口,负载称重装置LMS1除了LMS 以下特特征:BUS 接口:用于连接到井道一个-CAN(启动和教入的I-一个接口:用于诊断单元设置)无需模拟输出-电压供应频率输出传感器+F-A685级输出预留(轿厢BUS)连接用于诊断单元I,包括插入式插头的所有连接排列在LMS1电路板上。
接线柱标识印在电路板上。
上:LMS1三个跳线位于跳线J1:必须总是要插入,以便传感器信号可以被评估。
J2:空闲,备用。
J3:将被插入,若配合电阻的120Ω必须同被启动(例:若LMS1板是最后一个数据站)。
LED+5V有电压+5VDC发光二极管时,发亮。
LEDRST复位状态下,发亮约1秒。
MP1:指示作用在测量 A/D变压器上的电压GND:框架(测量点可装上一个数字式万用表)功能I 0000-1100诊断单元按下键(教入)后,功能1500会出现。
功能功能1200显示自动传感器校准次数。
再次按下键,会出现自动传功能1200 感器校准成功的字样。
按下这个键,保持这个功能。
(从V2.0起)切换ON/OFF,两个值都会被删除。
1300中。
级别输出显示在功能功能1300在。
比如:LED1级别输出 LED1-5被分配到级别输出P1-P5诊断单元上的在功能LED16将被连接到GND。
诊断单元上点亮,级别输出P1LED上持续点亮,为了显示诊断单元的正确功能,即使其它1300 都熄灭,比如在无负载情况下。
按下键,保持这个功能。
1400 功能1400当前轿厢负载在功能上显示。
表示。
%的设置,以轿厢负载kg或额定负载的bF04根据教入功能将显示。
若额定负载未输入,而且若0000若没有进行教入,功能 ,就会出现一个相关错误码。
)要读出当前测量值(单位:kg 要离开这个功能,按下键。
蒂森电梯变频器调试操作流程一、蒂森电梯配件的变频器带电机空载运行1.设置电机的功率、极数,要综合考虑蒂森电梯配件的变频器的工作电流。
2.设定蒂森电梯配件的变频器的最大输出频率、基频、设置转矩特性。
通用蒂森电梯配件的变频器均备有多条VPf曲线供用户选择,用户在使用时应根据负载的性质选择合适的VPf曲线。
如果是风机和泵类负载,要将蒂森电梯配件的变频器的转矩运行代码设置成变转矩和降转矩运行特性。
为了改善蒂森电梯配件的变频器启动时的低速性能,使电机输出的转矩能满足生产负载启动的要求,要调整启动转矩。
在蒂森电梯配件的异步电机变频调速系统中,转矩的控制较复杂。
在低频段,由于电阻、漏电抗的影响不容忽略,若仍保持VPf为常数,则磁通将减小,进而减小了电机的输出转矩。
为此,在低频段要对电压开展适当补偿以提升转矩。
一般蒂森电梯配件的变频器均由用户开展人工设定补偿。
3.将蒂森电梯配件的变频器设置为自带的键盘操作模式,按运行键、结束键,观察电机是否能正常地启动、结束。
4.熟悉变频器运行发生故障时的保护代码,观察热保护继电器的出厂值,观察过载保护的设定值,需要时可以修改。
蒂森电梯配件的变频器的使用人员可以按变频器的使用说明书对变频器的电子热继电器功能开展设定。
当变频器的输出电流超过其容许电流时,变频器的过电流保护将切断变频器的输出。
因此,变频器电子热继电器的门限最大值不超过变频器的最大容许输出电流。
二、带载试运行1.手动操作变频器面板的运行结束键,观察电机运行结束过程及蒂森电梯配件的变频器的显示窗,看是否有异常现象。
2.如果启动P结束电机过程中蒂森电梯配件的变频器出现过流保护动作,应重新设定加速P减速时间。
电机在加、减速时的加速度取决于加速转矩,而蒂森电梯配件的变频器在启、制动过程中的频率变化率是用户设定的。
若电机转动惯量或电机负载变化,按预先设定的频率变化率升速或减速时,有可能出现加速转矩不够,从而造成电机失速,即电机转速与蒂森电梯配件的变频器输出频率不协调,从而造成过电流或过电压。
负责称重装置LMS1综述基于处理器的负载称重装置LMS1替代了负载称重装置LMS,同时它也作为备件。
可以使用现有电缆。
安装传感位置编码器(传感器)的安装和电子估测器与负载称重装置LMS(见MA86075.006)相同。
除了LMS接口,负载称重装置LMS1还有以下特特征:-一个CAN接口:用于连接到井道BUS-一个接口:用于诊断单元I(启动和教入的设置)-无需模拟输出连接用于诊断单元I,包括插入式插头的所有连接排列在LMS1电路板上。
接线柱标识印在电路板上。
跳线三个跳线位于LMS1上:J1:必须总是要插入,以便传感器信号可以被评估。
J2:空闲,备用。
J3:将被插入,若配合电阻的120Ω必须同被启动(例:若LMS1板是最后一个数据站)。
发光二极管LED+5V有电压+5VDC时,发亮。
LEDRST复位状态下,发亮约1秒。
测量MP1:指示作用在A/D变压器上的电压GND:框架(测量点可装上一个数字式万用表)诊断单元I 功能0000-1100功能按下键(教入)后,功能1500会出现。
功能1200 (从V2.0起)功能1200显示自动传感器校准次数。
再次按下键,会出现自动传感器校准成功的字样。
按下这个键,保持这个功能。
切换ON/OFF,两个值都会被删除。
功能1300 级别输出级别输出显示在功能1300中。
诊断单元上的LED1-5被分配到级别输出P1-P5。
比如:LED1在诊断单元上点亮,级别输出P1将被连接到GND。
LED16在功能1300上持续点亮,为了显示诊断单元的正确功能,即使其它LED 都熄灭,比如在无负载情况下。
按下键,保持这个功能。
功能1400 轿厢负载当前轿厢负载在功能1400上显示。
根据教入功能bF04的设置,以kg或额定负载的%表示。
若没有进行教入,功能0000将显示。
若额定负载未输入,而且若要读出当前测量值(单位:kg),就会出现一个相关错误码。
要离开这个功能,按下键。
功能1500 教入负载称重装置LMS1的所有设置将通过功能1500实现。
蒂森MC2称重故障分析LMS1-C板称重调整影响CAN BUS通讯问题原因:服务器报OCOD、OCOE故障检查轿厢通讯如门机称重通讯连接线有无松动1.CAN BUS终端电阻跨接是否正确。
2.CAN BUS线路或插头接触情况。
3.X4/H-L对GND电压是否符合要求。
4.抗干扰措施来之屏蔽接地的影响。
5.随行电缆多余的备用线是否接地。
6.感应器的有效距离设置是否正确。
7.CAN BUS是否用屏蔽双绞线。
8.进入轿厢看CPI/P51是否会变化。
9.版本为V2.01(有些导致3个以上登记信号消号)请升为V2.06版本。
影响CAN BUS通讯问题原因:服务器报OCOD、OCOE故障检查轿厢通讯如门机称重通讯连接线有无松动1.CAN BUS终端电阻跨接是否正确。
2.CAN BUS线路或插头接触情况。
3.X4/H-L对GND电压是否符合要求。
4.抗干扰措施来之屏蔽接地的影响。
5.随行电缆多余的备用线是否接地。
6.感应器的有效距离设置是否正确。
7.CAN BUS是否用屏蔽双绞线。
8.进入轿厢看CPI/P51是否会变化。
9.版本为V2.01(有些导致3个以上登记信号消号)请升为V2.06版本。
LMS-1或LMS1-C板的相关参数设定称重调整方法如下:什么情况下要做称重,电梯启动倒拉称重载重不准确。
转至1500—按—15bF往下转至bF0d—按—0d0d:(设为默认值)往上转至15bF—按。
bF01—按—0000(无接CAN-BUS)0001(有接CAN-BUS)。
bF02—按—选择0000或0001—FEFE结束。
bF03—按—0002 (用公斤计算)。
bF05—按—0004—按—bF07。
bF07—按—1350 距离由大变小,750由小变大。
bF08—按—选择750或1350—FEFE结束。
bF09—按—0000或载重量/显示负载(额定负载) Q 以kg 计bF0A—输入以kg 计的额定负载(仅当CAN 总线不作用时)。
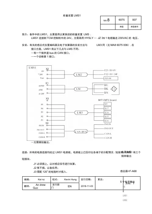
MA86075007类型类型编号简介:备件中的LMS1,主要是用以更换旧的称重装置 LMS ;LMS1连接到TCM 控制柜中的24V ,无需再用HYSLY — JZ 3X 1电缆输送230VAC 的 电压。
安装:有关的感应式位置编码器及电子估算器的安装方法与LM3同(见MA8 6075 006),在接口方面,LMS1有以下几点与LMS 不同: —有一个接井道bus 的CAN 接口; —一个诊断器1接口;—无需模拟输出。
连接:所有的电路连接均经过 LMS1电路板,电路板上已压印出各端子的分配情况; 短接块:LMS1有三个短接块。
J1必须插上,以对感应信号进行估算; J2暂不插,以备后用;J3需配1201的电阻时才插入。
编辑: Kei nz校对: Kevin Hung发行日期:更改:页码:1 翻译:An drew Guo发行部门EN2018-11-035个电平输出UEE LMS1 LMS2电源电压 频率输出感应器+F-A68发光二极管:LED + 5V 电压为正常的+5VDC 时亮; LED RST 重新设定时亮1秒。
测量:MP1 :显示A/D 整流器的电压;GWD :外框(各测点均可用万用表测量)诊断器1 功能 0000 — 1100功能按下自学习按键后会显示功能1500功能1200显示感应器自动校准尝试次数,再次按下此键,显示成功的自动校准尝试, 按自学习键退出,LMS1断开电源时所有数据皆被删除。
功能1300功能1300显示电平输出电平输出诊断器上的LED1 ~ 5对应电平输出P 1 ~P 5,例如,LED1亮,则电平输出P 1 会连接GND ,LED16在功能1300中恒亮,表明诊断器功能正常; 按自学习键退出。
功能1400显示轿厢负载,可在bF04功能中将该显示设疋为kg 或额疋负载的百分比; 未自学习时会显示0000,若在尚未设定额定负载的情况下欲用百分比显示轿 厢负载,则会显示错误信息;按自学习键退出。
CPIK 变频器操作手册非热动式 11M 15M 32M 48M 60 105热动式15RM 32RM 48RM25R 33R 50R 100R 150R德国蒂森克虏伯电梯(韩国公司)操作手册印记保留所有权利©版权: 德国蒂森克虏伯电梯 (韩国公司)55-30号, 区鱼洞, Kuro区, 首尔市韩国印制, 2006年9月德国蒂森克虏伯电梯 (韩国公司) 对此说明书有转印,书写以及发行的权力。
在没有德国蒂森克虏伯电梯 (韩国公司)的许可的情况下复印,或是以任何形式修改本说明书作为发行或是商业行为,被视为侵犯著作权的行为,将被起诉。
对培训课程内容的适当性的责任在于雇主.:德国蒂森克虏伯电梯 (韩国公司)前言我们很高兴你决定购买一个德国蒂森克虏伯电梯 (韩国公司)的高质量的产品,这操作手册能帮助你熟悉变频器及其预期的使用方法。
关于安全和危险的重要信息,有助于您安全地使用变频器并改造。
德国蒂森克虏伯电梯 (韩国公司)目录1。
安全................................................................................................................................................使用的符号.........................................................................................1.1解释1.2一般安全信息............................................................................................2。
产品说明和安装说明...................................................2.1表示变频器CPIK .......................................................................2.2说明变频器CPIK ............................................................................2.2.1警告..............................................................................................................2.2.2安装说明.............................................................................................2.2.3技术数据......................................................................................................2.2.3.1一般数据...................................................................................................2.2.3.2型规范...........................................................................................2.2.3.3外部模块............................................................................................2.2.3.4降额........................................................................................................2.2.4一般说明...............................................................................................2.2.4.1电源电压.................................................................................................2.2.4.2系统配置.......................................................................................2.2.4.3电源连接...........................................................................................2.2.4.4隔离变频器...........................................................................2.2.4.5漏电流..............................................................................................2.2.4.6故障电流...................................................................................................2.2.4.7直流环节电容放电时间..................................................................2.2.4.8电子地............................................................................................2.2.4.9运行接触器.................................................................................................2.2.4.10内部风扇..................................................................................................2.3接口.....................................................................................................................2.3.1连接图...............................................................................................2.3.2变频器的输入和输出端子(非热动)...............................2.3.2.1电源............................................................................................................2.3.2.2电机和电缆...........................................................................................2.3.2.3制动电阻..............................................................................................2.3.2.4内部电压...............................................................................................2.3.2.5分别驱动风扇电机.............................................................................2.3.2.6电机PTC热敏电阻连接.......................................................................2.3.2变频器的输入和输出端子(热动).....................................德国蒂森克虏伯电梯 (韩国公司)目录2.3.2.1电源............................................................................................................2.3.2.2电机和电缆...........................................................................................2.3.4编码器连接和通信............................................................2.3.4.1编码器连接.........................................................................................2.3.4.2编码器信号和CAN通信控制.............................................2.3.4.3采用CAN接口连接(或tac50k)控制系统..............2.3.4.4切换序列图与控制........................................................2.3.4.5切换序列图tac50k控制...................................................2.3.5电梯控制接口.......................................................................................2.3.5.1准备信息.............................................................................................2.3.5.2输入和输出..........................................................................................2.3.5.3切换序列图.................................................................................2.4系统的扰动,EMC ...........................................................................................2.4.1一般................................................................................................................2.4.2安装说明.............................................................................................2.4.3线路扼流............................................................................................................2.4.4线滤波器..............................................................................................................2.4.5安装其他电缆......................................................................................2.5.尺寸对照表..........................................................................................................2.5.1 CPIK系列尺寸2.5.2外部模块...................................................................................................2.5.2.1直流电抗器..................................................................................................2.5.2.2线滤波器(标准)2.5.2.3线路阻流.....................................................................................................3。
负责称重装置LMS1综述基于处理器的负载称重装置LMS1替代了负载称重装置LMS,同时它也作为备件。
可以使用现有电缆。
安装传感位置编码器(传感器)的安装和电子估测器与负载称重装置LMS(见MA8 6075.006)相同。
除了LMS接口,负载称重装置LMS1还有以下特特征:-一个CAN接口:用于连接到井道BUS-一个接口:用于诊断单元I(启动和教入的设置)-无需模拟输出连接用于诊断单元I,包括插入式插头的所有连接排列在LMS1电路板上。
接线柱标识印在电路板上。
跳线三个跳线位于LMS1上:J1:必须总是要插入,以便传感器信号可以被评估。
J2:空闲,备用。
J3:将被插入,若配合电阻的120Ω必须同被启动(例:若LMS1板是最后一个数据站)。
发光二极管LED+5V 有电压+5V DC时,发亮。
LED RST 复位状态下,发亮约1秒。
测量MP1:指示作用在A/D变压器上的电压GND:框架(测量点可装上一个数字式万用表)诊断单元I 功能 0000 - 1100功能按下键(教入)后,功能1500 会出现。
功能1200 (从V2.0起)功能1200显示自动传感器校准次数。
再次按下键,会出现自动传感器校准成功的字样。
按下这个键,保持这个功能。
切换ON/OFF,两个值都会被删除。
功能1300 级别输出级别输出显示在功能1300中。
诊断单元上的LED 1-5 被分配到级别输出P1-P5。
比如:LED1在诊断单元上点亮,级别输出P1将被连接到GND。
LED16在功能1300上持续点亮,为了显示诊断单元的正确功能,即使其它LED都熄灭,比如在无负载情况下。
按下键,保持这个功能。
功能1400 轿厢负载当前轿厢负载在功能1400上显示。
根据教入功能bF04的设置,以kg或额定负载的%表示。
若没有进行教入,功能0000将显示。
若额定负载未输入,而且若要读出当前测量值(单位:kg), 就会出现一个相关错误码。
要离开这个功能,按下键。
《LMS1电子板的教入操作》1. 作业前提:1). 适用于LMS1工作程序更换/升级后2). 新板的第一次运行2. 工具和器具的准备:1). Diagnostic unit I型诊断仪2). PDA和电脑不能进行LMS1调试3). 相当于轿厢额定标称载重量110%的标准砝码或重物3. LMS1电子板教入操作步骤:1). 准备——将电梯开到上端站的下一停站平层,并在确认轿厢内没有乘客后,将机房控制柜上的检修开关拨到“1”(检修状态)。
2). LMS1电子板教入——将Diagnostic unit I型诊断仪插入LMS1电子板,地址选择为1500(闪烁),按下Diagnostic unit I型诊断仪侧边的选择按钮,这时Diagnostic unit I型诊断仪显示持续为“15bF”,再次按选择按钮直到Diagnostic unit I型诊断仪显示“bFFF”。
a. 向上推动拨轮直到Diagnostic unit I型诊断仪显示表一中“显示”例所显示的地址,按下选择按钮后,会显示相应的数据,其含义请参照表一中右侧的“说明”例中的内容,再次按下Diagnostic unit I型诊断仪侧边的选择按钮,Diagnostic unit I型诊断仪将会显示表一中相应的“修改”例的地址。
如果不需要修改“说明”的参数,请继续向上或向下推动拨轮,将跳过相应的“修改”地址,显示下一个表一中“显示”例所显示的地址。
b. 如果需要修改其中参数,请按下Diagnostic unit I型诊断仪侧边的选择按钮并结合参照表一中右侧的“说明”例中的内容进行参数选择或修改后Diagnostic unit I型诊断仪将会自动显示完成提示“FEFE”,请按下Diagnostic unit I型诊断仪侧边的选择按钮,Diagnostic unit I型诊断仪将会自动显示下一行表一中“显示”例所显示的地址。
3). 所有参数检查/设定完成后,请向下拨动拨轮直到Diagnostic unit I型诊断仪显示退回到“bF00”或“bFFF”。
蒂森电梯变频器调试中文版————————————————————————————————作者:————————————————————————————————日期:2CPIK 变频器 操作手册非热动式 11M 15M 32M 48M 60 105热动式15RM 32RM 48RM25R 33R 50R 100R 150R德国蒂森克虏伯电梯(韩国公司)操作手册印记保留所有权利©版权: 德国蒂森克虏伯电梯 (韩国公司)55-30号, 区鱼洞, Kuro区, 首尔市韩国印制, 2006年9月德国蒂森克虏伯电梯 (韩国公司) 对此说明书有转印,书写以及发行的权力。
在没有德国蒂森克虏伯电梯 (韩国公司)的许可的情况下复印,或是以任何形式修改本说明书作为发行或是商业行为,被视为侵犯著作权的行为,将被起诉。
对培训课程内容的适当性的责任在于雇主.:德国蒂森克虏伯电梯 (韩国公司)前言我们很高兴你决定购买一个德国蒂森克虏伯电梯 (韩国公司)的高质量的产品,这操作手册能帮助你熟悉变频器及其预期的使用方法。
关于安全和危险的重要信息,有助于您安全地使用变频器并改造。
德国蒂森克虏伯电梯 (韩国公司)操作手册目录1。
安全................................................................................................................................................使用的符号.........................................................................................1.1解释1.2一般安全信息............................................................................................2。
ThyssenKrupp Elevator A Company of ThyssenKrupp h y s s e n K r u p p LMS1 Adjustment and Service一. LMS1的工作原理及板件說明二. 轎廂減震裝置的安裝要點三. LMS1稱重系統的調試方法四. LMS1保養檢查要點五. LMS1程式升級及晶片更換ThyssenKrupp Elevator A Company of ThyssenKrupp h y s s e n K r u p p一.LMS1的工作原理和板件說明1.稱重支架與感應探頭(位置感測器)一般安裝在轎頂,一端固定在轎廂框架的上樑,一端固定在轎頂上.2.加入不同的負載時,轎廂與框架相對的上下線性比例位移,也就是稱重探頭與感應板的相對位移,其感應的範圍值為7.5-13.5mm ,從空載到超載其變化量的範圍必須為2.5-6.0mm 之內.注:轎廂上下減震裝置是否安裝正確對稱重的調試和效果密切相關.3.由於稱重支架安裝形式的不同,在加入負載後,其感應距離可變小或變大的,建議儘量採取變小型,方便維保技術員日後工作.ThyssenKrupp Elevator A Company of ThyssenKrupp h y s s e n K r u p p一.LMS1的工作原理和板件說明4.空載點:小於5%額定載荷超載點:大於110%額定載荷滿載點:80%-110%額定載荷5.輸入點:X2-DC24V 電源X1-探頭信號(位移量轉化成電壓值)輸出點:X4-CANBUS 信號(DC2.5V 左右)X3-空/輕/重/滿/超載的信號點6.短接片:J1-必須總是短接著J2-空著,備用J3-可選擇,配合120歐姆電阻注:若LMS1板是最後一個資料站,即J3 短接著.ThyssenKrupp Elevator A Company of ThyssenKrupp h y s s e n K r u p p一.LMS1的工作原理和板件說明7.發光二極體:LED +5V 有電壓+5VDC 時,發亮LED RST 重定模式下,發亮約1秒8.程式晶片EPROM ,檢查LMS1稱重板程式版本是否為2.01的?注:MC1程式為5100以上MC2程式為8100以上MC3程式為9100以上其LMS1稱重板的程式應為2.069.檢查其功能1400:顯示當前轎廂負載;根據教入功能BF04的設置,以kg 或%表示.10. 調試工具:LMS1 稱重系統只可通I 型診斷儀調試.ThyssenKrupp Elevator A Company of ThyssenKrupp h y s s e n K r u p p二.轎廂減震裝置的安裝要點減震規格:類型額載有KG 轎底彈簧mm 轎頂減震Gr.1 436-747 108 x 94x14 小Gr.2 517-887 108x116x16 小Gr.3 661-1133 105x118x18 小Gr.4 964-1446 105x118x18 大Gr.5 1193-1790 105x120x20 大Gr.6 1193-1790 105x120x20(4個) 大注:彈簧尺寸規格為高X外直徑X鋼芯直徑ThyssenKrupp Elevator A Company of ThyssenKrupp h y s s e n K r u p p二.轎廂減震裝置的安裝要點A.轎底彈簧墊片厚度應以該梯隨機檔的資料為准,一般為4-6mm(此與轎廂裝修有關,最大至多8mm ,最小3mm ,兩邊墊片厚度一致.B.彈簧鐵心應對中,垂直且與彈簧不碰撞;墊片安裝位置正確.C.轎底四限位螺栓與轎底的間隙應在轎廂空載時調整為8-10mm.D.轎廂框架拼裝正確,立柱垂直無扭勁;轎底轎頂調整水準,上下減震固定到位.ThyssenKrupp Elevator A Company of ThyssenKrupp h y s s e n K r u p p二.轎廂減震裝置的安裝要點F.轎頂U型立柱卡口與立柱有間隙,約3-5mm,左右對中;保證電梯空載和滿載運行過程中其與立柱均無碰撞.G.轎頂減震保證其在轎廂空載時處於自由狀態,即不受拉也不受壓,其高度應為98-100mm ,兩邊高度必須一致.H.稱重探頭及支架安裝建議採用變小型,在安裝未調試前,探頭與感應板間隙至少15mm 以上,以防損壞.ThyssenKrupp Elevator A Company of ThyssenKrupp h y s s e n K r u p p三.LMS1稱重系統的調試方法1. 設置參數-1500功能進入BF01/02-CANBUS 連接的顯示/設置BF03/04-轎廂負載顯示形式BF09/0A -電梯額定載荷(以kg/無canbus 才存在)BF07/08-空載時探頭感應距離值若在加上負載後距離變小的設置為1350若在加上負載後距離變大的設置為0750BF05/06-必須設置為004(線性特徵感測器)注:若有BF06參數,即此晶片程式版本為V2.06另:注意安全操作,轎頂或機房不在檢修狀態下,LMS1稱重板也可進入1500 教入功能!ThyssenKrupp Elevator A Company of ThyssenKrupp h y s s e n K r u p p三.LMS1稱重系統的調試方法2.零位調整A.打檢修,進入轎頂,檢查和緊固轎頂稱重裝置安裝支架與轎頂和上樑的連接固定是否鬆動.B.轎內和轎頂清除任何多餘雜物,用調試儀由1500進入BFOC(人也不可站在轎頂上).C.若7段顯示幕(0000)閃爍,上下調節稱重探頭(位置感應器)或上下調整感應板的位置,以便A 和B 排所有LED 都熄滅.D.緊固固定探頭的大螺母及其他支架連接螺栓後,要保證A 和B 排所有LED 還是熄滅的(至多只能有一個LED 燈亮).E.完成後轉至BF00退出.ThyssenKrupp Elevator A Company of ThyssenKrupp h y s s e n K r u p p 三.LMS1稱重系統的調試方法3.負載學習(超/滿載學習)A.做負載學習前,必須保證零位調整已到位.B.在轎內放入電梯的額定負載.注: 兩點確定一條直線,零位調整是確定一個點,此負載學習是確定另一點,最終主要目的是得出電梯稱重LMS1的110%超載點,此時轎內的負載應是多少合適.C.打檢修進入轎頂,由1500進入BFOF 後,輸入0110(若參數BF03=0001時為%顯示)或110%的電梯額定負載公斤值再按確認鍵.D.轉至BF00存貯退出,電梯正常平層時試超載功能.注:安裝調試期間,做稱重負載學習前必須保證電梯平衡係數準確;為提高調試效率與負載運行試驗同步進行.ThyssenKrupp Elevator A Company of ThyssenKrupph y s s e n K r u p p四.LMS1保養檢查要點A. 拜訪客戶時,其是否反映電梯有起動或停車不好或超載滿載不准(相關滿載自達功能)等稱重相關現象問題.B. 乘坐電梯,感覺電梯上下行起動是否無倒拉及過沖現象?電梯空載(5%以內)消號功能是否正常?注:轎廂與立柱有無碰撞問題,影響稱重準確性C. 若有A,B項問題,首先用I 型診斷儀BFOC 或PT 的參數P51檢查其零位是否正確,否則重新調整.D. 若懷疑超滿載不准,可在轎內放入一定負載,用I型診斷儀1400功能或PT 的P51觀察其變化量,再估算其超載值是否準確?ThyssenKrupp Elevator A Company of ThyssenKrupph y s s e n K r u p p四.LMS1保養檢查要點E. 檢查LMS1稱重板程式版本與主機板程式版本是否匹配?F. 檢查稱重探頭,供電電源DC24AC 輸入X2及CANBUS 信號輸出電壓信號X4是否正常(DC2.5V 左右)?短接片J1,J2和J3位置是否正確?G. 稱重探頭是否固定牢靠?稱重盒外掛程式是否按觸可靠?最後:還不行的,更換新的2.06程式晶片,更換稱重盒, 檢查電梯控制系統.ThyssenKrupp Elevator A Company of ThyssenKrupph y s s e n K r u p p五.LMS1程式升級及晶片更換A.檢查LMS1稱重板程式版本是否為2.01的.注:若MC1程式為5100以上,MC2程式為8100以上,MC3程式為9100以上,其LMS1稱重板的程式應為2.06B. 若要升級,先用I 型診斷儀BFOC 檢查其零位是否正確,否則重新調整.C. 用1400功能,在稱重探頭下放進一定的模擬量(如三個一元錢的硬幣,記下其顯示資料,如90%.注:感應距離為變小型)ThyssenKrupp Elevator A Company of ThyssenKrupph y s s e n K r u p p五.LMS程式升級及晶片更換D.斷電,更換寫好的2.06程式晶片(AM29F010B -90PC AMD)E. 送電,用診斷儀恢復BF01,BF03,BF05,BF07的設置.F. 用滿載學習參數BF0F 設置未更換晶片前功1400所顯示的資料(設置90%),完成後再儲存退出BF00.G. 取出探頭下的模擬量(如三硬幣),再用AFOC 是否準確(正常應無問題),退出即升級完成.ThyssenKrupp Elevator A Company of ThyssenKrupph y s s e n K r u p p問題1.零位和超滿載教入應井道哪個位置進行最佳?2.在一定負載下,轎廂在井道不同位置,LMS1或變頻器P50所顯示數值不一樣,該如何處理?3.CPI 變頻器P55 參數在何情況下該如何調整?4.LMS1板中BF10 以後的參數如何使用?5. 轎頂左右兩減震裝置的安裝形式,是一前一後,還是同在前側或同在後側,哪種方式最佳?。
概述负载称重装置 "LMS1"微处理器辅助的 "LMS1" 型负载称重装置取代了 "LMS" 型并作为备件。
电源:24 VDC.安装I 型诊断仪 功能教入 - 概述 功能 00 00 - 12 00按动按钮后将显示功能 15 00 (教入).功能 13 00 - 重量等级输出显示重量等级输出。
诊断仪上的 LED 1 至 5 对应于重量等级输出 P1 至 P5。
按按钮退出此项功能。
功能 14 00 - 轿厢负载显示当前轿厢负载。
以 kg 或者以 % 额定负载显示。
在未做教入之前总是 显示 0000。
按按钮退出此项功能。
功能 15 00 - 教入所有各项对 "LMS1" 负载称重装置的设定都用功能 15 00 做。
所有各项教 入功能-上行及下行-都可以用程序选择轮来选择。
如果它被转出代码的最高值,就会自动地再回到最低值,反之亦然。
当完成一项输入之后,将会显示 FE FE 信息 (完成信息)。
要退出此项功能时,既可以用代码 bF Ab (不存储修改值而终止),也可用代码 bF 00(存储修改值而终止),或按按钮.设定步骤:只有当七段数字显示闪烁时,才能进入教入模式。
通过 CAN 总线操作:将 CAN 总线插入 X4 插口。
如果 "LMS1" 负载称重装置是总线系统的末端 数据站时,用跨接点 J3 将匹配电阻接入。
如果连接正确无误,则 LED + 5V 将发光。
进入教入模式 15 00 15 dF插入诊断仪,用程序选择轮选择并按按钮。
按按钮并反时针转动程序选择轮。
起 草: MAZ 发 行修 改: 第 一 版 WDA4:LMS1.D 第 1 页发 行 部 门: MAZ 日 期: 05.97 中 文 版 翻 译:CAN 总线轿厢负载显示所用感应器特性显示作用距离重量以 kg 计感应器调整及作用距离感应器定标内插点删除内插点bF 01bF 02FE FEbF 03bF 04bF 05dF 07*bF 08FE FEbF 09bF 0AFE FEbF 0bbF 0CbF 0EbF 0FFE FEbF 10bF 11按按钮:显示 CAN 总线连接。
概述负载称重装置 "LMS1"微处理器辅助的 "LMS1" 型负载称重装置取代了 "LMS" 型并作为备件。
电源:24 VDC. 安装I 型诊断仪 功能教入 - 概述 功能 00 00 - 12 00按动按钮后将显示功能 15 00 (教入).功能 13 00 - 重量等级输出显示重量等级输出。
诊断仪上的 LED 1 至 5 对应于重量等级输出 P1 至 P5。
按按钮退出此项功能。
功能 14 00 - 轿厢负载显示当前轿厢负载。
以 kg 或者以 % 额定负载显示。
在未做教入之前总是 显示 0000。
按按钮退出此项功能。
功能 15 00 - 教入所有各项对 "LMS1" 负载称重装置的设定都用功能 15 00 做。
所有各项教 入功能-上行及下行-都可以用程序选择轮来选择。
如果它被转出代码的最高值,就会自动地再回到最低值,反之亦然。
当完成一项输入之后,将会显示 FE FE 信息 (完成信息)。
要退出此项功能时,既可以用代码 bF Ab (不存储修改值而终止),也可用代码 bF 00(存储修改值而终止),或按按钮.设定步骤:只有当七段数字显示闪烁时,才能进入教入模式。
通过 CAN 总线操作:将 CAN 总线插入 X4 插口。
如果 "LMS1" 负载称重装置是总线系统的末端 数据站时,用跨接点 J3 将匹配电阻接入。
如果连接正确无误,则 LED + 5V 将发光。
进入教入模式 15 00 15 dF插入诊断仪,用程序选择轮选择并按按钮。
按按钮并反时针转动程序选择轮。
起 草: MAZ 发 行修 改: 第 一 版 WDA4:LMS1.D 第 1 页发 行 部 门: MAZ 日 期: 05.97 中 文 版 翻 译: 赵 孔 皆CAN 总线轿厢负载显示所用感应器特性显示作用距离重量以 kg 计感应器调整及作用距离感应器定标内插点删除内插点bF 01bF 02FE FEbF 03bF 04bF 05dF 07*bF 08FE FEbF 09bF 0AFE FEbF 0bbF 0CbF 0EbF 0FFE FEbF 10bF 11按按钮:显示 CAN 总线连接。
- 0000 = LMS1 没有接到 CAN 总线 (TCI)- 0001 = LMS1 接到 CAN 总线 (隐设值;TCM).操作按钮或程序选择轮.按按钮:显示 0000 和 0001 之间的转换.用按钮置入所要的显示:- 0000 = CAN 总线未连接.- 0001 = CAN 总线已连接 (隐设值).完成信息;操作按钮或程序选择轮.按按钮:显示轿厢负载.- 0001 = 重量以 % 额定负载计.- 0002 = 重量以 kg 计.操作按钮或程序选择轮.按按钮:显示 0001 和 0002 之间的转换.用按钮置入所要的显示:- 0000 = 重量以 % 额定负载计.- 0001 = 重量以 kg 计 (隐设值).按按钮:输出或显示所用感应器的特性:- 0001 = 线性特性-Pulsotronic 9914-0502 或 9914-1002.- 0604 = 内插特性 (在输入附加的内插点后).- 0704 = 线性内插特性 (在输入附加的内插点后1) ).操作按钮或程序选择轮.显示感应器至接触表面的作用距离,以 1/100 mm 计,(隐设值为 7.5mm).- 7.5 mm = 750/100,如果距离在加载时变大.- 13.5 mm = 1350/100,如果距离在加载时变小。
修改后的作用距离:交替显示距离当显示所需的距离时按按钮.完成信息;操作按钮或程序选择轮.显示负载 (额定负载) Q 以 kg 计.输入以 kg 计的额定负载 (仅当 CAN 总线不作用时).完成信息;操作按钮或程序选择轮.读出感应器作用距离,以 1/100 mm 计. (如已调整, 则为 0000).感应器调整,在空轿厢时按照 bF 08 的输入值调整.在七段数字显示闪烁时 (0000),调整感应器作用距离使 A 列和 B 列的LED 全部熄灭。
1)显示定标重量 (参见功能 bF 2d / bF 2E)加定义负载时自动特性定标:将轿厢加定义负载并且用 bF 0F 输入负载重量 (定标重量).完成信息;操作按钮或程序选择轮.显示所有存储的内插点:下一内插点会由 B 列闪烁的 LED显示.删除个别的内插点.________________1) 见 MA 8 6075.007 第 7 页中的解释.*) 译注:原文功能号如此.起草: MAZ发行修改: 第一版 WDA4:LMS1.D第2页发行部门: MAZ日期: 05.97 中文版翻译: 赵孔皆额外的内插点bF 12bF 13 输入一个额外的内插点:内插点的号码由 B 列中闪烁的 LED 指示. (注意:计算时间可能较长). 删除所有的额外输入的内插点.重量等级输出重量等级调整1 级2 级3 级4 级 (B)5 级 (ÜB)频率信号截止频率EPROM识别 2)程序版本电梯号(仅 CAN 总线)bF 14bF 15 FE FEbF 16bF 17 bF 18 FE FE bF 19 bF 18* FE FE bF 1b bF 1C FE FE bF 1d bF 1E FE FE bF 1F bF 20 FE FEbF 21bF 22 FE FEbF 23 bF 25 bF 26 FE FEbF 27 bF 28bF 29bF 2A重量等级输出- 0001 = 生效 (隐设值). - 0002 = 不生效.使重量等级输出生效或不生效.完成信息;操作按钮或程序选择轮.按一下按钮可改变五级重量等级值. 如果 CAN 总线有效,则重量 等级输出可以被屏蔽掉.显示重量等级值 1 (5% 额定负载或 kg 值为标准值) 修改重量等级值 1完成信息;操作按钮或程序选择轮.显示重量等级值 2 (35% 额定负载或 kg 值为标准值) 修改重量等级值 2完成信息;操作按钮或程序选择轮.显示重量等级值 3 (60% 额定负载或 kg 值为标准值) 修改重量等级值 3完成信息;操作按钮或程序选择轮.显示重量等级值 4 (80% 额定负载或 kg 值为标准值) 修改重量等级值 4完成信息;操作按钮或程序选择轮.显示重量等级值 5 (110% 额定负载或 kg 值为标准值) 修改重量等级值 5完成信息;操作按钮或程序选择轮.频率信号输出:显示生效或不生效. - 0001 = 生效 (隐设值). - 0000 = 不生效.使频率信号输出生效或不生效.完成信息;操作按钮或程序选择轮.仅当频率输出 F out 生效时,显示截止频率.显示低端截止频率,以 kHz 计 (隐设值为 1 kHz). 显示高端截止频率,以 kHz 计 (隐设值为 9 kHz). 修改高端截止频率,以 kHz 计. 完成信息;操作按钮或程序选择轮.显示 EPROM 制造商代码. 显示 EPROM 设备代码.显示 "LMS1" 程序版本显示电梯号 (例如在梯群中:1 号, 2 号, 3 号梯等). 仅在 TCM 装置 配 CAN 总线时可显示.______________2) 和安装部门无关 (开发部门用于标记特殊软件模块). *) 译注:原文功能号如此.起 草: MAZ 发 行修 改: 第 一 版 WDA4:LMS1.D 第 3 页发 行 部 门: MAZ 日 期: 05.97 中 文 版 翻 译: 赵 孔 皆感应器 出界检测bF 2b bF 2C FE FE显示感应器出界检测生效或不生效- 0001 = 感应器出界检测生效 (隐设值). - 0000 = 感应器出界检测不生效. 使感应器出界检测生效或不生效完成信息;操作按钮或程序选择轮.钢绳负荷校正3)(仅 CAN 总线)楼层门套偏差校正3)下行方向 倍乘系数上行方向 倍乘系数终止教入置入隐设值bF 2dbF 2E FE FEbF 2FbF 30 FE FEbF 31bF 32 FE FEbF 33bF 34 FE FEbF 35bF 36 FE FEbF AbbF 0d 0d 0d FE FE显示钢绳负荷校正生效或不生效. - 0001 = 生效 (隐设值). - 0000 = 不生效.钢绳负荷校正生效或不生效转换 完成信息;操作按钮或程序选择轮.显示上部楼层门套偏差. 0000 = 隐设值.xxxx = 在用 bF 30 校正门套偏差后的测量值. 上部楼层门套偏差校正,LED 8 闪烁. 完成信息.显示下部楼层门套偏差. 0000 = 隐设值.xxxx = 在用 bF 32 校正门套偏差后的测量值. 下部楼层门套偏差校正,LED 1 闪烁. 完成信息.显示下行方向的倍乘系数,以 1/100 计. - 0100 = 隐设值.修改下行方向的倍乘系数. 完成信息.显示上行方向的倍乘系数,以 1/100 计. - 0100 = 隐设值.修改上行方向的倍乘系数. 完成信息.不存储输入值而终止教入.置入隐设值;在按钮操作后随即显示. 再操作按钮才显示. 完成信息.教入结束bF 00教入结束并存储数据._________________3) 仅属可能性,如果电梯特性程序中对此作了处理时.起 草: MAZ 发 行修 改: 第 一 版 WDA4:LMS1.D 第 4 页发 行 部 门: MAZ日 期: 05.97中 文 版 翻 译: 赵 孔 皆故障代码通常,在教入过程中发生的故障是由于不正确的输入。
利用故障代码可检测出并且消除故障。
不可能选择一个单独的故障堆栈,例如在 TCI 或 TCM 电梯控制装置时。
起草: MAZ发行修改: 第一版 WDA4:LMS1.D第5页发行部门: MAZ日期: 05.97 中文版翻译: 赵孔皆起草: MAZ发行修改: 第一版 WDA4:LMS1.D第6页发行部门: MAZ日期: 05.97 中文版翻译: 赵孔皆故障表结束"LMS1" 型负载称重装置用的程序自 05.11.96 起 正式的 程序版本 控制型式-电路板型式 芯片号-版本号出厂号 (不总是标注)临时的 更新软件 控制型式-电路板型式 版本号修改起 草: MAZ 发 行修 改: 第 一 版 WDA4:LMS1.D 第 7 页发 行 部 门: MAZ 日 期: 05.97 中 文 版 翻 译: 赵 孔 皆。