采购需求书
- 格式:doc
- 大小:60.50 KB
- 文档页数:15
供应商集中采购需求书甲方(采购方):___________________地址:_____________________________法定代表人/负责人:___________________联系电话:___________________________银行账户:_____________________________乙方(供应商):___________________地址:_____________________________法定代表人/负责人:___________________联系电话:_____________________________银行账户:____________________________鉴于甲方需要进行集中采购以满足其业务运营需求,现向乙方发出集中采购需求书,以明确双方在供货过程中的权利和义务。
根据《中华人民共和国合同法》及相关法律法规的规定,甲乙双方本着平等自愿、诚实信用的原则,经友好协商一致,达成如下需求书条款:第一条采购商品信息1.1 商品名称:_______________________1.2 规格型号:_______________________1.3 质量要求:符合国家相关标准及甲方要求的技术规格。
1.4 数量:___________________________第二条价格条款2.1 商品单价为人民币(大写)____________元整(¥_______)。
2.2 总价根据实际供货数量结算。
第三条供货要求3.1 供货期限:自合同签订之日起至____年____月____日止。
3.2 供货方式:按甲方需求分批供货。
3.3 交货地点:由乙方负责运输至甲方指定地点。
第四条质量检验与验收4.1 乙方须保证所供商品符合约定的质量、规格、数量等要求。
4.2 甲方有权在收货时进行检验,如发现质量问题,应及时书面通知乙方。
第五条付款方式5.1 预付款:甲方应在合同签订后___天内支付总价款的___%作为预付款。
学校采购项目需求书一、背景为了满足学校的教育教学需求,现拟采购一批教育相关设备和材料。
该项目的目的是提供学生和教师所需的资源,以支持他们的研究和教学活动。
二、项目描述本项目包括以下几个方面的采购需求:1. 教学设备:购买一定数量的电子白板、投影仪和计算机等教学设备,用于提高教师的教学效果和学生的研究体验。
2. 学生用品:购买一定数量的课桌椅、书包和文具等学生用品,以满足学生的研究和日常生活需求。
3. 实验室器材:购买一定数量的实验仪器和实验器材,以支持学校的实验教学活动。
4. 图书资料:购买一定数量和种类的图书和教材,以丰富学生的阅读资源和教师的教学工具。
5. 体育器材:购买一定数量的体育用具,以促进学生的体育运动和健康发展。
三、技术要求为了确保采购品质和使用效果,我们对采购的设备和材料有以下技术要求:1. 教学设备应具备良好的显示效果和易于操作的界面,以提供清晰的教学展示和操作体验。
2. 学生用品应具备良好的质量和舒适性,以提供良好的研究和生活体验。
3. 实验室器材应符合相关的实验要求和安全标准,以确保学生和教师的安全。
4. 图书资料应与学校的教学大纲和课程内容相匹配,以满足学生的研究需求。
5. 体育器材应符合相关的运动要求和安全标准,以保障学生的身体健康。
四、预算和采购方式该项目的预算为xxx万元。
采购方式将通过公开招标或邀请比选的方式进行,以确保采购的公正性和透明度。
五、时间计划本项目的时间计划如下:- 编制需求书:xx月xx日至xx月xx日- 发布采购公告:xx月xx日- 开标和评标:xx月xx日至xx月xx日- 签订合同和交付:xx月xx日至xx月xx日六、联系方式如果您对本项目有任何疑问或需要进一步了解,请联系以下人员:- 联系人:XXX- XXX- 邮箱:XXX请各相关供应商在规定时间内将报价提交给学校。
谢谢大家的参与![签名]日期:xx年xx月xx日。
采购需求(技术规范书)
一、上汽通用别克G18:2023款陆上公务舱652T豪华型
二、级别:小型客车
三、采购数量:1辆
四、能源类型:汽油
五、整车尺寸长X宽义高(mm):5238*1878*1800
六、成员数(人数):7人
七、轴距(mm):3088
八、排放标准:国六
九、排量cc:1998
十、最大扭矩(N.M):350/4000
最大功率/转速(NM/RPM):174千瓦/5000
十一、驱动方式:两驱,前置前驱
十二、轮胎型号:225∕60R17(后轮2只)
十三、颜色:车身-琥珀金,内饰-谦和米
十四、悬架系统(前/后):麦弗逊式独立悬挂/多连杆式独立悬挂。
十五、其他要求:
1.车辆配备1个三角警示牌,1个灭火器,;
2.拓印车架号及发动机号,车辆照片各两份(新车落户用);
3.此车自重数据必须和合格证参数相符;
4.此车必须配备全车工具、备胎;
5.首保:三个月或5000公里(免费);质保期:三年或十万公里(先
到为准);
6.提车时间:合同签订生效后7天内供货。
7.代办购置税、上牌及保险等。
8.赠送太阳膜、原厂脚垫。
采购需求书
上海外高桥采购项目
发起部门:外高桥信息公司
发起日期:20XX年8月12日
一、项目概况
外高桥信息有限公司(以下简称外高桥)需要采购以下物资:
1. 飞机涡轮式压缩机:外高桥计划采购2台飞机涡轮式压缩机,规格为SX50-20R,单价不超过5万元/台;
2. 工业电脑:外高桥计划采购30台工业电脑,规格为Intel Core i5,单价不超过4500元/台;
3. 运动器材:外高桥计划采购12台以上运动器材,规格为跑步机,单价不超过3000元/台;
4. 办公用品:外高桥计划采购文件夹、笔记本、便签,共100份,单价不超过50元/份。
二、参赛要求
1. 供应商必须是在中国境内注册的企业,并提供证明其从事采购供应商活动的有效证明;
2. 对于上述任何物资,报价应考虑并体现质量、及时交付、服务等优势;
3. 所有报价应包括送货费和其他费用,以汇票方式付款;
4. 报价有效期不能少于20天;
三、采购流程
1. 所有投标者应按照本采购需求书的全部要求对上述物资报价,以及提供有效证明文件;
2. 选定报价最优者,签订采购合同;
3. 供应商应按照合同所规定的时间、价格、质量等进行及时的
交货;
4. 外高桥有权审查所有报价情况,有权根据实际情况变更采购
方案,或者取消本次采购需求。
特此声明!。
尊敬的采购部门:我代表[项目名称]项目组,就本项目所需采购的物资和服务,特向贵部门提交以下采购需求申请书。
为确保采购工作的顺利进行,现将具体需求内容阐述如下:一、项目背景[项目名称]项目是由[项目发起单位]发起,旨在[简要描述项目目的和意义]。
项目实施过程中,需要采购以下物资和服务,以确保项目顺利进行。
二、采购需求1. 物资需求(1)设备类:[设备名称]若干台,用于[设备用途]。
(2)材料类:[材料名称]若干吨,用于[材料用途]。
(3)办公用品类:[办公用品名称]若干件,用于[办公用品用途]。
2. 服务需求(1)技术咨询:针对[技术问题],需聘请具有丰富经验的[技术人员名称]提供技术咨询。
(2)施工监理:对[施工项目]进行全过程监理,确保工程质量。
(3)培训服务:对[培训对象]进行[培训内容]培训,提高其[培训目的]。
三、采购要求1. 供应商资质:供应商须具备相关行业资质,具有良好信誉和业绩。
2. 价格合理:在保证产品质量的前提下,价格合理,具有竞争力。
3. 交货及时:严格按照合同约定的时间节点完成交货。
4. 售后服务:提供完善的售后服务,确保采购物资和服务的正常运行。
四、采购预算本项目采购预算为人民币[预算金额]元,具体明细如下:1. 设备类:[设备名称]若干台,预算金额为人民币[金额]元。
2. 材料类:[材料名称]若干吨,预算金额为人民币[金额]元。
3. 办公用品类:[办公用品名称]若干件,预算金额为人民币[金额]元。
4. 技术咨询、施工监理、培训服务等,预算金额为人民币[金额]元。
五、申请事项1. 请贵部门对本次采购需求进行审批。
2. 请贵部门协助发布采购公告,邀请合格供应商参与投标。
3. 请贵部门组织评审小组,对投标文件进行评审,确保采购工作的公正、公平。
感谢贵部门对[项目名称]项目的支持与关注,期待与贵部门携手合作,共同推进项目顺利实施。
此致敬礼![申请人单位名称][申请人姓名][申请日期]。
采购需求书
一、项目概况
项目名称:阳春监狱监舍区化粪池清理服务采购
采购内容:为做好今冬明春疾病防控工作,生活卫生科计划对监舍区11栋监舍楼、1栋教学楼化粪池进行抽排清理。
预算金额:人民币27500.00元。
二、供应商资格
(一)具备《政府采购法》第二十二条所规定的条件:
1.具有独立承担民事责任能力;
2.具有良好的商业信誉和健全的财务会计制度;
3.具有履行合同所必需的设备和专业技术能力;
4.有依法缴纳税收和社会保障资金的良好记录;
5.参加政府采购活动前三年内,在经营活动中没有重大违法记录;
6.法律、行政法规规定的其他条件。
(二)在中华人民共和国境内注册的法人、其他组织或自然人;
(三)营业执照经营范围需包含有:物业管理;
三、采购项目技术规格、参数及要求
(一)采购项目需求一览表:
采购项目一览表
报价要求:按每车次报价,总报价不得高于最高限价,否则视为无效报价。
(二)采购服务要求
1.完成时间:自合同签订之日起,10个工作日。
2.抽排车辆容积不低于6立方。
3.验收标准
需将每个化粪池沉积物完全抽空。
4.费用支付方式:完成服务验收后一次性付款,按实际抽排车次结算。
生活卫生科
2021年11月17日。
采购需求书范本尊敬的XXX公司:我公司目前有以下采购需求,并希望能与贵公司建立长期合作关系,为我公司提供所需的物资和服务。
根据我公司的业务发展需要,我们希望能够与贵公司合作并达成以下采购协议:1. 物资采购需求:根据我公司的业务发展计划,我们需要进行以下物资的采购: - 电脑设备:我们需要购买一批新的电脑设备,包括台式机和笔记本电脑,以满足员工的办公需求。
- 办公家具:我公司计划进行办公室装修,需要采购一些办公家具,如办公桌、文件柜、书架等。
- 办公用品:为了保证办公工作的正常运行,我们需要购买一些办公用品,如打印机、复印纸、墨盒等。
2. 服务采购需求:- 广告宣传:我公司计划推出新产品,在市场上进行广告宣传,我们需要寻找一家有经验的广告公司,提供广告策划和推广服务。
- 物流配送:为了保证产品能够及时送达客户手中,我们需要寻找一家可靠的物流公司,提供配送服务。
- IT技术支持:作为一个IT公司,我们需要与一家专业的IT服务公司合作,提供网络维护、数据备份和系统升级等技术支持。
3. 供应商要求:我公司对供应商的要求如下:- 信誉良好:供应商必须具备良好的信誉,有合法的营业执照和相关资质证明。
- 价格合理:我们希望与供应商建立长期合作关系,供应商应提供合理的价格,并确保产品和服务的质量。
- 交货准时:供应商必须能够按时交付物资和提供服务,以保证我公司正常的生产和运营。
4. 结算方式:我公司的结算方式为XX天内支付货款。
5. 投标方式:有意投标的供应商请将相关资料提交至我公司采购部门,包括公司介绍、产品目录、价格表和参考客户等。
6. 联系方式:- 公司名称:XXX公司- 地址:XX省XX市XX区XX路XX号- 联系人:XXX- 电话:XXX-XXXXXXX- 邮箱:***********希望贵公司能够详细了解我公司的采购需求,并能按要求提供相关物资和服务。
我们期待与贵公司建立长期合作关系,共同发展。
此致敬礼!XXX公司。
采购项目需求计划书8篇采购项目需求计划书(精选篇1)1.项目组成以及产品简介我方投标设备的基础功能面向客户使用,包含取号呼叫叫号显示队列设置管理等内容。
应具备灵活的与业务系统对接的能力,开放通讯协议和数据接口。
设备选用:此次投标设备是新一代智能型排队管理系统。
系统的设计初衷是以高科技的计算机技术手段来代替老百姓排队,保证老百姓按优先顺序办理业务的公平原则进行,使得老百姓不需要再站立排队,而可以轻松的在等待区等待叫号,然后接受服务。
随着各个行业营业厅业务规模的逐年增加,业务复杂程度越来越高,营业点排队的压力也在增大,为了适应和满足客户需求,公司不断完善系统。
该系统可广泛应用于银行医院通讯邮政海关政务等窗口服务行业。
2.供货方案产品供应所提供的货物为全新的原厂商原装货物。
采用原厂包装,货物或其包装上标识货物的品牌原厂商及产地,提供货物原厂商提供的货物装箱清单及货物质量检验合格证书,货物原产地证书。
向客户提供的技术资料是清晰的正确的完整的。
设备安装测试验收完毕,向客户提供设备安装运行使用测试诊断和维修的技术文档,提供所购设备的安装指南用户手册。
在实际交货前2个工作日以书面或电话形式通知采购人订单上所列联系人做好接货准备(避开节假日)。
如遇特殊原因(如不可抗力等情况),在与接货人协商后可变更交货时间。
产品包装排队管理设备均采用防震防静电的塑料膜作为内包装;采用加厚的防震泡沫作为中间层包装;采用全封闭的纸箱作为外包装。
负责安排恰当的运输工具,并支付运费,确保按期交货。
搬运运输在产品的运输方面,公司与大中型的专业货运公司建立有长期的合作关系。
在交货方面,公司将依据合同和使用单位指定的时间,根据实际情况选择公路铁路航空等运输方式,将排队管理设备安全快捷无损地运送到移动使用单位指定的安装地点,交付给指定的人员验收。
产品到货验收备运输到采购人指定地点后 5个工作日内,采购人对设备进行到货验收,验收合格后,签署《到货证明》。
采购申请报告书6篇第1篇示例:采购申请报告书一、背景随着公司业务的不断扩大,为了更好地满足客户需求,提高生产效率,我们公司计划对办公设备进行采购升级。
当前公司办公设备陈旧,影响工作效率,为此,特提出以下采购申请报告。
二、采购需求1. 采购目标:更新公司办公设备,提高员工工作效率和体验。
2. 采购项目:包括电脑、打印机、投影仪、办公桌椅等。
3. 采购数量:计划采购100台电脑、20台打印机、5台投影仪、50套办公桌椅。
三、采购理由1. 提高工作效率:更新办公设备能够提高员工的工作效率,减少等待时间,加快工作进度。
2. 提升公司形象:更新设备能够提升公司的形象,展现公司的现代化管理水平。
3. 节约成本:新设备具有更高的能效比和更低的维护成本,能够降低公司的运营成本。
4. 促进员工积极性:良好的工作环境能够提高员工的工作积极性,提高公司整体效益。
四、采购预算根据市场调研和供应商提供的报价,预计本次采购的总成本为50万元。
具体预算如下:1. 电脑:每台3000元,合计30万元。
2. 打印机:每台1000元,合计2万元。
3. 投影仪:每台5000元,合计2.5万元。
4. 办公桌椅:每套2000元,合计10万元。
五、采购计划及执行步骤1. 制定采购计划:确定采购物料种类、数量及预算。
2. 调研供应商:与多家供应商进行洽谈、比较价格和服务。
3. 签订合同:选定供应商后,签订采购合同,明确双方责任。
4. 付款及交付:按合同约定付款方式支付款项,接收货物并验收。
5. 安装调试:对设备进行组装安装、调试,确保正常使用。
6. 使用培训:进行员工培训,保证员工能够熟练操作新设备。
六、风险控制及后续管理1. 供应商资质核查:在选择供应商时要对其资质进行认真核查,确保供应商的信誉和可靠性。
2. 合同条款明确:在签订合要明确约定交付日期、售后服务等事项,防范合同纠纷。
3. 设备维护保养:定期对设备进行维护保养,延长设备使用寿命,降低维修成本。
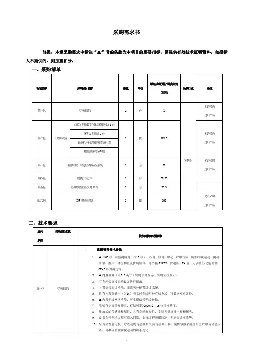
采购需求书前提:本章采购需求中标注“▲”号的条款为本项目的重要指标,需提供有效技术证明资料,如投标人不提供的,则加重扣分。
一、采购清单二、技术要求三、商务要求(一)交货方式1.交付期:签订合同之日起60日内交货。
2.交货地点:海南省妇女儿童医学中心。
(二)安装验收1.开箱检验,采购人和供应商双方应共同对设备的包装、外观、设备品牌、原厂商、产地、规格型号、数量进行检验。
如在开箱检验中发现所交付的合同设备有短缺、损坏、不合格产品等;或与合同、随机文件不相符的情形;供应商应于5日内无条件予以补足、更换,并承担由此造成的一切损失。
待设备补足或更换后,采购人和供应商双方重新对合同设备进行检验,验收合格后再组织安装调试。
2.供应商应派专业工程师到现场进行安装、调试设备,并对相关人员进行培训。
在安装过程中,采购人工程师负责对设备安装调试予以配合和相应的协调工作。
3.供应商对设备所进行的安装调试应与合同约定的性能完全一致,且不能低于相应的国家标准及行业标准。
安装调试完毕,采购人和供应商双方根据合同的技术标准共同进行验收,并交付合同设备的质量合格证、保修单、使用说明书、维修手册等相关资料。
在验收过程中,如合同设备的一项或数项指标未达到设备技术资料所规定要求,供应商应于5日内予以更换设备,由此产生的费用由供应商承担。
验收合格后,双方签署验收报告,并加盖医学装备科公章确认。
(三)质量保证和售后服务1.供应商保证提供的设备必须为正规渠道销售的设备,并为全新未使用过的。
设备必须符合国家检测标准,供应商承诺所供设备与成交所示设备明细完全一致,不存在任何偏差。
如设备的规格或质量与合同不符,或设备存在缺陷,供应商应接到采购人书面通知后六十日内按合同确定的规格、质量予以更换,由此产生的一切费用及给采购人造成的一切损失由供应商承担,同时相应延长质量保证期。
2.如因规格、质量问题,供应商未按第一款的约定处理,采购人有权要求供应商退货,供应商必须按合同约定的货款并加算全国银行间同业拆借利率,退款给采购人;并承担由退货给采购人造成的损失。
采购需求书(初稿)说明:1.投标人应当具备《中华人民共和国政府采购法》第二十二条资格条件:(1)具有独立承担民事责任的能力;(2)具有良好的商业信誉和健全的财务会计制度;(3)具有履行合同所必需的设备和专业技术能力;(4)有依法缴纳税收和社会保障资金的良好记录;(5)参加政府采购活动前三年内,在经营活动中没有重大违法记录;(6)法律、行政法规规定的其他条件。
2.投标人还应当符合下列特定条件要求:(1)必须对本单位及法人三年内未被各级纪委监委、公检法等司法、执法机关立案调查、处理作出书面承诺,并提供有关承诺书(若日后发现有上述情况,将取消投标资格,已中标的以作废处理并列入我单位失信名单)。
(2)必须对项目服务作出书面承诺,并提供《公平竞争承诺书》。
(3)具备良好的从业信誉和服务经验。
(4)按照《中华人民共和国劳动法》和《中华人民共和国劳动合同法》的相关规定发放工资,不得低于广州区地区最低工资标准(工资不含按国家规定中标人必须支付的社会保险及其他应付费用)。
(5)增城区地区以外的投标人在中标后必须在增城区设立服务办事机构。
(6)投标人须建有专门的安全管理队伍,对派驻的人员和车辆实行安全管理和督促检查,并按规定与要求对人员做好定时体检工作,定时对车辆维修检测。
(7)因考虑到服务对象的特殊性和理赔的需求,本项目不接受联合体投标。
(8)中标人所提供的轿车要配备安装汽车行驶记录仪和车内、外录像监控系统等相关设备,摩托车15辆,要同时取得粤A车牌。
一、项目概况(一)项目名称:增城区校园安全指挥调度中心日常运作服务采购项目(二)服务内容:协助局机关对增城区教育系统学校(含幼儿园、成职校)开展校园安全指挥调度等工作,主要包含:1.对学校视频巡查、实地督查、一键报警系统巡查;2.对校园及周边进行安全风险研判与督查;3.协助处置校园突发事件;4.开展校内培训与应急演练;5.撰写相关材料、收发文件及台账整理;6.对学校相关财务运营进行指导等工作。
政府采购项目需求书
根据《广州市财政局关于广州市政府集中采购目录及采购限额标准(2020年版)的补充通知》,“车辆加油服务”纳入我市政府集中采购品目目录,拟在广东政府采购智慧云平台电子卖场实施采购车辆加油服务。
有关需求如下:
一、项目名称
广州市公安局审批管理处2021-2022年度车辆加油服务项目。
二、项目概况
根据工作实际,提供本处2021-2022年度公务用车加油服务。
三、服务内容
(一)按照单价不超过相关主管部门最新公布的最高零售价,供应本处2021-2022年度公务用车加油服务。
(二)所提供油品质量符合国家车用汽油相关标准和规定,服务符合国家行业生产及经营标准,各项技术指标符合国家有关质量检测、环保标准及产品出厂标准。
(三)旗下加油站提供24小时运营加油服务,节假日照常营业,保障车辆所需油品的供应。
四、服务期限
自签订合同之日起至2022年12月31日。
五、采购限价
8万元。
六、付款方式
由中标人按对应车牌开具正式发票,采购人使用公务卡按次据实结算。
广州市公安局审批管理处
2021年6月9日。
办公用品采购需求书
尊敬的采购部门:
我们部门目前有一些办公用品的采购需求,为了更好地支持日常工作,特向贵部门提出以下办公用品的采购需求。
希望能够尽快得到处理,以确保工作的正常运转。
具体采购清单如下:
1.打印纸:A4规格,白色,80克。
2.墨盒和墨粉:适用于公司现有的打印机型号,确保兼容性。
3.笔记本电脑:高性能,便携式,适用于业务需要。
4.办公椅:舒适、可调节高度,适用于员工长时间办公使用。
5.文件柜:钢制文件柜,多抽屉设计,用于安全存储文件和办公用品。
6.打印机:多功能打印机,包含扫描、复印功能。
7.办公桌:现代化设计,宽敞,适用于各类办公场景。
8.文具套装:包括笔、便签、订书机等日常办公用品。
9.办公室植物:提高办公环境的舒适感,增加空气质量。
以上是我们部门目前的办公用品采购需求清单,望贵部门尽快核实并提供相关报价。
如有其他相关产品或推荐,也请一并告知,以便我们更全面地考虑。
感谢您的配合与支持,期待尽早完成采购流程。
谢谢!
[您的姓名][您的职务][联系方式]。
采购申请报告书6篇篇1一、报告背景随着公司业务不断拓展,采购需求逐渐增大。
本次采购旨在确保公司正常运营和项目顺利进行,经过市场调研和需求分析,拟申请一批重要物资的采购。
二、采购目的与必要性本次采购的主要目的是为了满足公司生产运营及项目开展的基本需求,确保供应链的稳定。
具体必要性如下:1. 满足生产需求:确保生产线不中断,保障产品质量。
2. 促进项目进展:确保项目按时、按质完成,提高客户满意度。
3. 优化成本:通过集中采购,降低采购成本,提高公司整体效益。
三、采购内容本次采购主要包括以下物资:1. 原材料:用于生产过程中的基础材料,如钢材、塑料等。
2. 辅助材料:用于生产过程中的辅助性材料,如包装材料、耗材等。
3. 设备及配件:用于生产及项目开展所需的设备及配件,如机械设备、电子元件等。
4. 具体数量及规格:根据实际需求进行申请,详见附件清单。
四、市场调研与供应商选择1. 市场调研:我们对市场进行了全面的调研,分析了供应商的价格、质量、供货能力等方面,确保采购的物资性价比最优。
2. 供应商选择:经过综合评估,我们选择了具有良好信誉和稳定供货能力的供应商进行合作。
五、预算与资金安排1. 预算:根据市场调研结果及采购清单,我们制定了详细的预算方案,总预算金额XX万元。
2. 资金安排:资金来源为公司自有资金,支付方式为线上转账,确保资金安全、快捷。
六、采购流程1. 提交采购申请:填写采购申请报告书,提交至审批部门。
2. 审批:经审批部门审核通过后,进行下一步操作。
3. 询价与议价:与供应商进行询价及议价谈判,确定最终采购价格。
4. 签订合同:与供应商签订采购合同,明确双方权益。
5. 付款与发货:按合同约定付款,确认收货及验收流程。
七、风险控制1. 价格波动:关注市场动态,及时与供应商沟通,调整采购价格。
2. 供货延迟:与供应商约定交货时间,确保按时供货。
3. 质量风险:加强质量检测,确保采购物资质量达标。