高强度螺栓终拧扭矩检查记录表_(自动保存的)
- 格式:doc
- 大小:330.00 KB
- 文档页数:13
扭矩检查记录表一、引言扭矩检查是一种常用的质量控制方法,用于检测和测量旋转设备或连接件的扭矩。
通过记录扭矩检查结果,可以判断设备或连接件的紧固状态是否符合要求,从而保证设备的安全运行和工作效率。
二、扭矩检查的意义扭矩是描述旋转力矩的物理量,对于许多设备和连接件来说,正确的扭矩是保证其正常运行和安全使用的关键。
扭矩检查的意义主要体现在以下几个方面:1. 防止松动:正确的扭矩可以确保设备和连接件的紧固状态,避免松动导致设备故障或事故。
2. 提高工作效率:适当的扭矩可以保证设备的正常运行,提高工作效率。
3. 预防损坏:过高或过低的扭矩都可能导致设备或连接件的损坏,而通过扭矩检查可以及时发现并纠正问题。
三、扭矩检查的方法扭矩检查可以通过多种方法进行,根据具体的设备和连接件类型选择合适的方法。
以下是常见的扭矩检查方法:1. 扭力扳手:扭力扳手是一种专门用于测量和控制扭矩的工具,适用于需要较高精度的扭矩检查。
2. 扭矩表:扭矩表是一种通过测量扭矩值来判断紧固状态的工具,适用于对扭矩精度要求不高的情况。
3. 扭矩限制螺母:扭矩限制螺母是一种带有扭矩限制功能的设备,通过限制扭矩来保证紧固状态。
四、扭矩检查记录表为了记录和管理扭矩检查的结果,通常会使用扭矩检查记录表。
扭矩检查记录表包括以下几个要点:1. 设备信息:记录被检测设备的相关信息,如设备名称、型号、序列号等。
2. 检查日期:记录扭矩检查的日期,以便追踪和管理检查结果。
3. 扭矩检查方法:记录所采用的扭矩检查方法,如扭力扳手、扭矩表或扭矩限制螺母等。
4. 扭矩检查结果:记录检查时所得到的扭矩数值,应包括正常范围内的数值和异常情况下的数值。
5. 备注:记录检查时的特殊情况或备注信息,如异常现象、设备状况等。
六、扭矩检查结果的处理根据扭矩检查记录表中的扭矩检查结果,可以采取相应的处理措施。
处理措施包括以下几个方面:1. 正常范围内:如果扭矩检查结果在正常范围内,可以确认设备或连接件的紧固状态良好,无需特别处理。
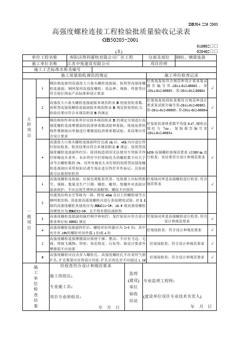
高强度螺栓施工扭矩值参考表
1
说明:根据高强度螺栓的实测扭矩系数(检测报告的扭矩系数)调整实测扭矩系数值即可得施工终拧
扭矩
钢结构用大六角高强度螺栓连接副的施工扭矩是根据实测的扭矩系数进行计算而得的,即为了满足规
范中所
规定的预拉力值要求,根据试验所获得的真实的扭矩系数用GB50205-2001附录中的计算公式计算而
得。
详见《钢
结构工程施工质量验收规范》(GB50205-2001)第65页“附录B 紧固件连接工程检验项目”中的第B.0.3
条规定。
其计算公式为:终拧扭矩值=扭矩系数X施工预拉力值标准值X螺栓公称直径。
饱食终日,无所用心,难矣哉。
——《论语•阳货》
2。
扭矩检查记录表
扭矩检查记录表应包括以下项目:
1. 日期、时间和地点:记录检查开始和结束的日期、时间和地点。
2. 设备标识:记录被检查的设备的唯一标识符,例如序号、型号等。
3. 检验员:记录进行检查的人员姓名、职务等。
4. 测量工具:记录使用的扭矩工具、精度等级、检定日期等。
5. 标准值:记录设备所需的标准扭矩值。
6. 测量值:记录实测扭矩值。
7. 记录方法:记录采用的扭矩检测方法。
8. 结果判定:确定扭矩值是否合格,并进行合格或不合格判定。
9. 检查结论:记录检查结论,包括通过或未通过,并对不通过的项目进行相关说明。
10. 备注:记录其他需要说明的内容。
以上是扭矩检查记录表的标准内容,但具体的表格格式和内容可以根据实际需要进行调整。
高强度螺栓连接副施工质量检查记录表
单位(子单位)工程名称熔炼主厂房检查部位吹炼工段
施工单位**螺栓类别扭剪型
螺栓规格型号M20扭剪型10.9s施工日期2014年 6月10日验收标准GB50205-2001 ,JGJ89-91
合格证编号见高强螺栓材料进场报验
序号构件
编号
初拧值
(N•m)
终拧值(N
•m)
设计预拉
力(KN)
螺栓
方向
外露丝
扣(扣)
螺栓自由度外观质量监理检查意见
1
AK1-3/梅花头掉155向外3自由穿入洁净
2/梅花头掉155向外3自由穿入洁净3/梅花头掉155向外3自由穿入洁净4/梅花头掉155向外3自由穿入洁净
构件名称、高强度螺栓编号及附图:
本文档部分内容来源于网络,如有内容侵权请告知删除,感谢您的配合!。
工程名称:天津银隆新能源有限公司标准厂房及附属配套设施建设一期项目1#电池厂房工程施工单位:中国二十冶集团有限公司螺栓形式:钢结构用高强度大六角头螺栓连接副等级:10.9 检验方法:扭矩扳手工程名称:天津银隆新能源有限公司标准厂房及附属配套设施建设一期项目1#电池厂房工程施工单位:中国二十冶集团有限公司螺栓形式:钢结构用高强度大六角头螺栓连接副等级:10.9 检验方法:扭矩扳手工程名称:天津银隆新能源有限公司标准厂房及附属配套设施建设一期项目1#电池厂房工程施工单位:中国二十冶集团有限公司螺栓形式:钢结构用高强度大六角头螺栓连接副等级:10.9 检验方法:扭矩扳手工程名称:天津银隆新能源有限公司标准厂房及附属配套设施建设一期项目1#电池厂房工程施工单位:中国二十冶集团有限公司螺栓形式:钢结构用高强度大六角头螺栓连接副等级:10.9 检验方法:扭矩扳手工程名称:天津银隆新能源有限公司标准厂房及附属配套设施建设一期项目1#电池厂房工程施工单位:中国二十冶集团有限公司螺栓形式:钢结构用高强度大六角头螺栓连接副等级:10.9 检验方法:扭矩扳手工程名称:天津银隆新能源有限公司标准厂房及附属配套设施建设一期项目1#电池厂房工程施工单位:中国二十冶集团有限公司螺栓形式:钢结构用高强度大六角头螺栓连接副等级:10.9 检验方法:扭矩扳手工程名称:天津银隆新能源有限公司标准厂房及附属配套设施建设一期项目1#电池厂房工程施工单位:中国二十冶集团有限公司螺栓形式:钢结构用高强度大六角头螺栓连接副等级:10.9 检验方法:扭矩扳手工程名称:天津银隆新能源有限公司标准厂房及附属配套设施建设一期项目1#电池厂房工程施工单位:中国二十冶集团有限公司螺栓形式:钢结构用高强度大六角头螺栓连接副等级:10.9 检验方法:扭矩扳手工程名称:天津银隆新能源有限公司标准厂房及附属配套设施建设一期项目1#电池厂房工程施工单位:中国二十冶集团有限公司螺栓形式:钢结构用高强度大六角头螺栓连接副等级:10.9 检验方法:扭矩扳手工程名称:天津银隆新能源有限公司标准厂房及附属配套设施建设一期项目1#电池厂房工程施工单位:中国二十冶集团有限公司螺栓形式:钢结构用高强度大六角头螺栓连接副等级:10.9 检验方法:扭矩扳手工程名称:天津银隆新能源有限公司标准厂房及附属配套设施建设一期项目1#电池厂房工程施工单位:中国二十冶集团有限公司螺栓形式:钢结构用高强度大六角头螺栓连接副等级:10.9 检验方法:扭矩扳手工程名称:天津银隆新能源有限公司标准厂房及附属配套设施建设一期项目1#电池厂房工程施工单位:中国二十冶集团有限公司螺栓形式:钢结构用高强度大六角头螺栓连接副等级:10.9 检验方法:扭矩扳手工程名称:天津银隆新能源有限公司标准厂房及附属配套设施建设一期项目1#电池厂房工程施工单位:中国二十冶集团有限公司螺栓形式:钢结构用高强度大六角头螺栓连接副等级:10.9 检验方法:扭矩扳手工程名称:天津银隆新能源有限公司标准厂房及附属配套设施建设一期项目1#电池厂房工程施工单位:中国二十冶集团有限公司螺栓形式:钢结构用高强度大六角头螺栓连接副等级:10.9 检验方法:扭矩扳手工程名称:天津银隆新能源有限公司标准厂房及附属配套设施建设一期项目1#电池厂房工程施工单位:中国二十冶集团有限公司螺栓形式:钢结构用高强度大六角头螺栓连接副等级:10.9 检验方法:扭矩扳手工程名称:天津银隆新能源有限公司标准厂房及附属配套设施建设一期项目1#电池厂房工程施工单位:中国二十冶集团有限公司螺栓形式:钢结构用高强度大六角头螺栓连接副等级:10.9 检验方法:扭矩扳手工程名称:天津银隆新能源有限公司标准厂房及附属配套设施建设一期项目1#电池厂房工程施工单位:中国二十冶集团有限公司螺栓形式:钢结构用高强度大六角头螺栓连接副等级:10.9 检验方法:扭矩扳手工程名称:天津银隆新能源有限公司标准厂房及附属配套设施建设一期项目1#电池厂房工程施工单位:中国二十冶集团有限公司螺栓形式:钢结构用高强度大六角头螺栓连接副等级:10.9 检验方法:扭矩扳手工程名称:天津银隆新能源有限公司标准厂房及附属配套设施建设一期项目1#电池厂房工程施工单位:中国二十冶集团有限公司螺栓形式:钢结构用高强度大六角头螺栓连接副等级:10.9 检验方法:扭矩扳手工程名称:天津银隆新能源有限公司标准厂房及附属配套设施建设一期项目1#电池厂房工程施工单位:中国二十冶集团有限公司螺栓形式:钢结构用高强度大六角头螺栓连接副等级:10.9 检验方法:扭矩扳手工程名称:天津银隆新能源有限公司标准厂房及附属配套设施建设一期项目1#电池厂房工程施工单位:中国二十冶集团有限公司螺栓形式:钢结构用高强度大六角头螺栓连接副等级:10.9 检验方法:扭矩扳手工程名称:天津银隆新能源有限公司标准厂房及附属配套设施建设一期项目1#电池厂房工程施工单位:中国二十冶集团有限公司螺栓形式:钢结构用高强度大六角头螺栓连接副等级:10.9 检验方法:扭矩扳手工程名称:天津银隆新能源有限公司标准厂房及附属配套设施建设一期项目1#电池厂房工程施工单位:中国二十冶集团有限公司螺栓形式:钢结构用高强度大六角头螺栓连接副等级:10.9 检验方法:扭矩扳手工程名称:天津银隆新能源有限公司标准厂房及附属配套设施建设一期项目1#电池厂房工程施工单位:中国二十冶集团有限公司螺栓形式:钢结构用高强度大六角头螺栓连接副等级:10.9 检验方法:扭矩扳手工程名称:天津银隆新能源有限公司标准厂房及附属配套设施建设一期项目1#电池厂房工程施工单位:中国二十冶集团有限公司螺栓形式:钢结构用高强度大六角头螺栓连接副等级:10.9 检验方法:扭矩扳手工程名称:天津银隆新能源有限公司标准厂房及附属配套设施建设一期项目1#电池厂房工程施工单位:中国二十冶集团有限公司螺栓形式:钢结构用高强度大六角头螺栓连接副等级:10.9 检验方法:扭矩扳手工程名称:天津银隆新能源有限公司标准厂房及附属配套设施建设一期项目1#电池厂房工程施工单位:中国二十冶集团有限公司螺栓形式:钢结构用高强度大六角头螺栓连接副等级:10.9 检验方法:扭矩扳手工程名称:天津银隆新能源有限公司标准厂房及附属配套设施建设一期项目1#电池厂房工程施工单位:中国二十冶集团有限公司螺栓形式:钢结构用高强度大六角头螺栓连接副等级:10.9 检验方法:扭矩扳手工程名称:天津银隆新能源有限公司标准厂房及附属配套设施建设一期项目1#电池厂房工程施工单位:中国二十冶集团有限公司螺栓形式:钢结构用高强度大六角头螺栓连接副等级:10.9 检验方法:扭矩扳手工程名称:天津银隆新能源有限公司标准厂房及附属配套设施建设一期项目1#电池厂房工程施工单位:中国二十冶集团有限公司螺栓形式:钢结构用高强度大六角头螺栓连接副等级:10.9 检验方法:扭矩扳手钢结构高强度螺栓连接记录表工程名称:天津银隆新能源有限公司标准厂房及附属配套设施建设一期项目1#电池厂房工程施工单位:中国二十冶集团有限公司螺栓形式:钢结构用高强度大六角头螺栓连接副等级:10.9 检验方法:扭矩扳手钢结构高强度螺栓连接记录表工程名称:天津银隆新能源有限公司标准厂房及附属配套设施建设一期项目1#电池厂房工程施工单位:中国二十冶集团有限公司工程名称:天津银隆新能源有限公司标准厂房及附属配套设施建设一期项目1#电池厂房工程施工单位:中国二十冶集团有限公司螺栓形式:钢结构用高强度大六角头螺栓连接副等级:10.9 检验方法:扭矩扳手工程名称:天津银隆新能源有限公司标准厂房及附属配套设施建设一期项目1#电池厂房工程施工单位:中国二十冶集团有限公司螺栓形式:钢结构用高强度大六角头螺栓连接副等级:10.9 检验方法:扭矩扳手工程名称:天津银隆新能源有限公司标准厂房及附属配套设施建设一期项目1#电池厂房工程施工单位:中国二十冶集团有限公司螺栓形式:钢结构用高强度大六角头螺栓连接副等级:10.9 检验方法:扭矩扳手工程名称:天津银隆新能源有限公司标准厂房及附属配套设施建设一期项目1#电池厂房工程施工单位:中国二十冶集团有限公司螺栓形式:钢结构用高强度大六角头螺栓连接副等级:10.9 检验方法:扭矩扳手工程名称:天津银隆新能源有限公司标准厂房及附属配套设施建设一期项目1#电池厂房工程施工单位:中国二十冶集团有限公司螺栓形式:钢结构用高强度大六角头螺栓连接副等级:10.9 检验方法:扭矩扳手工程名称:天津银隆新能源有限公司标准厂房及附属配套设施建设一期项目1#电池厂房工程施工单位:中国二十冶集团有限公司螺栓形式:钢结构用高强度大六角头螺栓连接副等级:10.9 检验方法:扭矩扳手工程名称:天津银隆新能源有限公司标准厂房及附属配套设施建设一期项目1#电池厂房工程施工单位:中国二十冶集团有限公司螺栓形式:钢结构用高强度大六角头螺栓连接副等级:10.9 检验方法:扭矩扳手工程名称:天津银隆新能源有限公司标准厂房及附属配套设施建设一期项目1#电池厂房工程施工单位:中国二十冶集团有限公司螺栓形式:钢结构用高强度大六角头螺栓连接副等级:10.9 检验方法:扭矩扳手资料.。
高强度螺栓终拧扭矩检查记录表
工程项目:银川顶津食品有限公司3#矿水车间工程
施工单位:陕西建工第一建设集团有限公司监理单位:北京中联环建设工程管理有限公司
施工单位:陕西建工第一建设集团有限公司监理单位:北京中联环建设工程管理有限公司
施工单位:陕西建工第一建设集团有限公司监理单位:北京中联环建设工程管理有限公司
施工单位:陕西建工第一建设集团有限公司监理单位:北京中联环建设工程管理有限公司
施工单位:陕西建工第一建设集团有限公司监理单位:北京中联环建设工程管理有限公司
施工单位:陕西建工第一建设集团有限公司监理单位:北京中联环建设工程管理有限公司
施工单位:陕西建工第一建设集团有限公司监理单位:北京中联环建设工程管理有限公司
施工单位:陕西建工第一建设集团有限公司监理单位:北京中联环建设工程管理有限公司
施工单位:陕西建工第一建设集团有限公司监理单位:北京中联环建设工程管理有限公司
施工单位:陕西建工第一建设集团有限公司监理单位:北京中联环建设工程管理有限公司。
高强度螺栓终拧扭矩检查记录表
工程项目:银川顶津食品有限公司3#矿水车间工程
施工单位:陕西建工第一建设集团有限公司监理单位:北京中联环建设工程管理有限公司
高强度螺栓终拧扭矩检查记录表
工程项目:银川顶津食品有限公司3#矿水车间工程
施工单位:陕西建工第一建设集团有限公司监理单位:北京中联环建设工程管理有限公司
高强度螺栓终拧扭矩检查记录表
工程项目:银川顶津食品有限公司3#矿水车间工程
施工单位:陕西建工第一建设集团有限公司监理单位:北京中联环建设工程管理有限公司
高强度螺栓终拧扭矩检查记录表
工程项目:银川顶津食品有限公司3#矿水车间工程
施工单位:陕西建工第一建设集团有限公司监理单位:北京中联环建设工程管理有限公司
高强度螺栓终拧扭矩检查记录表
工程项目:银川顶津食品有限公司1#饮品车间工程
施工单位:陕西建工第一建设集团有限公司监理单位:北京中联环建设工程管理有限公司
高强度螺栓终拧扭矩检查记录表
工程项目:银川顶津食品有限公司1#饮品车间工程
施工单位:陕西建工第一建设集团有限公司监理单位:北京中联环建设工程管理有限公司
高强度螺栓终拧扭矩检查记录表
工程项目:银川顶津食品有限公司1#饮品车间工程
施工单位:陕西建工第一建设集团有限公司监理单位:北京中联环建设工程管理有限公司
高强度螺栓终拧扭矩检查记录表
工程项目:银川顶津食品有限公司1#饮品车间工程
施工单位:陕西建工第一建设集团有限公司监理单位:北京中联环建设工程管理有限公司
高强度螺栓终拧扭矩检查记录表
工程项目:银川顶津食品有限公司1#饮品车间工程
施工单位:陕西建工第一建设集团有限公司监理单位:北京中联环建设工程管理有限公司
高强度螺栓终拧扭矩检查记录表
工程项目:银川顶津食品有限公司1#饮品车间工程
施工单位:陕西建工第一建设集团有限公司监理单位:北京中联环建设工程管理有限公司。