迎(送)客语音门铃设计
- 格式:doc
- 大小:433.00 KB
- 文档页数:21
毕业论文之阳早格格创做《电子语音迎宾器安排与创制》院(系):工做技能教院博业年级:电子疑息工程技能2009级姓名:XX教号:XX指挥西席:XXX纲要本文介绍一种具备简朴辨别去人功能的电子语音迎宾器,切合正在宾馆、阛阓等大众场合的门前拆置使用.当有人进门时,它会规矩天收出“欢迎到临”声,使人倍感亲切.本文还介绍了一些主要电子元器件的功能战应用范畴.那是一种新式语音迎宾器,体积非常小巧,而且代价非常矮廉,它不妨自动检测去人,当人通过迎宾器时自收出浑晰响明的“您佳!欢迎到临!”的华文女声非常神偶.检测人的窗心很小,只消正在其余物体上启8毫米安排的孔伸出检测孔便能仄常处事,所以本产品不妨便当天战其余产品拉拢,比圆拆进少毛绒玩具中,产死一个瞅到人便会谈话的玩具.检测窗心很湮出,不像黑中透镜、微波传感器的天线一般引人注意,咱们的产品不妨让去人很易创制构制,减少趣味感大概者防损害.产品代价非常矮廉便于遍及战洪量死产.咱们的产品的语音真量是牢固稳定的,无法定搞大概者变动真量.天然如果换成可录搁语音电路,大概者战其余电路拉拢不妨真止其余用途.关键词汇:光敏电阻,电子语音芯片,集成电路.目录纲要2目录3序止3第一章电子语音迎宾器电路的总体安排41.1 电子语音迎宾器的总体介绍41.2 电子语音迎宾器电路的分类:5第二章电子语音迎宾器电路处事本理及条件6第三章电子语音迎宾器电路的硬件采用83.1 光敏电阻的采用及处事本理战参数83.3 TQ33F正在电路中的应用143.3.1 引足功能形貌143.4 其余元器件的采用16第四章电子语音迎宾器电路的拆置与调试164.2 本安排可矫正的圆里17第五章归纳17致开18参照文件18参照文件19序止正在比赛日益猛烈的即日,各止各业为遍及比赛力,纷纷推出了百般新颖的真物去吸引消耗者,通过万古间的阛阓调研,创制百般阛阓,宾馆舞厅等场合门心皆站有一排大概二排的迎宾小姐,那种迎宾办法不然而泯灭了洪量的物力资材,而且由于目前人力成本的不竭减少,便大大减少了企业的死产成本,别的还会由于服务人员万古间进止单调重复的处事,制成对付处事关切的钝减,从而效率服务品量,针对付那一局里咱们决断启垦安排电子迎宾系统,虽然目前阛阓上有出现了很多电子迎宾器,然而是有些产品不出进别功能,人情化程度比较矮,不克不迭齐圆背的体现人的服务个性.阛阓上于今还已出现那种比较完备的电子迎宾系统.相比之下,那套电子迎宾系统体现出强盛的劣良性,不但成本矮廉,而且处事本能宁静,还能为消耗者提供感官上的人情化服务.伴伴着电子技能与数字化技能的死少,启垦出一种服务品量佳,经济真用的统制系统成为诸多工程技能人员的探供,而电子迎宾系统不然而便于统一管制,而且能缩小人力资材,还对付环境革新、遍及经济效率皆有着隐著天效验.为此咱们决断安排着华夏新式的电子迎宾器去代替人力.该电子迎宾拆置是以激光为传感源,协共语音电路组拆而成,能随时任性改变语音电路中的录音,以谦足分歧场合的分歧使用效验.该电子迎宾系统的启垦安排,切合社会经济死少的必定趋势,正在投搁阛阓时一定能得到广大应用,而且具备广阔的阛阓前景.第一章电子语音迎宾器电路的总体安排1.1 电子语音迎宾器的总体介绍迎宾器的前身是电子防匪报警器;预先人们用它去防匪的,然而厥后果为电子防匪报警器收出的声音是刺耳的报警声,对付进店的主瞅爆收消极的效率,厥后演形成比较悦耳的声音,特天是:叮咚声,您.佳,欢迎到临!音效特受用户的青睐,主瞅一进门便报出欢迎语音,起到了规矩问候.目前迎宾器已广大应用到商业战大众场合中.正在商店中从而搞到指示店员有人进店战迎宾的二重效率.那是一种新式语音迎宾器,体积非常小巧,而且代价非常矮廉,它不妨自动检测去人,当人通过迎宾器时自动收出浑晰响明的“您佳!欢迎到临!”的华文女声非常神偶.1.2 电子语音迎宾器电路的分类:电子语音迎宾器感触门铃有2种分光感战黑中感触1:光感本理:光感迎宾器是利用人体反射光芒,光敏电阻得到足够大变更的光芒,电路爆收变更电流触收电路,敏捷度跟物体反射率有关.注:光感迎宾器与环境光照度有关,乌暗情况下不克不迭仄常使用2:黑中感触本理:迎宾器本理:黑中热释电传感器,动做办法:主动式,自己不收射所有旗号,故不爆收有害电磁搞扰,人体辐射的黑中线核心波少为9~10--um,而探测元件的波少敏捷度正在0.2~20--um范畴内险些宁静稳定.正在传感器顶端启设了一个拆有滤光镜片的窗心,那个滤光片可通过光的波少范畴为7~10--um,正佳切合于人体黑中辐射的探测,而对付其余波少的黑中线由滤光片给予吸支,那样便产死了一种博门用做探测人体辐射的黑中线传感器.二者比较:光感的代价廉价,然而是误报率下,果为传感核心是光敏电阻,光敏电阻对付可睹光大部分波少皆反应变更,故光芒变更大概会触收迎宾器反应,黑中感触的相比光感的代价较下,便宜误报极少,加上前里的菲涅我透镜窗心,从而将误报率落至最矮.然而是黑中感触的对付环境温度央供较下,特天是温度不克不迭下于人体的温度,温度过下会爆收感触距离变近等.最先有人通过时,人的身影呼应到光敏电阻它的阻值爆收变更,电源稳压电路的电流得到遍及,通过IC集成电路,由里里运算处理电路得到宁静稳当的电压值去推断出人的出进,而后报告给语音功搁电路,并收出声音.第二章电子语音迎宾器电路处事本理及条件2.1电路的处事本理电路本理介绍:利用人走过迎宾器时会爆收一个阳影的个性,通过光敏电阻对付光芒变更旗号的接支,动做本创制的传感器.创制采与电池供电,通电后系统加进等待状态.当有人通过感光器件时,由于人的身体验挡住光芒,若本去有一定的光芒映照正在光敏电阻R光上,则R光表示出一个电阻值,当人体挡住一部分映照于光敏电阻的光芒时,光敏电阻接支到的光芒强度爆收变更,那个变更经C2耦合,经Q1等组成的下删益搁大后,输进IC的反相输进端,那个旗号与共相输进端输进的旗号正在IC里里经运算搁大处理后,产死一个统制旗号,启动IC里里的音频爆收电路处事,爆收“您佳,欢迎到临!”的音频旗号,使人耳能听到那句问候语.正在乌暗环境里,它的电阻值很下,当受到光照时,只消光子能量大于半导体资料的禁戴宽度,则价戴中的电子吸支一个光子的能量后可跃迁到导戴,并正在价戴中爆收一个戴正电荷的空穴,那种由光照爆收的电子—空穴对付减少了半导体资料中载流子的数目,使其电阻率变小,从而制成光敏电阻阻值下落.光照愈强,阻值愈矮.进射光消得后,由光子激励爆收的电子—空穴对付将渐渐复合,光敏电阻的阻值也便渐渐回复本值.光敏电阻的主要参数有明电阻,暗电阻,光电个性光谱个性,频次个性,温度个性.正在光敏电阻二端的金属电极之间加上电压,其中便有电流利过,受到切合波少的光芒映照时,电流便会随光强的减少而变大,从而真止光电变换.不极性,杂粹是个电阻功夫,使用时可加直流也不妨加接流.2.2感触启关语音迎宾器的电路战处事条件由图可知,电流有二个通路一条是由电源背极到R3经光敏电阻到电源背极.电解电容C3主要效率为滤波.C2主要效率是耦合.另一条是由电源经R2 R1从三极管到芯片的输进端会有一个统制旗号.本安排所搞的感触启关正在应用中公有二个局里爆收.一个是无人时一个是去人时的二种电路统制旗号.正在仄常处事状态时,无人通过时,光敏电阻阻值大,电流小.正在电流的另一条通路三极管基础处于停止状态,不会给芯片TQ33F输支电压.芯片得不到语音电路的统制旗号.扬声器不会收出声音.正在有人通过时,光敏电阻感触到光的变更它的阻值会由大变小,电流删大.电流由R1R2耦合电容C2输支到三极管Q2的基极,再由集电极到三极管Q1的基极,收射极会给芯片输进端4足输支一个电压,芯片得到一个统制旗号,那个旗号里里经运算搁大处理后,产死一个统制旗号,启动里里的音频爆收电路处事,爆收“您佳,欢迎到临!”的音频旗号,使人耳能听到那句问候语.IC 1足为英文问候语若爆收英文收音对接1足.电路如图所示:处事条件:1.单极性安排:共一般墙壁启关(二线接驳),可接百般阻性背载(无需所有配件).2.齐自动感触:人去启关坐时接通,人离启后延时自动关关.3.无触面电子启关:接通背载的瞬间无大的冲打电流,延少背载使用寿命.4.自动测光:光芒强时不感触(出厂树坐),戴感光安排(也可安排正在任性光芒下感触大概齐天侯感触).5.自动随机延时(可连绝延时办法):人正在感触范畴活动,启关终究接通,直到人离启后才自动关关,(可选不连绝延时办法).6.延常常间可调:16秒-350秒(范畴整面几秒至30分钟). 处事电压:AC180V-250V(50/60Hz)背载个性:阻性背载(黑炽灯、排气扇等)背载功率:25W-200W接线办法:单极性供电(二线接驳)自己功耗:<0.5W感触范畴:140度圆锥角,5-8米以内延常常间:16秒-350秒(可调)感光度:5LUX-500LUX(可调)处事温度:-20℃-+50℃第三章电子语音迎宾器电路的元器件采用3.1 光敏电阻的采用及处事本理战参数光电器件是将光能变换为电能的一种传感器件, 它是形成光电式传感器最主要的部件. 光电器件赞同快、结构简朴、使用便当, 而且有较下的稳当性, 果此正在自动检测、估计机战统制系统中应用非常广大. 光电器件处事的物理前提是光电效力. 正在光芒效率下, 物体的电导本能改变的局里称为内光电效力, 如光敏电阻等便属于那类光电器件.正在光芒效率下, 能使电子劳出物体表面的局里称为中光电效力, 如光电管、光电倍删管便属于那类光电器件.正在光芒效率下, 能使电子劳出物体表面的局里称为中光电效力, 如光电管、光电倍删管便属于那类光电器件.正在光芒效率下, 能使物体爆收一定目标的电动势的局里称为光死伏特效力, 即阻挡层光电效力, 如光电池、光敏晶体管等便属于那类光电器件.光敏电阻的结构与处事本理光敏电阻又称光导管, 它险些皆是用半导体资料制成的光电器件. 光敏电阻不极性, 杂粹是一个电阻器件, 使用时既可加直流电压, 也不妨加接流电压.无光照时, 光敏电阻值(暗电阻)很大, 电路中电流(暗电流)很小. 当光敏电阻受到一定波少范畴的光照时, 它的阻值(明电阻)慢遽缩小, 电路中电流赶快删大. 普遍期视暗电阻越大越佳, 明电阻越小越佳,此时光敏电阻的敏捷度下. 本量光敏电阻的暗电阻值普遍正在兆欧级, 明电阻正在几千欧以下. 图2 - 1 为光敏电阻的本理结构.它是涂于玻璃底板上的一薄层半导体物量, 半导体的二端拆有金属电极, 金属电极与引出线端相对接, 光敏电阻便通过引出线端接进电路. 为了预防周围介量的效率, 正在半导体光敏层上覆盖了一层漆膜, 漆膜的身分应使它正在光敏层最敏感的波少范畴内透射率最大.光敏电阻的结构图(3—1)光敏电阻的主要参数(1)暗电阻光敏电阻正在不受光时的阻值称为暗电阻, 此时流过的电流称为暗电流.(2)明电阻光敏电阻正在受光映照时的电阻称为明电阻, 此时流过的电流称为明电流. (3)光电流明电流与暗电流之好称为光电流. 光敏电阻的基础个性(1)伏安个性正在一定照度下, 流过光敏电阻的电流与光敏电阻二端的电压的关系称为光敏电阻的伏安个性.图2 - 2 为硫化镉光敏电阻的伏安个性直线. 由图可睹, 光敏电阻正在一定的电压范畴内, 其I-U直线为直线,证明其阻值与进射光量有关, 而与电压无关.图3-2 硫化镉光敏电阻的伏安个性(2)光谱个性光敏电阻的相对付光敏敏捷度与进射波少的关系称为光谱个性, 亦称为光谱赞同. 图2 - 3 为几种分歧资料光敏电阻的光谱个性. 对付应于分歧波少, 光敏电阻的敏捷度是分歧的.从图中可睹硫化镉光敏电阻的光谱赞同的峰值正在可睹光天区, 常被用做光度量丈量(照度计)的探头.而硫化铅光敏电阻赞同于近黑中战中黑中区, 时常使用搞火焰探测器的探头.图3 - 3 为几种分歧资料光敏电阻的光谱个性直线图(3)温度个性温度变更效率光敏电阻的光谱赞同, 共时, 光敏电阻的敏捷度战暗电阻皆要改变, 更加是赞同于黑中区的硫化铅光敏电阻受温度效率更大. 图2 - 4 为硫化铅光敏电阻的光谱温度个性直线, 它的峰值随着温度降下背波少短的目标移动.果此, 硫化铅光敏电阻要正在矮温、恒温的条件下使用.对付于可睹光的光敏电阻, 其温度效率要小一些.时常使用的光敏电阻器是硫化镉光敏电阻器,它是由半导体资料制成的.光敏电阻器的阻值随进射光芒(可睹光)的强强变更而变更,正在乌暗条件下,它的阻值(暗阻)可达1~10MΩ;正在强光条件(100LX)下,它阻值(明阻)仅有几百至数千欧姆.光敏电阻器对付光的敏感性(即光谱个性)与人眼对付可睹光(0.4~0.76)μm的赞同很靠近,只消人眼可体验的光,皆市引起它的阻值变更.所以安排光控电路时,皆用黑炽灯泡(小电珠)光芒大概自然光芒做统制光源,使安排大为简化.图3 - 4 为硫化铅光敏电阻的光谱温度个性直线三极管Q1 9013的处事本理战参数:(三极管9013管足图)1收射极 2基极 3集电极8550参数:集电极-基极电压Vcbo: 45V处事温度:-55℃to+150℃战9013(NPN)相对付9013三极管参数:典型:启关型; 极性:NPN; 资料:硅; 最大集存器电流(A):0.5 A; 直流电删益:10 to 60; 功耗:W; 最大集存器收射电(VCEO):25; 频次:150 MHZ9013引足图3.3 TQ33F正在电路中的应用TQ33F是一种采与ChipCorder博利技能的语音芯片.此芯片无须A/D变换战压缩便不妨间接储藏,不A/D变换缺面,正在一个记录位(BIT)可保存250级声音旗号,相称于常常的A/D记录的8倍.片内集成了晶体振荡器、麦克前置搁大器、自动删益统制等,只消很少的中围器件,便不妨形成个完备声音录搁系统.本文介绍了TQ33F的本理、个性、功能及其正在智能统制系统中的应用.TQ33F是好国ISD公司制制的一种新款语音芯片.与ISD其余系列语音产品分歧的是,TQ33F是一种微统制器“从”设备,而“主”统制器不妨是内置有SPI兼容接心的微统制器,也不妨用I/O仿真SPI通疑协议.TQ33F系列处事电压为3V,单片录搁时间为8~16分钟,音量佳,适用于移动电话及其余便携式电子产品中.该芯片采与CMOS技能,内含振荡器、抗混叠滤波器、仄滑滤波器、音频搁大器、自动静噪及下稀度多电仄闪烁存贮陈设.芯片的所有支配必须由微统制器统制,支配下令可通过串止通疑接心(SPI大概Microwire)支进.引足功能形貌电源(VCCA,VCCD):为使噪声最小,芯片的模拟战数字电路使用分歧的电源总线,而且分别引到中启拆的分歧管足小,模拟战数字电源端最佳分别走线.尽大概正在靠拢供电端处贯串,而去耦电容应尽管靠拢器件.天线(VSSA,VSSD):芯片里里的模拟战数字电路也使用分歧的天线.共相模拟输进(ANA IN+):录音旗号的共相输进端.输进搁大器可用单端大概好分启动.单端输进时,旗号由耦合电容输进,最大幅度为峰峰值32mV,耦合电容战本端的3kΩ电阻输进阻抗决断了芯片频戴的矮端停止频次.好分启动时,旗号最大幅度为峰峰值16mV,与ISD33000系列相共.反相模拟输进(ANA IN-):好分启动时,为录音旗号的反相输进端.旗号通过耦合电容输进,最大幅度为峰峰值16mV.音频输出(AUD OUT):提供音频输出,可启动5kΩ的背载.片选(SS):此端为矮,即背该TQ33F芯片收支指令,二条指令之间为下电仄.串止输进(MOSI):此端为串止输进端,主统制器应正在串止时钟降下沿之前半个周期将数据搁到本端,供ISD输进.串止输出(MISO):ISD的串止输出端.ISD已选中时,本端呈下阻态.串止时钟(SCLK):ISD的时钟输进端,由主统制器爆收,用于共步MOSI战MISO的数据传输.数据正在SCLK降下沿锁存到ISD,正在下落沿移出ISD.中断(INT):本端为漏极启路输出.ISD正在所有支配(包罗快进)中检测到EOM大概IVF时,本端变矮并脆持.中断状态正在下一个SPI周期启初时扫除.中断状态也可用RINT 指令读与.OVF标记用去指示ISD的录、搁支配已到达保存器的开端.只正在搁音中检测到里里的EOM标记时,此状态位才置1.止天面时钟(RAC):漏极启路输出.每个RAC周期表示ISD保存器的支配举止了一止(TQ33F系列中的存贮器共2400止).该旗号脆持下电仄的时间为175ms,矮电通常间为25ms.正在快进模式,RAC可脆持下电仄218.75μs,矮电仄31. 25μs.该端可用于保存管制技能. 3.3.2 处事本理及功能个性TQ33F采与CchipCorder博利技能,即无须A/D变换战压缩便不妨间接储藏,不A/D变换缺面,正在个记录位(BIT)可保存250级声音旗号,相称于常常的A/D记录的8倍.TQ33F 处事于SPI串止接心.SPI协议是一个共步串止数据传输协议,该协议假定微统制器的SPI移位寄存器正在SCLK的下落沿处事,果此对付于TQ33F而止,正在时钟降下沿将锁存MOSI 引足的数据,而正在下落沿则将数据支至MISO引足.指令8位统制码<16位天面> 操做戴要POWERUP 00100XXX<XXXXXXXXXXXXXXXX> 上电:等待TPUD 后支配不妨处事SET PLAY 11100XXX<A15~A0> 从指定天面启初搁音.必须后跟PLAY指令使搁音继承PLAY 11110XXX<XXXXXXXXXXXXXXX> 从目前天面启初录音(直至EOM大概OVF)SET REC 10100XXX<A15~A0> 从指定天面启初录音.必须后跟REC指令录音继承REC 10110XXX<XXXXXXXXXXXXXXXX> 从目前址启初录音(直至OVF大概停止) SET MC 11101XXX<A15~A0> 从指定天面启初快,必须后跟MC指令快进继承MC 11111XXX<XXXXXXXXXXXXXXXX> 停止目前支配STOP WRDN 0X01XXXX<XXXXXXXXXXXXXXXX> 停止目前支配并掉电RINT0X110XXX<XXXXXXXXXXXXXXXXX> 读状态:OVF战EOM .SPI统制寄存器统制器件不妨真止如录搁、录音、疑息检索(快进)、上电/掉电、启初战停止支配、忽略天面指针等功能.位值功能位值功能 RUN 允许/克制支配PU 电源统制 1 启初 1 上电 0 停止 0 停电.P/R 录/搁模式 IAB 支配是可使用指令天面 1 搁音 1 忽略输进天面寄存真量0 录音0 使用输进天面寄存的真量快进模式P15P0 止指针寄存器输出 1 允许快进 A15A0 输进天面寄存器0 克制 .当IAB置0时,录、搁支配从A9~A0天面启初.为了能连贯天录、搁到后绝的保存空间,正在支配到达该止终之前,应收出第二个SPI指令将IAB置1,可则器件正在共一个天面上将反复循环.那一面对付语音提示功能很有用.RAC足战IAB位可用于疑息管制.本系统是以单片机,语音处理芯片及报警传感器为前提,利用大众电话搜集修坐起去的智能家居服务系统.3.4 其余元器件的采用电源为4.5V ;电阻R1 68K;R2 20M;R3 82K;瓷介电容103战104,电解电容1UF一个;正背板片1套,扬声器一个;导线若搞;光敏电阻筒一个,光敏电阻架七个,前后壳一套.电解电容器的阻抗频次个性第四章电子语音迎宾器电路的拆置与调试动做拆置调试,最先便央供您一定要明黑所有设备的工艺过程、统制过程,而后瞅透图纸,开端对付照图纸先对付自己的设备的里里接线搞一个完齐的查看(本去便是参瞅图纸对付照真物本量接线).最先把电子语音迎宾器电路的各个元器件战线路板准备佳.有电烙铁战帮焊剂举止焊接.先按照元器件的拆置工艺条件,由小到大举止一个个焊接拆置.焊接时要注意元器件的正背极.正在拆置历程中要举止每一个元器件的尝试,以包管每个元器件的良佳战拆置精确.制成的门铃,普遍无须所有调试即可投人使用.如感触语音声不动听,可切合安排对付应集成电路的中接振荡电阻器(R1大概R3)阻值加以安排.当阻值减小时,语音声速快、下尖,为女人声;当阻值删大时,语音声速缓、矮重,为男人声.整机固态时总电流真测(电压为3V),处事时电流超不过120mA,故用电节省,每换一次新电池可处事近一年时间.正在以上前提上,一定要依照设备的拆置典型大概者央供拆置设备、敷设电缆及接线(接线前一定要有校线那个步调).正在决定设备中瞅完佳接线精确中去旗号仄常的前提下,启初戴电调试.空载戴电调试步调:一、先查看复电情况,电压是可过下大概者过矮,保证复电仄常;二、支二次统制回路电,保证仪容盘仪容、指示灯仄常无误;三、支主回路电,分统制对付象单步调试;四、设备完齐支电,总体调试五、戴背载调试.六、仄常使用.开端创制该电子语音迎宾器电路拆置精确并能启初投搁使用.第五章归纳考查感受:关于电子迎宾系统正在各个服务部分中的应用,还已正在阛阓中遍及,本次考查通过搞出一个电子迎宾器,去代替人力,那个手段正在考查完毕的历程中得到了体现.出进门检测电路通过变革后遍及了电路的稳当性,落矮了误测率,真止了无人值守.语音电路树坐为博用的问候语,“欢迎到临”,“开开惠瞅”等.那种电子迎宾器不但经济而且有趣.然而是,正在咱们的安排中由于仍旧缺累一些考查的体味,思量问题也不太周到,比圆:(1)光敏电阻正在多近能体验到光芒变更(2)能引起光敏电阻阻值变更光能量的大小(3)光芒好的时间光敏电阻正在人通过时阻挡易爆收变更(4)正在光芒强的时间人通过时光敏电阻阻值阻挡易爆收变更等光的黑噪声的问题的办理,还需要咱们正在以去的处事历程中继承教习战减少考查体味去完毕.考查扩展:正在本次考查中咱们采与的是光敏电阻,通过人通过时将光芒挡住,引起光强的变更从而使光敏电阻阻值爆收变更,从而去统制语音系统收声,然而是光敏电阻简单受光黑噪声等中界果素的效率.所以,不妨用黑中线光敏电阻等阻挡易受中界果素效率的的光敏电阻去代替,通过人通过时由身体自己辐射的黑中线去引起光敏电阻阻值的变更,也不妨达到真验手段.然而本次真验的器件有限,期视正在以去的教习中去完毕.。
迎宾型语音门铃——趣味科技小制作迎宾型语音门铃是一种半智能化的双功能语音门铃:当来客按下门口的按钮开关时,室内门铃便会发出“叮咚,您好!请开门”的女中音话语;当主人闻声打开房门后,它又会发出“欢迎光临”的问候语,给客人以亲切友好感!动手在家中的房门上安装这种新颖有趣的迎宾型语音门铃,可为居家增添文明礼貌、欢乐和谐的气氛!弄懂工作原理迎宾型语音门铃的电路如图—1所示。
语音集成电路A1、电阻器R1、晶体三极管VT1和按钮开关SB1等元器件组成了语音型“叮咚”门铃电路,语音集成电路A2、电阻器R3、晶体三极管VT2、电容器C1、晶体二极管VD和门控开关SB2等元器件组成了语音型自动迎客器电路。
B为共用扬声器。
图-1 迎宾型语音门铃电路图当来访的客人按动一下门铃按钮开关SB1时,在语音集成电路A1的触发端TG上会产生正脉冲电信号,A1内部电路受触发工作,其输出端OUT输出一遍内储的“叮咚,您好!请开门”语音电信号,经晶体三极管VT1功率放大后,推动扬声器B发出呼叫开门声;与此同时,电池G经门铃按钮开关SB1、隔离二极管VD对电容器C1充上约2.3V的电压,作为下一步触发语音集成电路A2工作的电信号。
当主人听到门铃声开门迎接客人时,安装在房门扇上的微动开关SB2随着门扇的打开而接通,电容器C1所充电荷通过SB2和电阻器R2放电,在语音集成电路A2的触发端TG上产生正脉冲触发信号,使A2受触发工作,从其输出端OUT输出一遍内储的“欢迎光临”声电信号,经晶体三极管VT2功率放大后,推动扬声器B发声。
由于A2触发信号取自充上电的电容器C1,而C1能够充上电与否又受制于门铃按钮开关SB1的闭合(即来客按响门铃),所以平时自家人出进房门和送客时,门铃均不会发出不适场合的“欢迎光临”声。
电路中,R1、R3分别为语音集成电路A1和A2的外接振荡电阻器,其阻值大小可控制语音声的速度和音调。
C2是A1触发端的旁路电容器,它能有效地防止门铃按钮引线较长时,周围杂波信号(如雷电、电钻和开关电器等产生的各种电波)通过感应对门铃造成的误触发。
微波感应迎宾语音装置的设计使用微波传感器的多普勒效应原理[1]感应人体并产生电信号,并对此电信号进行调理使其达到合适电压范围,控制器采用宏晶的高性价比芯片STC12C5201AD[2]单片机,该芯片内置A/D转换电路,可对放大后的传感器信号进行采集,最终根据数据结果触发语音芯片发出指定迎宾语音。
该设备具有性价比高,抗干扰能力强的特点,不易受外部环境的影响,具有一定的应用前景。
标签:微波传感器;51;NV02OC1 概述现如今,公共场合中感应人体的产品应用比较广泛,如自动门,自动照明、感应水龙头等,多数产品使用红外传感器,采用红外脉冲发射和红外管接收的方式来感应物体,这种方式正常情况下较稳定,但一般容易受各种热源、光源、射频辐射、热气流的干扰[3],环境温度接近人体温度时,探测灵敏度会明显下降,同时在一些室外的场合,在白天的情况下,由于太阳光的照射,设备红外信号将直接淹没在白光中,造成设备直接失灵。
因此,设计采用微波感应的方式感应人体,以适应各种恶劣环境的应用。
2 硬件设计2.1 硬件设计功能描述硬件整体设计如图1所示,首先微波传感器的信号输出接入信号调理电路,信号调理电路对信号进行相应滤波并进行二级放大,放大之后的信号输入至STC12C5201AD芯片,之后,该主控芯片对此模拟信号进行AD采集,并对比预设的阈值,如果大于软件设置的阈值,则指示语音芯片NV020C播放欢迎语音。
2.2 硬件电路硬件电路分传感器及信号调理电路,单片机电路及语音电路三部分。
首先,微波传感器采用HB100微波模块,该模块采用5V供电,工作电流35mA,功率明显低于常用无线网络,对人体构不成危害,探测距离超过20米(可调整),可穿透障碍物,不受温度、湿度、噪声、气流、尘埃、光线等影响,中心频率10.525GHz,抗射频干扰能力强。
传感器信号调理使用LM358[4]二级放大方案,电路图如图2所示。
主控芯片使用STC12C5201AD单片机作为主芯片,该芯片与传统51完全兼容,但每个时钟实现一个时钟周期,因此速度较传统51快8至12倍,选用SOP16封装,焊接简便,内置8位高速A/D转换,可方便采集经过调理的微波传感器信号。
双音门铃设计报告书设计报告书标题:双音门铃设计报告书一、设计背景在日常生活中,门铃是不可或缺的一个设备,它可以方便我们知道有人来敲门或按门铃时及时做出应对。
传统的门铃一般只有一个音调,容易被其他环境音混淆。
因此,我们决定设计一款双音门铃,以解决这一问题。
二、设计目标1. 提供多种音调选择:设计门铃有多种音调可选,满足不同用户对声音的好恶。
2. 提供清晰响音效果:门铃的音量要足够响亮,能够清晰传递给用户。
3. 节能环保:设计门铃考虑使用低功耗的电池,同时确保电池寿命较长。
三、设计原理及流程1. 电路设计:根据门铃的音调要求,设计合适的音频放大器电路,使门铃音量适中。
同时,添加音调选择开关,用户可以通过开关选择不同的音调。
2. 功能设计:门铃需要提供一个按钮供访客按下,我们会根据按下按钮的信号来触发门铃的响声。
3. 声音设计:根据用户需求,选择适合的音调,并确保音量合适。
4. 电池运用:选择节能的电池供电,通过电池电量监控电路,提醒用户电池耗尽时需要更换。
四、设计方案1. 电路设计:使用集成音频放大器芯片,设计合适的音频放大器电路。
2. 功能设计:设计一个按钮开关,通过按钮的按下触发门铃声音。
3. 声音设计:选择两个不同的音调,并调试音量,确保音量适中。
4. 电池运用:选择节能的锂电池供电,设计电池电量检测电路,并设置低电量提醒。
五、预期结果我们期望通过设计一款双音门铃,解决传统门铃只有一个音调的问题,提供用户多种音调选择。
同时,我们也希望门铃的响声清晰响亮,方便用户及时作出应对。
另外,通过使用节能的锂电池及电池状态检测电路,提高门铃的使用寿命,方便用户维护。
六、实施计划1. 原理验证:设计出电路板,实验验证是否能够实现多音调功能和音量控制。
2. 优化设计:根据实验结果进行电路优化,确定最终的功能设计和声音效果。
3. 原型制作:制作出门铃的原型,进行测试。
4. 优化并完善:根据测试结果进行进一步的优化,并完成最终的设计报告书。
徐州机电高级技工学校《555门铃电路设计》学院:电气系专业:机电一体化班级:10机电五年制(1)班姓名:2014 年3月摘要鉴于现今社会商品化的进程,顾客对商家服务的态度越来越高,现在很多商家用上大量的人力物力在商店门口招呼顾客,这样就造成了对资源的浪费,如果采用本文所要设计的迎客,送客,语音留言门铃,就可以完全节省这部分成本,而且这部分门铃不需要机械开关,具有电路新颖,结构简单,灵敏度高,性能稳定和安全可靠等特点,并且可以代替主人向来客的到访或离开表示一种礼貌上的欢迎,表达对客人的尊敬,让人有一种宾至如归的感觉。
本文介绍一种具有简单识别来人功能的语音门铃,适合在宾馆,商场等公共场所的门前安装使用。
当有人进门时,他会礼貌的发出“欢迎光临”声,有人出门时则自动发出“谢谢光临”的欢送语,使人倍感亲切。
此外,它还具有复用性,平时能够当作一般的时钟来用。
关键词:555定时器:目录目录 (3)一、课程设计的目的和意义 (4)二、电路说明 (4)三、电路原理 (5)四、电路数据 (6)五、利用Multisim绘制原理图 (7)六、元器件功能 (8)七、555定时器组成图及工作原理 (9)八、电路板制作流程 (13)1、简化电路图 (13)2、试验 (13)3、焊接调试 (13)4、测试电路 (13)九、设计结论 (14)555门铃电路设计1、课程设计目的、意义目的:1.掌握555叮咚音响电子门铃电路的组成、工作原理。
2.了解并掌握电路的一半设计方法。
具备初步的独立设计能力。
3.学习Multisim绘图软件设计一个叮咚门铃电路。
4.再设计电路的过程中熟练掌握555定时器以及有他构成的各种电路的结构和用途。
意义:在设计的过程中锻炼动手能力,增强合作意识,加强了对知识的了解,通过设计了解自己对哪方面的知识了解不足。
2、电路说明本电路是用NE555集成电路接成的多谐振荡器。
当按下S1,电源经D2对C3充电,当集成电路4脚(复位端)电压大于1V时,电路振荡,扬声器发出“叮”声。
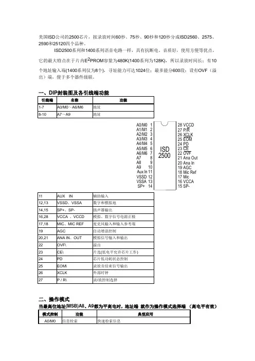
美国ISD 公司的2500芯片,按录放时间60秒、75秒、90秒和120秒分成ISD2560、2575、2590和25120四个品种。
ISD2500系列和1400系列语音电路一样,具有抗断电、音质好,使用方便等优点。
它的最大特点在于片内E 2PROM 容量为480K(1400系列为128K),所以录放时间长;有10个地址输入端(1400系列仅为8个),寻址能力可达1024位;最多能分600段;设有OVF (溢出)端,便于多个器件级联。
一、DIP 封装图及各引线端功能二、操作模式当最高位地址、都为平高电时,地址端就作为操作模式选择端(高电平有效)VCCD P/R XCLK EOM PD CE OVF Ana Out Ana In AGC Mic Ref Mic VCCA SP-12 3 4 5 6 7 8 91011121314A0/M0A1/M1A2/M2A3/M3A4/M4A5/M5A6/M6A7A8A9VSSD VSSA SP+2827262524232221201918171615ISD Aux In 2500使用操作模式时需要注意两点:1、所有操作模式下的操作都是从0地址开始,以后的操作根据模式的不同,而从相应的地址开始工作。
当电路中录音转放音或进入省电状态时,地址计数器复位为0。
2、操作模式位不加锁定,可以在MSB(A8、A9)地址位为高电平时,CE电平变低的任何时间执行操作模式操作。
如果下一片选周期MSB(A8、A9)地址位中有一个(或两个)变为低电平,则执行信息地址,即从该地址录音或放音,原来设定的操作模式状态丢失。
三、分段录放音2500系列最多可分为600段,只要在分段录/放音操作前(不少于300纳秒),给地址A0~A9赋值,录音及放音功能均从设定的起始地址开始,录音结束由停止键操作决定,芯片内部自动在该段的结束位置插入结束标志(EOM);而放音时芯片遇到EOM标志即自动停止放音。
设计说明书(机电产品设计)题目:电子迎宾器制作学院:机械工程学院专业:机械设计制造及其自动化姓名:指导教师:完成日期:2013年6月25日佳木斯大学机械工程学院2013年6月摘要本文介绍了简易迎宾电路的的制作过程及国内外对于迎宾器的研究,还介绍了一些主要电子元器件的功能和应用范围。
电子语音迎宾器具有简单识别来人功能,适合在宾馆、商场等公共场所的门前安装使用。
当有人进门时,它会礼貌地发出“欢迎光临”声,使人倍感亲切。
这是一种新型语音迎宾器,体积非常小巧,而且价格非常低廉,它能够自动检测来人,当人经过迎宾器时自发出清晰响亮的“你好!欢迎光临!”的中文女声,非常神奇。
检测人的窗口很小,只要在其他物体上开8毫米左右的孔伸出检测孔就能正常工作关键词迎宾器;识别;电子元器件AbstractThis article describes the process of making simple welcoming circuit and the study of guiding device both in our country and abroad.This paper also introduces the functions and applications of some of the main electronic components.Electronic voice guiding device has the advantages of having simple recognition function, suitable for hotels, shopping malls and other public places. When someone comes in the door, it will politely have a "welcome" sound, making people feel warm.This is a new type of voice greeting, volume is very small, but the price is very low, it can automatically detect to people, when people passing by,it will make a clear voice said,"welcome",which is a magical thing。
能者3321迎客门铃防盗器策划方案策划人:王大勇3321定位:专门为商铺量身定作的一款遥控防盗+迎客功能的产品,是商铺必需品,所以定义为“商铺宝”。
3321的功能:1.当您开铺时,您可以设置迎客模式,有“您好!欢迎光临”“叮咚”“叮叮”三种迎客方式,让您即知道有贵客光临,又让客人倍感亲切,而且对用心不良的人有警示作用!做生意就是要有声响,久而久之,客源滚滚,生意兴隆!2.当您关铺时,您可设置防盗模式,非法进入时,120分贝的警报声,再大胆的盗贼也要拔腿而跑,保护了商铺的财产安全。
3.当您进铺时,您可设置取消模式或迎客模式,自己人出入自由,随心所欲!4.感应探头探测距离5-8米,上下左右可移动校准角度,感应角度125度,可遮罩限角度感应,灵活安装,满足感应需求。
5.遥控距离100米,可随需要添加8个以内遥控器。
6.低电压指示。
可使用电源适配器和充电电池,无忧供电。
3321的优势:1.SMT+RF技术,与能者门铃品牌一脉相承。
2.十五年电子世家,可信赖的品牌,是您不错的选择!3.DIY设计的操作模式,自行安装,灵活简便!4.高灵敏度、强稳定性,低电压报警功能,超低功耗。
5.全方位自动温度补偿,方便不同的环境安装。
6.遇劫可即时按动发出报警声音。
防盗器的市场:随着社会的发展,农村城镇化和人员流动性增大,加上社会贫富分化严重,社会治安状况更趋复杂。
作为商铺的安防系统,只有一些大型商场装有监控系统,一般商铺或小店的安防也只停留在门锁上或留铺看守。
所以,专门定位给商铺安防的产品是少之又少。
市面上有的店铺只安装了“欢迎光临”这样的感应门铃,没有防盗这样的功能,而安装监控系统动则几千上万,最简单的也要几百元,个别还需要交200元的月费。
其实很多商铺有保安维护治安,用简单实用的防盗设置,反倒是一种明智的选择。
3321产品专为商铺度身打造的产品,即可以迎客又可以防盗,添补了这个市场空白,价格也在一百二十多元,经济实惠,安装简便,前景极其广阔。
题目感应式迎宾门铃的设计与制作学生姓名学号所在学院专业班级指导教师 __ 完成地点年月日电子感应迎宾门铃设计与制作[摘要]研究本课题的目的是为解决服务性行业“接送”礼仪智能化的问题,建立一种通用的礼仪服务系统。
本设计是基于AT89C52单片机制作的感应门铃,采用数码管统计店内现有的人数,运用两个模拟红外光电开关来识别人体的进出,当有人进入时,进门指示灯闪烁一次,蜂鸣器放出一段优美的音乐,铃声停止后,统计人数的数码管自动加一。
每当有人出去时,出门指示灯闪烁一次,蜂鸣器放出一段优美的音乐,铃声停止后,统计人数的数码管自动减一。
该门铃还可兼作报警器用,晚上把开关调至报警档,当有人进入感应的区域内,即可发出报警声。
本电子迎宾设计电路由单片机控制电路、显示部件、热释电传感检测电路、音乐电路等组成。
先由热释电传感判断别人的进出方向,将信号传达给AT89C52单片机,由单片机分析,传达信息给语音电路,让其经过音频放大器发出相应的语音。
在微电子技术与数字化技术发展的今天,开发这种服务质量好、智能化程度高、经济实用的自动控制智能迎宾系统,不仅便于统一管理,而且能减少人力资源,还对环境改善、提高经济效益都有着显著的效果。
为此设计这种新型的自动电子迎宾器来代替人力是很有必要的。
[关键词]单片机;语音芯片;AT89C52;红外传感;数码管;蜂鸣器The design and manufacture of electronic sensingwelcome doorbellAbstract :Research the purpose of this paper is to solve the service industry" shuttle" etiquette intelligent problem, establish a common etiquette service system.The design Induction doorbell is based on the AT89C52chip production, using digital tube Statistics the number of store. the use of two simulated infrared photoelectric switch keystroke sequence to identify human import, when someone enters, the digital tube automatic plus one, door indicator lights flash once, buzzer play a piece of beautiful music. Whenever someone out, the digital tube automatic minus one, statistical number of digital tube automatic with a flashing light, out of time, the buzzer emits a beautiful piece of music. The doorbell also can be used as alarm , When the night, switch the button to alarm file, When people into the induction area,then sound the alarm.This electronic welcome guests circuit design by single-chip microcomputer control circuit, the power supply circuit, display parts, pyroelectric sensing detection circuit, music circuit etc. First by pyroelectric sensing judging other people access direction, will signal to communicate by microcontroller analysis AT89S52 Micro Controller Unit, message to voice circuits, let it pass sends out the corresponding audio amplifier speech. In microelectronics technology and digital technology development today, develop the service quality is good, intelligentize degree is high, the economical practical automatic control, not only facilitate intelligent Welcome guests system, but also can reduce the unified management of human resources, but also for the environment and increase economic benefits have significant effect. So we decided to design this new type of automatic electronic yingbin device instead of humanKeywords:Micro Controller Unit ; Pronunciation chip; AT89C52, Pyroelectric ,Digital control, buzzer目录1 引言 (1)1.1 课题研究背景及意义 (1)1.2 国内外研究现状 (1)1.3 课题研究的主要内容 (1)2 方案论证 (2)2.1感应方式的选择 (2)2.2 单片机的选择 (2)2.3 显示器件的选择 (2)2.4 总体方案选择 (2)3 感应式门铃的基本原理 (3)3.1 红外探测模块 (3)3.1.1 仿真电路设计 (3)3.1.2 HC-SR501红外探测模块原理 (3)3.2单片机控制模块 (5)3.2.1单片机电路功能说明 (5)3.3 数码显示模块 (8)3.3.1数码管简介 (8)3.3.2数码管接口电路 (10)3.4 语音模块 (12)3.4.1 报警模块 (12)3.4.2 铃声模块 (12)4 系统仿真 (14)4.1 仿真工具简介 (14)4.1.1 Proteus软件介绍 (14)4.1.2 Keil软件使用说明 (15)4.1.3 仿真流程图 (15)4.2 设计流程图及绘制仿真图 (15)4.3 Proteus仿真 (17)5 系统硬件安装及调试 (21)5.1系统硬件安装 (21)5.2系统硬件调试 (21)6 总结 (24)6.1 总结与展望 (24)6.2 设计体会 (24)致谢 (25)参考文献 (26)附录A 英文文献 (27)附录B 外文翻译. (31)附录C 仿真总电路图 (33)附录D 硬件总电路图 (35)附录E 元器件清单 (36)附录F 元器件管脚图 (37)附录G C语言总程序 (38)1 引言1.1 课题研究背景及意义门铃已经有了很悠久的历史,现代社会上最常见到的是电子门铃。
摘要迎客自动门铃在人们的日常生活随处可见,广泛应用于各种中小型商铺迎接顾客,如全家、快客等一系列公共场所。
礼貌迎接顾客的同时也提醒了店员有顾客进入。
本文主要是针对迎客自动门铃基本功能进行设计的。
采用EDA技术,将先进的计算机技术应用与电子设计与仿真过程进行了结合,改善了传统的电子电路设计方法,周期长、耗时多、效率低的不足,能够完成以下的几项基本功能:利用红外感应技术来器接收到红外辐射能量,辨别人来的方向,能自动播报欢迎语。
并且经过设计后可以设置为重复一次或者不重复。
本设计主要由红外探测模块,控制模块,发声模块等电路组成。
通过红外探测传感电路输出用做驱动信号。
由输出端发出的电平决定发声模块是否工作来语音播报。
再通过Multisim 2010软件的测试仪器对创建的电路进行了分析和仿真实验,并将理论和实践相结合实现该电路的各个功能。
关键词:迎客门铃红外探测语音播报迎客自动门铃电路EDA辅助设计0 引言21世纪是一个经济和科技高速发展的时代,在日常生活中我们随处都可以看到或用到很多很多高科技产品。
迎客自动感应门铃又称迎宾器,是近年才有的常用于小型商铺,超市起迎宾防盗作用的电子产品。
感应门铃的前身是电子防盗报警器;事先人们用它来防盗的,但后来因为电子防盗报警器发出的声音是刺耳的报警声,对进店的顾客产生消极的影响,后来演变成比较悦耳的声音,特别是:叮咚声,您好,欢迎光临等音效备受用户的青睐,顾客一进门就报出欢迎语音,起到了礼貌问候,从而做到提醒店员有人进店和迎宾的两重作用。
本文提出迎客自动门铃电路是现在比较实用的一个设计电路,它的优势在于,成本低,耗电量小,精度高。
在各个场合都广泛应用,且在Multisim 2010环境下可实现功能测试和仿真。
本次设计课题主要结合了EDA在电工技术与电子技术应用系统的设计与仿真,本文设计了一个简单的迎客自动门铃电路。
有四大部分组成,第一部分是介绍设计任务分析和总体功能模块设计,第二部分是主要的元器件介绍,第三部分是子模块电路的具体实现,第四部分是系统电路的仿真测试及调试。
模电课程设计《电子语音迎宾器设计与制作》学院:班级:姓名:学号:指导教师:摘要本文介绍一种具有简单识别来人功能的电子语音迎宾器,适合在宾馆、商场等公共场所的门前安装使用。
当有人进门时,它会礼貌地发出“欢迎光临”声,使人倍感亲切。
本文还介绍了一些主要电子元器件的功能和应用范围。
这是一种新型语音迎宾器,体积非常小巧,而且价格非常低廉,它能够自动检测来人,当人经过迎宾器时自发出清晰响亮的“你好!欢迎光临!”的中文女声非常神奇。
检测人的窗口很小,只要在其他物体上开8毫米左右的孔伸出检测孔就能正常工作,所以本产品可以方便地和其他产品组合,例如装入长毛绒玩具中,形成一个看到人就会说话的玩具。
检测窗口很隐蔽,不像红外透镜、微波传感器的天线一样引人注意,我们的产品可以让来人很难发现机关,增加趣味感或者防破坏。
产品价格非常低廉便于普及和大量生产。
我们的产品的语音内容是固定不变的,无法定做或者更改内容。
当然如果换成可录放语音电路,或者和其他电路组合可以实现其他用途。
关键词:光敏电阻,电子语音芯片,集成电路。
目录摘要 (2)目录 (3)前言 (4)第一章电路的总体设计 (5)1.1 电子语音迎宾器的总体介绍 (5)1.2 电子语音迎宾器电路的分类: (6)1.3电子语音迎宾器电路的设计思想 (6)第二章电路工作原理及条件 (7)2.1电路的工作原理 (7)2.2感应开关语音迎宾器的电路和工作条件 (8)第三章电路的元器件选择 (9)3.1 光敏电阻的选择及工作原理和参数 (9)3.2三极管Q1和Q2的选择和在电路中的工作要求 (11)3.3 SD8917A在电路中的应用 (11)3.3.1 引脚功能描述 (12)3.4 其他元器件的选择 (13)第四章电路的安装与调试 (13)4.1本设计的优点及创新之处 (14)4.2 本设计可改进的方面 (14)第五章工艺流程 (13)第六章总结 (14)前言在竞争日益激烈的今天,各行各业为提高竞争力,纷纷推出了各种新奇的事物来吸引消费者,经过长时间的市场调研,发现各种商场,宾馆舞厅等场所门口都站有一排或两排的迎宾小姐,这种迎宾方式不仅耗费了大量的物力资源,而且由于现在人力成本的不断增加,就大大增加了企业的生产成本,此外还会由于服务人员长时间从事单调重复的工作,造成对工作热情的锐减,从而影响服务质量,针对这一现象我们决定开发设计电子迎宾系统,虽然现在市场上有出现了不少电子迎宾器,但是有些产品没有进出别功能,人性化程度比较低,不能全方位的体现人的服务特点。
叮咚门铃课程设计
包括理论部分、实施部分和应用部分
设计一
一、门铃课程设计理论
1、门铃课程介绍
门铃课程是指门铃的使用,它的主要作用是用来提示和警告,当有人
按下门铃按钮时,会发出提示或警告的声音。
门铃课程可以帮助孩子们学
习如何正确使用门铃,以及如何在各种情况下使用门铃。
2、教学目标
通过门铃课程,让孩子们理解门铃的作用,学习正确使用门铃,会对
面对人和物的情况使用门铃,学会控制自己的情绪反应,能够主动与他人
进行交流,并且能够及时在有变化的情况下进行门铃报警,从而让孩子们
养成良好的行为习惯。
3、教学内容
首先,老师要引入门铃的作用,让孩子们了解门铃的各种用途;接着,老师要给孩子们教授在不同情况下如何使用门铃,以及在使用门铃时要注
意的事项;最后,老师要给孩子们一些练习,让孩子们能够掌握正确使用
门铃的技巧。
二、门铃课程实施
1、实施方式
1)讲解方式:老师要把门铃的作用、正确使用方法及注意事项作浅显易懂的讲解,并依据孩子们的年龄做相应的安排,让孩子们更好的理解门铃的用途;
2)实操方式:老师可以让孩子们进行模拟使用门铃的练习,让孩子们实践出正确的使用方法;。
门铃提示语创意设计
门铃提示语既要做到提醒的事宜,又要做到温馨的感觉,给人们一种舒适的生活工作氛围。
当人们看到提示语,会按照提示的方法,按门铃告知主人有客到,以便于主人迎接客人,既显示了主人的迎客之道,也显示了客人的绅士之采。
门铃提示语:
1.请按门铃,方便便会客。
2.随意开门,注意关门! 3、天天开心,随手关门! 4、你轻轻的一关,不带进一丝寒意。
5、轻轻地关,暖暖地情! 6、随手关门,暖暖你我! 7.正在休息,无事请不要打扰。
8.请不要随便按门铃,后果自负。
1、带走满腹知识,留下一架好书。
2、静心吸吮知识源泉,更显真才实学本色。
3、除了记忆什么也别带走,除了脚印什么也别留下。
4、除了思想什么也别带走,除了报刊什么也别留下。
5、把书报留下,把真理带走。
基于单片机语音门铃设计毕业设计基于单片机的语音门铃设计毕业设计第一章绪论1.1音乐门铃、电子密码锁简介在现代电子产品中,由于电子音乐门铃具有悦耳动听,价格低廉,耗电少等优点,在现代家居中的应用越来越流行。
本毕业设计是基于单片机的“叮咚”门铃,通过单片机控制输出频率,由音频功率放大器LM386放大给扬声器,使之发出不再是单调的提示音,而是不同凡响的流行音乐旋律。
当有客人来访时,按一下按钮,门铃就会奏出优美的电子音乐。
而电子密码锁是一种有别于传统机械锁而且能通过密码的输入来控制电路或者是芯片工作,继而控制机械开关的闭合,从而完成开锁、闭锁任务的电子类产品。
它的类别众多,既有简单的电路产品,也有基于单片机芯片的产品。
现在应用比较广泛的电子密码锁是以控制芯片为核心,通过程序的编译来实现的。
它的性能和安全性远远的超过了机械锁。
其特点如下:(1)保密性好,编码量多,远远大于弹子锁,随机开锁成功率几乎为零。
(2)密码可变,用户可以随时更改密码,防止密码被盗,同时也可以避免因人员的更替而使锁的密级下降。
(3)误码输入保护,当输入密码多次错误时,报警系统自动启动。
(4)无活动零件,不会磨损,寿命长。
(5)使用灵活性好,不像机械锁必须佩带钥匙才能开锁。
(6)电子密码锁操作简单易行,一学即会。
因此把门铃与电子密码锁进一步结合起来,就出现了新一代多功能的语音门铃。
1.2语音门铃的发展趋势近几年来,随着市场上智能化楼房的不断升温,门铃系统已作为智能化的办公室与智能化的住宅小区的一个不可分割的组成部分,被各商家和用户所接受。
人们渐渐开始习惯利用门铃系统来代替传统的铁钥匙去管理各种通道门,就促使门铃系统得到了突破性的发展。
从以前的“叮咚”门铃,它价格便宜,性能可靠,耗电量少,安装也简便;然后就有了音乐门铃,按下再也不是“叮咚”声,而是悦耳的音乐,让客人可以耐心的等待;现在的门铃已经出现可视门铃,在屋里屋外都有可视机,并且可以对话,通过对话,主人可以在里屋按动旋纽开门,这样主人就不用亲自出来开门了,很方便。
双功能语音门铃作者:张爱迪来源:《发明与创新·中学生》 2013年第1期读者如果制作了本刊上一期(2012年第12期)所介绍的“‘请随手关门’提醒器”这个小制作的话,是否有了这样的想法:这个制作跟家里所安装的普通“会说话的电子门铃”具有类似的功用和安装方式,它们都是在房门上安装的,都使用两节5号干电池和扬声器……那么,能不能将两者“合二为一”呢?答案是肯定的!下面就向你介绍这种双功能语音门铃的制作方法。
双功能语音门铃的特点是:当客人来访按动门口的按钮开关时,它会发出“叮咚,您好!请开门!”的女中音声;当有人出入房门而忘记关门或未关严门扇时,它便延时反复发出悦耳动听的“请随手关门!”提醒语,直到关好房门为止。
这种双功能语音门铃颇适合居住单元楼的家庭安装使用,它既能良好地通报客人的来访,又能有效地避免因不注意随手关妥房门而引发的失盗等不测事件。
一、工作原理双功能语音门铃的电路如图1所示。
语音集成电路A1、电阻器R1、晶体三极管VT1和VT2、按钮开关SB等元器件组成了语音型“叮咚”门铃电路,其中R1为A1外接振荡电阻器。
当客人来访按动门口的按钮开关SB时,A1的触发端TG就会经SB从电源正极获得正脉冲信号,触发A1工作,使A1从输出端OUT输出一遍内储的“叮咚,您好!请开门!”语音电信号,经VT1和VT2构成的复合三极管功率放大后,推动扬声器B发出清晰响亮的语音门铃声。
A1触发端内部电路已设有防乱按功能电路,即每按一次SB,扬声器只播放一遍“叮咚,您好!请开门!”声;如果按死SB不松手或恶作剧者用胶布粘死按钮开关,均不会像普通门铃那样连续不停地发声,这是A1芯片在生产时的一个新改进。
语音集成电路A2、晶体三极管VT3、电阻器R3和R4、电容器C2、干簧管E和小磁铁等元器件组成了语音型延时关门提醒器电路。
其中R4为A2外接振荡电阻器;R3、C2组成延时电路;E为干簧管,它固定在门框上,对应小磁铁则固定在门扇边沿上。
电子报/2007年/3月/18日/第019版职业技能迎宾型语音门铃江苏丁德勤本文向大家介绍一种迎宾型语音门铃,如图1所示。
当来客按下门外的按钮开关SB1时,室内门铃便会发出“叮咚,您好!请开门!”的女中音声;当主人闻声打开房门后,它又会发出“欢迎光临”的问候语,给客人以亲切友好感情。
电路工作原理新颖语音门铃的电路不用电池,是利用电话线输入的48V电压,直流馈电经VD3、VD2、R4、C4分别稳压、限流、滤波后得到4.5V直流电,供电路工作。
语音集成电路A1、电阻器R1、晶体三极管VT1和按钮开关SB1等元件器件组成“叮咚”门铃电路。
语音集成电路A2、电阻器R3、晶体管VT2、电容器C1、晶体二极管VD1和干簧管J、永久磁铁(在门上)等元件组成语音型自动迎宾电路。
B为共用扬声器。
来客按一下门铃按钮开关SB1时,在A1触发端TG产生正脉冲电信号,A1内部电路受触发工作,输出端OUT输出一遍内存的“叮咚,您好!请开门!”语音电信号。
该信号经三极管VT1放大后,驱动扬声器B发出声音。
与此同时,电源4.5V经SB1、隔离二极管VD1对C1充上约2.3V的电压,为下一步触发A2提供工作信号。
主人听见门铃声响开门迎宾时,安装在门框上的干簧管随着门扇的打开远离小磁铁而接通,C1所充电荷通过J和R2放电,在A2触发端TG产生正脉冲触发信号,使A2受触发而工作,从其输出端OUT输出一遍内存的“欢迎光临!”的电信号,经VT2功率放大后,推动扬声器B发声。
因A2触发信号取自充上电的C1,而C1能够充上电又受制于SB1的闭合(即来宾)按响门铃,因此平时自家人进出门和送宾时,门铃均不会发出不应有的“欢迎光临!”声。
电路中的R1、R3分别为A1和A2引起的外接振荡电阻器,其阻值大小可控制语音的速度和音调。
C2是A1触发的旁路电容器,能有效防止门铃按钮引线过长时周围杂波信号如:电焊机、交直流电钻、汽车、雷电等产生的各种干扰电波,以免感应对门铃造成误触发。
福州职业技术学院毕业设计设计题目迎(送)客语音门铃设计系别电子信息工程系年级专业2011学号 ************ 姓名周和杞指导教师邓盈职称教授年月日目录一、绪论 0(一)课题背景及意义 0(二)国内外研究状况 (1)(三)论文的构成及研究内容 (1)二、总体设计电路方案 (2)三、单元电路及工作原理 (3)(一)红外探测模块HN911及典型应用 (3)(二)时基电路555 (5)1、555集成定时器简介 (5)2、555定时器的应用 (7)(三)语音集成模块HFC5218 (10)1、全桥整流器 (11)四、整体电路工作原理图及工作原理 (14)结论 (16)参考文献 (17)迎(送)客语音门铃设计【内容摘要】本装置主要由高灵敏度人体传感电路、任意分段功能的数码话音集成电路[1]和发声电路等组成,能自动感应客人的到来,发出迎宾语。
例如:来客人时,本装置可以发出“您好!欢迎光临”,客人走时,它就会说“欢迎您下次光临”等语音内容,所以本装置完全可以代替迎宾小姐24小时的工作。
在此语音迎宾装置机箱内置有由红外探测头、定时控制电路,迎客语音电路、降压整流电路设计出简单的红外探测迎宾装置。
具有灵敏度可调,抗电磁波干扰能力强,体积小,结构简单等特点,能够进行分段录放音,语音内容可以根据需要进行改变,外部音频输入信号可通过本装置控制外接彩色串灯等负载发光闪烁等优点。
【关键字】:红外探测时基电路灵敏度集成电路语音电路一、绪论(一)课题背景及意义随着人们生活水平的提高,人们的精神生活逐渐丰富,各大商场和酒店的迎宾装置也越来越受到人们的关注。
本课题探讨利用电子技术的相关知识,利用红外探测头、定时控制电路、迎客语音电路、降压整流电路设计出简单的红外探测迎宾装置。
本品为红外线探测人体体温,感应灵敏度高,白天黑夜都可使用,不需要外来灯光。
红外感应迎宾装置无需任何外部连线,外形为小巧便携式设计,可放在任何地方。
探测距离3-10米,探测角度水平约110度。
红外感应迎宾装置的侧面有一个开关,它有三个档位,拨到下面为“你好,欢迎光临!”语音门铃迎宾器,拨到上面是做'叮咚声"用,拨到中间位置为关闭状态。
在商场、超市、个体精品店、照相馆、眼镜店、玩具店等各种店面,客户登门就致欢迎光临,不仅礼貌,给人尊重感,主动打招呼的热情感觉,而且给人以强烈的好奇心和趣味性,也使客户感受到了店主的热情,有一种受到重视的感觉,瞬间轻松了气氛。
在家庭或办公室作为感应门铃使用,只要客人光临,就会主动跟您打招呼,活泼有趣。
(二)国内外研究状况传统的迎宾器都是利用超声波控制的微波感应模块,该微波感应器模块是根据微波多普勒效应原理(也就是雷达基本原理)制作成的。
这种探测方式与其它探测方式相比具有如下的优点:非接触探测,不受温度、湿度、噪声、气流、尘埃、光线等影响,适合恶劣环境,抗射频干扰能力强,输出功率仅有5mW,对人体构不成危害,安装及接线简单。
这和市场上常见的简易型微波感应控制器相比较,因为采用专用的微处理集成器,不但检测灵敏度度高[2],探测范围宽,而且工作非常可靠,误报率极低,能在-25~+45度的温度范围内稳定工作。
但它们都有电路复杂,调试困难,制作成本高的缺点。
随着科学技术的进步,现代电子技术几乎在各个领域受到青睐。
近年来,西方发达国家运用电子技术研制出各类迎宾器,广泛用于家庭,办公室和工厂,成为有效的迎宾器件。
我国自改革开放以来,由于商品经济迅速发展和人民生活日益改善,人们对于先进的电子技术实现迎宾的兴趣和需求与日俱增,当前市场上迫切需要一种适合我国国情,价格低廉,性能可靠的迎宾装置,具有结构简单、成本低廉、调整方便等特点。
适合在家庭、宾馆、商店、仓库、办公室及其它机关部门等使用的新颖感应迎宾器[3]。
现代的迎宾器在针孔效应中得到启发,利用人体移动引起环境红外线的微小变化控制语音电路发出“欢迎光临!”的声音,给人带来亲切感。
这种迎宾器不仅小巧精致成本低,而且集成度也是特别的高,制造热释电红外探测元的高热电材料是一种广谱材料,它的探测波长范围为0.2~2 m。
为了对某一波长范围的红外辐射有较高的敏感度,该传感器在窗口上加装了一块干涉滤波片,这种滤波片除了允许某些波长范围的红外辐射通过外,还能将灯光、阳光和其它红外辐射拒之门外,它已迅速成为现代迎宾的主流。
总之,未来几年迎宾器的发展趋势是:产品技术将在数字化、无线化、集成化的前提下力求突破。
而在应用市场上,它将朝更细化的方向前进──针对不同市场,推出不同产品。
以成长最快的公共场合超市为例,已经有专为超市设计的定向适合这种场合用的无线红外迎宾系统。
而除了商店,家庭,办公室等,室外应用更是具有广阔的拓展空间。
(三)论文的构成及研究内容红外探测迎宾装置电路是由红外探测头,定时控制电路,迎宾语音电路和降压整流电路等组成。
本设计通过介绍它的课题背景及意义,国内外研究状况,论文构成及研究内容,及其对整体电路等的讲述,分别对细节进行了介绍。
对整体电路,包括红外探测模块HN911及典型应用,时基电路555,语音集成电路HFC5218,降压整流电流等每个电路部分的研究方向也做了系统的叙述。
二、总体设计电路方案本迎宾电路是由红外传感器,定时控制电路,迎宾语音电路,降压整流电路和供电电源等组成。
红外探测头采用热释电红外探测模块HN911[4]。
在静态下,即无人接近时,周围无红外辐射源,HN911不工作。
定时控制电路采用时基电路555,平时呈复位状态,在输出低电平的触发下,555翻转置位实施时间控制。
语音集成电路采用HFC5218,它内存有“您好,谢谢光临”或“欢迎光临”语句。
该芯片采用电平触发方式。
降压整流电流由降压电容器和全桥整流器组成。
本设计的原理框图如图1所示。
图1 红外迎宾装置的结构框图三、单元电路及工作原理(一)红外探测模块HN911及典型应用HN911是一款新型热释电红外探测器,采用双列6脚直插式封装。
其管脚排列如图3.1所示。
图2 红外探测模块HN911该传感器由于内部放大器集成了温度补偿功能[5],可以将人体辐射信号从恶劣的环境辐射信号中分离出来进行处理,保证了传感器的工作稳定性。
HN911红外探测模块内部电路主要由热释电红外传感器、放大器、比较器、信号处理电路和延时输出电路组成。
电路静态工作时,1脚输出高电平,2脚输出低电平。
动态时,即有移动发热物体进入探测范围时,传感器接收到红外辐射能量,输出幅度约lMV、频率0.3~7Hz的微弱信号。
该信号经放大器放大,由比较器比较,经信号处理电路处理,最后由延时输出电路输出用做驱动信号。
HN911模块内放大器具有温度补偿功能。
探测器工作时,人体辐射和周围环境红外辐射一起进入传感器。
当气温升高时,背景红外辐射增强,传感器自身极化强度即传感器输出的热释电信号减小,将明显影响对人体的探测。
因此,内部的温度补偿电路,使放大器的增益随环境温度的升高而升高,从而保证了该传感器的温度稳定性。
因而,HN911可在严寒或炎热等恶劣环境地区使用。
附表为HN911红外探测模块的性能指标[6]。
HN911的典型应用电路如图3所示。
这是一个8路自动巡回探测器。
探测器电路由8个红外探头模块构成,可以置于需要探测的8个不同位置,将各个HN911的输出端与8路模拟开关集成电路CC4051的8个输入端相连,CC4051的输出由地址选通端A0、A1、A2决定。
例如,地址码A0=1、A1=0、A2=l时,输入通道6和输出端接通,将IC6的输出信号传送到CC4051的输出端。
地址码由四位二进制加法计数器CC4520产生。
CC4520接成7进制加法计数器,当时钟端加入CP时钟脉冲时,其输出端Q0、Ql、Q2连续循环输出000~111二进制码,作为CC4051的地址码。
CC4520的时钟脉冲信号由IC10产生。
当某一探测器探测到有人体靠近时,该探测器的“l”脚输出高电平,相应的状态指发光二极管发光告警,同时在CC4520输出相应的地址选通后,CC4051的3脚输出高电平,通过由A741组成的高电平保持电路驱动报警器报警。
图3 HN911的典型应用图(二)时基电路555我国目前广泛使用555时基电路的统一型号是:双极型为CB555,CMOS型为CB7555。
这两种电路每个集成片内只有一个时基电路,称为单时基电路。
此外还有一种双时基电路,在一个集成片内包含有两个完全相同、又各自独立的时基电路。
它们的型号分别是CB556和CB7556。
1、555集成定时器简介555集成定时器是模拟功能和数字逻辑功能相结合的一种双极型中规模集成器件。
外加电阻、电容可以组成性能稳定而精确的多谐振荡器、单稳电路[7]、施密特触发器等,应用十分广泛。
555定时器的外引线排列图和内部原理框图如图4、5所示。
它是由上、下两个电压比较器、三个5kΩ电阻、一个RS触发器、一个放电三极管T以及功率输出级组成。
比较器C1的反相输入端⑤接到由三个5 kΩ电阻组成的分压网络的2/3Vcc处(⑤也称控制电压端),同相输入端⑥为阈值电压输入端。
比较器C2的同相输入端接到分压电阻网络的1/3Vcc处,反相输入端②为触发电压输入端,用来启动电路。
两个比较器的输出端控制RS触发R④,当复位端处干低电平时,输出③为低电平。
控制电压器。
RS触发器设置有复位端D端⑤是比较器C1的基准电压端,通过外接元件或电压源可改变控制端的电压值,即可改变比较器C1、C2的参考电压。
不用时可将它与地之间接一个0.01μF的电容,以防止干扰电压引入。
555的电源电压范围是+4.5~+18V,输出电流可达100~200mA,能直接驱动小型电机、继电器和低阻抗扬声器[8]。
图4 555集成电路引脚排列图图5 时基电路555电路结构图表1 HN911的功能表TR TH R DIS OUT触发 阈值 复位 放电端 输出端>31VCC >32VCC H 导通 L>31VCC <32VCC H 原状态<31VCC X H 截止 H X X L 导通 L2、555定时器的应用(1)单稳态电路单稳态电路的组成和波形如图6所示。
当电源接通后,Vcc 通过电阻R 向电容C 充电,待电容上电压Vc 上升到2/3Vcc 时,RS 触发器置0,即输出V o 为低电平,同时电容C 通过三极管T 放电。
当触发端②的外接输入信号电压Vi <1/3Vcc 时,RS 触发器置1,即输出V o 为高电平,同时,三极管T 截止。
电源Vcc 再次通过R 向C 充电。
输出电压维持高电平的时间取决于RC 的充电时间,当t=tW 时,电容上的充电电压为;CC RC t CC C V e V v w 321=⎪⎪⎭⎫ ⎝⎛-=-所以输出电压的脉宽tW=RCln3≈1.1RC一般R 取1kΩ~10MΩ,C >1000pF 。