ABS-v0物性表
- 格式:xls
- 大小:35.00 KB
- 文档页数:15
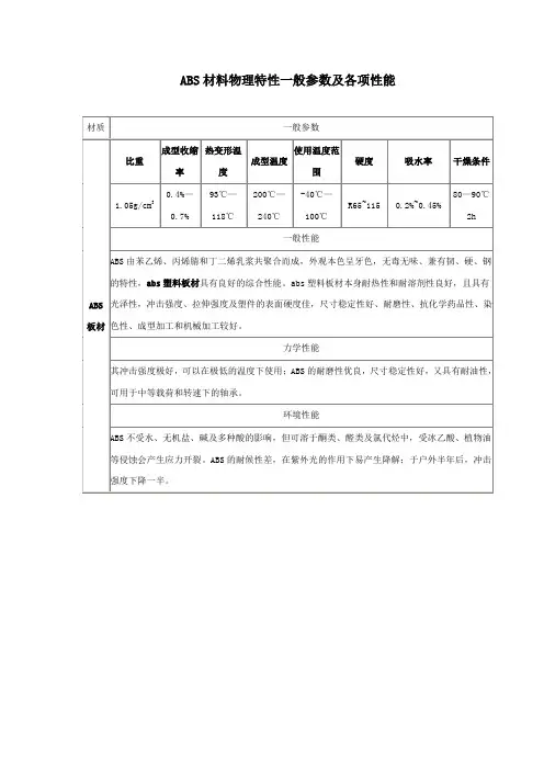
ABS的介绍一、ABS的概述化学名称:丙烯腈-丁二烯-苯乙烯共聚物英文名称:Acrylonitrile Butadiene Styrene 比重1.05克/cm3,成型收缩率:0.4~0.7%ABS的分子结构如下图:ABS树脂是一种共混物,是丙烯腈-丁二烯-苯乙烯共聚物,这三者的一般比例为20:30:50(熔点为175℃)。
其特性是由三组份的配比及每一种组分的化学结构,物理形态控制,丙烯晴组分在ABS中表现的特性是耐热性、耐化学性、刚性、抗拉强度,丁二烯表现的特性是抗冲击强度,苯乙烯表现的特性是加工流动性,光泽性。
这三组分的结合,优势互补,使ABS树脂具有优良的综合性能。
只要改变其三者的比例、聚合方法、颗粒的尺寸,便可以生产出一系列具有不同冲击强度、流动特性的品种,如增加丁二烯的组份,则其冲击强度会得到提高,但是硬度和流动性就会降低,强度和耐热性亦变差。
ABS具有刚性好,冲击强度高、耐热、耐低温、耐化学药品性、机械强度和电器性能优良,易于加工,加工尺寸稳定性和表面光泽好,容易涂装,着色,还可以进行喷涂金属、电镀、焊接和粘接等二次加工性能。
ABS是一种综合性能十分良好的树脂,无毒,微黄色,在比较宽广的温度范围内具有较高的冲击强度,热变形温度比PVC高,尺寸稳定性好,收缩率在0.4%~0.8%范围内,若经玻纤增强后可以减少到0.2%~0.4%,而且绝少出现塑化后收缩。
二、ABS的特点:1、综合性能较好,冲击强度较高,化学稳定性,电性能良好。
2、与372有机玻璃的熔接性良好,制成双色塑件,且可表面镀铬,喷漆处理。
3、有高抗冲、高耐热、阻燃、增强、透明等级别。
4、流动性比HIPS差一点,比PMMA、PC等好,柔韧性好。
三、ABS的合成方法ABS树脂的生产方法很多,目前世界上工业装置上应用较多的是乳液接技掺合法和连续本体法。
1.乳液接枝掺合工艺:乳液接枝掺合法是在ABS树脂的传统方法--乳液接枝法的基础上发展起来的,根据SAN共聚工艺不同又可分为乳液接枝乳液SAN掺合、乳液接枝悬浮SAN掺合、乳液接枝本体SAN掺合三种,其中后两者在目前工业装置上应用较多。
ABS (炳烯晴一丁二烯一苯乙烯)可供規格板材本色規格(0.5~30)×1000×2000 (15~200) ×1220×1020 板材黑色規格 (0.5~12)*1000*2000 (15~100)*610*1020棒材(本色/黑色)規格(1~250)*1000特點:高機械強度及剛性,抗拉強度,剛性適中,潛率強度佳,抗化耐磨表面硬度佳,不受水/堿/無機酸/食品酸堿影響,可用於-50℃至+70℃。
低溫時耐衝擊性佳,溫熱時外形及尺寸安定性佳,可電鍍。
缺點:不耐風化,溶於酮液/在氯化碳氫化合物/酯/芳香化合物/醛中會軟化。
用途:模型用材料,易加工,易著色,可電鍍,適於各種零配件加工等。
物性 測試方法單位 數值 白度 --- 96 88 光澤度--- 96 96 拉伸屈服應力(縱、橫) ASTM D-790 MPA ≥32 衝擊強度(IZOD )(縱、橫) ASTM D-256MPA ≥50 球壓痕硬度 --- MPA ≥70 彎曲模量 ASTM D-790 MPa 2850 彎曲強度 ASTM D-790 MPa 91 洛氏硬度 ASTM D-785 R 112 熱變形溫度 ASTM D-648℃ 91 維卡軟化溫度 --- ℃ ≥100 尺寸變化率---%-20~+5.0色:本色、黑色、其他色透明ABS特點:透光率可達80%1,高機械強度及剛性,具備通用級ABS的所有特性.與壓克力相比,具有極佳的韌性,在加工精細零件時,不會出現因應力釋放而導致的脆性斷裂,且更易打磨拋光.與PC相比,打磨拋光後,光澤好,透明度更佳,性價比好,耐溫相對差2,不受水/堿/無機酸/食品酸堿影響3,低溫時耐衝擊性佳,溫熱時外形及尺寸安定性佳缺點:溶於酮液/在氯化碳氫化合物/酯/芳香化合物/醛中會軟化在過高或過低溫度下,透明度易受影響,最佳使用於-10℃至+60℃用途:模型用材料,易加工,易著色,可電鍍,適於各種零配件加工等。
2010GF性能Properties 测试标准Standard测试条件Condition单位Unit数值Value 物理性能Physical Properties密度Specific Gravity ASTM D79223℃g/cm3 1.1洛氏硬度Rockwell Hardness ASTM D78523℃102~113成型收缩Mold Shrinkage,Flow ASTM D955Cold mold, 48 hrs%0.2~0.4吸水率Moisture Absorption ASTM D57023 °C; 50 % RH%0.3机械性能Mechanical Properties拉伸强度Tensile Strength ASTM D63850mm/min Mpa46~60断裂伸长率Elongation at Break ASTM D63850mm/min%2~5弯曲强度Flexural Strength ASTM D7903mm/min Mpa75.8~90弯曲模量Flexural Modulus ASTM D7903mm/min Mpa3000~4000悬臂梁冲击强度Izod Impact, Notched ASTM D256J/m53~90热性能Thermal Properties维卡软化点Vicat Softening Temperature ASTM D1525℃110熔融指数MFR ASTM D1238220℃/10kg g/10min30热变形温度HDT ASTM D648 1.8 Mpa℃90~100阻燃性能Flammability UL94 1.6 mm HBASIA INT’L ENTERPRISE ( HONG KONG ) LIMITED深圳市亞太興實業有限公司廣東省深圳市寶安九區廣場大廈14樓 Tel:86-755-29993288 Fax:86-755-29991288High Performance SAN+10~30%GF HB Polyetherimide Materials该表为本产品测试的典型值,不作为产品验收的标准。
ABS物性报告概述ABS,全称聚丙烯腈-丁二烯-苯乙烯共聚物(Acrylonitrile Butadiene Styrene),是一种常用的工程塑料。
它的物性决定了它在各种应用场景中的广泛使用。
本报告将对ABS的主要物性进行分析,以帮助读者更好地了解和应用这种材料。
密度密度是一个材料的重要物性参数,可以用来表征材料的质量和体积之间的关系。
对于ABS来说,其密度通常在1.03-1.06g/cm³之间。
相比于其他常用的塑料材料,ABS的密度较高,这使得它在某些应用中具有一定的优势,例如需要材料有一定的质感和重量感的产品。
强度和刚度ABS具有良好的强度和刚度,这使得它在结构件和零件制造中得到广泛应用。
其拉伸强度一般在40-60MPa之间,屈服强度约为50MPa。
同时,ABS的刚度也较高,其弹性模量在2000-3000MPa之间。
这些物性使得ABS具有较好的耐冲击性和耐磨性,在一些需要承受较大力的应用场景中表现出色。
耐化学性ABS具有较好的耐化学性,能够抵抗一般化学品的腐蚀。
它对酸、碱和溶剂的抗性较强,使得ABS在一些特殊环境下的使用成为可能。
然而,在特定的化学环境中,ABS的耐化学性可能会受到一定的限制,因此在具体应用中需要对其耐化学性进行评估。
热稳定性ABS的热稳定性相对较好,其使用温度范围通常在-20℃至80℃之间。
在这个温度范围内,ABS可以保持较好的物理性能和化学稳定性。
然而,在高温环境下,ABS可能会发生热分解,导致性能下降,因此在高温应用中需要注意控制温度。
加工性ABS具有良好的加工性能,可以通过注塑成型、挤出和吹塑等方法进行加工。
它的熔融温度通常在200-230℃之间,使得其适合于各种热塑性加工工艺。
同时,ABS也具有较好的润滑性和流动性,使得在加工过程中更易于操作和控制。
应用领域由于其优异的物性,ABS在许多领域都得到广泛应用。
以下是一些常见的应用领域: 1. 电子电器:ABS常用于制造电视机外壳、电脑键盘和电器配件等。
ABS-(物理性能参照表(奇美)1. 引言本文档旨在提供关于奇美公司生产的ABS(丙烯腈-丁二烯-苯乙烯共聚物)的物理性能参照表。
ABS是一种常用的工程塑料,在许多不同应用领域中广泛使用。
了解ABS的物理性能可以帮助工程师和设计师在选择合适的塑料材料时做出明智的决策。
2. 物理性能参照表下面是关于奇美公司生产的ABS的物理性能参照表:性能参数测试方法单位ABS(奇美)密度ASTM D792g/cm³ 1.05熔融流动速率ASTM D1238g/10min8抗张强度ASTM D638MPa40弯曲强度ASTM D790MPa60冲击强度ASTM D256J/m200热变形温度ASTM D648℃90Vicat软化温度ASTM D1525℃100抗UV性能ASTM D4329 / ASTM TestMethod D7856-良好倍卷直径ASTM D790mm20耐化学品ASTM D543 / ASTM D1693 /ASTM D1308 / ASTM D543-优良性能3. 性能参数解释在本章节中,将对物理性能参照表中的各项参数进行解释。
3.1 密度密度是指单位体积的质量。
对于ABS而言,奇美公司生产的ABS的密度为1.05 g/cm³。
密度的高低直接影响到ABS的重量和体积,因此在设计产品或制造成品时需要考虑密度的影响。
3.2 熔融流动速率熔融流动速率(MFR)是衡量ABS熔融流动性能的一个指标。
该数值表示ABS在规定温度和压力下从注射机喷嘴中流出的重量。
奇美公司生产的ABS的熔融流动速率为8 g/10 min。
高熔融流动速率的ABS表明其熔融性能好,适合注塑成型等需要较高流动性的应用。
3.3 抗张强度和弯曲强度抗张强度和弯曲强度是衡量ABS材料抵抗拉伸和弯曲作用的能力的指标。
奇美公司生产的ABS的抗张强度为40 MPa,弯曲强度为60 MPa。
这些数据可以帮助工程师评估ABS的结构强度和抗变形能力。
5.94VTM-0,94VTM-1,94VTM-2级的垂直燃烧试验(VTM指极薄的材料这里不作介绍)1.94HB级的水平燃烧试验方法:试验样品:采用长127mm,宽12.7mm,最大厚度12.7mm,最小厚度3.05mm的小条状试样。
试验条件:在无通风的试验箱中进行。
评定方法:评为94HB级的材料,试样厚度为12.7mm时,在76.2mm标距上的燃烧速度不大于38.1mm/min,或试样厚度小于3.05mm时,燃烧速度不大于38.1mm/min或在达到102mm标线之前,必须停止燃烧。
2.94V-0、94V-1、94V-2级的垂直燃烧试验方法:试验样品:此试验用小条试样长127mm,宽12.7mm,最大厚度12.7mm。
试验条件:在无通风试验箱中进行。
评定方法:试样上端(6.4mm的地方)用支架上的夹具夹住,并保持试样的纵轴垂直。
试样下端距灯嘴9.5mm,距干燥脱脂棉表面305mm.。
将本生灯点燃并调节至产生19mm高的蓝色火焰,把本生灯火焰置于试样下端,点火10s,然后移去火焰(离试样至少152mm远),并记下试样有焰燃烧时间。
若移去火焰后30s内试样的火焰熄灭,必须再次将本生灯移到试样下面,重新点燃试样点火10s,然后再次移开本生灯火焰,并记下试样的有焰燃烧和无焰燃烧的续燃时间。
若试样熔滴有烟棵里,让其落入试样下305mm的脱脂棉上,看其是否引燃脱脂棉。
若脱脂棉着火,评级时应考虑其因素。
具体分级指标如下:注:UL94中的垂直燃烧试验根据样品燃烧时间,熔滴是否引燃脱脂棉等试验结果,把聚合物材料定为V-2,V-1,V-0和5-V四个级别,其中以V-2级为最低阻燃级,5-V级为最高阻燃级。
3.94 5-V级的垂直燃烧试验方法:94 5-V级垂直燃烧试验分A法和B法两种(A法为试条,B法为试片),是比94V-0、94V-1、94V-2测试更严格的实验方法。
试验样品:试条(127mm╳12.7mm)评定方法(以A法为例):将试条(127mm╳12.7mm)上端6.4mm处夹住并保持其纵轴垂直,喷灯安装在灯座的斜面上,使等于垂直线20度角。
ABS系列:吹塑成型:吹塑级ABS是针对普通ABS中空吹塑成型时制品薄厚不均、易破裂而专门开发的ABS牌号。
其具有熔体粘度高、延伸率大、横向和纵向延伸平衡性好、易于中空吹塑成型等特点,广泛应用于汽车内、外饰件等方面。
挤出成型:挤出成型用ABS树脂,利用一般挤出成型机或其它设备,可容易挤出成型出侧面板、板材、片材、管材、筒状物等各种不同形状的挤出制品。
本品:1)具有适合挤出成型的加工性2)从大型板到小薄板,可得范围广的制品3)具有优秀的二次加工性,可得良好光泽的成型品玻纤增强:ABS树脂经玻纤增强后,弯曲模量可以大幅度提高,耐高、低温冲击性能好,具有优秀的耐疲劳强度,同时尺寸稳定性得以改善。
阻燃增强:高刚性高光泽ABS:概略高刚性ABS720,722,除具有优秀的抗拉强度之外,还具有优秀的光泽性、耐磨性、耐药品性,可作为工业用材料、耐久用材料、通用材料等。
超高光泽ABS 728SR具有优秀的加工性,多种颜色着色性,是适用范围广且物理性质均衡优良的产品。
特性及主要用途:耐环境开裂ABS:耐环境开裂(ESCR)用ABS耐环境开裂(ESCR)用ABS是针对冰箱内胆、门内衬等容易与致冷剂或其它化学药品接触,而专门开发的耐环境变化、耐化学药品性、耐油品性的牌号,适合在有化学品的恶劣环境下使用.极超耐热ABS:极超耐热ABS是由锦湖石化自行研发的高性能化产品,本品打破已有的耐热ABS 树脂的耐热性界限,即比已有的耐热性ABS树脂提高10~20℃的耐热温度。
本品可替代工程塑料使用,并在市场上大有前景。
冰箱薄板级ABS:冰箱薄板用ABS用于电冰箱内装饰材料,具有优异的耐药品性、耐冲击性、真空成型性、挤出加工特性。
由于该等级ABS具有优秀的真空成型性,可获得薄壁成型品。
同时具有光泽好,耐低温、耐药品和油污等特性。
阻燃5V级ABS:防火性能V0/5VB/5VA级抗菌型ABS:抗菌ABS是ABS树脂与特定抗菌剂复合而成的新型材料,具有抑菌、杀菌和防霉等功能。
ABS物性表1. 引言ABS(Acrylonitrile Butadiene Styrene)是一种常见的合成树脂,由丙烯腈、丁二烯和苯乙烯三种单体共聚而成。
由于ABS具有良好的机械强度、耐冲击性、耐热性和耐化学品腐蚀性,在工程领域得到广泛应用。
本文将详细介绍ABS的物理性质及其在不同条件下的表现。
2. 物理性质2.1 密度ABS的密度约为1.04g/cm³,具有较低的密度,使其能够轻便应用于各种领域。
2.2 熔点ABS的熔点大约在200℃至250℃之间,具有较高的熔点使其具有良好的热稳定性和耐高温性。
2.3 硬度ABS通常具有较高的硬度范围,一般在60到80之间,这使其在许多应用中能够提供足够的刚性和抗压性。
2.4 弯曲强度ABS的弯曲强度通常在50到100MPa之间,这使其在具有较大应变的条件下能够保持良好的形状稳定性。
2.5 热传导性ABS的热传导性通常较低,约为0.1至0.2W/m·K,这使其在热绝缘方面有一定的优势。
2.6 电绝缘性ABS属于电绝缘材料,能够有效地隔离电流,具有良好的电绝缘性能。
2.7 耐腐蚀性ABS对一些常见的化学品具有较好的耐腐蚀性,例如酸、碱等。
3. 表现特性3.1 成型性ABS具有良好的成型性能,可以通过注塑成型、挤出成型等加工方法制备出复杂形状的制品。
3.2 耐冲击性ABS在低温下依然能够保持较高的韧性和抗冲击性,具有良好的耐冲击性能。
3.3 表面性质ABS制品的表面光滑、细腻,能够进行抛光、喷漆等表面处理手段。
3.4 可加工性ABS易于加工和切削,可进行机械加工、粘接、焊接等操作。
3.5 耐候性ABS具有一定的耐候性能,可以在室外环境下长时间使用而不受严重损坏。
3.6 可塑性ABS可以通过加热软化变形,具有良好的可塑性,可以做到部分图自愈。
4. 应用领域由于ABS具有上述优良的物理性质和表现特性,在工程领域得到了广泛的应用。
以下是ABS常见的应用领域:•汽车工业:制作汽车内饰件、仪表板等塑料部件;•电子电器:制作电视机外壳、电脑键盘等电子产品外壳;•家具制造:制作家具配件、家具外壳等;•管道和管道连接件:制作各种管道、接头等;•玩具制造:制作各种玩具、模型等。
ABS 树脂生产的主要单体及辅助材料物化性质一、ABS主要原料物化性质苯乙烯是不饱合芳烃,常温下为无色至黄色的油状液体,具有高折射性和特殊芳香气味,溶于乙醇、乙醚、甲醇、丙酮、二硫化碳,不溶于水。
分子式:C6H5CHCH2分子量:104.1420℃时相对密度:0.909;熔点:-33℃;沸点:146℃,爆炸上限(65.2℃):6.1%;爆炸下限(29.3℃):1.1%;闪点:31℃暴露于空气中会逐渐氧化和聚合,贮存时缓慢聚合,在有光、加热或过氧化物时聚合加快。
毒性中等,苯乙烯的液体和蒸汽对眼睛和呼吸道有刺激作用,高浓度的苯乙烯有麻醉作用,在空气中最大充许浓度为100mg/kg。
苯乙烯为ABS树脂提供加工的流动性及产品的表面光洁度。
•低顺式聚丁二烯橡胶是一种外观无色透明固体,含有较少的顺式和较多的乙烯基团,低顺橡胶由于含有较多的活性乙烯基团而容易发生交联。
它的主要特点是:•①无凝胶、分布窄、纯度高。
•②与天然胶、丁苯胶、丁腈胶的相容性优于高顺丁胶。
•③硫化时硫化点明显且硫化曲线平坦。
•④低温性能好,使用温度可-70℃,高顺式丁胶-40℃即已变脆。
•⑤生胶冷流性大、加工性能差、回弹性大、生热低、永久变形小、耐磨性非常好,抗刺穿性、抗滑性差。
•低顺式聚丁二烯为ABS树脂提供低温延展性和抗冲击性,但是过多的丁二烯会降低树脂的硬度、光泽及流动性。
•乙苯(ethylbenzene)一种芳香族的有机化合物。
分子式C6H5C2H5 。
分子量:106.16,存在于煤焦油和某些柴油中。
易燃,其蒸气与空气可形成爆炸性混合物。
遇明火、高热或与氧化剂接触,有引起燃烧爆炸的危险。
•熔点(℃):-94.9;沸点(℃):136.2;相对密度(水=1):0.87;闪点(℃):15 ;引燃温度(℃):432 ;爆炸上限%(V/V):6.7 ;•爆炸下限%(V/V):1.0•溶解性:不溶于水,可混溶于乙醇、醚等多数有机溶剂。
•乙苯是惰性体,并不参与反应,主要是用来改善聚合物通过反应器的输送量和减少含固量。
ABS产品型号及物性塑料原料ABS/AG12A0/台湾化纤通用级用途:鞋跟,玩具,时钟外壳,音响外壳,手提箱,板状制品,冰箱内壳。
特性:高耐冲击性,一般成型熔体流动速率: 1.6 g/10min | 密度: 1.04 g/cm3 | 缺口冲击强度: 30 | 拉伸强度: 50 MPa | 弯曲强度:74 MpaABS/AG15A1/台湾化纤通用级用途:鞋跟,玩具,时钟外壳,音响外设,手提箱。
特性:特性:高光泽性、高耐冲击性。
熔体流动速率: 1.6 g/10min | 密度: 1.05 g/cm3 | 缺口冲击强度: 20 | 拉伸强度: 50 MPa | 弯曲强度: 84 MPa |ABS/AT5500/台湾化纤透明级用途:透明板,冰箱内抽屉及隔板,实验室容器,蓄电池外壳。
特性:特性:透明。
熔体流动速率: 2.1 g/10min | 密度: 1.07 g/cm3 | 缺口冲击强度: 15 | 拉伸强度: 44 MPa | 弯曲强度: 72 MPa |ABS/ANC120/台湾化纤阻燃级用途:防火级材料,电视外壳,电脑外壳,录影带机外壳。
特性:特性:难燃性。
熔体流动速率: 4.5 g/10min | 密度: 1.19 g/cm3 | 缺口冲击强度: 22 | 拉伸强度: 39 MPa | 弯曲强度: 64 MPa |塑料原料ABS/AG15A1/宁波台化注塑级用途:鞋跟,玩具,时钟外壳,音响外壳,手提箱特性:特性:高光泽性,一般成型熔体流动速率: 1.6 g/10min | 密度: 1.05 g/cm3 | 缺口冲击强度: 20 | 拉伸强度: 50 MPa | 弯曲强度: 84 MPa |塑料原料ABS/ANC120/宁波台化用途:防火级材料,电视外壳,电脑外壳,录影带机外壳特性:特性:难燃性熔体流动速率: 4.5 g/10min | 密度: 1.19 g/cm3 | 缺口冲击强度: 22 | 拉伸强度: 39 MPa | 弯曲强度: 64 MPa |塑料原料ABS/PA-709/台湾奇美通用级用途:水管配件、汽车前后扰流板、摩托车挡板、押出水管、安全帽特性:产品特性:超高冲击强度、耐低温性佳台湾奇美实业股份有限公司熔体流动速率: 0.6 g/10min | 密度: 1.03 g/cm3 | 缺口冲击强度: 45 | 拉伸强度: 39 MPa | 断裂伸长率: 40 % |塑料原料ABS/PA-727/台湾奇美通用级用途:通用于一切需要电镀装饰配件按钮、音响器材面板、轮胎盖、镜框、时钟外壳及汽车部品等特性:产品特性:电镀性佳台湾奇美实业股份有限公司熔体流动速率: 1.7 g/10min | 密度: 1.04 g/cm3 | 缺口冲击强度: 26 | 拉伸强度: 47 MPa | 断裂伸长率: 20 % | 塑料原料ABS/PA-746H/台湾奇美通用级用途:性能相当于PA-747,可注射成型大面或薄肉成型品,如摩托车侧盖挡板。