涵洞质量检验报告单(全)
- 格式:pdf
- 大小:176.94 KB
- 文档页数:36
涵洞分部分项工程验收记录表
一、项目基本信息
项目名称涵洞分部分项工程
施工单位xxx工程有限公司
地址xxx市xxx区xxx路
建设单位xxx有限责任公司
监理单位xxx监理有限公司
验收日期xxxx年xx月xx日
二、验收内容
1. 工程质量
本次验收主要是对涵洞分部分项工程的质量进行检查和认证,在整个验收过程中,主要对以下情况进行了检查:
1.工程的主体结构和基础的施工质量;
2.管线敷设的情况,并对管线的连接点进行了检查;
3.电气设施的安全性和稳定性;
4.工程安全标识和消防设施的完善性;
5.工程的防水隔音和渗漏测试等工程技术指标。
2. 交付验收文件
在质量验收过程中,我们还要求施工单位提交相应的交付验收文件,主要包括以下内容:
1.工程验收报告;
2.工程图纸和施工图;
3.工程材料的验收报告和处理记录;
4.工程质量检验报告;
5.工程现场照片和视频资料;
6.工程整改和安全事故处理记录。
三、验收结果
经过对以上内容进行检查和认证,施工单位已经完成了整个涵洞分部分项工程的施工,工程品质和质量已经达到了相关标准和业主的要求。
验收委员会一致同意对该工程进行通过验收,特此记录。
验收员签字:______________
施工单位签字:______________
建设单位签字:______________
监理单位签字:______________
验收时间:xxxx年xx月xx日。
涵洞分部工程、分项工程、检验批划分及编号(涵洞单位工程编号0302)换填地基检验批质量验收记录表说明主控项目1.换填地基所用材料必须符合下列规定:(1)换填用砂应为中、粗砂,有机质和含泥量均不得大于5%;(2)碎石粒径不得大于100 mm,含泥量不得大于5%;(3)石灰等级不得小于Ⅲ级。
检验数量:砂和碎石同产地、同品种、同规格以连续进场数量每400 m3为一批,不足400 m3也按一批计;石灰同产地、同品种、同规格每200 t为一批,不足200 t也按一批计。
施工单位、监理单位每批均检查。
检验方法:施工单位对砂、碎石进行筛分试验、含泥量和有机质含量试验;对石灰进行未消解残渣含量试验。
监理单位检查试验报告。
2.换填范围必须符合设计要求。
检验数量:施工单位、监理单位全部检查。
检验方法:测量。
3.填料比例必须符合设计要求。
检验数量:施工单位、监理单位全部检查。
检验方法:观察和计量检查。
4.填筑和压实工艺必须符合设计和施工技术方案的要求。
检验数量:施工单位、监理单位全部检查。
检验方法:观察和尺量。
5.压实密度必须符合设计要求。
检验数量:施工单位每层每100 m2检查不少于5处。
监理单位见证检测每层检查不少于1处。
检验方法:施工单位采用湿度密度仪、注水法或灌砂法检测。
监理单位见证检测。
一般项目1.换填地基底部和顶部高程允许偏差为±50 mm。
检验数量:施工单位对每个换填基坑底部和顶部检查各不少于5处。
检验方法:测量。
重锤夯实地基检验批质量验收记录表说明主控项目1.重锤夯实处理范围必须符合设计要求。
检验数量:施工单位、监理单位全部检查。
检验方法:测量。
2.锤夯实施工必须符合设计和施工技术方案的要求。
检验数量:施工单位、监理单位全部检查。
检验方法:观察和尺量。
3.重锤夯实地基密实度必须符合设计要求。
检验数量:施工单位每个基坑不少于5处。
监理单位不少于3处。
检验方法:施工单位进行标准贯入或环刀取土试验。
涵洞检验批模板(总57页) -CAL-FENGHAI.-(YICAI)-Company One1-CAL-本页仅作为文档封面,使用请直接删除十涵洞施工用表目录(一)、明挖基础(二)、粉喷桩(三)、旋喷桩(四)、就地制作涵洞洞身(五)、涵洞附属工程(一)、明挖基础附表:1、TA7施工测量放样报验单(见“原地面处理”中此表)2、施工测量高程放样表; 施工测量平面放样表(见“原地面处理”中此表)3、TA8工程报验申请表(见“原地面处理”中此表)4、基检验批质量验收记录表5、基坑检查证——铁程检-096、TA8工程报验申请表(见“原地面处理”中此表)7、模板及支架检验批质量验收记录表8、模板检查证——质统-7(见“重力式挡墙基础”中此表)9、TA8工程报验申请表(见“原地面处理”中此表)10、钢筋(原材料及加工)检验批质量验收记录表(Ⅰ)11、钢筋(连接及安装)检验批质量验收记录表(Ⅱ)10、钢筋检查证——铁程检-14修(见“地表排水”中此表)12、TA8工程报验申请表(见“原地面处理”中此表)13、混凝土(原材料)检验批质量验收记录表(Ⅰ)14、混凝土(配合比)检验批质量验收记录表(Ⅱ)15、混凝土(施工及养护)检验批质量验收记录表(Ⅲ)16、混凝土(结构外观和尺寸偏差)检验批质量验收记录表(Ⅳ)17、混凝土施工过程检查——质统-8修1(见“过渡段”中的“基坑回填”中此表)18、混凝土施工记录(见“过渡段”中的“基坑回填”中此表)19、混凝土拆模检查——质统-9修1(见“重力式挡墙基础”中此表)20、混凝土养护检查——质统-10修1(见“过渡段”中的“基坑回填”中此表)换填地基检验批质量验收记录表工程检查证TA8 工程报验申请表工程项目名称:DK34+173 1-4m框架涵施工合同段:LSZQZH-Ⅰ标编号:注:本表一式3份,承包单位2份,监理单位1份。
模板及支架检验批质量验收记录表模板检查表TA8 工程报验申请表钢筋(原材料及加工)检验批质量验收记录表(Ⅰ)03020111□□□工程检查证编号:铁程检—14(修)TA8 工程报验申请表工程项目名称:DK34+173 1-4m 框架涵施工合同段:LSZQZH-Ⅰ标编号:注:本表一式3份,承包单位2份,监理单位1份。
盖板涵检验表单
集团公司文件内部编码:(TTT-UUTT-MMYB-URTTY-ITTLTY-
检验申请批复单承包单位:四川省巴中市公路建设有限公司合同号:
涵洞基坑现场质量检验报告单
承包单位:四川省巴中市公路建设有限公司合同号:
承包人:日期:
检验申请批复单承包单位:四川省巴中市公路建设有限公司合同号:
涵洞基础现场质量检验报告单承包单位:四川省巴中市公路建设有限公司合同号:
承包人:日期:
检验申请批复单承包单位:四川省巴中市公路建设有限公司合同号:
涵洞总体现场质量检验报告单承包单位:四川省巴中市公路建设有限公司合同号:
承包人:日期:
中间交工证书
承包单位:四川省巴中市公路建设有限公司合同号:
监理单位:四川省蜀顺监理工程建设咨询有限公司编号:。
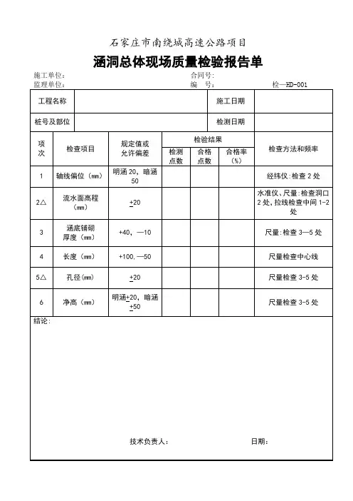
涵洞总体现场质量检验报告单施工单位:合同号:
涵洞总体检测记录表
施工单位:工程名称:合同号:
检测人: 技术负责人: 日期:
涵台现场质量检验报告单施工单位:合同号:
涵台检测记录表
施工单位: 工程名称:合同号:
管座及涵管安装现场质量检验报告单施工单位:合同号:
管座及涵管安装检测记录表施工单位: 工程名称: 合同号:
盖板制作现场质量检验报告单施工单位:合同号:
盖板制作检测记录表
施工单位:工程名称: 合同号:
盖板安装现场质量检验报告单施工单位:合同号:
盖板安装检测记录表
施工单位:工程名称: 合同号:
石家庄市南绕城高速公路项目
箱涵浇筑现场质量检验报告单施工单位:合同号:
石家庄市南绕城高速公路项目
箱涵浇筑检测记录表
施工单位:工程名称:合同号:
石家庄市南绕城高速公路项目
拱涵浇筑(砌)现场质量检验报告单施工单位:合同号:
石家庄市南绕城高速公路项目
拱涵浇筑(砌)检测记录表
施工单位:工程名称:合同号:
石家庄市南绕城高速公路项目
倒虹吸竖井砌筑现场质量检验报告单施工单位:合同号:
石家庄市南绕城高速公路项目
倒虹吸竖井砌筑检测记录表
施工单位:工程名称:合同号:
石家庄市南绕城高速公路项目
一字墙和八字墙现场质量检验报告单施工单位:合同号:
石家庄市南绕城高速公路项目
一字墙和八字墙检测记录表
施工单位:工程名称: 合同号:
检测人技术负责人日期。
隧道总体现场质量检验报告单报告编号:报告日期:受检单位:工程名称:建设单位:监理单位:主要参与人员:一、检验目的:为了确保隧道工程的施工质量,保证隧道的安全性和可靠性,进行现场质量检验。
本次检验针对隧道的主要结构、材料、设备等进行全面检查,以发现并解决存在的质量问题,确保隧道工程符合相关标准和要求。
二、检验范围:本次检验的范围包括隧道的主体结构、防水处理、通风设备、通信设备、照明设备等方面。
三、检验内容:1.隧道主体结构的检查:(1)混凝土梁板的浇筑工艺和质量;(2)支护结构的稳定性和牢固性;(3)隧道壁和顶板的平整度和垂直度;(4)隧道的渗漏和渗水情况。
2.防水处理的检查:(1)防水层的厚度和质量;(2)防水层与混凝土结构的粘结情况;(3)防水层的渗漏和渗水情况。
3.通风设备的检查:(1)隧道通风设备的安装位置和布局;(2)通风设备的运行情况和效果;(3)通风系统的可靠性和安全性。
4.通信设备的检查:(1)隧道内通信设备的安装情况;(2)通信设备的信号强度和传输质量;(3)通信系统的可靠性和稳定性。
5.照明设备的检查:(1)隧道内照明设备的安装位置和布局;(2)照明设备的光强和均匀度;(3)照明系统的可靠性和灯具寿命。
四、检验方法:1.现场勘察:对隧道进行全面的现场勘察,对各项工程、设备进行实地观察和测量,以获取准确的数据。
2.抽样检测:对隧道的主体结构和材料进行抽样检测,对混凝土和钢筋进行物理性能测试,以评估其质量。
3.设备测试:对通风设备、通信设备和照明设备进行功能和性能测试,以确保其符合设计要求。
五、检验结果:1.隧道主体结构:(1)混凝土梁板的浇筑工艺和质量符合相关要求;(2)支护结构牢固可靠,符合设计要求;(3)隧道壁和顶板的平整度和垂直度达到要求;(4)隧道的渗漏和渗水情况符合标准。
2.防水处理:(1)防水层的厚度和质量满足要求;(2)防水层与混凝土结构的粘结良好;(3)防水层无渗漏和渗水现象。
涵洞总体现场质量检验报告单项目名称:涵洞工程报告编号:2024-001总体质量检验报告时间:2024年1月1日总体质量检验报告地点:XX市XX区XX路总体质量检验人员:工程质量检验员1号、工程质量检验员2号一、总体情况本次总体质量检验针对涵洞工程的施工质量进行全面检查和评估。
施工期间,我们对施工人员的工作进行了实时监控,并对现场施工过程中涉及到的主要质量问题进行了详细记录。
根据检查结果,我司认为施工质量符合相关规范和要求,整体质量合格。
二、施工人员情况1.施工队伍本次涵洞工程施工由XX公司承担,施工班组规模合适、操作规范。
施工队伍有丰富的施工经验和专业技术,施工作业安排合理。
2.施工人员素质施工人员配备合理,具备相关岗位资格证书,操作规范、熟悉施工方案要求,对工程质量重视,保证了工程的顺利进行。
三、施工工序情况1.基坑开挖涵洞工程的基坑开挖工作经过对地质情况的详细调查和技术方案的制定,开挖过程中严格按照设计要求进行。
开挖场地的地质情况符合设计要求,开挖边坡坡度、边沟护坡均符合相关规范要求。
2.基础混凝土灌注基础混凝土的浇筑过程中,我们进行了现场的监控和抽检,混凝土的配合比例和搅拌时间符合相关技术规范要求。
整体混凝土的密实度、凝结度良好,无明显缺陷。
3.墙体施工涵洞的墙体采用了预制钢筋混凝土构件进行浇筑。
墙体施工中,墙体的垂直度、水平度和平整度满足了设计要求,墙体拼接缝隙处理良好,没有出现明显的渗漏和开裂。
4.盖板浇筑盖板浇筑工序中,我们进行了现场监控和抽样检验,混凝土浇筑过程符合工艺要求,盖板表面平整光滑、无空鼓、无龟裂现象。
5.防水层施工涵洞工程的防水层施工符合相关标准和规范,施工工艺规范,材料质量符合要求,地下水位线以下防水层施工质量良好,无渗漏现象。
四、质量问题整改情况在涵洞工程的整个施工过程中,我们及时记录和整理了出现的质量问题,并在相关责任方的配合下进行了及时整改。
经过重新检验,质量问题得到解决,满足了相关规范要求。
钢筋混凝土预制圆管涵(1~3KM为一个分部)1、工程分部开工申请批复单(监表2)2、施工放样报验单(监表1)3、检验申请批复单(监表5)4、构造物基坑检查表5、地基触探试验报告表6、检验申请批复单(监表5)7、公路工程盖板涵基础处理质量检查表8、砂砾(砂)垫层施工记录9、公路工程盖板涵砂垫层质量检查表10、检验申请批复单(监表5)11、公路工程管座及涵管安装质量检查表12、公路工程涵洞管座及涵管安装质量检验评定表13、检验申请批复单(监表5)14、公路工程一字墙和八字墙质量检查表15、公路工程涵洞一字墙和八字墙质量检验评定表16、检验申请批复单(监表5)17、公路工程跌井砌筑质量检查表18、公路工程跌井砌筑质量检验评定表19、检验申请批复单(监表5)20、公路工程涵洞总体质量检查表21、检验申请批复单(监表5)22、公路工程涵洞送水沟质量检查表23、公路工程涵洞送水沟质量检验评定表24、子分部工程质量检验评定表25、公路工程涵洞总体质量检验评定表(1.涵洞总体2.涵管安装3.一字墙4.跌井5.送水沟)26、中间交工证书(监表11)27、混凝土抗压强度报告表28、砂浆抗压强度报告表29、必须有台背回填资料(按照设计要求分层回填,每层都有压实度资料)监表2 工程分项开工申请批复单承包单位:广东水电二局股份有限公司合同号:MDSSDZkqSJGL-200801监表1 施工放样报验单承包单位:广东水电二局股份有限公司合同号:MDSSDZkqSJGL-200801承包单位:广东水电二局股份有限公司合同号:MDSSDZkqSJGL-200801 监理单位:云南省监理咨询公司红河分公司编号:构造物基坑检查表承包单位:广东水电二局股份有限公司合同号:MDSSDZkqSJGL-200801基底承载力(轻型触探)检测记录承包单位:广东水电二局股份有限公司合同号:MDSSDZkqSJGL-200801监表5 检验申请批复单承包单位:广东水电二局股份有限公司合同号:MDSSDZkqSJGL-200801公路工程管座及涵管安装质量检查表马堵山水电站库区四级公路施工单位:广东水电二局股份有限公司监理单位:云南省监理咨询公司红河分公司编号:7文档来源为:从网络收集整理.word版本可编辑.施工单位技术负责人:检验人:记录:年月日公路工程管座及涵管安装质量检验评定表施工单位技术负责人:检验人:记录:复核:年月日注:检查方法参照公路工程质量检验评定标准。
市政工程隧道混凝土衬砌现场质量检验报告单报告单位:市政工程施工监理单位报告日期:XXXX年XX月XX日一、检验对象本次检验报告针对XX市X区XX隧道混凝土衬砌工程进行质量检验。
二、检验内容1.检验单位:市政工程施工监理单位2.检验时间:XXXX年XX月XX日3.检验地点:X区XX隧道工程现场4.检验人员:工程质量监督员、隧道工程技术人员5.检验工具:混凝土抗压强度试验机、混凝土控制仪、测量工具等三、检验过程1.对混凝土原材料进行抽样检验,包括水泥、砂、骨料等。
按照《混凝土材料质量检验标准》进行检验,结果显示原材料质量符合设计要求。
2.对混凝土施工现场进行检查,检查施工过程中的砼浇筑、振捣、养护等步骤是否符合施工规范。
发现部分砼浇筑工序存在空隙、裂缝等问题,及时提出整改意见。
3.对已浇筑完成的混凝土衬砌进行质量检验,采用无损检测和抗压强度试验两种方法。
无损检测使用超声波检测仪,检测砼表面和内部的质量缺陷。
抗压强度试验使用混凝土抗压强度试验机进行,取多个样品进行试验,结果显示混凝土抗压强度符合设计要求,质量合格。
四、检验结果1.混凝土原材料检验结果:水泥、砂、骨料等原材料质量均符合设计要求,无明显缺陷。
2.施工现场检查结果:发现部分砼浇筑工序存在空隙、裂缝等问题,已提出整改意见,并要求施工方进行整改。
3.混凝土衬砌质量检验结果:采用无损检测和抗压强度试验两种方法进行质量检验,结果显示混凝土衬砌的质量符合设计要求,质量合格。
五、问题和建议在本次混凝土衬砌质量检验过程中,发现部分砼浇筑工序存在空隙、裂缝等问题。
针对这些问题,建议施工方加强对砼浇筑过程中的振捣工序的监控,确保混凝土的密实性;同时,对砼浇筑后的养护过程进行加强,防止混凝土表面和内部出现开裂现象。
六、总结本次混凝土衬砌现场质量检验结果显示混凝土衬砌质量符合设计要求,整体质量合格。
建议施工方在后续工程中加强对砼浇筑和养护等环节的管理,确保施工质量达到最佳效果。
附录C 常用工程检验表一、路基工程检验表二、排水工程检验表三、挡土墙、防护及其他砌石工程检验表四、路面工程检验表五、桥梁工程检验表六、涵洞工程检验表七、隧道工程检验表八、汇总评定表一、路基工程检验表 1 土方路基现场质量检验报告单检验表 1-1 路基压实度(弯沉值)现场质量检验报告单检验表 2 石方路基现场质量检验报告单检验表 3 路基边坡现场质量检验报告单检验表 4 挤实砂桩处理软土地基现场质量检验报告单检验表 5 垂直排水井(即袋装砂井、塑料排水板)处理软基现场质量检验报告单二、排水工程检验表6 管道基础及管节安装现场质量检验报告单检验表7 检查(雨水)井砌筑现场质量检验报告单检验表8 浆砌排水沟现场质量检验报告单检验表9 盲沟现场质量检验报告单检验表10 排水泵站现场质量检验报告单三、挡土墙、防护及其他砌石工程检验表11 浆砌砌体和混凝土挡土墙现场质量检验报告单检验表12 干砌片石挡土墙现场质量检验报告单检验表13 加筋土挡土墙面板安装现场质量检验报告单检验表14 加筋土挡土墙总体现场质量检验报告单检验表15 锥、护坡现场质量检验报告单检验表16 浆砌砌体现场质量检验报告单检验表17 干砌片石现场质量检验报告单检验表18 导流工程现场质量检验报告单检验表19 石笼防护现场质量检验报告单四、路面工程检验表20 水泥混凝土面层现场质量检验报告单检验表21 沥青混凝土面层和沥青碎(砾)石面层现场质量检验报告单检验表22 沥青贯入式面层(或上拌下贯式面层)现场质量检验报告单检验表23 沥青表面处治面层现场质量检验报告单检验表24 水泥土基层和底基层现场质量检验报告单检验表25 水泥稳定粒料基层及底基层现场质量检验报告单检验表26 石灰土基层和底基层现场质量检验报告单检验表27 石灰稳定粒料基层和底基层现场质量检验报告单检验表28 石灰、粉煤灰土基层和底基层现场质量检验报告单检验表29 石灰、粉煤灰稳定粒料基层和底基层现场质量检验报告单检验表30 级配碎(砾)石基层和底基层现场质量检验报告单检验表31 填隙砾石(矿渣)基层和底基层现场质量检验报告单检验表32 路槽现场质量检验报告单检验表33 路缘石铺设现场质量检验报告单检验表34 路肩现场质量检验报告单六、涵洞工程检验表93 管涵现场质量检验报告单检验表94 盖板涵、箱涵现场质量检验报告单检验表95 拱涵现场质量检验报告单检验表96 倒虹吸管现场质量检验报告单检验表97 顶入法施工的桥、涵现场质量检验报告单八、汇总评定表检验表102、工程汇总表检验表103、建设项目质量检验评定表检验表104、单位工程质量检验评定表检验表105、分部工程质量检验评定表检验表106、分项工程质量检验评定表C-1 326国道大方至金沙通县公路改造工程检验表1 土方路基现场质量检验报告单承包单位:合同号:C-1-1326国道大方至金沙通县公路改造工程检验表1-1 路基压实度(弯沉值)现场质量检验报告单承包单位:合同号:326国道大方至金沙通县公路改造工程检验表2 石方路基现场质量检验报告单承包单位:合同号:监理单位:编号:承包人:日期:326国道大方至金沙通县公路改造工程检验表3 路基边坡现场质量检验报告单承包单位:合同号:监理单位:编号:承包人:日期:326国道大方至金沙通县公路改造工程检验表4 挤实砂桩处理软土地基现场质量检验报告单承包单位:合同号:监理单位:编号:承包人:日期:326国道大方至金沙通县公路改造工程检验表5 垂直排水井(即袋装砂井、塑料排水板)处理软基现场质量检验报告单承包单位:合同号监理单位:编号:326国道大方至金沙通县公路改造工程检验表6 管道基础及管节安装现场质量检验报告单承包人:合同号:监理单位:编号:承包人:日期:326国道大方至金沙通县公路改造工程检验表7 检查(雨水)井砌筑现场质量检验报告单承包单位:合同号:监理单位:编号:承包人:日期:326国道大方至金沙通县公路改造工程检验表8 浆砌排水沟现场质量检验报告单承包单位:合同号:监理单位:编号:承包人:日期:326国道大方至金沙通县公路改造工程检验表9 盲沟现场质量检验报告单承包单位:合同号:监理单位:编号:承包人:日期:326国道大方至金沙通县公路改造工程检验表10 排水泵站现场质量检验报告单承包单位:合同号:监理单位:编号:承包人:日期:326国道大方至金沙通县公路改造工程检验表11 浆砌砌体和混凝土挡土墙现场质量检验报告单承包单位:合同号:监理单位:编号:326国道大方至金沙通县公路改造工程检验表12 干砌片石挡土墙现场质量检验报告单承包单位:合同号:监理单位:编号:承包人:日期:326国道大方至金沙通县公路改造工程检验表13 加筋土挡土墙面板安装现场质量检验报告单承包单位:合同号:监理单位:编号:承包人:日期:326国道大方至金沙通县公路改造工程检验表14 加筋土挡土墙总体现场质量检验报告单承包单位:合同号:监理单位:编号:承包人:日期:326国道大方至金沙通县公路改造工程检验表15 锥、护坡现场质量检验报告单承包单位:合同号:监理单位:编号:承包人:日期:326国道大方至金沙通县公路改造工程检验表16 浆砌砌体现场质量检验报告单承包单位:合同号:监理单位:编号:承包人:日期:326国道大方至金沙通县公路改造工程检验表17 干砌片石现场质量检验报告单承包单位:合同号:监理单位:编号:承包人:日期:326国道大方至金沙通县公路改造工程检验表18 导流工程现场质量检验报告单承包单位:合同号:监理单位:编号:承包人:日期:326国道大方至金沙通县公路改造工程检验表19 石笼防护现场质量检验报告单承包单位:合同号:监理单位:编号:承包人:日期:326国道大方至金沙通县公路改造工程检验表20 水泥混凝土面层现场质量检验报告单承包单位:合同号:监理单位:编号:承包人:日期:326国道大方至金沙通县公路改造工程检验表21 沥青混凝土面层和沥青碎(砾)石面层现场质量检验报告单承包单位:合同号:监理单位:编号:326国道大方至金沙通县公路改造工程检验表22 沥青贯入式面层(或上拌下贯式面层)现场质量检验报告单承包单位:合同号:监理单位:编号:承包人:日期:326国道大方至金沙通县公路改造工程检验表23 沥青表面处治面层现场质量检验报告单承包单位:合同号:监理单位:编号:承包人:日期:326国道大方至金沙通县公路改造工程检验表24 水泥土基层和底基层现场质量检验报告单承包单位:合同号:监理单位:编号:承包人:日期:326国道大方至金沙通县公路改造工程检验表25 水泥稳定粒料基层及底基层现场质量检验报告单承包单位:合同号:监理单位:编号:承包人:日期:326国道大方至金沙通县公路改造工程检验表26 石灰土基层和底基层现场质量检验报告单承包单位:合同号:监理单位:编号:承包人:日期:326国道大方至金沙通县公路改造工程检验表27 石灰稳定粒料基层和底基层现场质量检验报告单承包单位:合同号:监理单位:编号:承包人:日期:326国道大方至金沙通县公路改造工程检验表28 石灰、粉煤灰土基层和底基层现场质量检验报告单承包单位:合同号:监理单位:编号:承包人:日期:326国道大方至金沙通县公路改造工程检验表29 石灰、粉煤灰稳定粒料基层和底基层现场质量检验报告单承包单位:合同号:监理单位:编号:承包人:日期:326国道大方至金沙通县公路改造工程检验表30 级配碎(砾)石基层和底基层现场质量检验报告单承包单位:合同号:监理单位:编号:承包人:日期:326国道大方至金沙通县公路改造工程检验表31 填隙砾石(矿渣)基层和底基层现场质量检验报告单承包单位:合同号:监理单位:编号:承包人:日期:326国道大方至金沙通县公路改造工程检验表32 路槽现场质量检验报告单承包单位:合同号:监理单位:编号:承包人:日期:326国道大方至金沙通县公路改造工程检验表33 路缘石铺设现场质量检验报告单承包单位:合同号:监理单位:编号:承包人:日期:326国道大方至金沙通县公路改造工程检验表34 路肩现场质量检验报告单承包单位:合同号:监理单位:编号:承包人:日期:326国道大方至金沙通县公路改造工程检验表93 管涵现场质量检验报告单承包单位:合同号:326国道大方至金沙通县公路改造工程检验表94 盖板涵、箱涵现场质量检验报告单承包单位:合同号:326国道大方至金沙通县公路改造工程检验表95 拱涵现场质量检验报告单承包单位:合同号:326国道大方至金沙通县公路改造工程检验表96 倒虹吸管现场质量检验报告单承包单位:合同号:326国道大方至金沙通县公路改造工程检验表97 顶入法施工的桥、涵现场质量检验报告单承包单位:合同号:326国道大方至金沙通县公路改造工程工程汇总表326国道大方至金沙通县公路改造工程建设项目质量检验评定表326国道大方至金沙通县公路改造工程单位工程质量检验评定表中华人民共和国贵州公路项目326国道大方至金沙通县公路改造工程分部工程质量检验评定表C—106 326国道大方至金沙通县公路改造工程分项工程质量检验评定表。
检验申请批复单
承包单位:河北辛通路桥建设有限责任公司合同号:
桥 涵桥位 放样原 始记录
承包单位: 河北辛通路桥建设有限责任公司 监理单位: 辛集市农村公路建设监理组—
合同号: 编号:
基坑开挖原始记录
承包单位:河北辛通路桥建设有限责任公司合同号:监理单位:辛集市农村公路建设监理组编号:
基坑检验记录表
承包单位:河北辛通路桥建设有限责任公司合同号:
监理单位:辛集市农村公路建设监理组编号:
检验人: 监理: 年月日
辛集市赵宁公路改建工程桥涵基坑现场质量检验报告单
承包单位:河北辛通路桥建设有限责任公司合同号:监理单位:辛集市农村公路建设监理组编号:
辛集市赵宁公路改建工程
地基承载力检验记录表
承包单位:河北辛通路桥建设有限责任公司合同号:监理单位:辛集市农村公路建设监理组编号:
检验
监理: 人:
辛集市赵宁公路改建工程
高程检查记录表
承包单位:河北辛通路桥建设有限责任公司合同号:
测量: 监理工程师: 日期:。
省道203线德化环城路东段道路工程监表5 检验申请批复单承包单位:龙岩市恒达工程有限公司合同号: 监理单位:厦门港湾咨询监理有限公司编号:构造物基坑现场质量检验报告单检验表4承包单位:龙岩市恒达工程有限公司合同号:监理单位:厦门港湾咨询监理有限公司编号:水准测量原始记录表施工单位:龙岩市恒达工程有限公司合同号:天气:监理单位:厦门港湾咨询监理有限公司编号:日期:年月曰测量: 监理: 日期:承包单位:龙岩市恒达工程有限公司合同号: 监理单位:厦门港湾咨询监理有限公司编号:钢筋加工及安装现场质量检验报告单检验表31承包单位:龙岩市恒达工程有限公司合同号:监理单位:厦门港湾咨询监理有限公司编号:质检工程师:日期:监理意见:专业监理工程师:日期:承包单位:龙岩市恒达工程有限公司合同号: 监理单位:厦门港湾咨询监理有限公司编号:模板安装现场质量检验报告单检验表33承包单位:龙岩市恒达工程有限公司合同号: 监理单位:厦门港湾咨询监理有限公司编号:承包技术负责人: 日期:水准测量原始记录表施工单位:龙岩市恒达工程有限公司监理单位:厦门港湾咨询监理有限公司合同号:天气:编号:日期:年月曰测量: 监理: 日期:省道203线德化环城路东段道路工程监表5 检验申请批复单承包单位:龙岩市恒达工程有限公司合同号: 监理单位:厦门港湾咨询监理有限公司编号:混凝土基础现场质量检验报告单检验表34 承包单位:龙岩市恒达工程有限公司合同号:水准测量原始记录表施工单位:龙岩市恒达工程有限公司监理单位:厦门港湾咨询监理有限公司合同号:天气:编号:日期:年月曰测量: 监理: 日期:省道203线德化环城路东段道路工程混凝土施工原始记录承包单位:龙岩市恒达工程有限公司工程名称:合同号: 监理单位:厦门港湾咨询监理有限公司起止桩号:编号现场施工负责人: 质检员: 现场监理:省道203线德化环城路东段道路工程监表5检验申请批复单承包单位:龙岩市恒达工程有限公司合同号:模板安装现场质量检验报告单检验表33承包单位:龙岩市恒达工程有限公司合同号: 监理单位:厦门港湾咨询监理有限公司编号:水准测量原始记录表施工单位:龙岩市恒达工程有限公司监理单位:厦门港湾咨询监理有限公司合同号:天气:编号:日期:年月曰测量: 监理: 日期省道203线德化环城路东段道路工程监表5 检验申请批复单承包单位:龙岩市恒达工程有限公司合同号: 监理单位:厦门港湾咨询监理有限公司编号:涵台现场质量检验报告单检验表7 承包单位:龙岩市恒达工程有限公司合同号:水准测量原始记录表施工单位:龙岩市恒达工程有限公司监理单位:厦门港湾咨询监理有限公司合同号:天气:编号:日期:年月曰测量: 监理: 日期:省道203线德化环城路东段道路工程混凝土施工原始记录承包单位:龙岩市恒达工程有限公司工程名称:合同号: 监理单位:厦门港湾咨询监理有限公司起止桩号:编号现场施工负责人: 质检员: 现场监理:省道203线德化环城路东段道路工程监表5 检验申请批复单承包单位:龙岩市恒达工程有限公司合同号: 监理单位:厦门港湾咨询监理有限公司编号:模板安装现场质量检验报告单检验表33承包单位:龙岩市恒达工程有限公司合同号: 监理单位:厦门港湾咨询监理有限公司编号:承包技术负责人: 日期:水准测量原始记录表施工单位:龙岩市恒达工程有限公司监理单位:厦门港湾咨询监理有限公司合同号:天气:编号:日期:年月曰测量: 监理: 日期:承包单位:龙岩市恒达工程有限公司合同号:省道203线德化环城路东段道路工程钢筋加工及安装现场质量检验报告单检验表31 承包单位:龙岩市恒达工程有限公司合同号:质检工程师:日期:监理意见:专业监理工程师:日期:承包单位:龙岩市恒达工程有限公司合同号: 监理单位:厦门港湾咨询监理有限公司编号:省道203线德化环城路东段道路工程盖板制作现场质量检验报告单检验表8 承包单位:龙岩市恒达工程有限公司合同号:日期:省道203线德化环城路东段道路工程混凝土施工原始记录承包单位:龙岩市恒达工程有限公司工程名称:合同号: 监理单位:厦门港湾咨询监理有限公司起止桩号:编号省道203线德化环城路东段道路工程监表5 检验申请批复单承包单位:龙岩市恒达工程有限公司合同号: 监理单位:厦门港湾咨询监理有限公司编号:一字墙和八字墙现场质量检验报告单检验表10 承包单位:龙岩市恒达工程有限公司合同号:水准测量原始记录表施工单位:龙岩市恒达工程有限公司监理单位:厦门港湾咨询监理有限公司合同号:天气:编号:日期:年月曰测量: 监理: 日期承包单位:龙岩市恒达工程有限公司 施原表007砌体工程施工原始记录表监理单位:厦门港湾咨询监理有限公司编号:现场负责人:质检员:年试验员:监理:月日第 页合同号:省道203线德化环城路东段道路工程监表5 检验申请批复单承包单位:龙岩市恒达工程有限公司合同号: 监理单位:厦门港湾咨询监理有限公司编号:台背填土现场质量检验报告单检验表51 承包单位:龙岩市恒达工程有限公司合同号:监理单位:厦门港湾咨询监理有限公司编号:省道203线德化环城路东段道路工程桥、涵台背回填施工原始记录施表-03承包单位:龙岩市恒达工程有限公司工程名称:涵洞工程合同号:施工日期:起止桩号:K0+000~K2+148 编号:第页共页省道203线德化环城路东段道路工程监表5 检验申请批复单承包单位:龙岩市恒达工程有限公司合同号: 监理单位:厦门港湾咨询监理有限公司编号:涵洞总体现场质量检验报告单检验表6 承包单位:龙岩市恒达工程有限公司合同号:水准测量原始记录表施工单位:龙岩市恒达工程有限公司合同号:天气:监理单位:厦门港湾咨询监理有限公司编号:日期:年月日测量: 监理: 日期:填石路堤压实度检测报告。