常用扣型总结
- 格式:doc
- 大小:172.50 KB
- 文档页数:5
扣型总结这周主要对从参加工作开始到现在接触过的工具和设备的扣型,进行了整理学习。
1、常见的钻杆扣型(V型螺纹)IF=internal flush内平扣、FH=full hole贯眼扣、REG=regular正规扣。
1.1、常用IF外加厚和REG内加厚,区别如下:●IF扣为4扣/in,扣相对要粗些,且锥度小些,REG扣为5扣/in,相对扣要细些,且锥度大些。
●IF扣的尺寸范围为2-3/8″到4-1/2″,大于4-1/2″的通常是REG。
1.2、贯眼FH不常见,也不常用。
1.3、各扣型的特点:内平式:主要用于外加厚钻杆。
其特点是钻杆通体内径相同,钻井液流动阻力小;但外径较大,容易磨损。
贯眼式:主要用于内加厚钻杆。
其特点是钻杆有两个内径,钻井液流动阻力大于内平式,但其外径小于内平式。
正规式:主要用于内加厚钻杆及钻头、打捞工具。
其特点是接头内径<加厚处内径<管体内径,钻井液流动阻力大,但外径最小,强度较大。
三种类型接头均采用V型螺纹,但扣型、扣距、锥度及尺寸等都有很大的差别。
1.4、钻杆扣的表示方法●扣型一般由三个数字表示,第一个数表示尺寸(一般有2~7):2—2-7/8″;3—3-1/2″;4—4-1/2″;5—5-1/2″; 6—6-5/8″;7—7-5/8″;(2a—2-3/8)″。
●第二个数表示扣型(有1、2、3),1—IF; 2—FH; 3—REG。
(1平2贯3正规)●第三个数表示公母(用0和1表示) 0—母扣; 1—公扣。
1.5、其他常见的钻杆扣型有 BTC、MT、AMT等。
1.6、钻杆接头的正规扣和内平扣使用上的区别:内平扣的流动阻力比较小,但是接头的直径会比较大,容易磨损;正规扣的流动阻力最大,但是直径和本体是一样的,不容易磨损;如果钻杆使用正规扣的话,在地面就需要很高的泵压才能获得理想的水力参数,为了减少钻杆上的压力损耗,所以钻杆一般是内平扣。
一般钻铤、刮管器、水力割刀的常见扣型为REG。
扣型是工具中最常见的部分,也是比较难区分的一部分。
扣型对于工具师或是监督是很重要的,一个工具师如果不了解扣型,要料、准备到指挥作业都是行不通的,要出大问题的。
这一周主要是学习认识各种常见扣型,包括油管扣型,冲管扣型,筛管盲管扣型,密封单元连接扣形,钻杆扣型等。
1、常见油管扣型(Tubing Joint)油管常用扣型分为三种分别是EU、NU和NewVam、fox。
这四种扣型在工具车间都能找到,其中EU和NU单独从扣的外观上很难区分,都是三角扣型,但是从整个管柱就能很容易区分,那就是EU表示外加厚NU表示没有外加厚。
New Vam实际是一种梯形扣(扣截面呈矩形),也是不带外加厚的,所以也很容易区分。
下面将用示意图详细介绍三种扣型。
1)EU(External upset)外加厚EU扣是一种外加厚油管扣型。
在车间货架上认识变扣接头过程中还会发现三种和EU有关的biano标识。
其中EUE(External Upset End)表示外加厚端,EUP(External Upset Pin)表示外加厚公扣,EUB(External Upset Box)表示外加厚母扣。
除了用pin和box表示公扣母扣外,其他表示公扣有1. external thread 2. male 3. male thread。
母扣有1. female thread 2. internal thread 3. box 4. box thread。
图1-1 EU扣型2)NU(Non-upset)没有外加厚NU表示是没有外加厚的油管接头。
除了没有外加厚外和EU一般还有一种区别就是NU一般每英寸10扣,EU一般每英寸8扣。
其中NUE表示非加厚端或者说端部非加厚。
同样E表示End。
[以上说法来源《石油大典》。
]图1-2 NU扣型3)New V AM这种扣型特点是扣截面基本为矩形,螺距间隔相等,锥度不大,没有外加厚。
在车间的生产滑套套筒端部见到。
图1-3 New V AM扣型2.钻杆常用扣型总结钻杆扣一般常见为REG和IF扣,其他如FH等在工具车间没有找到。
1、常见油管扣型(Tubing Joint)油管常用扣型分为三种分别是EU、NU和NewVam。
这三种扣型在工具车间都能找到,其中EU和NU单独从扣的外观上很难区分,都是三角扣型,但是从整个管柱就能很容易区分,那就是EU表示外加厚NU表示没有外加厚。
New Vam实际是一种梯形扣(扣截面呈矩形),也是不带外加厚的,所以也很容易区分。
下面将用示意图详细介绍三种扣型。
1)EU(External upset)外加厚EU扣是一种外加厚油管扣型。
在车间货架上认识变扣接头过程中还会发现三种和EU 有关的biano标识。
其中EUE(External Upset End)表示外加厚端,EUP(External Upset Pin)表示外加厚公扣,EUB(External Upset Box)表示外加厚母扣。
除了用pin和box表示公扣母扣外,其他表示公扣有1. external thread 2. male 3. male thread。
母扣有1. female thread 2. internal thread 3. box 4. box thread。
图1-1 EU扣型2)NU(Non-upset)没有外加厚NU表示是没有外加厚的油管接头。
除了没有外加厚外和EU一般还有一种区别就是NU一般每英寸10扣,EU一般每英寸8扣。
其中NUE表示非加厚端或者说端部非加厚。
同样E表示End。
[以上说法来源《石油大典》。
]图1-2 NU扣型3)New VAM这种扣型特点是扣截面基本为矩形,螺距间隔相等,锥度不大,没有外加厚。
在车间的生产滑套套筒端部见到。
图1-3 New VAM扣型2.钻杆常用扣型总结钻杆扣一般常见为REG和IF扣,其他如FH等在工具车间没有找到。
根据师傅经验REG扣和IF扣一般分别是5扣/in和4扣/in,但是大于4-1/2”即使是4扣/in也是REG扣,也就是说大于4-1/2”一般都是REG扣,小于4-1/2”IF扣较多。
常见油管扣型扣型是工具中最常见的部分,也是比较难区分的一部分。
扣型对于工具师或是监督是很重要的,一个工具师如果不了解扣型,要料、准备到指挥作业都是行不通的,要出大问题的。
这一周主要是学习认识各种常见扣型,包括油管扣型,冲管扣型,筛管盲管扣型,密封单元连接扣形,钻杆扣型等。
1、常见油管扣型(Tubing Joint)油管常用扣型分为三种分别是EU、NU和NewVam.这三种扣型在工具车间都能找到,其中EU和NU单独从扣的外观上很难区分,都是三角扣型,但是从整个管柱就能很容易区分,那就是EU表示外加厚NU表示没有外加厚.New Vam 实际是一种梯形扣(扣截面呈矩形),也是不带外加厚的,所以也很容易区分。
下面将用示意图详细介绍三种扣型。
1)EU(External upset)外加厚EU扣是一种外加厚油管扣型。
在车间货架上认识变扣接头过程中还会发现三种和EU有关的biano标识。
其中EUE(External Upset End)表示外加厚端,EUP(External Upset Pin)表示外加厚公扣,EUB(External Upset Box)表示外加厚母扣。
除了用pin和box表示公扣母扣外,其他表示公扣有1。
external thread 2。
male 3. male thread。
母扣有1. female thread 2。
internal thread 3。
box 4. box thread。
图1—1 EU扣型2)NU(Non—upset)没有外加厚NU表示是没有外加厚的油管接头。
除了没有外加厚外和EU一般还有一种区别就是NU一般每英寸10扣,EU一般每英寸8扣.其中NUE表示非加厚端或者说端部非加厚。
同样E表示End。
[以上说法来源《石油大典》。
]图1—2 NU扣型3)New VAM这种扣型特点是扣截面基本为矩形,螺距间隔相等,锥度不大,没有外加厚.在车间的生产滑套套筒端部见到。
图1-3 New VAM扣型2。
钻具扣型相关知识
411,4表示丝扣的尺寸,1表示是内平扣型,后1表示是公扣。
这是数字表示法,第一个数表示尺寸的大小,中间的数字表示口型,1平、2贯;3正规,最后的数字表示公母口,0:母扣,1:公扣
411,4表示丝扣的尺寸,1表示是内平扣型,后1表示是公扣。
这是数字表示法,第一个数表示尺寸的大小,中间的数字表示口型,1:内平扣;2:贯眼扣;3:正规扣。
最后的数字表示公母口,1:公扣,0:母扣;还有用NC开始的数字扣表示法,通过查法国数据手册就可以找到。
钻具接头扣型很多,根据接头直径尺寸、类型划分。
411是常用的一种类型。
4表示接头直径是41/2吋,1表示内平扣,1表示外螺纹(公螺纹)。
国际上用41/2IF表示,41/2表示接头直径,IF表示内平,FH表示贯眼,REG表示正规。
现在,用数字型扣逐渐代替内平扣,如411螺纹用NC50型螺纹代替,NC表示数字型螺纹,50表示螺纹的中径尺寸取整数和小数第一位。
螺纹扣型不同,参数不一样,性能也就不同。
5寸钻杆的接头扣型都是内平扣,一般钻铤用的扣型都是正规扣
内平扣的流动阻力比较小,但是接头的直径会比较大,容易磨损
正规扣的流动阻力最大,但是直径和本体是一样的,不容易
磨损
如果钻杆使用正规扣的话,在地面就需要很高的泵压才能获得理想的水力参数,为了减少钻杆上的压力损耗,所以钻杆一般是内平扣
贯眼扣介于这两种类型之间,不经常用的
4表示扣根部最大直径是4寸,1表示公扣。
1表示内平扣。
1、常见油管扣型(Tubing Joint)油管常用扣型分为三种分别是EU、NU和NewVam。
这三种扣型在工具车间都能找到,其中EU和NU单独从扣的外观上很难区分,都是三角扣型,但是从整个管柱就能很容易区分,那就是EU表示外加厚NU表示没有外加厚。
New Vam实际是一种梯形扣(扣截面呈矩形),也是不带外加厚的,所以也很容易区分。
下面将用示意图详细介绍三种扣型。
1)EU(External upset)外加厚EU扣是一种外加厚油管扣型。
在车间货架上认识变扣接头过程中还会发现三种和EU 有关的biano标识。
其中EUE(External Upset End)表示外加厚端,EUP(External Upset Pin)表示外加厚公扣,EUB(External Upset Box)表示外加厚母扣。
除了用pin和box表示公扣母扣外,其他表示公扣有1. external thread 2. male 3. male thread。
母扣有1. female thread 2. internal thread 3. box 4. box thread。
图1-1 EU扣型2)NU(Non-upset)没有外加厚NU表示是没有外加厚的油管接头。
除了没有外加厚外和EU一般还有一种区别就是NU一般每英寸10扣,EU一般每英寸8扣。
其中NUE表示非加厚端或者说端部非加厚。
同样E表示End。
[以上说法来源《石油大典》。
]图1-2 NU扣型3)New VAM这种扣型特点是扣截面基本为矩形,螺距间隔相等,锥度不大,没有外加厚。
在车间的生产滑套套筒端部见到。
图1-3 New VAM扣型2.钻杆常用扣型总结钻杆扣一般常见为REG和IF扣,其他如FH等在工具车间没有找到。
根据师傅经验REG扣和IF扣一般分别是5扣/in和4扣/in,但是大于4-1/2”即使是4扣/in也是REG扣,也就是说大于4-1/2”一般都是REG扣,小于4-1/2”IF扣较多。
常用扣型总结一.常见油管扣型(tubing joint)EU(external upsetNU(Uon-upset)无外加厚IU(internal upset)内加厚New VAWIEU(inter-external upset)内外加厚表1-1 常用油管扣型区别常用油管扣型区别扣型有无加厚特征EU有外加厚8扣/英寸NU无外加厚10扣/英寸New VAW无内外加厚扣截面为矩形,螺距间隔相等,锥度不大常见油管扣型EUE(external upset end)非加厚EUP(external upset pin)外加厚公扣EUB(external upset box)外加厚母扣二.常见钻杆接头扣型(tool joint connection)常见钻杆接头扣型注:在现场大于4-1/2”一般是REG,而小于4-1/2”一般IF运用较多公扣表示法: thread thread母扣表示法: thread thread thread表2-2 常用扣型的区别三种常用扣型的区别扣型扣/寸与钻杆内径关系适用对象REG2-3/8”~4-1/2”:55-1/2”~8-5/8”:4接头内径<钻杆加厚处内径<钻杆管体本身内加厚钻杆IF4扣/in接头内径=钻杆加厚处内径=钻杆管体本身外加厚或内外加厚FH接头内径=钻杆加厚处内径<钻杆管体本身内外加厚图2-1 三种扣型简图REG(regular)正规扣IF(internal flush)内平扣FH(full hole)贯眼扣NC(number connection)数字接头表2-1 钻杆接头尺寸表三. 盲管筛管常用扣型盲管筛管常用扣型LTC (Long thread connector )长螺纹连接STC (Short thread connector )短螺纹连接BTC (Buttress thread connector )偏梯形螺纹连接。
与钻头钻杆钻杆油管配套使用的钻杆扣型都有哪些?钻杆扣型对油田现场办公有很好的指导作用。
对石油地质录井作用不可低估。
那么对于钻头钻杆来说常有的可以配套使用的口型都有哪些呢?一、常见的油管扣型常见的油管扣有 EU 和 NU,少见的有 NEW VAM。
1、其中 EU 和 NU 区别:EU 为外加厚,8 扣/in;NU 没有外加厚,10 扣/in,均为三角扣型。
2、NEW VAM 是一种梯形扣(扣截面呈矩形),也是不带外加厚,生产滑套套筒端部有用,用于气井,气密性较好。
3 、用 P 表示公扣,用 B 表示母扣。
EUP 为外加厚公扣,EUB 为外加厚母扣。
4-1/2”以上没有 EU 和 NU,为 LTC 和 STC,其中 LTC 扣的有效距离长,而 STC 扣的有效距离短,均为圆扣。
二、冲管扣型常见的冲管扣型有 HYD CS、 HYD 511、TSWP。
1、HYD CS 为 1.9″且为外加厚(壁薄), HYD 511 为2-7/8″, TSWP 为4″。
2、HYD CS 和 TSWP 都是偏梯形阶梯扣,从外形上难区分,只有从外径尺寸区分。
3 、铣鞋等工具也有 TSWP 扣。
三、钻杆常用的扣型1、REG扣,是正规扣型,连接的钻杆接头内径小于加厚部分内径,也小于钻杆管体的内径。
2、IF扣,是内平扣型,连接钻杆接头的内径和加厚端的内径和钻杆管体的内径相等或相近。
3、FH扣,是贯眼扣型,贯眼扣顾名思义,就是一般大的意思,就是指钻杆接头内径和加厚部分内径一般大,而不是与钻杆管体的内径,二者一般比钻杆管体的内径小。
四、盲管筛管常用的连接扣型1、LTC.扣型,长螺纹连接LTC螺纹和STC螺纹形状一样,可以连接,但是不允许连接,因为他们所承受的最大扭矩不一样。
2、STC扣型,短螺纹连接,STC和LTC,两种螺纹都属于API的标准螺纹,区别只有造口长度的不同,较长的是LTC 扣,较短的是STC扣,外径超过3〞造口长度一般LTC扣,小于3〞为STC扣。
常用扣型总结范文在生活和工作中,我们经常会遇到各种扣型。
扣型是一种连接或固定两个或多个物体的装置,它们可以是金属、塑料、橡胶等不同材料制成。
扣型有多种不同的形状和功能,下面是一些常用的扣型总结。
1.钮扣:钮扣是一种常见的扣型,常用于衣物、袋子等物品上。
它由两部分组成:一个头部和一个脚部,头部有一个孔,脚部有一个穗。
头部和脚部通过将穗插入孔来连接起来,可以轻松地打开和关闭。
2.拉链:拉链是一种通过滑动两个相互咬合的金属或塑料齿来打开和关闭的扣型。
拉链广泛应用于衣物、箱包、帐篷等物品上,它可以快速、方便地连接和分离。
3.纽扣:纽扣是一种常用于衣物的装饰和固定扣型,它通常由金属、塑料或木材制成。
纽扣有许多不同的形状和尺寸,在穿衣服时,我们可以将两个纽扣固定在一起,以保持衣服的封闭。
4.魔术贴:魔术贴是一种常用于衣物、鞋子、箱包等物品上的扣型。
它由两部分组成:一个有刺的部分和一个有毛的部分。
将这两个部分靠近时,它们会相互粘在一起,可以很方便地连接和分离。
5.钮钩:钮钩是一种通常用于紧固衣物的金属扣型,由两部分组成:一个钩和一个环。
将钩插入环中可以将衣物固定在一起。
钮钩经常用于外套、裙子等需要紧固的物品上。
6.卡扣:卡扣是一种通过旋转或按压来连接和固定的扣型。
它通常用于皮带、包、箱包等物品上。
卡扣可以很牢固地连接两个物体,并且往往需要一些技巧才能打开。
7.挂钩:挂钩是一种用于悬挂物体的扣型,常用于衣物、钥匙链等物品上。
挂钩有许多不同的形状和尺寸,可以根据需要选择合适的挂钩来固定和悬挂物体。
8.弹簧夹:弹簧夹是一种通过弹性材料制成的扣型,通常用于固定和连接物体。
弹簧夹可以轻松地夹住物体,并具有一定的弹性,可以适应不同尺寸的物体。
9.按扣:按扣是一种通过按压来连接和固定的扣型,常用于衣物、包、车辆等物品上。
按扣可以快速、方便地连接和分离,并且具有较高的安全性。
10.搭扣:搭扣是一种通过互锁来连接和固定的扣型,常用于箱包、帐篷、皮带等物品上。
常见各种扣型标准解释⽯油常⽤管丝扣类型及规格⼀、前⾔在⽯油⼯业发展过程中,API 系列规范的⽯油管专⽤螺纹起着不可或缺的作⽤。
⽯油管专⽤螺纹主要分为两⼤类:⽤于井下⼯具及钻柱构件连接的⽯油钻具接头螺纹及⽤于油套管连接的油套管接头螺纹。
随着油井⽓钻采作业向更深、更⾼压⼒和更⾼温度等更苛刻⼯况条件的⽅向发展,⽽且⽯油钻采⼯艺技术不断的进步,常规⽯油管螺纹很难满⾜油⽥的开发需求。
本⽂就⽯油常⽤专⽤管螺纹和管材的主要类型、规格及发展现状作相应的介绍。
⽬前⾼压油⽓井越来越多,普通API螺纹油管已经不能满⾜⾼压密封的要求,对于压⼒⾼于28MPa勺油⽓井,⼤多数选择了⽓密封特殊扣型油管。
由于越来越多的含有H2S/CO2/Cl- 的油⽓井将投⼊开发,普通低碳低合⾦钢油管不能适应较恶劣的腐蚀环境,油管使⽤寿命不能达到油⽓井的设计要求,因⽽9Cr 、13Cr、 2 2 Cr、25Cr 等耐腐蚀材质油管的应⽤也越来越⼴泛。
(⼀)、公司采⽤成套⽆压痕设备起下作业满⾜以下要求:1. 扭矩管理:⽓密封特殊螺纹油管的作业,实施单根扭矩管理(扭矩图形记录、过扭矩保护)。
2. 转速管理:特殊材质油管,使⽤⽆压痕液压钳,低速上扣(1?6 rpm )。
3 .引扣:使⽤布带钳引扣。
(⼆)、提供⽆压痕成套设备和技术: 1. 采⽤国家专利“⽆⽛卡⽡”(专利号ZL 200520146989.3 )配套液压动⼒钳和液压站使⽤。
2. 使⽤NKY-193B型扭矩⾃动控制系统,记录实时扭矩曲线、过扭矩保护。
3. ⽤布带钳引扣,不伤油管表⾯防腐层。
(三)、⽆压痕起下作业具有以下优点:1. 油管表⾯没有咬印,保护油管不受损伤;2. 减少作业次数,降低油井维修费⽤;3. 按最佳扭矩上扣,延长油管使⽤寿命;4. 最⼤程度降低油管破裂损耗⼏率;5. 增强油管串的整体性,提⾼油管串的安全性。
公司对外提供特殊材质特殊扣(⽆压痕)油套管起下成套设备和技术服务⽆压痕起下后的池背表由作业现场布带袖(四)、特殊油套管螺纹介绍随着油⽓钻采作业向更加苛刻的⼯况条件的⽅向发展,以及⽯油钻采⼯艺技术的不断进步,API SPEC 5B旗下的圆螺纹和偏梯形螺纹在⽯油专⽤管领域已⽇渐⼒不从⼼。
(通用安全 )衣饰厂安全生产规章制度4衣饰厂安全生产规章制度1目的为明确安全生产责任,加强安全生产工作,保障职工的安全与健康,保护财产免遭损失,促进企业经济睁开,依照国家相关安全生产的法律法规和市及本行业相关规定,结合我厂实质,拟定本责任制。
适用范围2本规定适用于全厂各部门和全体职工。
3相关术语3.1 三不伤害:不伤害他人,不伤害自己,不被他人伤害。
3.2 三同时:生产、管理单位对新建、改建、扩建工程工程的安全设施消防设施、环推荐措必定与主体工程同时设计、同时施工、同时投入生产和使用。
3.3 五同时:方案、部署、检查、总结、评比生产经营工作时,必定同时方案、部署、检查、总结、评比安全工作。
三违:违章指挥、违章操作、违反劳动纪律。
3.5 四不放过:事故原因不查清不放过,事故责任者得不到办理不放过,整改措施不落实不放过,教训不吸取不放过。
4相关要求4.1 安全生产规章制度是明确企业各级负责人、各职能部门和职工在生产中应负的安全职责的制度。
4.2 安全生产工作贯彻" 安全第一、预防为主"的目标,实行 "企业负责、行业管理、国家监察、公众监察、劳动者遵章守纪"的管理系统,坚持 "管生产必定管安全"、"谁主管谁负责 "的原那么。
4.3 各车间、部门要加强对安全生产工作的领导,加大宣传教育力度,普及安全生产知识,不断加强全员安全意识,提高企业、职工的安全防范能力,积极实行先进技术和管理经验,不断提高安全生产水平。
4.4 任何车间、部门和个人都有保护安全生产,遵守安全生产法律法规、规章制度,履行各自的安全职责的义务,对违反安全生产法律、法规、本规定及其他安全生产的行为,有权检举、指控和抵抗。
5.营销部门安全职责5.1 负责本部门库房安全管理,保证库房的安全设施、消防器材圆满可靠,保证有效使用。
5.2 加强对本部门人员的安全教育和管理,负责营销人员出门期间的安全管理,严格履行厂内相关暂机会构及外派人员安全管理规定。
各类扣型总结分析第一篇:各类扣型总结分析1、常见油管扣型(Tubing Joint)油管常用扣型分为三种分别是EU、NU和NewVam。
这三种扣型在工具车间都能找到,其中EU和NU单独从扣的外观上很难区分,都是三角扣型,但是从整个管柱就能很容易区分,那就是EU表示外加厚NU表示没有外加厚。
New Vam实际是一种梯形扣(扣截面呈矩形),也是不带外加厚的,所以也很容易区分。
下面将用示意图详细介绍三种扣型。
1)EU(External upset)外加厚EU扣是一种外加厚油管扣型。
在车间货架上认识变扣接头过程中还会发现三种和EU有关的biano标识。
其中EUE(External Upset End)表示外加厚端,EUP(External Upset Pin)表示外加厚公扣,EUB(External Upset Box)表示外加厚母扣。
除了用pin和box表示公扣母扣外,其他表示公扣有1.external thread 2.male 3.male thread。
母扣有1.female thread 2.internal thread 3.box 4.box thread。
图1-1 EU扣型2)NU(Non-upset)没有外加厚NU表示是没有外加厚的油管接头。
除了没有外加厚外和EU一般还有一种区别就是NU一般每英寸10扣,EU一般每英寸8扣。
其中NUE表示非加厚端或者说端部非加厚。
同样E表示End。
[以上说法来源《石油大典》。
] 图1-2 NU扣型3)New VAM这种扣型特点是扣截面基本为矩形,螺距间隔相等,锥度不大,没有外加厚。
在车间的生产滑套套筒端部见到。
图1-3 New VAM扣型2.钻杆常用扣型总结钻杆扣一般常见为REG和IF扣,其他如FH等在工具车间没有找到。
根据师傅经验REG扣和IF扣一般分别是5扣/in和4扣/in,但是大于4-1/2”即使是4扣/in也是REG扣,也就是说大于4-1/2”一般都是REG扣,小于4-1/2”IF扣较多。
常见油管扣型扣型是工具中最常见的部分,也是比较难区分的一部分。
扣型对于工具师或是监督是很重要的,一个工具师如果不了解扣型,要料、准备到指挥作业都是行不通的,要出大问题的。
这一周主要是学习认识各种常见扣型,包括油管扣型,冲管扣型,筛管盲管扣型,密封单元连接扣形,钻杆扣型等。
1、常见油管扣型(Tubing Joint)油管常用扣型分为三种分别是EU、NU和NewVam.这三种扣型在工具车间都能找到,其中EU和NU单独从扣的外观上很难区分,都是三角扣型,但是从整个管柱就能很容易区分,那就是EU表示外加厚NU表示没有外加厚.New Vam 实际是一种梯形扣(扣截面呈矩形),也是不带外加厚的,所以也很容易区分。
下面将用示意图详细介绍三种扣型。
1)EU(External upset)外加厚EU扣是一种外加厚油管扣型。
在车间货架上认识变扣接头过程中还会发现三种和EU有关的biano标识。
其中EUE(External Upset End)表示外加厚端,EUP(External Upset Pin)表示外加厚公扣,EUB(External Upset Box)表示外加厚母扣。
除了用pin和box表示公扣母扣外,其他表示公扣有1。
external thread 2。
male 3. male thread。
母扣有1. female thread 2。
internal thread 3。
box 4. box thread。
图1—1 EU扣型2)NU(Non—upset)没有外加厚NU表示是没有外加厚的油管接头。
除了没有外加厚外和EU一般还有一种区别就是NU一般每英寸10扣,EU一般每英寸8扣.其中NUE表示非加厚端或者说端部非加厚。
同样E表示End。
[以上说法来源《石油大典》。
]图1—2 NU扣型3)New VAM这种扣型特点是扣截面基本为矩形,螺距间隔相等,锥度不大,没有外加厚.在车间的生产滑套套筒端部见到。
图1-3 New VAM扣型2。
常用扣型总结-标准化文件发布号:(9556-EUATWK-MWUB-WUNN-INNUL-DDQTY-KII常用扣型总结一.常见油管扣型(tubing joint)EU(external upset)外加厚NU(Uon-upset)无外加厚IU(internal upset)内加厚New VAWIEU(inter-external upset)内外加厚常用油管扣型区别扣型有无加厚特征EU 有外加厚8扣/英寸NU 无外加厚10扣/英寸New VAW 无内外加厚扣截面为矩形,螺距间隔相等,锥度不大常见油管扣型EUE(external upset end)非加EUP(external upset pin)外加厚公EUB(external upset box)外加厚二.常见钻杆接头扣型(tool joint connection)常见钻杆接头扣型注:在现场大于4-1/2”一般是REG,而小于4-1/2”一般IF运用较多公扣表示法:1.external thread 2.male 3.male thread母扣表示法:1.female thread 2.internal thread 3.box 4.box thread表2-2 常用扣型的区别三种常用扣型的区别扣型扣/寸与钻杆内径关系适用对象REG2-3/8”~4-1/2”:55-1/2”~8-5/8”:4接头内径<钻杆加厚处内径<钻杆管体本身内加厚钻杆IF 4扣/in接头内径=钻杆加厚处内径=钻杆管体本身外加厚或内外加厚FH接头内径=钻杆加厚处内径<钻杆管体本身内外加厚图2-1 三种扣型简图REG(regular)正规扣IF(internal flush)内平扣FH(full hole)贯眼扣NC(number connection)数字表2-1 钻杆接头尺寸表三. 盲管筛管常用扣型盲管筛管常用扣型LTC (Long thread connector )长螺纹连接STC (Short thread connector )短螺纹连接 BTC (Buttress thread connector )偏梯形螺纹连。
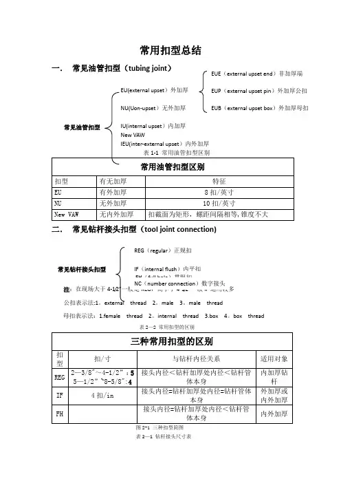
常用扣型总结一.常见油管扣型(tubing joint)
EU(external upset)外加厚
NU(Uon-upset)无外加厚
IU(internal upset)内加厚
New VAW
IEU(inter-external upset)内外加厚表1-1 常用油管扣型区别
二. 常见钻杆接头扣型(tool joint connection )
常见钻杆接头扣型
注:在现场大于4-1/2”一般是REG,而小于4-1/2”一般IF 运用较多 公扣表示法:1.external thread 2.male 3.male thread
母扣表示法:1.female thread 2.internal thread 3.box 4.box thread
表2-2 常用扣型的区别
图2-1 三种扣型简图
REG (regular )正规扣 IF (internal flush )内平扣 FH (full hole )贯眼扣
NC (number connection )数字接头
表2-1 钻杆接头尺寸表
三. 盲管筛管常用扣型
盲管筛管常用扣型
LTC (Long thread connector )长螺纹连接
STC (Short thread connector )短螺纹连接
BTC (Buttress thread connector )偏梯形螺纹连接。
常用扣型总结
一. 常见油管扣型(tubing joint )
EU (external upset
)外加厚
NU (Uon-upset )无外加厚
IU (internal upset )内加厚 New VAW
IEU (inter-external upset )内外加厚 表1-1 常用油管扣型区别 常用油管扣型区别
扣型 有无加厚 特征 EU 有外加厚 8扣/英寸 NU 无外加厚
10扣/英寸
New VAW
无内外加厚 扣截面为矩形,螺距间隔相等,锥度不大
常见油管扣型
EUE (external upset end )非加厚端 EUP (external upset pin )外加厚公扣
EUB (external upset box )外加厚母扣
二. 常见钻杆接头扣型(tool joint connection )
常见钻杆接头扣型
注:在现场大于4-1/2”一般是REG,而小于4-1/2”一般IF 运用较多
公扣表示法:1.external thread 2.male 3.male thread 母扣表示法:1.female thread 2.internal thread 3.box 4.box thread
表2-2 常用扣型的区别
三种常用扣型的区别
扣
型 扣/寸
与钻杆内径关系
适用对
象 RE
2-3/8”~4-1/2”:
接头内径<钻杆加厚处内径<
内加厚REG (regular )正规扣 IF (internal flush )内平扣 FH (full hole )贯眼扣
NC (number connection )数字接头
G5
5-1/2”~8-5/8”:
4
钻杆管体本身钻杆IF4扣/in
接头内径=钻杆加厚处内径=钻
杆管体本身
外加厚
或内外
加厚FH
接头内径=钻杆加厚处内径<钻
杆管体本身
内外加
厚
图2-1 三种扣型简图
表2-1 钻杆接头尺寸表
钻杆接头尺寸表
扣
型
表示方法
公扣小母扣端部
端外径(mm)台肩内径(mm)
正
规
API习惯
2-3/8"REG
2A31*2A3
45.165.1
2-7/8"REG231*23054.278.6
三.盲管筛管常用扣型
盲管筛管常用扣型LTC(Long thread connector)长螺纹连接
STC(Short thread connector)短螺纹连接
BTC(Buttress thread connector)偏梯形螺纹连接。