建筑装饰材料大全彩图.共116页
- 格式:ppt
- 大小:9.59 MB
- 文档页数:116
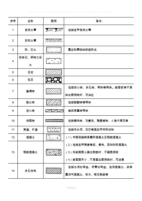
序号名称图例备注1自然土壤包括各种自然土壤2夯实土壤3砂、灰土靠近轮廓线绘较密的点4砂砾石、碎砖三合土5石材6毛石7普通砖包括实心砖、多孔砖、砌块等砌体。
断面较窄不易绘出图例线时,可涂红8耐火砖 包括耐酸砖等砌体9空心砖 指非承重砖砌体10饰面砖包括铺地砖、马赛克、陶瓷锦砖、人造大理石等11焦渣、矿渣 包括与水泥、石灰等混合而成的材料12混凝土(1)本图例指能承重的混凝土及钢筋混凝土(2)包括各种强度等级、骨料、添加剂的混凝土(3)在剖面图上画出钢筋时,不画图例线(4)断面图形小,不易画出图例线时,可涂黑13钢筋混凝土14多孔材料包括水泥珍珠岩、沥青珍珠岩、泡沫混凝土、非承重加气混凝土、软木、蛭石制品等15纤维材料包括矿棉、岩棉、玻璃棉、麻丝、木丝板、纤维板等16泡沫塑料材料包括聚苯乙烯、聚乙烯、聚氨酯等多孔聚合物类材料17木材(1)上图为横断面,上左图为垫木、木砖或木龙骨;(2)下图为纵断面18胶合板 应注明为×层胶合板19石膏板 包括圆孔、方孔石膏板、防水石膏板等20金属(1)包括各种金属(2)图形小时,可涂黑21网状材料(1)包括金属、塑料网状材料(2)应注明具体材料名称22液体 应注明具体液体名称23玻璃包括平板玻璃、磨砂玻璃、夹丝玻璃、钢化玻璃、中空玻璃、加层玻璃、镀膜玻璃等24橡胶25塑料包括各种软、硬塑料及有机玻璃等26防水材料构造层次多或比例大时,采用上面图例27粉刷 本图例采用较稀的点。
常见的建筑装饰材料(图片)
一、胶凝材料与胶凝及
胶凝材料
水泥
混凝土
砂浆
石膏
胶黏剂二、玻璃
玻璃
平板玻璃
安全玻璃三、陶瓷
陶瓷
釉面内墙砖
釉面陶瓷墙地砖
四、石材
石材
天然大理石
天然花岗石
人造装饰石材
五、木质装饰材料
木质材料
实木地板
实木复合地板
强化地板
人造板材
其他木质装饰材料
六、塑料
塑料
塑料门窗
塑料板材
塑料管材七、涂料
涂料
建筑装饰涂料
内墙涂料八、防水材料
防水材料
防水卷材
冷底子油九、金属
金属
金属装饰材料
钢材制品装饰材料
铝及铝合金装饰材料
铜及铜合金装饰材料
页眉内容
页脚内容
11
其他金属装饰材料。
常见的建筑装饰材料(图片)
一、胶凝材料与胶凝及
胶凝材料
水泥
混凝土
砂浆
石膏
胶黏剂二、玻璃
玻璃
平板玻璃
安全玻璃三、陶瓷
陶瓷
釉面墙砖
釉面陶瓷墙地砖四、石材
石材
天然石
天然花岗石
人造装饰石材五、木质装饰材料
木质材料
实木地板
实木复合地板
强化地板
人造板材
其他木质装饰材料
六、塑料
塑料
塑料门窗
塑料板材
塑料管材七、涂料
涂料
建筑装饰涂料
墙涂料八、防水材料
防水材料
防水卷材
冷底子油九、金属
金属
金属装饰材料
钢材制品装饰材料
铝及铝合金装饰材料铜及铜合金装饰材料
其他金属装饰材料。
1 自然土壤包括各种自然土壤2 夯实土壤3 砂、灰土靠近轮廓线绘较密的点砂砾石、碎砖三合4土5 石材6 毛石包括实心砖、多孔砖、砌块等砌体。
断面较窄不易7 普通砖绘出图例线时,可涂红8 耐火砖包括耐酸砖等砌体9 空心砖指非承重砖砌体10 饰面砖包括铺地砖、马赛克、陶瓷锦砖、人造大理石等11 焦渣、矿渣包括与水泥、石灰等混合而成的材料12 混凝土(1)本图例指能承重的混凝土及钢筋混凝土(2)包括各种强度等级、骨料、添加剂的混凝土(3)在剖面图上画出钢筋时,不画图例线13 钢筋混凝土(4)断面图形小,不易画出图例线时,可涂黑包括水泥珍珠岩、沥青珍珠岩、泡沫混凝土、非承14 多孔材料重加气混凝土、软木、蛭石制品等包括矿棉、岩棉、玻璃棉、麻丝、木丝板、纤维板15 纤维材料等包括聚苯乙烯、聚乙烯、聚氨酯等多孔聚合物类材16 泡沫塑料材料料(1)上图为横断面,上左图为垫木、木砖或木龙骨;17 木材(2)下图为纵断面18 胶合板应注明为×层胶合板19 石膏板包括圆孔、方孔石膏板、防水石膏板等(1)包括各种金属20 金属(2)图形小时,可涂黑(1)包括金属、塑料网状材料21 网状材料(2)应注明具体材料名称22 液体应注明具体液体名称包括平板玻璃、磨砂玻璃、夹丝玻璃、钢化玻璃、23 玻璃中空玻璃、加层玻璃、镀膜玻璃等24 橡胶25 塑料包括各种软、硬塑料及有机玻璃等26 防水材料构造层次多或比例大时,采用上面图例27 粉刷本图例采用较稀的点28 毛石混凝土29 新设计的建筑物1.需要时,可用▲表示出入口,可在图形内右上角用点数或数字表示层数2.建筑物外形(一般以±0.00高度处的外墙定位轴线或外墙面线为准)用粗实线表示,需要时,地面以上建筑用中粗实线表示,地下以下建筑用细虚线表示30 原有的建筑物用细实线表示31 计划扩建的建筑物用中粗虚线表示32 拆除的建筑物用细实线表示33 道路34 公路桥35 砖石、混凝土围墙36 铁丝网、蓠笆等37 河流38 等高线39 边坡40 风向频率玫瑰图41 新设计的墙42 墙上预留洞口43 土墙44 板条墙45 入口坡道46 底层楼梯47 中间楼梯48 顶层楼梯49 单扇门50 双扇门51 双扇推位门52 单扇双面弹簧门53 双扇双面弹簧门54 单层固定窗检查孔(地面、吊55顶)56 烟道57 空门洞58 单层外开上悬窗59 单层中悬窗60 水平推拉窗61 平开窗62 建筑物下面的通道63 散状材料露天堆场需要时可注明材料名称其他材料露天堆场64或露天作业场65 铺砌场地66 敞棚或敞廊67 高架式料仓68左、右图为底卸式69 漏斗式贮仓中图为侧卸式70 冷却塔(池)应注明冷却塔或冷却池左图为水塔或立式贮罐71 水塔、贮罐右图为卧式贮罐72 水池、坑槽也可以不涂黑73 明溜矿槽(井)74 斜井或平涧实线为烟囱下部直径,虚线为基础,必要时可注写75 烟囱烟囱高度和上、下口直径实体性质的围墙,76围墙及大门77 通透性质的围墙,若仅表示围墙时不画大门78 挡土墙被挡土在“突出”的一侧79 挡土墙上设围墙80 台阶箭头指向表示向下81 露天桥式起重机“+”为柱子位置82露天电动葫芦“+”为支架位置8384门式起重机有外伸臂85 无外伸臂86 架空索道“I”为支架位置87 斜坡卷扬机道88斜坡栈桥(皮带廊等)细实线表示支架中心线位置89坐标测量坐标90 建筑坐标91 方格网交叉点标高“78.85”为原地面标高“77.85”为设计标高“-0.50”为施工高度“-”表示挖方(“+”表示填方)92填方区、挖方区、未整平区及零点线“+”表示填方区“-”表示挖方区中间为未整平区点划线为零点线93 填挖边坡1.边坡较长时,可在一端或两端局部表示2.下边线为虚线时表示填方94 护坡95分水脊线与谷线脊线96 谷线97 洪水淹没线阴影部分表示淹没区(可在底图背面涂红)98排水明沟1.上图用于比例较大的图面,下图用于比例较小的图面2.“1”表示1%的沟底纵向坡度,“40.00”表示变坡点间距离,箭头表示水流方向3.“107.50”表示沟底标高99100铺砌的排水明沟1.上图用于比例较大的图面,下图用于比例较小的图面2.“1”表示1%的沟底纵向坡度,“40.00”表示变坡点间距离,箭头表示水流方向3.“107.50”表示沟底标高101102 有盖的排水沟1.上图用于比例较大的图面,下图用于比例较小的103 图面2.“1”表示1%的沟底纵向坡度,“40.00”表示变坡点间距离,箭头表示水流方向104 地表排水方向105 截水沟或排水沟“1”表示1%的沟底纵向坡度,“40.00”表示变坡点间距离,箭头表示水流方向Welcome To Download !!!欢迎您的下载,资料仅供参考!。